Изучение процессов дробления и грохочения

  • Вид работы:
    Практическое задание
  • Предмет:
    Другое
  • Язык:
    Русский
    ,
    Формат файла:
    MS Word
    243,45 Кб
  • Опубликовано:
    2015-05-27
Вы можете узнать стоимость помощи в написании студенческой работы.
Помощь в написании работы, которую точно примут!

Изучение процессов дробления и грохочения

Федеральное государственное образовательное учреждение

высшего профессионального образования

Национальный исследовательский технологический университет «МИСиС»

Кафедра обогащения руд цветных и редких металлов









Лабораторная работа №1

Изучение процессов дробления и грохочения

Студент:

Апухтин Михаил Александрович

Группа: МЭ-10-2

Преподаватель:

Николаев Александр Александрович





Москва 2012

1. Цель работы

а) Проведение ситового анализа руды и продуктов обогащения сухим способом и построение характеристик крупности.

б) Знакомство с работой щековой дробилки и плоскокачающегося грохота в лабораторном исполнении

2. Теоретическое введение

Исходная руда состоит из кусков(зёрен) различной крупности, имеющих неправильную форму , что вносит известную условность в определение крупности руды. Только для куска правильной сферической формы один размер(диаметр) полностью определяет его крупность. Крупность куска руды неправильной формы условно характеризуется средним диаметром dср, зависящих от его линейных размеров: длины l, ширины b и высоты куска h. За средний диаметр куска в зависимости от способа измерений и целей, для которых определяется этот параметр принимают:

Ширину параллелепипеда

ср= b;                                    (I.I)

Среднее арифметическое из длины и ширины

                                          (I.2)

Среднее арифметическое из трёх размеров

                                     (I.3)

Среднее геометрическое из длины и ширины

                                           (I.4)

Среднее геометрическое из 3 размеров

                                         (I.5)

Процесс дробления характеризуется степенью дробления i - отношение максимального куска руды , поступающего на дробление Dmax, к максимальному куску после дробления dmax:

дробилка щековой грохот ситовой

                                  (I.6)

Производительность дробилки определяют по массе руды, пропущенной через аппарат за единицу времени:

 кг/ч,                                (I.7)

Где Q - производительность дробилки, кг/ч;

q - навеска руды, предназначенная для дробления, кг;

t - время дробления, с.

Эффективностью грохочения Е называется отношение массы подрешётного продукта (просева) ко всей массе материала такой же крупности, что и просев, содержащегося в исходной руде:

                                     (I.8)

Где q1- масса подрешётного продукта крупностью - а мм.

Живым сечением грохота К называется отношение общей площади отверстий ко всей площади сотки грохота, для его нахождения подсчитывают число отверстий и их общую площадь:

 (1.9)

Где n -число отверстий в сетке грохота; f - площадь одного отверстия, мм2; F - площадь сетки грохота, мм2.

Выход считаем по формуле: ɣ=(mкласса крупности/Мисх.навески)*100% (1.10)

3. Порядок выполнения работы

1)      Определить средний диаметр 3 кусков исходной и дроблёной руды. Средний диаметр поределить по формулам I.I-I.5.

)        Сделать ситовой анализ исходной пробы руды и построить характеристику крупности. Ситовой анализ провести на стандартном наборе сит.

)        Провести рудоподготовку.

)        Снять технические характеристики щековой дробилки и грохота, нарисовать эскизы этих аппаратов, определить эффективность грохочения по классу -2,5+0 мм, живое сечение грохота и степень дробления.

Грохочение I повести на сите со штампованными круглыми отверстиями диаметром 10 мм.

Дроблению подвергается материал крупностью +10 мм; материал крупностью -10 мм после взвешивания направляется на ситовой анализ с целью установления его гранулометрического состава.

Грохочение I и II провести на двухситном плоскокачающемся грохоте, у которого верхнее сито имеет отверстие размером 2,5х2,5 мм, нижнее 1х1 мм.

Грохочение II производится с целью определения эффективности грохочения по классу -2,5+0 мм. На грохот направляются все классы, полученные после ситового анализа и объединённые в один продукт.

Грохочение III производится с целью получения ситового анализа дроблёной руды.

3.1. Схема работы

                               Исходная руда(m=1кг)

                                      Рассев на сите

-10+                                                                                    0м +10 мм

Ситовой анализ                                                               Дробление

Взвешивание                                                                ГрохочениеII

Объединение -2,8+1мм                                        -1+            0мм +    2,8мм

ГрохочениеI                                                             Взвешивание

,8+1мм -1+0мм +2,8мм

Взвешивание

.2 Оборудование

Ситовой анализ проводится на наборе стандартных сит с различным размером отверстий, дробление - в щековой дробилке со сложным качанием щеки, грохочение - на плоскокачающемся грохоте.


Рис.1 Набор сит с различными отверстиями(1-5.6мм, 2-2,5мм; 3-1,25мм; 4-0,5мм; 5-0,125мм)

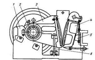
Рис.2 Дробилка с опорой щеки на гибкий пластинчатый элемент:
1 - станина; 2 - эксцентриковый вал; 3 - подвижная щека; 4 - неподвижная щека; 5 - устройство для регулировки размера выходной щели; 6 - гибкий пластинчатый элемент.

Рис.3 Плоский качающийся грохот

. Результаты работы

Таблица 1. Результаты ситового анализа

Класс крупности, мм

Выход

Суммарный выход, %


г %

по «+» по «-»

-10+5,6

139 30

30 100

-5,6+2,5

132 28

58 70

-2,5+1,25

56 12

70 42

-1,25+0,5

66 14

84 30

-0,5+0,125

51 11

95 16

-0,125+0

25 5

100 5

Итого:

469 100



Таблица 2. Результаты грохочения I (tгрох=1’03”)

Продукт

m, г

-2,8+1 мм

105

-1+0 мм

31

+2,8 мм

381

Итого:

517


Таблица 3. Результаты грохочения II (tгрох=1’05”)

Продукт

m, г

-2,8+1 мм

174

-1+0 мм

70

+2,8 мм

225

Итого:

469



Вывод

Т.к. линия графика суммарного выхода по «+» имеет выпуклый характер, то в образце преобладает крупный класс руды.


Не нашли материал для своей работы?
Поможем написать уникальную работу
Без плагиата!
Без нейросетей!