|
.(7)
|
|
Як особливий випадок слід
розглянути включення ОП по пря-мому входу при
і
(див. рис, 5, б). Згідно з виразом
(7)
і схема
виконує роль повторювача напруги. Подібно до емітерного повторювача, повторювач
напруги знаходить застосування для узгодження опорів джерела і вхідного каскаду
підсилювача.
Нелінійні схеми включення ОП.
При такому включенні використовують обидва входи ОП.
Компаратор - пристрій
побудований на основі ОП без ЗЗ і призначений для порівняння безперервного
вхідного сигналу
з постійною
за значенням опорною напругою
(рис. 6).
Залежно від способу подачі
порівнюваних сигналів компаратори ділять на одновходові та двовходові.
Одновходовий (рис. 6, а)
компаратор призначений для порівняння різнополярних вхідної та опорної напруги.
Двовходовий (рис. 6,б) порівнює сигнали однієї полярності, що подані на різні
входи.
Принцип дії обох компараторів
однаковий і заснований на використанні диференціального каскаду, що реагує на
різницю вхідних сигналів. А оскільки ОП, не охоплений ЗЗ, підсилює цю різницю з
великим коефіцієнтом підсилення
, то напруга
швидко
зростає до деякого позитивного
або негативного
рівня
залежно від знаку різниці. Для схеми на рис. 6, а
Для схеми на рис. 6, б
Точність порівняння
компаратора характеризується напругою, на яку необхідно перевищити рівень
, щоб
відбулося перемикання рівнів. Оскільки компаратори перетворять вхідний
безперервний сигнал в дискретну величину на виході, вони відносяться до
дискретних елементів.
Генератор прямокутних
імпульсів (ГПІ). Основу ГПІ (рис. 7, а) становить ОП, в якому задіяні обидва
входи. За рахунок застосування позитивного ЗЗ по прямому входу ОП набуває властивостей
компаратора, а за рахунок застосування негативного ЗЗ по інвертувальному входу,
що містить
-елементи,
створює режим генератора.
Форма напруги на
інвертувальному вході відповідає формі вихідної напруги, а його значення
ослаблене в
разів, де
-
коефіцієнт передачі сигналу, який визначається
. Оскільки
при включенні ОП позитивний ЗЗ миттєво вводить його в режим насичення, то на,
виході ОП встановлюється один з рівнів
. По ланцюгові позитивного ЗЗ на
прямий вхід надходить напруга
, по ланцюгові негативного ЗЗ
вихідний сигнал буде диференціюватися і за рахунок заряду конденсатора зростати
по експоненті. Час, протягом якого рівень на виході ОП залишається постійним,
буде визначатися часом
заряду
конденсатора
. У момент,
коли напруги на обох входах зрівняються
(рис. 7, б), вихідна напруга ОП
переключиться на інший граничний рівень
. З цього моменту почнеться
перезаряджання конденсатора до значення
. Процес генерації триватиме до
вимикання ОП. В результаті на виході ОП виробляються симетричні прямокутні
імпульси, тривалість яких
.
Генератор імпульсів трикутної
форми (ГТІ). ГТІ можна отримати на основі ГПІ, подаючи напругу з його виходу на
генератор, виконаний на
-ланцюгові
або на ОП.
Схема генератора, що
зображена на рис. 7, в побудована на двох ОП. Підсилювач
включений за схемою компаратора для формування прямокутних імпульсів,
що поступають на вхід підсилювача
, включеного за схемою інтегратора.
Вихідна напруга
при
надходженні на його інвертувальний вхід прямокутного імпульсу певної полярності
змінюється лінійно. Ця напруга по ланцюгу негативного ЗЗ через резистор
подається
на інвертувальний вхід
. У момент,
коли вона зрівнюється з напругою на неінвертувальному вході, на виході
з'явиться
імпульс іншої полярності. Конденсатор
почне розряджатися до нуля, а потім
перезаряджатися до нового рівня з частотою, що визначається частотою
перемикання ГПІ (рис. 7, г).
. Перетворювальні каскади
підсилювачів
За характером вихідного
сигналу перетворювалні каскади поділяються на неперервні та дискретні. До
неперервних відносяться модулятори і демодулятори, що перетворюють рід струму
сигналів. Дискретні пристрої перетворять вхідний неперервний сигнал в
імпульсний із змінними ознаками: шириною, амплітудою, частотою.
Неперервні перетворювачі.
Модулятор (М) - пристрій, що
перетворює сигнал постійного струму в сигнал змінного струму, амплітуда і фаза
якого визначаються значенням і полярністю вхідного сигналу.
Демодулятор - пристрій, що
перетворює сигнал змінного струму в сигнал постійного струму, сила і полярність
якого визначаються амплітудою і фазою сигналу змінного струму.
Перетворення сигналів
здійснюється за рахунок застосування спеціальних переривників, комутуючих
електричний ланцюг навантаження з частотою
, що дорівнює частоті
опорної
напруги
. Принцип
модуляції і демодуляції легко зрозуміти з розгляду схем на рис. 8. В схемі М
(рис. 8, а) струм
,
утворюваний від вхідної напруги в ланцюзі первинної обмотки трансформатора
, завдяки
дії переривника
(1 -
відкритий, 0 - закритий) носить імпульсний характер. У вторинній обмотці
трансформатора індукується змінна ЕРС з частотою, яка визначається, частотою
комутації переривника і називається частота-носій, на відміну від модулювальної
частоти зміни вхідного сигналу. Для виділення першої гармонічної складової
частоти-носія обмотку трансформатора
шунтують конденсатором
. Отриманий
таким чином коливальний контур налаштовують на несучу частоту. З розгляду
графіків струмів і напруг видно, що при зміні полярності вхідного сигналу (див.
і
) фаза
вихідного сигналу (
і
) змінюється
на 180 °.
У схемі ДМ (рис. 8, б)
переривник, замикаючись з частотою, що дорівнює частоті вхідного сигналу, буде
пропускати або позитивні, або негативні півхвилі цього сигналу в залежності від
співвідношення фаз вхідного сигналу і опорної напруги (стану ключа: замкнутий -
розімкнений). При збігові фаз напруг з резистора навантаження
знімається
позитивна напруга. При зміні фази на 180° полярність вихідного сигналу
змінюється на протилежну. Якщо співвідношення фаз буде змінюватися, то вихідна
напруга буде зменшуватись. При зсуві фаз 90 і 270° напруга на виході
дорівнюватиме нулю, оскільки за час замикання ключа пройде „половина”
позитивної та „половина” негативної півхвиль, а середня за період напруга буде
дорівнювати нулю. Ця властивість ДМ використовується для захисту СП від сигналу
завади, викликаного квадратурною складовою сельсинів та ОТ і зміщеного відносно
основного сигналу на 90°. Для згладжування пульсації випрямленої напруги в
схемі ДМ (рис. 8, б) паралельно резистору навантаження
включають
конденсатор С.
Основними показниками М і ДМ
є:
коефіцієнти передачі
;
вхідний і вихідний опори;
дрейф нуля;
коефіцієнт пульсації на
виході ДМ і вміст вищих, гармонік на виході М;
ступінь інерційності.
На практиці М і ДМ класифікують
за такими ознаками:
за принципом роботи - на
однопівперіодні і двохпівперіодні (двохпівперіодние перетворювачі будують на
базі двох ідентичних переривників, включених в загальну схему; вони
відрізняються малим коефіцієнтом пульсації випрямленої напруги або малим
вмістом вищих гармонік в промодульованому сигналі);
по наявності процесу
посилення перетворюваного сигналу по потужності - на активні і пасивні (активні
ДМ називають фазочуттєві підсилювачами (ФЧП), пасивні ДМ - фазочутливими
випрямлячами (ФЧВ);
за способом включення - на
послідовні, паралельні і послідовно-паралельні;
за способом комутації (типу
переривника) - на контактні і безконтактні.
Оскільки застосування
контактних перетворювачів обмежене внаслідок невеликої частоти перемикань і
наявності контактів, що знижують надійність системи і викликають появу
частотних перешкод, зупинимося на розгляді безконтактних пристроїв.
Безконтактні перетворювачі.
Для підвищення надійності СП переривники виконують на основі нелінійних
елементів, здатних змінювати свій внутрішній опір в певних межах з частотою
опорної напруги. В якості нелінійних елементів використовують напівпровідникові
діоди і тріоди, інтегральні переривники і ОП.
Схеми перетворювачів на
діодах відрізняються простотою реалізації, але одночасно характеризуються
невеликим коефіцієнтом передачі і значним дрейфом нуля внаслідок нестабільності
характеристик діодів.
Більш високі показники;
(лінійність, великий вхідний опір) мають М і ДМ, побудовані на транзисторах, що
працюють у ключовому режимі. Як переривник (ключ) служить емітерно-колекторний
перехід, опір якого змінюється в залежності від прикладеної до одного з
переходів комутуючої (опорної) напруги. Ключ знаходиться у відкритому стані,
якщо опорна напруга прикладена мінусом до бази, а плюсом до колектора
транзистора типу
. При цьому
транзистор має двосторонню провідність, а напрям і сила струму в навантаженні
визначаються полярністю і амплітудою сигналу на вході схеми. Стан ключа
змінюється на протилежний (закритий) при зміні полярності опорної напруги.
Зазвичай використовують схеми
компенсувальних ключів, що складаються з двох транзисторів, включених ланцюгами
емітер-колектор послідовно-зустрічно (рис. 9). При негативних потенціалах на
базах транзисторів
і
обидва
транзистори одночасно відкриваються, пропускаючи вхідний сигнал на вихід. У
другий півперіод опорної напруги обидва транзистори закриті. Компенсовані ключі
по відношенню до навантаження можуть бути включені послідовно і паралельно. У
схемах однопівперіодних М (рис. 9, а) і ДМ (рис. 9, б) використано послідовне
включення ключів. Перевагою транзисторних ключів є те, що вони працюють при
будь-яких значеннях вхідного сигналу, навіть великій опорній напрузі. Недоліком
є дрейф нуля за рахунок появи високочастотних перешкод при замиканні і
розмиканні ключів.
Значного зниження дрейфу нуля
можна домогтися застосуванням інтегральних мікросхем, що володіють в силу своїх
технологічних особливостей високою стабільністю характеристик.
На рис. 9, в дана принципова
схема інтегрального перетворювача 101КТ1А, що представляє собою дві ідентичні
транзисторні структури типу
, виконані на одній підкладці з
кристала кремнію і мають загальний колектор. Умовне графічне зображення і схема
включення переривника представлені на рис. 9, г.
Принцип роботи
двохпівперіодного М на інтегральних переривниках
і
, що працюють в протифазі, можна
розглянути на прикладі схеми, представленої на рис. 9, д. У перший півперіод
опорної напруги, створюваної трансформатором
, працює ключ
. Струм від
проходить
через верхню первинну півобмотку трансформатора
. У другій півперіод струм протікає
через замкнутий ключ
через нижню
півобмотку трансформатора
. В
результаті у вторинній обмотці вихідного трансформатора індукується
двох-півперіодна ЕРС. Режим роботи інтегральних переривників близький до
ідеального, що забезпечує високий рівень корисної потужності в навантаженні.
Оскільки в М і ДМ для
поліпшення якості вихідного сигналу на виході включають конденсатори, що
утворюють
,
-контури, то
інерційність підсилювача в цілому зростає, і в деяких випадках виникає
необхідність обліку постійних часу модулятора
і демодулятора
.
Істотним недоліком
розглянутих вище схем перетворювачів є необхідність застосування (для отримання
двополярного сигналу) вхідного або вихідного трансформатора, що збільшує
розміри підсилювача. Найбільш перспективним з точки зору зменшення розмірів,
спрощення технології збирання, уніфікації всього підсилювача, а також
підвищення надійності є застосування перетворювачів на базі інтегральних ОП.
Перетворювачі на базі ОП.
Розглянемо роботу перетворювача на базі ОП з керованим ключем
в ланцюзі
неінвертувального входу підсилювача (рис. 10, а). Модуляція постійної вхідної
напруги
здійснюється
за рахунок періодичного замикання і розмикання ключа з частотою опорної
напруги.
сигнал
операційний підсилювач напруга
В замкнутому стані ключ
з'єднує прямий вхід
із землею і
схема працює як інвертор з коефіцієнтом передачі
(
) за умови, що
. При розімкнутому
ключі
сигнал
надходить одночасно на обидва входи ОП. Внаслідок великого вхідного опору по
неінвертувальному входу струм через резистор
не тече, тому потенціал на вході
дорівнюватиме
. За рахунок
дії ЗЗ потенціал на інвертувальному вході також дорівнюватиме
. Струм
через резистор
не тече, і
підсилювач працює як повторювач напруги з коефіцієнтом
, тобто
.
Таким чином, на виході
перетворювача напруга комутується від
до
, що відповідає двохпівперіодній
модуляції.
Розглянутий М порівняно з
перетворювачами на транзисторних ключах та інтегральних переривниках має ту
перевагу, що забезпечує розв'язку вхідного ланцюга ОП з модулювальними ключами
і має низький вихідний опір. Недоліком схеми є порушення балансу підсилювача на
час одного півперіоду комутації, оскільки при замкнутому і розімкнутому станах
ключа
вхідний
опір ОП різноий.
Розбалансу уникають
включенням на прямому вході ОП послідовно-паралельного комутатора з двох ключів
і
(рис. 10,
б), що працюють в протифазі. Модуляція постійного
вхідного сигналу відбувається
за рахунок почергового замикання ключів
і
. Вхідний опір підсилювача при
переході від одного півперіоду до іншого не змінюється. І за умови ідентичності
ключів і рівність опорів резисторів
,
,
баланс підсилювача не порушується.
Розглянуті перетворювачі
(див. рис. 10, а, б) універсальні і можуть бути використані як ДМ.
Принципова схема ДМ з одним
ключем на транзисторі зображена на рис. 10, в. Для формування сигналу
в ланцюг
бази транзистора
включені
трансформатор
, резистори
,
і діод
, що
відсікає негативну півхвилю
. У позитивні півперіоди
ключ
замкнутий, оскільки транзистор
входить в режим насичення. Якщо
змінна вхідна напруга, що надходить на вхід ОП з трансформатора
через
резистор
, в перший
півперіод збігається за фазою з напругою
(ключ замкнут), то ОП виконує
функцію випрямляча з коефіцієнтом
. У другий півперіод змінюється знак
амплітуди вхідного сигналу, але і ОП з розімкненим ключем працює як повторювач
з
. У результаті
на виході ОП виходить двохпівперіодний випрямлений сигнал, полярність якого
визначається фазою
. Як ключ
можна застосувати більш досконалий інтегральний переривник (рис. 10, г). Робота
схеми і призначення елементів аналогічні описаним до рис. 10, а.
Активні перетворювачі.
Загальним недоліком пристроїв, побудованих на діодах, транзисторних ключах та
інтегральних переривниках, є пасивне перетворення сигналів, оскільки вони
комутують ланцюг малопотужного джерела вхідного сигналу без додаткового
підсилення. Використанням ключів в поєднанні з ОП домагаються поліпшення
якісних показників перетворювачів. Такі пристрої забезпечують розв'язку
ланцюгів підсилювача з ключами, не послаблюють сигнал, але й не підсилюють його.
діодів
-
, що утворюють разом з двома
вторинними обмотками трансформатора опорної напруги
і
резисторами навантаження
,
чотири
суміжних контури. Обмотки
включені
так, що в кожен півперіод опорної напруги відкриті діоди протилежних
(діагональних) контурів:
,
або
,
. За рахунок
цього відбувається почергове підключення транзисторів
,
до
резисторів
і
.
При одній полярності опорної
напруги
в перший
півперіод по резистору
протікає
струм транзистора
, що
пропускається діодом
, а по
резистору
- струм
транзисстора
, що
пропускається діодом
. У другий
півперіод струм транзистора
через діод
потече по
резистору
, а струм
транзистора
- по
резистору
через діод
. При відсутності
сигналу розузгодження бази та емітери обох транзисторів виявляються
закороченими. Невеликі, але рівні за силою початкові колекторні струми, що
протікають по резисторах
і
в протилежних
напрямках створюють взаємно компенсувальні падіння напруг, і
.
При подачі вхідного сигналу,
що надходить на бази
і
з
трансформатора
в
протифазі, опори транзисторів змінюються, що призводить до порушення умови
компенсації у схемі і появи вихідної напруги. Зростаючий струм транзистора, що
відкривається, (наприклад,
) створюватиме більше падіння
напруги на одному з резисторів (наприклад,
). При цьому більшім виявиться
падіння напруги на цьому резисторі і в другому півперіоді, оскільки зі зміною
фази вхідного сигналу по
протікає
збільшений струм транзистора
. Завдяки включенню в схему діодів
забезпечується захист колекторних переходів транзисторів від зворотних напруг в
неробочі періоди. Живлення транзисторів стає пульсуючим, що покращує
енергетичні показники каскаду (підвищується ККД і зменшується потужність
розсіювання транзисторів). Навантаженнями розглянутого пристрою є обмотки
управління диференціальних магнітних підсилювачів, ЕМП (перетворювачів), ЕМП
підсилювачів, ЕПМ.
Дискретні перетворювачі.
Дискретні перетворювачі -
пристрої, призначені для перетворення неперервних сигналів, що повільно
змінюються в послідовність прямо кутних
імпульсів зі змінним
параметром (частотою, амплітудою, тривалістю).
Найбільшого поширення набули
широтно-імпульсні модулятори і фазозсувні пристрої.
Широтно-імпульсні модулятори
Широтно-імпульсні модулятори
(ШІМ) - перетворювачі, що формують імпульси змінної тривалості (шпаруватості),
що залежить від вхідного сигналу.
Під шпаруватістю 
розуміється відношення тривалості
періоду повторення імпульсів
до тривалості імпульсу
:
(рис. 12).
Перетворення сигналів здійснюється за допомогою безконтактного релейного
пристрою, що порівнює безперервний вхідний сигнал
з
пилоподібною опорною напругою
. У моменти рівності абсолютних
значень цих напруг (
) періодично
спрацьовує реле, і на його виході з'являються імпульси
тривалості
, що
залежать від рівня вхідного сигналу.
Полярність опорної напруги
вибирають
такою, щоб при відсутності керуючого сигналу вона
не змінювала стану реле і не
приводила до самозбудження від незначних перешкод.
В якості релейних елементів
можуть застосовуватися компаратори, побудовані на основі інтегральних ОП,
порогові елементи, тригери з позитивним ЗЗ в колекторному та емітерному
ланцюгах. Прикладом релейного елемента може служити тригер Шмідта
, що
зібраний на транзисторах
,
і
відрізняється від симетричного тригера відсутністю зв'язку колектора
з базою
(рис. 13,
а). У вихідному стані транзистор
відкритий за рахунок позитивного
зсуву, створеного дільником
,
транзистор
закритий
замикаючою напругою, створюваною на резисторі
струмом насичення транзистора
. З подачею
вхідного сигналу
додатної
полярності стан схеми лавиноподібно змінюється на протилежний:
відкривається,
падіння напруги на резисторі
зростає, а на резисторі
зменшується,
що призводить до зменшення запирання транзистора
. Транзистор
закривається
внаслідок зменшення напруги зсуву на резисторі
. При знятті вхідного сигналу тригер
повертається в початковий стан в результаті дії емітерного позитивного ЗЗ,
реалізованого за допомогою резистора
.
Залежно від схеми ШІМ
імпульси на виході перетворювача можуть бути однополярним або різнополярними.
Однополярні імпульси формуються у вигляді послідовності імпульсів різної
шпаруватості (рис. 13, б), полярність яких залежить від знаку вхідного сигналу.
Якщо сигнал нульовий, то імпульси на виході відсутні. Різнополярні імпульси є
послідовністю імпульсів, полярність яких чергується (рис. 13, в). Залежно від
знаку розузгодженості тривалість
імпульсів однієї полярності
переважає над тривалістю
імпульсів
іншої полярності, а в сумі тривалості цих імпульсів складають період повторення
імпульсів:
. При
відсутності вхідного сигналу з виходу ШІМ знімаються різнополярні імпульси
однакової тривалості.
ШІМ, що формує одно полярні
імпульси (див. рис. 13, а), симетричний і складається з двох тригерів Щмітта на
транзисторах
-
і двох
джерел пилоподібної напруги, зібраних на
-ланцюгах та вторинних обмотках
трансформатора
. Схема
включення діода
(
) така, що
створюване на резисторі
(
) струмами
перезаряду конденсатора
(
)
пилоподібна напруга буде прикладатися до бази
(
) в полярності, при якій транзистор
буде ще більше закриватися. При відсутності вхідного сигналу з виходів
і
ШІМ
знімається постійна напруга. З надходженням керуючого сигналу
починає
комутуватися та половина схеми, на вхід якої надійшов позитивний сигнал (на
рис. 13, а - верхня). Зміна полярності вхідного сигналу приведе в дію нижню
половину ШІМ, і на виході
з'являться
імпульси змінної шпаруватості.
Схема ШІМ, що зображена на
рис. 14, побудована за аналогічним принципом, але на ОП. Опорна напруга
трикутної форми виробляється ГТІ, що зібраний на ОП
і
.
Призначення елементів і робота ГТІ відповідають опису до рис. 7, в. В якості
релейного елемента застосований одновходовий компаратор
, що формує
на виході двополярні імпульси з шпаруватістю, яка залежить від амплітуди
сигналу. При співвідношенні
на виході ШІМ буде імпульс додатної
полярності, при зміні знака різниці на виході формується імпульс негативної
полярності.
Фазозсувні пристрої (ФЗП) є
дискретними перетворювачами, що призначені для вироблення управляючих
тиристорами імпульсів, фаза яких залежить від амплітуди сигналу управління.
ФЗП, що зв'язує вихідний каскад на тиристорах з попереднім підсилювачем, є
важливим елементом не тільки підсилювача, але і всього приводу, визначаючи
надійність його роботи, якісні показники і розміри. У зв'язку з цим до ФЗП
пред'являють жорсткі вимоги по амплітуді, ширині і крутизні фронту керуючого
імпульсу, а також по швидкодії.
ФЗП можуть бути побудовані на
базі транзисторів, діодів, тиристорів, ОП. Деякі схемні рішення ФЗП наведено на
рис. 15.
Особливістю пристрою, схема
якого дана на рис. 15, а, є робота за принципом „вертикального” управління.
Структурно подібного роду ФЗП складається (рис. 15, б) з генератора
пилоподібної напруги
, дискретного
елемента
, формувача
імпульсів
та
генератора імпульсів
. Рівень
напруги керування
, що
надходить з
, змінюється
в залежності від розузгодження. У дискретному елементі здійснюється порівняння
з
пилоподібною напругою
і
перетворення неперервного сигналу в дискретний. Імпульс з ФІ виробляєте в
момент зміни знаку різниці зазначених напруг, а кут його зсуву
визначається
значенням
. Генератор
імпульсів видає керуючий імпульс, тривалість якого достатня для наростання
струму тиристора до його утримання.
У схемі на рис. 15, а в
якості дискретного елемента ФЗП застосований ШІМ, зібраний на транзисторах
і
і працює,
аналогічно пристрою, розглянутому на рис. 13, а. В колекторному ланцюзі
транзистора
протікає
струм, що має форму прямокутних імпульсів з тривалістю, визначеною величиною
керуючої напруги
. Знімається
з виходу ШІМ прямокутний імпульс надходить на формувач імпульсу у вигляді
ланцюга
,
, і
диференціюється. Утворений по передньому фронту позитивний короткий імпульс
відсікається діодом
, а по
задньому фронту негативний імпульс через діод
подається на вхід генератора
імпульсів, виконаного за схемою чекає блокінг-генератора на транзисторі
, з
трансформаторним
зворотним зв'язком. Транзистор
,
навантажений первинною обмоткою імпульсного трансформатора
,
відкривається на базу короткого негативного імпульсу. Струм, що протікає по
первинній обмотці
, створює в
обмотці
ЕРС,
прикладену до бази транзистора
і підтримуючу в ній струм після зняття
короткого вхідного імпульсу. Для виключення помилкових спрацьовувань від
сторонніх імпульсів в ланцюзі база-коллектор транзистора
передбачений
конденсатор
, що знижує
чутливість блокінг-генератора до коротких імпульсів.
Діод
служить для
зняття протидії ЕРС, накопиченій в обмотці
трансформатора
. Керуючий
імпульс знімається з вторинної обмотки
і надходить на керуючий електрод
тиристора.
У схемі ФЗП, зображеного на
рис. 15, в, виключене порівняння пилоподібної опорної напруги з керуючою.
Регульована за значенням постійна керуюча напруга в цьому пристрої є джерелом
живлення ГПН і безпосередньо надходить на його вхід. Основу ГПН становить
аналог двухбазового діода (АДД), виконаний на транзисторах
,
різної
провідності. Конденсатор
служить для
управління діодом шляхом накопичення заряду. При відсутності керуючого сигналу
АДД закритий за рахунок зміщення, створюваного дільником
,
. При
надходженні негативного сигналу управління конденсатор починає заряджатися
через резистор
. Відмикання
АДД і розряд конденсатора через діод відбуваються в момент рівності напруг в
точках
і
. Струм
розряду конденсатора проходить по первинній обмотці імпульсного трансформатора
і формує у
вторинній обмотці керуючий імпульс. Чим більший рівень напруги управління, тим
швидше спрацьовує АДД і з'являється керуючий імпульс.
Для синхронізації роботи ФЗП
з напругою живлення тиристора застосований транзистор
, до бази
якого прикладено випрямлена за допомогою діодів
,
опорна напруга. Більшу частину
періоду транзистор
закритий і
не впливає на роботу ГПН. В моменти переходу
через нуль транзистор
відкривається
й до нижньої обмотки конденсатора
через резистор
і діод
прикладається
додатна напруга, і конденсатор розряджається. Цим досягається збіг початку
нового заряду конденсатора і початку нового півперіоду напруги живлення
тиристора.
Схема управління, зображена
на рис. 15, г, найпростіша і містить в якості синхронізатора тиристор. Вихідні
імпульси формуються при розряді конденсатора
через первинну обмотку
трансформатора
і тиристор
в момент
подачі керуючого імпульсу на цей тиристор.
Як недолік даного ФЗП слід
відзначити високий рівень напруги на елементах схеми, а, як відомо, максимальні
значення напруг, що прикладаються до тиристора, за технічними умовами не
повинні перевищувати половини їх максимально допустимих значень.
. Підсилювачі неперервних
слідкувальних приводів
Найбільш перспективними є
підсилювачі, виконані на базі інтегральних мікросхем. При цьому не тільки
істотно скорочуються розміри підсилювача, спрощується схемотехніка, але й
істотно підвищується надійність, а також спрощується технологія побудови та
налагодження схеми. Тому приклади підсилювачів, що розглядаються далі,
розраховані на використання сучасних інтегральних мікросхем.
Підсилювачі змінного струму У
найпростішому випадку підсилювач змінного струму складається з попереднього
підсилювача напруги, виконаного на ОП, і транзисторного двухтактного
підсилювача потужності. Джерелами вхідного сигналу є сигнальні обмотки
сельсинів і ОТ, що мають достатньо низький внутрішній опір. Якщо джерелом цього
сигналу служить потенціометричний датчик з порівняно великим внутрішнім опором,
то для узгодження навантаження застосовують каскад з великим вхідним опором,
наприклад у вигляді повторювача напруги.
При виборі схеми вхідного
пристрою особливу увагу приділяють зменшенню впливу перешкод і захисту
підсилювача від вхідних електричних перевантажень при великих розузгодженнях.
Завади виникають внаслідок нестабільності джерел живлення, наявності гармонік у
вихідних сигналах перетворювальних каскадів і квадратурних складових у керуючих
сигнали, що надходять з ВР. Завади зменшують коефіцієнт передачі підсилювача.
Для зниження рівня завад на вході підсилювача або після попереднього каскаду
включають фазовий дискримінатор, який за допомогою ДМ випрямляє напругу і
відфільтровує квадратурну складову з подальшим перетворенням цього сигналу в
змінний сигнал модуляторні каскадом. Якщо фазовий дискримінатор знаходиться на
проміжному каскаді, то тракт підсилення від ДМ до М використовується для
включення КП постійного струму.
Великий діапазон зміни
вхідних сигналів СП і малі допустимі вхідні напруги ОП обумовлюють необхідність
застосування елементів захисту вхідних каскадів. Найпоширенішою є схема захисту
на діодному обмежувачі (рис. 16, а). При невеликих сигналах розузгодження
(частки вольта) опір діодів
,
досить великий, і вся напруга
надходить на вхід ОП. При великих сигналах (десятки вольт) вхідний сигнал
внаслідок різкого зменшення опорів діодів буде обмежений падінням напруги на
діодах в прямому напрямку
, а решта
напруги буде падати на резисторі
і внутрішньому опорі джерела.
Двостороннього обмеження
можна добитися також з допомогою двох стабілітронів, включених зустрічно один
одному і паралельно навантаженню (рис. 16, б). При дії додатного вхідного
сигналу, що перевищує падіння напруги на стабілітроні в прямому напрямку,
стабілітрон
різко
відкривається шунтуючи вхід підсилювача. При впливі від’ємного вхідного сигналу
обмеження досягається за рахунок відкривання стабілітрона
.
До вибору і розрахунку
вихідного каскаду підсилювача пред'являються вимоги щодо забезпечення заданої
потужності в навантаженні і найбільшого ККД як основного показника
економічності, з точки зору співвідношення між віддається каскадом потужністю й
споживаної від джерела енергією. Навантаженням вихідного каскаду служать
обмотки управління асинхронних двигунів (АДП, ДИД та ін) з споживаною
потужністю до
, опором
і напругою
.
Навантаження у вигляді обмоток управління двигунів має низький опір, тому
вихідні каскади підсилювачів потужності будують за схемою емітерного
повторювача (рис. 17, а), що дозволяє погоджувати високоомні каскади з
низкоомним навантаженням
. Якщо в
розглянутій схемі резистор
замінити додатковим емітерним
повторювачем, зібраним на транзисторі
з провідністю, що зворотна
провідності
(рис 17,
б), то отримаємо двотактний каскад з істотно більшою потужністю в навантаженні
і більш високим ККД. Така схема носить назву комплементарного емітерного
повторювача.
Іншою особливістю
підсилювальних каскадів на транзисторах, яку необхідно враховувати при побудові
вихідних каскадів, є наявність паразитних внутрішніх ємностей транзистора і
монтажу, що утворюють з зовнішніми резисторами фільтри низьких частот. Ці
ємності можна зменшити шляхом включення транзистора по схемі з загальною базою,
але при цьому зменшується вхідний опір каскадів. Усунути обидва недоліки, тобто
зменшити паразитні ємності і збільшити вхідний опір, дозволяє включення транзисторів
по каскадній схемі (рис, 17, в). У цій схемі сигнал керування надходить на
вхідний транзистор
, що
включений за схемою з загальним емітером, з великим вхідним опором, а вихідний
сигнал знімається з колектора транзистора
, включеного по схемі із загальною
базою.
Підсилювач змінного струму
(рис. 18) складається з попереднього підсилювача, зібраного на інтегральній
мікросхемі
і
двокаскадного двотактного підсилювача потужності, що працює в режимі класу В.
Вхідний сигнал
подається
між загальною точкою входу, яка утворена дільником напруги джерела живлення, що
ділять його навпіл, і зовнішнім додатковим резистором
. Для
обмеження великих рівнів вхідних сигналів застосований діодний обмежувач входу
на
і
. Підсилювач
живиться стабілізованою напругою
, що знімається зі стабілітронів
,
. Для
живлення мікросхеми
використані
обмежувальні ланцюги, що складаються з паралельно з'єднаних резисторів
,
і
,
. Для
фільтрації змінної складової до загальної точки входу відносно джерела живлення
підключені конденсатори
,
.
Навантаження (обмотка управління двигуна) підключається між виходом підсилювача
і середньою точкою.
Як підсилювача потужності
застосований двокаскадний підсилювач на транзисторах
-
з
симетричним входом і виходом. Вихідний каскад побудований за схемою
двохтактного комплементарного емітерного повторювача на транзисторах
і
, що працюють
в режимі АВ і дозволяють одержати струми близько
10 мА.
За умови симетрії схеми
струм
спокою транзистора
, що
протікає через навантаження від
до середньої точки, буде
компенсуватися струмом спокою транзистора
, що протікає через навантаження у
зворотному напрямку від середньої точки до
, тобто при нульовому вхідному
сигналі
також
дорівнює нулю. Стабілізація струму спокою транзисторів здійснюється за
допомогою від’ємного ЗЗ, який реалізується на резисторах
,
.
Для забезпечення режиму
роботи транзисторів вихідного каскаду застосований комплементарний каскад на
транзисторах
,
, включених за схемою однотактного
еміттерного повторювача для кращого узгодження опорів. Опір резисторів
і
, які
задають силу емітерних струмів вхідних транзисторів і базових струмів вихідних,
вибираються невеликими для обмеження базових струмів транзисторів
,
.
При надходженні вхідного
сигналу, відмінного від нуля, в додатні півперіоди струм транзистора
зменшується,
а струм
зростає; в
нижньому плечі, навпаки, зростає струм транзистора
, а струм
зменшується.
У результаті через навантаження буде протікати різницевий струм, що
визначається більшим струмом транзистора
. Нижнє плече підсилювача визначає
відповідно напрямок струму в навантаженні у негативні півперіоди. Таким чином,
фаза і сила струму в навантаженні залежать від фази і значення вхідного
сигналу. Конденсатор
призначений
для збільшення крутизни фронтів вихідного сигналу.
Щоб підвищити коефіцієнт
посилення по змінному струму, застосований ОП
, не охоплений ЗЗ. Проте для
забезпечення стійкості весь підсилювач з допомогою резистора
охоплений
від’ємним ЗЗ по напрузі. В результаті підсилювач поводиться як инвертувальний
ОП з від’ємним ЗЗ і має коефіцієнт
. Резистор
служить для
симметрування ОП, резистор
визначає коефіцієнт передачі
підсилювача напруги.
При роботі вихідних
транзисторів на індуктивне навантаження (обмотку управління) з'являється
негативний імпульс напруги, який у момент відкривання вихідних транзисторів
створює на переході база-емітер напругу, що перевищує допустиму. Для обмеження
зворотньої напруги в ланцюг колектор-емітер кожного вихідного транзистора
включений обмежувач на діодах
,
.
Складний за своїм
функціональним призначенням підсилювач, побудований за схемою ПН - ДМ - КП - М
- ПП (підсилювач потужності), зображений на рис. 19. Особливістю даного
підсилювача є те, що замість джерела двополярної напруги живлення застосоване
одне джерело, що має сумарну напругу. Це допустимо, тому що при підсиленні
сигналу змінного струму немає необхідності в нульовому потенціалі на виході
інтегрального ОП щодо загальної шини. Для забезпечення режиму живлення
мікросхем служать обмежувальні резистори
,
.
для фільтрації змінної складової включений
конденсатор
. Вхідний
сигнал через розділовий конденсатор
і резистор
надходить
на інвертувальний вхід ОП
. Коефіцієнт
підсилення цього каскаду визначається відношенням
. Посилений
сигнал подається на двопівперіодний ДМ, виконаний на базі ОП
з керованим
ключем в ланцюзі прямого входу. В якості ключа служить польовий
-канальний
транзистор
з
елементами, що формують опорну напругу
, діодом
і
резистором
.
У півперіод
, коли діод
відкритий,
напруга
(затвор-витік)
транзистора дорівнює нулю, транзистор
відкритий, тобто ключ замкнутий.
Оскільки неінвертувальний (прямий) вхід ОП з'єднаний із землею, керуючий сигнал
через инвертувальний вхід ОП надходить на вихід з коефіцієнтом передачі
(за умови
).
В іншій півперіод
діод
закритий,
транзистор також, а ключ розімкнений, і керуючий сигнал через прямий вхід ОП
надходить на вихід з коефіцієнтом передачі
(за умови
).
Випрямлений сигнал
фільтрується ланцюгом
,
і надходить
на КП, який виконаний на ОП
, резисторах
,
і
конденсаторах
,
.
Модуляція скоригованого
сигналу здійснюється почерговим замиканням і розмиканням ключа, зібраного на
польовому транзисторі
в ланцюзі
прямого входу підсилювача
.
Призначення резисторів
-
, діода
, трансформатора
аналогічне
призначенню елементів розглянутих вище ДМ.
Вхідний сигнал через резистор
потрапляє
на інвертувальний вхід, а через резистор
- на прямий вхід ОП
.
У замкнутому стані ключ
шунтує прямий вхід
і сигнал,
що проходить через ОП, інвертується, при розімкнутому ключі - не інвертується,
що відповідає двохпівперіодній модуляції. Сигнал з виходу модулятора
фільтрується конденсатором
і через розділовий конденсатор
надходить
на каскад проміжного підсилення напруги, що зібраний на ОП
, резисторах
-
. На
резисторах
,
сигнал
прямого ланцюга підсумовується з сигналом внутрішнього ЗЗ. Резистори
,
,
,
забезпечують режим роботи ОП по струму. Далі сигнал по потужності підсилюється
транзисторами
-
. Вихідний
каскад підсилювача виконаний на транзисторах
,
по двотактній схемі в режимі В з
послідовним управлінням транзисторів. Тут вхідним є складений транзистор
,
, включений
за схемою з загальним емітером, а вихідним - транзистор
. Для
виключення паразитних ЗЗ застосований розв'язувальний фільтр
,
, що обмежує
завади по живленню.
Навантаження (обмотка
управління М) підключається до виходу підсилювача і загальної шини. Транзистор
для
управління струмами транзисторів
,
. При відсутності сигналу
неузгодженості транзистор
відкритий
за рахунок зміщення, створюваного на резисторі
. Конденсатор
заряджається
до напруги джерела живлення, і струм через обмотку управління не тече.
При появі сигналу
розузгодження в додатній півперіод відкриваються транзистори
,
(за рахунок
зсуву на резисторі
) і
.
Конденсатор
починає
розряджатися по ланцюгу
,
,
, обмотка
управління М. За рахунок падіння напруги на діоді
транзистор
призакривається. У другій півперіод керуючого сигналу транзистори
нижньої половини схеми
-
закриті, відкритий транзистор
.
Починається підзаряд конденсатора
по шляху
,
,
, обмотка
управління
,
.
Струм через обмотку
управління протікає зверху вниз. Фаза і амплітуда струму управління
залежатимуть від фази і амплітуди вхідного сигналу.
Для зменшення нелінійних
спотворень і корекції частотної характеристики введена негативний ЗЗ - ланцюг
,
.
Резистор
призначений
для вибору початкової робочої точки складеного транзистора, резистори
-
визначають
режим роботи транзистора
.
Конденсатор
пропускає
тільки змінну складову сигналу.
Підсилювачі постійного
струму. У СП, в яких ВР та ВП працюють на постійному струмі, необхідний
підсилювач сигналів, що змінюються повільно. У таких системах ППС прямого
підсилення не застосовують внаслідок великого дрейфу нуля, обумовленого
нестабільністю роботи транзисторів і відсутністю реактивних елементів у
міжкаскадних зв'язках. Зниження дрейфу нуля досягається застосуванням в якості
попередніх підсилювачів напруги інтегральних ОП, що мають високу
термостабільність, і ППС з подвійним перетворенням сигналу, зібраних за схемою
М - ДМ.
Структурна схема ППС з подвійним
перетворенням сигналу зображена на рис. 1, б (див. штрихову лінію). Підсилення
на постійному струмі в цьому випадку замінюється підсиленням на змінному струмі
з попередньою модуляцією і подальшою демодуляцією посиленого сигналу. Схема
підсилювача задовольняє високим вимогам до дрейфу нуля, який в основному буде
визначатися дрейфом М і ДМ. Стабільність роботи перетворювальних каскадів стає
головною проблемою і вирішується шляхом застосування інтегральних переривників.
Прикладом може служити схема
ППС з подвійним перетворенням сигналу, зібрана на базі інтегральних ОП (рис.
20). Вхідний сигнал постійного струму надходить на вхід мікросхеми
, яка
використовується для підсумовування сигналу розузгодженості з сигналом тахометричного
ЗЗ, а також служить як повторювач напруги
для узгодження опорів ланцюга
джерела сигналу і модулятора. Модуляція сумарного сигналу здійснюється
почерговим замиканням двох інтегральних переривників
і
. У перший
півперіод опорної напруги, створюваної трансформатором
,
конденсатор
заряджається
через замкнутий ключ
, у другий -
розряджається через замкнутий ключ
. З виходу модулятора сигнал
надходить на вхід підсилювача змінного струму, побудованого на ОП
,
.
Сигнал змінного струму
підсилюється за допомогою інтегральних ОП з ємнісним зв'язком між каскадами.
Конденсатори
,
,
дозволяють
здійснювати ЗЗ по постійному струмові без передачі дрейфу робочої точки від
каскаду до каскаду, завдяки чому досягається висока стабільність режиму роботи
підсилювача. Каскади зібрані на однакових елементах. Коефіцієнт посилення
визначається співвідношенням опорів резисторів
і
,
і
. Для налаштування коефіцієнта
підсилення служить резистор
. Підсилений сигнал через
узгоджувальний трансформатор
надходить на двохпівперіодний ДМ з
двох інтегральних переривників
,
та фільтрів
,
,
.
Для отримання різнополярного
сигналу вихідний сигнал з ДМ подається на парафазний каскад, що складається з
ОП
,
з
резисторами
,
в ланцюгах
ОП. Керувальний сигнал подається на інвертувальний вхід підсилювача
і на прямий
вхід підсилювача
. Два інших
входи ОП за допомогою резисторів
,
підключені до загальної точки.
Для кращого узгодження
попереднього підсилювача з вихідним каскадом в ППС введені комплементарні
емітерні повторювачі на транзисторах
,
і
,
. Вони працюють в режимі класу В без
додаткового зсуву.
Підсилювач потужності
зібраний за мостовою схемою на транзисторах
-
і призначений для безпосереднього
управління якорем двигуна М постійного струму. Через резистори
і
здійснюється
подача різнополярних сигналів на бази транзисторів
,
. При
відсутності вхідного сигналу транзистори
,
закриті внаслідок рівності
потенціалів бази і емітера. При цьому через резистори
,
струми не
протікають, і транзистори
,
моста
закриті, тому що між базою й емітером немає відкриваючого потенціалу. Ланцюг
якоря М виявляється знеструмленим.
Включення діодів
,
перешкоджає
виникненню в ППС наскрізних струмів через суміжні транзистори завдяки
замираючій напрузі, створюваній на діодах при протіканні по них струму
навантаження. Наприклад, діод
запирає транзистор
при
наявності струму в транзисторі
і, навпаки, відкриває транзистор
при
відсутності струму в
. Для
забезпечення режиму роботи силових транзисторів вихідного каскаду часто
застосовують паралельне включення двох-трьох транзисторів.
Інший тип ППС прямого
підсилення представлений на рис. 21. Попередній підсилювач напруги виконаний на
і
, підсилювач
потужності - на транзисторах
-
.
На вході підсилювача включені
стабілітрони
і
для захисту
першого каскаду від великих вхідних сигналів. Цей каскад виконаний на ОП
за схемою
повторювача напруги: вихідний сигнал з резистора
через дільник
,
надходить
на інверсний вхід підсилювача. Цей каскад служить для узгодження вхідного і
вихідного опорів елементів підсилювача, а також для підсумовування по Н-входу
на резисторах
-
сигналів з
потенціометра-датчика
, приймача
та
коригувальних сигналів
і
з датчика
швидкості і датчика прискорення. Другий каскад на ОП
служить для
підсилення сигналу по напрузі з коефіцієнтом передачі
. Резистор
забезпечує
режим роботи підсилювача по струму.
Вихідний сигнал через
резистор
надходить
на підсилювач потужності, зібраний за схемою двотактного підсилювача з
симетричними входом і виходами. Вихідний каскад виконаний за схемою двотактного
комплементарного емітерного повторювача на транзисторах
і
, що
реалізують режим АВ. Мале значення струму спокою транзисторів забезпечується
напругою зміщення, що створюється комплементарними транзисторами
і
, включеними
за схемою емітерного повторювача для підвищення вхідного опору. При відсутності
клерувального сигналу струм транзистора
, що протікає по ланцюгу
-
-
-
-
, і струм
транзистора
, що
протікає від
до
, створюють
однакові зсуви на базах транзисторів
,
. В результаті колекторний струм
транзистора
, протікає
через навантаження від
до шини
нульового потенціалу
, компенсує
струм
, що
протікає через навантаження в зворотному напрямку.
При подачі на вхід додатної напруги
транзистор
підзапираєтся,
падіння напруги на резисторі
зменшується, а струм транзистора
зростає. У
нижній половині схеми спостерігається зворотне: транзистор
відкривається,
а транзистор
за рахунок
зсуву на резисторі
замикається
і його струм зменшується. В результаті по навантаженню протікає різницевий
струм, напрямок якого визначається струмом транзистора
.
У разі зміни полярності
напруги керування домніуючим виявляється струм транзистора
, і це
призводить до зміни напрямку струму в навантаженні.
Для забезпечення стабільності
положення робочої точки вихідний каскад охоплений негативним ЗЗ за допомогою
дільника напруги
,
. В якості
попереднього підсилювача напруги використаний ОП
без ОП. Але при цьому весь
підсилювач потужності охоплений негативним ЗЗ по напрузі за допомогою резистора
. В
результаті коефіцієнт передачі всього каскаду визначається як
. Для
живлення підсилювача застосований двополярне джерело напруги
, який
служить і для живлення мікросхем через обмежувальні резистори
,
.
Порівняння розглянутого
підсилювача з підсилювачем змінного струму, схема якого наведена на рис. 18,
дає можливість зробити висновок, що застосування інтегральних ОП не тільки
спрощує пристрій, але й дозволяє значно дозволяє уніфікувати схемотехніку цих
підсилювачів.
Перевагою даного підсилювача
перед представленим на рис. 20 є простота, малі маса і розміри внаслідок
відсутності трансформаторів, що служать для перетворення струму. Недоліками
обох підсилювачів є обмежена вихідна потужність. Струм в навантаженні
обчислюється десятками міліампер.
Для отримання більших
вихідних струмів застосовують складені транзистори за звичайною або
комплементарною схемою Дарлінгтона. Вихідний каскад підсилювача, в якому
використаний принцип Дарлінгтона (рис. 22), складається з двох пар
комплементарних транзисторів
,
, і
та
. Робота каскаду аналогічна до
роботи вихідного каскаду підсилювача на рис. 21, але за рахунок складових
транзисторів струм навантаження може бути доведений до сотень міліампер.
Резистори
і
служать
елементами витоку для базового заряду вихідних транзисторів.
Загальними недоліками неперервного
способу управління транзисторами вихідного каскаду є:
залежність якості управління
від коефіцієнтів підсилення транзисторів;
неможливість забезпечення
стабільності малих швидкостей ВД внаслідок саморозігріву транзисторів;
невелика вихідна потужність
(до 100 Вт) підсилювача, малий ККД.
Підсилювачі імпульсних
слідкувальних приводів
Підсилювачі імпульсних СП
призначені для підсилення електричних імпульсних сигналів, що містять
інформацію про сигнал неузгодженості. У загальному випадку структурна схема
такого підсилювача (див. рис. 1, е) складається з наступних функціональних
елементів: ППС, дискретного елемента, схеми управління, вихідного каскаду.
Вихідний каскад є найважливішим і визначальним з точки зору структури всього
підсилювача і отримання регулювальних характеристик керованого двигуна. Для
реалізації імпульсного режиму робота підсилювача вихідний каскад будують на
базі силових транзисторів і тиристорів, керованих імпульсами, які надходять з
виходу схеми управління.
Призначення дискретного елемента
полягає в перетворенні безперервного сигналу в послідовність імпульсів,
промодульованнх сигналом розузгодження по амплітуді, частоті, тривалості, зсуву
фаз. У підсилювачах з транзисторним вихідним каскадом знаходить застосування
широтно-імпульсна модуляція, здійснювана за допомогою ШІМ. У підсилювачах з
тиристорним вихідним каскадом поряд з ШІМ застосовують пристрої, що виробляють
імпульси із змінною фазою для регулювання кута відмикання тиристорів.
Для підсилення вхідного
сигналу по амплітуді, підсумовування сигналів неузгодженості та коригуючих
зв'язків, а також для розв'язання ланцюгів ВР і каскадів підсилювача на вході
передбачається ППС з безпосереднім підсиленням. Слід зазначити, що різні за
функціональним призначенням елементи підсилювача можуть бути об'єднані в одному
пристрої. Наприклад, ШІМ може виконувати роль схеми управління.
Транзисторні підсилювачі в
імпульсному режимі. Для пояснення сутності імпульсного способу регулювання
потужності розглянемо роботу мостового вихідного каскаду підсилювача (рис. 23).
У початковому стані, коли відсутня керуючий імпульс, транзистори
,
замкнені, а
транзистори
,
насичені і
спільно з діодами
,
закорочує
обмотку двигуна М. При надходженні керуючого імпульсу на базу
траннзистор
відкривається на час, рівний тривалості імпульсу. Для запобігання наскрізних
струмів транзистор
закривається
інвертує імпульсом. Джерело напруги, підключений до навантаження на цей час,
через насичені транзистори
,
створює максимальний імпульс
струму. Під час паузи джерело відключається, струм спадає через транзистор
і діод
. В
результаті на навантаження створюється струм, середнє значення якого залежить
від співвідношення тривалості імпульсу й паузи.
Таким чином, відмінність
імпульсного методу управлення транзисторами від неперервного полягає в способі
регулювання енергії джерела живлення. При неперервному способі транзистори в
ланцюзі джерела живлення виконують роль керувальних елементів, опір котрих
залежить від значення вхідного сигналу, і регулюють силу струму через
навантаження. При імпульсному методі транзистори, відкриваючись, підключають до
навантаження всю напругу джерела живлення, але регулюють час його підключення
відповідно до тривалості імпульсів, що залежить від значення вхідного сигналу.
Переваги імпульсного методу
перед неперервним полягає у можливості роботи транзистори без спеціального
добору, забезпеченні мінімальної потужності розсіювання транзисторів і великих
потужностей (декількох кіловат). При одній і тій же схемі вхідного каскаду
джерело живлення можна підключити до навантаження або відключати його,
використовуючи різні закони комутації транзисторів: діагональний, симетричний,
несиметричний. Закони комутації формуються схемами управління, що представляють
собою транзисторні релейні пристрої. Схеми управлення містять замикаючі (
) і насичу
вальні (
) джерела,
що по черзі підключаються до переходів емітер-база силових транзисторів.
Основними вимогами до схем управління, є формування прямокутних імпульсів і
мінімізація потужності розсіювання в ланцюгах управління силовими
транзисторами.
Для забезпечення імпульсного
режиму роботи вихідного каскаду в підсилювач включають ППС, два ШІМ, дві схеми
управління (див. мал. 23). У якості ППС можуть бути використані ОП,
диференціальний емітерний повторювач або ФЧВ. Сигнал з ППС підсумовується з
пилоподібною напругою і поступає на входи
та
, виконаних на тих же елементах, що
й
представлений
на мал. 13, але із застосуванням транзисторів іншої провідності. Сигнал із
виходу
подається
на схему управлення
, зібрану на
транзисторах
,
, що
працюють у протифазі, та містить джерела (
) і (
). Стан транзисторів
,
визначається
станом транзисторів
і
, котрі в
режимі насичення підключають до бази
,
ланцюга джерела
.
У вихідному стані (при
відсутності вхідного сигналу) відносна тривалість імпульсів на виході
дорівнює
нулю, і транзистор
схеми
управління закритий запиральною напругою, створеною дільником
-
. Напруга
насичу вального джерела (
) через
дільники
,
і
,
відкриває
транзистори
і
. Транзистор
запирається
напругою
насичувальний
транзистор
. Стан
аналогічний
стану
, визначає
закриття стан
і відкритий
стан
. В
результаті якір двигуна М виявляється закороченим через відкриті транзистори
нижніх плечей моста, діоди
,
і шину
джерела
живлення.
З подачею вхідного сигналу
напруга виходу ППС при зазначеній на схемі полярності складається з
пилоподібною напругою і
перемикається.
Це призведе до зміни станів транзисторів
і транзисторів вихідного каскаду:
транзистор
відкриється,
закриється.
Стан
не
змінюється так само, як не змінюється стан транзисторів
,
. Струм,
замикаючись по ланцюгу
, -
-
-
-
, потече
через обмотку ВД. Зміна напруги на виході ППС викличе зміна тривалості
імпульсів і зміна частоти обертання ВД.
Зміна полярності напруги на
виході ППС поверне
в
початковий стан і призведе до комутації
. У результаті транзистор
закриється,
відкриється,
і їх комутація призведе до реверсу ВД.
Тиристорні підсилювачі
потужності. Тиристори завдяки високій надійності, великому ККД і коефіцієнта
підсилення по потужності знайшли застосування як підсилювачі потужності. Аналогічно
транзисторним вихідним каскадам в режимі перемикання, тиристорний підсилювач
виконує роль регулятора потужності джерела живлення шляхом зміни часу його
підключення до навантаження. На рис. 24, а представлені схема найпростішого
підсилювача на тиристорі
і діаграми
струму і напруги, що пояснюють його роботу. Через багатошаровості структури
тиристора (мал. 24, б) він має однобічну провідність протягом часу, коли до
його аноду
відносно
катоду
прикладена
додатна напруга, і відкривається при подачі імпульсу на клерувальний електрод
. Дія
клерувального сигналу після того, як тиристор відкриється, припиняється.
Відключають тиристор зняттям
напруги живлення або пропусканням струму протилежного напрямку. Для виключення
тиристора часто використовується природне зниження напруги до нуля при живленні
від мережі змінного струму. При відсутності керуючого імпульсу або подачі його
в негативний півперіод анодної напруги зі схеми управління А тиристор закритий,
і струм в ланцюзі навантаження відсутня. З приходом в позитивний півперіод
керуючого імпульсу тиристор відкривається, підключаючи все напруга джерела
живлення до навантаження і відключаючи його в кінці півперіоду. В результаті
комутації ланцюга здійснюється однопівперіодне випрямлення, і за навантаженням
протікає переривчастий струм. Середня сила струму
навантаження,
(рис. 24, в) залежить не тільки від напруги
джерела живлення і опору
навантаження
, але і від
кута відпирання тиристора, регульованого фазою кута зсуву
клерувального
імпульсу:
,
.
Для зменшення пульсації
струму в навантаженні тиристорні підсилювачі потужності, як правило, будують за
двухпівпе ріодною схемою з живленням від однофазної або багатофазної мережі.
Навантаженням при цьому може бути ВД як постійного, так і змінного струму.
Реверс ВД важко здійснити за
допомогою одного тиристора (в силу його односторонньої провідності).
Для цього використовують два
тиристора або дві групи тиристорів, кожна з яких управляється від своєї схеми.
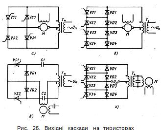
Диференціальна схема
включення ВД з трансформатором
і двома парами
зустрічно-паралельних тиристорів
-
представлена на рис. 25, а.
Вихідний каскад має чотири роздільних ланцюги керування. Обертання двигуна М в
одному напрямку домагаються подачею імпульсів управління на вхід тиристора
в один
півперіод і на вхід тиристора
- в іншій півперіод. Для здійснення
реверса змінюють порядок формування імпульсів в перший півперіод керуючі
імпульси подають на вхід тиристора
, у другій - на
(тиристори
,
закриті).
Сила струму через якір
двигуна визначається кутом зсуву фази клерувального імпульсу, а в кінцевому
рахунку - значенням сигналу управління. Як видно зі схеми, аноди тиристорів
,
гальванічно
зв'язані і можуть бути встановлені без ізоляції на загальний тепловідвід. Аноди
тиристорів
,
необхідно
ізолювати від загального тепловідведення.
Як недолік схеми слід
відзначити те, що тиристори в закритому стані піддаються впливу зворотної
напруги, що наводиться у вторинній обмотці трансформатора
.
У вихідному каскаді, схема
якого дана на рис. 25, б, тиристори, зашунтованого діодами
-
,
знаходяться в кращих умовах роботи, тому що вони не піддаються впливу зворотної
напруги. Крім того, кожна пара тиристорів (
і
,
і
) має спільні катоди, що дозволяє
спростити схему управління, зробити її з чотирма гальванічно зв'язаними попарно
виходами. В іншому порядок формування імпульсів і робота схеми аналогічна
першій.
Схеми вихідних каскадів для
управління ВД змінного струму показані на рис. 25, в, г. Каскад на рис. 25, в
виконаний по диференціальній схемі на двох тиристорах
,
і його
двохпівперіодна робота забезпечується розрядом відповідно конденсатора
або
. До моменту
подачі керуювального імпульсу тиристори закриті, а кожен з конденсаторів
заряджений до амплітудного значення напруги вторинної обмотки трансформатора
(розряду
перешкоджають діоди
,
). При
подачі клерувального імпульсу у відповідний півперіод на один з тиристорів
(наприклад,
) по обмотці
управління ВД потече струм. Одночасно через відкритий тиристор відбувається
перезарядка конденсатора
. В
наступний півперіод тиристор
закритий, але за рахунок розряду
конденсатора
через
обмотку управління протікає струм іншого напряму.
Реверс двигуна забезпечується
подачею імпульсу управління на тиристор
. Струм через
протікає по
обмотці управління в тому ж напрямку, що і через
, але із зсувом на
, оскільки
тиристори
і
працюють в
різні півперіоди. Перевага такого вихідного каскаду - простота схеми
управління, що має два роздільних виходи.
Схема вихідного каскаду,
представлена на рис. 25, г, по елементній базі, числу входів і порядку
формування імпульсів аналогічна схемі на рис. 25, б, але відрізняється від неї
розташуванням навантаження й джерела живлення. При вказаній на рис. 25, г
миттєвій полярності джерела живлення та подачі імпульсу на тиристор
струм тече
по шляху
, -
-
-
-
; в другий
півперіод
-
-
-
-
. В магніто
проводі трансформатора
створюється
змінний магнітний потік, а у вторинній обмотці - змінна ЕРС. Елементи
,
,
,
нижньої
половини каскаду забезпечують реверс схеми.
Для зменшення пульсації
струму в навантаженні застосовують також багатофазні схеми живлення тиристорів.
У трифазній схемі з нульовим виводом (рис. 26, а) струм навантаження формується
перемиканням тиристорів
-
в порядку
проходження фаз А, В, С напруги живлення і відповідно до закону розподілу
керувальних імпульсів, що виробляються фазозсувним пристроєм (рис. 26, б). При
куті регулювання
протягом
позитивної півхвилі фази А напруги живлення до роботи підготовлено тиристор
. З
настанням першого дозволяючого імпульсу тиристор відкривається в точці
- точці
природної комутації вентилів. Струм протікає по ланцюгу фаза
-
-
- нульовий
затискач. У точці
відбудеться
перемикання тиристорів, оскільки з схеми управління надійде другий дозвільний
імпульс на тиристор
і т. д. При
цьому до ВД буде прикладена максимально випрямлена напруга, що сприяє отриманню
найбільшої частоти обертання.
Зсув керувального імпульсу на
кут
затримує
включення чергового тиристора і його відключення навіть при зміні полярності
напруги на аноді. Це видно з діаграм, представлених на рис. 27, де заштриховані
області відповідають падінню напруги на навантаженні. При
через
тиристори протягом деякого часу протікає зворотний струм від противоЕРС, що
виникає на обмотці ВД, і в джерело живлення повертається частина збереженої
енергії. Результуючий середній струм тиристора стає менше, напруга
і частота
обертання ВД також зменшуються. При
струми, що протікають через
тиристор в прямому і зворотному напрямках, компенсуються, напруга
і ВД
перебуває в спокої.
Режим роботи тиристорів, що
використовується при кутах регулювання
, називається випрямним на відміну
від інвертувального, одержуваного при
. Випрямні властивості тиристорів
при цьому зберігаються, але вони працюють в моменти часу, коли до катода
підводиться негативна, по відношенню до анода, напруга. Інвертувальний режим
роботи використовується для реверсу ВД і реалізується застосуванням додаткових
тиристорів
-
(див. рис.
26). Струм при реверсі протікає від нульового затискача через відкривні
тиристори. Таким чином, при відсутності розузгодження схема управління видає
імпульси із зсувом в
. При
розузгодженнях одного знака кут регулювання зменшується, при розузгодженнях
іншого знака - збільшується.
При багатофазних джерелах
живлення для кожного тиристора передбачається свій блок ФЗП і необхідне
тимчасове розподіл керуючих імпульсів.
У динаміці тиристорний
підсилювач може бути представлений аперіодичною ланкою з передавальною функцією
,
де
-
коефіцієнт підсилення;
- постійна часу, що визначається як
;
- частота вхідного сигналу.
Інерційність підсилювача
обумовлена індуктивностями дроселів і впливом індуктивності якірної обмотки ВД.
У силових СП потужністю до
десятків кіловат тиристорні підсилювачі успішніше конкурують з ЕМП, володіючи
такими перевагами як відсутність колекторних пристроїв, обертових частин,
безшумності і високу швидкодію. Як недолік слід відзначити складність схеми
керування і необхідність у джерелі живлення з потужністю, що набагато перевищує
потужність ВД.
. Електромашинні підсилювачі
Електромашинні підсилювачі
(ЕМП) знайшли широке застосування як підсилювачі потужності. За кількістю
каскадів підсилення розрізняють однокаскадні і двокаскадний ЕМП, за типом
збудження (напрямку потоку збудження) - ЕМП подовжнього і ЕМП поперечного поля.
У СП для управління двигунами
постійного струму застосовують двокаскадний ЕМП з поперечним збудженням (рис.
28). Конструктивно ЕМП є генератором постійного струму з явно вираженими
полюсами, що має на якорі додаткову пару щіток
, замкнутих накоротко. Обмотка
збудження
ЕМП
використовується для подачі керую вального сигналу
. Підсилення
сигналу за потужністю в ЕМП відбувається за рахунок додаткової механічної
енергії приводного двигуна
, що обертає з великою частотою (
) якір
генератора. Від перетину магнітним потоком
обмотки якоря, що обертається, в
ній буде наводитися невелика ЕРС (
), яка знімається з поперечних щіток
. Оскільки
ланцюг цих щіток замкнутий накоротко і має малий опір, то сила створюваного
струму досягає
і значно
перевищує струм управління
- перший каскад підсилення.
Виникаючий від струму поперечного ланцюга магнітний потік
в даному
підсилювачі є основним збуджуючим потоком, що дав назву ЕМП. При перетині цим
потоком обертових провідників якоря наводиться
ЕРС, яка знімається з щіток
поздовжньої
осі якоря і є вихідною величиною ненавантаженого ЕМП (другий каскад
підсилення).
Замикання вихідних щіток на
навантаження (обмотку якоря виконавчого двигуна
) призводить до появи струму навантаження
та
виникнення поздовжнього потоку
, реакції якоря, спрямованого
назустріч керуювальному потоку
і послабляє його. Для зменшення
шкідливої реакції якоря служить розташована на статорі компенсаційна обмотка
, включена
послідовно з навантаженням і створює потік
, спрямований назустріч потоку
. Шляхом
зміни числа витків
при
виготовленні цієї обмотки з подальшим регулюванням резистором
при
налаштуванні досягається певна степінь компенсації поздовжнього потоку і
забезпечуються режими перекомпенсації
, повної компенсації потоків
, і
недокомпенсації
. В СП
допустимі тільки режими недокомпенсації.
Основними характеристиками
ЕМП є статична характеристика холостого ходу і зовнішня характеристика.
Характеристика холостого ходу ідеального ЕМП (рис. 28, в) являє собою
усереднену залежність напруги
на виході при розімкнутому
зовнішньому ланцюгові від струму управління:
.
У реальному ЕМП ця
характеристика неоднозначна і має вигляд вузької петлі гістерезису. Не
лінійність в області великих струмів пояснюється насиченням магнітопроводу.
Проте насиченням ЕМП можна знехтувати, вибравши робочу зону з умови
, де
визначає
лінійну зону. У лінійній зоні характеристика реверсивна і має крутизну, що
залежить від коефіцієнта підсилення.
У статичному режимі ЕМП
характеризується коефіцієнтами підсилення по струму
, по напрузі
і по
потужності
.
Зовнішньою характеристикою
ЕМП називається залежність напруги
на виході від струму
навантаження
при постійному струмі
управління.
Підключення навантаження призводить до зниження напруги на затискачах ЕМП за
рахунок падіння напруги та внутрішньому опорі підсилювача. Крім того, вихідна
напруга залежить від ступеня компенсації поздовжнього потоку:
або
,
де
- опір
обмотки ЕМП вздовж поздовжньої осі;
- коефіцієнт компенсації.
Зовнішні характеристики ЕМП з
можливими варіантами компенсації представлені на рис. 28, г:
- повна
компенсація напружень за рахунок перекомпенсації потоків при
;
- повна
компенсація потоків
(
);
-
недокомпенсація
. Стійка
робота системи ЕМП - ВД досягається незначною недокомпенсацією, оскільки значна
недокомценсація призвиде до зменшення коефіцієнта підсилення, а перекомпенсація
- до самозбудження ЕМП та аварії.
Динаміка ЕМП поперечного поля
визначається інерційністю клерувальної та поперечної ланцюгів. У першому
наближенні передавальна функція ЕМП може бути представлена двома аперіодичними
ланками: