Проектування головної схеми електричної станції
Проектування
головної схеми електричної станції
ЗМІСТ
ЗАВДАННЯ НА ДИПЛОМНИЙ ПРОЕКТ
УМОВНІ ПОЗНАЧКИ
ВСТУП
1. ВИБІР ОПТИМАЛЬНОГО ВАРІАНТА ГОЛОВНОЇ СХЕМИ
1.1 Побудова двох варіантів структурних схем. Розподіл
генераторів між розподільними пристроями
1.2 Визначення потужностi на власнi потреби блоку
1.3 Розрахунок обраних варіантів у максимальному,
мінімальному і аварійному режимах роботи. Вибір типу і потужності
трансформаторів зв'язку
1.4 Вибiр секцiйних реакторiв
1.5 Вибiр лiнiйних реакторiв
1.6 Техніко-економічний аналіз обраних варіантів структурних
схем
1.7 Обґрунтування головної схеми електричних з'єднань
електричної станції
2. ВИБІР АПАРАТІВ І СТРУМОВЕДУЧИХ ЧАСТИН
2.1 Розрахункові умови для вибору апаратів і провідників
по робочому режиму
2.2 Вибір електричних апаратів вище 1000 В
2.2.1 Вибір вимикачів і роз'єднувачів
2.2.2 Вибір трансформаторів струму
2.2.3 Вибір трансформаторів напруги
2.3. Вибір струмоведучих частин
ВИСНОВКИ
ЛІТЕРАТУРА
Тема: "Проектування головної схеми
електричної станції", наведені собі наступні показники, що характеризують
проектований об'єкт:
• тип електростанції;
• число і потужність агрегатів,
установлюваних на електростанції;
• напруга видачі потужності із шин
електростанції;
• навантаження розподільних пристроїв (РП),
із шин яких виробляється видача потужності;
• потужність КЗ. від системи.
Таблиця 1.1. Вихідні дані до "Проектування головної схеми
електричної станції".
|
Тип
електростанції
|
Число
і потужність генераторів, Рг,
МВт
|
Дані шин генераторної напруги
|
Дані шин середньої напруги
|
Дані
шин високої напруги Uвн , кВ
|
Sк.з.,
МВА
|
|
Uгн , кВ
|
Навантаження шин, МВТ
|
Uсн ,
кВ
|
Навантаження шин, МВТ
|
|
Pmax
|
Pmin
|
Pmax
|
Pmin
|
|
ТЕЦ
|
2х100
|
10.5
|
90
|
75
|
110
|
115
|
80
|
220
|
1800
|

Електроенергетика є основою економіки будь-якої
країни. Роль електричної енергії пояснюється універсальністю її використання,
можливістю передавати на практично будь-які відстані, концентрації в дуже
більших масштабах. Легкість автоматизації процесів при використанні
електроенергії робить її незамінною службовою енергією.
Проектування електричної станції є дуже
важливим і відповідальним завданням, тільки за рахунок уведення нових потужностей,
будівництва нових електростанцій можлива заміна морально і фізично застарілих
енергоблоків, надійна робота енергетичних систем, і розвиток економіки країни в
цілому
Проектована станція є електричною
станцією теплофікаційного типу - ТЕЦ. Як основне паливо використається вугілля,
природний газ, у якості резервного - мазут. Установлена потужність
електростанції 2х100 МВт.
Станція призначена для видачі потужності
в енергосистему на напругу 220 кВ і забезпечення промислових споживачів на
напрузі 110 кВ. Зв'язок із системою здійснюється по п’яти лініям довгої 40 км. Електропостачання місцевого промислового району здійснюється по чотирьом лініям довжиною 5 км.
1.1 Побудова двох варіантів
структурних схем. Розподіл
генераторів між розподільними пристроями
При виборі головної схеми електричних
з'єднань станції, насамперед, варто вирішити питання об розподіл генераторів,
між системами шин виходячи при цьому з того, що живлення споживачів повинне
здійснюватися при мінімально можливих втратах електроенергії на трансформацію.
Структурна принципова електрична схема
залежить від типу станції, числа і одиничної потужності встановлюваних
генераторів, наявності і величини місцевого навантаження, покриття якої
визначає розподіл генераторів між розподільними пристроями (РП) різної напруги.
На ТЕЦ із генераторами потужністю 100
МВт і нижче споживачі електроенергії, розташовані на відстані 3-5 км, можуть одержувати електроенергію на генераторній напрузі. В цьому випадку на ТЕЦ споруджується
генераторний розподільний пристрій (ГРП) 10,5 кВ. Число і потужність генераторів,
приєднаних до ГРП, визначаються на підставі проекту електропостачання
споживачів і повинне бути таким, щоб при остановці одного генератора останні
повністю забезпечували живлення споживачів тобто
Якщо встановлюване на ТЕЦ число
генераторів більше nтгру , то інші генератори включаються за
схемою блоку на шини СН або ВН.
Розподіляючи генератори між секціями,
необхідно враховувати, що гранично припустима генераторна потужність, що
підключає до секції ГРП (за умовами комутаційної здатності вимикачів, термічної
і динамічної стійкості комутаційних апаратур і струмоведучих частин), не
повинна перевищувати 100 МВт.
Генератори вибираються відповідно до
завдання на проектування (Таблиця 1.1.). Паспортні дані генераторів зведені в
таблицю 1.2.
Таблиця 1.2. - Паспортні дані
турбогенераторів
|
Тип генератора
|
Номінальна потужність
|
Номінальна напруга, кВ
|
cos φном
|
Номінальній струм, кА
|
Χd"
|
Збудження
|
Охолодження
|
|
S
|
P
|
Обмотки ротора
|
Обмотки статора
|
|
ТВФ-110-2ЕУ3
|
137,5
|
110
|
10,5
|
0,8
|
7,56
|
0,189
|
СДН-310-1900-2УХЛЧ
|
НВ
|
КВ
|
В дипломному проекті намічаємо два
варіанти структурної схеми ТЕЦ. Для складання першого варіанта схеми
розподіляємо блоки проектованої ТЕЦ між шинами РП розрахунковим шляхом, другий
варіант вибираємо довільно.
Становимо перший варіант структурної
схеми станції:
шт.
Рис. 1. Перший
варіант структурної схеми ТЕЦ-2х100
Другий варіант структурної схеми
приймаємо довільно
Рис. 2. Другий
варіант структурної схеми ТЕЦ -2х100
1.2 Визначення
потужності на власні потреби блоку
,де
-
активна потужність на власні потреби,
=10%
-
установлена активна потужність генератора, МВт
Мвт
,
Мвар
Повна потужність на власні потреби блока:
Навантаження в.п. 0,4 кВ складає 50%,т.е
=8,1 МВА
Вибираємо трансформатор типу ТСЗС 1000/10/0,4
Номінальна потужність – Sном = 1000 кBA
Напруга обмотки: - Uвн = 10,5 кВ, Uнн
= 0,4 кВ
Втрати – Pх.х = 3000 Вт, РК.З = 12 кВт
UK=8 %
Ixx = 2%
На ТЕЦ, що має шини генераторної
напруги, передбачається установка трансформаторів для зв'язку цих шин із шинами
підвищеної напруги. Такий зв'язок необхідний для видачі надлишкової потужності
в енергосистему в нормальному режимі, коли працюють всі генератори, і для
резервування живлення навантажень на напрузі 6-10 кВ при плановому або аварійному
відключенні одного генератора.
Число трансформаторів зв'язку з
міркувань надійності звичайно приймається рівним двом. При трьох або більше
секціях збірних шин ГРП два трансформатори зв'язку дозволяють створити
симетричну схему і зменшити перетоки потужності між секціями при відключенні
одного генератора.
Трансформатори зв'язку повинні
забезпечити видачу в енергосистему всієї активної і реактивної потужності
генераторів за винятком навантажень власних потреб і навантажень розподільного
пристрою генераторної напруги.
Потужність трансформаторів зв'язку
вибирається з урахуванням можливості живлення споживачів у літній період, коли
при зниженні теплових навантажень може знадобитися зупинка теплофікаційних
агрегатів.
Також ураховується необхідність
резервування живлення навантажень у період максимуму навантажень при виході з
ладу найбільш потужного генератора, приєднаного до ГРП.
Для кожного варіанта структурної схеми
потужність трансформаторів вибирається по рівчаку потужності в 3-х режимах:
• максимального навантаження;
• мінімального навантаження;
• аварійному режимі.
Для мінімального режиму перетоки
потужності становлять:
де ∑
-
сумарна активна потужність генераторів, підключених до шин РП, на якому задане
навантаження.
РMIN - активне
навантаження шин генераторної напруги для мінімального режиму.
∑PC.H
- сумарна активна потужність власних
потреб, приймається залежно від типу станції ((4
8)% від
∑PГ)
tgφГ — відповідає
відомому cosφГ
tgφMi - приймається
рівним tgφГ
tgφC.H. - відповідає
відомому cosφ= 0,85.
Для максимального режиму переструми
потужності становлять:
де ∑
-
сумарна активна потужність генераторів, підключених до шин РП, на якому задане
навантаження.
РMAX - активне
навантаження шин генераторної напруги для мінімального режиму.
∑PC.H
- сумарна активна потужність власних
потреб, приймається залежно від типу станції ((4
8)% від
∑PГ)
tgφГ — відповідає
відомому cosφГ
tgφMAX - приймається
рівним tgφГ
tgφC.H. - відповідає
відомому cosφ= 0,85.
Для аварійного режиму перетоки
потужності становлять:
де ∑PГ-1 -
сумарна активна потужність генераторів, підключених до шин РП, на якому задане
навантаження, з обліком того, що один генератор виходить із ладу.
РMAX
- активне навантаження шин генераторної напруги для
мінімального режиму.
∑PC.H
- сумарна активна потужність власних
потреб, приймається залежно від типу станції ((4
8)% від
∑PГ)
tgφГ - відповідає
відомому cosφГ
tgφMAX - приймається
рівним tgφГ
tgφC.H. - відповідає
відомому cosφ= 0,85.
Для першого варіанта перетоки потужності
в трьох режимах складуть:
=71,88
МВА
=53,13 МВА
Для другого варіанта перетоки потужності
в трьох режимах складуть:
Через трансформатор зв'язку:
=53,13
МВА
=168,13 МВА
Всі розрахунки зводимо в таблицю 1.4.
Таблиця
1.4 – Перетік потужності через трансформатор зв'язку
|
Режими
|
Рівчак потужності для першого
варіанта схеми,
МВА
|
Рівчак потужності для другого
варіанта схеми,
МВА
|
|
Мінімальний
|
115,63
|
9,38
|
|
Максимальний
|
71,88
|
53,13
|
|
Аварійний
|
53,13
|
168,13
|
Розрахунковий рівень потужності через
трансформатор зв'язку Sрасч приймаємо рівним максимальному з
обчислених, у першому варіанті – 115,63 МВА (мінімальний режим), у другому
варіанті – 168,13 МВА (максимальний режим).
Потужність трансформаторів зв'язку
вибирається таким чином, щоб вся наявна на шинах ГРП надлишкова потужність
могла бути видана в систему:
∑Sтр.зв'язку ≥ Sпер.мах
де ∑Sтр.зв'язки - сумарна
потужність трансформаторів зв'язку;
Sпер.мах - максимальна
величина рівчака.
Потужність трансформатора зв'язку, (Sтр.зв'язку),
знаходимо з умови:
де кп - коефіцієнт
припустимого перевантаження, що враховує можливе аварійне перевантаження
трансформатора на 40 %, кп = 1,4.
Перший варіант:
≥
40 ≥ 82,59
Вибираємо автотрансформатор типу АТДЦТН-125000/220/110/10
Номінальна потужність - SHOM = 125 MBA
Напруга обмотки: - UBH =230кв, UCH
=110кв UHH = 10,5 кВ
Втрати - Рхх = 65 кВт, РKЗ = 315
кВт
Uк.вн-сн =11
% Uк.вн-нн =45%, UK.CH -HH =28%, IХХ
= 0,4%
Вартість трансформатора - 4983 млн. грн.
Другий варіант:
≥
≥
120,09
Також вибираємо трьохобмоточний
трансформатор типу АТДЦТН-125000/220/110/10
Вибiр двохобмоточного трансформатора:
≥
≥
120,09
Вибираємо двухобмоточний трансформатор
типу ТЦ-160000/220/10
Номінальна потужність - SHOM = 160 MBA
Втрати - Рхх = 125 кВт, РKЗ =
465 кВт, Uк =10,5 %, IХХ = 0,5%
Вартість трансформатора -5850 тис. грн.
Після вибору числа і потужності
трансформаторів головної схеми визначається число приєднань у кожному РП і
варіанти схем РП. На підставі техніко-економічного зіставлення декількох
варіантів схем визначається оптимальний варіант.
1.4 Вибiр секцiйних реакторiв
де
-номiнальний
струм генератора, А
Вибираємо реактор типу РБДГ 10-4000-0,18
У3:
=3200А
Номінальний індуктивний опір Х=0,18 Ом
Номiнальнi втрати
=27,7 кВт
Струм динамічної стiйкостi
=79 кА
Струм термічної стiйкостi
=65 кА,
=8с
1.5 Вибiр
лiнiйних реакторiв
де
- максимальне
значення активної потужності навантаження на генераторній напрузі, МВт
-
номінальна напруга секцii ГРП, кВ
924 А
Вибираемо реактор типу РБДГ 10-2500-0,35 У3:
=2000А
Номінальний індуктивний опір Х=0,35 Ом
Номiнальнi втрати
=20,5 кВт
Струм динамічної стiйкостi
=37 кА
Струм термічної стiйкостi
=14,6 кА ;
=8с
1.6 Техніко-економічний
аналіз обраних варіантів структурних схем
Критерієм оптимальності одного із
прийнятих до розгляду варіантів схем електричних з'єднань, у порівнянні з
іншими варіантами схем, за умови дотримання всіх технічних вимог, пропонованим
до них (надійність, гнучкість, зручність обслуговування, забезпечення належної
якості електроенергії і т.д.), є мінімум наведених витрат.
При техніко-економічному порівнянні
обраних варіантів обраних схем необхідно розрахувати:
- наведені витрати;
- капіталовкладення;
- річні експлуатаційні витрати;
- річні амортизаційні відрахування;
- річні витрати на обслуговування;
- вартість річних втрат енергії.
За результатами техніко-економічного
розрахунку зробимо виводи і приймемо головну схему станції, у відповідності
техніко-економічним показникам.
В техніко-економічному розрахунку
необхідно розрахувати показники для обраних схем станцій.
Економічна доцільність головної схеми
станції визначається мінімальними наведеними витратами:
3 = Рн К + И
де Рн - нормативний
коефіцієнт ефективності капіталовкладень, установлений директивними органами.
Рн =
0,1 - нові, знову проектовані об'єкти;
К -
капіталовкладення на установку електроустаткування, тис. грн.
И- річні
витрати (експлуатаційні витрати).
Річні експлуатаційні витрати
визначаються:
I = Iа+
Io+ Inom
де Iа - річні амортизаційні
відрахування.
Iо - річні
витрати на обслуговування (ремонт і заробітна плата).
Inom - вартість
річних втрат електроенергії.
Річні амортизаційні відрахування:
Iа=Ра · К
де Ро — норма відрахувань на
амортизацію (у відсотках)
Ро = 15% -для електричних
станцій
Вiдрахування на обслуговування:
Iо=Ро · К
де Ро=2,5%
Вартість річних втрат енергії в
трансформаторах і автотрансформаторах:
де
-
річні втрати електроенергії в трансформаторах і автотрансформаторах;
-
вартість 1 кВт/година втрат електроенергії, (с= 8 коп/кВт -для електричних
станцій);
Річні втрати електроенергії у
двухобмоточному трансформаторі
,кВт*год:
=
де
та
- втрати активної потужності холостого
ходу і короткого замикання в трансформаторі при номінальній потужності.
t- кількість
годин роботи трансформатора протягом року.
—
час максимальних втрат
-
потужність,
що проходить через трансформатор протягом тривалого (нормального) режиму.
Річні втрати електроенергії у
трьохобмоточному трансформаторі
,кВт*год:
=
Річні втрати електроенергії у
струмообмежуючих реакторах
,кВт*год:
Де
-
номiнальнi втрати у реакторі на одну фазу, кВт
-
максимальне струмове навантаження гілки реактора, А
-
довго допустимий струм при природному охолодженні, А
-
час включення реактора, год
Послу розрахунку техніко-економічних
показників складається таблиця, де рівняється економічна доцільність обраних
схем електростанції.
|
Устаткування
|
Вартість
одиниці,
тис.грн ·
|
Вартість головної схеми
|
|
Перший
|
Другий
|
|
Кількість
шт.
|
Загальна вартість, тис. грн
|
Кількість,
шт.
|
Загальна вартість, тис. грн
|
|
Комірки ВРП 220 кВ
|
1640
|
9
|
14760
|
9
|
14760
|
|
Комірки ВРП 110 кВ
|
1200
|
8
|
9600
|
8
|
9600
|
|
АТДЦТН-125000\220 110\10,5
|
4983
|
2
|
9966
|
2
|
9966
|
|
ТЦ-160000\220
|
|
|
|
|
|
|
ТЦ-160000\110
|
|
|
|
|
|
|
РАЗОМ:
|
|
|
|
|
|
|
НАВЕДЕНІ ВИТРАТИ
|
|
|
|
|
|
Головна схема електричних з'єднань
електростанції вибирається на підставі декількох технічних прийнятних
варіантів, які відповідають основним вимогам, пропонованим до схем -
надійність, оперативна гнучкість, економічність, оптимальний рівень струмів
короткого замикання, можливість розширення, зручність і безпека розширення,
необхідність видачі всієї потужності.
Для розробки головної схеми необхідно
мати: тип станції, напруги розподільних пристроїв станції, графіки
навантаження, величини рівчаків потужності між РП, розподіл генераторів між
шинами РП, число ліній РП всіх напруг, схему мережі системи, до якої буде
приєднана станція, найбільше припустиме значення втраченої потужності при
відмовах проектованих РП, величина струмів КЗ.
На ТЕЦ припустиме число і сумарна
потужність агрегатів, що відключають одночасно, і трансформаторів зв'язку при
відмові вимикачів визначається умовами стійкості і забезпечення електро- і
теплопостачання споживачів. Для РП КЕС або ТЕЦ відмова будь-якого вимикача не
повинен приводити до відключення більше одного ланцюга (двох ліній) транзиту
напругою 220 кВ і вище, якщо транзит складається із двох таких ланцюгів.
Вiдключення ліній повинне вироблятися не
більш ніж двома вимикачами, інших приєднань - трьома.
Ремонт вимикачів 220 кВ і вище повинен
вироблятися без відключення ланцюгів.
При наявності декількох варіантів схем,
що задовольняють перерахованим вище вимог, перевага віддається найбільш
простому, економічному і потребуючий в умовах експлуатації найменшої кількості
операцій, які виробляються вимикачами або роз'єднувачами.
В схемах РП 110-220 кВ із одним
вимикачем на ланцюг при будь-якім числі приєднань виконується обхідна систем
шин, що передбачає можливість заміни будь-якого вимикача обхідним.
В схемах генераторної напруги (ГРП) ТЕЦ передбачається
одна або дві системи збірних шин (залежно від наявності резервування живлення
споживачів по мережі або передбаченого в проектованій схемі).
Вибiр схеми ГРП - з
урахуванням особливостей електроприймачiв (/, // категорії), схеми
електропостачання їх (відсутність резерву по мережі), а також великої кількості
приєднань до збірних шин ГРП ТЕЦ передбачимо схему із двома системами збірних
шин (рис. 1.6. 1.), у якій кожний елемент приєднується через розвилку двох
шинних роз'єднувачів, що дозволяє здійснювати роботу як на одній, так і на
іншій системі шин.
Робоча система шин АА секцiйована
вимикачем Q1 і реактором LR1. Друга система шин АВ є
резервної, напруга на ній нормально відсутній. Обидві системи шин можуть бути
з'єднані між собою шиноз'єднувальними вимикачами Q2 і Q3,
які в нормальному режимі відключені.
Шиноз'єднувальний вимикач дозволяє:
• забезпечити переклад приєднань із
однієї системи шин на іншу;
• локалізувати аварію, наприклад,
коротке замикання, у межах ушкодженої системи шин;
• випробувати систему шин напругою після
ремонту на ній;
• забезпечити рівність напруг на
зв'язаних системах шин.
Схема із двома системами шин дозволяє
робити ремонт однієї! системи шин, зберігаючи в роботі всі приєднання.
Розглянута схема є гнучкою і досить
надійною. До недоліків її варто віднести велика кількість роз'єднувачів,
ізоляторів, струмоведучих матеріалів і вимикачів, більше складну конструкцію
розподільного пристрою, що веде до збільшення I капітальних витрат на
спорудження ГРП.
Рис. 1.6. 1. – Схема
ГРП із двома системами збірних шин
Вибір схеми РП СН - 35 кВ - при
значній кількості приєднань на підвищеній напрузі до 35 кВ включно можливо
застосування схеми з одиночної секцiйованою системою шин (рис. 1.6. 2.).
Ця схема володіє рядом істотних
недоліків, у тому числі необхідністю відключення лінії або джерел живлення на
увесь час ремонту вимикача в їхньому ланцюзі. При напругах 110 кВ і вище
тривалість ремонту вимикачів, особливо повітряних, зростає і стає неприпустимим
відключати ланцюг на увесь час ремонту, тому схема з одиночною секцiйованою
системою шин застосовується тільки для РП 35 кВ включно.
Одним з важливих вимог до схем на
стороні вищої напруги є створення умов для ревізій і випробувань вимикачів без
перерви роботи. Цим вимогам відповідає схема з одиночною секцiйованою і
обхідною системами шин.
В нормальному режимі обхідна система шин
перебуває без напруги, роз'єднувачі, що з'єднують лінії і трансформатори з
обхідною системою шин, відключені. В схемі передбачаються обхідні вимикачі на
кожній секції шин. Обхідний вимикач може замінити собою вимикач будь-якого
приєднання без перерви в роботі цього приєднання.
В даній схемі ремонт секції пов'язаний з
відключенням всіх ліній, приєднаної до даної секції, і одного трансформатора,
тому таку схему можна застосовувати при парних лініях або лініях, резервованих
від інших підстанцій.
Рис. 1.6. 2. Схема
з одиночною секцiйованою системою шин
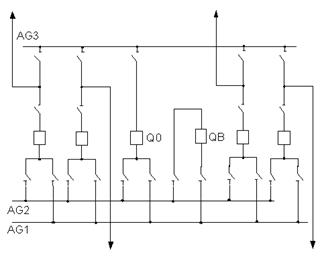
Вибір схеми РП ВН - 110 кВ - для
РП 110-220 кВ із більшим числом приєднань застосовується схема із двома
робітниками і обхідний системами шин з одним вимикачем на ланцюг (рис. 1.6.
3.). Як правило, обидві системи шин перебувають у роботі при відповідному
фіксованому розподілі всіх приєднань: лінія W1 і трансформатор Т1 приєднані до
першої системи шин AG1, лінії W2 і трансформатор Т2 приєднані до другої системи
шин AG2, шиноз'єднувальний вимикач QB включений. Такий розподіл
приєднань збільшує надійність схеми, тому що при короткому замиканні на шинах
відключаються шиноз'єднувальний вимикач QB і тільки половина
приєднань. Якщо ушкодження на шинах стійке, то приєднання, що відключилися,
переводять на неушкоджену систему шин. Перерва електропостачання половини
приєднань визначається тривалістю переключень.
Розглянута схема рекомендується для РП
110-220 кВ електростанцій при великій кількості приєднань.
Для РП 110 кВ і вище істотними стають
недоліки цієї схеми:
• відмова одного вимикача при аварії
приводить до відключення всіх джерел живлення і ліній, приєднаних до даної
системи шин, а якщо в роботі перебуває одна система шин, відключаються всі
приєднання. Ліквідація аварії триває тривалий час, тому що всі операції по
переходу з однієї системи шин на іншу виробляються роз'єднувачами;
• ушкодження шиноз'єднувального вимикача
при короткому замиканні на одній системі шин рівноцінно короткому замиканню на
обох системах шин, тобто приводить до відключення всіх приєднань;
• велика кількість операцій
роз'єднувачами при виводі в ревізію і ремонт вимикачів ускладнює експлуатацію
РП;
• необхідність установки
шиноз'єднувального, обхідного вимикачів і великої кількості роз'єднувачів збільшує
витрати на спорудження РП.
Рис. 1.6. 3. - Схема
із двома робочими і обхідною системами шин
Деякого збільшення гнучкості і
надійності схеми можна досягти секціонуванням однієї або обох систем шин.
2. ВИБІР
АПАРАТІВ І СТРУМОВЕДУЧИХ ЧАСТИН
2.1 Розрахункові умови для вибору
апаратів і провідників по робочому режиму
Силові вимикачі і роз'єднувачі,
установлювані в пристроях вищої і нижчої напруги вибирають:
- по напрузі, кВ;
- по максимальному робочому
(розрахунковому) струму - струму пiсляаварiйного режиму трансформатора по
вираженню:
- по роду установки (відкриті, закриті).
Аналогічно вибирають параметри роз'єднувачів.
Перевірка силових вимикачів на стійкість
дії струмів к. з. і по здатності, що відключає, здійснюється по формулах:
- на динамічну стійкість: iдин
> iyд;
- на термічну стійкість:
- по здатності, що
відключає:
Перевiрка роз'єднувачів аналогічна
перевірці силових вимикачів за винятком того, що роз'єднувачі не перевіряють по
здатності, що відключає.
Параметри апаратів на лініях, що
відходять, вибирають по розрахункових максимальних навантаженнях приєднання.
Трансформатори струму вибирають: по
напрузі; по максимальному навантаженню приєднання. Номінальний струм первинної
обмотки трансформатора струму повинен бути якнайближче до робочого струму
установки, тому що недовантаження первинної обмотки трансформатора струму
приводить до збільшення погрішності:
- по класі
точності і конструктивному виконанню;
Трансформатори струму перевіряють:
- по електродинамічній стійкості:
; 
Убудовані і шинні трансформатори струму
на електродинамічну стійкість не перевіряють.
- по термічній стійкості:
або
- по вторинному
навантаженню:
де
- номінальне
припустиме навантаження трансформатора струму в обраному класі точності;
-
вторинне навантаження.
Для живлення елементів релейного
захисту, ланцюгів напруги контрольно-вимірювальних приладів і контролю ізоляції
в мережах з ізольованої нейтралю вибирають трансформатори напруги типу НАМИ -
6(10) кВ. Їх вибирають по напрузі і по вторинному навантаженню:
U
UH0M
S2<SH()M
де SH()M
- номінальна потужність в обраному класі точності:
S2 -
навантаження всіх вимірювальних приладів і реле, підключених до трансформатора
напруги.
2.2 Вибір електричних апаратів
вище 1000 В
2.2.1 Вибір вимикачів і
роз'єднувачів
В зв'язку
з можливістю перевантаження трансформатора зв'язку струм максимального режиму
дорівнює току пiсляаварiйного режиму:
Таблиця 2.1. Вибір вимикачів і
роз'єднувачів на 220 кВ
|
Розрахункові
дані
|
Дані вимикача
ЯЭ 220Л-11(21)
У4
|
Дані
роз'єднувача РНДЗ-220/1000 У1
|
|
Uvcт=
220 кВ
|
Uном=
220 кВ
|
Uном=
220 кВ
|
|
Imax=
459 А
|
Iном
= 1250 А
|
Iном=
1000 А
|
|
Iотк=40кА
|
-
|
|
Ідин
= 125 кА
|
ідин= 100
кА
|
|
402·2 = 3200 кА2·с
|
=1600
|
ЯЭ 220Л-11(21) У4- вимикач елегазовий,
призначений для установки в районах з помірним кліматом.
РНДЗ-220/1000- роз'єднувач для
зовнішньої установки двохколонковий із заземлюючими ножами.
Вибір вимикачів і роз'єднувачів на
110 кВ
|
Розрахункові
дані
|
Дані вимикача ЯЭ
110Л-23(13) У4
|
Дані
роз'єднувача РНДЗ-110/1000 У1
|
|
Uvcт=
110 кВ
|
Uном=
110 кВ
|
Uном=
110 кВ
|
|
Imax=
920,8 А
|
Iном
= 1250 А
|
Iном=
1000 А
|
|
Iотк=40кА
|
-
|
|
Ідин
= 125 кА
|
ідин= 80
кА
|
|
402·2 = 3200 кА2·с
|
 кА2·с
|
ЯЭ 110Л-23(13) У4- вимикач елегазовий,
призначений для установки в районах з помірним кліматом.
РНДЗ-110/1000- роз'єднувач для
зовнішньої установки двохколонковий із заземлюючими ножами.
Вибір генераторного вимикача і
роз'єднувача на 10,5 кВ:
Таблиця 2.2
|
Розрахункові дані
|
Дані вимикача МГУ -
20-90/9500 УЗ
|
Дані роз'єднувача РВРЗ-20/8000
-M
|
|
UУCТ=10,5 кВ
|
UH0M = 20 кВ
|
UH0M = 20 кВ
|
|
Іmах= 7560 А
|
ІНОМ=9500 А
|
IHOM=8000 A
|
|
Іотк=105 кА
|
-
|
|
іДИН = 300 кА
|
ІДИН=315 кА
|
|
кА2·с
|
кА2·с
|
МГУ-20-90/9500 УЗ - маломасляний
генераторний вимикач, для установки в районах з помірним кліматом.
РВРЗ-20/8000-М - роз'єднувач для
внутрішньої установки, що рубає типу, із заземлюючими ножами.
2.2.2 Вибір трансформаторів струму
Трансформатори струму (ТТ) призначені
для зменшення первинного струму до значень зручних для виміру, а так само для
відділення ланцюгів виміру і автоматики від первинних ланцюгів високої напруги.
Приймається до установки трансформатор
струму типу ТФЗМ-110Б-I з порцеляновою ізоляцією, з обмотками ланкового типу,
маслонаповнений.
Порівняння розрахункового і каталожних
даних трансформатора струму наведені в таблиці 2.4.
Таблиця 2.4. Порівняння розрахункового і
каталожних даних трансформатора токи
|
ВРП 220 кВ
ТФЗМ-220Б-IV
|
|
Розрахункові дані
|
Каталожні дані
|
|
Uycт= 220 кВ
|
UН0M= 220 кВ
|
|
Імах=459А
|
ІНОМ=300А
|
|
IДИН= 25 кА
|
|
Клас точності 0,5
|
Клас точності 0,5
|
|
S2 =6,5 BA
|
S2Н =30 BA
|
|
|
|
ВРП110 кВ ТФЗМ-110Б-III
|
|
Розрахункові дані
|
Каталожні дані
|
|
Uycт= 110 кВ
|
UН0M=110 кВ
|
|
Імах=920,8А
|
ІНОМ=1000А
|
|
IДИН= 158 кА
|
|
Клас точності 0,5
|
Клас точності 0,5
|
|
S2 =6,5 BA
|
S2Н =20 BA
|
|
|
S2H=I2 2н-r
= 52·1,2=30 ВА.
де: r = 1,2 Ом - номінальний опір в
даному класі точності.
Визначаємо опір проводів:
Znpов= Z2н - rприб
- ZK = Z2H- Snp/
-ZK=
l,2-6,5/52-0,l = 0,84 Ом;
Довжина сполучних проводів з
алюмінієвими жилами (ρ=0,0283) приймається і дорівнює:
lрасч=100 м, тоді, перетин
сполучних проводів:
q=ρ· lрасч /Znpoв=0,0283·100/0,84=3,37
мм2;
Приймаємо кабель АКВРГ із жилами 4 мм2,
тоді Rnp визначимо як:
Ом
Тоді вторинне навантаження визначиться
як:
Z2= Rnp+Rnpиб.+RK=
0,707+0,26+0,1 = 1,067 Ом.
Z2<Z2ном
На генераторній напрузі 10,5 кВ
установлюються трансформатори струму типу ТШЛ-20-10000/5, убудований у
струмопровiд ГРТЕ-10-8550-250.
Трансформатор напруги (ТН) призначений
для зниження первинної напруги до напруги вторинних ланцюгів виміру і релейного
захисту.
ВА
Згідно номінальної напруги 220 кВ і
вторинного навантаження вибираємо трансформатор напруги КЙФ-220 (UHOM=220
кВ , S2hom=400 ВА).
S2∑< SH0M
, U вуст = Uном
Для з'єднання трансформатора напруги із
приладами приймаємо контрольний кабель АКРВГ із перетином жив 2,5 мм2
за умовою механічної міцності, номінальна напруга обмоток:
Рис. 3.2. Схема підключення
вимірювальних приладів на збірних шинах 110 кВ.
Таблиця 2.6.
Порівняння розрахункових і каталожних даних
|
ВРП 220
НКФ-220-58
|
|
Розрахункові дані
|
Каталожні дані ТН
|
|
Uycт= 220 кВ
|
UН0M= 220 кВ
|
|
Клас точності 0,5
|
Клас точності 0,5
|
|
S2нагр =120,6 BA
|
S2нагр =400 BA
|
|
ВРП 110 кВ НАМИ-110
|
|
Розрахункові дані
|
Каталожні дані ТН
|
|
Uycт= 110 кВ
|
UН0M=110 кВ
|
|
Клас точності 0,5
|
Клас точності 0,5
|
|
S2нагр =120,6 BA
|
S2нагр =400 BA
|
На генераторну напругу 10,5 кВ
установлюється трансформатор напруги типу ЗНОМ-10, убудований у струмопровiд
ГРТЕ-10-8550-250.[5]
2.3 Вибір струмоведучих частин
На напругу 220 кВ
Ошиновку 220 кВ виконуємо гнучкими
проводами типу АС.
Збірні шини вибираються по припустимому
струмі при максимальному навантаженні на шинах, рівний току найбільш потужного
приєднання: Imах<IД0П
Як було сказано вище
Imах=
459 А.
Приймаємо гнучке проведення АС-240/34 ;
IДОП=605 А:
Перевірка на термічну дію струмів КЗ не
виробляється, тому що шини виконуються голими проводами на відкритому повітрі
[2].
Перевірка на корону може не вироблятися,
тому що було встановлено, що при напрузі установки 220 кВ і перетині проводів
більше 240 мм проведення не коронують [2].
Вибір гнучких струмопроводів від виводів
ТС 220 кВ до збірних шин. Струмоведучі частини від виводів трансформатора 220
кВ до збірних шин виконується гнучкими струмопроводами.
Їх перетин вибирається по економічній
щільності струму [7].
Sэ=IHOM/jэк
= 459/1,1=417 мм2.
Приймаємо проведення АС-240/34
Перевірка за припустимим струмом: Imax=459
A < IДОП=605 А.
Перевірка на термічну дію струмів КЗ не
робимо, тому що застосовані голі проведення на відкритому повітрі.
Перевірка на корону не виробляється,
тому що проведення має перетин більше 240мм2.
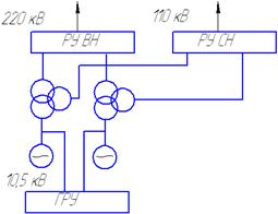
В роботі була спроектована електрична
частина станції типу ТЕЦ, потужністю – 2х100 МВт. Спроектована станція
призначена для видачі потужності в енергосистему (на 110 і 220 кВ) і
забезпечення електроенергією промислових споживачів на генераторній напрузі (на
10,5 кВ).
Основне електротехнічне встаткування яке
було обрано для спроектованої станції:
1. Два турбогенератори типу ТВФ-110-2ЕУ3
із Рном = 100 МВт.
2. Два
трансформатори типу АТДЦТН-125000/220/110/10. Sном =125 MBА.
Видача електроенергії в енергосистему
виробляється на напрузі 220 кВ, забезпечення електроенергією промислових
споживачів виробляється на напрузі 110 кВ.
Розподільні пристрої 220 і 110 кВ -
відкриті розподільні пристрої (ВРП).
Як схема ВРП 220 кВ була прийнята схема
двi робочi систем шин з обхідною.
В якості схеми ВРП 110 кВ була прийнята
схема одна секцiйована система збірних шин.
Головний розподільний пристрій виконаний
за схемою дві системи шин, одна з яких резервна, друга робоча секцiйована.
1.
Основи проектування електричних станцій та підстанцій. Методичні вказівки до
виконання дипломного проекту для одержання щабля бакалавра. Для студентів
спеціальності 6.010100.01 - Професійне навчання. Електроенергетика (денна форма
навчання). Пантелєєва И.В., Васюченко П.В., Iрiков Д.В. - Харків: УIПА, 2005.
45 с.
2.
Правила пристрою електроустановок. - М.: Енергія, 1992 - 484 с.
3.
С.Ф. Артюх, И.В.Пантелєєва Електричні станції, мережі і системи. Харків - 2001
р., 366 з, іл.
4.
Б.Н. Неклепаев, И.П. Гачків Електрична частина електростанцій і підстанцій., М:
Энергоатомиздат, - 1989 р., 608 з, іл.
5.
С.С. Рокотян Довідник для проектування електроенергетичних систем, М.: Енергія.
- 1985 р. - 288 с.
6.
Рожкова Л.Д., Козулин B.C. Електроустаткування станцій і підстанцій. - М.:
Енергія, 1980. - 598 с.
7.
Л.П. Гачкiв, Н.Н. Кувшинский, Б.Н. Неклепаев
Електрична частина електростанцій і підстанцій. Довідкові матеріали для
курсового і дипломного проектування. - М.: Енергія. 1978 р. - 456 с.