Влияние внешнего давления на температуру спекания керамических материалов

  • Вид работы:
    Курсовая работа (т)
  • Предмет:
    Другое
  • Язык:
    Русский
    ,
    Формат файла:
    MS Word
    1,56 Мб
  • Опубликовано:
    2015-05-27
Вы можете узнать стоимость помощи в написании студенческой работы.
Помощь в написании работы, которую точно примут!

Влияние внешнего давления на температуру спекания керамических материалов

Министерство образования и науки Российской Федерации

ФЕДЕРАЛЬНОЕ ГОСУДАРСТВЕННОЕ БЮДЖЕТНОЕ ОБРАЗОВАТЕЛЬНОЕ УЧРЕЖДЕНИЕ ВЫСШЕГО ПРОФЕССИОНАЛЬНОГО ОБРАЗОВАНИЯ

«САРАТОВСКИЙ ГОСУДАРСТВЕННЫЙ УНИВЕРСИТЕТ

ИМЕНИ Н.Г.ЧЕРНЫШЕВСКОГО»

Кафедра материаловедения,

технологии и управления качеством




Влияние внешнего давления на температуру спекания керамических материалов

КУРСОВАЯ РАБОТА


студента 3 курса 381 группы специальности «Материаловедение

и технология новых материалов»

факультета нано - и биомедицинских технологий

Стенькина Павла Дмитриевича





Саратов 2013

СОДЕРЖАНИЕ

Введение

.        Виды керамики

.1      Керамика на основе (Al2O3

.2      Керамика на основе диоксида циркония (ZrO2

.        Методы регулирования температуры спекания

.1      Влияние добавок на температуру спекания керамики

.2      Влияние внешнего давления на температуру спекания керамики

.        Технологии формирования керамических изделий

.1      Способ 1

.2      Способ 2

.        Полимерная керамика

.1      Полимерная глина

.2      Состав полимерной глины

.        Метод формирования полимерных керамических изделий

Заключение

Список использованных источников

ВВЕДЕНИЕ

Керамика - неорганический материал, получаемый из отформованных минеральных масс в процессе высоко температурного обжига. В результате обжига (1200-2500ОС) формируется структура материала (спекание), и изделие приобретает необходимые физико-механические свойства.

Техническая керамика включает искусственно синтезированные керамические материалы различного химического и фазового состава; она обладает специфическими комплексами свойств. Такая керамика содержит минимальное количество или совсем не содержит глины. Основными компонентами технической керамики являются оксиды и бескислородные соединения металлов. Любой керамический материал является многофазной системой. В керамике могут присутствовать кристаллическая, стекловидная и газовая фазы.

Кристаллическая фаза представляет собой определенные химические соединения или твердые растворы. Эта фаза составляет основу керамики и определяет значения механической прочности, термостойкости и - других ее основных свойств.

Стекловидная фаза находится в керамике в виде прослоек стекла, связывающих кристаллическую фазу. Обычно керамика содержит 1 - 10 % стекло фазы, которая снижает механическую прочность и ухудшает тепловые показатели. Однако стеклообразующие компоненты (глинистые вещества) облегчают технологию изготовления изделий.

Газовая фаза представляет собой газы, находящиеся в порах керамики; по этой фазе керамику подразделяют на плотную, без открытых пор и пористую. Наличие даже закрытых пор нежелательно, так как снижается механическая прочность материала.

Большинство видов специальной технической керамики обладает плотной спекшейся структурой поликристаллического строения, для ее получения применяют специфические технологические приемы [1].

. ВИДЫ КЕРАМИКИ

Керамические материалы классифицируют по химическому составу и по назначению.

Классификация керамики по химическому составу:

. Оксидная керамика. Данные материалы состоят из чистых оксидов Al2O3, SiO2, ZrO2, MgO, CaO, BeO, ThO2, TiO2, UO2, оксидов редкоземельных металлов, их механических смесей (ZrO2-Al2O3 и др.), твердых растворов (ZrO2-Y2O3, ZrO2-MgO и др.), химических соединений (муллит 3Al2O3×2SiO2 и др.)

. Безоксидная керамика. Этот класс составляют материалы на основе карбидов, нитридов, боридов, силицидов, фосфидов, арсенидов и халькогенидов (кроме оксидов) переходных металлов и неметаллов III-VI групп периодической системы.

Классификация керамики по назначению:

. Строительная керамика.

. Тонкая керамика.

. Химически стойкая керамика.

. Огнеупорная керамика.

. Техническая керамика.

Техническая керамика объединяет материалы, применяемые в различных областях современной техники, которые можно разделить на следующие группы:

. Конструкционная керамика.

. Инструментальная керамика.

. Электрорадиотехническая керамика.

. Керамика с особыми свойствами.

Часто керамические материалы условно делят на «традиционные» и «новые». Традиционная керамика используется в давно сложившихся областях применения: строительстве, металлургической, химической промышленности. Термин «новая керамика» отражает использование керамики в машиностроении, авиационной, космической промышленности в качестве конструкционного и инструментального материала, а также в электронике.

Следует отметить, что традиционная и электротехническая керамика является в основном оксидной, в то время, как новая керамика и некоторые виды специальной керамики, в соответствии с классификацией по химическому составу могут относиться к обеим группам [2].

.1 Керамика на основе Al2O3

Оксид алюминия - глинозем - является тугоплавким химическим соединением с ионно-ковалентным типом связи кристаллической решетки. Он имеет несколько кристаллических модификаций. Установлены α-, β- и γ-модификации глинозема, причем α- и γ-Аl2O3 представляют собой чистый оксид алюминия, а β- модификация - соединение оксида алюминия со щелочными и щелочно-земельными оксидами.

В природных условиях встречается только α-Al2O3 в виде минералов корунда, рубина, сапфира, который кристаллизуется в тригональной сингонии. Кубический γ- и гексагональный β-Al2O3 являются нестабильными модификациями, которые при нагреве свыше 1500°С переходят в α-Al2O3.Корундовой технической керамикой называется керамика, содержащая более 95% α-А12О3.

Технология различных видов корундовой керамики может существенно отличаться. Используются как достаточно традиционные керамические технологии с применением природного сырья, так и передовые технологические методы, в особенности для производства высокопрочных керамик.

Исходными материалами в технологии корундовой керамики являются порошки оксида алюминия, получаемые различными способами.

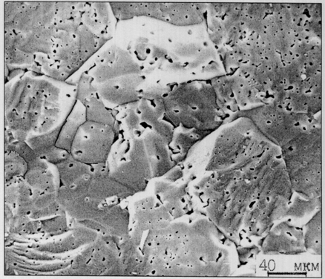
Технический глинозем(технический оксид алюминия) традиционно является одним из основных видов сырья для производства корундовой керамики. Его получают путем разложения минерала боксита, представляющего собой смесь гидроксидов алюминия раствором едкой щелочи с образованием алюмината натрия, который переходит в раствор. Раствор алюмината очищают от примесей, после чего выделяют чистый гидроксид алюминия, который прокаливают при температуре 1150-1200°С. В результате образуется порошок технического глинозема.Полученные порошки представляют собой шарообразные (сферолитные) агломераты кристаллов γ-Аl2O3 размером менее 0,1мкм. Средний размер сферолитов составляет 40-70мкм. Микроструктура Аl2O3 представлена на рисунке 1.

Рисунок 1 - Микроструктура Аl2O3

В технологии керамики на основе Аl2O3 широко применяют белый электроплавленый корунд. Белый электрокорунд (корракс, алунд) получают путем плавки в электрических дуговых печах технического глинозема. Содержание α-А12О3 в белом электрокорунде составляет 98% и более.

Порошки оксида алюминия получают также термическим разложением некоторых солей алюминия, например азотнокислого алюминия. Средний размер получаемых частиц составляет 0,1мкм, вследствие чего обладает большой химической активностью.

Для получения ультрадисперсных порошков Аl2O3, которые используются в технологии конструкционной и инструментальной керамики, широкое распространение получил способ совместного осаждения гидроксидов (СОГ) и плазмохимического синтеза (ПХС). Сущность метода СОГ заключается в растворении солей алюминия, например AlCl3 в растворе аммиака и последующем выпадении образующихся гидратов в осадок. Процесс ведут при низких температурах и больших сроках выдержки. Полученные гидроксиды сушат и прокаливают, в результате образуется порошок Аl2O3 с размером частиц 10-100нм. В технологии ПХС водный раствор Al(NO3)3 подается в сопло плазмотрона. В каплях раствора возникают чрезвычайно высокие температурные градиенты, происходит очень быстрый процесс синтеза и кристаллизации Аl2O3. Частицы порошка имеют сферическую форму и размер 0,1-1мкм.

Порошки Аl2O3, независимо от технологии их получения, перед формованием подвергают прокаливанию при температуре 1500°С с целью обезвоживания и перевода в устойчивую и более плотную α-модификацию.

Для получения плотной спеченной корундовой керамики технический глинозем и электрокорунд должны быть измельчены до частиц размером 1-2мкм, а в некоторых случаях и мельче.Для этого применяют шаровые, вибрационные и струйные мельницы. Шаровые мельницы футеруют алундовой клепкой или резиной. Засорения глинозема в таких мельницах практически не происходит.

Формование корундовых изделий производят путем литья из водных суспензий, литья под давлением, одноосного статического прессования, гидростатического прессования, горячего прессования.

Метод гидростатического прессования позволяет получать крупногабаритные керамические заготовки сложной формы. В гидростате равномерные уплотняющие усилия и, соответственно, равноплотность всех участков прессуемого изделия обеспечивается передачей давления от нагнетаемой жидкости к изделию через эластичную оболочку. Равномерное распределение плотности в прессовке благоприятно сказывается на равномерности усадки при спекании.

Спекание корундовой керамики в большинстве случаев является твердофазным. Температура спекания зависит от дисперсности и активности исходных порошков, условий спекания, вида и количества добавок. Дисперсность порошков корунда оказывает решающее влияние не только на температуру спекания, но и вообще на возможность спекания корунда. Максимальный размер частиц порошка А12О3 не должен превышать 3-5мкм. Для порошков А12О3 с дисперсностью 1-2мкмбез введения добавок температура спекания находится в пределах 1700-1750°С. При этом достигается плотность 3,7-3,85г/см3, или относительная плотность 0,94-0,96. Для подобного уплотнения при дисперсности 2мкм требуется уже температура 1750-1800°С, а при дисперсности около 5мкм даже при 1850°С плотность составляет всего 0,82-0,84 от теоретической. Ультра- и нанодисперсные порошки А12О3 вследствие высокой поверхностной энергии и дефектности кристаллического строения являются весьма активными. Корундовые прессовки из таких порошков могут спекаться до высокой плотности (0,95) при температуре 1600°С без существенного увеличения размера зерна.

Следует отметить, что прочностные характеристики корундовой керамики в решающей мере определяются свойствами исходного порошка (чистота, дисперсность, активность) и технологией получения материала и варьируются в широких пределах. Так, предел прочности при изгибе корундовой керамики, полученной из технического глинозема путем прессования и спекания, не превышает 450Мпа. В то же время прочность горячепрессованной керамики из ультрадисперсных порошков А12О3 достигает 650Мпа. Трещиностойкость корундовой керамики в меньшей степени зависит от технологии изготовления и не превышает 3Мпа∙м0,5.

Корунд отличается исключительно высокой химической стойкостью в отношении кислот и щелочей. При нормальной температуре на него практически не действует плавиковая кислота. Корунд устойчив к действию большинства расплавов щелочных металлов.

В таблице 1 представлены основные физико-механические характеристики спеченной корундовой керамики.

Таблица 1 - Свойства корундовой керамики

Плотность, г/см3

3,96

Температура плавления, °С

2050

Коэффициент теплопроводности, Вт/м∙град

30,14 (100°С) 12,4 ( 400°С) 6,4 ( 1000°С)

Удельное электросопротивление, Ом∙м

3∙1012(100°С) 9∙10-2 (1300°С)

ЛКТР, α∙106 град-1

8 (20-1400°С)


Корундовая керамика широко применяется в самых различных областях. Традиционные сферы ее применения: огнеупорная, химическая промышленность, электро- и радиотехника. С появлением новых технологий получения исходных порошков, формования и спекания изделий область применения корундовой керамики существенно расширилась. В настоящее время высокопрочные керамики на основе А12О3 используются для изготовления изделий конструкционного назначения, применяемых в машиностроении, авиационной и космической технике [3].

.2 Керамика на основе диоксида циркония (ZrO2)

Керамика на основе диоксида циркония (ZrO2) частично стабилизированного оксидом иттрия (Y2О3), выделяется среди других конструкционных керамик высокими прочностными показателями и трещиностойкостью при сохранении устойчивости к коррозии и износу.

Диоксид циркония - тугоплавкое соединение с преимущественно ионной межатомной связью, существующее в трех кристаллических модификациях - кубической, тетрагональной и моноклинной. Высокие прочность и трещиностойкость диоксида циркония обусловлены трансформационным переходом (полиморфным превращением) метастабильной тетрагональной модификации в стабильную моноклинную.

Низкая теплопроводность ZrO2 затрудняет теплоотвод при триботехнических применениях. Высокое значение коэффициента термического расширения благоприятствует сочленению деталей из диоксида циркония с металлическими и стальными деталями, имеющими близкие значения КТР.

Негативная характеристика ZrO2(Y2О3) - деградация механических свойств под воздействием влаги при температурах до 300°С.

В меньшей степени этот недостаток присущ корундоциркониевым композиционным керамикам (КЦК) Al2O3- ZrO2(Y2О3). Твердость КЦК материалов превосходит аналогичный показатель диоксида циркония за счет вклада высокотвердой Al2O3 - компоненты. Аналогичное утверждение справедливо и для коэффициента теплопроводности.

Керамика на основе оксида алюминия (Al2O3) отличается высокой твердостью, более низкой прочностью, высоким модулем упругости. Материал отличается высокой коррозионной стойкостью, устойчив к воздействию большинства органических и неорганических кислот и солей. Негативная сторона комплекса физико-механических свойств Al2O3 - самая низкая трещиностойкость в ряду производимых конструкционных керамик.

Области применения:

Общее направление применения износостойких изделий из оксидных керамик - пары трения (подшипники скольжения) для насосостроения, детали запорной арматуры, детали торцовых уплотнений и клапанов, футеровки и шары для размола, тигли для плавки драгметаллов [4].

Таблица 2 - Физико-механические и физические свойства

Характеристика

Материал


ZrO2(Y2O3)

Al2О3 - ZrO2

плотность, г/см³

6,0 - 6,05

4,5 - 4,6

микроструктура

репер - 1 мкм (См. рис. 2)

репер - 1 мкм (См. рис. 3)

предел прочности при изгибе, МПа

750 - 1050

550 - 750

модуль Юнга, ГПа

200 - 210

310 - 340

твердость по Виккерсу, ГПа

12 - 13

15 - 17

трещиностойкость,  МПа м½

8,0 - 10,0

6,0 - 8,0

коэффициент теплопроводности, Вт мˆ(-1) х Кˆ(-1)

2 - 3

20 - 22

коэффициент термического расширения, 10ˆ(-6) х Кˆ(-1)

10,0 - 11,0

8,5 - 9,5


Рисунок 2 - Микроструктура ZrO2(Y2O3)

Рисунок 3 - Микроструктура Al2О3 - ZrO2

. МЕТОДЫ РЕГУЛИРОВАНИЯ ТЕМПЕРАТУРЫ СПЕКАНИЯ

.1 Влияние добавок на температуру спекания

Керамика на основе оксида алюминия имеет высокую температуру спекания, которая для материалов, не содержащих специально вводимых добавок, составляет 1700-1800°С, а в присутствии плавней 1550-1650°С. Такие температуры спекания обуславливают ускоренный износ термического оборудования и повышенный расход электроэнергии. Кроме того, высокая температура спекания приводит к интенсивной рекристаллизации, образованию внутрикристаллической и межкристаллической пористости и уменьшению прочности. Одним из основных способов повышения конкурентоспособности корундовой керамики является уменьшение температуры её спекания, что можно осуществить введением в состав керамики спекающих добавок. Несомненным остается тот факт, что такие добавки должны не только способствовать спеканию керамики при пониженных температурах (1350-1550°С), но и не ухудшать ценные свойства основной фазы.

В последние годы проводятся многочисленные исследования по изготовлению корундовой керамики с добавками эвтектических составов различных систем. Особенность таких добавок заключается в том, что их оптимальное количество составляет 0,5-5,0 %. Действие добавок основано на образовании небольшого количества эвтектического расплава, активно участвующего в спекании. При этом общая пористость после спекания не превышает 2%. При охлаждении расплав кристаллизуется, поэтому керамика с таким составом не содержит стеклофазы. Весьма действенным средством повышения плотности оксидной керамики, а также регулирования микроструктуры являются добавки, которые образуют твердые растворы. Этим путем можно в широких пределах изменять пористость керамики и степень рекристаллизации. Из источника [5] известно, что добавки, образующие жидкую фазу, подбирают, исходя из двух условий: жидкая фаза должна хорошо смачивать и иметь возможно меньшую вязкость; добавку вводят в таком количестве, чтобы общее содержание жидкой фазы при температуре применения керамики было не ниже 10 %. Добавки, не образующие с основным материалом жидкой фазы, в свою очередь подразделяются на три группы:

.Добавки, активирующие процесс спекания и одновременно ускоряющие рекристаллизацию (TiO2 в Al2O3).

.Добавки, активирующие спекание, но замедляющие процесс рекристаллизации (MgO или ВеО в Al2O3).

.Добавки, замедляющие процесс спекания и замедляющие рост зерен (СоО или СdО в Al2O3).

Механизм действия добавок первой группы заключается в том, что они образуют со спекаемой основой твердые растворы, причем создаются различные типы точечных или электронных дефектов, которые ускоряют процесс диффузии самого медленного иона.

Механизм действия примесей второй группы сложнее. Типичным примером является спекание Al2O3 с добавкой 0,3% MgO, который действует на последней стадии спекания, когда рост кристаллов мешает удалению пор, а MgO тормозит рост зерен корунда. Добавки третьей группы тормозят спекание и рекристаллизацию. Действие таких добавок не всегда находит удовлетворительное объяснение.

Анализ данных, приведенных в работе [6], позволяет разделить все добавки на несколько подгрупп. К первой подгруппе относятся добавки типа RnO - Al2O3 - SiO2 и RmO - Al2O3 - SiO2 (Rn и Rm - катионы щелочного и щелочно-земельного металлов соответственно). Добавки типа RxOy - TiO2 составляют вторую подгруппу. К третьей подгруппе относятся добавки типа RnO - В2O3 - SiO2. В четвертую подгруппу входят добавки, представляющие собой комбинацию первых трех подгрупп: R1O - R2O -В2O3 - SiO2 - TiO2 (R1 и R2 - щелочно-земельные катионы).

Можно выделить добавки систем MnO - Al2O3 - SiO2, MnО - TiO2, MgO - SiO2, MgO - TiO2 и некоторые другие, которые при содержании 2-3 % позволяют снизить температуру спекания в воздушной среде до 1300 - 1550°С. При этом получаются плотные мелкокристаллические материалы с высоким уровнем свойств, прочность на изгиб которых составляет 300 - 400 МПа. Дополнительное введение дисперсионного порошка частично стабилизированного диоксида циркония позволяет повысить прочность керамики до 550 - 600 МПа при температуре спекания 1450 - 1500°С.

Важным является то, что оптимальная концентрация добавок должна находится в пределах растворимости и не превышать концентрации, приводящей к образованию побочных кристаллических фаз.

По активирующему действию на спекание Al2O3 (независимо от начальных форм глинозема) добавки располагают в убывающий ряд: Y2O3 > MgO > SrO > Cr2O3; добавки ZrO2 и B2O3 - инертны.

Корундовая керамика с добавками эвтектических составов может быть широко использована в различных областях техники, в качестве электроизоляторов, прокладок для запорной арматуры, материалов мелющих тел и уплотнительных колец в насосах, режущего инструмента, форсунок для распыления жидкостей и суспензий, а также многое другое. Помимо высокой прочности эти материалы характеризуются значительной износостойкостью и чисто той поверхности после шлифовки и полировки [5].

2.2 Влияние внешнего давления на температуру спекания керамики

Внешнее давление, благоприятствующее процессам диффузии, является определяющим фактором формирования керамики с плотной упаковкой зерен. Спекание при высоких давлениях является одним из эффективных методов формирования высокоплотной мелкодисперсной структуры этих соединений без использования активирующих добавок и, следовательно, высокого уровня их физико-механических свойств, в том числе и при повышенных температурах: высокой твердости, износостойкости, термостойкости и т.д. Высокое давление самое является активатором спекания.

Отличие спекания при высоких давлениях от обычного горячего прессования состоит в большей величине давления и порядке нагружения. При спекании под высоким давлением, как правило, сначала осуществляется сжатие, а затем нагрев образца до необходимой температуры. Наличие сдвиговых компонент напряжения при сжатии материала в камере твердофазового аппарата высокого давления обусловливает дополнительную активацию спекания. Большим преимуществом метода является простота и возможность получения композитов на основе различных классов тугоплавких соединений.

Ниже представлены наши результаты о влиянии высоких давлений на процеcc уплотнения и спекания диборида титана, а также физико-механические свойства твердых растворов на его основе. Высокая температура и длительность процесса спекания обуславливает интенсивный рост зерен, что приводит к снижению физико-механических свойств образцов.

Избежать отмеченных недостатков и получить диборид титана мелкозернистой структуры можно, используя высокие давления Известно, при давлении 1 ГПа и температуре 2500°С длительность процесса спекания диборида титана не превышает 5 минут, а при увеличении давления до 1,75 ГПа температуру спекания можно понизить до 1600°С.

Степень уплотнения порошка под действием давления можно оценить по изменению электросопротивления образца, уменьшающегося за счет увеличения площади контакта частиц. Как видно из рисунка 4, интенсивное уплотнение порошка TiB2 происходит на начальной стадии обжатия и завершается при давлении около 2 ГПа. Максимальная относительная плотность образца после обжатия составила около 0,9 [6].

Рисунок 4 - Зависимость электрического сопротивления порошка TiB2 от величины давления в процессе обжатия

3. КЕРАМИЧЕСКИЕ ТЕХНОЛОГИИ

.1 Способ 1

Приготовили исходный азотнокислый раствор, содержащий два компонента - алюминий и магний в соотношении, необходимом для получения стехиометрической шпинели MgAl2 O4. Провели одновременное осаждение гидроксидов алюминия и магния аммиаком методом одновременного сливания при рН на первой стадии 9,9±0,1 (рН полного осаждения оксида магния аммиаком соответствует 10,5 [1]) и рН второй стадии 10,6±0,1. Отфильтрованный осадок прокалили при температурах от 700 до 1200°С в течение 4 ч. Оптимальная температура составила 1000°С. Прокаленный при этой температуре порошок имел значение полной удельной поверхности (SBET) 37-40 м 2/г, фазовый состав - MgAl2O 4. Частицы порошка представляли собой гроздьевидные конгломераты, состоящие из неплотно спеченных отдельных частиц разных размеров (от 20 нм до более 0,1 мкм). С помощью электронного микроскопа было определено, что количество частиц размерами от 20 до 30 нм составляла 1,7-2 мас.% (рис.5). Из полученного порошка были спрессованы таблетки в различных вариантах:

с предварительным помолом порошка (с помощью мелющих тел из шпинели, полученной синтезом из механической смеси порошков MgO и Al2О3) и с пластификатором;

без помола и без пластификатора;

с пластификатором и добавкой 0,5% Y2O3 к измельченному порошку.

Рисунок 5 - Морфологическая структура модифицированной шпинели (без помола)

Кроме того, для сравнения были изготовлены таблетки из порошка шпинели, полученной синтезом из механической смеси («МС») порошков MgO и Al 2О3. После помола порошок шпинели «МС» имел SВЕТ=3,94 м2 /г и размер частиц 0,3-3 мкм (рис. 6).

Рисунок 6 - Морфологическая структура порошка шпинели «МС»

Спекание всех таблеток проводили при температуре 1800°С в среде водорода.

Были проведены измерения коэффициента теплопроводности ( ) спеченных таблеток MgAl2O 4 в зависимости от температуры в интервале от 100 до 1000°С (фиг.3) методом осевого теплового потока. Коэффициент теплопроводности шпинели изменяется от 17,5 до 6 Вт/м·град. Теплопроводность шпинели «МС» с плотностью 95% теоретической (ТП) изменяется от 15 до 9 Вт/м·град (кривая 2 на рис. 7). Теплопроводность шпинели, изготовленной разработанным способом, без помола и пластификатора, имела высокие значения (от 43,0 до 20,8 Вт/м·град.), хотя плотность исследуемых образцов составляла всего 89,7% ТП. В процессе помола в порошок шпинели был внесен намол от мелющих тел. Теплопроводность шпинели сразу снизилась (кривая 3 рис. 7). При добавке оксида иттрия с низкой теплопроводностью теплопроводность шпинели, полученной разработанным способом, значительно уменьшилась и составила от 13 до 6 Вт/м·град. при изменении температуры соответственно от 100 до 1000°С (кривая 5 на рис. 7). Введение примесей в порошки приводит к рассеиванию фононов и ухудшению теплопроводности. Для исследованных образцов шпинели, полученной разработанным способом, зависимость от температуры имеет особый характер: до 700-800°С значения снижаются, а затем повышаются (кроме шпинели с добавкой Y2O3).

Рисунок 7 - Температурная зависимость экспериментльных коэффициентов теплопроводности образцов шпинели, спечённых в водороде при 1800°С

Были проведены измерения термостойкости изделий шпинели. Для этого исследовали предел прочности полученных втулок при нагреве. При скорости нагрева 10°С/сек разрушение втулок из модифицированной и «МС» шпинели произошло соответственно при температуре внешней поверхности ˜550°С и ˜465°С. Значения разрушающего напряжения для втулок из модифицированной и «МС» шпинели составило соответственно ˜21 и ˜7 кг/мм2 . Таким образом, термостойкость спеченных изделий из модифицированной шпинели примерно в три раза выше, чем для изделий из шпинели «МС».

Модуль Юнга (характеристика упругости), измеренный ультразвуковым импульсным методом, для образцов шпинели, изготовленной из порошка без помола и пластификатора, составил 294-296 ГПа. Модуль Юнга для MgAl2O4 составляет 220-250 ГПа. Повышенный модуль Юнга MgAl2O4 , изготовленной по разработанному способу, свидетельствует о повышенной упругости этих изделий.

Были проведены измерения температурного коэффициента линейного расширения (ТКЛР) шпинели на высокотемпературном дилатометре с использованием относительного метода. Испытания проводили в вакууме 5·10 -4 мм ртутного столба при температурах от 600 до 1300°С. Средние значения от трех-четырех измерений (при каждой температуре) приведены в таблице 1 и на рис. 8. Значения ТКЛР образцов шпинели «МС» монотонно возрастают от 7,25·106 град.-1 до 8,8·10 6 град.-1 при увеличении температуры от 600 до 1300°С. Для исследованных образцов модифицированной шпинели MgAl2O4, полученной без предварительного помола порошка, без внесения каких-либо примесей, ТКЛР практически не зависит от температуры в интервале от 600 до 1300°С, причем до температуры 1000°С наблюдается небольшое повышение ТКЛР и затем снова снижение. Этот эффект очень важен при термоциклировании изделий из такой шпинели. Кроме того, в работе [5] описана тесная связь ТКЛР с теплопроводностью: если ТКЛР с повышением температуры снижается, то, соответственно, коэффициент теплопроводности повышается.

Микроструктура модифицированной шпинели (рис. 8) с плотностью 97,2% ТП отличается от шпинели «МС» (рис. 9) с плотностью 95% ТП. Внутри зерен поры (размером от 0,2 до 2 мкм) располагаются в виде небольших скоплений (рис. 8). Их очень мало, либо поры внутри зерен совсем отсутствуют. Преимущественно поры располагаются по границам зерен. Некоторые поры имеют хорошо выраженную полиэдрическую огранку. Материал шпинели похож на монокристалл: при разрыве границ зерен не наблюдается. Пористость в шпинели «МС» (рис. 9) распределена по всему объему, видны более хрупкие изломы, видны границы зерен при разрыве.

Рисунок 8 - Микроструктура модифицированной шпинели

Рисунок 9 - Микроструктура шпинели, изготовленной механическим смешиванием

Параметр кристаллической решетки для новой шпинели (без примесей) равен 8,064 Å, т.е. ниже справочных данных для стехиометрической шпинели. Для шпинели «МС» он равен 8,081 Å.

.2 Способ 2

Приготовили три азотнокислых раствора:

1-ый раствор содержал катионы магния;

2-ой раствор содержал катионы магния, а также катионы катализатора - олово (Sn2+) в количестве 0,5 мас.%;

3-ий раствор содержал катионы магния, а также катионы катализатора - алюминий (Al3+) в количестве 0,5 мас.%.

Провели осаждение гидроксида магния из первого раствора, гидроксидов магния и олова из второго раствора и гидроксидов магния и алюминия из третьего раствора. Осаждение провели аммиаком методом одновременного сливания азотнокислых растворов и аммиака при рН на первой стадии 9,9±0,1 (рН полного осаждения оксида магния аммиаком соответствует 10,5 [1]) и рН второй стадии 10,6±0,1. Отфильтрованные осадки прокалили при оптимальной для оксида магния температуре, а именно при 900°С в течение 4 ч. Прокаленные при этой температуре порошки имели значение полной удельной поверхности (SВЕТ ) 5,0 м2/г, фазовый состав порошка №1 - MgO, порошка №2 - MgO+SnO2 и порошка №3 - MgO+MgAl2O4. Частицы порошков MgO после прокаливания претерпели морфологические изменения и приобрели вид пластинок и чешуек неправильной формы с закругленными краями, продольный размер которых изменялся в пределах от 2 до 10 мкм, а поперечный - от 2 до 5 мкм при толщине приблизительно 0,2 мкм. Одновременно в порошках №1, №2 и №3 присутствовало от 0,5 до 1,0 мас.% наночастиц в виде чешуек толщиной 5-30 нм. Кроме того, порошок №2 не более 0,5 мас.% частиц SnO 2 неопределенной формы размером менее 10 нм.

Из полученных порошков (с добавлением пластификатора) спрессовали таблетки, которые спекли при 1800°С, причем таблетки №1 (MgO) и №2 (MgO+SnO2) спекли в среде водорода, а таблетки №3 (MgO+MgAl2O4) - в вакууме. Спеченные таблетки №1 (MgO), №2 (MgO+SnO 2) и №3 (MgO+MgAl2O 4) соответственно имели плотность 3,52 г/см 3 (97,8% ТП), 3,50 г/см3 (97,2% ТП) и 3,35 г/см3 (93,1% ТП).

Методом осевого теплового потока были измерены коэффициенты теплопроводности таблеток №1 (MgO), №2 (MgO+SnO2) и №3 (MgO+MgAl 2O4). В таблице 3 приведены усредненные экспериментальные значения коэффициентов теплопроводности изделий (пересчитанные для плотности 95% ТП) в зависимости от температуры. Коэффициенты теплопроводности MgO партий №2 и №3 с добавкой катализаторов соответственно SnO2 и Al 2О3 имеют повышенные значения во всей исследуемой области температур. При 800°Сдля таблеток MgO+SnO2 и MgO+MgAl 2O4, изготовленных по разработанной технологии, примерно в 2 раза выше значения MgO (8,1 Вт/м·град.). Также при 800°Сдля таблеток MgO, изготовленных по разработанной технологии, примерно в 1,5 раза выше значения MgO.

Подобные феноменальные явления наблюдались на многих оксидных материалах, изготовленных по разработанной технологии. Можно привести примеры с использованием таких материалов как UO2, (U,Th)O 2, PuO2+MgO, PuO2 +Fe+MgO, BaPuO3, (Pu,Zr,Y)O 2-x, (Pu,Th)O2 и других [7].

4. ПОЛИМЕРНАЯ КЕРАМИКА

Полимерная керамика или искусственный камень (мрамор) - новый материал на основе смеси полиэфирных смол и различных минеральных наполнителей. В качестве наполнителей могут использоваться самые разнообразные материалы: кварц, доломит, мраморная крошка, песок, сланец, тальк.

При отлаженном технологическом процессе производства полимерной керамики получаются изделия с лучшими эксплуатационными характеристиками в сравнении с натуральным материалом.

Вот основные характеристики полимерной керамики:

Удельный вес, г/см³ 1,6-2,2

Прочность на разрыв, Н/мм² 28

Твёрдость (по Барколу) 50

Ударная прочность, Дж 0,6

Коэффициент линейного

расширения, К-1 1,0-1,8*10-5

Глянец (60° по Гарднеру) 11

Прочность на истирание 0,025см³/см²

Теплостойкость без изменений

Сопротивление кипящей воде без изменений

Водопоглощение, % 0,01

Устойчивость к обесцвечиванию соответствует стандартам

Химическая устойчивость соответствует стандартам

Для придания изделиям из искусственного мрамора и полимерной керамики повышенной прочности и долговечности применяют покрытия на основе гелькоатов (гелеевые красочные составы).

Выбор полимерной керамики в качестве основы для производства санитарно-технических изделий обусловлен её высокими характеристиками.

Если взять для сравнения другие материалы (акрил, керамика, чугун, жесть) из которых производятся ванны и душевые поддоны, то становятся очевидны преимущества полимерной керамики и технологии литья полимерной керамики.

Таблица 3 - Механические свойства некоторых материалов.

Механические свойства

Полимерная керамика

Акрил

Керамика

Прочность на сжатие, кгс/см2

850-1500

-

Прочность на растяжение на изгибе, кгс/см2

180-350

70-120

>15

Коэффициент теплового расширения, м/м°С

10-18

7,7-10

6,8-10

Коэффициент теплопроводности, ккал/м∙ч°С

0,8-2

0,17

-

Удельный вес, г/см3

1,6-2,2

1,05-1,18

-

Водопоглощение, %

<1

2,5-3

<16

Модуль Е примерно, кгс/см2

200-350

2300-2600

-


.1 Полимерная глина

Полимерная глина - это пластик, который лепится как пластилин, но затвердевает в духовке. Еще его называют термопластиком. Из неё делают сувениры, украшения, бижутерию - бусы, серьги, кулоны, подвески, брелоки, статуэтки, пуговицы. Полимерная глина применяется также для изготовления предметов интерьера, ёлочных игрушек и авторских кукол.

Полимерная глина - это пластичная масса, более всего по внешнему виду и тактильному ощущению напоминающая пластилин. Она содержит особый пластификатор, который целиком впитывается в частички материала при нагреве от 100 до 130°С в обычной духовке. После этого процесса, называемого полимеризацией, материал становится прочным - и это главное отличие от пластилина. Полимерными глинами также порой называют самоотвердевающие материалы, популярные при изготовлении авторской куклы. При этом, самоотвердевающий материал делается похожим на гипс или дерево и его можно обрабатывать соответствующим инструментом. Запекаемая полимерная глина более твердая, и напоминает пластмассу. Готовые изделия можно раскрашивать акриловыми красками, склеивать между собой и с другими материалами.

Готовые изделия можно: шкурить (наждачной бумагой под краном с открытой водой), ровнять, пилить, красить (например, акриловыми красками), склеивать (например, ПВА). Полимерную глину можно сверлить, окрашивать, полировать. Как правило, готовые изделия для придания им блеска полируют или иногда покрывают красками и специальным лаком.

Полимерную глину можно купить в магазинах, она бывает разных сортов и цвета, даже золотая и серебряная, с блёстками, мерцающая и тп.

.2 Состав полимерной глины

В основе полимерной глины лежит поливинилхлорид (ПВХ). Это очень распространённая пластмасса, получаемая из нефтепродуктов. Частицы ПВХ, подобно желатину, обладают огромной впитывающей способностью при нагревании и именно это свойство лежит в основе полимерной глины. В холодном состоянии пластификаторы (обычно в их качестве используются производные фталевой кислоты - фталаты. Это жирные прозрачные жидкости без запаха или с очень слабым запахом, более всего напоминающие машинное масло.

При нагревании смеси фталатов с порошком ПВХ происходит процесс желатинизации: пластификаторы впитываются в частички порошка, частички набухают, сближаются друг с другом и, имея сложные неправильные формы с бугорками и выростами, плотно сцепляются между собой. Чем больше пластификаторов было в исходной массе, тем мягче получается готовый продукт. Полученное в результате вещество называют "пластифицированным ПВХ".

В промышленности из него изготавливается большая часть изоляции электрических проводов, пластиковые окна, медицинские инструменты, такие как трубочки капельниц, посуда, игрушки, предметы быта. В состав полимерной глины также входят различные пигменты, в том числе хорошо совместимые с ПВХ порошковые фталоцианиновые красители. В качестве наполнителей и модификаторов поверхности в составе также могут быть тальк, каолин или мел. В материале могут быть также стабилизаторы, препятствующие желатинизации во время хранения при нормальных температурах. Полимерная глина начинает медленно твердеть уже при 60 градусах по шкале Цельсия; в присутствии стабилизаторов этот процесс значительно замедляется [8].

5. МЕТОД ФОРМИРОВАНИЯ ПОЛИМЕРНЫХ КЕРАМИЧЕСКИХ ИЗДЕЛИЙ

Для исследования была использована полимерная глина Premo Sculpey. Запекание проводилось в духовой печи ARISTON. В качестве формы взята круглая железная шайба с отверстием внутри (рисунок 10). Диаметр отверстия - 25 мм, высота шайбы - 5 мм. Данная глина предназначена для ручной лепки, благодаря высокой пластичности материала в незапечённом состоянии. Экспериментальным путём была выявлена методика формирования изделия из полимерной глины.

. Плотно заполнили форму исследуемым материалом, с помощью ножа убрали излишки глины.

. Поместили форму, заполненную глиной, на металлическую подложку, сверху прижали металлическим прессом массой 5 кг.

. Установив необходимые параметры печи, начали запекание.

. Параметры печи:

а) T = 110oC; t = 60 мин.;

б) T = 120oC; t = 60 мин.;

в) T = 130o C; t = 60 мин.;

В результате были получены 3 таблетки из полимерной глины (рисунки 11, 12, 13)

керамика спекание давление

Рисунок 10 - Форма для запекания

Рисунок 11 - Таблетка из полимерной глины, T=110oC; t=60 мин

Рисунок 12 - Таблетка из полимерной глины, T=120oC; t=60 мин

Рисунок 13 - Таблетка из полимерной глины, T=130oC; t=60 мин

Полученные изделия благодаря своим физическим свойствам могут использоваться в декоративных целях, а также служить деталями, не требующими высокой прочности и твёрдости, основное преимущество полимерной глины - её экономичность.

ЗАКЛЮЧЕНИЕ

В данной работе мы изучили керамику в целом, ознакомились с теоретическими сведениями о её видах, механизмах спекания и способах подготовки сырья для изготовления изделий из керамики, были изучены различные технологии формирования керамических изделий.

В заключение сказанного можно подвести итоги, сформулировать выводы:

керамическими называют материалы и изделия, получаемые из порошкообразных веществ различными способами и подвергаемые в технологический период обязательной термической обработке при высоких температурах для упрочнения и получения камневидного состояния. Такая обработка носит название обжига;

кроме глины к применяемым порошкообразным материалам, являющимися главными компонентами керамических изделий, относятся также некоторые другие минеральные вещества природного происхождения - кварциты, магнезиты, хромистые железняки;

по структурному признаку все изделия разделяют на две группы: пористые и плотные;

сырьевые материалы, используемые для изготовления керамических изделий, можно подразделить на пластичные глинистые (каолины и глины) и отощающие (шамот, кварц, шлаки, выгорающие добавки). Для понижения температуры спекания в глину иногда добавляют плавни. Каолин и глины объединяют общим названием - глинистые материалы

Также была изучена полимерная глина, экспериментально разработана методология формирования изделий из неё, проанализированы получившиеся материалы. Благодаря своим механическим, электрическим свойствам, а так же экологической безопасности керамика идет вне конкуренции со многими другими традиционными материалами.

СПИСОК ИСПОЛЬЗОВАННЫХ ИСТОЧНИКОВ

Балкевич, В. Л. Техническая керамика. / В. Л. Балкевич. М.: Стройиздат, 1944. 255 с.

.Лазарев, В. Б. Химические и физические свойства простых оксидов / В. Б. Лазарев, В. В. Соболев, И. С. Шпалыгин . М.: Наука, 1993. 254 с.

Лукин, Е.С. Новые керамические материалы на основе оксида алюминия / Е.С. Лукин, Н.А. Макаров, С.В. Тарасова и др. // Огнеупоры и техническая керамика. - 2001. - №7. - 2-10 с.

Мамаева, Н.Б. Корундовая керамика, содержащая диоксид циркония / Н.Б. Мамаева.М.: 1990. 134 с

Макаров Н.А. Использование добавок, образующих жидкую фазу при обжиге, в технологии корундовой керамики / Н.А. Макаров // Стекло и керамика. - 2003. - №10. - 31-34 с.

Бакунов, В.С. Особенности технологии высокоплотной технической керамики. Регулирование структуры при спекании / В.С. Бакунов, Е.С. Лукин // Стеклоикерамика. - 2008. - №7. - 17-21 с.

Похожие работы на - Влияние внешнего давления на температуру спекания керамических материалов

 

Не нашли материал для своей работы?
Поможем написать уникальную работу
Без плагиата!
Без нейросетей!