Аэродинамика циклонной камеры
Министерство образования и науки
Российской Федерации
Федеральное государственное
автономное образовательное учреждение высшего профессионального образования
Северный (Арктический) федеральный
университет имени М.В. Ломоносова
Институт ЭиТ
Кафедра теплотехники
КУРСОВАЯ РАБОТА
По дисциплине: Гидрогазодинамика
На тему
Аэродинамика циклонной камеры
Студент 3 курса группа 263203
Курской Сергей Витальевич
Руководитель проекта Леухин Ю.Л.
Архангельск 2014
ЗАДАНИЕ НА
КУРСОВУЮ РАБОТУ
по дисциплине Гидрогазодинамика
студенту ИЭиТ курса3 группы 263203 Курскому Сергею Витальевичу
Тема: Аэродинамика циклонной камеры
Исходные данные:
Геометрические и режимные характеристики циклонной камеры
|
Наименование параметра
|
Обозначение
|
Величина
|
Размерн
|
|
Диаметр камеры
|
Dк
|
0,310
|
м
|
|
Длина камеры
|
1,89безразм
|
|
|
|
Относительная площадь входа
|
0,0468безразм
|
|
|
|
Высота входного канала
|
0,1080безразм
|
|
|
|
Диаметр выходного отверстия
|
0,4безразм
|
|
|
|
Шероховатость боковой
поверхности камеры
|
0безразм
|
|
|
|
Температура воздуха на
входе
|
Tвх
|
296,8 23,65
|
К °С
|
|
Барометрическое давление
|
В
|
759
|
мм. рт. ст.
|
|
Избыточное статистическое
давление во входных каналах
|
Рс.вх.
|
312
|
мм. вод. ст.
|
|
Избыточное статистическое
давление на боковой поверхности камеры
|
Рc.ст.
|
291
|
мм. вод. ст.
|
|
Скорость воздуха на входе
|
Vвх
|
40,2
|
м/с
|
Срок выполнения работы с июня 2014 г. по декабрь 2014 г.
Руководитель проекта Леухин Ю.Л.
Результаты аэродинамических измерений в рабочем объеме:
|
N
|
jº
|
А1, мм вод ст
|
А2, мм вод ст
|
, мм
|
|
1
|
4
|
19
|
313
|
0
|
|
2
|
6
|
46
|
335
|
2
|
|
3
|
1
|
86
|
362
|
3
|
|
4
|
0
|
118
|
384
|
6
|
|
5
|
-1
|
123
|
387
|
4
|
|
6
|
-3
|
131
|
386
|
5
|
|
7
|
-2
|
133
|
380
|
5
|
|
8
|
-1
|
133
|
370
|
5
|
|
9
|
-1,5
|
98
|
334
|
8
|
|
10
|
-0,5
|
94
|
329
|
3
|
|
11
|
-3,5
|
95
|
323
|
5
|
|
12
|
-1,5
|
98
|
321
|
4
|
|
13
|
-1,5
|
103
|
318
|
5
|
|
14
|
-3
|
112
|
317
|
5
|
|
15
|
-2
|
124
|
313
|
5
|
|
16
|
0,5
|
136
|
312
|
5
|
|
17
|
1
|
160
|
303
|
10
|
|
18
|
1
|
169
|
294
|
5
|
|
19
|
1,5
|
171
|
275
|
5
|
|
20
|
0,5
|
165
|
249
|
5
|
|
21
|
2
|
155
|
217
|
5
|
|
22
|
-1
|
142
|
183
|
5
|
|
23
|
-3
|
131
|
149
|
5
|
|
24
|
-2
|
121
|
116
|
5
|
|
25
|
-3
|
109
|
82
|
5
|
|
26
|
-7
|
79
|
13,5
|
10
|
|
27
|
-8
|
64
|
-21
|
5
|
|
28
|
-7,5
|
51
|
-50
|
5
|
|
29
|
-10
|
18
|
-110
|
10
|
|
30
|
-15,5
|
5
|
-129
|
5
|
Коэффициент трехзначного цилиндрического зонда:
Кц=0,985 Кц-Кб=1,231
СОДЕРЖАНИЕ
1. Общая картина движения газа в циклонной камере
2. Описание
экспериментального стенда и методики измерений, порядок проведения опытов
2.1 Измерение
расхода воздуха
.2 Измерение
скоростей и давлений в объеме циклонной камеры
3. Расчет распределений скоростей и давлений в циклонной камере
Список использованных источников
Приложение
1. Общая картина движения газа в
циклонной камере
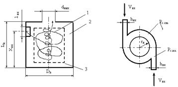
Рис.
1. Схематический чертеж циклонной камеры и основные обозначения; 1 - ядро
потока; 2 - периферийная (пристенная) зона; 3 - приторцевал зона
Циклонная
камера (рис. 1) представляет собой цилиндр, тангенциально к внутренней
поверхности которого вводится газ или жидкость. Число а и местоположение Хвх
вводов (шлицев или сопел) может быть различным и определяется технологическим
назначением циклонного аппарата. Основными относительными характеристиками (их
обозначения приведены на рис. 1) циклонной камеры, кроме отмеченных, являются:
суммарная
площадь входа
,
диаметр
выходного отверстия
длина
рабочего объема
,
высота
шлицев (сопел)
,
местоположение
входных шлицев
,
(координата
отсчитывается от глухого торца рабочего объема камеры),
шероховатость
поверхности рабочего объема.
Вывод
газов из рабочего объема циклонной камеры, как правило, осуществляется через
соосное с ним выходное отверстие в одном из торцов. Для обычных циклонных камер
характерна диафрагмированность выхода и сравнительно небольшая относительная
длина (
= 0,5 ÷ 2,5).
Поле
скоростей потока в циклонных камерах отличается сложностью и
пространственностью. В любой точке поля сектор скорости можно разделить на три
составляющие (компоненты): тангенциальную ωφ (вращательную), ωх осевую
(продольную) и радиальную ωz (рис. 1). В общем случае
соотношение между этими компонентами может быть различным по величине в
зависимости от местоположения рассматриваемой точки поля скоростей и геометрии
циклонной камеры. По характеру изменения компонент скорости потока весь рабочий
объем циклонной камеры (см. рис. 1) можно разделить на три основные области:
осесимметричное ядро потока, приторцевые зоны течения и периферийную пристенную
зону.
Ядро
потока занимает основную часть рабочего объема камеры. Внешней границей ядра
потока является цилиндрическая поверхность, радиус которой rя
может быть найден из условия
максимума момента количества движения. С торцевых поверхностей ядро потока
ограничено зоной интенсивных радиальных течений, где наблюдается падение
вращательной составляющей скорости и значительное повышение радиальной
компоненты. В пределах ядра потока тангенциальная (вращательная) составляющая
имеет наибольшую из всех трех компонент величину. В соответствии с характером
ее распределения по радиусу (рис. 2) можно выделить две зоны: зону возрастания
скорости при уменьшении радиуса (квазипотенциальную зону) и зону ее падения по
мере приближения к центру камеры (зону квазитвердого вращения). Зоны разделены
сравнительно небольшим по радиальной протяженности переходным участком. Размеры
зон возрастания и падения тангенциальной составляющей, так же как протяженность
переходного участка и общий уровень вращательной скорости, определяются геометрией
циклонной камеры.
Рис. 2. Распределение вращательной составляющей скорости, статического и
полного давлений в циклонной камере
При двухстороннем и более вводе газа течение в ядре
практически осесимметрично. Аэродинамическая ось потока совпадает с осью
камеры. Вращательная составляющая скорости в ядре потока значительно превышает
другие компоненты скорости, поэтому основным видом движения считают
вращательное. С этой точки зрения, в первом приближении, движение газа в ядре
можно считать плоским и отнести к категории равномерных осесимметричных
относительно оси вращения или круговых. Из курса физики известно, что при
равномерном движении по окружности радиуса r равнодействующая сил dF,
действующих на элемент жидкости, должна быть равна по модулю
(1)
и
направлена к центру окружности.
В
уравнении (1)
- линейная (тангенциальная, вращательная) скорость
движения элемента; m - масса элемента.
Только
когда равнодействующая сила сообщает элементу необходимое центростремительное
ускорение j=
/r, он движется равномерно по окружности. Эту
равнодействующую называют центростремительной силой. Если исключить из
рассмотрения вследствие их относительной малости силы трения, обусловленные
вязкостью, и условие равновесия рассматривать применительно к единице объема
среды, то можно считать, что равнодействующей (центростремительной) силой в
ядре циклонного потока будет являться радиальный градиент давления [13].
Соответственно условие существования кругового течения, или условие радиального
равновесия потока, в рассматриваемом случае будет определяться уравнением
. (2)
Статистическое
и полное давления максимальны на внешней границе ядра потока и падают по
направлению от стенки к оси камеры. В приосевой области при определенных
условиях статистическое и полное давления потока могут быть ниже атмосферного
(см. рис. 2).
В
периферийной (пристенной) зоне, так же как и в ядре, вращательная составляющая
является наибольшей из всех компонент. Профиль
в этой
области не осесимметричен и непрерывно перестраивается по мере продвижения
потока у вогнутой поверхности рабочего объема. Начальное же распределение
- распределение на выходе из входного шлица/сопла/ -
зависит от характера течения потока/профиля скорости/ внутри и вне его.
Сложность
течения определяется тем, что выходящая струя в рабочем объеме взаимодействует
сразу и со спутным, вращающимся относительно оси камеры потоком, и с вогнутой
цилиндрической стенкой камеры. Взаимодействие струи со стенкой приводит к
закручиванию потока. Частицы среды вблизи стенки начинают двигаться по спиральным
траекториям, причем направление вектора их скорости в пристенном слое струи
определяется совокупным влиянием, например, положения рассматриваемого канала
относительно других каналов и торцевых поверхностей рабочего объема,
интенсивностью торцевых перетечек, которые в свою очередь зависят практически
от всех геометрических характеристик камеры.
Кривая
распределения статического давления по радиусу в периферийной зоне течения по
характеру является продолжением соответствующего распределения в ядре потока.
Особенности
течения потока в приторцевых областях циклонных камер связаны с
подтормаживающим действием торцевых поверхностей. Вблизи торцевых поверхностей
вращательная составляющая скорости уменьшается, и появляется интенсивное
радиальное течение, направленное к центру камеры со скоростью, которая
обуславливает появление сил трения, компенсирующих возникшее нарушение
динамического равновесия в рассматриваемой области. Сложность картины
дополняется взаимодействием возникшего течения с ядром потока. Статическое
давление поперек этой области практически не изменяется на всех радиусах.
Условия стока, неравномерность распределения вращательных скоростей
потока по длине рабочего объема (и первую очередь в периферийной и приторцевых
областях течения), обусловленная геометрией камеры и трением потока о стенки, а
также имеющееся в некоторых случаях разрежение в приосевой зоне определяют
довольно сложное поле осевых скоростей в циклонных устройствах. На рис.3
приведены условные распределения осевой компоненты скорости по радиусу в
рабочем объеме и соответствующие им схемы осевых потоков.
За положительное направление осевой скорости здесь и далее принимается
направление к выходу из камеры, за отрицательное - направление к глухому торцу.
На рис. 3 видно, что входящий в камеру поток разделяется на два, один из
которых направляется к выходному торцу, а другой - к глухому.
Рис. 3. Распределение ωх и схемы осевых движений потока в циклонной камере: 1
- периферийннй прямой вихрь;2 - кольцевой обратный вихрь; 3 - выходной вихрь;4
- периферийный обратный вихрь; 5 - осевой обратный вихрь
Основная часть массы газа потоков интенсивными радиальными перетечками
переносится к центральным областям рабочего объема. Вблизи приосевой зоны от
глухого торца поток газа направляется к выходному отверстию, к нему в
приторцевой области у выходного отверстия присоединяется часть газа,
переносимая радиальным течением у выходного торца. Этот радиальный поток,
взаимодействуя с выходным, частично ответвляется, образуя небольшое кольцевое
обратное течение. В центральной области рабочего существует обратное течение
газов. Оно появляется в результате имеющегося здесь разрежения и подсоса газов
и зарождается вне рабочего объема камеры. Проникнув внутрь камеры на
определенную глубину, массы газа, подсасываемые извне, присоединяются к
выходному течению. Вращательное движение центрального обратного потока, в
отличие от всех других вышерассмотренных, является индуцированным.
Размеры, радиальная протяженность и мощность
рассмотренных закрученных осевых потоков могут быть различными и зависят от
геометрических характеристик циклонной камеры.
Безусловно, приведенная схема осевых течений потока
является приближенной, хотя и допускает существование циркуляционных зон как внутри
рабочего объема, так и в пристенном слое между входными каналами, в углах
рабочего объема между торцевыми и боковой поверхностями. Пристенные потоки
называют периферийными прямым и обратным вихрями, выходной поток - выходным
вихрем, кольцевое обратное течение - кольцевым обратный вихрем, центральный
обратный поток - центральным обратным вихрем.
Важная роль в аэродинамике циклонных камер принадлежит
весьма интенсивному турбулентному обмену.
С
точки зрения общих аэродинамических характеристик циклонных камер, основным
видом движения газа, как уже отмечалось, следует считать вращательное. Главной
характеристикой вращательного движения в циклонной камере является максимальная
вращательная скорость потока
(см.
рис. 2). Она удачно характеризует общий (эффективный) уровень вращательного
движения газа в рабочем объеме. При струйном представлении циклонного потока
является скоростью потока на внешней границе
струйного пограничного слоя, обращенного к оси камеры. Обычно в
аэродинамических расчетах чаще используют не абсолютное значение
, а относительное
(
- средняя скорость потока в шлицах или соплах).
Второй
скоростной характеристикой ядра потока в циклонной камере является вращательная
скорость на его внешней границе
. Эта
скорость является интегральной характеристикой аэродинамических процессов, связанных
с истечением газа из шлицев, распространением его струй у боковой поверхности
камеры, взаимодействием пристенной зоны течения с ядром и приторцевыми
потоками. Обе скоростные характеристики связаны между собой коэффициентом
крутки в ядре потока:
(3)
Радиальные
размеры характерных зон циклонного потока определяются безразмерными радиуса, ∆
=
. Особо
важное значение в аэродинамических расчетах циклонных камер имеют безразмерные
радиусы, характеризующие положение максимума вращательной скорости потока
, внешней границы осесимметричного ядра
, нулевого значения статического давления
(см. рис. 2). Общее сопротивление циклонной камеры
оценивается по суммарному коэффициенту сопротивления
где
- перепад полного давления в камере, разность величин
полных давлений в шлицах и за выходным отверстием рабочего объема;
- плотность потока на входе в камеру. Cуммарный
коэффициент сопротивления вида
,
где
- плотность потока на радиусе
.
С
помощью коэффициента
можно определить затраты энергии на создание определенного
уровня вращательных скоростей в устройстве. Фактически он определяет
аэродинамическую эффективность циклонной камеры.
Влияние
основных конструктивных и режимных характеристик на аэродинамику циклонной
камеры.
Из
отмеченных выше геометрических характеристик особенно сильное влияние на
аэродинамику циклонной камеры оказывает диаметр выходного отверстия. Уменьшение
приводит к росту величины
, значения статистического давления на боковой
поверхности камеры Рс.ст., уменьшению характерного радиуса
и других характеристик радиусов ядра потока. При этом
наблюдается существенная перестройка профилей
и
. В то же время влияние параметра
на поток в пристенной зоне практически мало
существенно.
Увеличение
относительной суммарной площади входа циклонной камеры приводит к повышению
уровня вращательных и осевых скоростей, статистического давления и смещению характерных
радиусов в ядре потока в приосевую область, а границы ядра потока - в
периферийную область рабочего объема. С уменьшением
распределения вращательной скорости и давлений
приобретают более пологий характер.
Относительная
высота шлицев основное влияние оказывает на поток в пристенной зоне. С
увеличением
уменьшаются потери на расширение струи и
вихреобразование у кромок шлицев, поэтому возрастает уровень
во всей пристенной зоне течения, в том числе и
величина
. Радиальная протяженность периферийной зоны несколько
увеличивается.
Относительное
расположение входных шлицев хвх, практически не оказывая влияния на
вращательное движение потока и слабо влияя на сопротивление камеры, коренным
образом изменяет поле осевых потоков на периферии рабочего объема.
Распределенность
шлицев по периметру камеры (увеличение а) способствует повышению осевой
симметрии потока в ядре и равномерности распределения скоростей в периферийной
зоне. При этом изменяются условия взаимодействия выходящих из шлицев струй с
ранее введенными в рабочий объем и уже вращающимися в нем газами
(следовательно, изменяются входные потери), протяженность их активного
действия, влияние особенностей формирования потока и потерь во входных каналах.
Относительная
длина камеры оказывает влияние, как на структуру, так и на общие
аэродинамические характеристики потока. При
> 2 и
двухстороннем локальном вводе в ядре поток практически осесимметричен и
распределения
(при
·102
≥ 3·10-2) можно считать неизменными по его длине. При
< 2 распределение
начинает
существенно зависеть от продольной координаты. Увеличение
приводит к значительному уменьшении
,
,
,
и
суммарного сопротивления камеры. Существенно зависит от
и поле осевых скоростей. При росте
несколько увеличивается радиальная протяженность
пристенной зоны течения.
Повышение
шероховатости поверхности рабочего объема циклонной камеры приводит к снижению
уровня вращательных скоростей, смещении максимума wj по
направлению к периферии, уменьшению сопротивления камеры. Профиль wj под влиянием
деформируется.
Повышение
приводит к некоторой перестройке поля осевых
скоростей, особенно в центре рабочего объема камеры. С ростом
может быть ликвидирован осевой обратный ток,
увеличивается радиальная протяженность и уровень максимальной осевой скорости
выходного вихря.
Сопротивление
циклонных камер и потери в них главным образам определяются вращательным
движением потока, причем доля потерь на трение потока о стенки рабочего объёма,
а также выходного и входных каналов в общей величине потерь для гладкостенных
камер сравнительно невелика и возрастает с увеличением относительной
шероховатости поверхности рабочего объема и каналов. Однако даже в гладкостенных
камерах трение потока о стенки (при сравнительно небольших потерях
непосредственно на трение) оказывает влияние на уровень вращательных скоростей
в рабочем объеме, следовательно, на величину затрат на достижение определенного
уровня крутки и величины входной и выходной составляющих суммарного
коэффициента сопротивления. В гладкостенных камерах, а такие в шероховатых, в
которых толщина ламинарного подслоя на стенках рабочего объема превышает
величину бугорков шероховатости (шероховатая камера является гидродинамически
гладкой), увеличение входного числа Рейнольдса
, (4)
(
- коэффициент кинематической вязкости потока при
входных условиях) или расхода газа через камеру приводит к снижению
коэффициента трения и, следовательно, к снижению тормозящего действия
внутренней поверхности рабочего объема. Повышение уровня вращательных скоростей
с увеличением Reвх
приводит и к росту ξ (рис. 4).
Рис.
4. Зависимость ξ
= ξ (Reвх) при
различной относительной шероховатости рабочего объема камеры:
= 0,4;
= 1.57;
=10,205∙
В области турбулентного режима интенсивность
зависимости суммарного коэффициента сопротивления от Reвх, убывает с его увеличением. Когда в шероховатых циклонных
камерах бугорки шероховатости значительно выходят за пределы ламинарного
подслоя, тормозящее действие стенок будет определяться сопротивлением формы
бугорков - сопротивлением плохо обтекаемых выступов шероховатости.
Поскольку
сопротивление формы не зависит от числа Рейнольдса, то и сопротивление
циклонной камеры в этом случае не зависит от Reвx. Течение потока
становится автомодельным. Как и при течении в трубах, между двумя
рассмотренными предельными режимами и в циклонных камерах существует
промежуточный режим, в котором толщина ламинарного подслоя соизмерима с высотой
выступов шероховатости и ξ
зависит от d и Reвx.
Ранее уже отмечалось, что влияние трения потока о стенки камеры главным образом
проявляется через изменение уровня вращательных скоростей и определяемых им величиной
затрат энергии (напора) на достижение определенного уровня
и потерь на выходе из рабочего объема.
Рост
коэффициента трения приводит и снижению уровня вращательных скоростей и
суммарного коэффициента сопротивления камеры, а уменьшение, наоборот, - к
повышению уровня
и соответственно ξ. Поэтому характер изменения суммарного коэффициента сопротивления
циклонных камер от числа Reвх оказывается противоположным изменению
коэффициента сопротивления трения. В общем изменение суммарного коэффициента
сопротивления камеры с увеличением числа Reвх можно представить
следующим образом: при ламинарном режиме течения, если он возможен, ξ, вероятно, будет увеличиваться и достигнет максимума при
критическом значении числа Рейнольдса, в переходном режиме ξ убывает, при турбулентном промежуточном режиме, в
отличие от двух предыдущих, характер изменения ξ начинает существенно меняться от относительной
шероховатости поверхности рабочего объема, и, в зависимости от величины d, может иметь место и падение, и увеличение ξ; в режиме развитой шероховатости суммарный коэффициент
сопротивления не меняется.
Распределения
не зависят от величины Reвх. В
гладко-стенных камерах
возрастает с увеличением Reвх. Зависимость
максимальной вращательной скорости от числа Reвх практически
определяется лишь изменением величины вращательной скорости на границе ядра
потока.
Для
шероховатых циклонных камер в наиболее целесообразном и часто встречающемся в
практике диапазоне чисел Рейнольдса (Reвх >2·105)
режим течения можно считать автомодельным.
Загрузка объема циклонной камеры различного рода вставками не вызывает
коренных изменений в картине распределения скоростей. В то же время она
оказывает влияние практически на все аэродинамические характеристики ядра
потока.
2.
Описание экспериментального стенда и методики измерений. порядок проведения
опытов
Исследовательскую часть работы выполняют на экспериментальной установке*,
принципиальная схема которой представлена на рис. 5.
Рис.
5. Принципиальная схема экспериментальной установки
Основным
элементом стенда является модель циклонной камеры 10, выполненная из оргстекла.
Размеры рабочего объема камеры: диаметр Dк = 2Rк = 0,310
мм, длина Lк = 1,89 мм. Ввод воздуха в камеру производится двумя
расположенными тангенциально к внутренней поверхности рабочего объема входными
каналами (шлицами) прямоугольной формы длиной ℓвх=0,0468 мм и
высотой hвх = 0,1080 мм из раздаточного короба-рессивера 9. Отвод
газа из камеры осуществляется через плоский торец с круглым осесимметричным
выходным отверстием, безразмерный диаметр которого dвых можно
варьировать в диапазоне значений от 0,2 до 0,6.
В
качестве дутьевого устройства 2 используется воздуходувка В 10/1250 с
номинальной производительностью Q = 104 м3/ч и полным напором Рп
= 1250 мм вод.ст. (13,26 кПа). Измерение расхода воздуха через установку
производят методом снятия поля скоростей пневмометрическим насадком 6 в мерном
сечении подводящего трубопровода 5.
Температура
воздуха, подаваемого в циклонную камеру, измеряют ртутными лабораторными
термометрами 4, 7, установленными в гильзах в начале измерительного участка
трубопровода и непосредственно перед циклонной камерой.
Отбор
статистического давления во входных каналах и на боковой поверхности модели
осуществляется через дренажные отверстия диаметром 0,7 мм. В качестве
измерительного прибора используется дифференциальный водяной манометр 14,
соединяемый с соответствующими точками отбора давления переключателем 15.
В
объеме камеры производится снятие распределений скоростей и давлений в одном
или нескольких сечениях (в зависимости от поставленной задачи). В качестве
пневмометрического насадка 12 используются трехканальный цилиндрический зонд с
диаметром приемной части 2,6 мм или пятиканальный шаровой зонд диаметром 5 мм
[1, 5, 20]. Как показывают тарировочные опыты, введение измерительного насадка
в рабочий объем модели не вносит существенных возмущений в поток. Перемещение
зонда в измерительном сечении и его аэродинамическая ориентировка в потоке (по
показаниям микроманометра 14) производятся координатником 11 с ручным приводом
конструкции ЛПИ им. М.И. Калинина [1] (см. рис.10). Координатник крепится
специальным зажимами к каретке 13, которую можно перемещать вдоль
горизонтальной оси камеры в пределах расположения измерительных сечений.
Пуск
экспериментального стенда* производится путем включения воздуходувки
с электрощита управления при закрытой заслонке 3 на воздухопроводе. Изменение
числа оборотов, а следовательно, и производительности, осуществляется вручную
реостатами ступенчатой и плавной регулировки. Максимальная нагрузка
воздуходувки устанавливается таким образом, чтобы показания амперметра на щите
управления не превышали 45-50 А. Полный напор, развиваемый воздуходувкой, при
этом составит 420÷480
мм вод. ст. (4,12÷4,71 кПа). Далее по указания преподавателя устанавливается
заданный режим работы, определяемый расходом воздуха через установку.
Регулировка расхода может быть осуществлена как заслонкой, так и изменением
числа оборотов привода воздуходувки 1.
Прежде
чем приступить к производству замеров, необходимо вывести установку на
стационарный режим. Для этого обычно требуется 30 ÷ 40 мин. Убедившись в достижении стационарного режима,
приступают к проведению эксперимента.
2.1
Измерение расхода воздуха
Используемый
в работе метод измерения расхода воздуха основан на определении
среднеинтегральной по поперечному сечению трубопровода скорости течения. Последнее
предполагает знание экспериментального профиля скоростей в измерительном
сечении.
Для
измерения скоростей потока используют комбинированные пневмометрические насадки
- трубку Пито-Прандтля, позволяющую определить в данной точке замера полное Рп
и статическое Рс давления, а также динамический напор Рд
= Рп - Рс, пропорциональный по уравнению Бернулли
величине скорости
Напорную
трубку устанавливают вдоль оси трубопровода, причем центральное приемное
отверстие должно быть расположено против потока. Перемещая насадок по радиусу
канала, производят замеры в различных точках поперечного сечения. Отсчет
динамического напора производят по дифференциальному жидкостному микроманометру
(см. рис. 5) с наклонной шкалой 8 типа ММН-240, избыточного статического
давления - по дифманометру 14.
В
общем случае средняя скорость потока Vcp, м/с, может быть рассчитана
следующим образом:
, (5)
где
, Vi - соответственно радиус точки замера и
значение скорости на данном радиусе;- радиус трубопровода.
Данный
способ требует графического интегрирования скоростного профиля, что затрудняет
вычисления.
Чаще
применяют другой, более простой и удобный способ определения Vср, сущность которого заключается в следующем. Площадь
поперечного мерного сечения трубопровода условно разбивают на n
равновеликих кольцевых площадок (рис. 7). В свою очередь каждая из них делится
на две равные по площади части. Окружность, разделяющая равные части кольца, на
рис. 7 показана штрихпунктиром. На этих окружностях измеряют скорость потока,
которая является средней для каждой из выделенных кольцевых площадок. (Точки
замера скорости на рисунке обозначены 1, 2, 3.)
Среднеарифметическое
значение измеренных в точках 1, 2, 3, ..., n средних
скоростей Vi каждого из равновеликих по площади колец будет являться
средним значением скорости потока в трубопроводе Vср (м/с).
,(6)
где
n - число точек замера.
Все
результаты измерений заносят в табл. I приложения. Координаты точек
замера скоростей, отсчитываемые от стенок трубопровода, определяют по формуле
(выведенной из условия равенства кольцевых площадок)
(7)
где
z - номера окружностей точек замера;
N - число
кольцевых площадок.
Знак
минус (-) в формуле (7) берется при расчете у, лежащих ниже оси трубопровода,
знак плюс (+) - выше оси трубопровода.
Число
кольцевых площадок, исходя из обеспечения приемлемой точности измерения
расхода, рекомендуется выбирать не менее трех.
2.2
Измерение скоростей и давлений в объеме циклонной камеры
В
настоящей работе для аэродинамических измерений в закрученном циклонном потоке
использованы комбинированные пневмометрические насадки - зонды, позволяющие
производить замеры полного и статического давлений, полной скорости и ее
компонент, а также углов скоса потока.
Трехканальные
цилиндрические зонды применяются для исследования практически плоского потока.
Приближенно циклонный поток в пределах его ядра можно рассматривать как
плоский.
Схема
подключения к измерительным приборам показана на рис.9. Насадок 3 имеет три
отверстия диаметром 0,3÷0,4мм, находящиеся на его боковой поверхности в одной
плоскости, перпендикулярной оси зонда, на определенном расстоянии (не менее 2d)
расстоянии от торца. Боковые отверстия по отношению к центральному
располагаются симметрично, причем угол между их осями должен составлять 90 ÷ 100°. Боковые отверстия соединяются с измерительными
штуцерами импульсными трубками, центральное - через полость державки зонда.

Рис. 9. Трехканальный цилиндрический зонд и схема его
подключения к измерительным приборам
После этого непосредственно приступают к производству
замеров. По дифференциальному водяному манометру 1 (см. рис. 9) отсчитывают
перепад давления А1, между центральным и одним из боковых отверстий,
пропорциональный напору в данной точке потока, а по дифманометру 2 (см. рис. 9)
- полный напор А2. Угол скоса поток φ определяют по лимбу координатника с
ценой деления 1°. Полученные данные позволяют определить полную скорость потока
и ее тангенциальную (вращательную) и осевую составляющие, а также статическое
давление.
скорость газ циклонный аэродинамический
3. Расчет распределений скоростей и
давлений в циклонной камере
Плотность
воздуха
, кг/м3, во входных каналах циклонной
камеры:

(16)
Избыточное
статическое давление потока в точке замера Рс, мм вод.ст., рассчитывается
по формуле
(18)
где
A1, А2 - показания пневмометрического насадка, мм вод.
ст.;
КЦ - коэффициент, учитывающий ошибку при измерении полного
напора за счет неточности изготовления центрального приемного отверстия;
КБ - поправочный коэффициент к показаниям бокового отверстия.
Коэффициенты КЦ, КБ определяются путем
предварительной тарировки зонда в аэродинамической трубе. (В работе
коэффициенты КЦ, КБ задаются.) Плотность воздуха ρ, кг/м3, в произвольной
точке потока
,(19)
Полная
скорость потока в точке замера V, м/с
(20)
Безразмерная осевая составляющая полной скорости
(21)
Безразмерная
вращательная составляющая полной скорости потока находиться по формуле
(22)
Безразмерное
(отнесенное к скоростному напору во входных каналах) избыточное статистическое
давление в точке замера вычисляется по уравнению
(23)
Безразмерное
избыточное полное давление в точке замера
(24)
Безразмерное
(отнесенное к динамическому напору во входных каналах) избыточное статическое
давление воздуха на боковой поверхности циклонной камеры
(31)
Соотношение избыточных статистических давлений на боковой поверхности и
во входных каналах
;
(32)
здесь
- безразмерное (отнесенное к динамическому напору во
входных каналах) избыточное статическое давление во входных каналах.
, (33)
где
- динамический напор во входных каналах, мм вод.ст.
Коэффициент кинематической вязкости воздуха при входных условиях
, м2/с,
(34)
Число
Рейнольдса
вычисляется по формуле (4). Число Рейнольдса,
определяющее начало автомодельной области течения (границу второй автомодельной
области), можно определить по эмпирическому уравнению [15, 16]
(35)
Число
Рейнольдса (Reвх > 2·105) следовательно режим течения
можно считать автомодельным.
Безразмерная
площадь входа [17]
(36)
Безразмерный
средний радиус входа потока
(37)
Безразмерный
радиус ядра потока в общем случае является функцией
,
,
,
и
определяется по обобщенным эмпирическим уравнениям [4]: при 0,04 ≤
≤ 1,6
(38)
Относительная площадь выхода потока
(40)
Соотношение
площадей входа и выхода потока
(41)
Безразмерный
радиус
, характеризующий положение максимума вращательной
скорости, определяется в основном безразмерными величинами площадей входа и
выхода потока, шероховатости боковой поверхности. Для расчета
можно воспользоваться следующими соотношениями:
при
0,28 ≤
/
≤ 5; 0,28 ≤0,29 ≤ 5
(43)
В
формулах (42) и (43)
. Здесь
-
коэффициент, учитывающий влияние относительной шероховатости
и определяемый по уравнению [2, 3]
Безразмерный
радиус осесимметричного ядра потока
(45)
Коэффициент
крутки в ядре потока, связывающий значения вращательной скорости на внешней и
внутренней границах квазипотенциальной зоны течения потока, однозначно
определяется радиусом
и может быть найден аналитически. Зависимость
=
(
), как показывает анализ решения и обобщение опытных данных
ряда исследований [12], хорошо описывается сравнительно простым выражением
(46)
Безразмерная
вращательная скорость на границе ядра потока
может
быть определена через величину
= 
безразмерного
момента количества движения. Последний, как показывает обработка большого
количества экспериментальных данных [3], зависит лишь от одной геометрической
характеристики - эффективной относительной площади входа
(47)
Как
следует из уравнения (47),
представляет
собой отношение суммарной площади входа к условной площади пристеночной зоны,
радиальная протяженность (ширина) которой ограничена радиусом
. Последний зависит практически от всех геометрических
характеристик циклонной камеры [14].
Результаты
обобщения опытных данных по
(для
области приближенной автомодельности) аппроксимированы формулой [3,17]
(48)
где
- поправочный коэффициент, учитывающий влияние
относительной шероховатости поверхности [2],
(49)
При
> 1отношение
следует
принимать равным единице. Вращательная скорость на границе ядра потока
(50)
Безразмерная максимальная вращательная составляющая скорости течения в
ядре потока
(51)
Для
приближенных расчетов распределения
при 1≤
≤
,
учитывая квазипотенциальный характер течения, можно использовать уравнение (46)
при замене
на
и
на
. Тогда
распределение
в квазипотенциальной зоне (1<
<
) может
быть аппроксимировано уравнением
(52)
В
зоне квазитвердого вращения (0 ≤
≤
1) распределение
может быть описано формулой
(53)
Подставляя
аппроксимационные зависимости (52) и (53) в уравнение радиального равновесия
(2) и интегрируя его в пределах изменения безразмерных радиусов от
до
(
- безразмерный радиус рабочего объема;
- безразмерный радиус, соответствующий нулевому
значению избыточного статического давления), получаем выражения для определения
безразмерного избыточного статического давления на боковой поверхности
циклонной камеры.
При
(54)
2,88472
В
диапазоне относительной длины
= 1÷2 в соответствии с опытными данными
≈ 0,6∙
, где
=
.
Соотношение статических давлений на боковой поверхности циклонной камеры и во
входных каналах характеризует относительное уменьшение запаса потенциальной
энергии на входе в камеру и может быть рассчитано по формуле [3]
;
(56)
Суммарный
коэффициент сопротивления циклонной камеры определяется по общей зависимости
(33).
Распределение
безразмерного статического давления по радиусу циклонной камеры в соответствии
с уравнениями (2), (52) и (53) описывается следующими соотношениями: для зоны
квазитвердого вращения
; (57)
для
зоны квазипотенциального вращения (
)
(58)
СПИСОК ИСПОЛЬЗОВАННЫХ ИСТОЧНИКОВ
1. Галеркин
Ю.Б., Рекстин Ф.С. Методы исследования центробежных компрессорных машин.- Л.:
Машиностроение, 1969, с. 107-164.
2. Карпов
СВ., Сабуров Э.Н. К обобщению экспериментальных данных по аэродинамике
циклонных камер,- Изв. высш. учеб. заведений. Лесной журнал, 1977, №7, с.
119-122.
. Карпов
СВ., Сабуров Э.Н. Методика расчета аэродинамических характеристик циклонных
камер.- Химическое и нефтяное машиностроение, 1977, №7, с. 20-22.
. Карпов
СВ., Сабуров Э.Н. Перспективы использования циклонных камор в
деревообрабатывающей промышленности и особенности их расчета,- В кн.: Тезисы
докладов научно-технической конференции аспирантов и молодых ученых на тему
"Комплексное использование древесины", Архангельск, 1977, с. 52-54.
. Повх
И.Л. Аэродинамический эксперимент в машиностроении,- Л.: Машиностроение, 1974,
с. 164-210.
. Теплотехнические
основы циклонных топочных и технологических процессов/ А.Б. Резников, Б.П.
Устименко, В.В. Вышенский, М.Р. Курмангалиев.- Алма-Ата: Наука, 1974.-374 с.
. Руководство
к практическим занятиям в лаборатории по процессам к аппаратом химической
технологии,- Л.: Химия, 1969, с. 25-34.
. Сабуров
Э.Н. Аэродинамика циклонно-вихревых нагревательных; устройств,- Архангельск:
РИО АЛТИ, I976.-87 с.
. Сабуров
Э.Н. Влияние конструкции выхода на аэродинамику циклонно-вихревых
нагревательных устройств.- Архангельск: РИО АЛТИ,
1. 1976.-44
с.
. Сабуров
Э.Н. Влияние конструкции входа на аэродинамику циклонно-вихревых нагревательных
устройств.- Архангельск: РИО АЛТИ, 1977.-32 с.
11. Сабуров
Э.Н. Влияние длины, шероховатости и входного числа Рейнольдса на аэродинамику
циклонно-вихревых нагревательных устройств,- Архангельск: РИО АЛТИ, 1977,-31 с.
. Сабуров
Э.Н. Методика аэродинамического расчета циклонно-вихревых нагревательных
устройств,- Архангельск: РИО АЛТИ, 1978.-32 с.
. Сабуров
Э.Н. Теплоотдача в поле центробежных сил: Конспект лекций.- Л.: Изд. ЛТА,
1979.-45 с.
. Сабуров
Э.Н., Карпов С.В. О методике расчета аэродинамику циклонно-вихревых
нагревательных устройств,- Изв. высш. учеб. заведений. Энергетика, 1975, №8, с.
71-77.
. Сабуров
Э.Н., Карпов С.В. О некоторых особенностях аэродинамики циклонных камер в
неавтомодельной области течения потока,- Изв. шсш. учеб. заведений. Энергетика,
1974, №11, с. 60-66.
. Сабуров
Э.Н., Карпов С.В. О сопротивлении циклонных камер в неавтомодельной области
течения потока. - Инж.-физ. журнал, 1975, т. 28, №2, с. 354-355.
. Сабуров
Э.Н., Карпов С.В. Основные закономерности аэродинамики циклонных топочных
устройств,- В кн.: Краткие тезисы докладов к Всесоюзной конференции
"Состояние и перспектива развития энергетики в лесной и
деревообрабатывающей промышленности", Архангельск, 1976, с. 38-11.
. Устименко
Б.П. Процессы турбулентного переноса во вращающихся течениях.- Алма-Ата: Наука,
1977, 228 с.
. Циклонные
топки/ Под ред. Г.Ф. Кнорре и М.А. Наджарова. - М.-Л.: Госэнергоиздат, 1958.-
216 с.
. Эстеркин
Р.К., Иссерлин А.С., Певзнер М.И. Методы теплотехнических измерений и испытаний
при сжигании газа,- Л.: Недра, 1972, с. 16-64.
ПРИЛОЖЕНИЕ
Расчет распределений скоростей и
давлений в циклонной камере, определение основных аэродинамических
характеристик
|
N
|
Pc
|
r
|
V
|
ŵx
|
ŵφ
|
ρвх
|
Рс
|
Рп
|
Рс.ст.
|
Рс.вх.
|
ζ
|
νвх
|
Reвхавт
|
Reвх
|
|
1
|
302,59789
|
1,2232
|
13,0127
|
0,0226
|
0,3229
|
1,2243
|
2,9997
|
3,1028
|
2,88472
|
3,093
|
4,0929
|
0,0000149
|
117609
|
834677
|
|
2
|
298,19253
|
1,2227
|
24,4829
|
0,0637
|
0,6057
|
1,2243
|
2,9560
|
3,3209
|
2,88472
|
3,093
|
4,0929
|
0,0000149
|
117609
|
834677
|
|
3
|
293,18603
|
1,2221
|
33,4839
|
0,0145
|
0,8328
|
1,2243
|
2,9064
|
3,5886
|
2,88472
|
3,093
|
4,0929
|
0,0000149
|
117609
|
834677
|
|
4
|
289,58083
|
1,2217
|
39,2285
|
0,0000
|
0,9758
|
1,2243
|
2,8707
|
3,8066
|
2,88472
|
3,093
|
4,0929
|
0,0000149
|
117609
|
834677
|
|
5
|
288,58002
|
1,2216
|
40,0529
|
-0,0174
|
0,9962
|
1,2243
|
2,8607
|
3,8364
|
2,88472
|
3,093
|
4,0929
|
0,0000149
|
117609
|
834677
|
|
6
|
281,17872
|
1,2208
|
41,3493
|
-0,0538
|
1,0272
|
1,2243
|
2,7874
|
3,8265
|
2,88472
|
3,093
|
4,0929
|
0,0000149
|
117609
|
834677
|
|
7
|
273,57839
|
1,2199
|
41,6787
|
-0,0362
|
1,0362
|
1,2243
|
2,7120
|
3,7670
|
2,88472
|
3,093
|
4,0929
|
0,0000149
|
117609
|
834677
|
|
8
|
263,57839
|
1,2187
|
41,6984
|
-0,0181
|
1,0371
|
1,2243
|
2,6129
|
3,6679
|
2,88472
|
3,093
|
4,0929
|
0,0000149
|
117609
|
834677
|
|
9
|
255,58408
|
1,2178
|
35,8072
|
-0,0233
|
0,8904
|
1,2243
|
2,5336
|
3,3110
|
2,88472
|
3,093
|
4,0929
|
0,0000149
|
117609
|
834677
|
|
10
|
253,78473
|
1,2176
|
35,0718
|
-0,0076
|
0,8724
|
1,2243
|
2,5158
|
3,2614
|
2,88472
|
3,093
|
4,0929
|
0,0000149
|
117609
|
834677
|
|
11
|
246,98457
|
1,2168
|
35,2692
|
-0,0536
|
0,8757
|
1,2243
|
2,4484
|
3,2019
|
2,88472
|
3,093
|
4,0929
|
0,0000149
|
117609
|
834677
|
|
12
|
242,58408
|
1,2163
|
35,8292
|
-0,0233
|
0,8910
|
1,2243
|
2,4048
|
3,1821
|
2,88472
|
3,093
|
4,0929
|
0,0000149
|
117609
|
834677
|
|
13
|
235,58327
|
1,2155
|
36,7440
|
-0,0239
|
0,9137
|
1,2243
|
2,3354
|
3,1524
|
2,88472
|
3,093
|
4,0929
|
0,0000149
|
117609
|
834677
|
|
14
|
227,3818
|
1,2146
|
38,3306
|
-0,0499
|
0,9522
|
1,2243
|
2,2541
|
3,1425
|
2,88472
|
3,093
|
4,0929
|
0,0000149
|
117609
|
834677
|
|
15
|
213,77985
|
1,2130
|
40,3579
|
-0,0350
|
1,0033
|
1,2243
|
2,1192
|
3,1028
|
2,88472
|
3,093
|
4,0929
|
0,0000149
|
117609
|
834677
|
|
16
|
203,1779
|
1,2118
|
42,2869
|
0,0092
|
1,0519
|
1,2243
|
2,0141
|
3,0929
|
2,88472
|
3,093
|
4,0929
|
0,0000149
|
117609
|
834677
|
|
17
|
174,974
|
1,2085
|
45,9281
|
0,0199
|
1,1423
|
1,2243
|
1,7345
|
3,0037
|
2,88472
|
3,093
|
4,0929
|
0,0000149
|
834677
|
|
18
|
158,77254
|
1,2067
|
47,2386
|
0,0205
|
1,1749
|
1,2243
|
1,5739
|
2,9145
|
2,88472
|
3,093
|
4,0929
|
0,0000149
|
117609
|
834677
|
|
19
|
138,17222
|
1,2043
|
47,5641
|
0,0310
|
1,1828
|
1,2243
|
1,3697
|
2,7261
|
2,88472
|
3,093
|
4,0929
|
0,0000149
|
117609
|
834677
|
|
20
|
116,97319
|
1,2018
|
46,7696
|
0,0102
|
1,1634
|
1,2243
|
1,1596
|
2,4684
|
2,88472
|
3,093
|
4,0929
|
0,0000149
|
117609
|
834677
|
|
21
|
92,974817
|
1,1991
|
45,3824
|
0,0394
|
1,1282
|
1,2243
|
0,9217
|
2,1511
|
2,88472
|
3,093
|
4,0929
|
0,0000149
|
117609
|
834677
|
|
22
|
69,376929
|
1,1964
|
43,4869
|
-0,0189
|
1,0816
|
1,2243
|
0,6877
|
1,8141
|
2,88472
|
3,093
|
4,0929
|
0,0000149
|
117609
|
834677
|
|
23
|
44,178716
|
1,1935
|
41,8193
|
-0,0544
|
1,0389
|
1,2243
|
0,4379
|
1,4771
|
2,88472
|
3,093
|
4,0929
|
0,0000149
|
117609
|
834677
|
|
24
|
19,180341
|
1,1906
|
40,2400
|
-0,0349
|
1,0004
|
1,2243
|
0,1901
|
1,1499
|
2,88472
|
3,093
|
4,0929
|
0,0000149
|
117609
|
834677
|
|
25
|
-5,217709
|
1,1878
|
38,2377
|
-0,0498
|
0,9499
|
1,2243
|
-0,0517
|
0,8129
|
2,88472
|
3,093
|
4,0929
|
0,0000149
|
117609
|
834677
|
|
26
|
-49,71284
|
1,1827
|
32,6235
|
-0,0989
|
0,8055
|
1,2243
|
-0,4928
|
0,1338
|
2,88472
|
3,093
|
4,0929
|
0,0000149
|
117609
|
834677
|
|
27
|
-72,2104
|
1,1801
|
29,3956
|
-0,1018
|
0,7241
|
1,2243
|
-0,7158
|
-0,2082
|
2,88472
|
3,093
|
4,0929
|
0,0000149
|
117609
|
834677
|
|
28
|
-90,80829
|
1,1779
|
26,2647
|
-0,0853
|
0,6478
|
1,2243
|
-0,9002
|
-0,4957
|
2,88472
|
3,093
|
4,0929
|
0,0000149
|
117609
|
834677
|
|
29
|
-124,4029
|
1,1741
|
15,6292
|
-0,0675
|
0,3829
|
1,2243
|
-1,2332
|
-1,0904
|
2,88472
|
3,093
|
4,0929
|
0,0000149
|
117609
|
834677
|
|
30
|
-133,0008
|
1,1731
|
8,2408
|
-0,0548
|
0,1975
|
1,2243
|
-1,3185
|
-1,2788
|
2,88472
|
3,093
|
4,0929
|
0,0000149
|
117609
|
834677
|
|
N п/п
|
r/rm
|
r,мм
|
ŵx
|
ŵφ
|
Рс
|
Рп
|
r/rm
|
W
|
Pc
|
|
|
|
|
|
|
|
0
|
0,0000
|
-0,8342
|
|
2,384
|
155
|
0,000
|
0,000
|
|
|
0,1
|
0,2038
|
-0,7900
|
|
1
|
2,384
|
155
|
0,023
|
0,323
|
3,000
|
3,103
|
0,2
|
0,3736
|
-0,6769
|
|
2
|
2,353
|
153
|
0,064
|
0,606
|
2,956
|
3,321
|
0,3
|
0,5173
|
-0,5166
|
|
3
|
2,3076
|
150
|
0,015
|
0,833
|
2,906
|
3,589
|
0,4
|
0,6405
|
-0,3240
|
|
4
|
2,215
|
144
|
0,000
|
0,976
|
2,871
|
3,807
|
0,5
|
0,7473
|
-0,1092
|
|
5
|
2,1538
|
140
|
-0,017
|
0,996
|
2,861
|
3,836
|
0,6
|
0,8407
|
0,1207
|
|
6
|
2,076
|
135
|
-0,054
|
1,027
|
2,787
|
3,826
|
0,7
|
0,9231
|
0,3605
|
|
7
|
2
|
130
|
-0,036
|
1,036
|
2,712
|
3,767
|
0,8
|
0,9963
|
0,6065
|
|
8
|
1,923
|
125
|
-0,018
|
1,037
|
2,613
|
3,668
|
0,9
|
1,0619
|
0,8561
|
|
9
|
1,8
|
117
|
-0,023
|
0,890
|
2,534
|
3,311
|
1
|
1,1209
|
1,1071
|
|
10
|
1,753
|
114
|
-0,008
|
0,872
|
2,516
|
3,261
|
1,1
|
1,0675
|
1,3354
|
|
11
|
1,676
|
109
|
-0,054
|
0,876
|
2,448
|
3,202
|
1,2
|
1,0190
|
1,5248
|
|
12
|
1,615
|
105
|
-0,023
|
0,891
|
2,405
|
3,182
|
1,3
|
0,9747
|
1,6839
|
|
13
|
1,538
|
100
|
-0,024
|
0,914
|
2,335
|
3,152
|
1,4
|
0,9341
|
1,8189
|
|
14
|
1,461
|
95
|
-0,050
|
2,254
|
3,142
|
1,5
|
0,8967
|
1,9345
|
|
15
|
1,384
|
90
|
-0,035
|
1,003
|
2,119
|
3,103
|
1,6
|
0,8622
|
2,0343
|
|
16
|
1,307
|
85
|
0,009
|
1,052
|
2,014
|
3,093
|
|
|
|
|
17
|
1,153
|
75
|
0,020
|
1,142
|
1,735
|
3,004
|
|
|
|
|
18
|
1,076
|
70
|
0,021
|
1,175
|
1,574
|
2,914
|
|
|
|
|
19
|
1
|
65
|
0,031
|
1,183
|
1,370
|
2,726
|
|
|
|
|
20
|
0,923
|
60
|
0,010
|
1,163
|
1,160
|
2,468
|
|
|
|
|
21
|
0,846
|
55
|
0,039
|
1,128
|
0,922
|
2,151
|
|
|
|
|
22
|
0,769
|
50
|
-0,019
|
1,082
|
0,688
|
1,814
|
|
|
|
|
23
|
0,692
|
45
|
-0,054
|
1,039
|
0,438
|
1,477
|
|
|
|
|
24
|
0,615
|
40
|
-0,035
|
1,000
|
0,190
|
1,150
|
|
|
|
|
25
|
0,538
|
35
|
-0,050
|
0,950
|
-0,052
|
0,813
|
|
|
|
|
26
|
0,384
|
25
|
-0,099
|
0,805
|
-0,493
|
0,134
|
|
|
|
|
27
|
0,307
|
20
|
-0,102
|
0,724
|
-0,716
|
-0,208
|
|
|
|
|
28
|
0,2307
|
15
|
-0,085
|
0,648
|
-0,900
|
-0,496
|
|
|
|
|
29
|
0,0769
|
5
|
-0,068
|
0,383
|
-1,233
|
-1,090
|
|
|
|
|
30
|
0
|
0
|
-0,055
|
0,198
|
-1,318
|
-1,279
|
|
|
|
|
|
|
|
|
|
|
|
|
|
|
Укажите значение r, при
котором ŵφ максимальна
|
65
|
График 1- Распределение безразмерных тангенсальных и
осевых скорости по радиусу циклонной камеры - ŵx=f(r); ŵφ=f(r)
График 2 - Распределение избыточного статистического и
полного давления по радиусу циклонной камеры - Pc=f(r) Pn=f(r)
График 3 - Расчетное распределение безразмерной
тангенсальной скорости и её сопоставление с опытными данными - ŵφ=f(ɳ) и wφ=f(ɳ)
График 4 - Расчетное распределение статистического
давления и его сопоставление с опытными данными - Pc = f(ɳ) и Ṕc
= f(ɳ)