Характеристика ОАО 'Сызранская швейная фабрика'

  • Вид работы:
    Отчет по практике
  • Предмет:
    Другое
  • Язык:
    Русский
    ,
    Формат файла:
    MS Word
    1,87 Мб
  • Опубликовано:
    2015-12-10
Вы можете узнать стоимость помощи в написании студенческой работы.
Помощь в написании работы, которую точно примут!

Характеристика ОАО 'Сызранская швейная фабрика'

1. Краткое описании предприятия

Кашпирская швейная фабрика на основании приказа МЛП РСФСР № 323 от 04.09.1970 года присоединена с 01.09.1970 года к Сызранской швейной фабрике № 14 «Памяти Ленина». На основании приказа Министерства Легкой промышленности № 57 от 02.02.1972 года, Сызранская швейная фабрика № 14 «Памяти Ленина» переименована в Сызранскую швейную фабрику « Памяти Ленина». Швейная фабрика «Памяти Ленина» реорганизована в Акционерное общество открытого типа « Сызранская швейная фабрика», на основании приказа № 64 от 27.04.1995 года. На основании приказа № 174 от 31.10.1996года, Акционерное общество открытого типа «Сызранская швейная фабрика», переименована в Открытое Акционерное общество «Сызранская швейная фабрика».

ОАО «Сызранская швейная фабрика» (СШФ) является правопреемником одноименного АООТ, а также арендного предприятия «Сызранская швейная фабрика памяти Ленина». В середине 90-х гг. прошлого века СШФ имела партнеров за океаном. Поставляла одежду на американский рынок. Сейчас СШФ работает только на внутреннем рынке. Основным заказчиком является МВД России. В материалах компании в качестве негативных факторов называются переменчивые решения МВД России. Политика СШФ в области управления рисками зависит от проведения тендеров в МВД.

Должностные лица предприятия:

·        Генеральный директор.

·        Зам. директора по кадрам: начальник отдела кадров, отдел кадров.

·        Зам. директора по экономике: планово-экономическая служба.

·        Зам. директора по общим вопросам: АХО ( административно -хозяйственный отдел ), непромышленная группа ( вахта , охрана).

·        Главный бухгалтер: бухгалтерия расчетный отдел.

·        Главный инженер : обеспечении и сбыта.

·        Начальник МЭС ( механико-энергетическая служба)

·        Главный механик: ОТК ( отдел технического контроля ) ОМТО и Сб. (отдел материально-технического ПДО (производственно - диспетчерский отдел ).

·        Главный технолог.

·        Зам. главного инженера по качеству.

Сызранская швейная фабрика, ОАО находится по адресу Советская улица, 31 в Сызрани.

.1 Структура предприятия

Основным структурным подразделением предприятия и производственной единицы является цех. Цех - это организационно-обособленное подразделение предприятии, состоящее из ряда производственных участников и обслуживающих звеньев. Цех выполняет определенные ограниченные производственные функции, обусловленные характером кооперации труда внутри предприятия. В цехах предприятия изготавливается продукция или выполняется определенная стадия производства, в результате которой создаются полуфабрикаты, используемые на данном предприятии.

На большинстве промышленных предприятий цех является их основной структурной единицей.

В зависимости от перерабатываемого сырья, характера производственных процессов различают основные, вспомогательные и побочные цехи. К цехам основного производства относятся цехи, в которых выполняются основные процессы производства, или их часть, то есть, они непосредственно связаны с изготовлением основной продукции предприятии

Каждый цех основного производства может включать один или несколько полностью законченных процессов изготовления продукции или объединять частичные процессы и операции, составляющие одну или ряд стадий производства продукта.

Обслуживающие хозяйства предприятия продукции не производят, а выполняют работы по предоставлению услуг основным и вспомогательным цехам. К обслуживающим хозяйствам производственного назначения относятся: складское хозяйство, транспортное хозяйство.

Производственная структура предприятия изменяется на протяжении длительного времени, она динамична, так как, на предприятиях происходят процессы: развития техники и технологии, углубления общественного разделения труда, повышения уровня организации производства, развития специализации и кооперирования, соединения науки и производства.

Производственная структура на ОАО «Сызранская швейная фабрика»:

. Подготовительно - раскройное производство: цех № 1;

. Швейный цех: № 2;

. Швейный цех: №3;

. Склад комплектации готовой продукции.

Выпускаемая продукция: военное, милицейское вещевое имущество, куртки. А также одежда водонепроницаемая и ветрозащитная, куртки непромокаемые и ветрозащитные, профессиональная и форменная одежда, одежда форменная военная, обмундирование и снаряжение военные текстильные.

Производственная структура на ОАО «Сызранская швейная фабрика»




































                                            

2. Промышленное оборудование: гладильный пресс

гладильный пресс швея неисправность

Настоящее руководство по эксплуатации выпущено для специалистов швейной промышленности с целью ознакомления их с конструкцией, эксплуатацией гладильного пресса и с уходом за машиной.

Перед пуском пресса в эксплуатацию следует внимательно ознакомиться с руководством по эксплуатации и строго соблюдать все указания в интересах надежной работы и экономичного использования пресса.

Для расширения области применения гладильного пресса и для выполнения различных операций на прессе должны применяться соответствующие подушки различного вида и размера, которые могут быть заказаны и вставлены в пресс. Подушки взаимно-заменимые.

С целью развития производства гладильных прессов просим потребителей сообщить нам замечания касательно эксплуатации пресса, предложения в связи о его усовершенствованием, чтобы с их учетом мы имели возможность расширить область применения пресса, улучшить качество его работы и этим послужить интересам потребителей.

.1 Техническое описание электромеханического пресса типа Ч 311. Назначение и область применения

Рис. 2.2 Электромеханический гладильный пресс-автомат типа Ч 311

Электромеханический гладильный пресс-автомат типа Ч 311( рис.2.2.) по технологической характеристике завода-изготовителя пригодна для выполнения всех операций влажно-тепловой обработки изделий при производстве верхней одежды и белья, в соответствии с требованиями современной технологии швейной промышленности. Для выполнения различных операций на прессе применяются соответствующие подушки.

Кроме красивого внешнего оформления пресс во всех отношениях соответствует требованиям по повышению производительности в современной швейной промышленности.

Конструкционные элементы пресса с помощью укрепляющих ребер встроены в фасонно-стальную станину. По бокам пресса имеются большие, снимаемые двери, обеспечивающие хороший доступ к конструкционным узлам машины и удобство ремонта механизмов.

2.2 Описание конструкции пресса

Рис.2.3 Схема конструкции пресса

На главных державках, выступающих из станины, расположен рычаг качания с подшипниками, который держит верхнюю подушку. Верхняя подушка - из-за самоцентрирования скрепляется с рычагом качания шарнирным соединением, а нижняя подушка прикрепляется винтами к станине. Как верхняя, так и нижняя подушки легко снимаются и заменяются,

На верхней части станины крепится плита-стол большого размера с декоритным покрытием, служащей для поддержки свисающего с подушки швейного изделия.

Удобный вид на приборы обеспечивается встроенной в плиту-стол плексиновой пластиной. Перемещение рычага качания червячной передачи производится с помощью шарнирного механизма.

Привод осуществляется асинхронным, водозащищенным двигателем типа vz 2II/4 числом оборотов 1400/мин. (1), расположенным на раздвижной платформе.

Предохранитель от повреждений (5), надетый на шейку оси приводного двигателя, в случае возможных помех в эксплоатации предотвращает от деформаций в системе рычагов.

Червячный приводной механизм (2) над двигателем получает свой привод через клиноремень с замедленным передаточным отношением в 2:1. Замедленное передаточное отношение червячного приводного механизма: 40:1, Вал червячного колеса установлен на конические роликоподшипники. Со стороны ременного шкива приводного механизма находится тормозное устройство (6), позволяющее остановку верхней подушки до закрытия» если рабочий отпустит палец с одной из пусковых кнопок.

К обоим концам червячного колеса прицепляются два коленчатых рычага (13), которые - согласно управлению двигателя передним и задним ходом - совершают угловой поворот около 100° над средней линией корпуса подшипника. Время углового поворота составляет прибл. 1.5 сек. Оба коленчатых рычага соединяются с нижним шарнирным рычагом (4) через поршневой шток (3). Длину поршневого штока можно отрегулировать с помощью винта левой-правой резьбы.

Точка вращения нижнего шарнирного рычага помещается на нижней части станины. Верхний палец нижнего шарнирного рычага примыкается к соединительному рычагу (10), верхняя шарнирная точка которого прикрепляется к двуплечевому рычагу (11). Двуплечий рычаг примыкает к наконечнику рычага-качания (9). Противоположная часть двуплечевого рычага идет к регулятору давления (14), Задача регулятора заключается в том, чтобы можно было отрегулировать давление прессования соответственно технологии; далее, в том, чтобы конструкция пресса приспособлялась к расхождениям» наступившим вследствие различной толщины обрабатываемых материалов. Установление регулятора давления производится поворачиванием ручного колеса (12).

На передней части рычага-качания закреплено верхнее шариковое гнездо для шариков (7). Нижнее шариковое гнездо закреплено на верхней поверхности подушки.

На верхней подушке находятся винты для фиксирования подушки, которые с помощью промежуточной пружины (8) прикрепляются к рычагу качания» Этот способ закрепления позволяет устанавливать верхнюю подушку соответствующим образом и легко заменять ее.

.3 Пароснабжение и отсасывающее устройство

Рис. 2.4 Схема пароснабжения пресса

Пар из внешней паропроводной сети через клапан (1) входит в резервуар для пара (2). Из резервуара пар поступает в верхнюю подушку через электромагнитный клапан (3), который подает пар соответственно действию реле времени, встроенного в верхнюю подушку. Выходя из электромагнитного клапана, пар черев гортанную трубу (4) поступает в верхнюю подушку. Отпаривание производится через паровые отверстия, расположенные на рабочей плоскости верхней подушки.

Нижняя подушка отапливается резервуаром через изолированную медную трубу (5). Осажденная вода стекает в резервуар (2) обратно через возвратный провод (6).

Накопленная в резервуаре осажденная вода вытекает через фильтр (8), конденсатный клапан (9) и возвратный клапан (10). Наружное конденсатное соединение производится с помощью наконечника трубы (11). Отдельный клапан служит для обхода конденсного и обратного клапанов для отвода осажденной воды в случае помех при эксплуатации.

Отсасывание пара, образующегося вследствие отпаривания, а также просушивание изделия производится вентилятором (13). Отсасывание производится через нижнюю подушку. Осаждающаяся при отсасывании вода накапливается в водоприемнике (14) и через фильтр с помощью насоса (15) направляется в конденсатоотводную трубу (11). Насос приводится в действие посредством наклонной плоскости (16), расположенной на рычаге качания.

2.4 Электрическое оборудование пресса

Рис.2.5.1.-2.5.2. Схема электрического оборудования пресса

Гладильный пресс рассчитан на напряжение 380/220 вольт трехфазного тока, частотой 50 Гц.

Приводной электродвигатель (МН), двигатель отсоса (ME) и двигатель нагревателя подушки (FR) работают от электросети 3x380 в. или 3x220 в. через магнитные выключатели. Контрольные цепи с интерполяцией сетевого трансформатора работают при напряжении 24 вольт. Рабочее напряжение реле времени, управляющих действием головки пресса, операциями пропаривания и отсасывания - 20 вольт постоянного тока.

Приводной электродвигатель (МН), двигатель отсасывающего вентилятора (ME) и сетевой трансформатор (ТМ) могут быть переключены как на напряжение 5x380 вольт,, так и на 3x220 вольт. Нагревание подушки нельзя переключать, в виду того, что нагревательные трубы но желанию заказчика - рассчитаны или на 380 в, или на 220 в напряжения - следовательно, переключение пресса на другое напряжение возможно только при замене нагревательных элементов.

На передней части пресса расположена электрическая коммутационная доска (1. рис.2.5.2.), которая закрывается дверцей. Арматура, смонтированная на коммутационной доске, обеспечивает автоматическое управление прессом. На доске расположены четыре реле времени (ri i, ri 2, ri 3, ri 4), о помощью которых можно отрегулировать продолжительность каждого этапа гладильных операций в соответствии с требующимися режимами влажно-тепловой обработки данного вида ткани. Включение и выключение каждого из этапов производится автоматически через предварительно установленные промежутки времени. Каждое реле времени может устанавливаться независимо друг от друга на время любой продолжительности.

На операционном щите (2. рис. 2.5.2.), закрепленном на верхней части станины пресса, находится главный включатель (F), сигнальные лампы и телетермометр (нр), который измеряет температуру подушки и при его помощи автоматически включается и выключается электрический нагрев подушки. Степень нагретости может изменяться от 80 до 250°С и контролируется терморегулятором.

Далее, на операционном щите расположен ручной переключатель (КА) вентилятора. С его помощью автоматическое управление вентилятором можно переключить на ручное управление. При нажиме на отпускную кнопку (NK) верхняя подушка - в любом этапе работы - поднимается. Этим возможно предотвратить несчастные случаи и поправлять изделие на подушке.

2.5 Гладильные подушки

По желанию заказчика к прессу поставляются различные подушки. Они изготовляются для выполнения различных операций на прессе.

Нагрев рабочей поверхности верхней подушки производится электронагревательным элементом. Поддержание желаемой температуры обеспечивается телетермометром, автоматически регулирующим степень нагретости. Пропускание пара необходимого для пропаривания изделия, производится через верхнюю подушку. Продолжительность пропаривания может быть установлена в пределах 0-40 сек, в соответствии с технологией влажно-тепловой обработки данного вида ткани.

Нагрев нижней подушки производится за счет контактирования с верхней подушкой и за счет отдачи тепла проходящим паром.

Рабочая поверхность верхней подушки покрыта металлической сеткой, этим обеспечивается равномерное пропаривание и предотвращается появление "лас" на ткани. Нижняя подушка покрыта полотном с войлочным слоем в 10 мм.

Другие технические данные подушек приведены в каталоге приложенном к настоящему руководству по эксплуатации.

2.6 Техническая характеристика пресса

Габаритные размеры пресса - без подушки:

Высота - 1450 мм;

Ширина - 1200 мм;

Длина - 1265 мм.

Габариты стола пресса: 770 х 1200 х 1220 мм.

Вес пресса без подушки - 450 кг.

Вес пресса с подушкой -

в зависимости от вида подушки - 500 - 600 кг.

Характерные данные:

Максимальное давление прессования - 2000 кг.

Температура подушки - 80 - 250˚С.

Время прессования - 0 - 40 сек.

Время пропаривания - 0 - 40 сек.

Время отсасывания - 0 - 40 сек.

Данные электрооборудования

Напряжение сети питания - 3х380/220 Вольт.

Частота - 50 Гц.

Общая мощность

без подушки - 1,5 кВт.

Тип приводного

двигателя (на схеме: МН) VZ 211/4

трехфазный двигатель

с коротко-замкнутым

ротором.

Напряжение - 3x380/220 Вольт.

Число оборотов - 1400 об/мин.

Мощность - 0.75 кВт.

Тип двигателя отсасывания (ME)

Напряжение - 3x380/220 Вольт

Число оборотов - 2800 об/мин

Мощность - 0.36 кВт

тип двигателя отсасывающего

вентилятора FZ 230

Производительность - 400 м3/час

Электрический нагрев в верхней

подушке на схеме:

Напряжение

двигателя - 220 или 380 В

Мощность - в зависимости от вида подушки - 2 - 6 кВт

Род тока в коммутационной доске - 24 Вольт - переменный

Рабочее пародавление - 4 атм.

Расход пара - в зависимости от вида подушки - 5 - 12 кг/час

2.7 Инструкция по эксплуатации гладильного прессе. Распаковка пресса

Приступая к распаковке, нужно удалить с крышки ящика бортовые (кантовочные) планки и снять защитную крышку, потом разобрать боковые листы ящика. На задней части закреплена плита-стол, состоящая из четырех частей. Вслед за этим следует вскрыть ящик принадлежностей и разобрать его с подставочной плиты. Сняв пластмассовую покрышку, надо снять с пресса упаковочный материал. После разбора двух боковых дверей пресса появляется хороший доступ к крепежным болтам, укрепляющим дно. Развинтив крепежные болты, пресс легко снимается со дна ящика.

После распаковки пресса нужно установить его на рабочее место, укрепив плиту-стол 3-3 винтами следует положить прозрачную прокладочную плиту и закрывающую прокладку в соответствующее углубление плиты-стола.

Строго запрещается браться за плиту-стол при перемещении или при поднятии пресса, в виду того, что она недостаточно крепка и может повредиться. Перемещение пресса может производиться только g помощью двух U-образных железок, размещенных под прессом.

2.8 Пуск и эксплуатация пресса

При установке пресса на рабочее место заложение фундамента не требуется. Надо следить за тем, чтобы грунт имел горизонтальное расположение и его грузоподъемность соответствовала на весу пресса. Для уменьшения вызываемых шумов на рабочем месте пресса целесообразно положить войлочные прокладки под U-образное железо.

С намасленных, обработанных поверхностей пресса нужно удалить масло керосиновой тряпкой, вслед за этим сухой тканью тщательно протереть машину и обработанные поверхности внутренней части машины тонко смазать маслом, свободным от кислоты.

Червячный приводной механизм нужно залить маслом до винта уровня, потом произвести смазку на смазочных местах маслом» соответствующим предписанию.

Пресс включается в электросеть через предохранитель в 20 ампер бысрого размыкания, установленный на рабочем месте пресса. Контактный провод, встроенный в машину, представляет собой резиновый кабель в 4 мм (4. рис. 4).

Три ветви питающего провода нужно подключить в сеть через предохранитель, а четвертую ветвь, представляющую собой заземление и обеспечивающую защиту от прикосновения» соединить с сетью для заземления согласно предписанию стандарта и требованиям по технике безопасности.

После включения проводов в электросеть нужно проверить правильную последовательность фаз. В этом можно убедиться по соответствующей работе вентилятора отсоса. Машина правильно подключена, если вентилятор отсасывает от нижней подушки.

2.9 Порядок проведения испытаний

Включить главный включатель (f ), повернуть ручной переключатель (КА) отсоса в положение "отсос вручную".

При этом вентилятор приводится в действие. Положив руку на нижнюю подушку, чувствуется вентиляционный отсос, в противном случае нужно произвести перемену фаз. Убедившись в исправности работы, надо повернуть переключатель (КА) отсоса в положение "механический отсос".

Вслед за этим нужно соединить пресс с паровой сетью через контакт (5. рис. 4). В интересах правильной работы пародавление должно быть 4 атм. Надо следить, чтобы в сети имелся сухой пар, в противном случае через подушки проникает вода. В случае необходимости нужно включить в сеть конденсатоотводную трубу. Осажденную воду отводят через конденсатный клапан (6. рис.2.5.1.) Надо следить, чтобы конденсатная сеть была в безукоризненном состоянии.

При установке или замене подушки вначале нужно укрепить на прессе нижнюю подушку. Следует обратить внимание на соответствующее уплотнение паропровода. Верхнюю подушку надо установить относительно нижней подушки с помощью дополнительной наладки гнезда шариков, расположенного на рычаге качания. При установке верхней подушки нужно присоединить телетермометр к подушке, потом произвести подключение паровой и электрической арматуры. Нужно следить, чтобы провода заземления были правильно подведены.

Нужно проверить правильную установку подушки. Коленчатый рычаг (2. рис.2.5.1.) на червячном механизме (1. рис.2.5.1.) при открытии подушки совершает поворот прибл. в 100°. Регулировка производится с помощью ведущего шатуна (3. рис.2.5.1.) левой-правой резьбы и винтов (3. рис.2.5.1.) для привода в действие конечного выключателя (vhp, vhl). В случае установок следует убедиться в том, чтобы три конечных включателя были точно и правильно отрегулированы. Таким образом, можно избежать вторичное закрытие подушки. При установке движения подушки нужно следить за тем, чтобы конечные выключатели были правильно установлены и имели достаточно нерабочий ход. Этим предотвращается поломка включателей при вращении приводного механизма ручным поворотным рычагом.

При влажно-тепловой обработке изделий различной толщины подушка останавливается всегда в другом положении, этим изменяется сила давления.

Желанная сила давления обеспечивается установкой ручного колеса (9. рис. 2.5.1.). Телетермометр (не) нужно установить согласно обрабатываемому изделию, между нижним и верхним термическими пределами.

Палкообразный теплочувствительный механизм телетермометра ощущает температуру вблизи нагревательных труб, и через включение и выключение нагрева регулируется температура подушки. Термочувствительная палка помещена под нагревательными трубами, сравнительно далеко от нижней поверхности подушки. Вследствие этого температура рабочей поверхности подушки на 40-50° С ниже температуры, чем в окружности палкообразного теплочувствительного механизма телетермометра.

Эту разницу температур можно избежать с помощью установки стрелки телетермометра посредством измерения температуры теплочувствительным механизмом на рабочей поверхности подушки, и согласно температуре, полученной таким образом, нужно установить стрелку.

Телетермометр регулируется согласно подушке заводом-изготовителем. При замене подушки такую регулировку нужно производить с помощью ключа измерительного прибора.

После регулировки температуры подушки следует отрегулировать реле времени согласно влажно-тепловой технологии. Реле времени могут устанавливаться независимо друг от друга на время любой продолжительности, бесступенчато, между интервалами 0-40 сек.

Качественная влажно-тепловая обработка изделий на прессе достигается за счет определенной последовательности этапов прессования (посредством реле времени RI ), пропаривания /посредством реле времени (ri 2 ), начала отсоса влаги (посредством реле времени ri 3 ),продолжительности отсоса (посредством реле времени ri 4 ) .

Привод в действие пресса производится главным включателем (F) на доске приборов, в то же время зажигается сигнальная лампочка (LU) с надписью "Включено". Все дальнейшие манипуляции на прессе ограничиваются до одновременного нажима на обе кнопки управления двумя руками, расположенные на платформе пресса. Этим вполне обеспечивается надежная эксплоатация пресса без несчастных случаев.

Одновременно со включением главного включателя магнитный выключатель (KF) срабатывает и включает нагрев подушки. Магнитный выключатель продолжается срабатывать до того времени, как стрелка телетермометра (HF) не достигает установленного верхнего предела температуры - т.е. максимального контакта. В этот момент вспомогательное реле (RsF ) срабатывает и разогревает контакт включателя (КF).

Если из-за падающей температуры подушки стрелка телетермометра показывает установленный температурный предел, то телетермометр - с помощью магнитного выключателя опять начинает отопление подушки. Процесс нагрева обозначается зажиганием сигнальной лампы (lf) с надписью "Отопление" на доске приборов.

Важно! закрыть пресс одновременным нажатием на обе кнопки управления!

При нажатии на пусковые кнопки магнитный выключатель (kHL) через конечные выключатели (VHL), расположенные на правом кронштейне, получает напряжение и включает двигатель привода (МН). Магнитный выключатель срабатывает, пока гладильная головка занимает свое нижнее положение прессования и через конечный выключатель обрывает контакт магнитного выключателя. В момент срабатывания магнитного выключателя через вспомогательный контактный палец пусковое реле (RsI) получает напряжение, приводящее в действие реле времени RI l, RI 2, RI 3 . Четвертое реле (RI 4) вступает в действие позже, включателем замедления (КК), по истечении времени, установленного реже RI 3.

По истечении промежутка времени, установленного на реле (R11) контактные точки 9. и 10. замыкаются, вследствие чего через конечный выключатель (VHL) магнитная обмотка контактора (KHF) включается, и двигатель с противоположным направлением поворота перемещает головку пресса в верхнее открытое положение.

Реле времени (Ri 2) приводит в действие паровой клапан (SzG), Магнитный выключатель (KHL ) через вспомогательный контакт соединен с точками 8. и 9. реле времени (RI2) последовательно. Паровой клапан работает только при замыкании контакта реле времени в точках 8. и 9. и при возвращении магнитного выключателя (KHL) в свое спокойное положение, т.е. при закрытии подушки.

С этого момента паровой клапан открывается и пропускает пар в головку пресса за время, установленное реле. Потом, по истечении установленного времени, клапан перестает работать и закрывает пар.

Реле времени (RI3) за установленное время подтягивая держит реле (TRI) в то время, как встроенный электролитный конденсатор наполняется. По истечении времени, установленного посредством-реле (RI 3), его контактные точки 8. и 9. размыкают и приводят реле (TRI) в нерабочее положение. Вслед за этим магнитная обмотка реле (tr 2) устанавливает металлический контакт через соответствующие контактные группы с конденсатором. Магнитная обмотка заставляет срабатывать реле (tr 2) до разряда конденсатора. В этот момент реле (tr 2) занимает свое положение покоя и пускает реле времени (Ri 4) в ход, снабжая напряжением магнитный выключатель (КЕ), При этом начинает работать отсасывающий вентилятор и работает до того времени, пока реле (RI 4) находится в положение замыкания. При замыкании реле прекращается отсос и двигатель (КЕ) останавливается.

К обслуживанию электрического оборудования пресса допускаются только специалисты-электрики, знающие устройство пресса и обращение с ним, ввиду наличия в прессе деталей высокого напряжения.

Для лучшего понятия и облегчения монтажа, а также ухода за электрическим оборудованием пресса, электросхема и конфигурационная схема коммутационной доски представлены на рис. 6. и 7.

Все работы, связанные с электрооборудованием пресса, должны выполняться квалифицированным монтером, знакомым с электрической схемой пресса.

До начала работы на прессе необходимо:

·        подождать, пока температура верхней подушки достигнет степени нагрева, предписанного технологией;

·        дать прессу поработать в холостую три-четыре раза, чтобы осажденная вода из паровой сети удалилась;

·        совершить пробное прессование на образце обрабатываемого изделия и на основании качества выполнения работы можно проверить установленные значения;

·        в случае необходимости нужно подрегулировать реле времени и давление подушки.

После проведения вышеуказанных операций все отдельные приемы осуществляются полностью автоматически. Рабочий, обслуживающий пресс, должен производить следующие операции:

. при открытом состоянии пресса уложить изделие на нижнюю подушку и подготовить его для прессования;

. закрыть пресс одновременным нажатием на обе кнопки управления;

3. снять обработанное изделие с подушки.

Если верхняя подушка из-за отсутствия тока не открывается, то ее можно открыть посредством ручного рычага привода.

Прежде чем пользоваться этим рычагом, следует включить главный включатель, в противном случае ручной привод отключает автомат.

Перед началом работ наладчик обязан осмотреть пресс, электропроводку и, только убедившись в их исправности, разрешить работу на прессе. До закачивания рабочей смены нужно отключить пресс от сети и завернуть паровой клапан.

2.10 Чистка и смазка пресса

Гладильный пресс в ходе его эксплуатации требует регулярной чистки и смазки, а также планово-предупредительного ремонта. Осажденную грязь нужно ежедневно удалять и внутреннюю арматуру очищать раз в неделю. Обработанные поверхности нужно протирать масляной тряпкой.

На надежность в эксплуатации пресса оказывает влияние и тщательная смазка, а также качество смазочных веществ.

Смазка должна производиться в следующем порядке:

Червячный механизм привода в каждые три месяца нужно доливать маслом для редуктора качества НХ-260, вязкостью от 30-38 на 100° С. Из червячного механизма нужно спустить отработанное масло, потом долить кожух червяка до отверстия перепускного клапана. По временам нужно проверять уровень масла и по надобности доливать маслом.

Kривошипный механизм нужно раз в неделю смазать масленкой. К смазке пользоваться машинной смазкой качества zs - 750 солидолом L.

Стержень парового клапана нужно смазать раз в неделю. На других движущихся местах смазать шарнирные узлы машинным маслом.

Двигатели и вентилятора должны смазываться в каждые три месяца.

Перед чисткой и смазкой следует освободить пресс от напряжения.

Места измерений на рис. 2.3. обозначены стрелкой.

Фильтр (8. рис. 2.4.) у конденсного клапана нужно очистить раз в неделю.

2.11 Требования безопасности

Монтаж электрооборудования гладильного пресса должен выполняться квалифицированным электромехаником.

При любой замеченной неисправности в работе пресса необходимо остановить пресс и сообщить об этом мастеру или механику.

До проведения монтажных, ремонтных и профилактических работ нужно выключить главный включатель и, вывинчиванием главного предохранителя, освободить пресс от напряжения.

Перед установкой реле времени пресс надо отключить от электросети и после регулировки опять закрыть дверцу.

Не разрешается касаться отопленной верхней подушки при эксплуатации пресса, это может привести к ожогам.

Надо следить, чтобы по окончании работы гладильная головка осталась в открытом состоянии, в случае перерыва тока или из-за других Помех в эксплуатации головка не открывается, то она с помощью пусковой рукоятки поднимается в верхнее положение. Это производится таким образом, что ось червячного механизма привода посредством пусковой рукоятки поворачивается через отверстие, расположенное на передней дверце, до занятия гладильной подушкой верхнего положения.

Очень важно, чтобы пресс перед пользованием пусковой рукоятки был освобожден от напряжения и главный включатель был приведен в позицию "0". После открытия пресса пусковую рукоятку нужно вынуть из пресса.

За дефекты и несчастные случаи, происходящие вследствие несоблюдения вышеуказанных требований, завод-изготовитель не отвечает.

2.12 Причины возможных неполадок и неисправностей при эксплуатации пресса

I. При нажатии на ручную пусковую кнопку двигатель не

запускается, или гладильная подушка не открывается, если

. предохранительная вставка расплавилась, или выпала;

. контакты нажимных кнопок имеют дефект;

. магнитный выключатель застрял;

. магнитный выключатель имеет междувитковое короткое замыкание;

. контакт конечного выключателя имеет дефект, или не отрегулирован;

. вспомогательный контакт магнитного выключателя не

замыкает;

. клиноремень упал или порвался;

. тормоз растянулся и клиноремень соскользнул.

II. Головка не открывается, если

1. вставка расплавилась или раскрепилась;

. контакт реле времени (НИ) имеет дефект;

. вспомогательный контакт магнитного выключателя не замыкает;

4. магнитный выключатель застрял;

. обмотка магнитного выключателя имеет между-

витковое замыкание;

. контакты конечного выключателя дефектные;

. конечный выключатель не отрегулирован и не точный, или не налажен;

III. Гладильная головка закрывается, но сразу поднимается, если

. контакты реле времени (R11) имеет дефект (реле не срабатывало);

. предохранитель селеного выпрямителя расплавился;

. конечный выключатель застрял или контакт имеет дефект;

У1. Вентилятор отсоса не заводится, если

. вставка расплавилась или раскрепилась;

. магнитный выключатель застрял;

. магнитный выключатель имеет междувитковое короткое

замыкание;

. контакт реле (Ri3) имеет дефект.

У. Вентилятор отсоса останавливается, если

. включатель (КК) не получает напряжения;

. реле включателя (КК) имеет дефект;

. реле времени (Ri4) стало дефектным;

. магнитный выключатель стал дефектным;

. ручной переключатель находится в положении "Ручной отсос".

У1. Обогрев подушки недостаточен, или подушка чрезмерно перенагревалась, если

1. вставка расплавилась, или раскрепилась;

. магнитный выключатель застрял, или имеет междувитковое замыкание;

3. нагревательный элемент перегорел, или ослабился;

. телетермометр имеет дефект;

./ контакты телетермометра разлажены или застревают,

УН. Неполадки, происходящие из-за падения напряжения:

. реле не срабатывают;

.нагрев гладильной головки неудовлетворителен;

3. магнитные выключатели paботают неуверенно.

3. Техника безопасности, охрана труда и окружающей среды

Организация работы по охране труда осуществляется в рамках требований «Основ законодательства РФ об охране труда», рекомендаций по организации работы службы охраны труда на предприятии и других нормативных документов.

На предприятии существует самоконтроль. Главная ответственность за обеспечение безопасности работы лежит на директоре предприятия.

Самоконтроль осуществляется всеми работающими на производственном участке путем установления ежедневных дежурств в течении рабочего дня. Дежурные обязаны следить за состоянием охраны труда, производственной дисциплины, за соблюдением правил и инструктажа по охране труда и принимать активные меры по устранению всех обнаруженных недостатков, выявленных в течение рабочего дня.

Обучение и проверка знаний по охране труда рабочих проводится в соответствии с ГОСТ 12.0.004-90. ССБТ «Организация обучения безопасности труда». Специалисты, вновь поступившие на работу должны пройти вводный инструктаж, который проводит главный инженер-конструктор. Затем каждый специалист проходит первичный инструктаж. Через каждые три месяца проводят повторный инструктаж. Также проводится внеплановый инструктаж при введении новых технологий и оборудования на предприятии. Проводится деловой инструктаж при выполнении разовых работ, не связанных с прямыми обязанностями работника по специальности (погрузка, выгрузка, уборка территории).

Ведущей функцией управления охраны труда является планирование организационно-технических мероприятий по охране труда.

3.1 Санитарно-гигиенические требования к организации рабочего места швеи

В результате протекания технических процессов на предприятии воздух загрязняется разнообразными парами, газами и пылью. Степень воздействия на организм определяется токсичностью, их концентрацией и временем воздействия.

Источниками загрязнения на швейных предприятиях являются: раскрой тканей, изготовление изделий.

В швейном цехе все пары, газы и пыли делятся в соответствии с ГОСТ 12.1.007-76 относятся к умеренно-опасным или малоопасным. ПДК приведены в ГОСТ 12.1.005-88 «Общие санитарно-гигиенические требования к воздуху рабочей зоны». На предприятии ПДК вредных веществ не должно превышать более 30 % для рабочей зоны.

Основными источниками шума и вибрации на швейном предприятии являются швейные машины. Уровни шума на рабочем месте не должны превышать значений, установленных для данных видов работ «Санитарными нормами допустимых уровней шума на рабочих местах» или ГОСТ 12.1.003-89 ССБТ «Шум. Общие требования безопасности» По временным характеристикам - шум постоянный. По природе шум механический, вызванный вибрацией швейных машин.

По СНиП II-12-77 «Защита от шума» в ГОСТе 12.1.029-80 (СТЭВ 1928-79) средства и методы защиты от шума подразделяются на методы коллективной и индивидуальной защиты. Уровень звука на предприятии не должен превышать 80 дБА. По ГОСТ 12.1.003-89. Устанавливают предельно допустимые уровни звуковых давлений в помещениях производства.

При недостаточной освещенности снижается активность работника, появляется вялость и повышается нагрузка на зрение, вызывающая переутомление.

На швейном предприятии установлено боковое одностороннее естественное освещение, осуществляемое через застекление в наружных стенах здания.

Искусственное освещение на рабочем месте: люминесцентные лампы; для местного освещения на рабочем столе светильники прямого света. Нормирование искусственного освещения производится по СНиП 23-05-95, которые задают минимальное значение освещенности на рабочем месте.

3.2 Обеспечение безопасности труда на рабочем месте швеи

Рабочее место - это место непосредственного выполнения технологической операции. Оно должно быть организованно таким образом, чтобы обеспечивался максимум комфорта и безопасности работы исполнителя. Рабочее место включает в себя стол с установленным на нем оборудованием, инструментов и приспособлений, стул, зону хранения полуфабриката до и после выполнения операции.

Для оптимальной рабочей позы сидя требуется: строго соблюдать соответствие высоты стола и стула антропометрическим данным работающего; обеспечить необходимое расстояние между рабочей поверхностью стола и сиденьем. Для уменьшения напряжения мышц нижних конечностей швей мотористок рекомендуется использовать подставку для ног. Передний край педали швейной машины должен находиться на высоте 220 мм от пола, угол наклона педали 20°. Расстояние между машинами равно 1 м, площадь на человека S=6м2. Для снятия мышечного напряжения рабочего при выпрямленном и слегка согнутом положении корпуса у стула должна быть спинка.

Перед началом работ швея должна застегнуть свою одежду, убрать волосы под головной убор, проверить надежность крепления, убедиться в исправности машины и пусковой педали, проверить наличие и исправность ограждений.

3.3 Организация противопожарной безопасности на предприятии

Изготовление и ремонт швейных изделий сопровождается волокнистой горючей пыли, поэтому эти помещения характеризуются как пожарные и относятся к категории В. Такие помещения предусматривают устройство наружного пожарного водопровода с расположение гидротов на расстоянии не более 150 м и не менее 5 м от стен здания, а также внутреннего пожарного водопровода с расположением пожарных кранов на высоте 1,35 м от уровня пола в заметных и в то же время доступных местах. Предусматриваются дренчерные или спринклярные установки. На складах могут применяться автоматические системы пенного или газового тушения. Из первичных средств пожаротушения применяются огнетушители углекислотные и пенные огнетушители типа ОХВП-10. Углекислотные огнетушители применяют для тушения электрических установок, находящихся под напряжением до 1000 В.

Смазочные вещества хранятся в специально отведенном месте в металлической таре. Отходы производства собираются не реже одного раза в смену в закрывающиеся ящики. При пожаре все оборудование, включая системы вентиляции, отключают.

Для эвакуации людей из зданий высотой более 10 м и более проектируют наружные стальные лестницы, расположение площадок зависит от высоты здания. Расстояние между лестницами по периметру здания - не более 200 м. Для указания места нахождения эвакуационного выхода применяются указательные знаки.

Количество эвакуационных выходов в здании швейного предприятия. Они расположены рассредоточено.

.4 Инструктаж по безопасности труда

. Инструктаж и обучение рабочих безопасным приемам и методам работы, а также проверка знаний производится в соответствии с ГОСТ 12.0.004.90 «Организация обучения безопасности труда. «Общие положения».

. Настоящий порядок не отменяет требования специальных «Правил, устанавливающих порядок, обучения и проверки знаний персонала, обслуживающего объекты, подконтрольные органам Госгортехнадзора, Госэнергонадзора. Госсанэпидемнадзора и МПС России.

. По характеру и времени проведения инструктажи подразделяют: вводный, первичный, повторный, внеплановый, целевой.

. Рабочие основных и вспомогательных цехов и служб ОАО «СНПЗ», в т.ч. и других предприятий различных форм собственности, созданных внутри и с участием завода, а также квалифицированные рабочие непроизводственных служб (подсобных цехов, объектов социальной сферы) проходят:

-        вводный инструктаж;

-        первичный инструктаж по рабочему месту;

         обучение (стажировку) по рабочему месту;

         первичную проверку знаний в объеме программ теоретического и практического обучения, действующих инструкций по рабочему месту с последующим допуском к самостоятельной работе;

         периодическую проверку знаний и повторный инструктаж в сроки, установленные настоящими Правилами;

         внеплановый инструктаж;

         целевой инструктаж.

4. Реализация силовой части

.1 Выбор преобразователя частоты

Применение преобразователей частоты с асинхронными электродвигателями является перспективным и экономически обоснованным способом замены, как регулируемого привода постоянного тока, так и нерегулируемого привода переменного тока. Основными особенностями применения преобразователей частоты с асинхронными электродвигателями обеспечивает возможность регулирования скорости в широком диапазоне, плавный разгон и торможение, защиту электродвигателя от всех типов перегрузок, контроль и отображение параметров, энергосбережение до 60%, увеличение срока службы механической и электрической частей оборудования. Для качественного регулирования скорости АД будем использовать способ частотного регулирования. Основной задачей автоматизации установок нефтепереработки является повышение качества получаемого продукта; удобство и простота управления отдельными узлами производственного процесса; повышение надежности оборудования и продление его срока действия; обеспечение защиты оборудования и контроль качества параметров участвующих в ходе переработки. Эти устройства также являются выгодными и с финансовой точки зрения.

Заданным технологическим и функциональным параметрам соответствует широкий диапазон преобразователей, из которых необходимо выбрать тот, который дает пользователю наибольшие преимущества и облегчает выбор оптимального по функциональности решения.

Преобразователи частоты:

В таблице 4.1 рассмотрены преобразователи частоты и их основные характеристики

Таблица 4.1 - Технические характеристики преобразователей частоты


HYUNDAI N100

VFD-V

MICROMASTER 420

Altivar 31

Встроенный ПИД-регулятор

+

+

-

+

Подключение к ПК

RS 485

RS 485

RS 485

RS 485

Векторное управление

+

+

+

+

Диапазон мощности, кВт

0,4-7,5

0,75-75

0,12-11

0,37-15

Встроенный контроллер

-

+

+

-

Точность, %

0,01

0,05

0,02

0,1

Стоимость, тыс.руб.

14 250

20 400

21 500

15 500


К данному технологическому процессу наиболее подходит преобразователь частоты: VFD-V Новая серия (имеет максимум функций и возможностей) в линейке преобразователей частоты, выпускаемых компанией.

Частотный и векторный алгоритмы управления в замкнутой и разомкнутой системе регулирования скорости и момента, в том числе, при работе с цифровыми датчиками скорости и цифровым управлением от master encoder .

Функция прямого управления моментом.

Встроенный ПИД-регулятор для эффективной работы привода в замкнутой системе автоматического регулирования.

Автоматическое энергосбережение при работе с насосами и вентиляторами (обеспечивается автоматическим снижением напряжения на двигателе при снижении нагрузки до заданного пользователем уровня и отключением двигателя при снижении нагрузки до величины близкой к холостому ходу).

Съемный пульт управления с пятиразрядным светодиодным дисплеем. Пульт позволяет сохранять и копировать уставки параметров с одного преобразователя на другие.

Возможность вывода и контроля на цифровом светодиодном дисплее до 50 текущих параметров привода (частота, ток, напряжение, момент, скорость, коэффициент мощности, температура IGBT- модуля, мощность, пороги защиты и т.п.);

Широкие возможности задания характеристики U/F при частотном способе управления (пять точек характеристики задаваемых пользователем).

Стабилизация напряжения на двигателе (функция AVR) при изменении напряжения питающей сети.

Мягкая ШИМ (до 15 кГц) с возможностью формирования зависимости несущей частоты от выходной частоты.

Автоматический подъем начального пускового момента и компенсация скольжения. Автоматический рестарт по заданным условиям. Синхронизация с вращающимся двигателем с определением направления вращения.

Возможность работы привода с переходом на одну из 15-ти предустановленных частот вращения, в том числе, в автоматически исполняемом цикле с заданным интервалом каждого шага в диапазоне от 0 до 65500сек (обеспечивается встроенным PLC - программируемым логическим контроллером).

Параметры управления позиционированием в абсолютных или относительных координатах (выход в ноль, перемещение в 8 различных положений, ограничение перемещений).

Независимое задание и выбор 4-х уставок времени разгона/замедления (от 0.1 до 3600сек).

Последовательный интерфейс RS-485 (протокол Modbus) со скоростью передачи до 115 200 бод.

Несколько вариантов автотестирования и определения параметров двигателя при векторном управлении. Возможность сохранять 2 набора параметров для двух двигателей.

Режим автоматического выбора наименьшего времени разгона и торможения.

Возможность работы с цифровым датчиком скорости - инкрементальным энкодером (с использованием платы расширения PG-04/05 (опция), легко устанавливаемой внутрь преобразователя) и цифровым задатчиком скорости.

Возможность построения многоосевой системы с точной синхронизацией скорости вращения.

8 дискретных входов (из них, 6 многофункциональных). Возможна NPN или PNP логика.

3 аналоговых входа (0…10В, 4…20мА, -10…+10В).

2 релейных и 2 транзисторных (с открытым коллектором) многофункциональных выхода.

1 аналоговый выход (0…10В) с сигналом пропорциональным выходному току, частоте, напряжению и другим текущим параметрам (всего 25).

1 импульсный выход для подключения внешнего частотомера, контролирующего выходную частоту.

Схема подключения частотного преобразователя рис. 4.1.

Основные характеристики преобразователя частоты VFD-V

питание: трехфазное 220 В и 380 В

диапазон выходной частоты: 0,1…400 Гц

мощность двигателя: 0,75…75 кВт

перегрузочная способность 150 % номинального тока

Защита от перегрузки по току/напряжению, пониженного напряжение, перегрева, ошибки замыкания на корпус, сбой мгновенной мощности, обнаружение короткого замыкания выхода.

Рис 4.1 Схема подключения к частотному преобразователю

Кабель ВВГ:

Медная жила, однопроволочная или многопроволочная, круглой или секторной формы, по ГОСТ 22483.

Изоляция выполнена из поливинилхлоридного пластиката (ПВХ).

Многожильный кабель имеет отличительную расцветку изолированных жил. Изоляция нулевых жил выполняется голубого цвета. Изоляция жил заземления выполняется двухцветной (зелено-желтой расцветки).

Применение:

Для передачи и распределения электроэнергии в различных установках на номинальное переменное напряжение 660 В и 1000 В частоты 50 Гц.

Используется для прокладки в сухих и влажных производственных помещениях, на специальных кабельных эстакадах, в блоках, а также для прокладки на открытом воздухе, не рекомендуются для прокладки в земле.

Кабели марки ВВГ не распространяют горение при одиночной прокладке.

Кабели марки ВВГнг не распространяют горение при прокладке в пучках.

Техническая характеристика кабеля ВВГ таблица 4.2

Таблица 4.2 - Технические характеристики

Кол-во жил, Сечения, кв.мм

D (B×H), мм

Номинальное Напр., В

Структура жилы

Удельный Вес, кг/м

4×4

7,5

380

мп

0,35


Стоимость одного метра кабеля 52 рубля.

Магнитные пускатели типа ПМЛ (ПМЛ-1561М).

Пускатели предназначены для применения в качестве комплектующих изделий в схемах управления электроприводами, главным образом для применения в стационарных установках для дистанционного пуска непосредственным подключением к сети, остановки и реверсирования трехфазных асинхронных электродвигателей с короткозамкнутым ротором при напряжениях до 660 В переменного тока частоты 50 и 60 Гц.

При наличии теплового реле пускатели осуществляют защиту управляемых электродвигателей от перегрузок недопустимой продолжительности и от токов, возникающих при обрыве одной из фаз.

При наличии ограничителей перенапряжений пускатели пригодны для работы в системах управления с применением микропроцессорной техники.

Для увеличения количества вспомогательных контактов пускатели допускают установку контактных приставок.

Магнитный пускатель ПМЛ-1561М показан на рис 4.2

Рис 4.2 Магнитный пускатель ПМЛ-1561

Номинальный ток контактов головной цепи: 3,4 А.

Номинальное напряжение по изоляции: 380 В, 50 Гц.

Контактная группа: 1 “р”.

Степень защиты: IP 20.

Реверс: есть.

Тепловое реле: нет.

Кнопки: нет.

Габаритные размеры: 78х103х78 мм.

Крепление: на DIN-рейку/винт.

Стоимость пускателя 600 рублей

Автоматический выключатели ВА 47-63 (ВА47-63)

Автоматические выключатели ВА 47-63 (ВА47-63) рис 4.3 предназначены для оперативного включения и выключения электрооборудования, обладающие защитой от токов коротких замыканий, длительных перегрузок , а также недопустимых снижениях напряжения.

Рис 4.3 Автоматический выключатель ВА 47-63

Автоматические выключатели ВА 47-63 (ВА47-63) работают на основе теплового и электромагнитного расцепителей. Расцепители автоматических выключателей представляют собой блок, встроенный в корпус выключателя и предназначенный для отключения выключателя под действием тока, величина которого превышает ток, на который настроен выключатель.

Действие теплового расцепителя основано на изменении формы биметаллической пластины путем изгиба при протекании по ней тока нагрузки выключателя, превышающего величину номинального тока. Пластина действует на механизм выключения прибора.

Преимущества выключателей ВА 47-63 (ВА47-63):

Наличие опломборовочных панелей для защиты от несанкционированного доступа к проводникам.

Эффективный зажим с допуском ширины дин-рейки, позволяющий без усилий установить автомат на любую дин-рейку с отклонениями по ширине.

Автоматической доводки рукоятки управления (эффект подпружинивания).

Имеет профильные углубления, что способствует естественной вентиляции для обеспечения охлаждения.

Конструкция усилена дополнительным соединением, что предотвращает расхождение корпуса при затягивании клеммного зажима.

Наличие индикаторного окошка состояния.

Эксклюзивный дизайн, аналогов которого нет на российском рынке.

Гарантийные обязательства составляют 5 лет.

Срок эксплуатации автоматического выключателя составляет более 20 лет.

Стоимость автоматического выключателя 700 рублей

Кнопочный пост (Рис 4.4)

Рис 4.4

Без фиксации.

Кол-во кнопок: 2

Кнопки с пружинным возвратом.

Материал корпуса: пластмасса.

Номинальный ток: 3,4 А.

Номинальное напряжение: 380 В.

Стоимость кнопочного поста 100 рублей

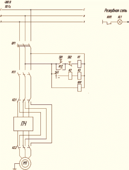
Электрическая схема установки показана на рис.4.5

Рис.4.5 Электрическая схема установки

4.2 Выбор оптимального датчика температуры

.2.1 Описание и характеристика предполагаемых датчиков температуры

Среди всего многообразия датчиков, которые можно подключать к АЦП для обработки с помощью виртуального измерительного комплекса, одним из самых полезных будет датчик температуры. Благодаря широкому рабочему диапазону он может применяться и для регистрации метеорологических процессов, и для анализа температурного режима аккумулятора при быстром заряде, и даже для проверки работы автоматики холодильных камер.

Основные критерии выбора термопреобразователей данной работы:

- Соответствие измеряемых температур рабочим диапазонам измерений датчиков температуры;

Соответствие прочности корпуса датчика условиям эксплуатации;

Правильный выбор длины погружаемой части датчика и длины соединительного кабеля;

Необходимость взрывозащищенного исполнения для работы на взрывопожароопасных участках

.3 Выбор и обоснование выбора оптимального датчика темпера- туры

Исходя из требований, предъявляемых к процессу, определяем устройства, составляющие систему управления регулирования температуры в печи реакторного блока установки термического крекинга. Сравнив несколько датчиков (таблицу 4.2) выбираем оптимальный для нашей системы датчик регулирования температуры.

Таблица 4.2 - Сравнение датчиков температуры


Оmnigrad TAF11

Датчик температуры ТСПУ 011

Датчик температуры ДТПЛ

 

диапазон измеряемых температур

-40 до 750 ºС

0 до 800 ºС

-40 до 850 ºС

 

выходной сигнал

4-20 мА

4-20 мА

4-20 мА

 

Поддержка сетей

HART® и Profibus-PA®

HART

HART

 

Межповерочный интервал

1,5 года

2 года

2,5 года

 

Средний срок службы

5 лет

5 лет

5 лет


Оптимальным в нашем случае будет датчик температуры ДТПЛ Челябинской фирмы «ОВЕН», т.к. его параметры и цена наиболее оптимальны и удовлетворяют выбранные условия данного проекта, выбранный датчик также удовлетворяет условия демонтажа.

Датчик температуры ДТПК, ДТПЛ Фирмы «Овен»

Термопреобразователи предназначены для непрерывного измерения температуры различных рабочих сред (пар, газ, вода, сыпучие материалы, химические реагенты и т.п.), не агрессивных к материалу корпуса датчика. М Модели датчиков с резьбовым креплением выпускаются в стандартном исполнении с метрической резьбой. Возможно также их изготовление с трубной резьбой по специальному заказу.

Термопара представляет собой два разнородных металлических проводника, одним концом соединенных между собой. Соединенные концы проводников называются «холодным» (соединительным) спаем, а свободные концы, подверженные изменению температуры - «рабочим» (измерительным) спаем.

Рис. 4.6 Датчик температуры ДТПЛ

Датчики температуры ДТПЛ предназначены для измерения температуры жидких и газообразных сред

Устройство для мониторинга температуры с высокой точностью

Высокая точность измерений

Выходной сигнал 4-20 мА;

Класс допуска 1;

Диапазон измерений от -40 до +850 °С;

Допустимые отклонения ±1,5 °С

Дистанционные управление и диагностика

Гальваническая развязка входа от выхода

Внесены в Госреестр средств измерений:

Простота оформления заказа

Два способа монтажа

.4 Выбор оптимального контроллера

.4.1 Характеристика предполагаемых контроллеров

Исходя из требований, предъявляемых к процессу, определяем устройства, составляющие систему управления температурой отбензинивающей колонны. Сравнив несколько преобразователей частоты (см. таблицу 4.6) выбрали соответствующий для нашей системы.

Таблица 4.6 - Сравнение контроллеров


Siemens SIMATIC

Центральный процессор с 6 встроенными дискретными входами и 4 дискретными выходами CPU 221 Siemens

Центральный процессор с 24 встроенными дискретными входами и 16 дискретными выходами Siemens

Объем встроенного ОЗУ

768 КБ

64 кб

64 кб

Количество входов

65536

104 входов/выходов

2048

Быстродействие

0,32 мкс

0,32 мкс

0.16 мкс


Оптимальным в нашем случае будет контроллер Siemens SIMATIC, т.к. его параметры и цена наиболее удовлетворяют выбранному процессу.

Контроллер Siemens SIMATIC S7-300, в соответствии с рисунком 4.10

Контроллер Siemens SIMATIC S7-300 - модульный программируемый контроллер для решения задач автоматизации низкого и среднего уровня сложности. Находит применение в машиностроении, автомобильной промышленности, в складском хозяйстве, в технологических установках, системах измерения и сбора данных, в текстильной промышленности, на химических производствах, в нефтеперерабатывающей промышленности.

Рис. 4.12 Контроллер Siemens SIMATIC S7-300

Контроллер Siemens SIMATIC S7-300 - модульный программируемый контроллер для решения задач автоматизации низкого и среднего уровня сложности. Находит применение в машиностроении, автомобильной промышленности, в складском хозяйстве, в технологических установках, системах измерения и сбора данных, в текстильной промышленности, на химических производствах, в нефтеперерабатывающей промышленности.

К характерной особенности программируемого контроллера SIMATIC S7-300 относятся удобная конструкция и работа с естественным охлаждением, свободное наращивание функциональных возможностей при модернизации системы управления. Обладает широким спектром модулей для максимальной адаптации к требованиям решаемой задачи.

Программируемый контроллер S7-300 включает в свой состав

- Модуль центрального процессора (CPU). В зависимости от степени сложности решаемых задач в программируемом контроллере могут использоваться различные типы центральных процессоров. При необходимости можно использовать мультипроцессорные конфигурации, включающие до 4 центральных процессоров;

-       Сигнальные модули (SM), предназначенные для ввода и вывода дискретных и аналоговых сигналов;

-       Коммуникационные процессоры (CP) для организации сетевого обмена данными через Industrial Ethernet, PROFIBUS или PtP интерфейс;

-       Функциональные модули (FM) интеллектуальные модули для решения задач скоростного счета, позиционирования, автоматического регулирования и других;

-       Интерфейсные модули (IM) для подключения стоек расширения к базовому блоку контроллера;

-       Блоки питания (PS) для питания контроллера от сети переменного или постоянного тока.

Конструкция контроллера отличается высокой гибкостью и удобством обслуживания. Все модули устанавливаются в монтажные стойки и фиксируются в рабочих положениях винтами. Объединение модулей в единую систему выполняется через внутреннюю шину монтажных стоек. К одному базовому блоку допускается подключать до 21 стойки расширения. Возможен произвольный порядок размещения модулей в монтажных стойках.

Для промышленных сетей ASInterface, PROFIBUS, Industrial Ethernet и интерфейса PtP автономную обработку коммуникационных задач выполняют коммуникационные процессоры.

Интеллектуальные модули ввода-вывода, оснащенные встроенным микропроцессором, способны выполнять задачи автоматического регулирования, позиционирования, скоростного счета, управления перемещением.

5. Экономика промышленности и организация производства

В представленной преддипломной практике разрабатывается автоматическая система управления регулировки температуры печи на гладильном прессе. Добавляя частотный преобразователь и более точное оборудование для снятия показаний, мы поддерживаем качество выходного продукта на оптимальном уровне, что выгодно для данного вида производства с точки зрения экономики.

5.1 Расчет капитальных затрат

Под капитальными затратами понимают затраты связанные с приобретением новых или на расширение существующих долгосрочных производственных активов, таких, как здания, оборудование, производственный транспорт и пр.

В нашем случае при модернизации объекта выбранного в проекте показатели капитальных затрат используются чтобы определить запланированные расходы на покупку нового оборудования.

В состав капитальных затрат входят:

·        стоимость нового оборудования и комплектующих систем;

·        стоимость строительно - монтажных работ по установке, монтажу и наладке электрооборудования, в том числе и заработная плата;

·        транспортные расходы по доставке оборудования;

·        стоимость занимаемой площади здания;

·        заготовительно - складские расходы.

Поэтому для определения суммы капиталовложений (К) необходимо рассчитать каждый из перечисленных элементов.

Для упрощения производственных расчетов примем следующие допущения:

·   стоимость занимаемой площади здания (ЗПЛ) составляет 15%;

·        затраты транспортные (ЗТР) составляют 6.5%;

·        заготовительно - складские расходы (ЗЗС) составляют 1.2%;

·        строительно - монтажные работы (ЗСМ) составляют 10%;

Все вышеперечисленные затраты считаются от стоимости основного оборудования.

Для определения стоимости нового и комплектующих (ЗОБ) составляем таблицу. Стоимость нового оборудования представлена в таблице 5.1.

Таблица 5.1 - Стоимость нового оборудования

Наименование оборудования

Единицы измерения

Количество

Стоимость, руб




Единицы

Всего

Частотный преобразователь VFD-V

шт

1

20400

24000

Контроллер фирмы Siemens SIMATIC C7-626DP

шт

1

37000

37000

Датчик температуры ДТПК(ХА) Фирмы «Овен»

шт

1

7650

7650

Магнитные пускатели типа ПМЛ (ПМЛ-1561М)

шт

1

600

600

Автоматический выключатели ВА 47-63 (ВА47-63)

шт

1

700

700

Кнопочный пост

шт

1

100

100

Двигатель VZ 211/4

шт

1

3318

3318

Кабель ВВГ 4×120

Метр

200

52

10400

Итого

83768


Суммарные капитальные затраты рассчитываем по формуле

К = Зоб + Зпл + Зтр + Ззс +Зсм.                                                   (5.1)

К = 83768,0 + 12565,2 + 5444,92 +1005,216 + 8376,8 = 111160,136 руб.

5.2 Расчет и сопоставление эксплутационных расходов

.2.1 Расчет амортизационных отчислений

Эксплуатационные расходы определяются технологической себестоимостью, состоящей из следующих статей

-  амортизационные отчисления Са;

-        затраты на ремонт электрооборудования Ср;

         прочие расходы.

Годовые амортизационные отчисления по оборудованию определяются по формуле

     (5.2)

где На - норма амортизационных отчислений, %;

К - балансовая стоимость объекта, руб.

Таблица 5.2 - Нормы амортизации для нового оборудования

Наименование оборудования

Срок службы

Общая стоимость

Расчет нормы амортизации

Норма, %

Контроллер фирмы Siemens SIMATIC C7-626DP

12

37000

100/12

8,33

Термопара ДТПК(ХА) Фирмы «Овен»

7

7650

100/7

14,3

Преобразователь частоты EI-P7002 Фирмы «Веспер»

11

35000

100/11

9,09

Датчик расхода «ГиперФлоу-3Пм»

9

5700

100/9

11,1

Кабель АВВГ 4×120

10

30000

100/10

10

Итого


115350





Таблица 5.3 - Годовые амортизационные отчисления для нового оборудования

Наименование и характеристика оборудования

Общая стоимость

Норма, %

Расчет Амортизации

Сумма амортизации, руб

1

2

3

4

5

Контроллер фирмы Siemens SIMATIC C7-626DP

37000

8,33

37000*0,08

2960

Термопара ДТПК(ХА) Фирмы «Овен»

7650

14,3

7650*0,14

1071

Преобразователь частоты EI-P7002 Фирмы «Веспер»

35000

9,09

35000*0,09

3150

Датчик расхода «ГиперФлоу-3Пм»

5700

11,1

5700*0,11

627

Кабель АВВГ 4×120

30000

10

30000*0,10

3000


115350



10808


Таблица 5.4 -Нормы амортизации для базового оборудования

Наименование и характеристика оборудования

Срок службы, лет

Общая стоимость

Расчет нормы амортизации

Норма, %

1

2

3

4

5

Двигатель

8

5000

100/8

12,5

Термопара

4

1000

100/4

25

Датчик давления

5

1700

100/5

20

Датчик количества жидкости и газа

5

1300

100/5

20

Компрессор

5

1500

100/5

20

Насос

8

17000

100/8

12,5


27500




Таблица 5.5 - Годовые амортизационные отчисления для базового оборудования

Наименование и характеристика оборудования

Общая стоимость

Норма, %

Расчет Амортизации

Сумма амортизации, руб

1

2

3

4

5

Двигатель

5000

12,5

5000*0,12

600

Термопара

1000

25

1000*0,25

250

Датчик давления

1700

20

1700*0,20

340

Датчик количества жидкости и газа

1300

20

1300*0,20

260

Компрессор

1500

20

1500*0,20

300

Насос

17000

12,5

17000*0,12

2040

Итого

27500



3790


К = 27500,0 + 4125,0 + 1787,0 +330 + 2750,0 = 36492,5 руб.

Экономия (перерасход) затрат на амортизацию от внедрения нового проекта рассчитывается по формуле

∆Са = Са0 - Са1.                                                                            (5.3)

Расчет экономии (перерасхода) затрат на амортизацию от внедрения нового проекта

∆Са = 3790-10808 = -7018 руб.

5.3 Затраты на текущий ремонт

Текущий ремонт электрооборудования производится на месте установки электрооборудования с его отключением и остановкой силами сменного ремонтного персонала, обслуживающего данный агрегат.

Затраты на текущий ремонт электрооборудования состоят из:

- основной и дополнительной заработной платы рабочих с начислениями Сзп;

-        стоимости материалов, полуфабрикатов и комплектующих изделий См;

         цеховых и общезаводских расходов Соб.

Для определения заработной платы рабочих определяем число и эффективный фонд времени одного рабочего. Число рабочих определяем трудоемкостью ремонтных работ.

Для определения трудоемкости ремонта электрооборудования составляем график планово-предупредительных ремонтов на основании положения о планово-предупредительных ремонтах, в котором указаны продолжительности ремонтных периодов, а также нормы трудоемкости каждого вида ремонта. График планово - предупредительных ремонтов базового варианта представлен в таблице 5.2, а график нового варианта в таблице 5.3.

Таблица 5.6 - График планово - предупредительных ремонтов базового варианта

Наименование оборудования

Дата последнего ремонта

Виды ремонта по месяцам

Трудоемкость, чел час


К

С

Т

1

2

3

4

5

6

7

8

9

10

11

12


Двигатель

4.2008

-

09.2009



Т



Т



Т




25

Термопара

-

09.2008

01.2009



Т



Т



С



Т

5

Датчик давления

-

12.2008

10.2009





Т





Т



8

Датчик количества жидкости и газа

-

05.2008

09.2009

Т




С




Т




7

Компрессор

-

07.2008

11.2009

Т






С




Т


15

Насос

03.2008

-

10.2009

Т





Т




Т



12

Компрессор

07.2006

08.2007

12.2009




Т




Т




Т

13

Кабельная сеть

-

05.2008

09.2009

Т




С




Т




50

Общая трудоемкость

135


Таблица 5.7 - График планово - предупредительных ремонтов нового варианта

Наименование оборудования

Дата последнего ремонта

Виды ремонта по месяцам

Трудоемкость, чел час


К

С

Т

1

2

3

4

5

6

7

8

9

10

11

12


Двигатель

4.2008

-

09.2009



Т



Т



Т



С

25

Контроллер фирмы Siemens SIMATIC C7-626DP

-

10.2009

10.2010





Т





С



6

Термопара ДТПК(ХА) Фирмы «Овен»

-


02.2010


Т







Т




2

Преобразователь частоты EI-P7002 Фирмы «Веспер»

-

-

09.2010

Т








Т




7

Датчик расхода «ГиперФлоу-3Пм»

-

-

03.2010



Т






Т




5

Кабельная сеть


-

07.2012







Т






50

Общая трудоемкость

95


-  Расчет заработной платы рабочих

Считаем, что рабочий задействован в обслуживании на многих объектах. Заработную плату определяем через трудоемкость ремонтов и тарифную часовую ставку рабочего

                                                                                (5.4)

где Тр - трудоемкость работ, чел час;

Тс - тарифная часовая ставка рабочего.

Суммарная заработная плата рабочих рассчитывается

                                (5.5)

Основная и дополнительная заработная плата рабочих с начислениями рассчитывается

                                                           (5.6)

Расчетная заработная плата рабочих базового варианта

Суммарная заработная плата рабочих базового варианта

Основная и дополнительная заработная плата рабочих с начислениями базового варианта

Расчетная заработная плата рабочих нового варианта

Суммарная заработная плата рабочих нового варианта

Основная и дополнительная заработная плата рабочих с начислениями нового варианта

-  Расчет стоимости материалов

Затраты на материалы и комплектующие изделия составляют

-  при капитальном ремонте - 50% тарифной заработной платы;

-        при среднем ремонте - 35% тарифной заработной платы;

         при текущем ремонте - 15% тарифной заработной платы.

Стоимость материалов, полуфабрикатов и комплектующих изделий рассчитываем

                                                         (5.7)

Расчетная стоимость материалов, полуфабрикатов и комплектующих изделий базового варианта

Суммарная стоимость материалов, полуфабрикатов и комплектующих изделий базового варианта

Расчетная стоимость материалов, полуфабрикатов и комплектующих изделий нового варианта

Суммарная стоимость материалов, полуфабрикатов и комплектующих изделий нового варианта

-  Цеховые и общезаводские расходы

Цеховые и общезаводские расходы принимаем 80% от тарифной заработной платы

                                                                              (5.8)

Цеховые и общезаводские расходы базового варианта

Цеховые и общезаводские расходы нового варианта

-  Прочие расходы

В смете годовых эксплуатационных расходов прочие расходы принимаем в размере 1% от суммы капитальных вложений.

                                                                                (5.9)

Прочие расходы базового варианта

Прочие расходы нового варианта


.4 Оценка экономической эффективности АСУ

Применение оптимальной системы регулирования температуры в печи установки термического крекинга позволит повысить качественную и количественную производительность установки термического крекинга, не потребует больших капиталовложений и, именно, на её основе возможна дальнейшая модернизация всей установки.

До модернизации установки количество продукта составляло 94,1% от общего объема, а после модернизации 95,7%, добились этого, модернизировав систему, а именно уменьшив погрешность, тем самым, стабилизировав температуру в колонне. Производительность установки термического крекинга в год до 788035 тонн продукта, после модернизации 801434 тон продукта.

Определим выручку от реализации продуктов по формуле

Дп = ∑VЦ                                                                                      (5.10)

где V - объем вырабатываемой за год продукции любого вида, т;

Ц - цена за одну тонну продукции, тыс. руб.

Дп

Анализ текущих издержек приведен в таблице 5.4.

Таблица 5.8 - Состав текущих издержек


Базовый вариант

Новый вариант

∆ +

Амортизационные отчисления, Са

3790

10808

-7018

Затраты основной и дополнительной заработной платы рабочих с начислениями, СЗП

10867,5

7647,5

3220

Затраты на стоимости материалов, полуфабрикатов и комплектующих изделий, СМ

1870

1249,5

620,5

Цеховые и общезаводские расходы, Соб

7560

5320

2240

Прочие затраты, СПР

1530,7

364,925

1165,775

Итого

25618,2

25389

228,28


Видно, что экономия положительная.

Определяем срок окупаемости по формуле

                                                                                         (5.11)

где  - финансовый результат от прибыли.

= 9617208+228,28=9617436,28

Срок окупаемости составит

Определяем экономический эффект по формуле

Ээф=ЭП-(Kн0.15)               (5.12)

Экономический эффект составит

Как видно по результатам вычислений, новая система управления эффективнее базовой. Из технико-экономических расчетов видно значительное улучшение положения. В результате модернизации процесса появилась возможность использования сэкономленных средств на другие виды затрат в пользу производства, либо материального обеспечения рабочих.

Основным владельцем СШФ является генеральный директор Евгений Чернов. Ему принадлежит 60,2% в уставном капитале предприятия. Уставный капитал СШФ составляет 172,49 тыс. р. Долями в СШФ владеют председатель совета директоров компании Нина Новикова (11,6%) и коммерческий директор Елена Аникина (16,97%). Небольшие пакеты акций СШФ принадлежат другим членам совета директоров. Это бывший начальник производства Мария Малуева, мастер Галина Дрямова, раскройщик Нина Итяксова, изготовитель лекал Любовь Колосова.

г. СШФ отработала с убытком. В отчете СШФ за I кв. 2010 г. отмечена задолженность перед поставщиками, подрядчиками, персоналом, бюджетом.

На внеочередном собрании акционеров СШФ летом 2007 г. была одобрена передача в собственность ООО «Фабричная застава» нежилых помещений площадью 690,6 кв. м и 762,2 кв. м.

На годовом собрании акционеров в 2009 г. была одобрена передача в собственность «Заставе» по договору купли-продажи десяти зданий. Общая их площадь -1089,4 кв. м. Цена сделки была определена в 1,15 млн р. Эксперты полагают, что это очень низкая цена для центра города. Но это может иметь простое объяснение.

ООО «Фабричная застава» в числе прочего специализируется на сдаче внаем недвижимости. Оно зарегистрировано в Сызрани по тому же адресу, что и СШФ: ул. Советская, 31. На этих площадях сейчас располагается несколько магазинов. Уставный капитал «Заставы» -10 тыс. р. Долями в ООО владеют Чернов (50%), Аникина (25%), Ирина Чернова (25%). Возглавляет «Заставу» Светлана Лосицкая. Чернова руководит ООО «Торгово- промышленный дом «Русский текстиль». Это предприятие в равных долях принадлежит Чернову и Аникиной. «Русский текстиль» также зарегистрирован на ул. Советской, 31.

Сейчас СШФ и «Застава» пытаются выкупить в долевую собственность земельный участок по указанному адресу. Вероятно, он находится у СШФ в долгосрочной аренде. Оформление собственности даст СШФ полное право распорядиться имуществом таким же образом, как и зданиями.

Оно не устроило ни швейную фабрику, ни «Заставу». СШФ и «Застава» обратились в Арбитражный суд Самарской обл. Они требуют признания незаконным решения КИО, а также просят обязать городскую администрацию вынести решение о продаже земельного участка площадью 3491 кв. м с кадастровым номером 63:08:0101020:981 в долевую собственность СШФ и «Заставы».

Речь идет об участке, на котором расположена производственная база СШФ. В Сызрани это одно из самых подходящих мест для организации торгового центра.

Выводы по итогам практики

Ознакомившись с предприятием ОАО «Сызранская швейная фабрика» в ходе прохождения учебной практики и проведя необходимую работу мы убедились, что ОАО «Сызранская швейная фабрика» располагает всем необходимым для изготовления высококачественной продукции. Используемое оборудование и технологии позволяют добиться стабильного качества при относительно низкой стоимости работ.

Это предприятие грамотно организует охрану труда, а так же ответственно относится к технике безопасности, соблюдая все правила её организации. Целью предприятия является система управления охраной труда на предприятии, ее организационную структуру, основные функции, обеспечивающие процесс управления созданием здоровых и безопасных условий труда, предупреждение травматизма на участках, отделах и службах предприятия.

Похожие работы на - Характеристика ОАО 'Сызранская швейная фабрика'

 

Не нашли материал для своей работы?
Поможем написать уникальную работу
Без плагиата!
Без нейросетей!