Технологический процесс изготовления конической шестерни

  • Вид работы:
    Курсовая работа (т)
  • Предмет:
    Другое
  • Язык:
    Русский
    ,
    Формат файла:
    MS Word
    78,53 Кб
  • Опубликовано:
    2015-06-23
Вы можете узнать стоимость помощи в написании студенческой работы.
Помощь в написании работы, которую точно примут!

Технологический процесс изготовления конической шестерни

Содержание

Введение

. Общетехническая часть

.1 Служебное назначение изделия. Анализ конструкции и технических требований

.2 Анализ технологичности изделия

.2 Анализ технологичности изделия

.4 Материал изделия и его свойства

. Технологическая часть

.1 Выбор технологических баз, и предварительное определение последовательности обработки поверхностей заготовки

.2 Размерный анализ технологического процесса

.3 Выбор необходимой оснастки и режущего инструмента

Литература

Введение

Машиностроение является одной из важнейших отраслей в промышленном комплексе нашей страны. Поэтому планами экономического развития промышленного комплекса России предусмотрено увеличение выпуска продукции машиностроения не менее чем в 1,4 раза, рост номенклатуры и обновление ее структуры. Решение поставленной задачи возможно при условии широкого применения прогрессивных технологий, оборудования и оснастки, средств механизации и автоматизации, соответствующих современным достижениям науки и техники. В свою очередь мероприятия по модернизации средств производства в машиностроении позволяют повысить качество выпускаемой продукции и сделать ее конкурентоспособной по отношению к лучшим образцам изделий на мировом рынке.

Основные задачи в области технологии машиностроения и перспективы ее развития:

приближение формы заготовки к форме готового изделия за счет применения методов пластической деформации, порошковой металлургии, специального профильного проката и других прогрессивных видов заготовок;

автоматизация технологических процессов за счет применения автоматических загрузочных устройств, манипуляторов, промышленных роботов, автоматических линий, станков с ЧПУ;

концентрация переходов и операций, применение специальных и специализированных станков;

применение групповой технологии и высокоэффективной оснастки;

использование эффективных смазочно-охлаждающих жидкостей с подводом их в зону резания;

разработка и внедрение высокопроизводительных конструкций режущего инструмента из твердых сплавов, минераллокерамики, синтетических сверхтвердых материалов, быстрорежущих сталей повышенной и высокой производительности;

широкое использование электрофизических и электрохимических методов обработки, глубинного шлифования;

внедрение новейших методов термической и химико-термической обработки, нанесение износоустойчивых покрытий;

В настоящее время в технологии машиностроения происходит ряд коренных преобразований. В частности, внедрение систем автоматического проектирования (САПР). В этих системах используются мощные ЭВМ, с помощью которых производятся следующие операции:

вычерчивание рабочего чертежа;

расчет и конструирование инструмента;

распечатка нормативной и технологической документации:

выдача управляющих рабочих программ для станков с ЧПУ;

1. Общетехническая часть

.1 Служебное назначение изделия. Анализ конструкции и технических требований

Коническая - колесо предназначена для передачи крутящего момента валов расположенных параллельно в коробке. Главнейшее значение конической-шестерни заключается в изменении положения оси вращения переходя от горизонтального расположения валов к вертикальному. Коническая - шестерня работает в тяжелых условиях, поэтому смазка производится масленым туманом. Во внутрь конической-шестерни устанавливаются вал с двумя подшипниками 113 ГОСТ 8338-75 которые фиксируются по наружному кольцу подшипника упорным кольцом В 100 ГОСТ 13943 - 86. На наружную поверхность 120h6 устанавливаются два подшипника 2007124 А ГОСТ 27365-87 фиксируются по внутреннему кольцу подшипника упорным кольцом Б 120 ГОСТ 13942-87 по наружному кольцу подшипники фиксируются фланцем. На одной из внутренних поверхностях имеется зубчатый венец который входит в зацепление с зубчатой муфтой. Данная муфта отвечает за реверс.

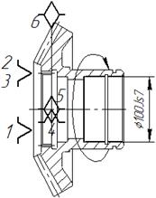
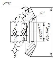
Основные элементы конической-шестерни представлены на рис. 1.1, а их назначение указано в таблице 1.1.

Рисунок 1.1 Коническая шестерня

Таблица 1.1 Анализ конструкции детали

№ поверхности

Наименование поверхности, номинальное значение размера, мм

Назначение поверхности

Точность (обозначение поля допуска)

Шероховатость Rа-, Мкм

1

2

3

4

5

1

Торец

Свободная

IT14 2

10,0

2

Коническая наружная поверхность под зубчатый венец угол Исполнительнаяh6

2,5



3

Внутренняя коническая поверхность зубчатого венца

Исполнительная

h10

3,2

4

Коническая наружная поверхность уголВспомогательнаяh103,2




5

Торец

Свободная

IT14 2

10,0

6

Торец

 Свободная

IT14 2

10,0

7

Наружная цилиндрическая поверхность ø130

Вспомогательная конструкторская

h10

3,2

8

Торец

Вспомогательная конструкторская

IT14 2

10,0

9

Наружная цилиндрическая поверхность ø120

Основная конструкторская

h6

2,5

10

Канавка ø115

Свободная

IT14 2

10,0

11

Фаска 1,5 х 45°

Свободная

IT14 2

10,0

12

Торец

Свободная

IT14 2

10,0

13

Фаска 1,5 х 45°

Свободная

I T14 2

10,0

14

Внутренняя Канавка ø103,5

Свободная

Н 14

10,0

15

Внутренняя цилиндрическая поверхность ø100

Вспомогательная конструкторская

Js 7

1,25

16

Торец

Свободная

IT14 2

10,0

17

Внутренняя цилиндрическая поверхность ø90

Вспомогательная конструкторская

Н 14

10,0

18

Торец

Свободная

IT14 2

10,0

19

Внутренняя цилиндрическая поверхность ø100

Вспомогательная конструкторская

Н 14

10,0

20

Торец

Свободная

IT14 2

10,0

21

Внутренняя цилиндрическая поверхность ø120

Вспомогательная конструкторская

Н 14

10,0

22,23

Внутренняя Зубчатый венец Ø105

Исполнительная

Н 11

2,5

24

Коническая внутренняя поверхность

Свободная

IT14 2

10,0

25

Торец

Свободная

IT14 2

10,0

26

Фаска 1,5 х 45°

Свободная

IT14 2

10,0

.2 Анализ технологичности изделия

конический шестерня затраты сталь

Оценка технологичности конструкции детали является важным этапом технологической подготовки производства. Конструкция детали является технологичной, если при ее изготовлении и эксплуатации затраты материала, времени и средств минимальны. Оценка технологичности проводится качественно и количественно с расчетом показателей технологичности по ГОСТ 14.201-83. Качественная оценка "хорошо", "плохо" предшествует количественной. В проекте проводим только качественную оценку технологичности.

Для анализа технологичности конической шестерни рассмотрим следующие показатели: возможность рационального метода получения заготовки; использование типовых технологических процессов; наличие поверхностей, труднодоступных для обработки и т.п.

С точки зрения рационального выбора заготовки коническая шестерня относится к не достаточно технологичным изделиям; прокат как наиболее дешевый вид заготовки использовать в качестве заготовки не рационально, даже в условиях мелкосерийного производства.

По своей конструкции коническую шестерню можно отнести к деталям типа "шестерня".

Показатели точности и конструкция шестерни позволяет использовать типовые этапы обработки деталей типа "шестерня" для большинства поверхностей и элементов.

Шероховатости находятся в экономических пределах и не высокие (7 квалитет точности, шероховатость Ra= 1,25 мкм); не требуется применения отделочных методов обработки: доводки, полирования и т. п.

Возможна реализация принципа постоянства баз на основных операциях, но для этого необходимы специальные оправки, что усложняет техпроцесс изготовления.

На основных операциях возможно применение стандартного режущего, мерительного инструментов и оснастки.

Проведенный анализ позволяет оценить технологичность конструкции шестерни конической как высоко технологичную.

.3 Определение типа производства и его характеристики

Для определения типа производства используем заданный годовой объем выпуска изделий и массу изделия.

Годовой объем выпуска конической шестерни составляет 800 шт.; масса шестерни - 10 кг.

Используя эти данные, устанавливаем тип производства - мелкосерийное

[1, стр. 24, табл. 3.1]

При серийном производстве используются универсальные станки, оснащенные как специальными, так и универсальными приспособлениями. Также применяются станки с ЧПУ, так как имеется возможность быстро переналадить их на выпуск нового изделия.

В серийном производстве технологический процесс изготовления изделий преимущественно дифференцирован, т.е. расчленен на отдельные операции, выполняемые на определенных станках.

Количество изделий в партии для одновременного запуска определяем по формуле:

 [2, стр. 22] (1.3)

где N - годовой объем выпуска изделий, шт.

a - число дней, на которое необходимо иметь запас изделий

F - число рабочих дней в году.

В нашем случае:

N = 800 шт.

a = 10 дней

F = 250 дней

Принимаем:

.4 Материал изделия и его свойства

Конической шестерня изготовлена из стали 40 Х ГОСТ 4543 - 81. Сталь 40 Х относится к группе конструкционных легированных сталей.

Сталь 40 Х предназначена для изготовления зубчатых колес, тормозных дисков, муфт, кожухов, опорных катков, звездочек и других деталей, к которым предъявляются требования повышенной прочности и высокого сопротивления износу и работающих под действием статических и динамических нагрузок.

 
Таблица 1.2 Химический состав и механические свойства стали

Марка стали

C %

Si %

Cr %

Mn %

HB







МПа

Кг/мм²

40 Х

0,85- 0,95

1,2 - 1,6

0,95- 1,25

0,3- 0,6

241

870

87

 
Таблица 1.3 Физико - механические свойства

Марка материала

Плотность Р, кг/м 3

Твёрдость НВ

Предел прочности МПа

Предел текучести

Относ. удлинение %

Другие характеристики

Сталь 40 Х

7,85

207

780





Таблица 1.4 Режимы термообработки

Марка стали

Температура закалки ºС.

Температура отпуска ºС.

Твёрдость после т/о HRCэ

40 Х

830 - 850

160 - 180

30 - 40


2. Технологическая часть

.1 Выбор технологических баз, и предварительное определение последовательности обработки поверхностей заготовки

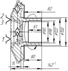
Основные элементы конической шестерни представлены на рис. 1.1

Технологические схемы обработки назначаем с учётом требуемой точности размеров и шероховатости поверхностей. При этом используем рабочий чертёж.

 
 
Таблица 2.1 Технологические схемы обработки поверхностей

№ поверхн.

Наименование поверхности

Номинальные размеры

Требуемые параметры, мкм

Переходы (операции)

Достигаемые параметры






Квалитет

Ra

1

Торец


IT14 2

10,0

Точение черновое

14

10

2, 3

Коническая наружная поверхность под зубчатый венец угол


Точение черновое Точение чистовое Фрезерование Зубострогание черновое Зубострогание чистовое Зубошлифование предварительное Зубошлифование окончательное

12 10 10 9 7 6

 6,3 3,2 3,2 2,5 1,6 1,25


4

Коническая наружная поверхность угол

IT14 2

10,0

Точение черновое Точение чистовое

14

10


5

Торец


IT14 2

10,0

Точение черновое

14

10

6

Торец


IT14 2

10,0

Точение черновое

14

10

7

Наружная цилиндрическая поверхность

ø130

h10

3,2

Точение черновое Точение чистовое

1210

6,3 3,2

8

Торец


IT14 2

10,0

Точение черновое

14

10

9

Наружная цилиндрическая поверхность

ø120

h6

1,25

Точение черновое Точение чистовое Шлифование предварительное Шлифование окончательное

12 10 8 6

6,3 3,2 1,6 1,25

10

Канавка

ø115

h14

10

Точение черновое

14

10

11

Фаска

1,5х 45°

IT14 2

10,0

Точение черновое

14

10

12

Торец


IT14 2

10,0

Точение черновое

14

10

13

Фаска 1,5х 45°

1,5х 45°

IT14 2

10,0

Точение черновое

14

10

14

Внутренняя Канавка

ø103,5

H14

10,0

Точение черновое

14

10

15

Внутренняя цилиндрическая поверхность

ø100

Js7

1,25

Точение черновое Точение чистовое Шлифование предварительное Шлифование окончательное

12 10 9 7

6,3 3,2 1,6 1,25

16

Торец

10,0

Точение черновое

14

10

17

Внутренняя цилиндрическая поверхность

ø90

h10

3,2

Точение черновое Точение чистовое

12 10

6,3 3,2

18

Торец


IT14 2

10,0

Точение черновое

14

10

19

Внутренняя цилиндрическая поверхность

ø100

h10

3,2

Точение черновое Точение чистовое

12 10

6,3 3,2

20

Торец


IT14 2

10,0

Точение черновое

14

10

21

Внутренняя цилиндрическая поверхность

ø120

h10

3,2

Точение черновое Точение чистовое

12 10

6,3 3,2

22, 23

Внутренняя  Зубчатый венец

Ø105

H11

2,5

Точение черновое Точение чистовое Зубодолбление Зубозакругление

14 11

6,3 2,5

24

Коническая внутренняя поверхность


IT14 2

10,0

Точение черновое

14

10

25

Торец


IT14 2

10,0

Точение черновое

14

10

26

Фаска

1,5х 45°

IT14 2

10,0

Точение черновое

14

10

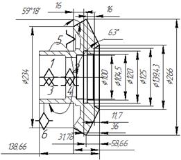
.2 Размерный анализ технологического процесса

Производим размерный анализ технологического процесса изготовления конической шестерни и сводим результат в виде схемы обработки изделия представленной на чертеже.

Составляем уравнения:

.3 Выбор необходимой оснастки и режущего инструмента

При разработке технологических операций особое внимание уделяем выбору баз, так как от их правильного выбора зависит точность обработки и выполнение технических требований чертежа.

При выборе баз необходимо стремиться к соблюдению основных базирования-постоянства и совмещения баз.

Принцип постоянства баз заключается в том, что при разработке техпроцесса необходимо стремиться к использованию одной и той же технологической базы, не допуская без особой необходимости смены баз, не считая смены черновой базы.

Принцип совмещения баз предусматривает, чтобы в качестве технологической базы по возможности использовать поверхность, являющуюся измерительной базой или конструкторской.

Выбранные базы указываем условно по ГОСТ 3.1107 - 81 на эскизах обработки.

При выборе приспособлений учитываем тип производства и форму зажимаемой поверхности, вид обработки и требуемую точность. Применяем приспособления с пневмозажимом с использованием нормализованных деталей и узлов.

Выбор вспомогательного инструмента зависит от типа станка и конструкции режущего инструмента; выбор производим по справочникам и соответствующим ГОСТам.

Конструкция и размеры режущего инструмента предопределяются видом обработки, размерами обрабатываемой поверхности, свойствами материала заготовки, требуемой точностью и шероховатостью обработки.

При выборе контрольно - измерительных средств учитываем точность измеряемой поверхности, ее формы и размеры; используем, в основном, стандартный измерительный; инструмент и стандартные контрольные приспособления для проверки биения.

Выбранные оснастку, инструмент и средства контроля сводим в таблицу 2.2.

 

Таблица 2.2 Технологические базы, оборудование и оснастка.

№ операции

Наименование операции

Операционный эскиз

Оборудование

Приспособления

Режущий инструмент

Средства контроля

1

2

3

4

5

6

7

005

Заготовительная

×

×

×

×

×

010

Заготовительная

×

×

×

×

×

015

Дробемётная

×

×

×

×

×

020

Термическая

×

×

×

×

×

025

Токарная с ЧПУ

Станок токарный с ЧПУ мод. 16М 30Ф 3

Патрон 6152-0164 ГОСТ 2675-88

Резец токарный проходной Т 15К 6  2100-1809 ГОСТ 26611-75; Оправка расточная цеховая;

ШЦ-III-250-630-0,1 ГОСТ 166-89 Штангенциркуль; ШЦ-II-125-0,1 ГОСТ 166-89 - Штангенциркуль

030

Токарная с ЧПУ

Станок токарный с ЧПУ мод. 16М 30Ф 3

7100-0011 Патрон ГОСТ 2675-80 тип 1, исп.1, D.

Резец токарный проходной Т 15К 6  2100-1809 ГОСТ 26611-75; Оправка расточная цеховая;

ШЦ-I-125-0,1 ГОСТ 166-89 - Штангенциркуль; ШЦ-II-125-0,1 ГОСТ 166-89 - Штангенциркуль

035       Токарная с ЧПУ                          Станок токарный с ЧПУ мод. 16К 20Т 1              7100-0011 Патрон ГОСТ 2675-80 тип 1, исп.1, D.                Резец токарный проходной Т 15К 6  2100-1809 ГОСТ 26611-75; Резец канавочный Н;

Резец канавочный цеховой Н

Оправка расточная цеховая;Калибр-пробка 81360021Js7

ГОСТ 14815-69;

Микрометр МК 125-1 ГОСТ 6507-90;


 

040

Токарная с ЧПУ

Станок токарный с ЧПУ мод. 16К 20Т 1

7100-0011 Патрон ГОСТ 2675-80 тип 1, исп.1, D.

Резец токарный проходной Т 15К 6  2100-1809 ГОСТ 26611-75; Оправка расточная цеховая;

ШЦ-I-125-0,1 ГОСТ 166-89 - Штангенциркуль; Калибр-пробка 8140-0002А 4 ГОСТ 14820-69; МВМ 250-275 ГОСТ 4380-86

045

Зубодолбёжная

Станок зубодолбёжный мод. 5122

Оправка УГБ.03.88Д/П 3;

тип I кл. В ГОСТ 9323-79 Долбяк;

Ш 4.03.06.002/М 1 Калибр ДОН; 1ВСМ.03.01.065/ПК-1 оправка для  поверки соосности; Индикатор часового типа ИЧ 10кл 1 Шаблон специальный

050

Зубозакругляю-щая

Станок зубозакругляющий мод. 5582

УГБ.03.88Д/П 3 приспособление;

Фреза зубозакругляющая цеховая

Шаблон радиусный

055

Зубопрорезная

Станок зубопрорезной мод. 83400Б

Ш 4.03.08.001/П 1 -приспособление станочное;

Ш 1.03.066/Р 1 фреза прорезная цеховая;

М 1 АВ ГОСТ 4446-81 Зубомер смещения

060

Зубострогальная

Станок зубострогальный  мод. 5А 250

Ш 4.03.08.001/П 2 приспособление  станочное;

2550-0051 ГОСТ 5392-80 Резец;

ШЗН-18 ТУ 2.031-773-89 Штангензубомер;

065

Контрольно-обкатная

×

Станок контрольно-обкатной  мод. 5А 725

Ш 4.03.13.001/ПК/ оправка; Д 8 52 60 10 Втулка шлицевая; Ш 4.03.08.001/П 102 Оправка;

7858-0144 1Н 12 ГОСТ 25726-83 Клейма цифровые; 7850-0101 Ц 15.хр ГОСТ 2310-77 Молоток.

×

070

Слесарная

×

Верстак

7827-0259 ГОСТ 4045-75 Тиски;

2820-0023 ГОСТ 1465-80 Напильник

×

075

Термическая

×

Печь ТВЧ

×

×

×

080

Шлифовальная с ЧПУ

3М 151Ф 2

7108-0022 Патрон ГОСТ 2571-71 D=200, испол.2; 7107-0065 Хомутик ГОСТ 16488-70 dнаим.=25; dнаи; А-1-3-Н Центр ГОСТ 8742-75 Морзе 3,серия-н

1 400х 40х 203 14А 40-П СТ К 35м/с А 1кл. Круг ГОСТ 2424-83

Шаблон специальный

085

Внутришлифовальная

3К 228

7102-0029 Патрон ГОСТ 24351-80 Тип А; исп.2; D.

5 63х 50х 20-40,7 24А 40-П С 1 К 35м/с А 1кл. Круг ГОСТ 2424-83

Шаблон специальный

090

Зубошлифовальная

Станок зубошлифовальный мод. 58П 70В

1ВСМ.03.02.013/П 2 Оправка;

1400 40 127 14А 40-П СТЗ 7 К 35 м/с А 1кл. ГОСТ 2424-83 Круг шлифовальный;

КИМ-1000

095

Контрольная

×

×

×

×

×



Литература

. А.Ф. Горбацевич. Курсовое проектирование по технологии машиностроения, -Мн.: Высш. школа, 1983 - 256 с.

. П.А. Руденко. Проектирование и производство заготовок в машиностроении. -К.: Высш. школа, 1991 - 247 с.

. В.В. Бабук. Проектирование технологических процессов механической обработки в машиностроении. - Мн.: Высш. школа, 1987 - 255 с.

. А.Г. Косилова. Справочник технолога-машиностроителя. -М.: Машиностроение, 1972 - 694 с.

. А.Н. Балабанов. Краткий справочник технолога-машиностроителя. -М.: Издательство стандартов, 1992 - 464 с.

. Л.А. Руденко. Проектирование технологических процессов в машиностроении. - М.: Высш. Школа, 1985 - 255 с.

. В.Д. Мягков. Справочник технолога-машиностроителя. М.: Машиностроение. 1978 - 544 с.

. А.Г. Косилова. Справочник технолога - машиностроителя. - М.: Машиностроение. 1972 - 694 .

. А.К. Горошкин. Приспособления для металлорежущих станков. - М.Машиностроение. 1979-303 с.

. Н.С. Агеркана. Справочник металлиста. - М.: Машиностроение. 1966 - 811с.

. А.А. Панова. Обработка металлов резанием. - М.: Машиностроение. 1988 - 736 с.

. Сергеев И.В. Экономика предприятия - М.: Финансы и статистика, 2002.

. Куракова Л.П. Экономика - М.: Гелиос, 1998.

. Еремин В.Г. Безопасность жизнедеятельности в машиностроении - М.: Высш. шк., 2002. - 310 с.: ил.

. Белов С.В. Охрана окружающей среды.- М.: Высш. шк.,2002. - 264с.

Похожие работы на - Технологический процесс изготовления конической шестерни

 

Не нашли материал для своей работы?
Поможем написать уникальную работу
Без плагиата!
Без нейросетей!