|
Технология
|
Описание
|
Максимальная
скорость(прием/передача)
|
Максимальное
расстояние
|
Основное
применение
|
|
ADSL
|
асимметричная
цифровая абонентская линия)
|
24
Мбит/с / 3,5 Мбит/с
|
5,5
км
|
Доступ
в Интернет, голос, видео
|
|
HDSL
|
Высокоскоростная
цифровая абонентская линия
|
2
Мбит/с
|
4,5
км
|
Объединение
сетей, услуги E1
|
|
SDSL
|
Одноканальная/симметричная
цифровая абонентская линия
|
2
Мбит/с
|
3
км
|
Объединение
сетей, услуги E1
|
|
VDSL
|
Сверхвысокоскоростная
цифровая абонентская линия
|
62
Мбит/с / 26 Мбит/с
|
1,3
км на max. скорости
|
Объединение
сетей
|
Преимущества технологии DSL:
DSL является экономически эффективным
соединением, так как оно не требует прокладки новых телефонных линий.
- Простота в эксплуатации и установки.
Интернет и телефон можно использовать
одновременно.
- Возможность подключить выход в сеть, где кроме
телефонной сети больше ничего нет.
Недостатки:
скорость подключения в сравнении с оптоволокном
- Доступность DSL услуг определяется расстоянием
между пользователем и центральным офисом провайдера.
В настоящее время, нет никакой стандартизации
модемов DSL, это означает, что пользователям, возможно, при смене оператора
потребуется новое оборудование.
Услуга обычно доступна в городских районах, но
не в сельской местности.
Прием данных (загрузка) происходит быстрее, чем
передача данных (отправка).
- DSL несовместимо с волоконно-оптическими
линиями.
.2Технология PON
(Passiveopticalnetwork) - технология пассивных
оптических сетей.
Одна из главных задач, стоящих перед
современными телекоммуникационными сетями доступа - так называемая проблема
«последней мили», предоставление как можно большей полосы пропускания
индивидуальным и корпоративным абонентам при минимальных затратах.
Суть технологии PON заключается в том, что между
приемопередающим модулем центрального узла OLT (Opticallineterminal) и
удаленными абонентскими узлами ONT (Opticalnetworkterminal) создается полностью
пассивная оптическая сеть, имеющая топологию дерева. В промежуточных узлах
дерева размещаются пассивные оптические разветвители (сплиттеры) - компактные
устройства, не требующие питания и обслуживания. Один приемопередающий модуль
OLT позволяет передавать информацию множеству абонентских устройств ONT. Число
ONT, подключенных к одному OLT, может быть настолько большим, насколько
позволяет бюджет мощности и максимальная скорость приемопередающей аппаратуры.
Рис. 1.2. «Архитектура PON сети».
Для передачи прямого и обратного каналов
используется одно оптическое волокно, полоса пропускания которого динамически
распределяется между абонентами, или два волокна в случае резервирования.
Нисходящий поток (downstream) от центрального узла к абонентам идет на длине
волны 1490 нм и 1550 нм для видео. Восходящие потоки (upstream) от абонентов
идут на длине волны 1310 нм с использованием протокола множественного доступа с
временным разделением (TDMA).
Для построения PON используется топология «точка
- многоточка» и сама сеть имеет древовидную структуру. Каждый
волоконно-оптический сегмент подключается к одному приемопередатчику в
центральном узле (в отличие от топологии «точка - точка», что также дает
значительную экономию в стоимости оборудования. Один волоконно-оптический
сегмент сети PON может охватывать до 32 абонентских узлов в радиусе до 20 км
для технологий EPON / BPON и до 128 узлов в радиусе до 60 км для технологии
GPON. Каждый абонентский узел рассчитан на обычный жилой дом или офисное здание
и в свою очередь может охватывать сотни абонентов. Все абонентские узлы
являются терминальными, и отключение или выход из строя одного либо нескольких
абонентских узлов никак не влияет на работу остальных.
Центральный узел PON может иметь сетевые
интерфейсы ATM, SDH (STM-1), GigabitEthernet для подключения к магистральным
сетям. Абонентский узел может предоставлять сервисные интерфейсы 10/100Base-TX,
FXS (2, 4, 8 и 16 портов для подключения аналоговых ТА), E1, цифровое видео,
ATM (E3, DS3, STM-1c).
Таблица 1.2 «Типы технологии PON».
|
|
APON
|
BPON
|
EPON
(GEPON)
|
GPON
|
|
Стандарт
|
G.983
|
ITU
G.983
|
IEEE
802.3ah
|
ITU
G.984.6
|
|
Полоса
пропускания для нисходящего потока
|
155
Мбит/с
|
622
Мбит/с
|
1,244
Гбит/с
|
2,488
Гбит/с
|
|
Полоса
пропускания для восходящего потока
|
155
Мбит/с
|
155
Мбит/с
|
1,244
Гбит/с
|
1,244
Гбит/с
|
|
Емкость
|
|
32
|
32
|
64
|
|
Максимальная
длина передачи, км
|
|
20
|
20
|
60
|
|
Затухание
линии PON
|
|
|
26
дБ
|
22
дБ
|
Преимущества архитектуры PON:
отсутствие промежуточных активных узлов;
экономия оптических приёмопередатчиков в
центральном узле;
экономия волокон;
Древовидная топология P2MP позволяет
оптимизировать размещение оптических разветвителей, исходя из реального
расположения абонентов, затрат на прокладку ОК и эксплуатацию кабельной сети.
Недостатки архитектуры PON:
возросшая сложность технологии PON;
отсутствие резервирования в простейшей топологии
дерева.
.3 Технология Metro- Ethernet
Классическим на сегодня подходом к построению
городских сетей является функциональная декомпозиция на уровни доступа: опорная
сеть (магистраль), уровень распределения/агрегации, уровень доступа (клиентский
доступ).
Рис.1.3 «Архитектура сети Metro- Ethernet».
. Уровень ядра
Основными задачами уровня являются:
Высокоскоростная коммутация всех основных
потоков;
Оптимизация и суммирование маршрутов, протокол
OSPF;
Транзитный пропуск внешнего трафика, протокол
BGP;
Оптимальная маршрутизация мультикастовых
потоков, протокол PIM-SM;
Реализация vlan на сервис, crossvlan-mapping;
Поддержка протоколов высоконадежного
подключения, VRRP;
Изоляция топологических изменений в сети,
протокол MSTP;
Динамическая регистрация и оптимальный пропуск
вилланов, GVRP;
Надежность операторского класса, резервирование
по питанию и управлению.
Ядро сети, архитектурно представляющее собой
кольцо и несколько полуколец, предлагается реализовать на базе мультисервисных
коммутаторов с двойным электропитанием и магистральной функциональностью.
. Уровень распределения
Основными задачами уровня являются:
Агрегация сетевого трафика, поступающего с
уровня доступа, QinQ;
Изоляция топологических изменений в сети,
протокол MSTP;
Маршрутизация и суммирование маршрутов, протокол
OSPF;
Оптимальная маршрутизация мультикастовых
потоков, протокол GMRP;
Реализация сетевых правил и приоритетов
обслуживания, QoS и CAR;
Динамическая регистрация и оптимизация пропуска
vlan, протокол GVRP;
Копирование широковещательных пакетов через
VLAN(cross-VLAN multicastcopy);
Высокая надежность.
. Уровень доступа
Основными задачами уровня являются:
Низкая себестоимость в пересчете на один порт;
Реализация виллан на услугу на уровне
пользователя;
Реализация сетевых правил и приоритетов
обслуживания, QOS и CAR;
Надежность.
Таким образом, в проектируемой сети каждый
уровень будет выполнять свои, строго специфичные функции. Каждый уровень будет
логически изолирован от остальных, что позволит облегчить управление сетью и
увеличить надежность сети за счет изоляции ошибок, которые не будут переданы на
более верхний уровень.
2. Разработка структурной схемы сети доступа
.1 Характеристика района проектирования
Существующая инженерная инфраструктура в районе
проектирования представлена автодорогами, наземными и подземными коммуникациями
(газопроводы, водопроводы, теплотрассы, кабельные и воздушные линии связи,
силовые кабели). Район проектирования состоит в основном из жилого сектора.
Дома в районе проектирования в основном 8-ми подъездные, 5-ти этажные, на
площадке по 3 квартиры, но также есть дома и другой структуры, а именно 4-х
подъездный 5 этажный дом по улице Ворошилова 57.
Таблица 2.1. «Характеристика домов в районе
проектирования».
|
Адрес
|
Квартир
|
Подъездов
|
Этажность
|
|
Ворошилова
57
|
60
|
4
|
5
|
|
Ворошилова
61
|
119
|
8
|
5
|
|
Ворошилова
39
|
119
|
8
|
5
|
|
Ворошилова
49
|
119
|
8
|
5
|
|
Ворошилова
43
|
119
|
8
|
5
|
|
Ворошилова
47
|
119
|
8
|
5
|
|
Ворошилова
45
|
119
|
8
|
5
|
|
Итого
|
774
|
|
|
Таблица 2.2 «Количественный состава абонентов по
типам услуг на узлах доступа».
|
Номер
узла
|
Количество
абонентов по типам услуг
|
|
Аналоговый
телефон
|
Интернет
|
IpTV
|
Число
коммутато-ров
|
|
Процен-ты
%
|
Число
пользователей
|
Процен-ты
%
|
Число
пользователей
|
Процен-ты
%
|
Число
пользователей
|
|
|
1
|
100
|
30
|
65
|
20
|
47
|
14
|
1Х24
|
|
2
|
100
|
30
|
65
|
20
|
47
|
14
|
1Х24
|
|
3
|
100
|
30
|
65
|
20
|
47
|
14
|
1Х24
|
|
4
|
100
|
30
|
65
|
20
|
47
|
14
|
1Х24
|
|
5
|
100
|
30
|
65
|
20
|
47
|
14
|
1Х24
|
|
6
|
100
|
29
|
65
|
19
|
47
|
14
|
1Х24
|
|
7
|
100
|
30
|
65
|
20
|
47
|
14
|
1Х24
|
|
8
|
100
|
30
|
65
|
20
|
47
|
14
|
1Х24
|
|
9
|
100
|
30
|
65
|
20
|
47
|
14
|
1Х24
|
|
10
|
100
|
29
|
65
|
19
|
47
|
14
|
1Х24
|
|
11
|
100
|
30
|
65
|
20
|
47
|
14
|
1Х24
|
|
12
|
100
|
30
|
65
|
20
|
47
|
14
|
1Х24
|
|
13
|
100
|
30
|
65
|
20
|
47
|
14
|
1Х24
|
|
14
|
100
|
29
|
65
|
19
|
47
|
14
|
1Х24
|
|
15
|
100
|
30
|
65
|
20
|
47
|
14
|
1Х24
|
|
16
|
100
|
30
|
65
|
20
|
47
|
14
|
1Х24
|
|
17
|
100
|
30
|
65
|
20
|
47
|
14
|
1Х24
|
|
18
|
100
|
29
|
65
|
19
|
47
|
14
|
1Х24
|
|
19
|
100
|
30
|
65
|
20
|
47
|
14
|
1Х24
|
|
20
|
100
|
30
|
65
|
47
|
14
|
1Х24
|
|
21
|
100
|
30
|
65
|
20
|
47
|
14
|
1Х24
|
|
22
|
100
|
29
|
65
|
19
|
47
|
14
|
1Х24
|
|
23
|
100
|
30
|
65
|
20
|
47
|
14
|
1Х24
|
|
24
|
100
|
30
|
65
|
20
|
47
|
14
|
1Х24
|
|
25
|
100
|
30
|
65
|
20
|
47
|
14
|
1Х24
|
|
26
|
100
|
29
|
65
|
19
|
47
|
14
|
1Х24
|
|
Итого
|
774
|
514
|
364
|
26Х24
|
Таблица 2.3 «Количественный состава абонентов по
типам услуг на кольцах доступа».
|
№КД
|
№
УД
|
№
дома
|
Всего
абонентов
|
Количество
абонентов по типам услуг
|
|
|
|
|
|
Телефония
|
Телефония
+ Интернет
|
Телефония
+ Интернет + IPTV
|
|
|
|
|
|
%
|
Число
|
%
|
Число
|
%
|
Число
|
|
КД
1
|
1
|
57
|
30
|
100
|
30
|
65
|
20
|
47
|
14
|
|
2
|
|
30
|
100
|
30
|
65
|
20
|
47
|
14
|
|
КД2
|
3
|
61
|
30
|
100
|
30
|
65
|
20
|
47
|
14
|
|
4
|
|
30
|
100
|
30
|
65
|
20
|
47
|
14
|
|
КД3
|
5
|
|
30
|
100
|
30
|
65
|
20
|
47
|
14
|
|
6
|
|
29
|
100
|
29
|
65
|
19
|
47
|
14
|
|
КД4
|
7
|
39
|
30
|
100
|
30
|
65
|
20
|
47
|
14
|
|
8
|
|
30
|
100
|
30
|
65
|
20
|
47
|
14
|
|
КД5
|
9
|
|
30
|
100
|
30
|
65
|
20
|
47
|
14
|
|
10
|
|
29
|
100
|
29
|
65
|
19
|
47
|
14
|
|
КД6
|
11
|
49
|
30
|
100
|
30
|
65
|
20
|
47
|
14
|
|
12
|
|
30
|
100
|
30
|
65
|
20
|
47
|
14
|
|
КД7
|
13
|
|
30
|
100
|
30
|
65
|
20
|
47
|
14
|
|
14
|
|
29
|
100
|
29
|
65
|
19
|
47
|
14
|
|
КД8
|
15
|
43
|
30
|
100
|
30
|
65
|
20
|
47
|
14
|
|
16
|
|
30
|
100
|
30
|
65
|
20
|
47
|
14
|
|
КД9
|
17
|
|
30
|
100
|
30
|
65
|
20
|
47
|
14
|
|
18
|
|
29
|
100
|
29
|
65
|
19
|
47
|
14
|
|
КД10
|
19
|
47
|
30
|
100
|
30
|
65
|
20
|
47
|
14
|
|
20
|
|
30
|
100
|
30
|
65
|
20
|
47
|
14
|
|
КД11
|
21
|
|
30
|
100
|
30
|
65
|
20
|
47
|
14
|
|
22
|
|
29
|
100
|
29
|
65
|
19
|
47
|
14
|
|
КД12
|
23
|
45
|
30
|
100
|
30
|
65
|
20
|
47
|
14
|
|
24
|
|
30
|
100
|
30
|
65
|
20
|
47
|
14
|
|
КД13
|
25
|
|
30
|
100
|
30
|
65
|
20
|
47
|
14
|
|
26
|
|
29
|
100
|
29
|
65
|
19
|
47
|
14
|
|
Итого
|
774
|
514
|
364
|
|
|
|
|
|
|
|
|
|
|
|
|
|
.2 Выбор топологии построения сети доступа
К типовым топологическим структурам, применяемым
при построении сетей MetroEthernet на уровнях доступа и агрегации относятся:
последовательная структура (цепочка), кольцевая структура (кольцо), радиальная
структура (звезда), древовидная структура (дерево).
Самая простая структура - последовательная,
которая обладает рядом недостатков:
отсутствие резервирования;
отсутствие изоляции отказов - отказ одного
устройства может привести к отказу всей цепочки;
взаимное влияние - паразитный трафик
воздействует на всю цепочку;
избыточные требования к коммутаторам -
коммутаторы в цепочке обслуживают трафик других коммутаторов.
Кольцевая топологическая структура лучше
предыдущей, так как имеется некоторое резервирование: при наличии одной точки
отказа, возможна работа остальных узлов. Все остальные проблемы цепочки
остаются. К ним добавляется еще один недостаток: необходимость настройки
сетевого протокола, который позволяет избежать образования логических петель и
время срабатывания этого протокола при отказе узла в кольце.
Древовидная топологическая архитектура является
частным случаем радиальной архитектуры. Особенность такой топологии в том, что
все коммутаторы доступа изолированы друг от друга и единственной точкой их
сохранения является коммутатор вышестоящего уровня иерархии - агрегации. Из
этого вытекают как преимущества:
отсутствие взаимного влияния;
отсутствие лишнего трафика;
изоляция паразитного трафика;
простота поиска неполадок;
Недостатки топологии:
отсутствие резервирования связей между уровнями
агрегации и доступа;
наличие единой точки отказа - коммутатора
агрегации;
Таким образом, для обеспечения повышенной
надежности и резервирования лучше использовать топологическую модель кольца.
Кольца обычно создают на уровнях опорной сети и доступа.
Рис.2.2 «Типовые топологические структуры».
.3 Выбор и расчет оборудования для сети
широкополосного доступа
В настоящее время достаточно много
производителей телекоммуникационного оборудования. На российском рынке на
сегодняшний день пользуется большим спросом оборудование иностранных
производителей, таких как Alcatel, Cisco, NEC, Huawei, D-link и т.д. Но в связи
сложившейся экономической ситуацией в стране правительство РФ старается
сократить импортозамещение зарубежного телекоммуникационного оборудования и
призывает операторов использовать отечественную продукцию. К популярным
производителям оборудования в РФ относятся Qtech, Протей и др.
Таким образом в данном курсовом проекте будем
использовать оборудование производителя Qtech, технические характеристики
которого приведены в приложении 1,2.
Таблица 2.4 «Технико-экономические
характеристики коммутаторов доступа».
|
Наименование
|
Описание
|
Цена,
руб
|
|
QSW-2910-28T-AC
|
Коммутатордоступа
24*10/100BaseT, 4*комбо GE (100/1000BaseX SFP и 10/100/1000BaseT) AC 220В
|
15832
|
Таблица 2.5 «Технико-экономические
характеристики коммутаторов агрегации».
|
Наименование
|
Описание
|
Цена,
руб
|
|
QSW-8330-40F
|
Управляемый
коммутатор уровня L3 (24 порта 100/1000BASE-X SFP, 8 портов
10/100/1000BASE-T, 8 портов 1000/10000BASE-X SFP+, 32K MAC-адресов, 16К L3
маршрутов, 4K VLAN, MPLS, L3VPN, IPv6. 220В АС, DC -36V~-72V)
|
204135
|
Также в данном курсовом проекте используются
шкафы для установки телекоммуникационного оборудования производителя Qtech,
технические характеристики которых приведены в приложении 3.
.4 Расчет оборудования для услуг передачи речи
В данном разделе курсового проекта необходимо
рассчитать оборудование абонентского шлюза UA 5000.
В шлюзе доступа UA 5000 для включения аналоговых
абонентских линий используются платы ASL емкостью 32 порта. Количество плат ASL
определяется по формуле:
где
-
число абонентских линий, включаемых в данный медиашлюз доступа;
- число портов в
одной печатной плате.
Для размещения 24 - х линейных плат используются
две полки с фронтальным доступом. Одна главная HABD, которая предоставляет 12
слотов для включения линейных плат и одна вспомогательная полка для расширения
- HABF, предоставляющая 18 слотов для линейных плат. Технические характеристики
полок приведены в приложении 4,5.
Полки устанавливаются в уличный
стативONU-F01D500 с фронтальным доступом, максимальное число портов у которого
равно 960, что и удовлетворяет требованию (число абонентских линий равно 774).
Таким образом, в ходе расчетов выяснили, что в
курсовом проекте достаточно использовать один абонентский шлюз UA 5000. Шлюз
установим на технический этаж дома, расположенному по улице Ворошилова 49.
Используя карту района проектирования,
полученную из Интернета (рисунок 2.5.1), составим топологическую схему сети.
Рис.2.5.1. «Карта района проектирования».
Прежде чем приступить к разработке ситуационной
схемы сети проектирования необходимо выбрать тип кабеля и способ прокладки
кабеля. Кабель связывающий узел агрегации с узлами доступа, и узлы доступа
между собой будет оптический подвесной. Подвесной оптический кабель
используется для соединения между домами.
Соответственно типы кабелей будут разными. Между
домами рекомендовано протягивать кабель ОКП-Т-1/3(2,4)Сп-4(2). В квартиры от
узлов доступа прокладывается медный кабель 5 категории, а именно ParLan™
U/UTPcat 5ePVC. От абонента до шлюза доступа проложен кабель ТПП. На доме
находится по 2 или 3 узла доступа, объединенных в кольцо. Шлюз доступа
находится на техническом этаже дома по ул. Ворошилова 47. Узел агрегации
расположили на доме по ул.Ворошилова 49.
Технические характеристики кабелей приведены в
приложении 6.
Рис.2.5.2. «Топологическая схема района
проектирования».
Рис.2.5.3. «Ситуационная схема района
проектирования».
Рис. 2.5.4 «Схема подключения терминалов к сети
пользователя».
Рис.2.5.5 «Схема абонентской кабельной сети в
подъезде».
Рис.2.5.6. «Подключение оборудования в квартире
пользователя».
.6 Разработка структурной схемы сети доступа
Разработка структурной схемы сети абонентского
доступа основывается на разработанных топологической и ситуационной схемах и
расчетах оборудования.
Проектируемая сеть разделена на 13 колец доступа
(КД), объединенных узлом агрегации (УА). Каждое кольцо доступа состоит из узлов
доступа (УД), которые объединены оптическим кабелем по топологии «кольцо» в
сеть абонентского доступа. Строительство узлов доступа осуществляется на базе
коммутаторов 24-х портов выбранного производителя в предыдущем разделе. Узлы
доступа располагаются на технических этажах домов.
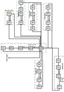
Рис.2.6 «Пример сети абонентского доступа,
построенной по технологии MetroEthernet».
3.Расчет трафика сети MetroEthernet.
.1 Расчет трафика услуг телефонии
сеть абонентский доступ трафик
При предоставлении услуги телефонии на
мультисервисной сети источниками информационных потоков являются узлы доступа,
узлы управления и узлы шлюзов с другими сетями. Значение информационных потоков
в каналах связи при предоставлении услуги телефонии определяется путем
распределения информационных потоков, поступающих в сети при предоставлении
данной услуги, по каналам связи. Для определения информационных потоков,
поступающих в сеть вначале необходимо:
произвести распределение абонентской нагрузки
между УД и пограничными узлами с другими сетями;
определить количество телефонных соединений,
устанавливаемых между узлами и внутри узлов сети.
Данные действия проводятся на основании Норм
технологического проектирования городских и сельских телефонных сетей.
Нагрузка услуги телефонии рассчитывается по
первой формуле Эрланга:
где
-
количество абонентов, обслуживаемых шлюзом соответствующего узла доступа.
- удельная
нагрузка на линию абонентов телефонии в ЧНН.
Значение удельной нагрузки на линию абонентов
телефонии в ЧНН
Эрл
Все выполненные расчеты сведены в таблицу.
Таблица 3.1.1 «Распределение нагрузки телефонии
по узлам доступа».
|
№
узла доступа
|
Кол-во
абонентов телефонии
|
Удельная
нагрузка на линию абонентов телефонии
|
Нагрузка
услуги телефония
|
|
1
|
30
|
0,1
|
3
|
|
2
|
30
|
0,1
|
3
|
|
3
|
30
|
0,1
|
3
|
|
4
|
30
|
0,1
|
3
|
|
5
|
30
|
0,1
|
3
|
|
6
|
29
|
0,1
|
2,9
|
|
7
|
30
|
0,1
|
3
|
|
8
|
30
|
0,1
|
3
|
|
9
|
30
|
0,1
|
3
|
|
10
|
29
|
0,1
|
2,9
|
|
11
|
30
|
0,1
|
3
|
|
12
|
30
|
0,1
|
3
|
|
13
|
30
|
0,1
|
3
|
|
14
|
29
|
0,1
|
2,9
|
|
15
|
30
|
0,1
|
3
|
|
16
|
30
|
0,1
|
3
|
|
17
|
30
|
0,1
|
3
|
|
18
|
29
|
0,1
|
2,9
|
|
19
|
30
|
0,1
|
3
|
|
20
|
30
|
0,1
|
3
|
|
21
|
30
|
0,1
|
3
|
|
22
|
29
|
0,1
|
2,9
|
|
23
|
30
|
0,1
|
3
|
|
24
|
30
|
0,1
|
3
|
|
25
|
30
|
0,1
|
3
|
|
26
|
29
|
0,1
|
2,9
|
|
Итого
|
774
|
|
77,4
|
Нагрузка, поступающая на узел доступа, будет
распределяться следующим образом:
внутри шлюза соответствующего узла доступа;
внутри кольца;
на узел агрегации.
Нагрузка распределяется по направления в
зависимости от коэффициента тяготения. Нагрузка, замыкающаяся внутри шлюза,
рассчитывается по формуле 3.1.2.
где n- процент нагрузки замыкающейся внутри
шлюза. Примем 2%.
Для дальнейших расчетов необходимо вычислить
нагрузку генерируемую шлюзом в кольцо и на узел агрегации. Для этого из общей
нагрузки исключается нагрузка, замыкающаяся внутри шлюза формула 3.1.3.
Пример для расчета УД1:
Таблица 3.1.2 «Сводная таблица по трафику
телефонии».
|
№
Узла
|
Нагрузка,
генерируемая абонентами, Эрл
|
Нагрузка
внутри шлюза, Эрл
|
Нагрузка,
исходящая от шлюза, Эрл
|
Трафик,
исходящий от шлюза, Мбит/с
|
Трафик
от узла, идущий на УА, Мбит/с
|
|
1
|
3
|
0,06
|
2,94
|
0,28
|
0,16
|
|
2
|
3
|
0,06
|
2,94
|
0,28
|
0,16
|
|
3
|
3
|
0,06
|
2,94
|
0,28
|
0,16
|
|
4
|
3
|
0,06
|
2,94
|
0,28
|
0,16
|
|
5
|
3
|
0,06
|
2,94
|
0,28
|
0,162
|
|
6
|
2,9
|
0,058
|
2,842
|
0,27
|
0,152
|
|
7
|
3
|
0,06
|
2,94
|
0,28
|
0,16
|
|
8
|
3
|
0,06
|
2,94
|
0,28
|
0,16
|
|
9
|
3
|
0,06
|
2,94
|
0,28
|
0,162
|
|
10
|
2,9
|
0,058
|
2,842
|
0,27
|
0,152
|
|
11
|
3
|
0,06
|
2,94
|
0,28
|
0,16
|
|
12
|
3
|
0,06
|
2,94
|
0,28
|
0,16
|
|
13
|
3
|
0,06
|
2,94
|
0,28
|
0,162
|
|
14
|
2,9
|
0,058
|
2,842
|
0,27
|
0,152
|
|
15
|
3
|
0,06
|
2,94
|
0,28
|
0,16
|
|
16
|
3
|
0,06
|
2,94
|
0,28
|
0,16
|
|
17
|
3
|
0,06
|
2,94
|
0,28
|
0,162
|
|
18
|
2,9
|
0,058
|
2,842
|
0,27
|
0,152
|
|
19
|
3
|
0,06
|
2,94
|
0,28
|
0,16
|
|
20
|
3
|
0,06
|
2,94
|
0,28
|
0,16
|
|
21
|
3
|
0,06
|
2,94
|
0,28
|
0,162
|
|
22
|
2,9
|
0,058
|
2,842
|
0,27
|
0,152
|
|
23
|
3
|
0,06
|
2,94
|
0,28
|
0,16
|
|
24
|
3
|
0,06
|
2,94
|
0,28
|
0,16
|
|
25
|
3
|
0,06
|
2,94
|
0,28
|
0,162
|
|
26
|
2,9
|
0,058
|
2,842
|
0,27
|
0,152
|
.2 Расчет транспортного ресурса узлов доступа по
классам трафика
Услуга телефонии является одной из широко
востребованных традиционных сервисов, наряду с передачей данных (доступ в
Интернет) и предоставление цифрового телевидения (IPTV).
Кодек G.711 является минимально необходимым для
оборудования VoIP .В местных сетях NGN общего пользования для преобразования
речи в пакетный формат наиболее часто применяется кодек G.711, поскольку он
обеспечивает наилучшее качество передачи речи с наименьшей задержкой. Вопрос
экономии полосы пропускания пакетной сети при этом зачастую является вторичным,
поскольку сеть полностью принадлежит оператору и стоимость передачи пакетного
трафика практически не зависит от его объёмов.
Расчет полосы пропускания кодека G.711
выполняется следующим образом. Сначала вычислим пакетную скорость. В пакетной
телефонии один отсчёт кодека G.711 оцифровывает 10 мс речи и формирует 80 байт
закодированной информации. Для сохранения задержки оцифровки и пакетизации в
допустимых пределах, в один пакет протокола реального времени помещаются два
отсчёта кодека G.711, что составляет 160 байт полезной нагрузки протокола RTP:
где
-
длина полезной нагрузки пакета RTP в байтах;
- размер отсчета
кодека в байтах.
где
-
время пакетизации (задержка накопления пакета);
- длительность
отсчета в миллисекундах.
Скорость передачи пакетов RTP при этом равна:
PPS = 50 пакетов/с.
С учётом избыточности, добавляемой протоколами
RTP, UDP, IP, и на канальном и физическом уровне Ethernet, размер пакета
составит:
где
-
длина заголовка протокола RTP, 12 байт;
- длина заголовка
протокола UDP, 8 байт;
- длина заголовка
протокола IP, 20 байт;
-суммарная длина
заголовков, добавляемых на канальном и физическом уровнях Ethernet, 38 байт (6
байт МАС-адрес источника, 6 байт МАС-адрес получателя, 2 байта тип кадра, 4
байта контрольная сумма FCS, 7 байт преамбула, 1 байт флаг начала кадра SFD, 12
байт межкадровый интервал IPG).
Результирующая скорость информационного потока
на
физическом уровне от одного голосового канала будет равна:
где
-
битовая скорость на физическом уровне технологии Ethernet, бит/с.
При расчете интенсивности телефонного трафика
необходимо учесть удельную нагрузку от абонентов телефонии в ЧНН. Она равна 0,1
Эрл на одного абонента.
Трафик, замыкающийся внутри узла, рассчитывается
исходя из матрицы тяготения телефонии.
Таблица 3.2.1 «Матрица тяготения телефонии, %»

Пример для расчета УД6:
Таблица 3.2.2«Матрица распределения трафика для
телефонии, Мбит/с».
Трафик, идущий в магистраль, рассчитывается
исходя из матрицы тяготения телефонии, как разность исходящего от шлюза трафика
и трафика замыкающегося внутри кольца.
Таблица 3.2.3 «Сводная таблица телефонии по
типам трафика, Мбит/с»
|
Узел
|
Трафик
замыкающийся внутри узла
|
Трафик
от узла, замыкающийся внутри кольца
|
Трафик
от узла, идущий в магистраль
|
Трафик,
генерируемый узлом
|
|
1
|
0,06
|
0,12
|
0,16
|
0,28
|
|
2
|
0,06
|
|
0,16
|
0,28
|
|
3
|
0,06
|
0,12
|
0,16
|
0,28
|
|
4
|
0,06
|
|
0,16
|
0,28
|
|
5
|
0,06
|
0,118
|
0,162
|
0,28
|
|
6
|
0,058
|
|
0,152
|
0,27
|
|
7
|
0,06
|
0,12
|
0,16
|
0,28
|
|
8
|
0,06
|
|
0,16
|
0,28
|
|
9
|
0,06
|
0,118
|
0,162
|
0,28
|
|
10
|
0,058
|
|
0,152
|
0,27
|
|
11
|
0,06
|
0,12
|
0,16
|
0,28
|
|
12
|
0,06
|
|
0,16
|
0,28
|
|
13
|
0,06
|
0,118
|
0,162
|
0,28
|
|
14
|
0,058
|
|
0,152
|
0,27
|
|
15
|
0,06
|
0,12
|
0,16
|
0,28
|
|
16
|
0,06
|
|
0,16
|
0,28
|
|
17
|
0,06
|
0,118
|
0,162
|
0,28
|
|
18
|
0,058
|
|
0,152
|
0,27
|
|
19
|
0,06
|
0,12
|
0,16
|
0,28
|
|
20
|
0,06
|
|
0,16
|
0,28
|
|
21
|
0,06
|
0,118
|
0,162
|
0,28
|
|
22
|
0,058
|
|
0,152
|
0,27
|
|
23
|
0,06
|
0,12
|
0,16
|
0,28
|
|
24
|
0,06
|
|
0,16
|
0,28
|
|
25
|
0,06
|
0,118
|
0,162
|
0,28
|
|
26
|
0,058
|
|
0,152
|
0,27
|
.3 Расчет трафика Интернет
В основе услуги доступа в интернет лежат связи
типа клиент-сервер.
В наиболее простой схеме услуги доступа в
интернет должны быть клиент, сервер и определенный протокол обмена данными
между ними. В настоящее время услуги доступа в интернет получили наибольшее
распространение:
всемирная паутина (WWW - WorldWideWeb) -
распределенная система, предоставляющая доступ к связанным между собой
документам, расположенным на различных устройствах, подключённых к
интернету;2.0 - интернет проекты и сервисы, активно развиваемые и улучшаемые
самими пользователями (блоги, вики-проекты, социальные сети);
веб-форум - класс веб-приложений для организации
общения посетителей веб-сайта;
файлообменная сеть - эмуляция одноранговой
компьютерной сети для совместного использования файлов, основанная на
равноправии участвующих в обмене файлами (каждый участник одновременно является
и клиентом и сервером);
платежные системы - системы расчетов между
финансовыми организациями, бизнес организациями и интернет пользователями при
покупке-продаже товаров и за различные услуги через интернет (электронная
версия традиционных платежных систем);
интернет-радио (веб-радио) - услуга передачи
потоковой аудиоданных через интернет;
интернет-телевидение (on-lineTV) - услуга
потоковой передачи видеоданных через интернет;(InstantMessagingService) и IRC
(InternalRelayChat) - служба и протокол передачи мгновенных
сообщений;(FileTransferProtocol) - протокол и услуга по передаче файлов через
интернет;
поисковые системы - программно-аппаратный
комплекс с веб-интерфейсом, предоставляющий возможность поиска информации в
интернете;
удаленное управление - услуга передачи
постоянных видов деятельности менеджмента за пределы организаций.
Как показывает практика, большая часть подобных
услуг используются в процессе работы пользователя с интернетом. Наиболее часто
используемые реализации услуги доступа в интернет WWW и FTP.
В силу специфики услуги доступа в интернет,
трафик, исходящий от пользователя в виде запроса значительно меньше, чем трафик
в виде загружаемой информации исходящей от сервера. Также, существует большое
количество других услуг передачи данных с соответствующими протоколами обмена
данными, на прикладном уровне. Однако при инкапсуляции все они последовательно
упаковываются в TCP/IP/Ethernet кадр. В отличие от стека RTP/UDP, который может
сразу же начать передачу пакетов, TCP устанавливает соединения, которые должны
быть созданы перед передачей данных. То есть в отличие от UDP, TCP гарантирует
целостность передаваемых данных и уведомляет отправителя о результатах
передачи.
Рис.3.3.1 Схема предоставления услуг доступа в
Интернет.
Вследствие исторического развития сети
MetroEthernet, наибольшую долю в общем потоке передаваемой информации занимает
именно услуга передачи данных, а точнее доступа в интернет и обращения к
файловым серверам, подключенным к уровням ядра и агрегации.
В данном разделе курсового проекта используются
тарифные планы оператора связи ОАО «ВымпелКом»г. Хабаровска.
Таблица 3.3.1 «Тарифные планы ОАО «ВымпелКом»г.
Хабаровска.
|
Тариф
|
Скорость,
Мбит/с
|
Абонентская
плата, руб/месяц
|
|
«Моно
+10»
|
10
|
650
|
|
«Моно
+15»
|
15
|
700
|
Распределение абонентов по соответствующему
тарифному плану в процентном соотношении выглядит следующим образом:
Тариф «Моно +10» - 80% абонентов.
Тариф «Моно +15» - 20% абонентов.
Количество абонентов подключенных к тарифному
плану j определяется по формуле:
где
-
количество абонентов узла доступа пользующихся услугой доступа в Интернет.
- процент
абонентов, пользующихся k-м тарифом;- номер узла доcтупа;номер тарифа.
Пример расчета для УД1:
На основе этих данных составим распределение
абонентов в численном составе по тарифным планам.
Таблица 3.3.2 «Распределение абонентов по
соответствующему тарифному плану в численном соотношении».
|
26
|
15
|
4
|
|
25
|
16
|
4
|
|
24
|
16
|
4
|
|
23
|
16
|
4
|
|
22
|
15
|
4
|
|
21
|
16
|
4
|
|
20
|
16
|
4
|
|
19
|
16
|
4
|
|
18
|
15
|
4
|
|
17
|
16
|
4
|
|
16
|
16
|
4
|
|
15
|
16
|
4
|
|
14
|
15
|
4
|
|
13
|
16
|
4
|
|
12
|
16
|
4
|
|
11
|
16
|
4
|
|
10
|
15
|
4
|
|
9
|
16
|
4
|
|
8
|
16
|
4
|
|
7
|
16
|
4
|
|
6
|
15
|
4
|
|
5
|
16
|
4
|
|
4
|
16
|
4
|
|
3
|
16
|
4
|
|
2
|
16
|
4
|
|
1
|
16
|
4
|
|
Тариф
|
«Моно
+10»
|
«Моно
+15»
|
Расчет создаваемого информационного потока
группой абонентов, подключенных к УДi по тарифному плану j, осуществляется
следующим образом:
Расчет потребляемого информационного потока
группой абонентов, подключенной кузлу УДi по тарифному плану j определяется
следующим образом:
где
пропускная
способность j тарифа;
- количество
абонентов i-го узла пользующихся j тарифом.
Нагрузка трафика доступа в сеть интернет в
пакетов/с определяется по формуле:
Пример расчета для УД1:
Пример расчета для УД6:
Подобным образом рассчитывается трафик на всех
узлах доступа и все расчеты сводятся в таблицу.
Таблица 3.3.3 «Расчет интенсивности интернет
трафика».
|
Дом
|
КД
|
Узлы
доступа
|
Общее
кол-во абонентов с доступом в интернет
|
Интенсивность
интернет трафика, Мб/с
|
Общая
интенсивность интернет трафика в кольце, Мб/с
|
Интенсивность
интернет трафика, пакетов/с
|
|
57
|
1
|
1
|
20
|
220
|
440
|
|
|
|
2
|
20
|
220
|
|
|
|
61
|
2
|
3
|
20
|
220
|
440
|
|
|
|
4
|
20
|
220
|
|
|
|
3
|
5
|
20
|
220
|
430
|
|
|
|
6
|
19
|
210
|
|
|
|
59
|
4
|
7
|
20
|
220
|
440
|
|
|
|
8
|
20
|
220
|
|
|
|
5
|
9
|
20
|
220
|
430
|
|
|
|
10
|
19
|
210
|
|
|
|
49
|
6
|
11
|
20
|
220
|
440
|
|
|
|
12
|
20
|
220
|
|
|
|
7
|
13
|
20
|
220
|
430
|
|
|
|
14
|
19
|
210
|
|
|
|
43
|
8
|
20
|
220
|
440
|
|
|
|
16
|
20
|
220
|
|
|
|
9
|
17
|
20
|
220
|
430
|
|
|
|
18
|
19
|
210
|
|
|
|
47
|
10
|
19
|
20
|
220
|
440
|
|
|
|
20
|
20
|
220
|
|
|
|
11
|
21
|
20
|
220
|
430
|
|
|
|
22
|
19
|
210
|
|
|
|
45
|
12
|
23
|
20
|
220
|
440
|
|
|
|
24
|
20
|
220
|
|
|
|
13
|
25
|
20
|
220
|
430
|
|
|
|
26
|
19
|
210
|
|
|
.4 Расчет трафика IPTV
Услуга IPTV на данный момент является
приоритетной услугой в сетях MetroEthernet по причинам:
услуга IPTV требует широкой полосы, что должно
увеличить загрузку сетей и принести операторам дополнительные дивиденды;
загружая трафиком IPTV транспортные магистрали,
которые до внедрения услуг IPTV были явно недогружены, операторы MetroEthernet
могут оправдать вложения в транспортную сеть;
для пользователей передача и прием видео тоже
интересны, хотя бы потому, что среднестатистический человек получает 70...90 %
всей информации об окружающем мире посредством зрения.
Таким образом, приоритетность услуг IPTV выгодна
и пользователям, и операторам. А это значит, что те и другие пойдут навстречу
друг другу. В общем виде схема предоставления услуг IPTV и VoD (VideoonDemand)
отображена на рисунке 3.4.1. Модель предоставления услуги можно разбить на три
части: серверную (оборудование станции IPTV), транспортную (оборудование
MetroEthernet), абонентскую (оборудование пользователя).
Рис.3.4.1«Схема предоставления услуги IPTV и
VoD».
Основные функции серверной части:
прием видеосигналов и их трансляция в формат
VideooverIP;
биллинг;
мониторинг;
администрирование;
согласование форматов данных.
Основные функции транспортной части -
транспортировка видеоданных с поддержкой режимов Multicast и Unicast.
Основной функцией абонентской части является
преобразование получаемых видео данных в вид, пригодный для просмотра на TV
устройстве.
В части обмена данными технология IPTV строится
на основе принципа «клиент-сервер», тем самым объединяясь с технологией
интернета и услугами передачи данных. Однако в отличие от услуги доступа в
интернет в связи «клиент-сервер» используется режим Multicast-рассылки
(«сервер-несколько клиентов», «point-to-multipoint»).
Видео-контент размещается на видеосерверах, к
которым имеют доступ пользователи сети MetroEthernet. На стороне пользователей
между традиционным телевизором и конечным оборудование пользователя размещается
контроллеры STB (Set-TopBox), которые управляют режимом работы IPTV. Данные от
видеосерверов передаются к группам STB с использованием протокола IGMP и режима
Multicast. Также в контексте IPTV предоставляется услуга VoD, механизм реализации
которой схож с механизмом просмотра видео в web-станице в режиме Unicast.
Процесс преобразования сигналов в сети IPTV. В
настоящее время существуют три стандарта передачи цифрового видеосигнала,
которые используются в сетях IPTV: MPEG-1, MPEG-2, MPEG-4. В современных сетях
используются два последних формата, причем перспективным считается MPEG-4,
тогда как большая часть работающих в настоящее время сетей пока использует
MPEG-2.
Для организации IPTV в сети MetroEthernet
оборудование уровней доступа и агрегации помимо протокола IGMP, должно
поддерживать метод селективной рассылки - IGMPsnooping. IGMPsnooping позволяет
исключить ситуацию, когда информация дублируется для всех пользователей узла
доступа.
ЗАО «ТТК» г. Хабаровска на IPTV предоставляется
пользователям тариф «Базовый», содержащий 101 канал, за абонентскую плату 300
руб/мес.
Необходимая полоса пропускания для IPTV
рассчитывается по формуле:
где
-
полоса пропускания на один канал IPTV соответствующей четкости
- количество
одновременно просматриваемых каналов IPTV- тип четкости IPTV (SD - обычной
четкости, HD - высокой четкости).
где
−
число программ IPTV вещания.
- скорость
информационного потока.
Для цифрового телевидения, использующего MPEG2,
с разрешением 720 на 576 точек максимальная скорость информационного потока до
15 Мбит/сек, а практически используемая скорость потока 4-6 Мбит/с.Примем
Рекомендуется загружать IP-поток лишь на 75-80%,
так как иначе резко увеличиваются потери пакетов и картинка «рассыпается». С
учетом этого требования внесем 25% запас.
Исходя из этих данных, формула для расчета
нагрузки получит вид:
ОАО «ВымпелКом»г. Хабаровска предоставляет
пользователям 125 каналов цифрового телевидения (88 каналов обычной
четкости(SD) и 37 каналов высокой четкости(HD)).
Так как абоненты IPTV одновременно просматривают
не более 30% каналов, следует что требуемая полоса пропускания в кольце для
услуги IPTV должна быть:
При расчете
значение 188
- это длина транспортного пакета MPEG, в котором передается полезная нагрузка.
Полезная нагрузка состоит из двух транспортных пакетов MPEG. Поэтому общий размер
полезной нагрузки в пакете составляет 376 байт. С учетом инкапсуляции до уровня
Ethernet, общая длинна пакета IPTV составит 454.
Расчет полосы пропускания для услуги
VoD производится по формуле:
где
- % от числа абонентов IPTV
соответствующего узла
- вероятность использования услуги
VoD соответствующей четкости;- тип четкости IPTV (SD - обычной четкости, HD -
высокой четкости);
Общая полоса пропускания для услуги
VoD рассчитывается по формуле:
Примем количество абонентов,
пользующихся услугой «видео по запросу» (VOD) 20% от абонентов IPTV.
Вероятность использования этой услугой составит 10% (7% - вероятность
использования услуги VoDSD четкости, 3% - HD).
Пример расчета для УД1:
Все расчеты сведены в таблицу.
Таблица 3.4.1. «Результаты расчета
интенсивности IPTV трафика, Мбит/с».
|
КД
|
Дом
|
УД
|
Кол-во
пользователей IPTV
|
Нагрузка,
Мбит/с
|
|
|
|
|
На
УД
|
На
КД
|
На
УА
|
На
сеть
|
|
1
|
57
|
1
|
20
|
133,25
|
266,5
|
887,5
|
937,5
|
|
|
2
|
20
|
133,25
|
|
|
|
|
2
|
61
|
3
|
20
|
133,25
|
266,5
|
887,5
|
887,5
|
|
|
4
|
20
|
133,25
|
|
|
|
|
3
|
|
5
|
20
|
138,25
|
266,5
|
887,5
|
887,5
|
|
|
6
|
19
|
128,25
|
|
|
|
|
4
|
59
|
7
|
20
|
133,25
|
266,5
|
887,5
|
887,5
|
|
|
8
|
20
|
133,25
|
|
|
|
|
5
|
|
9
|
20
|
138,25
|
266,5
|
887,5
|
887,5
|
|
|
10
|
19
|
128,25
|
|
|
|
|
6
|
49
|
11
|
20
|
133,25
|
266,5
|
887,5
|
887,5
|
|
|
12
|
20
|
133,25
|
|
|
|
|
7
|
|
13
|
20
|
138,25
|
266,5
|
887,5
|
887,5
|
|
|
14
|
19
|
128,25
|
|
|
|
|
8
|
43
|
15
|
20
|
133,25
|
266,5
|
887,5
|
887,5
|
|
|
16
|
20
|
133,25
|
|
|
|
|
9
|
|
17
|
20
|
138,25
|
266,5
|
887,5
|
887,5
|
|
|
18
|
19
|
128,25
|
|
|
|
|
10
|
47
|
19
|
20
|
133,25
|
266,5
|
887,5
|
887,5
|
|
|
20
|
20
|
133,25
|
|
|
|
|
11
|
|
21
|
20
|
138,25
|
266,5
|
887,5
|
887,5
|
|
|
22
|
19
|
128,25
|
|
|
|
|
12
|
45
|
23
|
20
|
133,25
|
266,5
|
887,5
|
887,5
|
|
|
24
|
20
|
133,25
|
|
|
|
|
13
|
|
25
|
20
|
138,25
|
266,5
|
887,5
|
887,5
|
|
|
26
|
19
|
128,25
|
|
|
|
Таблица 3.4.2. «Сводная таблица по услуге VoD».
|
№
УД
|
|
|
,
Мбит/с
|
,
Мбит/с
|
,
Мбит/с
|
|
1
|
20
|
4
|
17
|
37,3
|
54,3
|
|
2
|
20
|
4
|
17
|
37,3
|
54,3
|
|
3
|
20
|
4
|
17
|
37,3
|
54,3
|
|
4
|
20
|
4
|
17
|
37,3
|
54,3
|
|
5
|
20
|
4
|
17
|
37,3
|
54,3
|
|
6
|
19
|
4
|
17
|
37,3
|
54,3
|
|
7
|
20
|
4
|
17
|
37,3
|
54,3
|
|
8
|
20
|
4
|
17
|
37,3
|
54,3
|
|
9
|
20
|
4
|
17
|
37,3
|
54,3
|
|
10
|
19
|
4
|
17
|
37,3
|
54,3
|
|
11
|
20
|
4
|
17
|
37,3
|
54,3
|
|
13
|
20
|
4
|
17
|
37,3
|
54,3
|
|
14
|
20
|
4
|
17
|
37,3
|
54,3
|
|
15
|
19
|
4
|
17
|
37,3
|
54,3
|
|
16
|
4
|
17
|
37,3
|
54,3
|
|
17
|
20
|
4
|
17
|
37,3
|
54,3
|
|
18
|
20
|
4
|
17
|
37,3
|
54,3
|
|
19
|
19
|
4
|
17
|
37,3
|
54,3
|
|
20
|
20
|
4
|
17
|
37,3
|
54,3
|
|
21
|
20
|
4
|
17
|
37,3
|
54,3
|
|
2
|
20
|
4
|
17
|
37,3
|
54,3
|
|
23
|
19
|
4
|
17
|
37,3
|
54,3
|
|
24
|
20
|
4
|
17
|
37,3
|
54,3
|
|
25
|
20
|
4
|
17
|
37,3
|
54,3
|
|
26
|
20
|
4
|
17
|
37,3
|
54,3
|
Таблица 3.4.3 «Сводная таблица по трафику всех
предоставляемых услуг абонентам».
|
№
КД
|
№
УД
|
№
Дома
|
Трафик
телефонии, Мбит/с
|
Трафик
интернет, Мбит/с
|
Трафик
IPTV, Мбит/с
|
Трафик
Vod, Мбит/с
|
|
1
|
1
|
57
|
0,16
|
440
|
266,5
|
54,3+54,3=
108,6
|
|
2
|
|
0,16
|
|
|
|
|
2
|
3
|
61
|
0,16
|
440
|
266,5
|
108,6
|
|
4
|
|
0,16
|
|
|
|
|
3
|
5
|
|
0,162
|
430
|
266,5
|
108,6
|
|
6
|
|
0,152
|
|
|
|
|
4
|
7
|
59
|
0,16
|
440
|
266,5
|
108,6
|
|
8
|
|
0,16
|
|
|
|
|
5
|
9
|
|
0,162
|
430
|
266,5
|
108,6
|
|
10
|
|
0,152
|
|
|
|
|
6
|
11
|
49
|
0,16
|
440
|
266,5
|
108,6
|
|
12
|
|
0,16
|
|
|
|
|
7
|
13
|
|
0,162
|
430
|
266,5
|
108,6
|
|
14
|
|
0,152
|
|
|
|
|
8
|
15
|
43
|
0,16
|
440
|
266,5
|
108,6
|
|
16
|
|
0,16
|
|
|
|
|
9
|
17
|
|
0,162
|
430
|
266,5
|
108,6
|
|
18
|
|
0,152
|
|
|
|
|
10
|
19
|
47
|
0,16
|
440
|
266,5
|
108,6
|
|
20
|
|
0,16
|
|
|
|
|
11
|
21
|
|
0,162
|
430
|
266,5
|
108,6
|
|
22
|
|
0,152
|
|
|
|
|
12
|
23
|
45
|
0,16
|
440
|
266,5
|
108,6
|
|
24
|
|
0,16
|
|
|
|
|
13
|
25
|
|
0,162
|
430
|
266,5
|
108,6
|
|
26
|
|
0,152
|
|
|
|
Таким образом, проанализировав все расчеты
курсового проекта можно сделать вывод, что выбранное оборудование удовлетворяет
требованиям. Выделенный трафик от УА на КД не превышает пределов допустимого
значения 1 Гбит/с. Т.о, оборудование выбрано правильно.
4.Расчет сигнального трафика на гибкий
коммутатор Softswitch
.1 Расчет транспортного ресурса шлюза доступа
Для расчета транспортного ресурса шлюза доступа
необходимо учесть нагрузку на шлюз, как со стороны магистральной линии, так и
со стороны абонентов.
Нагрузка на шлюз магистральной линии будет
определяться суммой нагрузок от услуг аналоговой телефонии, интернета и IPTV.
Произведем расчет:
.2 Расчет оборудования гибкого коммутатора
.2.1 Обзор протоколов
К сети NGN могут подключаться пользователи
различных типов. При этом для обслуживания вызовов могут использоваться
различные протоколы сигнализации.
При взаимодействии с существующими фрагментами
сети ТФОП:
непосредственное взаимодействие: ОКС7 в части
протоколов МТР, ISUP и SCCP;
взаимодействие через сигнальные шлюзы: M2UA,
M3UA, M2PA для передачи сигнализации ЩЛС7 через пакетную сеть;V5UA для передачи
сигнальной информации V5 через пакетную сеть; IUA для передачи сигнальной
информации первичного доступа ISDN через пакетную сеть;
MEGACO (H.248) для передачи информации,
поступающей по системе сигнализации по выделенным сигнальным каналам (2ВСК), R
настоящее время известны подобные реализации в части системы сигнализации R1:
требований и примеров реализации MEGACO для поддержки российской системы
сигнализации R1.5 не существует.
При взаимодействии с терминальным оборудованием:
непосредственное взаимодействие с терминальным
оборудованием пакетных сетей: SIP и H.323;
взаимодействие с оборудованием шлюзов,
обеспечивающим подключение, терминального оборудования ТФОП; MEGACO (H.248) для
передачи сигнализации по аналоговым абонентским линиям; IUA для передачи
сигнальной информации базового доступа ISDN.
При взаимодействии с другими гибкими
коммутаторами: SIP-T.
При взаимодействии с оборудованием
интеллектуальных платформ (SCP): INAP.
При взаимодействии с серверами приложений: в
настоящее время взаимодействие с серверами приложений, как правило, базируется
на внутрифирменных протоколах, в основе которых лежат технологии JAVA, XML, SIP
и др.
При взаимодействии с оборудованием транспортных
шлюзов:
для шлюзов, поддерживающих транспорт IP или
IP/ATM: Н.248, MGCP, IPDC и др.;
для шлюзов, поддерживающих транспорт АТМ: BICC.
.2.2 Расчет производительности гибкого
коммутатора
Основной задачей гибкого коммутатора при
построении распределенного абонентского концентратора являются обработка
сигнальной информации обслуживания вызова и управление установлением
соединений. Требования к производительности гибкого коммутатора определяются
интенсивностью вызовов, требующих обработки.
Интенсивность вызовов поступающих на гибкий
коммутатор от абонентов ТФОП рассчитывается по следующей формуле:
где
-
удельная интенсивность вызовов от абонентов, использующих доступ по аналоговой
телефонной линии в ЧНН. В соответствии с «ОТТ(общие технические требования) к
городским АТС»
=5выз/чнн.
- число абонентов,
использующих подключение по аналоговой абонентской линии.
Тогда общая интенсивность вызовов, поступающих
на гибкий коммутатор от источников всех типов равна:
.2.3 Определение параметров интерфейсом SX с
пакетной сетью
Параметры интерфейса подключения к пакетной сети
определяется исходя из интенсивности обмена сигнальными сообщениями в процессе
обслуживания вызовов. Сообщения передаются на гибкий коммутатор с помощью сетка
протоколов SIGTRAN. Помимо сообщений на гибкий коммутатор поступают сообщения
управления установлением соединений MGCP.
Транспортный ресурс гибкого коммутатора,
необходимый для передачи сообщений протокола MEGACO, рассчитывается по формуле:
где
-
ресурса при передаче сигнальной нагрузки,
средняя длина
сообщения (в байтах) протокола, выберем равной 114 байтам;
- среднее
количество сообщений протокола M2UA при обслуживании вызова, рекомендуется
выбрать равный 8 сообщениям;
- общая
интенсивность вызовов, поступающих на гибкий коммутатор, 1/450 -результат
приведения размерностей «байт в час» к «бит в секунду».
Тогда транспортный ресурс гибкого коммутатора,
необходимый для передачи сообщений протокола M2UA, составляет:
Аналогично, транспортный ресурс гибкого
коммутатора, необходимый для передачи сообщений протокола NGCP, рассчитывается
по формуле:
Где
-
средняя длина сообщения (в байтах) протокола MGCP, рекомендуется выбрать равной
142 битам;
- средняя
количество сообщений протокола MGCP при обслуживании вызова, рекомендуется
выбрать равной 16 сообщениями.
Суммарный минимальный полезный транспортный
ресурс гибкого коммутатора, требуемый для обслуживания вызовов в структуре
абонентского концентратора, составляет:
Вычисленный транспортный ресурс интерфейсов
гибкого коммутатора не превышает 10Мбит/с. Поэтому используем один интерфейса
10Мбит/с, этого будет достаточно.
Рассчитаем общий транспортный ресурс гибкого
коммутатора как сумму транспортного ресурса от всех категорий абонентов и
сигнального транспортного ресурса:
Полезный транспортный ресурс одного интерфейса
технологии Ethernet при передачи трафика относительного времени с
гарантированной полосой пропуская составляет 80%, т.е
.
5.Компоновка и размещение оборудования
Схема размещения аппаратуры УД
Выбираем шкаф для размещения аппаратуры. Нам
нужен 19” шкаф с металлической дверью, например:
Шкаф должен содержать достаточно места для
размещения всей нашей аппаратуры. Высота шкафа измеряется в юнитах (1U = 44
мм). Например, стандартный напольный телекоммуникационный шкаф имеет высоту
40-42U. Высота настенных шкафов варьируется от 10 до 16U.
Так же в корпусе шкафа должны быть отверстия для
ввода оптического кабеля и вывода витых пар UTP 5e.
Приводим схему размещения аппаратуры УД в 19”
шкафу:
Заключение
В курсовом проекте произвели проектирование сети
абонентского доступа. А именно проанализировали существующие технологии
построения сети абонентского доступа, топологии построения сети MetroEthernet.
Выбрали оборудования узла агрегации, узла доступа, шлюза доступа, кабели связи.
Произвели расчеты нагрузки услуг, которыми пользуются абоненты сети. А именно
это услуги телефонии, Интернет, IPTV, VOD. Нагрузка рассчитывалась в несколько
этапов (на УД, на УА, на сеть).
В результате сделали вывод о правильности
выбранного оборудования.
Таким образом, в ходе курсового проектирования
была создана сеть абонентского доступа по технологии MetroEthernet.
Список литературы
Л.В.
Якобчук, О.Б. Ананьина, методические указания к курсовому и дипломному
проектирванию «Проект сети абонентсокого доступа».
И.
Г. Бакланов, NGN: Принципы построения и организации. - М: Эко-Трендз, 2008, -
499 с.
Ю.
В. Семенов, - Проектирование сетей связи следующего поколения. - Спб.: Наука и
техника, 2005 г.
А.
Филимонов, Построение мультисервисных сетей Ethernet.: БХВ-Санкт-Петербург,
2007. - 592 с
Приложение 1
«Технические характеристики коммутаторов доступа
QSW-2910».
Приложение 2
«Технические характеристики коммутатора
агрегации QSW-8330-40F»
|
Параметр
|
QSW-8330-40F
|
QSW-8330-56F
|
QSW-8330-40T
|
QSW-8330-56T
|
|
Коммутационная
матрица
|
256
Gbps
|
256
Gbps
|
256
Gbps
|
256
Gbps
|
|
Пропускная
способность
|
168
Mpps
|
192
Mpps
|
168
Mpps
|
192
Mpps
|
|
RAM
|
256
MB
|
256
MB
|
256
MB
|
256
MB
|
|
Flash
|
16
MB
|
16
MB
|
16
MB
|
16
MB
|
|
Количество
MAC адресов
|
32K/64K
|
32K/64K
|
32K/64K
|
32K/64K
|
|
Физические
порты
|
24
порта Gigabit SFP, 8 портов Gigabit TX, 8 портов 10G SFP+
|
48
портов Gigabit SFP из них 4 комбо порта Gigabit TX, 8 портов 10G SFP+
|
32
порта Gigabit TX, 8 портов 10G SFP+
|
48
портов Gigabit TX, 8 портов 10G SFP+
|
|
Размеры
(Ш×Г×В)
|
442.5×350×44
мм
|
350×442.5×44
мм
|
442.5×350×44
мм
|
350×442.5×44
мм
|
|
Электропитание
|
AC: 100V-240V, 50Hz±10% DC: -36V~-72V
|
|
Температура
и влажность
|
Рабочая/влажность:
0 °C-50 °C; 10%-90% без образования конденсата Хранения/влажность: -20 °C-70
°C; 5%-95% без образования конденсата
|
|
MAC
таблица
|
Статическая
конфигурация MAC-адресов и динамическое изучение Настраиваемое время жизни
MAC-адреса Возможность ограниченного изучения MAC-адресов Поддержка фильтрации
MAC-адресов Black-hole MAC list
|
|
VLAN
|
4K VLAN GVRP 1:1 VLAN mapping и
N:1 VLAN mapping QinQи flexible QinQ PVLAN
|
|
STP
|
802.1D (STP), 802.1W (RSTP) и
802.1S (MSTP) BPDU Guard, root guard
|
|
Multicast
|
IGMP v1/v2/v3 IGMP Snooping IGMP Fast Leave
PIM-SM и PIM-DM
|
|
IPv4
|
Статическая
маршрутизация, RIP v1/v2, OSPF, BGP Поддержка
Policybasedrouting(PBR) Loadbalance BFD для
OSPF, BGP
|
|
IPv6
|
ICMPv6,
DHCPv6, ACLv6 и IPv6 Telnet IPv6 neighbor
discovery MLD V1/V2 IGMP snooping IPv6 Static Routing, RIPng, OSPFv3, BGP4+
Manual tunnel, ISATAP tunnel, 6to4 tunnel
|
|
MCE
|
MCE
|
|
MPLS
VPN
|
LDP protocol L2MPLS VPN L3MPLS VPN MPLS
OAM
|
|
QoS
|
8
очередей на порт Классификация трафика на основе ACL, VLAN ID, COS, TOS,
DSCP, IPv6 CAR flowlimit 802.1P/DSCP Поддержка
SP, WRR, и “SP+WRR” Поддержка
механизмов защиты от переполнения очередей TailDrop и WRED Перенаправление
потока Контроль полосы пропускания
|
|
Безопасность
|
Расширенные
и стандартные листы доступа (ACL) Механизмы защиты от DDoSатак ,TCP’s SYN
Flood , UDP Flood , и т.д. Контроль шторма на основе пакетов и байтов Portisolation
Portsecurity, и
“IP+MAC+port” binding DHCP snooping и
DHCP option 82 IEEE 802.1x Radius , Tacacs+ URPF
|
|
Надежность
и резервирование
|
1+1
powerbackup Поддержка агрегирования каналов Static/LACP EAPS VRRP GR для
OSPF,BGP BFD для OSPF,BGP ISSU VSS(*)
|
|
Управление
|
1
Mini USB (консольный порт), Telnet, SSH 2.0, Web SNMP
v1/v2/v3 TFTP RMON sFLOW
|
|
GreenEthernet
|
IEEE
802.3az
|
Приложение 3. «Характеристики шкафов»
Антивандальные шкафы для узлов доступов модели
WQSHP-60620-U
Узел доступа включает активную часть (коммутатор
доступа) и пассивную часть (шкаф, кросс).
Узел доступа состоит из монтажного шкафа,
коммутатора, оптического кросса, системы бесперебойного питания, системы
контроля доступа и необходимого комплекта сопутствующего оборудования.
Габаритные размеры монтажного шкафа составляют 400х400х150 мм. Шкафа
соответствует УХЛ1,5 ГОСТ 15150-69. Степень защиты антивандального узла от
окружающей среды - IP20.
Питание узла доступа осуществляется от сети
переменного тока с напряжением 220В. Подключение шкафа к оптоволоконной сети
осуществляется при помощи интерфейсов 1000Base-X (SFP слота) или другим
способом, в зависимости от установленного в нем активного сетевого
оборудования.
Для подключения различных устройств и их
интеграции в оптоволоконную сеть Ethernet в узле предусмотрена установка
коммутатора. Так же предусмотрена возможность установки счетчика учета
электроэнергии (Энергомера СЕ101).
Для обеспечения бесперебойной работы систем узла
доступа предусмотрена система резервирования питания 12В DC. Система включает в
себя одну аккумуляторную батарею с номинальным выходным напряжением 12В и емкостью
7-9 А/Ч . Система резервирования питания гарантирует работу шкафа в случае
отсутствия первичного питания переменного тока 220В AC. При этом обеспечивается
работа всех подсистем малогабаритного узла доступа.
Подсистема мониторинга состояния шкафа включает
в себя датчик наличия первичного питания AC 220В, встроенный датчик
температуры, датчик отрыва, Геркон срабатывающий при открывании дверцы шкафа.
Интерфейс с подсистемой мониторинга состояния шкафа реализован на основе
контроллера, передающего информацию от датчиков в сеть Ethernet.
|
Параметр
|
WQSHP-60620-U
|
WQSHP-621250
|
|
Покрытие
|
Порошково-полимерное,
RAL 7035 (серый)
|
|
Крышка
|
Цельнометаллическая,
запирающаяся на замок
|
|
Исполнение
|
Настенный
|
|
Материал
|
Низкоуглеродистая
сталь
|
Листовая
холоднокатаная сталь 1.5-2 мм
|
45
кг для 12U
|
|
|
Степень
защиты
|
IP30
|
IP20
|
Габаритные размеры
|
Артикул
изделия
|
Высота
(U)
|
Высота
(мм)
|
Ширина
(мм)
|
Глубина
(мм)
|
Масса
(кг)
|
|
WQSHP-60620-U
|
4+3
|
630
|
660
|
215
|
21
|
|
WQSHP-621250
|
1
|
400
|
400
|
150
|
10
|
Приложение 4
«Технические характеристики полки HABD шлюза
UA5000».
Полка HABD системы UA5000 является главной
полкой с фронтальным доступом и имеет высоту 10U.
Эта полка является управляющим ядром системы
UA5000. Она осуществляет конвергенцию потоков услуг, поступающих от встроенных
полок.
Две платы PWX, установленные в данной полке,
работают в режиме разделения нагрузки и взаимозамены. Две узкополосные платы
управления и две широкополосные платы управления работают в режиме горячей
замены.
Полка HABD предоставляет 18 слотов, из которых
12 слотов предназначены для линейных плат. Допускается смешанная установка
узкополосных и широкополосных линейных плат. Платы AIUB и TSSB могут быть
установлены только в определенные слоты/
Рис.10 «Схема полки HABD».
|
PWX:
Вторичная плата электропитания
|
xPMB:
Плата управления широкополосными интерфейсами (APMB/IPMB)
|
|
PVx:
Плата управления узкополосными интерфейсами (PVU8/PVU4/PVM)
|
|
RSUx:
Удаленный абонентский блок (RSU8/RSU4)
|
xSL:
Линейная плата (ASL/DSL/ADMB/VDLB/…)
|
|
AIUB:
Интерфейсная плата ATM
|
TSSB:
Плата тестирования
|
Приложение 5
«Технические характеристики полки HABF шлюза
UA5000».
Полка HABF является полкой расширения в стативе
UA5000 с фронтальным доступом и имеет высоту 10U.
Полка HABF работает под управлением полок HABD
или HABE. Полка HABD или HABE обеспечивает взаимозамену и расширяет шину к
полке HABE для управления.
Полка HABF предоставляет 18 слотов для линейных
плат.Допускается смешанная установка узкополосных и широкополосных линейных плат.
Рис.11 «СхемаполкиHABF».
Приложение 6
«Технические характеристики используемых кабелей
связи».
) ОКП-Т-1/3(2,4)Сп-4(2) (3,5кН) Кабель
волоконно-оптический 9.5/125 одномодовый, 4 волокна, с металлическим тросиком,
для подвески на опорах линий связи, для внешней прокладки (ОКП-Т-4(2)Сп),
черный.
Применение. Внутризоновый для подвески на опорах
линий связи, городского освещения и др. (за исключением опор высоковольтных
линий электропередачи), между зданиями и сооружениями и эксплуатации при
температуре окружающей среды от минус 40°С до плюс 70°С.
Технические характеристики
|
Количество
оптических волокон в кабеле, шт.
|
2
- 144
|
|
Максимальное
количество оптических волокон в одном модуле, шт.
|
12
|
|
Тип
оптических волокон, по рекомендации ITU-T
|
G.651
G.652 G.655
|
|
Коэффициент
затухания, дБ/км, не более, на длине волны: λ=1310
нм λ=1550
нм
|
0,36
0,22
|
|
*
Длина волны отсечки, нм, не более:
|
1270
|
|
*
Хроматическая дисперсия, пс/(нм*км), не более, в диапазоне длин волн:
(1285-1330) нм (1525-1575) нм
|
3,5
18
|
|
Номинальный
диаметр кабеля (Dкаб), мм
|
8,6
- 14,5
|
|
Температура
эксплуатации
|
-
40°С - +70°С
|
|
Температура
монтажа, не ниже
|
-
10 °С
|
|
Температура
транспортировки и хранения, °С
|
-
40°С - +70°С
|
|
**
Нормированная cтроительная длина, км, не менее
|
4,0
|
|
Расчетная
масса кабеля, кг/км
|
114
- 488
|
|
Допустимое
растягивающее усилие, кН
|
3,0
- 15,0
|
2)ParLan™ U/UTP cat 5e PVC
Кабель UTP парной скрутки для структурированных
кабельных систем. Предназначен для передачи сигналов с частотой до 100 МГц
(категории 5e) в сетях по стандарту ИСО/МЭК 11801 при рабочем напряжение до 145
В переменного тока. Для внутренней прокладки.
Конструкция:
Витые пары с однопроволочными медными
проводниками:диаметром 0,52 мм;
Оболочка из ПВХ пластиката (для внутренней
прокладки). Цвет оболочки - серый. На поверхности оболочки нанесена маркировка
производителя, маркировка длины (через 1 метр);
|
Марко-размер
|
Номинальный
диаметр по изоляции, мм
|
Наружный
размер (диаметр) кабеля мм
|
Масса
меди кг/км
|
Масса
кабеля* кг/км
|
Обозначение
по стандарту ИСО/МЭК 11801
|
|
ParLan™ U/UTP cat 5e 1х2х0,52
PVC
|
0,95
|
3,3
|
3,9
|
10,5
|
U/UTP1-Cat5e
|
|
ParLan™ U/UTP cat 5e 2х2х0,52
PVC
|
|
5,7
|
8,0
|
20,1
|
U/UTP2-Cat5e
|
Условия эксплуатации:
Окружающая среда:
кабель UTP для внутренней прокладки - от минус
60оС до плюс 70оС;
Прокладка и монтаж кабелей должны производиться
при температуре не ниже минус 10оС;
Минимальный
допустимый радиус изгиба при прокладке и монтаже - 8 максимальных наружных
размеров (диаметров) кабеля;