Експериментальні дослідження параметрів трифазної синхронної машини
Звіт
про лабораторну роботу
Експериментальні
дослідження параметрів трифазної синхронної машини
1. Мета роботи
Визначення параметрів
синхронної машини: синхронних індуктивних опорів
,
; індуктивного опіру зворотньої
послідовності
;
індуктивного опіру нульової послідовності
; індуктивних опорів при перехідному
процесі
,
.
. Обладнання та прилади
Трифазний синхронний генератор СГР -
4,5, №1305 номінальна потужність Рн=4,5 кВТ, f=50Гц,
cosj=0,8
, номінальна напруга Uн=230В,
номінальний ток Iн=11,2А,
номінальна частота обертів nн=1500об/хв,
збудження з мех.вапр., асинхронний двигун ВАО-52-4, комплект вимірювальних
приладів К-50, трифазний реостат, автотрансформатор РНТ-220-6, індукційний
регулятор з випрямлячем, амперметр магнітоелектричної системи з границею вимірювання
10 А.
.Зміст роботи
Для визначення параметрів трифазної синхронної
машини провести досліди:
. Дослід
ковзання;
. Дослід обертання ротора проти поля
статора;
. Визначення індуктивного опіру
нульової послідовності;
4. Визначення індуктивного опіру несталих
режимів статичним методом.
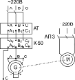
а) б)
в)
Рис.1 - Схеми дослідів
а) Схема досліду ковзання
б) Схема для
визначення
в) Схема для
визначення
,
. Дослід ковзання
Зібрати схему рис. 1.а).
Включити приводний двигун (М) і помітити напрямок обертання ротора приводного
двигуна, отож і ротора синхронної машини. Відключити приводний двигун.
Обмотку збудження синхронної машини (СМ)
замкнути накоротко. За допомогою автотрансформатора піднімаємо напругу від нуля
до величини при якій ротор синхронної машини почне обертатися за рахунок
реактивного електромагнітного моменту. Помітити напрямок обертання ротора
синхронної машини.
У досліді ковзання напрямок
обертання ротора синхронної машини повинен бути таким, як і від приводного
двигуна (М). Якщо, напрямок обертання ротра СМ протилежний двигуну М, слід змінити
напрямок обертання або машини М, або напрямок обертання СМ, зміною порядка
проходження фаз на одній із машин.
Збіг напрямку обертання магнітного
поля статора з напрямком обертання ротора СМ можна визначити за допомогою
вольтметра PV
постійного струму з двосторонньою шкалою (рис. 1,а). Ротор СМ обертають
приводним двигуном М, а до обмотки статора СМ, за допомогою АТ, подається
знижувальна напруга. Якщо стрілка прилада PV
коливається навколо нуля робиться висновок, що поле статора і ротор обертаються
у одному напрямку.
Після виконаної цієї операції
приступити до виконання досліду. Включити двигун М, до обмотки статора за
допомогою АТ підвести знижувальну напругу. Взаємне просторове положення вісей
магнітного поля статора і ротора у досліді змінюється у часі. При збіганні вісі
поля статора із віссю полюсів ротора індуктивний опір буде найбільшим у
наслідок найменшого повітряного зазору на шляху магнітного потоку і буде
відповідати синхронному індуктивному опору
по повздовжній вісі.
Коли вісь обертаючого поля
виявиться у середині між сусідніми полюсами ротора, індуктивний опір буде
найменшим унаслідок великого повітряного зазору на шляху магнітного поля
статора і буде відповідати синхронному індуктивному опору
по
поперечній вісі. При зміні індуктивного опору струм статора, у досліді
ковзання, буде змінюватись у границях від
до
, а напруга, відповідно, від
до
.
Таблиця 1. До
розрахунку синхронних опорів
та
.
|
№п/п
|
, А , А , В , В
|
|
|
|
|
1
|
2,4
|
7,2
|
85
|
82
|
·
Синхронний індуктивний опір
визначається
по формулі:
,Ом
Відповідно,
,Ом
· Синхронний індуктивний опір
визначається
по формулі:
,Ом
Відповідно,
,Ом
. Дослід обертання ротора проти поля
статора
Він виконується для визначення
індуктивного опору зворотньої послідовності.
Для дослідження використовуємо схему
досліду ковзання (рис.1,а).
Змінив напрямок обертання поля статора на зворотнє шляхом заміни місцями
приєднаних до мережі виводів будь яких двох фаз обмотки статора, обмотку
збудження у схемі замикаємо накоротко. Усі зміни у схемі виконуємо при
нерухомому роторі і відключеній від мережі машині.
Дослід виконуємо при номінальній
частоті обертання ротора, що відповідає ковзанню 200%. Напругу, підведену до
обмотки статора, збільшуємо від нуля до значення, при якому струм статора буде
складати 40-60 % від номінального струму якоря, записуємо показання амперметра
і вольтметра у колі обмотки статора до табл.2.
Таблиця 2. До
розрахунку синхронного опору
.
|
№п/п
|
, А , В
|
|
|
1
|
9
|
30
|
Індуктивний опір
визначається
по формулі:
Відповідно,
,Ом
6. Дослідне визначення індуктивного
опору нульової послідовності
Цей дослід виконується при обертанні
ротора СМ з номінальною частотою обертання. Обмотка збудження замикається
накоротко (рис.2, б).
Три фази обмотки статора СМ
з’єднуємо паралельно і живимо зниженим однофазним струмом близьким до
номінального значення. Заповнюємо табл.3.
Таблиця 3. До
розрахунку опору
нульової
послідовності
.
|
№п/п , А , В
|
|
|
|
1
|
25
|
9,5
|
Опір x0
визначається по формулі:
,Ом
Відповідно,
,Ом
. Дослідне визначення індуктивних
опорів несталого режиму статичним методом
Дослід виконуємо при нерухомому
роторі СМ відповідно до рис.1, в. Обмотку збудження ротора СМ замикаємо
накоротко через амперметр електромагнітної системи, який потрібен для
визначення положення ротора відносно вісі поля статора. Обмотка статора
живиться двофазною напругою (рис.1, в), струм обмотки статора створює пульсуюче
магнітне поле.
До обмотки статора СМ підводимо
напругу змінного струму такої величини, щоб струм у обмотці статора СМ був
приблизно дорівнює номінальному. Повільно обертаючи ротор рукою, установити
його “повздовжнє” положення, при якому струм обмотки збудження буде найбільшим.
Регулюючи напругу АТ, установити струм у обмотці статора максимальним. Потім,
відпустив ротор від утримання руками, ротор сам стане у положення при якому
струм у обмотці збудження буде рівним нулю, тобто ротор установиться у
«поперечне» положення.
Показання приладів К-50 заносимо до
табл.4.
Таблиця 4. До розрахунку
індуктивних опорів несталого режиму
та
.
, А , А , В
|
|
|
|
1
|
2,5
|
9,5
|
30
|
·
Значення перехідного індуктивного опіру продольної вісі визначається по
формулі:
,Ом
Відповідно,
,Ом
· Значення
перехідного індуктивного опіру по поперечній вісі визначається по формулі:
,Ом
Відповідно,
,Ом
,Ом
8. Розрахункова частина роботи
При
В та
=11,2 А
виразимо опори
,
,
,
,
,
у
системі відносних одиниць та порівняємо їх зі значення опорів з даними таблиці для
явнополюсних синхронних машин.
За базовий опір приймемо:
Ом
Таблиця 5. Значення
індуктивних опорів у явнополюсних синхронних машин, (в.о.)
|
    
|
|
|
|
|
|
|
Теоретичні значення
|
0.6-1.6
|
0.4-1.0
|
0.25-0.6
|
0.4-1.0
|
0.15-0.75
|
0.04-0.25
|
|
Експериментальні значення
|
1,39
|
0,98
|
0,13
|
0,51
|
0,26
|
0,098
|
Отже, усі розрахункові дані з табл.5
є достовірними у порівнянні з теоретичними, окрім тих, що отримані при
дослідному визначенні індуктивних опорів несталого режиму статичним методом,
адже цей метод виявився найбільш неточним із-за людського фактору.
За даними л.р. №2 будуємо у одній
системі координат у відносних одиницях розрахункову характеристику холостого
ходу і характеристики короткого замикання.
|
,
в.о.00,531,01,231,31,41,461,51
|
|
|
|
|
|
|
|
|
|
,
в.о.00,51,01,52,02,53,03,5
|
|
|
|
|
|
|
|
|
Індуктивні опори розраховуються по
формулам:
а) індуктивний опір прямої
послідовності
б) індуктивний опір
зворотньої послідовності
в) індуктивний опір нульової
послідовності
. Визначення кратності ударного
струму короткого замикання
Визначення кратності ударного струму
короткого замикання
Ударним струмом короткого
замикання синхронної машини називається найбільш можливе миттєве значення
струму (
) статора
синхронної машини при миттєвому несподіваному короткому замиканні усіх трьох
фаз.
Під кратністю ударного струму
розуміють
відношення
до
амплітуди номінального струму статора (
):
де
- відносне
значення синхронного перехідного індуктивного опору по повздовжній вісі.
Висновки
синхронний генератор
трифазний
При виконанні лабораторної
роботи ми визначили параметри синхронної машини, а саме: синхронні індуктивні
опори
,
,
;
індуктивний опір зворотної послідовності
; індуктивний опір нульової
послідовності
; індуктивні
опори при перехідному процесі
,
.
Отримані значення опорів ми
порівняли зі
значеннями
цих опорів за даними таблиці для
явнополюсних синхронних машин і зробили висновок,
що отриманні значення знаходяться у заданому діапазоні.
Різниця у значеннях опорів зумовлена неточністю у вимірюванні і впливом вищих
гармонік у кривих струмів та напруг.