Расчет цилиндрического редуктора
ПЕРЕЧЕНЬ УСЛОВНЫХ ОБОЗНАЧЕНИЙ, СИМВОЛОВ И ТЕРМИНОВ
Расшифровка символов
R
- конусное расстояние, мм;
- окружная
сила, Н;
- осевая
сила, Н;
-
радиальная сила, Н
Т - вращающий момент, Н х м;- модуль
передачи;
- ширина
колеса, мм- передаточное число;
- длина шпонки, мм- мощность на
валу привода, кВт;
- ширина
шкива, мм;
Условные обозначения
КПД - коэффициент полезного действия
ВВЕДЕНИЕ
Машиностроению принадлежит ведущая роль среди
других отраслей народного хозяйства, так как основные производительные процессы
выполняют машины. Поэтому и технический уровень всех отраслей народного хозяйства
в значительной мере определяется уровнем развития машиностроения.
На основании развития машиностроения
осуществляются комплексная механизация и автоматизация производительных
процессов в промышленности, строительстве, сельском хозяйстве, на транспорте.
Одним из основных факторов решения проблем,
связанных в бесперебойном производстве, является конвейер. Любой конвейер
немыслим без передаточного механизма. Одним из связующих узлов данного
механизма является редуктор. В современной промышленности применяются
разнообразные виды редукторов.
Редуктором называют механизм, состоящий из
зубчатых или червячных передач, выполненный в виде отдельного агрегата и
служащий для передачи вращения от вала двигателя, к валу рабочей машины.
Кинематическая схема привода может включать, помимо редуктора, открытые
зубчатые, цепные или ременные передачи.
Назначение редуктора - понижение угловой
скорости и соответственно повышению вращающего момента ведомого вала по
сравнению с ведущим. Редуктор состоит из корпуса (литого чугунного или сварного
стального), в котором помещены элементы передачи - зубчатые колеса, валы,
подшипники и т.д. В отдельных случаях в корпусе редуктора размещают также
устройства для смазывания зацеплений и подшипников.
В данном курсовом проекте представлен косозубый
редуктор, основная задача которого отрегулировать вращательное движение в
нужное поступательное для подачи (вывода) соответствующих элементов
производства.
1. КРАТКОЕ ОПИСАНИЕ
УСТРОЙСТВА и ПРИНЦИПА ДЕЙСТВИЯ РАЗРАБАТЫВАЕМОГО ИЗДЕЛИЯ
Согласно кинематической схеме вращающий момент
передается от вала электродвигателя на ременную передачу, затем на
цилиндрическую прямозубую передачу редуктора. Цилиндрическая передача в данном
редукторе обеспечивает взаимно параллельное расположение входного и выходного
валов.
Далее момент передаётся на муфту. Затем на
привод ленточного конвейера. Эта передача относится к передачам зацеплением.
Расчет редуктора выполнен на основании заданных
ленточного транспортера.
2. РАСЧЁТНО-КОНСТРУКТОРСКИЙ РАЗДЕЛ
муфта вал подшипник редуктор
2.1 Выбор
электродвигателя, кинематический и силовой расчёты привода
.1.1 Выбор
электродвигателя
Для выбора электродвигателя требуется:
Требуемая мощность электродвигателя, кВт; Рпотр
определяется по формуле (2.1):
(2.1)
Где
- необходимая мощность на ведущем
барабане транспортёра, кВт; определяется по формуле (2.2);
(2.2)
Где F
- усилие на барабане транспортёра,
кН; F=2,48 кH; определено по заданию на проектирование;
- скорость барабана транспортёра,
м/с; =0,76 м/с; определена по заданию на проектирование.
(2.3)
Где КПД цепной передачи;
=0,95;
определено по (
, с.5);
- КПД зубчатой передачи;
= 0,98;
определено по (
, с.5);
- КПД подшипников;
=0.99;
определено по (
, с.5)
Ориентировочная частота вращения
вала электродвигателя, n
, об/мин;
определяется по формуле (2.4).
n
(2.4)
Где n
- частота вращения вала барабана
транспортёра, об/мин; определяется по формуле (2.5);
-
ориентировочное общее передаточное число привода; определяется по формуле
(2.6).
Частота вращения вала барабана
транспортёра n, об/мин определяется по формуле (2.5):
(2.5)
где Д
- диаметр ведущего барабана транспортёра,
мм; Д
=380 мм;
определен по заданию на проектирование.
(2.6)
где U
- ориентировочное передаточное
число ременной передачи; U
=3;
определено по (
, с.6);
-
ориентировочное передаточное число зубчатой цилиндрической передачи; U
=4;
определено по (
, с.6).
После выбора электродвигателя
требуется уточнить общее передаточное число привода U
; по формуле
(2.7); фактическое передаточное число открытой передачи U
; по
формуле (2.8); в редукторе оставляется стандартное передаточное число U
=4:
(2.7)
(2.8)
Подстановкой указанных выше значений
в формулу (2.6) и (2.5) получено:
об/мин
Подстановкой полученных выше
значений U
и n
в формулу
(2.4) получено:
об/мин
Подстановкой выше указанных значений
в формулу (2.3) получено:
Подстановкой выше указанных значений
в формулу (2.2) получено:
кВт.
Подстановкой выше указанных значений
в формулу (2.1) получено:
кВт.
Согласно полученным данным:
кВт.
кВт.
Выбирается электродвигатель №
132М6/970 из [1], с.321; со стандартными значениями:
Р
= 2.2 кВт;
= 700
об/мин.
Подстановкой значений в формулу
(2.7) и (2.8) получено:

.1.2
Кинематический и силовой расчёт привода
Вращающие моменты М
,М
и М
, Н
м; на валах
привода определяются по формулам (2.9), (2.10), (2.11):
М
(2.9)
М
(2.10)
М
(2.11)
Где Р
- мощность на валу двигателя, кВт;
равна Р
;
определяется по формуле (2.12);
Р
- мощность на ведущем валу
редуктора, кВт; определяется по формуле (2.13);
Р
- мощность на ведомом валу
редуктора, кВт; определяется по формуле (2.14).
Р
=Р
(2.12)
Р
=
(2.13)
Р
=
(2.14)
-скорость вращения вала
электродвигателя, рад/с; определяется по формуле (2.15);
-скорость вращения ведущего вала
редуктора, рад/с; определяется по формуле (2.16);
-скорость вращения ведомого вала
редуктора, рад/с; определяется по формуле (2.17);
(2.15)
(2.16)
(2.17)
где n
-количество оборотов на валу
электродвигателя, об/мин; равно n
; определяется по формуле (2.18);
-
количество оборотов на ведущем валу редуктора, об/мин; определяется по формуле
(2.19);
- количество
оборотов на ведомом валу редуктора, об/мин; определяется по формуле (2.20):
, (2.18)
(2.19)
(2.20)
Подстановкой выше указанных значений
в формулу (2.18) получено:
=700 об/мин.
Подстановкой выше указанных значений
в формулу (2.19) получено:
об/мин.
Подстановкой выше указанных значений
в формулу (2.20) получено:
об/мин.
Подстановкой выше указанных значений
в формулу (2.15) получено:
рад/c
Подстановкой выше указанных значений
в формулу (2.16) получено:
рад/c.
Подстановкой указанных выше значений
в формулу (2.17) получено:
рад/c.
Подстановкой выше указанных значений
в формулу (2.12) получено:
Р
= 2,061 кВт.
Подстановкой выше указанных значений
в формулу (2.13) получено:
Р
=2,061х0,99х0,95=1.76 кВт.
Подстановкой выше указанных значений
в формулу (2.14) получено:
Р
=1,76х0,99х0,98=1,7 кВт.
Подстановкой выше указанных значений
в формулу (2.9) получено:
Подстановкой выше указанных значений
в формулу (2.10) получено:
Подстановкой выше указанных значений
в формулу (2.11) получено:
2.2 Расчёт
клиноременной передачи редуктора
Этот расчёт заключается в определении основных
параметров зубчатой передачи:
определение материала, из которого будет
изготовлено колесо и шестерня;
-допускаемого контактного
напряжения: [
];
допускаемого напряжения изгиба: [
]
и [
]
;
межосевого расстояния:
;
предварительного основного размера
колеса: d
и
;
модуль передачи: m;
угла наклона соs β
и
суммарного числа зубьев: Ζ
;
числа зубьев шестерни и колеса: Ζ
и Ζ
;
диаметра шестерни и колеса;
сил в зацеплении: F
- окружной
силы; F
-
радиальной силы;
проверки зубьев колёс по напряжениям
изгиба;
проверки зубьев колёс по контактным
напряжениям.
2.2.1
Исходные данные для расчета зубчатой передачи
Для расчета зубчатой передачи
необходимы исходные данные:
=4;
=153,5 об/мин;
= 38,375
об/мин;
= 1,76 кВт;
Р
= 1,7 кВт;
М
=109.5 Нм;
М
=425 Нм
ω
=16,06 рад/с;
ω
= 4 рад/с.
Все значения взяты с ведущего и
ведомого валов редуктора.
2.2.2
Материал шестерни и колеса
Материал для шестерни и колеса
определен по ([1], с.10).Для изготовления выбирается Сталь 45, которая имеет
следующие характеристики:
предел текучести,
, мПа;
=750 мПа;
твердость шестерни,
,
300
твердость колеса,
,
270
В качестве термообработки -
улучшение.
.2.3
Допускаемые контактные напряжения
Допускаемые контактные напряжения [
], мПа
определяется по формуле (2.21):
(2.21)
Где
- предел контактной выносливости
зубьев, мПа; определяют по формуле (2.22)
(2.22)
Где [S
] - допускаемый запас, [S
]=1.1;
определен по ([3], с.45)
К
-коэффициент долговечности, К
=1;
определен по ([3], с.45)
Подстановкой выше указанных значений
в формулу (2.22) получено:
Для материала шестрени:
σ
=2х300+70=670мПа.
Для материала колеса:
σ
=2х270+70=610 мПа.
Подстановкой выше указанных значений
в формулу (2.21) получено:
Для материала шестерни:
мПа
Для материала колеса:
мПа
За допускаемое контактное напряжение
принимается наименьшее значение [
]=555 мПа
2.2.4
Допускаемое напряжение изгиба
Допускаемое напряжение изгиба [σ
], мПа
определяется по формуле (2.23):
(2.23)
Где
-предел выносливости зубьев по
излому, мПа;
=1.8НВ;определен
по ([3]с.46);
[S
]- допускаемый запас, [S

]=1.75; определен по ([3]с.46);
К
-коэффициент учитывающий влияние
двустороннего приложения нагрузки, К
=1; определен по ([3]с.46);
К
-коэффициент долговечности, К
=1;
определен по ([3]с.46);
Подставкой указанных выше значений в
формулу (2.23) получено:
Для материала шестерни:
мПа
Для материала колеса:
мПа
2.2.5
Межосевое расстояние
Межосевое расстояние
мм
определяется по формуле (2.24):
(2.24)
где К
- коэффициент, К
=4950;
определен по ([1], с.13);
К
- коэффициент распределения нагрузки
по ширине зуба, К
=1;
определен по ([3], с.46);
М
- вращающий момент на ведомом валу
редуктора, Нхм; М
=425 Нхм;
Ψ
-коэффициент для прямозубых передач,
ψ
=0.4;
определен по ([1], с.13);передаточное число зубчатой передачи, U=4; определен
по исходным данным;
[σ
]-допускаемое контактное напряжение,
мПа; [σ
]=555 мПа;
определен по формуле (2.21).
Подстановкой указанных выше значений
в формулу (2.24) получено:
мм
Принимается значение межосевого
расстояния a
=160
определено по ([1], с.13).
2.2.6
Предварительные и основные размеры колеса
Ширина колеса b
,мм
определяется по формуле (2.25):
=ψ
a
(2.25)
Где ψ
-коэффициент
для прямозубых передач, ψ
=0.4;
определен по ([1], с.13);
-межосевое
расстояние, мм; определено по формуле (2.24).
Подстановкой указанных выше значение
в формулу (2.25) получено:
=0,4х160=64мм.
Делительный диаметр колеса d
,мм
определен по формуле (2.26):
(2.26)
Где a
- межосевое расстояние, мм;
определено по формуле (2.24).- передаточное число зубчатой передачи; U=4.
Подстановкой указанных выше значений
в формулу (2.26) получено:
мм
2.2.7
Модуль передачи
Модуль передачи m, мм определяется
по формуле (2.27):
(2.27)
где К
-коэффициент, К
=5,8;
определен по ([1], с.16);
М
- вращающий момент на ведомом валу
редуктора, Нхм; М
=425 Нхм;
- ширина
колеса, мм; b
=64 мм;
определена по формуле (2.25);передаточное число зубчатой передачи; U=4;
определено из исходных данных;
[σ
]- допускаемое напряжение изгиба для
колеса, мПа; [σ
]=277.7 мПа;
определено по формуле (2.23);
Подстановкой указанных выше значений
в формулу (2.27) получено:
Принимается значение модуля передачи
m=1, определено по ([1], с.13).
2.2.8
Суммарное число зубьев
Суммарное число зубьев Ζ, определяется
по формуле (2.28):
(2.28)
Где α
- межосевое
расстояние, мм; α
=160 мм;
определено по формуле (2.24);
β-угол наклона, β=0
;модуль
передачи, мм; m=1 мм определен по формуле (2.27);
Подстановкой указанных выше значений
в формуле (2.28) получено:
2.2.9 Число
зубьев
Число зубьев шестерни Ζ, определяется
по формуле (2.29):
(2.29)
Где Ζ
- суммарное
число зубьев; определено по (2.28);передаточное число зубчатой передачи; U=4;
определено по исходным данным.
Подстановкой указанных выше значений
в формулу (2.29) получено:
Полученное значение округляется до
целого, Ζ=64.
Число зубьев колеса Ζ,определяется
по формуле (2.30):
(2.30)
Где Ζ
- суммарное
число зубьев; определено по (2.28);
Ζ
- число зубьев шестерни, определно
по формуле (2.29)
Подстановкой указанных выше значений
в формулу (2.30) получено:
2.2.10
Фактическое передаточное число
Фактическое передаточное число U
,определяется по формуле (2.31):
(2.31)
Где Ζ
- число
зубьев колеса; Ζ
=256;
определено по формуле (2.30);
Ζ
- число зубьев шестерни; Ζ
=64;
определено по формуле (2.29).
Подстановкой указанных выше значений
в формулу (2.31) получено:
Отклонение от заданного
передаточного числа,
U,
определяется по формуле (2.32):
(2.32)
передаточное число зубчатой
передачи; U=4; определено из исходных данных:
- фактическое передаточное число; U
=4.
Подстановкой указанных выше значений
в формулу (2.32) получено:
2.2.11
Диаметры шестерни и колеса
Делительный диаметр шестерни d
,
определяется по формуле (2.33):
(2.33)
где Ζ
- число
зубьев шестерни; Ζ
=64,
определено по формуле (2.29);модуль передачи, мм; m=1 мм, определен по формуле
(2.27);β
- угол
наклона зуба; Cosβ=0.9822.
Подстановкой указанных выше значений
в формулу (2.33) получено:
мм
Диаметр вершин шестерни d
, мм
определяется по формуле (2.34):
=d
+2
m (2.34)
где
d
-
делительный диаметр шестерни, d
=64 мм; определен по формуле
(2.34);модуль передачи, мм; m=1 мм определен по формуле (2.26);
Подстановкой
указанных выше значений в формулу (2.34) получено:
=64+2
1=66 мм.
Диаметр
впадин шестерни d, мм; определяется по формуле (2.36):
d
= d
-2,5
m (2.35)
где
d
-
делительный диаметр шестерни, d
=64 мм; определен по формуле
(2.33);- модуль передачи, мм; m=1 мм; определен по формуле (2.26).
Подстановкой
указанных выше значений в формулу (2.35) получено:
= 64 - 2,5
1= 61,5 мм
Делительный
диаметр колеса d
, мм
определяется по формуле (2.36):
= 2
α
- d
(2.36)
где
α
- межосевое расстояние, мм; α
= 160 мм;
определено по формуле (2.24);
- делительный диаметр шестерни, d
=64 мм;
определен по формуле (2.34).
Подстановкой
указанных выше значений в формулу (2.36) получено:
= 2
160 - 64 =
256 мм.
Диаметр
вершин колеса d, мм определяется по формуле (2.37):
= d + 2 х m (2.37)
где
d
-
делительный диаметр колеса, d
= 256 мм; определен по формуле
(2.36);- модуль передачи, мм; m=1 мм; определен по формуле (2.26).
Подстановкой
указанных выше значений в формулу (2.37) получено:
= 256+ 2
1 = 258 мм
Диаметр
впадин колеса d
, мм
определяется по формуле (2.38):
=d- 2,5
m (2.38)
где
d
-
делительный диаметр колеса, d
= 256 мм; определен по формуле
(2.36);- модуль передачи, мм; m=1 мм; определен по формуле (2.26).
Подстановкой
указанных выше значений в формулу (2.38) получено:
=256-2,5 х
1=253,5 мм.
2.2.11 Силы в зацеплении
Окружная
сила на среднем диаметре колеса F
, H определяется по формуле (2.39):
(2.39)
Где
М
- вращающий
момент на ведомом валу редуктора, Н х м;
М
=425 Нхм;
-
делительный диаметр колеса; d
=256 мм.
Подстановкой
указанных выше значений в формулу (2.39) получено:
H
Радиальная
сила на колесе F
, Н
определяется по формуле (2.40):
(2.40)
Где
F
- окружная
сила, Н; F
= 3320,3 Н;
определена по формуле (2.39);стандартная величина;tga=tg20=0.364 определено по
([1], с.15);
Cosβ - угол
наклона зуба; Cosβ=1.
Подстановкой
указанных выше значений в формулу (2.40) получено:
H
.2.13 Проверка зубьев колёс по напряжениям изгиба
Расчётное
напряжение изгиба σ
для колеса,
мПа определяется по формуле (2.41):
(2.41)
где
К
-
коэффициент учитывающий неравномерность распределения нагрузки между зубьями; К
=1;
определен по ([1], с.16);
К
-
коэффициент динамической нагрузки; К
=1,4; определен по ([1], с.16);
Υ
- коэффициент
учитывающий наклон зуба, при стандартном наклоне зубьев в шевронной передаче, Υ
=1;
определен по ([1], с.19);
Υ
-коэффициенты
форм зубьев колеса; Υ
=3.61;
определен по ([1], с.16, таблица 2.6);
- окружная сила, Н; F
=3320,3 Н;
определено по формуле (2.40);
- ширина колеса, мм; b
=64 мм;
определено по формуле (2.25);модуль зубчатой передачи, мм; m=1 мм; определен по
формуле (2.26).
Подстановкой
указанных выше значений в формулу (2.41) получено:
мПа
мПа
Расчётное
напряжение изгиба σ
.для колеса
меньше чем допускаемое напряжение изгиба, прочность считается достаточной.
Расчётное
напряжение изгиба для шестерни σ
мПа определяется по формуле (2.42):
(2.42)
где
σ
-расчётное
напряжение изгиба для колеса, мПа; определено по формуле (2.41);
Υ
, Υ
-коэффициенты;
Υ
=3.62, Υ
=3.61;
определены по ([1], с.23, таблица 2.9).
Подстановкой
указанных выше значений в формулу (2.42) получено:
мПа
мПа
Расчётное
напряжение изгиба σ
меньше чем
допускаемое напряжение изгиба, прочность считается достаточной.
2.2.14 Проверка зубьев колёс по контактным напряжениям
Контактное
напряжение σ
, мПа
определяется по формуле (2.43):
(2.43)
где
К
-
коэффициент распределения нагрузки между зубьями; К
=1;
определен по ([3], с.16);
К
-коэффициент
распределения нагрузки по ширине зуба, К
=1; определен по ([3], с.46);
- окружная
сила, Н; F
=3320,3;
определено по формуле (2.40);- передаточное число зубчатой передачи; U=4;
определено из исходных данных;
- делительный диаметр шестерни; d
=64мм;
определен по формуле (2.34);
-ширина колеса, мм; b
=64 мм;
определена по формуле (2.25).
Подстановкой
указанных выше значений в формулу (2.43) получено:
Расчётное
напряжение не превышает допустимое.
2.3 Расчёт
клиноременной передачи
Этот расчёт заключается в определении следующих
значений:
- Межосевого расстояния
- Число ремней
- силы действующей на валы и
подшипники
- ширины шкивов
2.3.1 Исходные данные
для расчета клиноременной передачи
Для данного расчёта необходимы следующие
исходные данные:
-передаточное число ременной
передачи, U
, U
=4.56;
количество оборотов на ведущем валу
ременной передачи, n
, n
=700 об/мин;
количество оборотов на ведомом валу
ременной передачи, n
, n
=153,5
об/мин;
вращающий момент на ведомом валу
ременной передачи, М
, М
=25.68 Нхм;
вращающий момент на ведомом валу
ременной передачи, М
, М
=109,5 Нхм;
скорость вращения ведущего вала
ременной передачи, ω
, ω
=73.2 рад/с;
скорость вращения ведущего вала ременной
передачи ω
, ω
=16.06
рад/с;
мощность на ведущем валу, Р
, Р
=2,061 кВт;
мощность на ведущем валу, Р
, Р
=1.76 кВт;
2.3.2
Нахождение диаметров ведущего и ведомого шкивов
Частота вращения
Передаваемая мощность
кВт,
принимаем сечение клинового ремня А;
перечисленные выше данные определены
по ([2]c.134)
Диаметр меньшего шкива определяют по
формуле:
=(3
4)
(2.44)
где
Т
-вращающий
момент, Нхм; Т
=25.68 Нхм;
Подстановкой
указанных выше значений в формулу (2.44) получено:
=(3
4)
мм
Принимается
d
=100 мм
Диаметр
большего шкива определяют по формуле:
(2.45)
Где
d
-диаметр
меньшего шкива определен по формуле (2.44 ),
=100 мм;
= i =4,56;
определено по исходным данным.
Подстановкой
указанных выше значений в формулу (2.45) получено:
=4.56
100(1-0,015)=449.16.
Принимается
d=450
2.2.3 Уточняем передаточное отношение i
Фактическое
передаточное отношение i; определяется по формуле (2.46):
=
(2.46)
-относительное
скольжение ремня,
=0,015;определено
по ([2]c.137)
где
d
-диаметр
меньшего шкива, определен по формуле (2.44 );
=100 мм
-диаметр
большего шкива, определен по формуле (2.45 ),d
=450 мм;
Подстановкой
указанных выше значений в формулу (2.46) получено:
=
Уточняем угловую скорость ведомого вала по
формуле (2.47):
(2.47)
Где i
-передаточное отношение
клиноременной передачи; i
=4,56;
определено по исходным данным;
Подстановкой указанных выше значений
в формулу (2.47 ) получено:
2.3.4
Высчитаем расхождение с тем, что было получено по первоначальному расчёту
Это меньше допустимого на + 3%.
Следовательно, окончательно
принимаем диаметры шкивов d
=100мм, d
=450мм;
Межосевое расстояние α
следует
принимать в интервале по формуле:
α
=0,55(d
+d
)+Т
α
=d
+d
(2.48)
где Т
-высота сечения ремня, определено
по таблице (7.7 стр.131);d
и d
- диаметры
шкивов.
Подстановкой указанных выше значений
в формулу (2.48 ) получено:
α
=0,55
(100+450)+8=310.5 мм
α
=100+450=550 мм;
Длину ремня округляют до
стандартного значения, приведенного в примечании к табл. (7.7 стр.132); α=400 мм.
Длина ремня определяется по формуле:
(2.49):
=2α+ 0,5π(d
+d
)+
(2.49)
Где
d
-диаметр
меньшего шкива; определен по формуле (2.);d
=100 мм
-диаметр
большего шкива; определен по формуле (2.);d
=450 мм
α
- межосевое
расстояние; α=400
мм;
Подстановкой
выше указанных данных в формулу (2.49) получено:=2х400+0,5х3,14(100+450)+
=1740 мм.
Принимаем
по табл.7.13 L=1800 мм.
Уточняем
межосевое расстояние по формуле (2.50)
α=0,25
(2.50)
где L
- расчётная длина ремня;
W=0,5π(d
+d
) (2.51)=(d
-d
) (2.52)
Подстановкой значений
получено:=0,5х3,14(100+450)=863,5 мм=(450-100)=122500 мм.
Подстановкой найденных значений в формулу (2.50)
получено:
α=0,25
мм
Угол обхвата ремнем меньшего шкива
определяется по формуле (2.53):
α
= 180-57х
(2.53)
где
d
-диаметр
меньшего шкива, определен по формуле (2.44);d
=100 мм;
- диаметр
большего шкива, определен по формуле (2.26);d
=450 мм;
α
- межосевое
расстояние; определен по формуле(2.50) α=399.9 мм;
Подстановкой
указанных выше значений в формулу (2.53) получено:
α
= 180-57х
По таблице ([7.10], стр.136) определяем
коэффициент режима работы
С
=1.0
Для ремня сечения А при длине L=1800
мм берем коэффициент, учитывающий влияние длины ремня С
=1.06;
Коэффициент, учитывающий влияние
угла обхвата при α
=130
С
=0.85
Коэффициент, учитывающий число
ремней в передаче
С
=0.85
Число ремней в передаче вычислим по
формуле (2.54):
=
(2.54)
Где P
- мощность, передаваемая одним
клиновым ремнем; P
=0,94 кВт
данные определены по таб.7.8 ([2]с.132), С
-коэффициент, учитывающий влияние
длины ремня. Определено по таб.7.9 (стр. 135)
Подстановкой данных из таблиц
получим:=
Для удобства монтажа и эксплуатации берем Z=3
Натяжение ветви клинового ремня
Натяжение ветви клинового ремня вычислим по
формуле:
F
=
(2.55)
где V-скорость в м/с
;
-коэффициент, учитывающий центробежную силу, Нхс
/м
;
Для ремня сечения А берется
коэффициент
=0,1
. Данные
определены по([2]с.136);=0,5W
d
Подставим значения и найдем
V:=0,5х73,2х100х10
=36,6 м/с
Подстановкой выше найденных значений
вычислим напряжение ветви:
=
Н
Сила действующая на валы, Н
Силы действующие на валы находим по формуле:
(2.56)
Подстановкой выше указанных данных в формулу
(2.56) получено:
=902,2 Н
Ширина шкивов В
Ширину шкивов находим по формуле
(2.57):
В
=(Z-1)е+2f (2.57)
e=15, определено по табл.7.14 ([2]с.141);
f=10, определено по табл.7.14([2]с.141)
Подстановкой выше указанных данных в
формулу (2.57) получено:
В
=(3-1)х15+2х10=50 мм
.4 Предварительный
расчёт валов редуктора.
Этот расчёт заключается в
определении диаметров выходных концов валов d
и d
и диаметров под подшипники d
и d
и диаметр
под колесо d
.
2.4.1
Ведущий вал
Диаметр выходного конца ведущего
вала d
, мм при
допускаемом значении [
]=25мПа,([2]с.161) , определяется по формуле(2.58)
=
(2.58)
где М
- вращающий момент на ведущем валу
редуктора, М
=М
=109.5 Н
м;
Подстановкой
указанных выше значений в формулу (2.58 ) получено:
=
мм
Принимается
стандартное значение d
=30 мм,
Диаметр подшипника на 3-5 мм больше диаметра выходного конца вала, d
=35 мм.
Эскиз
ведущего вала представлен на рисунке 2.1
Рисунок
2.1-Эскиз ведущего вала
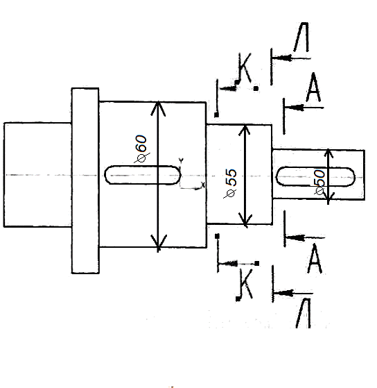
2.4.2 Ведомый вал
Диаметр
выходного конца ведомого вала d
, мм при допускаемом значении [
]=20 мПа,
определено по ([2]с.161); определяется по формуле (2.59):
(2.59)
где
M
~ вращающий
момент на ведомом валу редуктора,M
=M
=425 H
м
Подстановкой указанных выше значений в формулу
(2.79) получено:
мм
Принимается
стандартное значение dB2 =50 мм, определено по([2], с. 162). d
=55 мм
выбирается на 3
5 мм больше
диаметра выходного конца вала,
=60мм выбирается на 3
5 мм больше
диаметра подшипника.
Эскиз
ведомого вала представлен на рисунке 2.2.
2.5 Расчет
конструктивного размера зубчатой пары редуктора
Зубчатая пара представляет из себя:
- шестерню, выполненную за одно целое с валом, с
размерами:
- делительный
диаметр,d,d
= 64 мм;
- ширина
шестерни b
, b
= 69 мм;
- диаметр
вершин, da
, da
= 66 мм.
колесо кованое, с размерами:
- делительный
диаметр, d2, d2 =256 мм;
- диаметр
вершин, da, da2 = 258 мм;
- ширина
колеса b2, b2= 64 мм.
Диаметр ступицы колеса dcm мм определяется по
формуле (2.60):
dcm = 1,6
d
(2.60)
где d
- значение диаметра ступени под
колесо, d
=60мм;
Подстановкой указанных выше значений в формулу
(2.73) получено:= 1,6x60 = 96мм.
Длина ступицы колеса 1ст мм определяется по
формуле (2.61):
lcm=(l,2
l,5)
d
(2.61)
где dk2 - стандартное значение
диаметра ступени вала под колесо, dK2 =60мм;
Подстановкой указанных выше значений
в формулу (2.61) получено:= {1,2
1,5)
60=72
90 мм
Длина ступицы колеса 1ст,
принимается равной 80 мм. Толщина обода колеса , мм определяется по формуле
(2.62):
0=(2,5
4)
mn (2.62)
- модуль; m = 1; определено по
([2],с. 147).
Подстановкой указанных выше значений
в формулу (2.62) получено:
0=(2,5
4)
1=2,5
4,приму
0=8
Толщина диска С, мм определяется по
формуле (2.63):
= 0,3
b2 (2.63)
Где b2 - ширина колеса, мм; b2=64
мм; определена из исходных данных Подстановкой указанных выше значений в
формулу (2.63) получено:= 0,3
64 = 19,2мм
2.6 Расчет
конструктивных размеров корпуса редуктора
Толщина стенок корпуса
, мм
определяется по формуле (2.64):
= 0,025
а + 1 (2.64)
Где а - межосевое расстояние, а= 160
мм, Подстановкой указанных выше значений в формулу (2.64) получено:
= 0,025
160 + 1 = 5
мм.
Значение толщины стенок корпуса,
принимается
равным 8 мм. Толщина крышки корпуса
1, мм определяется по формуле
(2.65):
= 0,02
а + 1 (2.65)
а - межосевое расстояние, а=160 мм,
Подстановкой указанных выше значений в формулу (2.78) получено:
1=0,02 х 160 + 1 = 4,2 мм.
Значение толщины крышки корпуса,
1,
принимается равным 8 мм. Толщина верхнего пояса корпуса b, мм определяется по
формуле (2.66):
b= 1,5
(2.66)
где b толщина стенок корпуса, мм;
=8 мм;
определена но формуле (2.64).
Подстановкой указанных выше значений
в формулу (2.66) получено:=1,5 x 8= 12 мм.
Толщина нижнего пояса корпуса р,мм
определяется по формуле
р = 2,35
(2.67)
где
-толщина стенок корпуса, мм;
=8 мм;
определена по формуле (2.64). Подстановкой указанных выше значений в формулу
(2.67) получено:
р = 2,35
8 = 19мм.
Значение толщины нижнего пояса
корпуса р, принимается равной 20 мм. Толщина пояса крышки b
мм
определяется по формуле (2.68):
=1,5
1 (2.68)
где
1 - толщина крышки корпуса, мм
1=8
определена по формуле (2.65)
Подстановкой указанных выше значений в формулу
(2.68) получено:
b
=1,5
8=12 мм
Диаметр фундаментных болтов d
, мм
определяется по формуле (2.69):
=(0,03
0,036)Х
а + 12 (2.69)
где
а - межосевое расстояние, а=160 мм, определено по формуле(2.24)
Подстановкой
указанных выше значений в формулу (2.69) получено:
= (0,03
0,036) х
160 +12 = 16,8
17,76 мм.
Принимаются
болты с резьбой Ml6.
Диаметр
болтов крепящих крышку к корпусу у подшипников d 2 мм
определяется
по формуле (2.70):
=(0,7
0,75)
d
(2.70)
Где
d
- диаметр
фундаментных болтов, мм; d
=16 мм; определен по Формуле (2.69)
Подстановкой
указанных выше значений в формулу (2.70) получено:
d:
= (0,7
0,75)x 16 =
1,2
12мм.
Принимаются болты с резьбой Ml2.
Диаметр болтов соединяющих крышку с корпусом d 3
мм определяется по формуле (2.71):
d3 = (0,5
0,6 )
dl (2.71)
где d
- диаметр фундаментных болтов, мм; d
=16 мм;
определен по формуле (2.82).
Подстановкой указанных выше значений
в формулу (2.71) получено:
d 3=(0,5
0,6)
16
= 8 + 9,6мм.
Принимаются болты с резьбой М8.
.7 Первый этап
компоновки редуктора
Чертеж первого этапа компоновки представлен в
приложении А. Зазор между торцом ступицы колеса и внутренней стенкой корпуса
А,, мм определяется по формуле (2.72):
А
= 1,2x
(2.72)
где
- толщина стенок корпуса, мм;
=8 мм;
определена по формуле (2.64).
Подстановкой указанных выше значений в формулу
(2.72) получено:
A
=1,2
8 = 9,6 мм.
Зазор от окружности вершин зубьев до
внутренней стенки корпуса А, мм=
=9,6
определен по ([2],с. 302).
Расстояние между наружным кольцом подшипника ведущего вала и внутренней стенкой
корпуса А, принимается А =
= 8 мм.
Предварительно намечаются радиальные
шарикоподшипники лёгкой серии; габариты подшипников выбираются по диаметру вала
в месте посадки подшипников dn
= 35 мм и d
= 55 мм.
Параметры подшипников легкой серии
представлены в таблице 2.1.
Таблица 2.1 - Параметры подшипников
легкой серии
|
Условное
|
d
|
D,
|
в,
|
Грузоподъёмность,
кН
|
|
обозначение
|
мм
|
мм
|
мм
|
Динамическая
С
|
Статическая
Со
|
|
207
|
35
|
72
|
17
|
25,5
|
13,7
|
|
211
|
55
|
100
|
21
|
43,6
|
25,0
|
2.8 Определение реакций
подшипников валов редуктора и построение эпюр изгибающих и крутящих моментов
.8.1 .Ведущий вал
Для построения эпюр необходимы следующие
значения:
- Ft = 3320,3
Н;
- Fr
= 1208,6 Н;
- Fв = 902,2
НхМ; F
=F
2.8.1.1 Расчёт реакций
для построения эпюр ведущего вала в вертикальной плоскости
Реакция RBy, Н определяется по формуле(2.73):
(2.73)
где Ft - окружная сила, Н; Ft=3320,3
Н; определена по
исходным данным.
Подстановкой указанных выше значений
в формулу (2.73) получено:
Н
Сумма моментов вокруг точки В:
Реакция RAy, Н определяется по формуле(2.74):
(2.74)
где Ft - Окружная сила Н; Ft=3320,3 Н;
определена по исходным данным.
Подстановкой указанных выше значений в формулу
(2.74) получено:
Следовательно, реакция точки А
направлена в противоположную сторону, R
=1406,89 Н.
Уравнения для построения эпюры
изгибающего момента в вертикальной плоскости имеют вид:
-
-
-
х54=3441,2
-
-
н
мм
-
н
мм
-
-
-
н
мм
2.8.1.2 Расчёт реакций
для построения эпюры ведущего вала в горизонтальной плоскости
Сумма моментов вокруг точки А, определена по
рисунку 2.3:
Реакция R
,H;
определяется по формуле (2.75):
- радиальная сила,H; F
=1208,6
Подстановкой указанных выше значений
в формулу (2.75) получено:
Н
Сумма моментов вокруг точки
B,определено по рис. 2.3
Реакция R
,H,определяется
по формуле (2.76)
(2.76)
- радиальная сила,H; F
=1208,6 Н
Подстановкой указанных выше значений
в формулу (2.76) получено:
. Н
Следовательно реакция точки А
направлена в противоположную сторону R
.
Уравнения для построения эпюры
изгибающего момента в горизонтальной плоскости имеют вид:
Н
мм
Н
мм
Н
мм
Н
мм
Суммарная реакция RA, определяется
по формуле (2.77):
(2.77)
Где R
- реакция точки А,R
=-351 Н;
определена по формуле (2.76); Ray - реакция точки A, Ray=-1407 Н; определена по
формуле (2.74).
Подстановкой указанных выше значений
в формулу (2.77) получено:
H
Суммарная реакция RB, определяется
по формуле (2.78):
(2.78)
Где R
- реакция точки A, R
=2551,3 Н;
определена по формуле (2.75); Rby - реакция точки A, Rbv=1495 Н; определена по
формуле (2.73).
Подстановкой указанных выше значений
в формулу (2.78) получено:
Н
Эпюры ведущего вала представлены на
рисунке 2.3.
Рисунок 2.3 - Эпюры ведомого вала
Ведомый вал
Для построения эпюр необходимы следующие
значения:
- Ft = 3320,3
Н;
- Fr
= 1208,6 Н;
Расчёт реакций для построения эпюр ведомого вала
в вертикальной плоскости
(2.79)
Реакция RBy, Н определяется по
формуле(2.79):
где F
й окружная сила, H; Ft=3320,3 Н;
определена по исходным данным;
Подстановкой указанных выше значений
в формулу (2.79) получено:
Расчёт реакций для построения эпюр
ведомого вала в горизонтальной плоскости
Реакция R
, Н
определяется по формуле(2.80):
где F
я окружная сила, Н; F
=1208,6 Н;
определена по исходным данным;
Подстановкой указанных выше значений
в формулу (2.80) получено:
Уравнения для построения эпюры
изгибающего момента ведомого вала в вертикальной плоскости имеют вид:
-
Н
мм
Уравнения для построения эпюры изгибающего
момента в горизонтальной плоскости ведомого вала имеют вид:
Н
мм
Суммарная реакция R
,определяется
по формуле (2.81)
Где R
реакция точки А в горизонтальной
плоскости,Н; R
=604,3
(2.80)- реакция точки А в вертикальной плоскости, Н; Ray=1660,1 определена по
формуле (2.79)
Подстановкой указанных выше значений
в формулу (2.81) Получено:
. Н
мм
Рисунок 2.4 Эпюры ведущего вала
2.9 Подбор и расчет
подшипников для валов редуктора
Ведущий вал
Подбираются подшипники по более нагруженной
опоре. Намечаются радиальные шариковые подшипники 207 с параметрами:
- d=35 мм
- D=72 мм
- B=17 мм
Эквивалентная нагрузка Рэ, Н определяется по
формуле (2.82):
(2.82)
где V - коэффициент; при вращении внутреннего
кольца; V = 1; определен по ([2], с.352);
Rr2-суммарная реакция, Н;=2957Н;
определена по формуле (2.77);
К
- коэффициент безопасности для
приводов ленточного конвейера, K
=1,2; определен по ([2],с.354);
Подстановкой указанных выше значений
в формулу (2.82) получено:
Н
Расчетная долговечность, L, млн.об
определяется по формуле (2.83):
(2.83)
Где С-динамическая грузоподъемность,
кН; С=25,5 кН;
определена по таблице 2.1;
Р
-эквивалентная нагрузка, Н,
Рэ=3548,4 Н по формуле (2.82).
Подстановкой указанных выше значений
в формулу (2.83) получено:
=371,1
Расчетная долговечность, L
,час
определяется по формуле (2.84)
Где L-расчетная
долговечность,млн.об;определена по формуле (2.83)
-количество оборотов,об/мин; n
= n
=153,1
Подстановкой указанных выше значений
в формулу (2.84) получено:
час.
Ведомый вал
Подбираются подшипники 211 по более
нагруженной опоре.
Подшипник 211 с параметрами:
- d=55 мм
- D=100 мм
- B=43,6 мм
Эквивалентная нагрузка Рэ, Н определяется по
формуле (2.82):
где V - коэффициент; при вращении внутреннего
кольца; V = 1; определен по ([2], с.352);-суммарная реакция, Н;
Rr
=1766,7Н;
определена по формуле (2.78);
К
- коэффициент безопасности для
приводов ленточного конвейера, K
=1,2; определен по ([2],с.354);
Подстановкой указанных выше значений
в формулу (2.82) получено:
Н
Расчетная долговечность, L, млн.об
определяется по формуле (2.83):
(2.83)
Где С динамическая грузоподъемность,
кН; С=43,6 кН; определена по таблице 2.1; Р
-эквивалентная нагрузка, Р
=2120,04 Н
Подстановкой указанных выше значений
в формулу (2.83) получено:
=8000 млн. об
Расчетная долговечность,L
,час
определяется по формуле (2.84)
Где L-расчетная
долговечность,млн.об;определена по формуле (2.83)
-количество оборотов, об/мин; n
= n
=38,3
Подстановкой указанных выше значений
в формулу (2.84) получено:
час.
2.10 Подбор муфты
Тип и размер муфты выбирается по диаметру вала и
по величине расчетного вращающего момента.
Выбирается муфта фланцевая 630-50-1 ГОСТ
20761-80; определено по ([2],с.269) стальной ступице.
Длина полумуфты L=110 мм
2.11 Подбор и
проверочный расчёт шпоночных соединений
Ведущий вал
Выбираем шпонку из стали имеющей
мПа
определено по([2]c.169).
Выбирается шпонка под шкив: -
диаметр вала - d=30 мм;
Шпонка 8x7x40 ГОСТ 23360-78, имеющая
следующие размеры:
- b
= 8x7 мм;
- t
=4 мм;
- l= 40 мм.
Момент на ведущем валу - М- 109,5 Н
м.
Напряжение смятия и условие
прочности
,
определяется по формуле (2.85):
где
М - момент на ведущем валу, Н
м; М, =109,5 Н
м;
определено по исходным данным;- диаметр ступени вала под шпонку, мм; d=30 мм;
определено по исходным данным;
- глубина шпонки, мм;t
=4 мм;
определена по ([2], с. 169);- высота шпонки, мм; h=7 мм; определено по исходным
данным;
/
- длина шпонки, мм; I =40мм; определено по ([2], с. 169); b- ширина шпонки, мм;
b=8 мм; определено по ([2], с. 169).
Подстановкой
указанных выше значений в формулу (2.85) получено:
Условие
является выполненным.
Ведомый
вал
Из
двух шпонок под зубчатым колесом и под муфтой более нагружена вторая.
Выбирается
шпонка под колесо со следующими параметрами: диаметр вала - d= 60 мм; длина
ступицы колеса-1=80 мм.
- Выбирается
шпонка 18
11
70, ГОСТ
23360-78, имеющая размеры: b
= 18
11 мм;
- t
=7 мм;
- l=
70 мм.
Момент
на ведущем валу - М- 425 Н
м.
Напряжение
смятия и условие прочности шпонки под колесо
см, определяется по формуле (2.85)
где
М- момент на ведомом валу, Н
м; М = 425Н
м;
определено по исходным данным;- диаметр вала, мм; d =60 мм; определено по
исходным данным; t
- глубина
шпонки, мм; t
=7 мм;
определена по; h - высота шпонки, мм; h=11 мм; l- длина шпонки, мм; l =70 мм;
определена по b- ширина шпонки, мм; b=18 мм;.([2], с. 169)
Подстановкой
указанных выше значений в формулу (2.85) получено:
Условие
см < [
см ]; 68,1
< [
см,]=120 мПа
является выполненным
Выбирается
шпонка под муфту со следующими параметрами:
- диаметр
вала d = 50 мм;
- длина
полумуфты l = 110 мм.
Выбирается шпонка 16x10x100, ГОСТ
23360-78, имеющая размеры: bxh = 16
10 мм; = 6 мм;= 100 мм.
Принимается момент на ведомом валу -
М = 425 Н
м.
Напряжение смятия и условие прочности шпонки подуфту
см,
определяется по формуле
где
М - момент на ведомом валу, Нхм; М = 425 Н
м; определено по исходным данным;-
диаметр вала, мм; d =50 мм; определено по исходным данным; t
-глубина
шпонки, мм; t
=6 мм;
определена по ([2], с.169); h - высота шпонки, мм; h=10 мм; определена по ([2],
с. 169); / - длина шпонки, мм; / =100 мм; определена по ([2], с.169); в- ширина
шпонки, мм; b=16 мм;
Подстановкой
указанных выше значений в формулу (2.85) получено:
Условие
является выполненным.
2.12 Проверочный расчёт
на сопротивление усталости вала редуктора
Материал для изготовления вала - сталь 40Х.
Предел прочности принимается равным 

=780 мПа, определен по ([2], с. 34,
таблица 3.3).

= 0,43 

(2.86)
Подстановкой указанных выше значений
в формулу (2.86) получено:

= 0,43
780=335,4
мПа ,
Предел выносливости при симметричном
цикле касательных напряжений |
мПа определяется по формуле (2.87):
=0,58

(2.87)
где 
- предел выносливости при
симметричном цикле изгиба, мПа; определен по формуле (2.86),
Подстановкой указанных выше значений
в формулу (2.87) получено:
= 0,58
335,4 =
194,3 мПа.
Сечение А - А представлено на
рисунке 2.2.
Диаметр вала в сечении А-А определен
30 мм.
Концентрация напряжений обусловлена
наличием шпоночной канавки с соответствующими параметрами:
- коэффициент концентрации нормальных
напряжений к
, к
= 1,8;
определен по ([2], с. 165);
- коэффициент концентрации касательных
напряжений к
, кr = 1,7;
определен по ([2], с. 165).
Масштабные факторы:
-
= 0,86;
определен по ([2], с. 166)
-
= 0,77;
определен по ([2], с. 166)
Коэффициенты:
-
определен по ([2], с. 163)
-
определен по ([2], с. 163)
Крутящий момент определен Мг-425 Нхм.
Суммарный изгибающий момент в сечении А - А
определяется по формуле (2.88):
(2.88)
где l
Длина шпонки, м; l
= 40 м;
внешняя сила, Н; Fe=902,2 Н;
определена по исходным данным. Подстановкой указанных выше значений в формулу
(2.88) получено:
Момент сопротивления кручению
WKHemmo, определяется по формуле (2.89):
(2.89)
где d - диаметр ступени вала в
сечении А-А, мм; d=30мм определено по исходным данным;ширина шпонки, мм; b=8
мм; t- глубина шпонки, мм;t
=4 мм; определена по ([2], с.313).
Подстановкой указанных выше значений в формулу (2.89) получено:
Момент сопротивления изгибу WHemmo, определяется
по формуле (2.90)
(2.90)
где d - диаметр ступени вала в
сечении А-А, мм; d=30 мм определено по исходным данным;- ширина шпонки, мм; b=8
мм; t- глубина шпонки, мм;t=4 мм; определена по ([2], с.313).
Подстановкой указанных выше значений
в формулу (2.90) получено:
Амплитуда
мПа; и
среднее напряжение цикла касательных напряжений тт, мПа; определяются по
формуле (2.91):
(2.91)
где М2 - вращающий момент, Нхмм;
М=109,5
10 Н
мм;
определен по исходным данным;-момент сопротивления кручению, мм ; WK - 4938,75
мм ;
определен по формуле (2.89).
Подстановкой указанных выше значений
в формулу (2.91) получено:
Амплитуда нормальных напряжений
v, мПа;
определяется по формуле (2.92)
где Ма-а - суммарный изгибающий
момент, Н
мм;
МА.А=17141,8 Н
мм;- момент
сопротивления изгибу, мм ; WHemmo =2469,37 мм ; определен по формуле (2.90).
Подстановкой указанных выше значений
в формулу (2.92) получено:
мПа
Коэффициент запаса прочности по
нормальным напряжениям Sa, определяется по формуле (2.93)
(2.93)
Где
-предел выносливости,мПа
=
335,4 мПа
определен по формуле (2.86)
-коэффициент,
=1,8;определен
по (с.165)
-коээффициент,
=0,86;определен
по(с.166)
-амплитуда нормальных напряжений
мПа,
=6,94
Подстановкой указанных выше значений
в формулу (2.93) получено:
Коэффициент запаса прочности по
касательным напряжениям S
определен по
формуле(2.94)
Где
-предел выносливости мПа;
=194,3 мПа
-коэффициент,
=1,7;определен
по (с.165)
-коээффициент,
=0,77;определен
по(с.166)
-коэффициент;
=0,1;определен
по (с.163)
-амплитуда касательных напряжений
мПа,
=4,4 мПа по
формуле(2.91)
-среднее напряжение мПа определено
по исходным данным
Подстановкой указанных выше значений
в формулу (2.94) получено:
Результирующий коэффициент запаса
прочности S, определяется по формуле (2.95)
(2.95)
где S
- коэффициент запаса прочности по
нормальным напряжениям; S
=23,09;
определен по формуле (2.93);
- коэффициент запаса прочности по
касательным напряжениям; S
=16,9;определен
по формуле (2.94).
Подстановкой указанных выше значений
в формулу (2.95) получено:
Сечение К-Кпредставлено на рисунке
2.2.
Диаметр вала в сечении К-К определен
35 мм.
Концентрация напряжений обусловлена
посадкой подшипника с гарантированным натягом:
-
; определен по ([2], с. 165).
; определен
по ([2], с. 165).
-
определен по ([2], с. 163)
-
определен по ([2], с. 163)
Суммарный изгибающий момент в сечении K - K
определяется по формуле (2.96):
(2.96)
где
,
изгибающие моменты в сечении
К-К,определены по эпюре ведомого вала.
Подстановкой указанных выше значений
в формулу (2.96) получено:
Н
мм
Осевой момент сопротивления кручению
W, мм
определяется по формуле
(2.97)
где d - диаметр посадочный под
подшипник, , мм; d=35мм определено по исходным данным;
Амплитуда нормальных напряжений
,мПа (2.98)
(2.98)
где
- изгибающий момент, Н
мм;
=48648,9
W-осевой момент сопротивления, мм
, определен
по формуле (2.97)
Подстановкой указанных выше значений
в формулу (2.98) получено:
мПа
Полярный момент сопротивления W
,мм
определяется по формуле (2.99)
(2.99)
-осевой момент сопротивления , мм
;определен
по формуле (2.97).
Подстановкой указанных выше значений
в формулу (2.97) получено:
мм
Амплитуда
,мПа и
среденее напряжение цикла касательных напряжений
определяется по формуле (2.100)
(2.100)
где М
- вращающий момент, Н
мм; М2=109,5
Н
мм;р
-полярный момент сопротивления , мм
; W
=8414,2 мм
; определен
по формуле (2.99).
Подстановкой указанных выше значений
в формулу (2.100) получено:
мПа
Коэффициент запаса прочности по
нормальным напряжениям S
,
определяется по формуле (2.101)
(2.101)
Где
-предел выносливости, мПа
=
335,4 мПа
определен по формуле (2.86)
-коэффициент (с.165)
-амплитуда нормальных напряжений
мПа,
=11,56 мПа
Подстановкой указанных выше значений
в формулу (2.101) получено:
Коэффициент запаса прочности по касательным
напряжениям S
определен по
формуле(2.102)
Где
-предел выносливости мПа;
=194,3
определен по формуле(2.91)
-коэффициент(с.165)
-коэффициент;
=0,1;определен
по (с.163)
-амплитуда касательных напряжений
мПа,
=4,6 мПа по
формуле(2.100)
Подстановкой указанных выше значений
в формулу (2.94) получено:
Результирующий коэффициент запаса
прочности S, определяется по формуле
где S
- коэффициент запаса прочности по
нормальным напряжениям; S
=7,04;
определен по формуле (2.93);- коэффициент запаса прочности по касательным
напряжениям; Sr=15,7;определен по формуле (2.94).
Подстановкой указанных выше значений
в формулу (2.95) получено:
Сечение Л-Л представлено на рисунке 2.2.
Концентрация напряжений обусловлена
переходом от диаметра 35 к диаметру 30 мм
при следующих характеристиках:
-
;
-
;
- Коэффициенты концентрации
напряжения:
-
, определен по ([2], с. 165).
-
, определен по ([2], с. 165).
- Масштабных факторах:
-
-
Суммарный изгибающий момент в
сечении Л - Л М
определяется по формуле
Где l
-длина шпонки,l
=40
изгибающие моменты в сечении Л-Л,определены по эпюре ведомого вала.
Подстановкой указанных выше значений
в формулу (2.96) получено:
Н
мм
Осевой момент сопротивления кручению
W, мм
определяется по формуле
Подстановкой указанных выше значений
в формулу (2.97) получено
Амплитуда нормальных напряжений
,мПа
где
- изгибающий момент, Н
мм;
=22555осевой
момент сопротивления, мм
, определен
по формуле (2.97)
Подстановкой указанных выше значений
в формулу (2.104) получено:
мПа
Полярный момент сопротивления W
,мм
определяется по формуле
-осевой момент сопротивления , мм
;определен
по формуле (2.97).
Подстановкой указанных выше значений
в формулу (2.97) получено:
мм
Амплитуда
,мПа и
среденее напряжение цикла касательных напряжений
определяется по формуле (2.100)
Подстановкой указанных выше значений
в формулу (2.100) получено:
мПа
Коэффициент запаса прочности по
нормальным напряжениям S
,
определяется по формуле (2.101)
Подстановкой указанных выше значений
в формулу (2.101) получено:
Коэффициент запаса прочности по
касательным напряжениям S
определен по
формуле(2.102)
Подстановкой указанных выше значений
в формулу (2.94) получено:
Результирующий коэффициент запаса
прочности S, определяется по формуле (2.95)
Подстановкой указанных выше значений
в формулу получено:
Показатели коэффициентов запаса
представлены в таблице 2.2
Таблица 2.2 - Показатели коэффициентов запаса
|
сечение
|
А-А
|
К-К
|
Л-Л
|
|
коэффициент
запаса
|
13,63
|
6,42
|
7,63
|
Во всех сечениях выполняется условие 5 >[5]
=2,5; определено по ([2], с.162)
3. ТЕХНОЛОГИЧЕСКИЙ РАЗДЕЛ
3.1 Выбор смазки для
зацепления и подшипников
Смазывание зубчатого зацепления производится
окунанием зубчатого колеса в масло, заливаемое вовнутрь корпуса до погружения
колеса на всю длину зуба. Вязкость масла устанавливается по ([2];с.253).
Средняя скорость U, м/с определяется по формуле
(3.1):
где
- скорость
вращения ведущего вала, рад/с;
=16,06 рад/с; определена по формуле
(2.15);
-делительный диаметр шестерни, мм; d
=64 мм. Подстановкой указанных выше
значений в формулу (3.1) получено:
При
контактном напряжении
п = 414,6
мПа и средней скорости U=0,51 м/с, вязкость масла должна быть приблизительно
равна 28
10'6 м2/с.
Для смазывания зубчатого сцепления принимается масло индустриальное И- ЗОА,
ГОСТ 20799-75.
Подшипники
смазываются пластичным смазочным материалом УТ-1. Материал помещается в
подшипниковые камеры. Сорт мази выбирается по ([2];с.253).
Объем
масляной ванны V, определяется из расчета 0,25 дм масла на 1кВт передаваемой
мощности. Объем ванны V-0,25
1,76 = 0,44 дм
3.2 Описание сборки
редуктора
Перед сборкой внутреннюю полость редуктора
тщательно промывается и покрывается маслостойкой краской.
Сборка производится в соответствии со сборочным
чертежом редуктора, начиная с узлов валов.
На ведущий вал насаживаются мазеудерживающие
кольца и шарикоподшипники, предварительно нагретые в масле до 80-100 °С.
В ведомый вал закладывается шпонка
16
10
100 под
муфту.
В ведомый вал закладывается шпонка
18
11
70 и
зубчатое колесо до упора в бурт вала, затем надевается распорная втулка,
мазеудерживающие кольца и устанавливаются шарикоподшипники, предварительно нагретые
в масле.
Собранные валы укладываются в
основание корпуса и надевают крышку корпуса, покрывая предварительно
поверхности стыка крышки и корпуса спиртовым лаком. Для центровки
устанавливаются крышка на корпус с помощью двух конических штифтов; затягивают
болты, крепящие крышку к корпусу.
В подшипниковую камеру закладываются
пластичная смазка, ставятся крышки подшипников с комплектом металлических
прокладок для регулировки.
В ведущий вал устанавливается шпонка
8
7
40 под шкив
Перед постановкой сквозных крышек в
проточки закладываются войлочные уплотнения, пропитанные горячим маслом.
Проверяется проворачиванием валов отсутствие заклинивания подшипников (валы
должны проворачиваться от руки) и закрепляют крышку винтами.
Далее на конец ведомого вала в
шпоночную канавку закладывают шпонку, устанавливают звездочку и закрепляют ее
торцевым креплением; винт торцового крепления стопорят специальной планкой.
Ввёртывается пробка маслоспускного
отверстия с прокладкой и фонарным маслоуказателем.
Заливается в корпус масло и
закрывается смотровое отверстие крышкой с прокладкой из технического картона;
закрепляется крышка болтами.
Собранный редуктор обкатывается и подвергается
испытанию на различие нагрузки, предусмотренные техническими условиями.
ЗАКЛЮЧЕНИЕ
Выполнение данного курсового проекта дало
возможность на практике выполнить и закрепить знания, полученные при изучении
курса «Детали машин».
В соответствии с современными тенденциями
проектируемый механизм должен удовлетворять следующим требованиям по:
· высокой производительности;
· экономичности производства и
эксплуатации;
· гарантированному сроку службы;
· удобству и безопасности
обслуживания;
· небольшим габаритам и массе;
· транспортабельности и эстетике.
Форма и внешний вид спроектированного редуктора
достаточно эстетичны, а небольшие габаритные размеры облегчают его
транспортировку и установку. Редуктор достаточно прост в эксплуатации, его
конструкция облегчает сборку, безопасный осмотр, замену смазки и деталей.
Прочность, жёсткость и износостойкость деталей
механизма обеспечивают работоспособность и гарантированный срок службы. На
основании расчётов на прочность определении допускаемых напряжений были выбраны
материалы деталей, термообработка, конфигурация деталей и их размеры. Жёсткость
деталей - способность сопротивляться изменению формы и размеров под нагрузкой,
очень важна, особенно для валов. От этого зависит удовлетворительная работа
подшипников, зубчатой передачи. Расчёт нагрузок также повлиял на выбор размеров
деталей. Износостойкость деталей зависит от свойств выбранного материала,
термообработки и шероховатости сопряжённых поверхностей. Это учитывалось в
конструкции деталей. Правильно выбранная смазка, а также уплотняющие
устройства, предохраняющие от попадания пыли, также увеличивают износостойкость
деталей.
Технологичность конструкции тем выше, чем меньше
затраты на её производство. С этой целью в проектируемом редукторе используются
литые чугунные корпус и крышки, что допускает их минимальную механическую
обработку. В конструкции редуктора используются стандартные посадки,
конструктивные элементы, а также стандартные крепёжные детали и уплотнительные
устройства. Это повышает его технологичность.
Проведённые проверочные расчёты показали, что
конструкция спроектированного редуктора соответствует указанным в задании
характеристикам.
СПИСОК ИСПОЛЬЗОВАННОЙ ЛИТЕРАТУРЫ
Дунаев
П.Ф.; Леликов О.П. - Детали машин. Курсовое проектирование. М.: Высшая школа,
1984.
Чернавский
С.А.; Чернин И.М. - Детали машин. Курсовое проектирование. М.: Машиностроение,
1988.
Моисеева
Т.М. Конспект лекций в РПК по дисциплине “Детали машин”