Система дистанційного контролю та обліку газу з розробкою радіоканалу

  • Вид работы:
    Дипломная (ВКР)
  • Предмет:
    Информатика, ВТ, телекоммуникации
  • Язык:
    Украинский
    ,
    Формат файла:
    MS Word
    2,89 Мб
  • Опубликовано:
    2015-06-18
Вы можете узнать стоимость помощи в написании студенческой работы.
Помощь в написании работы, которую точно примут!

Система дистанційного контролю та обліку газу з розробкою радіоканалу

Зміст

АНОТАЦІЯ

РЕФЕРАТ

ВСТУП

. АНАЛІЗ ІСНУЮЧИХ СИСТЕМ ТА ПРИНЦИПИ ЇХ РОБОТИ

.1 Система передачі даних від комунального лічильника газу по силових лініях електропередач (технологія передачі даних “Power Line Communications”)

.2 Система передачі даних від комунального лічильника газу, що використовують в якості зв’язку радіоканал.

. АНАЛІЗ ТЕХНІЧНОГО ЗАВДАННЯ

. РОЗРОБКА СТРУКТУРНОЇ СХЕМИ ТА ОБГРУНТУВАННЯ ЇЇ СКЛАДУ

. ЕНЕРГЕТИЧНИЙ РОЗРАХУНОК РАДІОКАНАЛУ.

.1 Підхід до побудови радіотрас. Класифікація радіотрас.

.2 Побудова прольоту з максимальною протяжнастю та визначення його типу (для м. Житомира).

.3 Розрахунок множника послаблення.

. РОЗРАХУНОК ПРИЙМАЛЬНОЇ ТА ПЕРЕДАВАЛЬНОЇ АНТЕН

.1 Вихідні дані до вибору антен.

.2 Основні параметри антен.

.3 Класифікація антен

.4 Вибір та розрахунок приймально-передавальної передавальної антени, що буде встановлюватися у споживача газу.

.5 Режими випромінювання спіральної антени.

.6. Розрахункові співвідношення для циліндричної спіральної антени.

.7. Розрахунок параметрів антени.

.8 Вибір та розрахунок приймально-передавальної антени, що встановлюється в служби обліку газу.

. РОЗРОБКА ПРИНЦИПОВОЇ ЕЛЕКТРИЧНОЇ СХЕМИ

.1 Вибір приймально-передавального пристрою.

.2 Розробка електричної схеми цифрового пристрою реєстрації імпульсів газового лічильника та пристрою управління прийомопередавачем.

.3 Розрахунок узгоджуючих трансформуючих кіл.

. РОЗРАХУНОК ПАРАМЕТРІВ ДРУКОВАНОЇ ПЛАТИ

ДОДАТОК А

Алгоритми передачі і прийому даних для мікросхеми nRF2401

ДОДАТОК Б

Блок схема мікроконтролера АТtiny2313

ДОДАТОК В

Алгоритм роботи мікроконтролера ATtiny2313

Анотація

Темою даного дипломного проекту є розробок системи дистанційного контролю та обліку газу з розробкою радіоканалу.

Основною ідеєю даної системи являється дистанційний контроль споживання енергоресурсів, зокрема природного газу, без залучення великої кількості персоналу.

Дана система базується на запитно-відповідному принципі роботи та реалізована на основі новітніх радіоелектронних розробок провідних фірм світу.

Реферат

Даний дипломний проект спрямований на розробку системи дистанційного обліку та контролю газу з передачею відповідних даних за допомогою радіолінії зв’язку. Дана система інтегрована з газовими лічильниками, що виготовляються київським заводом Арсенал, а саме з лічильниками типу G2 та G4, що мають імпульсний вихід. Також можлива інтеграція з газовими лічильниками інших виробників, при наявності такого ж виходу.

Проект складається з восьми розділів. В першому розділі були розглянуті існуючі системи дистанційного обліку енергоресурсів. Проведено детальний аналіз їх параметрів та принципів функціонування. Розглянуто їх переваги та недоліки.

У другому розділі проведено аналіз технічного завдання та запропоновано структурна схема системи.

У розділах 4 та 5 проведено енергетичний розрахунок радіоканалу та вибрана антенна система.

У шостому розділі вибрано елементну базу та здійснено побудову схеми електричної принципової, наведено алгоритми роботи певних вузлів.

В подальших розділах проведені розрахунки параметрів та розводка друкованої плати_____________надійність?.

Основними параметрами спроектованої системи стали:

частота передачі - 2,4ГГц, потужність передавача - до 1 Вт, чутливість приймача - 10-12Вт, дальність дії - 6 км.

ВСТУП

У даний час, для народного господарства і для газової промисловості в цілому, особливо велике значення мають питання, що пов'язані з удосконалюванням системи вимірювання й обліку природного газу на всіх рівнях видобутку, транспортування й використання, а також питання із впровадженням енергозберігаючих технологій і рішенням проблеми небалансу.

Рішення цих питань пов'язане з розробкою цілого комплексу нормативно технічних документів, які на законодавчому рівні закріплюють відносини, що стосуються вимірювання й обліку газу, а також з технічним переоснащенням і створенням єдиної автоматизованої системи комерційного обліку газу.

Недосконалість системи обліку газу й невисока точність вузлів комерційного обліку, відсутність нормативної бази й однакових вимог до вузлів обліку газу є основними причинами неефективного використання природного газу, небалансу й фінансових втрат у системі “постачальник-споживач”.

Організація автоматизованого дистанційного збору даних від вузлів обліку газу уже широко впроваджується в даній промисловості у багатьох країнах світу, адже існує потреба швидкого та зручного впорядковування взаємин між постачальником і споживачем газу.

У зв’язку з стрімким розвитком радіоелектроніки, що призвело до створення великої кількості різноманітних радіоелектронних засобів (РЕЗ), на даний час існує достатня кількість різноманітних систем дистанційного контролю та обліку споживання не лише природного газу, а й інших ресурсів, таких як електроенергія, холодна і гаряча вода та ін.

На сьогодні можливо виділити наступні системи дистанційного контролю та обліку споживання природного газу:

      Система дистанційного контролю та обліку газу (СДК та ОГ) з передачею даних по дротовій лінії передач.

      СДК та ОГ з передачею даних від комунального лічильника по силових ліній електропередач (так звана технологія передачі даних “Power Line Communications”);

      СДК та ОГ з передачею даних рід комунального лічильника за допомогою стільникового зв’язку;

      СДК та ОГ з передачею даних рід комунального лічильника за допомогою міжнародної комп’ютерної мережі “Internet”;

      СДК та ОГ з передачею даних від комунального лічильника використовуючи радіолінію прямої видимості;

      Комбіновані системи

Усі вище перечисленні системи знаходять своє застосування у сферах контролю та обліку споживання енергоресурсів у різних країнах світу та приходять на зміну старим системам врегулювання відносин між постачальником та споживачем природного газу.

Аналіз найпоширеніших існуючих систем, принцип їх дії та доцільність впровадження кожної із них будуть розглянуті в наступному розділі.

. АНАЛІЗ ІСНУЮЧИХ СИСТЕМ ТА ПРИНЦИПИ ЇХ РОБОТИ

1.1 Система передачі даних від комунального лічильника газу по силових лініях електропередач (технологія передачі даних “Power Line Communications”)

Сучасний будинок є сукупністю інженерних систем, необхідних для забезпечення комфортного проживання в ньому. Ці системи керують електроживленням, опаленням, пожежною сигналізацію, телефонією, комп'ютерною мережею тощо, а також обліком і заощадженням всіх видів енергоресурсів. Забезпечення цього неможливо без інтегрованого комплексу систем керування обладнанням і передачею інформації.

При створенні “інтелектуального будинку” за типовою технологією для кожної системи використовуються окремі кабельні мережі. Технологія PLC (Power Line Communications - телекомунікації по лініях електропередачі) передбачає керування та контроль всіма системами по одній загальній мережі. Крім економії кабелів і значного спрощення проектування й монтажу вирішується проблема змін і розвитку мережі. Розширення системи й зміна функцій досягаються простою перестановкою, додаванням або ж перепрограмуванням компонентів системи. Технологія PLC дає можливість постійного дистанційного моніторингу всіх характеристик і параметрів споживання електроенергії, води, газу, тепла, та оплати за них.

На рис. 1.1 показано варіант організації мережі по технології PLC побудованої за шинною топологією.

На рис. 1.1 модеми 1,2…N- це модеми для організації локальної Ethernet мережі на основі технології PLC.

Рисунок 1.1 - Варіант організації мережі для збору даних з комунальних лічильників газу по технології PLC.

Line Communication (PLC) [1] - телекомунікаційна технологія, що базується на використанні силових електромереж для високошвидкісного інформаційного обміну. Основою технології PLC є використання частотного поділу сигналу, при якому високошвидкісний потік даних розбивається на декілька відносно низькошвидкісних потоків, кожний з яких передається на окремій несучій частоті, з наступним їхнім об'єднанням в один сигнал. PLC як ніяка інша технологія дозволяє реалізувати з максимальною ефективністю (набір і якість послуг при мінімальній вартості) концепцію “інтелектуального будинку”.Line Communication (PLC) безумовно дуже цікава й перспективна технологія. Основними її перевагами насамперед є відсутність необхідності в прокладанні нової кабельної інфраструктури (мережі електроживлення існують повсюдно) і досить висока швидкість передачі даних до 14 Мб/с. Звичайно, під великим сумнівом залишаються якісні показники побутової електромережі, але розроблювані PLC заявляють, що їхня технологія дуже гнучка й шляхом певних доробок її можна адаптувати практично до будь-якої мережі. А з появою пристроїв для високошвидкісної передачі даних по високовольтних лініях електропередачі (ЛЕП) вимальовується картина цілої транспортної інфраструктури, що має доступ практично в будь-який куточок планети. Таким чином, якщо дана технологія буде і далі розвиватися, а фахівці пророкують їй велике майбутнє, то це може суттєво змінити ситуацію на ринку телекомунікаційних послуг.

До недоліків можна віднести низьку завадостійкість: (увімкнення - вимкнення) побутових приладів, робота галогенних ламп, тощо, що вносять мікросекундні завади, появу на певних частотах різкого збільшення коефіцієнта загасання). Передавання даних по електромережі вносить завади в ефір, що заважатиме роботі інших служб зв’язку. Відкритість мережі дає змогу несанкціонованого доступу до даних, що передаються.

Дані, що прийшли з газових лічильників та збереглись в пам’яті сервера реєстрації, знімаються за розкладом (наприклад раз на місяць) газовим інспектором котрий підключає ПК через ІЧ-порт або USB. Далі дані передаються в центр обліку газу для занесення в базу даних та виставлення рахунків користувачам.

1.2 Система передачі даних від комунального лічильника газу, що використовують в якості зв’язку радіоканал

На жаль, в Україні дані системи ще не знайшли широкого застосування та практично не розробляються вітчизняним виробником радіоелектроніки. Тому подальший аналіз існуючих систем дистанційного контролю та обліку споживання газу з розробкою радіоканалу, та їх функціонування буду проводити на прикладі розробок російських фірм.

Однією із передових організацій, котра займається вирішенням даної проблеми в Російській Федерації (РФ), є компанія “СпецКИПавтоматика”[2].

Дане товариство займається проектуванням та розробкою інформаційних систем й мережного встаткування для державних і комерційних замовників. Використовуючи передові технології для створення конкурентоздатних продуктів і надання послуг, а також проведення прикладних досліджень, компанія вносить свій внесок у стійкий розвиток високотехнологічного бізнесу Росії.

Однією із найновіших розробок компанії у 2012 р. (для комерційних замовників) в галузі систем дистанційного обліку та контролю енергоресурсів є так званий телеметричний комплекс “Радіо Імпульс”. Даний комплекс знайшов широке застосування в багатоквартирних будинках.

Складові компоненти комплексу.

До складу комплексу входять наступні технічні й програмні компоненти:

      автономні лічильники-реєстратори “Імпульс”;

      радіозчитувач USB-433 ( USB - приймач);

      переносний комп'ютер (notebook);

      програмне забезпечення (ПО) “Імпульс-РДІ 433”.

Автономний лічильник - реєстратор “Імпульс” зображений на рис.1.2. (у подальшому АЛР) та призначений для підрахунку кількості імпульсів, що надходять із телеметричних імпульсних виходів вимірювальних р (лічильників газу, електроенергії, холодної та гарячої води то що), а також для передачі даного значення по бездротовому каналу зв’язку на віддалений USВ приймач.

Рисунок 1.2 - Автономний лічильник - реєстратор “Імпульс”.

АЛР “Імпульс” має досить широку інтеграцію з лічильниками різних фірм та може підключатися до буду-якого телеметричного імпульсного виходу лічильників води, газу, електроенергії та інших приладів, оснащених імпульсно-числовими перетворювачами фізичних величин. Можливість інтеграцію з лічильниками різних фірм наведена в табл. 1.1.

Таблиця 1.1

№ з/п

Лічильники

Типи та виробник

1

Газові

ВК-G1,6; ВК-G2,5; ВК-G4 (Эльстер Газелектроніка, м. Арзамас) RF1 -G6 (Актаріс, Москва)

2

Електричні

СЭБ-2А.05, СЭО-1.12 (Завод Фрунзе, м. Новгород) Меркурій 200/201/230 (ЛЭМЗ, С - Петербург)


Радіоприймач USB-433 підключається до USВ-порту переносною комп'ютера, з установленим програмним забезпеченням «Імпульс-РДІ» і використається для збору даних від віддалених лічильників-реєстраторів за допомогою радіоканалу.

Варіант структурної схеми комплексу зображений на рис.1.3

Рисунок 1.3 - Приклад структурної схеми комплексу.

Опис особливостей процесу обміну інформацією.

Кожен пристрій, що передає й приймає інформацію з радіоканалу (АЛР і USВ приймач) має власний номер (МАС адрес). Даний номер є унікальним і не може бути змінений. МАС адреса використовується з метою ідентифікації пристроїв у процесі роботи (обміну даними) [2].

Алгоритм роботи АСР при обміні інформацією з USВ приймачем полягає у наступному. Згідно запланованого наперед часу АЛР передає пакет даних, адресованих конкретному приймачу. Для цього в пам'ять кожного АЛР записаний поточна адреса радіозчитувача (МАС адреса приймача - МАС АП). Таким чином, в кожному сеансі обміну АЛР може передавати дані тільки конкретному приймачу (радіозчитувачу). При необхідності заміни адреса новий МАС АП може бути записаний в АЛР за допомогою спеціальної процедури, що виконується необхідним програмним забезпеченням.

Процедура зміни МАС АП може займати до 1-2 хвилин для кожного АЛР, тому при великій кількості АЛР, для економії часу, рекомендується виконувати зняття показань одним приймачем. У випадку виходу його з ладу або втраті, можна виповнити перенастроювання групи АЛР, записавши в них новий МАС АП. Запис МАС АП виконується дистанційно по радіоканалі й не вимагає безпосереднього підключення до АЛР.

Технічний опис автономного лічильника-реєстратора “Імпульс”

АЛР “Імпульс” (зображений на рис.1.) забезпечує виконання наступних функцій:

      вимір кількості імпульсів, що надходять від приладів обліку й інших пристроїв із імпульсночисловим виходом;

      збереження обмірюваного значення кількості імпульсів в енергонезалежній пам’яті наростаючою загальною сумою;

      контроль стану батареї живлення;

      придушення дрижання (фільтрація) при роботі з механічними, герконовими датчиками імпульсів;

      програмне настроювання часу фільтра придушення дрижання;

      передача підрахованого значення імпульсів й додаткових параметрів по бездротовому каналу зв'язку з частотою передачі 433 Мгц.

АЛР не вимагає зовнішнього живлення, завдяки вбудованої літієвої батареї.

Основні технічні характеристики лічильника-реєстратора:

      частота вхідного сигналу, не більше: 100 Гц;

      тривалість вхідного імпульсу не менш: 10 мс;

      розрядність регістра рахунку імпульсів: 4 байти (до 4 294967 295);

      частота радіопередавача 433 Мгц

      потужність передавача: 10 мВт;

      тип з’єднання з антеною ВNС (СР50);

      тривалість роботи до заміни батареї: не менш 1 року;

      середній термін служби: 10 років;

      живлення (вбудована батарея) 3,6 В (8,2 А/г);

      діапазон робочих температур: від - 10 до +55 °С;

      габаритні розміри: 112x115x55мм;

Автономний лічильник-реєстратор “Імпульс” виконаний у герметичному корпусі з ударозахисного пластику. На передній панелі знаходиться світлодіод індикації роботи передавача.

Із зовнішньої сторони корпуса встановлений герметизований вхід для кабелю підключення до лічильника, а також вихід для підключення зовнішньої антени. Усередині корпуса перебувають клеми для підключення зовнішніх датчиків.

Дальність передачі по радіоканалі залежить від типу застосовуваних антен і досягає 200 метрів на відкритому просторі й 50 метрів у приміщенні.

Спільно з лічильником-реєстратором можуть застосовуватися наступні види антен:

      укорочений штир 1/4 хвилі (довжина антени - 172 лш);

      спрямовані й ненаправлені антени для діапазону 433 Мгц .

Кожен лічильник-реєстратор має унікальний номер (МАС адрес), що нанесений на передній панелі. Даний МАС адреса використається при кожному сеансі зв’язку по радіоканалу для ідентифікації конкретного пристрою.

При кожному сеансі зв'язку АЛР передає наступну інформацію:

      власний МАС адреса;

      поточне значення накопичувального підсумку кількості імпульсів;

      напруга батареї;

      додаткова й службова інформація.

Технічний опис радіозчитувача USB-433.

Радіозчитувач являє собою пристрій, що забезпечує одержання даних від лічильника-реєстратора на мобільний комп'ютер.

Характеристики радіозчитувача:

      інтерфейс для підключення до комп'ютера: USB;

      радіочастотний діапазон прийому даних від АЛР: 433 Мгц;

      живлення: від інтерфейсу USB;

      потужність передавача: 10 мВт;

      тип антенного з’єднання: BNC (CPS0);

До радіозчитувача можуть бути підключені ті ж антени, що й для лічильника-реєстратора.

Кожен радіозчитувач має унікальний номер (МАС адрес), що нанесений на корпусі. Даний МАС адреса використається при кожному сеансі зв'язку по радіоканалі для ідентифікації конкретного пристрою.

Радіозчитувач забезпечує прийом інформації від AJIP і передачу йому службових команд.

Характеристики програмного забезпечення «Імпульс-РДІ433»

Дані, котрі прийняв USB радіоприймач попадають в базу даних газових служб за допомогою необхідного програмного пакету. На комп'ютері, що здійснює дистанційне зчитування даних, повинно бути встановлене програмне забезпечення «Імпульс-РДІ433».

Програмне забезпечення не вимагає інсталяції й повинно бути просто скопійоване на комп'ютер.

Програмне забезпечення має наступні функціональні можливості:

      формування списку АЛР із вказівкою МАС адреси, місця установки, параметрів імпульсного сигналу приладу обліку (ціна імпульсу, початкове значення), іншої додаткової інформації;

      автоматичний прийом інформації від АЛР, внесених у список;

      перегляд прийнятої інформації від АЛР;

      редагування списку АЛР (додавання, видалення, зміна параметрів);

      формування груп об’єктів (район, вулиця й т.п.);

      експорт прийнятої інформації в додаток Microsoft Excel.

Програма в автономному режимі здійснює прийом інформації від АЛР.

При нормальному радіозв'язку між АЛР і USВ приймачем відбувається відновлення інформації в стовпці “Дата”, а при наявності імпульсів на вході АЛР також у стовпці “Число имп.” головного вікна програми "Імпульс- РДІ433. Приклад даного вікна програми зображене на рис 1.4

Рисунок 1.4 - Приклад вікна програми для відображення даних прийнятих від АЛР.

Вся прийнята інформація накопичується в базі даних і може бути експортована в додаток MS Excel або Word для формування звітів (рис. 1.5).

Рисунок 1.5- Приклад звіту перед службами газ та допомого додатку MS Excel.

Приклади застосування телеметричного комплексу “Радіо Імпульс”.

Основне призначення комплексу - зняття показань із приладів обліку, однак він може застосовуватися й в інших областях. Нижче наведені деякі приклади застосування комплексу.

Приклад 1.

Контролер певного підприємства не має доступу до приладу обліку для зняття показань, тому що підвал закритий власником. АСР установлюється в підвалі житлового будинку й підключається до лічильника імпульсним виходом. Контролер, що здійснює зняття показань може виконувати це дистанційно, не маючи доступ у підвал. Для цього контролер використає мобільний комплект із переносного комп'ютера й радіозчитувача. Зняті показання в електронному вигляді передаються в розрахункову службу.

Приклад 2.

Підприємство-споживач розраховується за електроенергію по лічильнику, встановленому на підстанції енергопостачальної організації й не вільною доступу до приладу обліку для контролю. АЛР підключається до лічильника, що має імпульсний вихід. Споживач, не маючи доступу на підстанцію, за допомогою мобільного комплекту може контролювати власне споживання.

Приклад 3.

Прилад з імпульсним виходом розташований у вилученому, важкодоступному місці, де немає технічної можливості прокладки кабелю або вартість прокладки досить висока. Поруч із приладом установлюється АЛР, що має автономне живлення, що здійснює передачу інформації із приладу по радіоканалу.

1.3 Комбіновані системи передачі даних від імпульсних лічильників газу

Прикладом комбінованої системи може бути розробка також російської компанії АПГРЕЙД-НН” [3]. Система дозволяє оперативно одержувати інформацію про витрату, вести статистику споживання водо- і енергоресурсів. Областю застосування цієї системи є вимір і контроль витрати води і енергоресурсів у житлових будинках та інших спорудженнях.

Повний комплект системи складається з:

      лічильника з вбудованим передавачем;

      ретранслятора;

      концентратора.

Функції, що виконуються кожним модулем окремо наступні:

Лічильник - веде облік певних енергоресурсів (газ, електроенергія, холодна й гаряча вола), що постачаються мешканцям квартир. Передає добові й місячні показники втрат енергоресурсів мешканців квартир.

Ретранслятор - виконувана функція складається в прийнятті й зберіганні даних, прийнятих з лічильників, і подальшої передачі даних на концентратор.

Концентратор - виконувана функція складається в прийнятті даних з ретрансляторів і подальшій їхній обробці для наступної передачі даних через “Internet” або радіо модемам.

Опис функціонування системи.

Кожен лічильник є повністю автономним, містить безпосередньо, контролер, передавач і джерело живлення (акумулятор). Кожному лічильнику привласнюється свій індивідуальний ідентифікаційний номер, що надається заводом-виготовлювачем та занесений в пам'ять контролера. Такий електронний лічильник автоматично фіксує й зберігає в енергонезалежній FLASH пам’яті показники лічильника. Періодично він активізується, встановлює зв'язок з ретранслятором і по радіоканалі передає всі накопичені із часу останнього сеансу зв'язку показання. Дані з лічильників передаються кожні 24 години, передаючи добові й місячні показання лічильників. Накопичена лічильниками інформація може зберігатися в пам'яті контролера не менш 1 року.

Всі передані дані з лічильників приймаються ретрансляторами. Ретранслятор є основним проміжним модулем, тому що всі дані про всі енергоресурси мешканців зберігаються в енергонезалежній FLASH пам'яті набагато більшого об’єму, ніж у лічильника. У ретрансляторі передбачене автономне джерело живлення, на випадок нестачі напруги в силовій мережі, яке дозволяє йому безперервно працювати.

По запиту концентратор зчитує по радіоканалу всі накопичені дані, що зберігаються в ретрансляторі. Далі інформація може передаватися по телефонній лінії (за допомогою “Internet”), використовуючи кабельний модем або радіомодем, на персональний комп'ютер або ноутбук оператора. Програмне забезпечення дозволяє цілодобово спостерігати всі зміни показань лічильників, а також забезпечує можливість самодіагностики з аналізом аварійних станів. А також дозволяє визначити вихід з ладу будь-якого модуля системи й запобігти несанкціонованому впливу на систему. У лічильниках також реалізований контроль за наявністю зовнішнього магнітного поля, що може блокувати роботу лічильника й контроль на наявність частоти, що також перешкоджає його роботі. Про кожну із цих проблем довідається оператор та внесе певні корективи.

Варіант побудови комплексу з комбіновано передаче даних зображений на рис.1.6.

Рисунок 1.6 - Варіант побудови системи з комбінованою передачею даних від лічильників витрат.

На рисунку пунктирною лінією показаний зв'язок з використанням телефонної лінії, а антени, показанні на даху будинків, дають можливість зв’язку із застосуванням радіомодема.

Вся система а абсолютно динамічна й може бути сконфігурована залежно від виду житлового (промислового) масиву будинків і споруджень, наприклад:

      район багатоповерхової забудови;

      район багатоповерхових котеджів;

      окремо вартий багатоповерховий будинок.

Технічні характеристики даної системи.

      Робоча частота 868,35 МГц;

      Режими роботи: симплексний (при передачі від лічильників до ретранслятора) та напівдуплексний (при передачі інформації між ретранслятором і концентратором);

      Потужність випромінювання для передавача лічильника становить 10 дБм;

      Дальність зв'язку в умовах прямої видимості від лічильника до ретранслятора становить 100 метрів. У приміщенні дальність залежить від матеріалу перекриттів і стін може досягати 50 метрів.

      Потужності випромінювання передавачів ретранслятора й концентратора становлять 20 дБм.

      Дальність зв'язку в умовах прямої видимості між ретранслятором і концентратором становлять 700 метрів. Дальність залежить від рельєфу місцевості, місця розташування ретранслятора й концентратора.

      Швидкість обміну даними між модулями системи становить 9600 бод/с.

      Час безперервної роботи ретранслятора, від автономного джерела живлення, становить 24 години.

. АНАЛІЗ ТЕХНІЧНОГО ЗАВДАННЯ

Згідно до технічного завдання в даному дипломному проекті має бути розроблена система дистанційного контролю та обліку споживання природного газу.

.     Призначення та мета створення системи:

.1 Система призначена для обліку та контролю споживання природного газу

.2 Мета створення: розробка приладу для можливого подальшого виготовлення та застосування.

.3 Кінцевий результат - проект системи.

. Вимоги до структури та функцій об’єкту розробки в цілому:

.1Функції приладу, що встановлюється в споживачів газу - підрахунок кількості імпульсів від газового лічильника та передача їх в газову службу при запиті по радіоканалу.

.2Функції приладу, що встановлюється в газовій службі контролю:

      Зв'язок з персональним комп’ютером;

      Передача запиту та отримання показників від газових лічильників.

. РОЗРОБКА СТРУКТУРНОЇ СХЕМИ ТА ОБГРУНТУВАННЯ її СКЛАДУ

Згідно до технічного завдання в даному дипломному проекті має бути запропонована та розроблена система дистанційного контролю та обліку споживання природного газу з передачею даних за допомогою радіолінії зв’язку.

Провівши аналіз існуючих систем, та розглянувши усі існуючі методи дистанційного контролю використання енергоресурсів в першому розділі можливо висунути наступні вимоги до системи, що буде розроблятися в даному дипломному проекті.

Система дистанційного обліку споживання природного газу повинна включати в себе:

      Лічильник витрат газу з імпульсним виходом (наприклад лічильники київського заводу Арсенал марки G2, G4);

      Пристрій підрахунку імпульсів.

      Приймально-передавальний пристрій з боку споживача;

      Радіоканал;

      Приймально-передавальний пристрій з боку служби газу;

      Персональний комп’ютер.

Відповідно до поставлених вимог структурна схема буде мати такий вигляд (рис. 3.1.)

Рисунок 3.1 - Схема структурна cистеми дистанційного контролю та обліку споживання газу.

3.1 Призначення блоків, що входять до складу структурної схеми

Газовий лічильник з імпульсним виходом - комунальний пристрій призначений для вимірювання кількості спожитого газу в м3. Поява на імпульсному виході імпульсу свідчить про те що було спожито 1 м3 природного газу (для лічильників виготовлених київським заводом Арсенал марки G2, G4 ).

Параметри імпульсу:

      Тривалість імпульсу - 10мс

      Амплітуда імпульсу - 1В.

Пристрій реєстрації імпульсів - цифровий пристрій призначений для підрахунку імпульсів, що надходять від газового лічильника через імпульсний вихід, з подальшим збереженням їх в енергонезалежній пам’яті та видачі при запиті на вхід передавача.

Приймально-передавальний пристрій (з боку споживача)- радіотехнічний пристрій призначений для прийому запиту від служби газу та передачі показників газового лічильника до даної служби для виставлення рахунків.

Приймально-передавальний пристрій (з боку служби газу) - радіотехнічний пристрій призначений для передачі запиту та прийому показників газових лічильників від споживачів.

Персональний комп’ютер (ПК) - пристрій з відповідним програмним забезпеченням призначений для створення бази даних споживачів газу. Також за допомогою ПК проводиться формування запиту та подача його на радіопередавач.

. ЕНЕРГЕТИЧНИЙ РОЗРАХУНОК РАДІОКАНАЛУ

.1 Підхід до побудови радіотрас. Класифікація радіотрас

На умови поширення радіохвиль істотне значення вносить характер місцевості, над якою вони проходять, і стану атмосфери [4]. Довжина ділянки зв’язку залежить від рельєфу місцевості, типу застосовуваної апаратури, висот антенних опор й інших умов. Потім розраховуються якісні показники каналів зв'язку на обраній трасі, іноді розглядається кілька варіантів, після чого виробляється остаточний вибір. Визначальним фактором при цих розрахунках є задана стійкість роботи лінії зв'язку при необхідних якісних показниках.

Розглянемо рис. 4.1. де зображений профіль радіолінії зв’язку в полярній системі координат.

Рисунок 4.1 - Профіль радіолінії зв’язку в полярній системі координат.

Це є вертикальний розріз місцевості між двома пунктами зв’язку з врахуванням лісу, забудов та рельєфу місцевості. Для практичних цілей зручніше користуватися профілем, побудованим у прямокутній системі координат, а не в полярної, як це було зроблено на рис. 4.1. Такий перехід спричинить зміну виду кривої, що визначає рівень моря (або будь-який інший умовний нульовий рівень). При переході до прямокутної системи координат поверхня Землі з радіусом r3-6370 км з достатнім ступенем точності можна замінити параболою, що описується рівнянням:

,                                            (4.1)

де Rі - абсциса точок лінії (відстань до і-тої ізолінії);- довжина радіолінії зв’язку.

Побудована по формулі (4.1) крива приймається за рівень Балтійського моря або інший довільно обираний умовний нульовий рівень. Накресливши лінію, що зображує даний рівень, відкладають від нього висотні оцінки профілю, по певним топографічним картам заданої місцевості.

Отримані точки з'єднуються плавною лінією. На профілі також містяться в масштабі ліс, будови й антенні підвіси з висотами h1 та h2. На рис. 4.2. показаний той же профіль траси, що й на рис. 4.1. але побудований у новій декартовій системі координат. Величина просвіту Н на цих рисунках вказана без врахування впливу атмосфери на поширення радіохвиль, а величина просвіту ∆H(g) (на рис. 4.2.) вказана з урахуванням рефракції електромагнітних хвиль.

Рисунок 4.2 - Профіль радіолінії зв’язку в декартовій системі координат.

Основний енергетичний розрахунок радіоканалу зводиться до основного рівняння передачі:

,                                     (4.2)

де- втрати при передачі,

Рпд - потужність передавача,

Рвх пр - потужність на вході приймача,1,G2- коефіцієнти підсилення передавальної та приймальної антен відповідно,

, - ККД фідерів на приймальні та передавальній стороні відповідно,

- множник послаблення сигналу за рахунок перепон.

- множник послаблення вільного простору, у якому  - довжина хвилі, R - довжина траси радіолінії зв’язку.

Маючи дані значення рівняння (4.2) можливо перевести до наступного вигляду:

                                            (4.3)

При класифікації трас радіозв’язку й розрахунку інтервалів користуються поняттям про просторову зону, що істотно бере участь у поширенні радіохвиль. Відповідно до цього розрізняють три види радіотрас:

      відкриті Р(g)≥ 1,

      напіввідкриті 0 ≤ Р(g) =1,

      закриті Р(g)= 1.

Енергетичний розрахунок кожної з вищевказаних радіоліній проводиться згідно до існуючих методик.

.2 Побудова прольоту з максимальною протяжністю та визначення його типу (для м. Житомира).

Картографічне зображення міста Житомира в масштабі відображено на рис. 4.3. Для впровадження системи дистанційного контролю й обліку газу в дію необхідно щоб організація котра, буде вести даний облік (наприклад певна газова служба штаб якої нехай знаходиться в центрі міста), могла отримувати дані газових лічильників з кожного району міста. Тому на топографічній карті доцільно буде показати відстані від найвіддаленіших точок кожного з головних районів до відповідного місця розташування служби обліку та контролю природнього газу

Визначу відстані від центра збору інформації до кожного із віддалених районів міста позначених на топографічній карті. Отримані дані занесу в табл. 4.1.

Таблиця 4.1 - Відстань між крайніми точками міста.

№з/п

Радіоканал між пунктами

Протяжність радіолінії R, км

1

Корбутівка - Центр

3,2

2

Богунія - Центр

4,5

3

Крошня - Центр

5

4

Станішовка - Центр

4,8

5

Вокзал - Центр

6


Згідно із властивістю розповсюдження електромагнітних хвиль (затухання в просторі) ми маємо забезпечити на сам перед зв'язок між найвіддаленішими пунктами, у нашому випадку “Вокзал - Центр” (R=6км.). Також чималий внесок у затухання радіохвиль вносять споруди. Щоб урахувати даний вплив припустимо, що декілька найбільших будинків у м. Житомирі стоять на заваді передачі інформації саме на даній ділянці. Забезпечивши нормальну передачу даних від газових лічильників в цьому випадку передача даних буде можлива у всіх інших (відповідно до табл. 4.1.).

Для побудови профілю прольоту необхідно спочатку вздовж вісі абсцис побудувати лінію, яка відображає рівень моря (нульовий рівень). Вона може бути апроксимована параболою по формулі (4.1).

Далі від умовного нульового рівня відкладаються по вертикалі у вибраному масштабі відрізки (Hi), які відповідають висотним відміткам точок профілю i-тих ізоліній . Кінці відрізків з’єднуються ломаною лінією.

Отримані дані з карти місцевості та з урахуванням розрахованого рівня Балтійського моря заносимо до табл. 4.2.

Таблиця 4.2 - Висоти м. Житомира, відносно рівня моря.

№п/п

Відстань до i-тої ізолінії R, км

Висоти без урахуванням рівня моря hi, м

Висоти з урахуванням рівня моря, Hi=hi+yi, м

0

0

220

220 (Вокзал)

1

3

220

220,7

2

4,5

220

220,5

3

6

220

220 (Центр)


Провівши аналіз будівель по місту Житомиру можна зробити висновок, що висота найвищого будинку (дванадцятиповерхового) становить приблизно 36 м. Нехай приймальна антена, що знаходиться в центрі міста, стоїть саме на такому будинку та має особистий підвіс 5м. Тоді загальна висота підвісу приймальної антени становить 41 м.

Передавальні антени будуть встановлюватися на багатоквартирних жилих будинках. В місті Житомирі одними із найменших є п’яти поверхові багатоквартирні будови. Висота жилого п’яти поверхового будинку приблизно становить 20м., з підвісом передавальної антени становить до 25м.

Також можна зробити висновок, що на радіотрасі “Вокзал - Центр” висота найбільшого будинку становити приблизно 30 м (п’яти та шести поверхові забудови).

Маючи дані значення нанесемо на графік профілю в масштабі висоти підвісів антен та будинки що стоять на шляху радіолінії, а також позначимо необхідні параметри для подальшого визначення типу траси

Розрахуємо зміну величини просвіта ∆H(g) на трасі за рахунок рефракції:

,                              (4.4)

Де

 

 - градієнт для Європейської території колишнього СРСР.=6км.

Підставляємо дані у (4.4) і отримаємо:

∆H(g)=-0,25∙60002∙(-12∙10-8)∙0,5(1-0,5)=0,27 м.

Розрахуємо просвіт при якому множник послаблення на даному інтервалі приблизно дорівнює одиниці за наступною формулою:

                               (4.5)

де

 - довжина хвилі,

 

Підставляючи значення  та , отримаємо

.

Обраховуємо значення відносного просвіту за наступною формулою:

 (4.6)

Візьмемо значення і підставимо у (4.6) отримаємо:

 

Як видно 0≤P(g)<1, отже траса являється напіввідкритою.

.3 Розрахунок множника послаблення

Множник послаблення для напіввідкритих та закритих трас залежать від висоти та протяжності перешкоди. Останнє характеризується параметром  На слабозакритих трасах, де P(g) має невелику величину, параметр можливо обрахувати за наступною формулою:

 (4.7)

де

,

.

З рис.4.5 визначаємо  та r апроксимувавши перешкоду частиною сфери.

Тоді отримаємо

.

Маючи значення =2,58 та P(g)=0,54 м за допомогою графіка, що зображений на рис.4.6 визначаємо множник послаблення V.

Рисунок 4.6 - Графік залежності множника послаблення від відносного просвіту.

Згідно рис.4.6 V=-4 дБ або

 


 

Дана потужність не може бути меншою за порогову чутливість приймача, в іншому випадку отриманий сигнал буде неможливо виділити на фоні шумів.

Згідно з паспортними даними приймально-передавального пристрою nRF2401, котрий буде застосовуватися в даній системі дистанційного обліку та контролю природного газу відомо, що чутливість приймача реалізованого на мікросхемі фірми NORDIC становить -90дБм .

Дану розмірність часто використовують при розрахунках та налагодженнях систем. Формула переходу від [дБм] до [Вт] має наступний вигляд:

 (4.8)

деe =1 мВт - відносна еталонна потужність.

Тоді згідно з вище отриманих формул маємо, що чутливість приймача становить:пр.min=10-12 Вт.

По отриманим даним можливо зробити висновок, що сигнал на даній радіолінії буде передаватися не зважаючи на затухання V=-4 дБ.

В даному розділі було проведено енергетичний розрахунок радіоканалу та отримані наступні його параметри:

f = 2,4 ГГц - частота передачі сигналу;

Рпер = 1 Вт - потужність передавача;= 6 км - довжина радіолінії;

V = -4 дБ - множник послаблення сигналу за рахунок перепон;

Рвх. пр = 2,4-10 -10 Вт - потужність сигналу на виході приймальної антени;

Рпр,min =10-12Вт - чутливість приймача.

. РОЗРАХУНОК ПРИЙМАЛЬНОЇ ТА ПЕРЕДАВАЛЬНОЇ АНТЕН

5.1 Вихідні дані до вибору антен

Антеною називається радіотехнічний пристрій, призначений для випромінювання або прийому електромагнітних хвиль. Антена є одним з найважливіших елементів будь-якої радіотехнічної системи, пов'язаної з випромінюванням або прийомом радіохвиль. До таких систем відносять:

      системи радіозв'язку,

      радіомовлення,

      телебачення,

      радіоуправління,

      радіорелейного зв'язку, радіолокації,

      радіоастрономії,

      радіонавігації й ін.

У конструктивному відношенні антена являє собою дроти, металеві поверхні, діелектрики, магнітодіелектрики.

Призначення антени пояснюється спрощеною схемою радіолінії. Електромагнітні коливання високої частоти, модульовані корисним сигналом і створювані генератором, перетворяться передавальною антеною в електромагнітні хвилі й випромінюються в простір. Звичайно електромагнітні коливання підводять від передавача до антени не безпосередньо, а за допомогою лінії живлення (лінія передачі електромагнітних хвиль, фідер). При цьому уздовж фідера поширюються пов'язані з ним електромагнітні хвилі, які перетворяться антеною в розбіжні електромагнітні хвилі вільного простору.

Приймальна антена вловлює вільні електромагнітні коливання й перетворює їх у зв’язані хвилі, котрі підводяться за допомогою фідера до приймача. Відповідно до принципу оборотності антен властивості антени, що працює в режимі передачі, не змінюються при роботі цієї ж антени в приймальному режимі.

Пристрої, аналогічні антенам, застосовують також для збудження електромагнітних коливань у різних типах хвилеводів й об'ємних резонаторів.

.2 Основні параметри антен

Властивості спрямованості антени описують характеристикою (діаграмою) спрямованості. Кількісно ці властивості оцінюють за допомогою таких параметрів:

      ширина діаграми спрямованості;

      рівень бічних пелюсток;

      коефіцієнт спрямованої дії (КСД) та інших.

Важливим параметром є вхідний опір антени, що характеризує її як навантаження для генератора або фідера. Вхідним опором антени називається відношення напруги між точками живлення антени (затиски антени) до струму в цих точках. Якщо антена живеться за допомогою хвилевода, то вхідний опір визначається відбиттями, що виникають у хвилеводному тракті.

У загальному випадку вхідний опір - величина комплексна:

 (5.1)

Він повинен бути погоджене із хвильовим опором фідерного тракту (або з вихідним опором генератора) так, щоб забезпечити в останньому режим, близький до режиму біжучої хвилі.

Потужність, випромінювана антеною пов'язана зі струмом у точках живлення антени співвідношенням:

 (5.2)

де - активна складова вхідного опору антени, при відсутності втрат у ній (η = 1 ) - це опір випромінювання. Дане визначення відноситься до дротових антен.

Одним з основних параметрів антени є також ширина її робочої смуги частот, у межах якої параметри антени (характеристика спрямованості, вхідний опір, ККД й ін.) задовольняють певним технічним вимогам. Вимоги до сталості параметрів антени в межах робочої смуги можуть бути різними, вони залежать від умов роботи антени.

5.3 Класифікація антен

Антени можливо класифікувати по різних ознаках:

      по діапазонному принципі,

      по характері випромінюючих елементів (антени з лінійними струмами, або вібраторні антени; антени, що випромінюють через розкриви - апертурні антени; антени поверхневих хвиль);

      по виду радіотехнічної системи, у якій використається антена (антени для радіозв'язку, для радіомовлення, телевізійні й ін.).

Будемо дотримуватися діапазонної класифікації. Хоча в різних діапазонах хвиль дуже часто застосовують антени з однаковими (по типу) випромінюючими елементами, однак конструктивне виконання їх різне. Значно відрізняються також параметри цих антен і вимоги, що висунуті до них.

Розглядаються антени наступних хвильових діапазонів (назви діапазонів даються відповідно до рекомендацій “Регламенту радіозв'язку”; у дужках указуються назви, широко розповсюджені в літературі по антенно-фідерних пристроях):

-     міріаметрові (наддовгі) хвилі (λ = 10... 100 км );

-     кілометрові (довгі) хвилі (λ= 1...10 км );

-     гектометрові (середні) хвилі ( λ -100...1000 м );

-     декаметрові (короткі) хвилі (λ = 10...100 м );

-     метрові хвилі (λ= 1...10 м );

-     дециметрові хвилі (λ- 10 см...1 м );

-     сантиметрові хвилі (λ= 1... 10 см );

-     міліметрові хвилі (λ = 1...10 мм ).

Останні чотири діапазони іноді поєднують загальною назвою “ультракороткі хвилі” (УКХ).

Також, в сучасній літературі, досить часто можливо побачити загальну класифікацію антен для систем зв’язку, що зображена на рис. 5.1.

Рисунок 5.1 - Загальна класифікація антен для систем зв’язку.

.4 Вибір та розрахунок приймально-передавальної передавальної антени, що буде встановлюватися у споживача газу

При виборі передавальної антени (для передачі даних від газового лічильника) слід звернути увагу на наступні її характеристики:

-     антенна повинна мати “гостру” діаграму спрямованості;

      забезпечувати необхідний (високий) коефіцієнт підсилення;

      бути економічно вигідною.

В заданому діапазоні частот (2,4ГГц) врахувавши поставлені критерії, доречно використати спіральну антену (рис. 5.2), яка дешевша і простіша у виконанні за дзеркальну. Даний тип антен має досить гостру діаграму спрямованості, та високий коефіцієнт підсилення до 40 дБ, також даний тип антен відрізняється від інших простотою та невеликою вартістю.

5.5 Режими випромінювання спіральної антени

Спіральна антенна являє собою згорнутий у спіраль провід , який живеться через коаксіальний фідер (рис. 5.2, а). Внутрішній провід фідера з'єднується зі спіраллю, а зовнішня оболонка фідера - з металевим диском . Останній служить рефлектором, а також перешкоджає проникненню струмів з внутрішньої на зовнішню поверхню оболонки фідера. Спіраль може бути не тільки циліндричною, як на рис. (5.1,а), але і конічної (рис. 5.1, б) і плоскої (рис.5.1 в) або опуклою.

Рисунок 5.2 - Спіральні антени

Циліндрична спіральна антена характеризується наступними геометричними розмірами: радіусом а, кроком s, довжиною одного витка, числом витків p, довжиною  по осі, кутом підйому . Як видно зі схеми антени і зображення розгорнутого витка спіралі (рис. 5.1, б), між розмірами антени є наступні залежності:

,     ,                (5.3)

Спіральні антени використовуються на УКХ в режимі біжучих хвиль з осьовим випромінюванням і обертається поляризацією. Такий режим потребує певних співвідношень між розмірами антени і довжиною хвилі. Виявимо ці співвідношення. Струм високої частоти, проходячи по спіралі, викликає випромінювання електромагнітних хвиль. Достатньо десяти-одинадцяти витків, щоб вся енергія, що підводиться до антени, випромінювалась в простір і не відбувалося відбиття хвиль від кінця спіралі. Така біжуча хвиля струму поширюється вздовж проводу спіралі з фазовою швидкістю , тобто, з уповільненням .

Рисунок 5.3 - Виток спіральної антени.

Хвиля проходить один виток (від перерізу 1 до перерізу 5 на рис.5.3) за час. Електромагнітні хвилі, які збуджуються струмом спіралі, поширюються у повітрі зі швидкістю с і довжиною хвилі. Якщо б всі витки зливалися, то достатньо було встановити час, що дорівнює періоду коливань, тобто, щоб поля будь-якої пари протилежних елементів (1-3,2-4) спіралі збігалися по фазі і повністю складалися в точках осі 0'0 " , яка рівновіддалена від контуру витка. Це пояснюється тим, що в межах одного витка амплітуди струму практично однакова, а різниця у фазі на кут в діаметрально протилежних перетинах витка (1-3, 2-4) компенсується протилежним напрямком струмів в них. У разі спіралі циліндричної форми з кроком s умова максимальна осьового випромінювання формулюється трохи інакше: за час проходження струму по витку електромагнітна хвиля повинна на пройти у повітрі відстань більшу, ніж довжина хвилі, на крок s: ;

Відповідно:

                       (5.4)

радіотраса антена приймальний множник

При такому коефіцієнті уповільнення струму в будь-яких двох перерізах, розташованих під кутом 90 ° (наприклад, в 1 і 2, 2 і 3, 3 і 4, 4 і 5), викликають на осі О'О "поля, які зсунуті по фазі на 90 °, і хвилі, які поляризоване під кутом 90 °. У результаті додавання цих лінійно-поляризованих хвиль виходять хвилі з круговою поляризацією.

Дослідним шляхом встановлено, що із збільшенням довжини хвилі фазова швидкість зменшується, а коефіцієнт уповільнення  збільшується у стільки ж разів. Завдяки цьому умова осьового випромінювання підтримується в широкому діапазоні хвиль: рис.5.4

Рисунок 5.4 - ДН циліндричної спіральної антени при різній довжині витка спіралі.

При довжині витка  набіг фази в 360° відбувається при проходженні хвилею струму кількох витків спіралі. При цьому антена уподібнюється електричній малій рамці з N витків дроту, яка має ДН у вигляді вісімки з максимумами випромінювання в площині, перпендикулярної осі спіралі (рис. 5.4, б). Якщо,  то на одному витку спіралі укладається дві, три і більше хвиль, а це призводить до похилого випромінювання і конусної форми просторової ДН (рис. 5.4, в).

Найбільш вигідний режим - осьового випромінювання, який, як відомо, вимагає . довжини витка і забезпечує смугу пропускання . Ця смуга може бути значно розширена шляхом переходу до конічної антени (рис, 5.2, б), в якій ділянка (2) з середньою довжиною витка задовольняє умові, а крайні ділянки з великими () і меншими () довжинами витків задовольняють аналогічним умовам, але для максимальної і мінімальної  довжин хвиль робочого діапазону: , Залежно від робочої довжини хвилі  інтенсивно випромінює тільки одна із зон спіралі і тільки цієї активною зоною визначається гострота ДН.

Таким чином проаналізувавши спіральні антени вибираємо циліндричну антену, яка має невеликі габарити на даній частоті, низьку ціну і середній коефіцієнт спрямованої дії.

5.6 Розрахункові співвідношення для циліндричної спіральної антени

Щоб отримати максимальний КНД, потрібно встановити оптимальний коефіцієнт уповільнення, при якому в напрямку осі спіралі 0'0 (Рис.5.3.) поля першого і останнього витків знаходятся в протифазі. Інакше кажучи, необхідно доповнити умова (1) затримкою хвилі струму спіралі на напівперіод Т / 2, а в кожному витку її - на:

.                                (5.5)

            (5.6)

Звідси знаходимо оптимальний коефіцієнт уповільнення вздовж проводу спіралі:

,                           (5.7)

при цьому, правда, виходить еліптична поляризація, але так як, то коефіцієнт досить незначно відрізняється від і отриману поляризацію можна вважати круговою. Вважаючи  1,2 ... 1,3, визначимо з виразу (5.7) кут підйому спіралі, відповідний оптимальним умовам роботи антени

         (5.8)

звідси:

 ,                            (5.9)

довжина спіралі підбирається відповідно до оптимальним коефіцієнт уповільнення уздовж осі  спіралі. При = 1,2 ... 1,3 маємо, що відповідає куті підйому спіралі = 12 ... 16° і числу витків р = 5 ... 14.

Розглядаючи кожний виток спіралі як елементарний випромінювач з фазовим центром на осі 0'0 ", визначаємо функцію спрямованості антени як добуток функції спрямованості одного витка  на множник решітки з р елементів . Так як р велике, а спрямованість одного витка мала, то приймаємо.

У результаті маємо:

 (5.10)

Кут , як і раніше, відраховується від перпендикуляра до осі лінійної решітки.

Для спіральних антен оптимальних розмірів дослідним шляхом встановлено наступні формули: ширина діаграми спрямованості

                               (5.11)

коефіцієнт направленої дії

,                           (5.12)

вхідний опір:

 ,                          (5.13)

Отже, циліндричні і конічні спіральні антени широкосмугові з осьовим випромінюванням хвиль кругової поляризації. Спрямованість циліндричних спіралей середня, а конічних - нижче середньої (не вся спіраль бере участь у випромінюванні на даній частоті), але останні мають великий діапазон. Застосовуються й ті й інші як самостійні антени в діапазонах дециметрових і метрових хвиль, а також як опромінювачі антен сантиметрових хвиль.

5.7 Розрахунок параметрів антени

З огляду на всі вище розглянуті антени для використання у мережах найпростішими у виконанні та достатніми з точки зору параметрів являється циліндрична спіральна антена.

Вона проста у виготовленні, покриває весь необхідний діапазон робочих частот, має достатній коефіцієнт підсилення.

Розрахуємо параметри антени.

Визначимо необхідну довжину витка спіралі за формулою (5.3).

.

Звідки діаметр витка:

.

Згідно з вищесказаним оптимальною кількістю витків для спіральної антени є 5…14 витків.

Виберемо 14 витків, для максимальної дальності роботи антени, а оптимальний кут нахилу антени рівний , тоді довжина антени буде:


Враховуючи, що , підставимо значення у формулу 5.10:

Використовуючи MathCAD 11 отримаємо таку діаграму направленості:

Рисунок 5.9 - Розрахована діаграма направленості спіральної антени.

По формулі 5.11 розрахуємо ширину ДН антени:

.

По формулі 5.12 розраховуємо КНД антени:


По формулі 5.13 розраховуємо вхідний опір антени:

Таки опір не є стандартним і тому потребує додаткового узгодження. Для цього використаємо описаний в Американському довіднику радіоаматора спосіб для даної частоти [11]. Для цього використовується мідний клин, який нагадує плоский рупор. Він узгоджує в широкому діапазоні опорів два різних опори.

5.8 Вибір та розрахунок приймально-передавальної антени, що встановлюється в служби обліку газу

При виборі приймальної антени (для прийому даних від газових лічильників) слід звернути увагу на наступні її характеристики:

-     антенна повинна мати кругову діаграму спрямованості (для можливості прийому інформації з будь-якого куточка міста Житомира);

      мати вхідний опір 50 Ом;

      бути економічно вигідною.

Врахувавши поставлені критерії, можливо зробити висновок, що доречно в якості приймальної антени використовувати несиметричний вертикальний вібратор (штир) котрий зображений на рис. 5.3.

Даний тип антен має кругову діаграму спрямованості, також даний тип антен відрізняється від інших простотою виготовлення та невеликою вартістю.

Рисунок 5.10 - Зображення несиметричного вертикального вібратора.

Штирова антена - антена у вигляді несиметричного вібратора, виконаного із твердого металевого стрижня (суцільного або складається з декількох ланок, що зчленовуються) або з великої кількості металевих котушок, нанизаних на гнучкий сталевий трос (т.зв. антена Куликова). Рідше застосовуються із профільованої металевої стрічки, дротових джгутів або металізованих діелектричних стрижнів.

Діаграма спрямованості випромінювання (прийому) у горизонтальній площині має форму кола (рис. 5.10), тому така антена особливо зручна при зв'язку між наземними об'єктами із взаємним

розташуванням, що змінюється в часі (наприклад між пересувними радіостанціями) та для прийому сигналів від радіосистем, котрі оточують її з різних боків.

Рисунок 5.11 - Потік потужності, що випромінюється несиметричним штировим вібратором.

На практиці можливо досягти ККД таких антен до 47 % .

Все вище сказане було справедливо для ідеального несиметричного вібратора, тобто коли земля являє собою ідеальний провідник. Якщо ж земля має погані провідні властивості, або ці властивості не постійні, тобто залежать від погоди, пори року та інших факторів, то характер розподілу струму на поверхні міняється, у результаті чого міняється й поле випромінювання вібратора (ДС).

Низька провідність ґрунту приводить до зменшення амплітуди струму у вібраторі а, отже, до підвищення його опору й зменшенню випромінюваної потужності. Крім того, поверхня, що володіє поганою провідністю, є звичайно діелектриком з великою діелектричною проникністю (її максимальне значення може досягати 80), що приводить до зміни електричної довжини мнимого диполя, а також до перекручування довжини шляхом струму зсуву, у результаті чого відбувається повне перекручування діаграми спрямованості (підняття пелюсток вгору й зменшення випромінювання під малими кутами до обрію) і, звичайно, збільшення комплексного опору штиря в основному за рахунок збільшення реактивної складової опору. Із цієї причини практично не використають ґрунт у якості “землі”, а користуються так названо “штучну землю” (рис. 5.11).

Узгодження несиметричного вібратора з вхідним опором приймача.

Для успішної роботи штирова антена повинна бути погоджена з лінією живлення (фідерним трактом) та вхідним опором приймального пристрою й настроєна в резонанс із випромінюваним (приймальним) сигналом.

Величину опору класичного несиметричного вібратора довжиною λ/4 можливо обрахувати за наступною формулою:

 ,             (5.7)

дееф =0.64∙l- ефективна висота чверть хвильового вібратора;= λ/4 - геометрична висота чверть хвильового вібратора.

Для наших параметрів:еф=0,64∙0.125/4=0,02 м.

Підставивши дане значення у формулу (5.7) маємо:сум.вх=1600∙(0,02/0,125) 2=41 Ом.

Як видно дане значення опру приймальної антени не відповідає вхідному опору приймача. Як відомо з теорії, опір несиметричного вібратора залежить від його геометричних розмірів, а саме від параметра l.

Підставлю у формулу (5.7) lеф та прирівняю її до значення вхідного опору приймача:

 

Розв’язавши дане рівняння відносно l отримаю, що Rсум.вх=50 Ом, при l=0,35 м.

На практиці ККД таких антен становить до 47% та коефіцієнт підсилення G=1,5 раз.

. РОЗРОБКА ПРИНЦИПОВОЇ ЕЛЕКТРИЧНОЇ СХЕМИ

.1 Вибір приймально-передавального пристрою

Одним із головних елементів в системі дистанційного контролю та обліку природного газу є приймально-передавальний пристрій. За його допомогою здійснюється зв'язок між споживачами газу та службою, що займається його обліком та виставленням рахунків користувачам.

Вимоги до приймально-передавального пристрою (згідно з вихідних даних отриманих при енергетичному розрахунку радіоканалу):

-     Вихідна потужність - від 0,01 Вт до 1Вт;

      Наявність цифрового входу та цифрового виходу;

      Прийом та передача даних повинна здійснюватися на частоті котра не потребує придбання ліцензії;

      чутливість радіоприймача - не гірше 10-10 Вт;

      низька ціна.

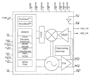
Найбільш оптимальним приймально-передавальним пристроєм котрий повністю відповідає поставленим вимогам є однокристальний прийомопередавач NRF2401 фірми NORDIC.

Загальний опис

Однокристальний прийомопередавач NRF2401 розрахований на загальне використання в широко використовуваному діапазоні 2,4 ГГц. Даний діапазон частот (2,400-2,405 ГГц) є аматорським згідно з регламентом аматорського зв’язку України.

Даний прийомопередавач складається з повністю закінченого інтегрованого синтезатора частоти, підсилювача потужності, кварцового генератора, модулятора та демодулятора.

Особливості приймально-передавального пристрою nRF2401:

-     розміщений в невеликому QFN24 корпусі;

      швидкість передачі даних до 1 Mb;

      наявність режиму низького енергоспоживання (режим ShockBurs);

      контроль даних циклічним збитковим кодом;

      широко використовується у різних галузях.

Варіанти застосування nRF2401:

-     бездротовий зв'язок;

      системи охорони;

      домашня автоматика;

      автомобільна сигналізація;

      телеметрія;

      промислові датчики;

      спортивне обладнання;

      системи дистанційного керування;

      системи дистанційного контролю та ін.

Основні електричні характеристики.

Таблиця 6.1 - Основні характеристики nRF2401.

№ п/п

Параметр

Значення

Одиниці вимірювання

1

Мінімальна напруга живлення

1,9

В

2

Максимальна напруга живлення

3,6

В

3

Максимальна напруга живлення підсилювача вихідної потужності.

6,8

В

4

Максимальна потужність передавача

до 1

Вт

5

Мінімальна потужність передавача

-

мВт

6

Максимальна швидкість передачі даних

1000

Kb/s

7

Температурний діапазон

-40+85


 

8

Чутливість приймача

10-12

Вт

 

9

Струм споживання в режимі енергозбереження

400

нА

 

10

Девіація несучої частоти

±156

кГц

 

11

Ширина смуги пропускання каналу

1

МГц

 

Цифрові входи (при VDD=3B, VSS=0D)

 

12

Високий рівень напруги

0,3-3

В

 

13

Низький рівень напруги

0-0,3

В

 

Цифрові виходи (при VDD=3B, VSS=0D)

 

14

Високий рівень напруги

0,3-3

В

 

15

Низький рівень напруги

0-0,3

В

 


Розміщення виводів мікросхеми

Рисунок 6.1 - Розміщення виводів мікросхеми nRF2401 (вигляд зверху) для корпуса QFN24.

Функціональне призначення виводів мікросхеми nRF2401 приведено у таблиці 6.2.

Таблиця 6.2 - Функціональне призначення виводів мікросхеми.

№ контакту

Позначення

Призначення

Описання

1

CE

Цифровий вхід

Дозвіл на прийом передачу

2

DR2

Цифровий вихід

Детектор даних прийому (RX) канала 2 (тільки в режимі ShockBurs)

3

CLK2

Цифровий вх/вих

Вихід частоти синхронізації вхід для даних прийому (RX) канала 2

4

DOUT2

Цифровий вихід

Дані прийому (RX) канала 2

5

CS

Цифровий вхід

Вибір режиму конфігурації

6

DR1

Цифровий вихід

Детектор даних прийому (RX) по каналу 1 (тільки в режимі ShockBurs )

7

CLK1

Цифровий вх/вих

Вхід синхронізації (ТХ) і вх/вих. для даних прийому (RX) канала 1 по 3 проводному інтерфейсу.

8

DATA

Цифровий вх/вих

Дані прийому (RX) канала 1/вхід даних передачі (ТХ)/3 дротовий інтерфейс.

9

DVDD

Потужний вихід

Для підключення фільтру живлення цифрової частини.

10

VSS

Живлення

Загальний 0В

11

XC1

Аналоговий вихід

Вивід підключення кварцу

12

XC2

Аналоговий вхід

Вивід підключення кварцу

13

VDD_PA

Вихід живлення

Напруга живлення підсилювача вихідної потужності до +6,8В

14

ANT1

ВЧ вхід

Вивід підключення антени

15

ANT2

ВЧ вхід

Вивід підключення антени

16

VSS_PA

Живлення

Загальний 0В

17

VDD

Живлення

Напруга живлення +3В

18

VSS

Живлення

Загальний 0В

19

IREF

Аналоговий вхід

Опорний струм

20

VSS

Живлення

Загальний 0В

21

VDD

Живлення

Напруга живлення +3В

22

Живлення

Загальний 0В

23

PER_UP

Цифровий вхід

Управління виходом з режиму енергозбереження

24

VDD

Живлення

Напруга живлення +3В


Блок схема приймально-передавального пристрою

Рисунок 6.2 - Блок схема мікросхеми nRF2401

- технологія котра використовує чіп FIFO. Дана технологія дозволяє передавати низько швидкісні дані з більш високою швидкістю, завдяки цьому значно знижується середня енергія споживання від джерела живлення. Також дана технологія дозволяє швидкісну передачу даних на частоті 2,4 ГГц без використання дорогих мікропроцесорних систем для обробки даних. Усі перечисленні функції покладаються на інтегрований чіп FIFO.

Переваги даного методу:

-     Значне зниження потужності споживання;

      Зниження затрат на систему в цілому (відсутність дорогих мікро контролерів для обробки сигналів).

Процес передачі даних nRF2401 в режимі ShockBurs:

Виводи мікросхеми, що використовуються мікропроцесорною системою (МПС): СЕ, CLK1, DATA.

-     Коли МПС має дані передачі СЕ встановлюється в високий рівень, чим активізується внутрішня обробка даних в мікросхемі nRF2401;

      Дані поступають в пам’ять мікросхеми де проходить необхідна обробка для забезпечення швидкості передачі 1МБіт/с.

      МПС встановлення СЕ в низький рівень, що призводить до активізації передачі в режимі ShockBurs:

      передавач nRF2401 включений,

      формування пакету для передачі (преамбула, адреса, дані, CRC),

      передача даних з високою швидкістю,

      по завершенні передачі перехід до режиму енергозбереження (режим сну).

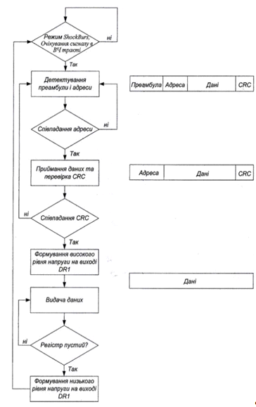
Алгоритм передачі даних для мікросхеми nRF2401 можливо зобразити наступним чином (дод. А).

Процес прийому даних nRF2401 в режимі ShockBurs:

Виводи мікросхеми, що використовуються мікропроцесорною системою (МПС): СЕ, DR1, DATA, CLK1.

-     При використанні режиму ShockBurs проводиться автоматична перевірка адреса та розміру даних у ВЧ тракті;

      Приймач активізується при наявності високого рівня напруги на СЕ;

      При наявності вхідного сигналу на вході приймача nRF2401 провіряється адреса і CRC;

      Якщо адреса та CRC вірні то автоматично видаляються біти преамбули, адреси иа CRC;

      Вихід DR1 встановлюється в високий рівень, що сигналізує для МПС про готові вихідні дана на виході DATA;

      Після завершення видачі даних DR1 встановлюється в низький рівень.

      Алгоритм прийому даних для мікросхеми nRF2401 можливо зобразити наступним чином (Дод. Б).

6.2 Розробка електричної схеми цифрового пристрою реєстрації імпульсів газового лічильника та пристрою управління прийомопередавачем

Розроблювана система дистанційного контролю та обліку споживання природного газу базується на запито-відповідному принципу роботи, та повинна працювати з лічильниками котрі мають імпульсний вихід (наприклад лічильники київського заводу Арсенал G02,G04).

При необхідності зняття показників з відповідного лічильника газу оператор даної служби (що знаходиться на робочому місці оснащеному ПК з відповідним програмним забезпеченням) вибирає присвоєний номер даному лічильнику та відсилає його в радіоканал.

Приймально-передавальні пристрої, що встановлені з боку споживачів природного газу, приймають даний номер в коді та передають в МПС де проводиться порівняння з запрограмованим номером. При співпадінні даних кодів МПС видає на вхід передавача підраховану кількість імпульсів переданих газовим лічильником. Дана кількість імпульсів відповідає кількості кубічних метрів спожитого газу та передається до газової служби для занесення в базу даних та виставлення рахунків користувачам.

Функції, що покладаються на пристрій реєстрації імпульсів та управління прийомопередавачем:

-     Підрахування кількості імпульсів, що надходять від газового лічильника та збереження відповідного значення в енергонезалежній пам’яті;

      Видача кількості імпульсів на вхід передавача при запиті;

      Управління приймально-передавальним пристроєм.

Усі вище перечисленні функції можливо реалізувати використовуючи програмований мікроконтролер.

Вибір мікроконтролера.

Для управління приймально-передавальним пристроєм та отриманням від нього або передачею йому певних даних необхідно як мінімум 5 портів ввода/вивода МПС. Також один порт буде підключатися до імпульсного виходу лічильника газу для підрахунку кількості Імпульсів ( 1 імпульс = 1 м3 спожитого газу).

Ще однією вимогою до МПС є низький рівень споживання (можливість певний час працювати від акумуляторного джерела живлення при нестачі світла), також даний мікроконтролер повинен бути вигідний з економічної точки зору (мати низьку вартість).

Вітчизняні мікропроцесорні комплекти не відрізняються великою надійністю, а також для їх використання необхідна додаткова велика кількість мікросхем, без яких організувати їх роботу неможливо, тому вони в даному випадку не підходять. Такі компанії як Intel та AMD випускають теж велику кількість мікропроцесорів та спеціалізованих контролерів, але використовувати їх для потреб такого пристрою є недоцільно, через їх високу вартість. Тому розглянемо фірми Motorola та Atmel, які в даному випадку залишились.

У Motorola МС68НС912В32 мікроконтролер з максимальною тактовою частотою 20 МГц, чотирма 8-бітовими портами вводу/виводу, або двома 16- бітовими, 32 кБайти оперативної пам’яті, 4 16-розрядних регістри, або вісім 8- розрядних. В даному випадку він влаштовує повністю по швидкодії, розрядності даних.

У Atmel для розгляду візьмемо AT90S2313, ATMega8, АТіпу2313 які набагато дешевші за МС68НС912В32.

Ці мікроконтролери 8-розрядні. По можливостям приблизно схожі з мікроконтролером виробництва фірми Моторола, але з меншим об’ємом пам’яті. При цьому у обох мікроконтролерів по 32 робочих регістри. Таким чином після розгляду цих варіантів можна сказати, що у нашому випадку найкращим варіантом буде АТіпу2313, оскільки він, дешевший і в нашому випадку повністю задовольняє по функціональності.

Мікросхема АТіпу2313 являє собою восьмирозрядний мікроконтролер із внутрішньою програмувальною Flash-пам'яттю розміром 2 Кбайти.

Загальні відомості:

-     використовує AVR RISC архітектуру (AVR - це висока швидкодія й спеціальна RISC-архітектура з низьким споживанням);

      120 команд, більшість із яких виконується за один машинний цикл;

      32 восьмирозрядних регістра загального призначення;

      до 20 мільйонів операцій у секунду (МІР8/8ес) при тактовій частоті 20 МГц.

      Збереження програм і даних при виключеному живленні:

      2 Кбайти вбудованої програмувальної Flash-пам'яті, до 10000 циклів запису/стирання;

      128 байт убудованої програмувальної енергонезалежної пам'яті даних (ЕЕРRОМ), до 100000 циклів запису/стирання;

      128 байт внутрішнього ОЗУ (SRAM);

      Програмувальні біти захисту від читання й запису програмної пам'яті й ЕЕРRОМ.

Діапазон частот тактового генератора АТtiny2313:

-     0-10 МГЦ при напрузі 2,7-5,5 В;

      0-20 МГЦ при напрузі 4,5-5,5 В.

Позначення виводів мікросхеми АТtiny2313 наведено рис. 6.3.


Рисунок 6.3 - Позначення виводів мікро контролера АТtiny2313

Призначення даних виводів наведено в табл. 6.3.

Таблиця 6.3

№ виводу

Позначення

Призначення

1,4,5

(PA2..PA0)

Порт А- трьох розрядний двонаправлений порт вводу-вивода.

12-17

(PB7..PB0)

Порт В- восьми розрядний двонаправлений порт вводу-вивода.

10

GND

Загальний провід

20

VCC

Живлення


Блок схема мікросхеми АТtiny2313 наведена в (дод.В).

Ядро AVR має великий набір команд для роботи з 32 регістрами загального призначення. Всі 32 регістра безпосередньо пов'язані з арифметико-логічним пристроєм (ALU), що дозволяє виконувати одну команду для двох різних регістрів за один такт системного генератора. Така архітектура дозволила досягти продуктивності в десять разів більшої, ніж у традиційних мікроконтролерів.

Більшість виводів мікросхеми включаються згідно рекомендації виробників, тому необхідно вибрати блокуючі елементи та розрахувати узгоджуючи транформуєче коло для з’єднання виходу передавача з антеною.

6.3 Розрахунок узгоджуючих трансформуючих кіл

Узгоджуючих трансформуючих кіл різних модифікацій, порядків та призначень досить багато. З огляду на нашу схему можна сказати, що буде достатньо найпростішого кола, оскільки сигнал порівняно вузькосмуговий, частотно-модульований і викривлень спектру чи великого рівня бічний гармонік не буде. При цьому втрати в колах першого порядку будуть мінімальні на відміну від кіл вищих порядків, тому їх і виберемо. В нашому випадку найкраще підходить резонансне коло типу П з блокуючим по постійному струму конденсатором, яке забезпечить належну фільтрацію та узгодження в діапазоні частот. [6]

Розраховуємо трансформуючий контур для узгодження з наступним каскадом.

Рисунок 6.4 - Узгоджуюче трансформуюче коло П-типу

Розрахуємо проміжне коло зв’язку між вихідним і проміжним каскадом передавача.

Розраховуємо реактивний опір елементів виходячи із вхідного та вихідного опорів, необхідного для узгодження, добротності елемента, а також розраховуємо номінал елементів. Вихідне навантаження передавача згідно документації повинно бути 15+j88 Ом. Вхідний опір антени 140 Ом.

       (6.1)

       (6.2)

(6.3)

        (6.4)

 (6.5)

(6.6)

    (6.7)

приймаємо значення С3=10 пФ, тоді

   (6.8)

      (6.9)

Блокуючі елементи розраховуються виходячи з вибраного опору блокування.

Приймемо для блокуючого конденсатора опір ρ=0,1Ом, тоді:


Найближчий номінал конденсатора 680 пФ.

Приймемо для блокуючого дроселя опір ρ=10 Ом, тоді:


Блокуючий конденсатор та дросель включені в колі живлення, яке живить вихідний каскад перед антеною у мікросхемі прийомо-передавача.

Тактові контури з кварцовим резонатором включені в мікросхемах згідно рекомендацій виробника. Крім того додаткові елементи (конденсатори, резистори, полярні конденсатори) номінали яких не розраховувались, вибрані згідно технічної документації на мікросхеми [7, 9].

7. Розрахунок параметрів друкованої плати

Для виготовлення друкованої плати необхідно вибрати наступні матеріали: матеріал для діелектричної основи друкованої плати, матеріал для друкованих провідників і матеріал для захисного покриття від впливу вологи.

Від якості та електричних параметрів цих матеріалів залежить правильне функціонування апаратури в цілому та безпека користувачів.

Існує велика розмаїтість фольгованих міддю шаруватих пластиків. Їх можна розділити на дві групи: на паперовій основі і на основі скловолокна.

Ці матеріали у виді твердих аркушів формуються з декількох шарів паперу або скловолокна, скріплених між собою зв'язувальною речовиною шляхом гарячого пресування. Зв'язувальною речовиною звичайно є фенольна смола для паперу або епоксидна для скловолокна. В окремих випадках можуть також застосовуватися поліефірні, силіконові смоли або фторопласт. Шаруваті пластики покриваються з однієї або обох сторін мідною фольгою стандартної товщини.

Характеристики готової друкованої плати залежать від конкретного сполучення вихідних матеріалів, а також від технології, що включає і механічну обробку плат.

У залежності від основи і просочувального матеріалу розрізняють кілька типів матеріалів для діелектричної основи друкованої плати.

Фенольний гетинакс - це паперова основа, просочена фенольною смолою. Гетинаксові плати призначені для використання в побутовій апаратурі, оскільки дуже дешеві.

Епоксидний гетинакс - це матеріал на такій же паперовій основі, але просочений епоксидною смолою.

Епоксидний текстоліт - це матеріал на основі склотканини, просочений епоксидною смолою. У цьому матеріалі сполучаться висока механічна міцність і гарні електричні властивості.

Міцність на вигин і ударну в'язкість друкованої плати повинні бути досить високими, щоб плата без ушкоджень могла бути навантажена встановленими на ній елементами з великою масою.

Як правило, шаруваті пластики на фенольному, а також епоксидному гетинаксі не використовуються в платах з металізованими отворами. У таких платах на стінки отворів наноситься тонкий шар міді. Тому що температурний коефіцієнт розширення міді в 6-12 разів менше, ніж у фенольного гетинаксу, мається визначений ризик утворення тріщин у металізованому шарі на стінках отворів при термоударі, якому піддається друкована плата в машині для групової пайки.

Тріщина в металізованому шарі на стінках отворів різко знижує надійність з'єднання. У випадку застосування епоксидного текстоліту відношення температурних коефіцієнтів розширення приблизно дорівнює трьом, і ризик утворення тріщин в отворах досить малий.

З зіставлення характеристик основ випливає, що у всіх випадках (за винятком вартості) основи з епоксидного текстоліту перевершують основи з гетинаксу.

Друковані плати з епоксидного текстоліту характеризуються меншою деформацією, ніж друковані плати з фенольного і епоксидного гетинаксу; останні мають ступінь деформації в десять разів більше, ніж склотекстоліт.

Деякі характеристики різних типів шаруватих пластиків представлені в таблиці 7.1.

Порівнюючи ці характеристики, робимо висновок, що для виготовлення друкованої плати варто застосовувати тільки епоксидний склотекстоліт.

Як фольгу, використовувану для фольгування діелектричної основи можна використовувати мідну, алюмінієву або нікелеву фольгу. Однак, алюмінієва фольга гірша мідної через погані характеристики паяємості, а нікелева - через високу вартість. Тому як фольгу обираємо мідь.

Таблиця 7.1 - Характеристики матеріалів для виготовлення основи друкованої плати.

Тип

Максимальна робоча температура, 0C

Час пайки при 2600С, сек.

Опір ізоляції, МОм

Об'ємний опір, МОм

Діелектрична проникність, e

Фенольний гетинакс

110-120

5

1 000

1·104

5,3

Епоксидний гетинакс

110-120

10

1 000

1·105

4,8

Епоксидний склотекстоліт

130-150

20

10 000

1·106

5,4


Мідна фольга випускається різної товщини. Стандартні товщини фольги найбільш широкого застосування - 17,5; 35; 50; 70; 105 мкм. Під час травлення міді по товщині травник впливає також на мідну фольгу з боку бічних крайок під фоторезистом, викликаючи так називане підтравлювання. Щоб його зменшити звичайно застосовують більш тонку мідну фольгу товщиною 35 і 17,5 мкм. Тому вибираємо мідну фольгу товщиною 35 мкм.

Виходячи з усіх перерахованих вище порівнянь для виготовлення двосторонньої друкованої плати позитивним комбінованим способом вибираємо фольгований склотекстоліт СФ-2-35-1,5.

Основними параметрами електроізоляційних матеріалів є

1.   Абсолютна діелектрична проникність - величина, що характеризує властивості діелектрика поляризуватися в електричному полі.

2.   Відносна діелектрична проникність - відношення абсолютної діелектричної проникності до електричної постійної (8,854·10-12 Ф/м).

.     Тангенс кута діелектричних втрат tgδ характеризує питому втрату енергії в діелектрику, що знаходиться в електричному полі, і рівний відношенню густин змінного струму провідності і струму зміщення. Чим більший tgδ, тим більше нагрівається діелектрик в електричному полі заданої частоти та напруженості.

.     Електрична міцність діелектрика - мінімальна напруженість однорідного електричного поля, що призводить до пробою діелектрика.

.     Електропровідність діелектрика характеризується питомим об’ємним ρ та питомим поверхневим ρS опором. Питомий об’ємний опір - величина, що рівна відношенню модуля напруженості електричного поля до модуля густини струму. Значення ρ діелектриків знаходиться в межах від 106 Ом·м (для дерева, асбоцементу) до 1016 Ом·м (для фторопласта, полістірола, кварцу та інших).

.     Нагрівостійкість - здатність діелектрика витримувати дію підвищеної температури з часом, що порівнюється з часом нормальної експлуатації, без неприпустимого погіршення його властивостей. Електроізоляційні матеріали розділяються на класи нагрівостійкості.

Таблиця 7.2 - Класи матеріалів по нагрівостійкості.

Клас нагрівостійкості

Y

A

E

B

F

H

C

Максимальна робоча температура, єС

 90

 105

 120

 130

 155

 180

 >180


Від листового електроізоляційного матеріалу не вимагається особливих характеристик. Тому при виготовленні друкованої плати листовий електроізоляційний матеріал вибирається з умови найбільш дешевого. Такими можуть бути гетинакс марок І, ІІ, Х та склотекстоліт марки Б.

Для компонування блоків радіоапаратури необхідно мати принципову схему пристрою, а також габаритно-установочні розміри деталей, вузлів і приладів.

Аналітичне компонування роблять на початкових етапах проектування апаратури з метою одержання узагальнених характеристик, на підставі яких складається перше уявлення про деякі конструктивні параметри.

Всі елементи електричної принципової схеми розміщуються на одній платі, яка з допомогою вхідного роз’єма з’єднуються з елементом живлення.

Розміри плати визначаються виходячи з установчих розмірів елементів, що закріплюються на платі, та заданого коефіцієнту заповнення. Тип кількість та розміри елементів що закріплюються на платі зведено у таблицю 7.3.

Таблиця 7.3

Позначення

Елемент схеми

Кількість, шт.

Установча площа мм2

Загальна установча площа мм2

Мікросхеми





D1

MAX3226E

1

196

196

D2

nRF2401

1

10

10

D3

ATiny 2313

1

126

126

Резистори





R1,R2

RES-0603

2

12

24

Конденсатори





С9,С10,С6,С7,С12,С13

NPO

6

13

78

С1 -С5

ESMRD

5

64

320

С8,С11,С14

X7R

3

36

108

Кварцові резонатори





ZQ1, ZQ2

-

2

15

30

Дроселі





L1, L2

B82496

2

16

32

L3

LQG15H

1

2,56

2,6

Роз’єми





PLS-3R


1

19,36

19,4

DB-9M


1

385

385

Всього




1435


Відповідно загальна площа . Звідси загальна площа плати з урахуванням заданого коефіцієнта заповнення  становить:

.                              (7.1)

Отже, розміри плати 80´40 мм повністю забезпечують необхідну площу плати, оскільки в цьому випадку вона буде становити 3200 мм2.

Плата абонентської частини розраховується аналогічно.

Загальна площа . Звідси загальна площа плати з урахуванням заданого коефіцієнта заповнення  становить:

.

Отже, розміри плати 50´25 мм повністю забезпечують необхідну площу плати, оскільки в цьому випадку вона буде становити 1250 мм2.

Плата виготовляється з фольгованого текстоліту марки СФ з товщиною фольги  і відповідає другому класу точності. Відповідно допустима густина струму в провідниках плати , питомий опір провідників плати .

Максимальний постійний струм буде протікати у провідниках шини живлення 3,6 В. Цей струм можна знайти як:

.                         (7.2)

Визначаємо мінімальну ширину печатного провідника по постійному струму для кіл живлення та заземлення:

.                      (7.3)

Визначаємо мінімальну ширину провідника виходячи з допустимого падіння напруги на заданій довжині провідника. В якості заданого значення довжини провідника оберемо максимальний розмір плати . Допустиме значення падіння напруги не повинне перевищувати 5% від напруги живлення мікросхем, що в нашому випадку (напруга живлення 3,6В) становить . Відповідно мінімальна ширина провідника:

.  (7.4)

Оскільки  в подальших розрахунках будемо використовувати значення .

Визначимо номінальне значення діаметрів монтажних отворів. Максимальний діаметр виводу встановленого елементу . Відповідно до другого класу точності допуск на отвір з металізацією при його діаметрі до 1 мм становить . Різницю між мінімальним діаметром отвору та максимальним діаметром виводу елементу обираємо рівною . Тоді номінальне значення монтажних отворів:

.                  (7.5)

Знайдене значення зводимо до стандартного ряду значень (0,7; 0,9; 1,1; 1,3; 1,5; 1,9; 2,3 мм): .

Визначаємо мінімальний ефективний діаметр площадки. Для 2-го класу точності відстань від краю просвердленого отвору до краю контактної площадки , допуск на розташування отворів при розмірі плати не більше 180 мм , допуск на розташування контактних площадок при розмірі плати не більше 180 мм , допуск на отвір без металізації при його діаметрі менше . Максимальний діаметр просвердленого отвору:

.                (7.6)

Відповідно мінімальний ефективний діаметр площадки

.             (7.7)

Мінімальний діаметр контактних площадок при хімічному виготовленні плати:

.                    (7.8)

Максимальний діаметр контактних площадок:

.                (7.9)

Приймемо . Визначаємо ширину провідників. Для плат 2-го класу точності мінімальна ефективна ширина провідників (якщо не потрібна більша) вибирається рівною . За нашими умовами () це прийнятне значення. Мінімальна ширина провідників при хімічному способі виготовлення плати:

.                    (7.10)

Максимальна ширина провідників

.                          (7.11)

Визначаємо відстань між елементами провідного малюнка плати. Для плати 2-го класу точності допуск на розташування провідників . Відстань між центрами сусідніх виводів елементів в колі живлення . Відповідно мінімальна відстань між провідником та контактною площадкою:

.(7.12)

Мінімальна відстань між двома контактними площадками

.   7.13)

Мінімальна відстань між двома провідниками

.             (7.14)

Для розрахунку частоти механічного резонансу плати необхідно визначити її масу з елементами. Середня густина матеріалу СФ з печатною схемою , модуль пружності , а коефіцієнт Пуассона . Товщина плати , а розміри .

Для другої плати використаємо ту саму методику.

Таблиця 7.4

Позначення

Елемент схеми

Кількість, шт.

Маса, г

Загальна маса, г

Мікросхеми





D1

MAX3226E

1

4

4

D2

nRF2401

1

1,4

1,4

D3

ATiny 2313

1

4

4

Резистори





R1,R2

RES-0603

2

0,5

1

Конденсатори





С9,С10,С6,С7,С12,С13

NPO

6

0,8

4,8

С1 -С5

ESMRD

5

1,2

6

С8,С11,С14

X7R

3

0,9

2,7

Кварцові резонатори





ZQ1, ZQ2

-

2

1,2

2,4

Дроселі





L1, L2

2

1,3

2,6

L3

LQG15H

1

0,5

0,5

Роз’єми





PLS-3R


1

2

2

DB-9M


1

10

10

Всього




41,4


Отже, загальна маса плати

Циліндрична жорсткість плати:

.              (5.15)

Резонансна частота плати закріпленої на чотирьох кутах становить:

. (5.16)

Розводка плати виконана у програмі Sprint-Layout 5.0. При цьому було використано автоматичне компонування з оптимізацією мінімальній кількості переходів. Розмір доріжок задавався автоматично, крім окремо створеного правила для повідників живлення. Вигляд друкованої плати наведений на рис 1 і рис 2.


Рисунок 1 - Вигляд плати зі сторони провідників

Рисунок 2 - Вигляд плати зі сторони компонентів.

ДОДАТОК А

Алгоритми передачі і прийому даних для мікросхеми nRF2401

Рисунок А.1 - Алгоритми передачі даних для мікросхеми nRF2401

Рисунок А.2 - Алгоритми прийому даних для мікросхеми nRF2401

ДОДАТОК Б

Блок схема мікроконтролера АТtiny2313



ДОДАТОК В

Алгоритм роботи мікроконтролера ATtiny2313



СПИСОК ВИКОРИСТАНОЇ ЛІТЕРАТУРИ

1.      Однорог П. М., Михайленко Є. В., Котенко М. О., Омецінська О. Б. під редакцією Катка В. Б., “EZERNET”, Київ 2006р. - 17с.

2.      Матеріали сайту <http://www.CIP.ru>

3.      Матеріали сайту <http://www.apgreyd.ru>

4.      «Системы связи и радиорелейные линии» под ред. Н.И.Калашникова. - М., «Связь», 1977г.

5.      «Радиорелейные и спутниковые системы передачи» под ред. Немировского. - М. .‘Радио и связь, 1986г.

6.      «Антенны и усторойства СВЧ » Н.Т.Бова, Г.Б. Резников, Москва, 32с.

7.      Матеріали сайту <http://www.nordic.ru>

8.      Матеріали сайту <http://www.Arsenal.ua>

9.      “Микропроцессоры АУЛ. в радиолюбительской практике”, А. В. Белов, Москва 2006., - 12с.

10.    Матеріали сайту <http://www.rscom.ru>

11.    Ротхаммель К. Антенны.: Пер. с нем. - 3-е изд., доп. - М.: Энергия, 1979. -320 с.

Похожие работы на - Система дистанційного контролю та обліку газу з розробкою радіоканалу

 

Не нашли материал для своей работы?
Поможем написать уникальную работу
Без плагиата!
Без нейросетей!