Расчет схемной модели кремниевого транзистора
РЕФЕРАТ
Объяснительная записка: 22 стр.,3 рисунка, 1
график,4 ссылки.
В данной курсовой работе представлен расчет
схемной модели кремниевого транзистора, а также расчет элементов П-образной
эквивалентной схемы на НЧ и ВЧ для включения с ОЭ, а так же параметр
;
Составить П-образную эквивалентную схему на НЧ и ВЧ. Также включить в программу
исследование зависимости
.
Перечень ключевых слов:
ТРАНЗИСТОР, ЭМИТТЕР, БАЗА, ДОНОРЫ, ЗАРЯДНАЯ
ЕМКОСТЬ, МАКСИМАЛЬНАЯ ЧАСТОТА, КОЛЛЕКТОР, АКЦЕПТОР
ВВЕДЕНИЕ
Цель этой курсовой работы - систематизировать и
закрепить теоретические знания по основным разделам курса «Твердотельные
приборы и устройства», а также приобрести навыки самостоятельного решения
конкретных инженерных задач по расчету и конструированию полупроводниковых
приборов с заданными выходными параметрами с учетом современной технологии
изготовления при использовании необходимых материалов.
Принцип действия твердотельных приборов основан
на процессе в однородных и неоднородных структурах твердого тела.
Основное назначение приборов этой группы -
преобразование электрических сигналов или электрической энергии одного вида в
электрические сигналы или электрическую энергию другого вида.
К твердотельным приборам, работающим в самых
разнообразных условиях, предъявляются чрезвычайно жесткие требования:
эксплуатационная надежность, экономичность, устойчивость параметров в течение
всего времени работы, взаимозаменяемость приборов, прочность конструкции и
возможно большую долговечность.
При проектировании полупроводниковых приборов и
интегральных микросхем широко используются методы и средства вычислительной
техники. Применения ЭВМ не только сокращает затраты, но и способствует
улучшению эксплуатационных характеристик разрабатываемых изделий.
При проведении таких расчетов полупроводниковые
приборы представляют моделями, которые с той или иной степенью точности
соответствуют реальным приборам.
Точность и долговечность машинных расчетов в
значительной степени зависят от применяемых моделей, которые должны отражать
свойства моделируемого элемента, зависимости его характеристик от электрических
режимов работы, температуры и других внешних факторов. Кроме того, структура и
математическое описание каждой модели должны быть проще, поскольку они
оказывают существенное влияние на машинное время, необходимое для анализа
конкретных приборов и схем и требуемый объем памяти ЭВМ.
Модели полупроводниковых приборов в зависимости
от системы исходных параметров подразделяется на электрические,
физико-топологические и технологические. В электрических моделях исходными
данными являются электрические параметры (коэффициенты усиления, сопротивления
и т.д.); в технологических - параметры технологических операций, используемых
при изготовлении приборов ( время и температура диффузии, количество диффузанта
и т.д.).
Модели полупроводниковых приборов
классифицируются и по ряду других признаков: модели для малого и большого
сигналов; модели справедливые в диапазоне температур; модели, учитывающие
изменения параметров приборов в результате воздействия внешних факторов и т.д.
Для представления электрической модели
полупроводникового прибора могут использоваться различные способы:
аналитический, графический, табличный, схематический, алгоритмический.
Аналитические электрические модели представляют
собой уравнения ВАХ, связывающие в явном виде токи и напряжения прибора. Зная
геометрические и электрофизические параметры определенной полупроводниковой
структуры, можно не проводить экспериментальную оценку ВАХ макета прибора на ее
основе, а рассчитать их на ЭВМ с помощью математической модели. При этом можно
легко оценить влияние на ВАХ тех или иных факторов или провести ее оптимизацию
по тем или иным параметрам. Таким образом, с помощью ЭВМ проводится модельное
макетирование приборов, вносятся необходимые изменения в модель и итерационно
проводится повторный расчет до получения заданного результата. Такой анализ
объекта путем замены его натурального макета математической моделью называется
имитационным моделированием.
Алгоритмическая модель - запрограммированный
алгоритм расчета токов и напряжений полупроводникового прибора путем численного
решения нелинейных алгебраических и дифференциальных уравнений, описывающих
электрические процессы в приборе, или анализа сложной эквивалентной схемы,
уравнения которой формируются и решаются ЭВМ.
АНАЛИЗ ТЕХНИЧЕСКОГО ЗАДАНИЯ
Транзистор является активным полупроводниковым
прибором, имеющим три и более вывода, в котором осуществляется управление
проходящим через него током.
Транзисторы в зависимости от механизма
прохождения носителями заряда управляющей области (базы) разделяются на
дрейфовые и бездрейфовые. В бездрейфовых транзисторах неосновные носители
заряда проходят область базы в результате диффузии. В чистом виде движение за
счет диффузии существует только при низком уровне инжекции, так как при высоком
уровне инжекции в области базы возникает электрическое поле, и, следовательно,
наблюдается дрейф носителей. Поэтому под бездрейфовыми транзисторами понимают
такие, у которых нет электрического поля в области базы при отсутствии
инжектированных носителей. В дрейфовых транзисторах в базе существует внутреннее
электрическое поле, и неосновные носители движутся под влиянием диффузии и
этого поля. Внутреннее поле в дрейфовых транзисторах возникает в результате
определенного распределения примесей в базе. Распределение примесей в базе
бездрейфовых транзисторов принимается равномерным.
В данной курсовой работе требуется рассчитать
элементы П-образной эквивалентной схемы транзистора на низких и высоких
частотах для включения с общим эмиттером. Для того чтобы осуществить расчеты и
исследовать зависимости, следует воспользоваться программой MathCAD.
Необходимо представить структуру транзистора для
лучшего понимания принципа действия и технологического процесса изготовления.
. РАСЧЕТНАЯ ЧАСТЬ
Данные для расчета:


2.1 Расчет дрейфового
поля транзистора
Показатель экспоненты, аппроксимирующей
распределение примесей в базе, определяется как:

где W - ширина базы(2.7 мкм);
//Ndb - концентрация доноров в базе-
концентрация акцепторов в базе//
Електрическое поле в базе

Где k - постоянная Больцмана, T -
температура(300 К), q - заряд электрона;
2.2 Расчет а
.2.1 Расчет Dэ и
Dб.ср
см2/сек

2.2.2 Расчет у
.2.3 Расчет β
2.3 Расчет
сопротивлений транзистора
.3.1 Расчет
сопротивлений эммитера
см-3
Где Ie - ток насыщения;
2.3.2 Расчитать
сопротивление базы
Ом
Ом
Oм
2.3.3 Расчитать
сопротивление колектора
2.3.4 Зарядная емкость
эмиттера
см-3
В
В
Ф
e - диэлектрическая проницаемость , eo
-
диэлектрическая проницаемость вакуума, eo =8.86*
10-9, jк-
контактная разность потенциалов
2.3.4 Зарядная емкость
коллектора
см2
Ф
.5 Расчет
максимальной частоты
Граничная частота коэффициента передачи по току,
определяемая механизмом переноса через базу
Гц
Гц
Где W - ширина базы;
Максимальная частота генерации

2.6 Расчет Y-параметров
для схемы с ОЭ
3. Эквивалентные схемы
.1 Эквивалентная
П-образная схема на низких частотах для включения с общим эмиттером
3.2 Эквивалентная
П-образная схема на высоких частотах для включения с общим эмиттером
4. Зависимость
максимальной частоты от напряжения коллектор-эмиттер
транзистор частота коллектор эмиттер
Для исследования зависимости была использована
программа Mathcad. В основу была положена программа расчета параметров
исследуемого транзистора.
Далее приведены формулы параметры которых влияют
на изменение максимальной частоты при изменении напряжения на коллекторе:
Зависимость максимальной частоты от напряжения
на коллекторе показана на рисунке 4.1
Рисунок 4.1 Зависимость максимальной частоты от
напряжения на коллекторе
. ЭКВИВАЛЕНТНЫЕ П-ОБРАЗНЫЕ СХЕМЫ
5.1 П-образная
эквивалентная схема транзистора на низкой частоте для включения с ОЭ
Рассмотрение транзистора как активного линейного
четырехполюсника удобно для расчета электрических схем. Однако оно имеет и ряд
недостатков, которые связаны, прежде всего, с тем, что параметры
четырехполюсника вводят формально, и каждый из них может отражать влияние сразу
нескольких физических процессов. Поэтому получаются сложные зависимости
параметров четырехполюсника от режима работы транзистора, от частоты и
температуры, чтобы упростить эти зависимости, свойства транзистора при малом
переменном сигнале описывают с помощью эквивалентных схем. Под эквивалентной
понимают электрическую схему, составленную из линейных элементов электрических
цепей (сопротивлений, емкостей, индуктивностей, генераторов тока или
напряжения), которая по своим свойствам при данном сигнале (например, при малом
переменном) не отличается от реального объекта (транзистора). При расчетах с
помощью эквивалентных схем сначала определяют токи и напряжения в самой схеме и
затем переходят к каким-то другим параметрам, например параметрам
четырехполюсника.
Никакая эквивалентная схема из конечного числа
элементов не может быть полностью эквивалентной реальному транзистору, то есть
все эквивалентные схемы оказываются приближенными. Чем проще эквивалентная
схема, чем меньше она содержит элементов, тем легче ею пользоваться, но обычно
тем менее точно она отражает свойства реального транзистора.
По способу построения различают формальные и
физические эквивалентные схемы.
По результатам расчёта физических параметров
транзистора строим П-образную эквивалентную схему на низкой частоте (НЧ) для включения
с общин эмиттером.
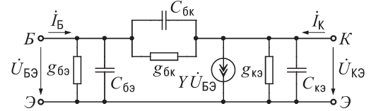
П-образная эквивалентная схема транзистора на НЧ
для включения с общим эмиттером представлена на рисунке 3.1
Рисунок 5.1 - Эквивалентная схема транзистора на
НЧ для включения ОЭ
5.2 П-образная
эквивалентная схема транзистора на высокой частоте для включения с ОЭ
П-образная эквивалентная схема транзистора на
высокой частоте (ВЧ) отличается от НЧ-схемы лишь диффузионными емкостями
эмиттера и коллектора. Эквивалентная схема транзистора на ВЧ для включения с
общим эмиттером представлена на рисунке 5.2
Рисунок 5.2 - Эквивалентная схема транзистора на
ВЧ для включения ОЭ
6. ТЕХНОЛОГИЯ ПОЛУЧЕНИЯ ДРЕЙФОВЫХ ТРАНЗИСТОРОВ
Структура дрейфового транзистора предоставлена
на рисунке 5.1.
Масштаб 1000:1.
Описание технологии получения дрейфового
транзистора
В исходном кремнию n-типа ( ρ=0,5...1
Ом*см
) путем диффузии создается соединительный слой р-проводимости. Для уменьшения
размеров перехода n-слой создается только в углублениях (лунках). Затем в
углубление кладутся два кусочка сплава, и производится термообработка. При этом
происходит расплавление сплавов, проплавление соединительного слоя и диффузия
примесей из расплава в исходный кремний.
Первая (эмиттерная) капля содержит примеси n- и
р-типов. Под ней после диффузии создается p-n-p-структура. Донорная область под
каплей сплава используется как эмиттер, узкий средний слой р-типа образует
активную область базы, исходный n-кремний образует область коллектора.
Вторая капля сплава содержит только р-примеси.
Она создает омический контакт с соединительным слоем и вывод базовой области. В
случае проплавления р-слоя эта капля создает p-n-переход с исходным кремнием.
Структура p-n-p, получающаяся в результате
сплавления диффузии, используется для создания транзистора.
Рисунок 6.1 - Структура дрейфового транзистора
ЗАКЛЮЧЕНИЕ
В результате выполнения данной курсовой работы
были рассчитаны параметры П-образной эквивалентной схемы транзистора
включенного по схеме с ОЭ для НЧ и ВЧ.
Получена зависимость максимальной частоты от
электрического поля в базе С увеличением электрического поля в базе
максимальная частота увеличивается.
Кратко описана технология изготовления
дрейфового транзистора, а также предоставлена структура p-n-p перехода к
рассчитываемому транзистору.
ПЕРЕЧЕНЬ ССЫЛОК
1. Баранский
П.И. - Полупроводниковая электроника. К.: Наукова думка 1975г.
. Батушев
В.А - Электронные приборы. М.: Высшая школа 1980г
3. Дулин
В.Н. Электронные приборы. М.: Энергия, 1997. - 424 с.
. Трутко
А.Ф. -Методы расчёта транзисторов. М.: Энергия 1971г