Разработка квазиоптимальной по критерию минимума вероятности ошибки системы связи
Задание на курсовую работу
Разработать квазиоптимальную по критерию минимума вероятности ошибки
систему связи, рассчитать ее основные параметры и указать пути
совершенствования разработанной системы связи.
Разработка предполагает сформировать определенность системы на
информационном, физическом, алгоритмическом, структурном уровнях характеристик
и параметров системы, при этом необходимо:
. Разработать структурную схему системы связи для заданного вида
модуляции и способа приема (табл. 1).
. Предполагая, что передаваемый информационный сигнал является аналоговым
с шириной спектра DF,
описать преобразования, которым он подвергается в АЦП при переходе к первичному
цифровому сигналу ИКМ.
Число уровней квантования N (табл. 2).
. Описать процесс помехоустойчивого кодирования, если используется код с
проверкой на четность и составить структурную схему кодера.
. Рассчитать длительность единичного элемента кодовой комбинации
цифрового ИКМ сигнала с проверкой на четность.
. Определить характеристики источника независимых двоичных сообщений,
если вероятность появления символа "1" р(1) = 0,001+0,kn, где k и n -
предпоследняя и последняя цифры номера варианта.
. Разработать структурную схему дискретного модулятора и алгоритм его
работы.
. Разработать структурную схему демодулятора и алгоритм его работы.
. Определить величину параметра h2 на входе детектора, при которой
Достигается заданная в табл. 3 вероятность ошибки Рош , если помеху,
воздействующую на сигнал, считать "белым шумом" со спектральной
плотностью мощности Go (табл. 4).Определить амплитуду сигнала, при которой
достигается полученное значение h2.
. Вычислить вероятность неверного декодирования кодовой комбинации в
декодере с учетом кодирования с проверкой на четность.
. Определить пропускную способность канала связи.
Сформулировать теорему Шеннона о пропускной способности канала и
параметры разработанной системы связи сравнить с потенциальными возможностями,
указанными в теореме Шеннона.
Сделать заключение по результатам работы.
связь сигнал демодулятор декодирование
Исходные данные
Номер
варианта -17
Вид модуляции - относительная фазовая
Способ приёма - оптимальный, некогерентный (сравнение фаз)
Ширина спектра аналогового сигнала - ΔF=5,0 кГц
Число уровней квантования - N=256
Вероятность ошибки - Рош = 5
10-6
Спектральная плотность мощности шума - Gо = 10-5 (В2/Гц)
Введение
ОФМ - это способ передачи дискретных сигналов, при
котором при передаче фаза каждой N-й посылки отсчитывается от фазы
предшествующей ей (N - 1)-й посылки, а при приеме знак принимаемой посылки
определяется сравнением фаз каждой N-й посылки с фазой (N - 1)-й посылки. Таким
образом, при ОФМ устанавливается полная однозначность фаз между опорной и
несущей информацию посылками и устраняется явление "обратной работы".
Очевидно, что в начале сеанса связи для передачи первой информационной посылки
необходима передача одной избыточной посылки, по которой отсчитывается фаза
первой информационной посылки.
ОФМ обеспечивает наибольшую помехозащищенность,
однако, этот вид самый сложный в реализации. Модуляция также обеспечивает
наименьшие габариты антенны, минимальную мощность передатчика, дает возможность
введения многоканальной связи. Если говорить о кодировании, то это позволяет
автоматизировать процесс, повысить помехоустойчивость, однако это может
привести к нежелательным последствиям, таких, как, например, расширение
спектра.
Задание 1
Разработаем структурную схему системы связи для заданного вида модуляции
и способа приема. Для этого необходимо:
а) Провести краткий сравнительный анализ потенциальной помехоустойчивости
и области применения заданного вида модуляции в сравнении с другими видами
модуляции.
Под потенциальной помехоустойчивостью понимают предельно достижимую
помехоустойчивость при заданных сигналах и видах помех. Её нельзя превысить
никакими способами обработки сигналов при существующей помехе в заданной
системе связи.
Приёмник, обеспечивающий максимальную (потенциальную) помехоустойчивость
приёма, называют оптимальным.
Помехоустойчивость приёма дискретных сигналов оценивается вероятностью
ошибки при приёме заданных сигналов. Она зависит от вида модуляции и от способа
приёма. Для передачи дискретных сигналов используют дискретную амплитудную
(ДАМ), частотную (ДЧМ), фазовую (ДФМ), относительную фазовую (ДОФМ) модуляции.
Наибольшую потенциальную помехоустойчивость (минимально возможную вероятность
ошибки) даёт система с ДФМ, затем идут системы с ДОФМ, ДЧМ, ДАМ.
Рис. 1.1. Векторные диаграммы сигналов дискретной модуляции.
ДФМ сигналы S1(t) и S0(t), служащие для передачи по каналу символов
"1" и "0" кодовых комбинаций двоичного кода, из которых
состоит дискретное сообщение, являются противоположными, т.е. S1(t) = -S0(t).
Разность этих сигналов (расстояние между концами векторов сигналов)
S=2U,
где U - амплитуда сигналов. ДЧМ сигналы S1(t) и S0(t) -ортогональные
сигналы.
S=
U.
Для ДАМ сигналов:
S = U.
Таким образом, наиболее отличаются друг от друга сигналы S1 (t) и S0 (t)
при ДФМ, что улучшает их распознаваемость, т.е. уменьшает вероятность
ошибочного приёма. Наименее отличаются друг от друга сигналы S1 (t) и S0 (t)
при ДАМ, что обуславливает наименьшую помехоустойчивость этого вида модуляции.
Использование ДФМ даёт энергетический выигрыш по сравнению с ДЧМ в 2 раза (на 3
дБм), а по сравнению с ДАМ - в 4 раза (на 6 дБм). ДОФМ использует преимущества
ДФМ. Она менее помехоустойчива, чем ДФМ и более помехоустойчива, чем ДАМ. По
сравнению с ДЧМ ДОФМ более помехоустойчива при малых помехах и менее
помехоустойчива при сильных помехах. ДЧМ применяется в каналах с высоким
уровнем помех, когда требуется обеспечить высокую помехозащищённость, а также в
каналах с неопределённой фазой, где ДФМ невозможно применить, или сложна
реализация ДФМ приёмников. У ДЧМ высокая помехоустойчивость и относительная
простота реализации схем приёмников. ДЧМ применяется также в каналах, где нет
большого ограничения на ширину спектра сигнала.
б) Пояснить, в каналах какого типа являются оптимальными по критерию
минимума вероятности ошибки заданный вид модуляции и способ приёма.
Существуют два способа приёма:
когерентный, где при демодуляции используется информация о фазе
принимаемого сигнала и требуется согласованность по фазе (когерентность) между
принимаемым и опорным сигналами; решение о принимаемом сигнале выносится по
мгновенным значениям напряжения сигнала.
некогерентный, где сведения о фазе сигнала не используются, а решение о
принимаемом сигнале выносится по значениям его огибающей.
Эти способы приёма могут использоваться для любых видов модуляции.
Когерентные методы приёма требуют значительного усложнения схем приёмника
для оценки фазы принимаемого сигнала, поэтому здесь целесообразно использовать
ДФМ, дающую наибольшую помехоустойчивость, а некогерентный приём лучше
совмещать с ДАМ и ДЧМ, что даёт преимущество в простоте схем приёмников и в
менее жестких требованиях стабильности частоты сигнала.
В каналах различного типа есть ограничения на вид модуляции и способ
приёма. В каналах с быстрыми флуктуациями фазы и частоты неэффективно
использовать ДФМ и ДЧМ, так как это приводит к значительному усложнению схемы
приёмника, что не окупается достигнутым при этом увеличением
помехоустойчивости. Систему с ДФМ нельзя использовать при некогерентном приёме,
так как при ДФМ информация заложена в изменение фазы сигнала, а при неизвестной
или неопределённой фазе сигналов они неразличимы друг от друга.
В каналах с неопределённой фазой сигнала на приёме приходится
отказываться от применения когерентного метода приёма даже в тех случаях, когда
с помощью сложных можно оценить начальную фазу принимаемого сигнала. При этом
используют алгоритм приёма, построенный в предположении, что начальная фаза
принимаемого сигнала неизвестна, т.е. некогерентный способ приёма.
Однако, в каналах с медленными флуктуациями фазы, путём её оценки, можно
достаточно надёжно предсказать её на интервале анализа. При этом, можно
реализовать оптимальный когерентный приём, т.к. фаза изменяется достаточно
медленно и разности фаз между соседними единичными элементами практически
сохраняются. Здесь вполне возможен когерентный приём с применением ДОФМ. Тоже и
с ДЧМ в каналах с медленными флуктуациями частоты.
Оптимальный некогерентный приём ДЧМ сигналов является оптимальным в
каналах с неопределенной или неизвестной фазой сигнала на входе приёмника,
когда требуется более простая схема приёмника при высокой помехоустойчивости
приёма.
в) Разработаем структурную схему системы связи для заданного вида
модуляции и способа приёма.
Рис. 1.2. Структурная схема системы связи. [2, c. 10, (рис. 1.1)]
ИС - источник непрерывных сообщений b
Сообщ./сигн. - преобразователь непрерывных сообщений b в (аналоговый)
первичный сигнал Uа(t).
АЦП - аналогово-цифровой преобразователь, преобразующий аналоговый
первичный сигнал Uа(t) в цифровой сигнал UЦ(t).
Кодер - для кодирования кодовых комбинаций простого кода цифрового
сигнала помехоустойчивым кодом с проверкой на чётность.
Модулятор - для преобразования первичного цифрового сигнала Uцк(t) во
вторичный высокочастотный сигнал S(t), соответствующий параметрам линии связи.
Это дискретный частотный модулятор, в котором информация, первичным цифровым
сигналом, вкладывается в изменение частоты несущего гармонического сигнала,
путём изменения модулирующего цифрового сигнала.
Вых. Устр. - выходное устройство, включающее в большинстве случаев
усилитель сигналов, полосовой фильтр, ограничивающий спектр сигнала для
уменьшения помех взаимного влияния в различных каналах, согласующее устройство
передатчика с линией связи.
Л.С. - линия связи - физическая среда для передачи сигнала.
И.П. - источник помех x(t), вызывающих отклонение принятых сигналов от переданных ( включая
искажения сигнала ).
Вх. Устр. - входное устройство, производящее фильтрацию входного сигнала
для уменьшения уровня помех на входе демодулятора, усиление сигнала и
согласования приёмника с линией связи.
Демодулят. - демодулятор, служащий для обратного преобразования
вторичного ВЧ сигнала S*(t) в первичный цифровой НЧ сигнал UЦК(t), несущий
информацию. Это дискретный частотный модулятор, в котором информационный
цифровой сигнал выделяется из закона изменения частоты модулированного сигнала.
Декодер - декодирует кодовые комбинации помехоустойчивого кода с целью
обнаружения ошибок в ней. Код с проверкой на чётность обнаруживает все ошибки нечётной
кратности.
ЦАП - цифро-аналоговый преобразователь, преобразует цифровой сигнал
U*Ц(t) в первичный аналоговый сигнал U*а(t).
Сигн/сообщ. - преобразователь аналогового первичного сигнала U*а(t). в
непрерывное сообщение b*.
П.С. - получатель непрерывных сообщений.
Задание 2
Для преобразования аналогового сигнала в цифровой ИКМ сигнал, в АЦП
осуществляются последовательно три операции:
а) дискретизация аналогового сигнала во времени, т.е. замена исходного
аналогового сигнала Uа(t) его дискретными отсчётами Uд(n×Tд), взятыми через интервал времени
(интервал дискретизации) Тд, который выбирается согласно теореме Котельникова:
д
1/(2×
F),
где
F - ширина спектра сигнала. [1, c. 123; 2, c. 98]
При передаче необходимо получать как можно более узкие импульсы отсчетов,
чтобы в интервалах между ними разместить отсчеты сигналов остальных каналов
система, а при приеме, наоборот, как можно более широкие импульсы отсчетов, так
как мощность низкочастотного сигнала на входе приемника зависит от энергии
импульсов отсчетов, восстановленных на выходе декодера. Сигнал на выходе АИМ
ключа - самая простая форма дискретизированного сигнала, у которого вершины
импульсов повторяют форму исходного непрерывного сигнала.
Для НЧ сигнала, в спектре которого есть постоянная составляющая, интервал
дискретизации выбирается из соотношения:
Tд
1/(2× FВ),
где FВ -верхняя частота спектра аналогового сигнала. [2, c. 101]
Последовательность дискретных отсчетов на выходе дискретизатора далее
квантуется по уровню с равномерной шкалой квантования.
б) Квантование дискретных отчетов сигнала по амплитуде (по уровню), т.е.
замена значений дискретных отчетов Uд (n×Tд) на значения ближайших разрешенных уровней квантования Uкв
(n× Tд). [2, c. 97]
Передача аналоговых сигналов цифровыми методами сопровождается шумом
квантования, возникающим из-за деления динамического диапазона кодека на
конечное число дискретных величин (ступеней квантования).
Предположим, что весь динамический диапазон кодера y1,y2,…,yk, …yN-1,yN…
разделен на N одинаковых ступеней квантования D. В центре каждой ступени расположен уровень, значение
которого или его порядковый номер. Кодер в процессе кодирования может выразить
двоичным числом. Обозначим эти уровни квантования через y1, y2, …,yk, …, yN.
Далее предположим, что максимальное значение непрерывного входного сигнала
x=f(t) не превышает общего динамического диапазона кодера (это предположение
исключает дополнительные шумы из-за ограничения сигналов) и в каждый момент ti
достигает xi=f(t). При выполнении операции квантования возникает ошибка
квантования
=xi-yk,
где yk - ближайший уровень квантования.
Качество передачи в системах с ИКМ оценивается отношением мощности
сигнала к мощности шума квантования, (дБ). [2, c. 97, c. 639-640]
(2.1)
Качество повышается при увеличении шагов квантования.
Сравнение аналоговых импульсных видов модуляции (АИМ, ШИМ, ВИМ) с ИКМ
позволяет сделать следующие выводы:
Информация о мгновенных параметрах входного непрерывного сигнала при
аналоговых импульсных видах модуляции передается при непрерывном изменении
аналоговых величин (амплитуды, длительности, временного положения) импульса.
Длительность действия систем передачи с этими видами модуляции, как правило,
ограничена искажениями, возникающими в процессе передачи, главной причиной
которых является чувствительность передаваемого сигнала к внешним помехам;
Информация о мгновенных параметрах непрерывного сигнала в системах с ИКМ
передается в виде двоичных чисел (кодовых групп), представленных
последовательностью импульсов одинаковой формы и амплитуды.
Так как искажения этих импульсов при условии безошибочной регенерации не
влияют на качество передачи и их сравнительно легко регенерировать, то
практически можно достичь независимости качества передачи входного непрерывного
сигнала от дальности связи.
Необходимо помнить, что при ограничении числа уровней квантования
входного непрерывного сигнала появляется дополнительный шум. Кроме того, цифровые
системы передачи по сравнению с аналоговыми занимают более широкую полосу
частот, что объясняется заменой аналогового сигнала группой импульсов.
в) Кодирование номеров уровней, соответствующих значениям квантовых
отчетов сигналов.
Кодирование заключается в замене квантовых отсчетов кодовыми комбинациями
двоичного кода номера уровня квантования, которому соответствует значение
квантового отсчета. [1, c. 84]
Опишем вышеприведенные преобразования следующими графиками.
Рис. 2.1 Сигнал на входе АЦП
Рис. 2.2 Дискретизация входного сигнала
Рис. 2.3 Квантование входного сигнала
Рис. 2.4 Сигнал на выходе АЦП:
Рис. 2.5. Структурная схема аналого-цифрового преобразователя (АЦП).
Задание 3
Опишем процесс помехоустойчивого кодирования, если используется код с
проверкой на четность и составить структурную схему кодера.
При передаче цифровых данных по каналу с шумом всегда существует
вероятность того, что принятые данные будут содержать некоторый уровень частоты
появления ошибок. Получатель, как правило, устанавливает некоторый уровень
частоты появления ошибок, при превышении которого принятые данные использовать
нельзя. Если частота ошибок в принимаемых данных превышает допустимый уровень,
то можно использовать кодирование с исправлением ошибок, которое позволяет
уменьшить частоту ошибок до приемлемой.
Кодирование с обнаружением и исправлением ошибок, как правило, связано с
понятием избыточности кода, что приводит в конечном итоге к снижению скорости
передачи информационного потока по тракту связи. Избыточность заключается в
том, что цифровые сообщения содержат дополнительные символы, обеспечивающие
индивидуальность каждого кодового слова. Вторым свойством, связанным с
помехоустойчивым кодированием является усреднение шума. Этот эффект заключается
в том, что избыточные символы зависят от нескольких информационных символов.
При увеличении длинны кодового блока (т.е. количества избыточных
символов) доля ошибочных символов в блоке стремиться к средней частоте ошибок в
канале. Обрабатывая символы блоками, а не одного за другим можно добиться
снижения общей частоты ошибок и при фиксированной вероятности ошибки блока долю
ошибок, которые нужно исправлять.
Все известные в настоящее время коды могут быть разделены на две большие
группы: блочные и непрерывные. Блочные коды характеризуются тем, что
последовательность передаваемых символов разделена на блоки. Операции
кодирования и декодирования в каждом блоке производится отдельно. Непрерывные
коды характеризуются тем, что первичная последовательность символов, несущих
информацию, непрерывно преобразуется по определенному закону в другую последовательность,
содержащую избыточное число символов. При этом процессы кодирования и
декодирования не требует деления кодовых символов на блоки.
Разновидностями как блочных, так и непрерывных кодов являются разделимые
(с возможностью выделения информационных и контрольных символов) и неразделимые
коды. Наиболее многочисленным классом разделимых кодов составляют линейные
коды. Их особенность состоит в том, что контрольные символы образуются как
линейные комбинации информационных символов.
Принцип обнаружения и исправления ошибок.
Корректирующие коды строятся так, чтобы количество комбинаций М превышало
число сообщений М0 источника. Однако в этом случае используется лишь М0
комбинаций источника из общего числа для передачи информации. Такие комбинации
называются разрешенными, а остальные - запрещенными М-М0. Приемнику известны
все разрешенные и запрещенные комбинации, поэтому, если при приеме некоторого
разрешенного сообщения в результате ошибки это сообщение попадает в разряд
запрещенных, то такая ошибка будет обнаружена, а при определенных условиях
исправлена. Следует заметить, что при ошибке, приводящей к появлению другого
разрешенного сигнала, такая ошибка не обнаружима.
Расстоянием Хемминга d между двумя последовательностями называется число
позиций, в которых две последовательности отличаются друг от друга. Наименьшее
значение d для всех пар кодовых последовательностей называется кодовым
расстоянием.
Ошибка обнаруживается всегда, если её кратность, т.е. число искаженных
символов в кодовой комбинации: g<d-1. Если g>d, то некоторые ошибки также
обнаруживаются. Однако полной гарантии обнаружения ошибок нет, т.к. ошибочная
комбинация может совпадать с какой-либо разрешенной комбинацией. Минимальное
кодовое расстояние, при котором обнаруживаются любые одиночные ошибки, d=2.
Исправление ошибок в процессе декодирования сводится к определению
переданной комбинации по известной принятой. Расстояние между переданной
разрешенной комбинацией и принятой запрещенной комбинацией d0 равно кратности
ошибок g. Если ошибки в символах комбинации происходят независимо относительно
друг друга, то вероятность искажения некоторых g символов в n-значной
комбинации будет равна:
(3.1)
Коды с обнаружением ошибок.
Одним из кодов подобного типа является код с четным числом единиц. Каждая
комбинация этого кода содержит помимо информационных символов - один
контрольный, выбираемый равный 0 или 1 так, чтобы сумма количества единиц в
комбинации всегда была четной.
Простейшим примером кода с проверкой на четность является код Бодо, в
котором к пятизначным комбинациям информационных символов добавляется шестой
контрольный символ: 11001,1; 10001,0.
Правило вычисления контрольного символа находится как:
(3.2)
откуда вытекает, что для любой комбинации сумма всех символов по модулю
два будет равна нулю. Это позволяет в декодирующем устройстве сравнительно
просто производить обнаружение ошибок путем проверки на четность. Нарушение
четности имеет место при появлении однократных, трехкратных и в общем случае
нечетной кратности, что и дает возможность их обнаружить. Появление четных
ошибок не изменяет четности суммы, поэтому такие ошибки не обнаруживаются.
На рис. 3.1. показана структурная схема кодера. Характерной особенностью
является наличие в цепи обратной связи решающее устройства, управляющего
величиной шага квантования ∆b. Если знак приращений γ(k)
остается неизменным в
течение 3-4 интервалов дискретизации, то это означает наличие перегрузки.
Решающее устройство удваивает амплитуду импульсов, поступающих на вход
интегратора 1. Если в этом случае знак приращения (сигнал ошибки) не
изменяется, то размер шага ∆b снова удваивается и т.д. При изменении
знака приращения размер шага квантования уменьшается. Нетрудно понять, что, в
состав устройства управления размером шага квантования должен входить
анализатор плотности единиц и импульсный усилитель с управляемым коэффициентом
усиления. На выходе интегратора 2 при изменении коэффициента усиления в
зависимости от плотности единиц будет формироваться ступенчатое напряжение с
адаптивно изменяющимся шагом квантования.
Рис. 3.1. Структурная схема кодера.
Задание 4
Рассчитаем длительность единичного элемента кодовой комбинации цифрового
ИКМ сигнала с проверкой на четность.
Для определения длительности единичного элемента кодовой комбинации ИКМ
сигнала (тактового интервала Ттакт.) с проверкой на четность последовательно
определим:
а) количество информационных элементов k кодовой комбинации
б) общую длину кодовой комбинации n с учетом кодирования с проверкой на
четность.
Цифровой ИКМ сигнал - это последовательность k - разрядных кодовых
комбинаций двоичного кода. Код симметричный, двоичный, где 1-й элемент кодирует
знак напряжения: положительное значение напряжения - <<1>>,
отрицательное - <<0>>, а последующие (k-1) элементов кодирует номер
уровня квантования. Количество элементов кодовой комбинации определяется числом
уровней квантования N:
= ЦЧ[log2N]+1 (4.1)
где ЦЧ - округлённое в большую сторону целое число.
K =ЦЧ [log2512]+1=9+1=10 элементов
При кодировании симметричным двоичным кодом уровни квантования нумеруются
для положительных и отрицательных значений сигнала одинаково. Полярность
квантованного отсчёта показывает первый элемент кодовой комбинации:
положительный-<<1>> и отрицательный-<<0>>. Диапазон возможных
значений аналогового сигнала: - 126 ¸ 126 у.е. Шаг квантования
= 2 у.е.
Описание преобразований сигнала в АЦП и в кодере проиллюстрируем примером
для двух отсчетов сигнала со значениями, равными номеру варианта с
положительным знаком и половине номера варианта с отрицательным знаком в
условных единицах (у.е.). Для вариантов с номером меньшим чем 20, значения
отсчетов взять на 20 больше, чем номер варианта.
Номер варианта=07, следует Uотсч.=7+20=27(у.е.)Д1 = 27(у.е.); UКВ1
=26(у.е.); Номер уровня N = 13; Код. комбинация - 1000001101Д2 = -13,5(у.е.);
UКВ2 =14(у.е.); Номер уровня N = 7; Код. комбинация - 0000000111.
При кодировании помехоустойчивым (корректирующим) кодом с проверкой на
четность, который позволяет обнаружить все ошибки нечётной кратности, к
информационной кодовой комбинации длиной k элементов добавляется один
проверочный элемент - r, доводящий число единиц в полной кодовой комбинации до
чётного числа. Проверочный элемент ставится в конце кодовой комбинации после
информационных элементов. Длина кодовой комбинации кода с проверкой на чётность
равна:
где k - длина кодовой комбинации простого кода.
Проверочный элемент определяется суммой по модулю два всех информационных
элементов кодовой комбинации простого кода: r = k
k
…
k, где
- сумма по модулю два; k , k , …k -
элементы кодовой комбинации простого кода. Параметры кода: (k, k +1).
У простого кода с k = 10, n = 11, параметры кода (10,11).
Для кодовой комбинации 1000001101, r = 1
0
0
0
0
0
1
1
0
1 = 0
Полная кодовая комбинация кода с проверкой на четность: 10000011010.
Для кодовой комбинации 0000000111, r = 0
0
0
0
0
0
0
1
1
1 = 1
Полная кодовая комбинация кода с проверкой на чётность: 00000001111.
Рис. 4.1. Структурная схема кодера кода с проверкой на чётность.
Общая длительность кодовой комбинации равна интервалу дискретизации Тд,
определяемому по теореме Котельникова с учетом необходимого защитного
частотного интервала в спектре дискретного АИМ сигнала (Fд > 2DF) и кратности частоты дискретизации
8 кГц. Здесь Fд - частота дискретизации. Интервал (период) дискретизации равен:
Тд =1/ FД. (4.2)
FД >2×3,4 = 6,8(кГц);
А так как Fд должна быть кратна 8 кГц выбираем подходящую частоту FД =
8(кГц);
Тд =1/
FД (4.3)
Тд =1/ (8×103) = 0,125×10-3 (с)=125×10-6(с)=125(мкс).
Длительность единичного элемента кодовой комбинации цифрового ИКМ сигнала
с проверкой на чётность определяется исходя из величин интервала дискретизации
Fд , и длины кодовой комбинации кода с проверкой на чётность - n. Её называют
тактовым интервалом - Ттакт, а частоту следования элементов - тактовой частотой
- Fтакт.
ТТАКТ = ТД/n,(c); (4.4)ТАКТ.=1/ТТАКТ, (Гц) (4.5)ТАКТ = n× FД (Гц) (4.6)
ТТАКТ = 1/FТАКТ, (c) (4.7)
Вычислим
ТАКТ = n× FД =11× 8× 103 = 88× 103 (Гц)=88(кГц);
ТТАКТ = 1/FТАКТ = 1/(88× 103) =11,36·10-6(с)=11,36(мкс).
Задание 5
Определим характеристики источника независимых двоичных сообщений, если
вероятность появления символа "1"
р(1) = 0,001+0,kn,
где k и n - предпоследняя и последняя цифры номера варианта.
Вероятность появления одного из символов задается следующим образом:
номер варианта=07, то вероятность появления символа "1" равна:
р(1) = 0,001+0,07 = 0,071. [4, п.4.4]
Необходимо последовательно рассчитать вероятность появления символа
"0" - р(0), энтропию элемента - Нэл, производительность источника
сообщений - Н¢,
максимальную энтропию - Нэл.max, максимальную производительность источника -Н¢max, избыточность источника сообщений
- s. [5, c. 200-209]
Под производительностью источника двоичных сообщений понимают среднее
количество информации, выдаваемое источником в единицу времени (1 сек.) - Н’.
Н’ = НЭЛ / ТТАКТ, (бит/с), (5.1)
Н’ = НЭЛ ×FТАКТ, (бит/с). (5.2)
где НЭЛ - энтропия единичного элемента - среднее количество информации
содержащееся в одном элементе, (бит/эл);ТАКТ - длительность единичного
элемента, (с).
Единичный элемент кодовой комбинации передаётся за тактовый интервал.
Для источника независимых двоичных сообщений:
Н ЭЛ = - [p(1) log2p(1) + p(0)log2p(0)], (бит/эл); (5.3)
где p(1) и p(0) - вероятности появления символов <<1>> и
<<0>>.
Так как появление символов <<1>> и <<0>>
составляют полную группу событий, то:
р(1) + p(0) = 1, отсюда - p(0) = 1 - p(1).
р(1) = 0,001+0,07 = 0,071.
Следует:
p(0) =
1- 0,071 = 0,929.
Н ЭЛ = -[p(1) log2p(1) + p(0)log2p(0)]= -[0,071× log20,071 + 0,929× log20,929] =
= -[ 0,071× (-3,813) ++ 0,929× (-0,106)] =0,369 (бит/эл.)
Н’ = НЭЛ ×FТАКТ = 0,369 × 88 × 103
=32,47× 103 (бит/c)= 32,47(кбит/c)
Для двоичного кода энтропия элемента достигает максимального значения при
равенстве вероятностей появления символов <<1>> и
<<0>>, т.е. когда p(1) = p(0) = 0,5.
Тогда
НЭЛ = НЭЛ. MAX = log2m, (бит/эл), (5.4)
где m - основание кода (m=2).
НЭЛ. МАХ = log22 = 1 (бит/эл.)
При этом производительность источника равна:
Н" = Н"МАХ = 1/ТТАКТ, = FТАКТ, (бит/c), (5.5)
т.е. Н" = Н"МАХ = 1/ТТАКТ, = FТАКТ =88× 103(бит/c)=88(кбит/c)
Избыточность источника двоичных сообщений равна:
æ = (НЭЛ.МАХ - НЭЛ)/НЭЛ.МАХ = 1 - (НЭЛ /
НЭЛ. МАХ). Получим æ = 1- (0,369/1) = 0,63%
Избыточность показывает долю (0,63%) от максимально возможной энтропии, не используемую
источником.
Количество информации, содержащееся элементах <<1>> и
<<0>> равно:
= - log2p(1), (бит) (5.6)= -log2p(0), (бит). (5.7)
Зная log2p(1)= -3,813, log2p(0)= -0,106, получим I1=3,813(бит) и I0
=0,106(бит).
Количество информации в конкретной кодовой комбинации кода равно:
IKK = IЭЛ 1 + IЭЛ 2 +… +IЭЛ К, или IKK = a I1 + b I0 ,(бит). (5.8)
где IЭЛ I - количество информации в i- м элементе кодовой комбинации; k -
количество информационных элементов в кодовой комбинации (проверочный элемент
информации не несёт); а - количество элементов <<1>> в кодовой
комбинации (без учёта проверочного элемента); b - количество элементов
<<0>> в кодовой комбинации (без учёта проверочного элемента).
IKK1 = 4× 3,813 +
6 ×0,106 =15,89 (бит).= 3× 3,813 +7× 0,106 = 12,18(бит).
Для увеличения энтропии источника, если p(1) ¹
p(0), следует перекодировать кодовые
комбинации ИКМ сигнала таким образом, чтобы символы нового двоичного кода были
как можно более равновероятны. Это увеличит энтропию элемента (символа) нового
двоичного кода. Для этой цели можно использовать неравномерный двоичный код,
который содержит: две кодовые комбинации длиной в 1 элемент (k=1), т.е. 1 и 0;
четыре кодовые комбинации длиной 2 элемента (k=2), т.е. 00, 01, 10, 11; восемь
кодовых комбинаций длиной 3 элемента (k=3), т.е. 000, 001, 010, 011, 100, 101,
110, 111 и т.д. [5, c.200-209]
Для увеличения энтропии необходимо наиболее вероятные кодовые комбинации
исходного кода закодировать наиболее короткими кодовыми комбинациями нового
двоичного кода (неравномерного). Так как p(1)<p(0), то наиболее вероятной
будет кодовая комбинация состоящая из k - единиц, затем идёт кодовая комбинация
состоящая из (k-1) - единицы и одного нуля и т.д. В табл. 2 дан алгоритм
перекодирования равномерного кода в неравномерный.
Таблица 5.1.
|
Кодовая комбинация
равномерного кода
|
Кодовая комбинация
неравномерного кода
|
|
1111111110
|
0
|
|
1111111101
|
|
1111111011
|
00
|
|
1111110111
|
01
|
|
1111101111
|
10
|
|
1111011111
|
11
|
|
1110111111
|
000
|
|
1101111111
|
001
|
|
1011111111
|
010
|
|
0111111111
|
011
|
Задание 6
Разработаем структурную схему дискретного модулятора и алгоритм его
работы.
Структурная схема получения угловой модуляции в четырехполюснике с
изменяющимся сдвигом фаз изображена на рисунке 6.1.
Комплексный коэффициент передачи четырехполюсника:
(6.1)
где
и
- комплексные амплитуды напряжений на входе и выходе
четырехполюсника соответственно;
- модуль изменяющегося во времени
коэффициента передачи четырехполюсника;
- постоянная составляющая сдвига фазы
четырехполюсника;
- переменная составляющая сдвига фазы четырехполюсника.
Рис 6.1 Структурная схема получения фазовой модуляции в четырехполюснике.
На вход четырехполюсника от внешнего источника подается гармоническое
напряжение высокой частоты, имеющие постоянную амплитуду U, и фазу
, то есть
.
Комплексная амплитуда напряжения на выходе:
. (6.2)
Таким образом, напряжение на выходе четырехполюсника модулировано по фазе
и амплитуде.
Паразитная амплитуда модуляции возникает из - за изменения модуля
коэффициента передачи К(t). Паразитная амплитуда модуляции может быть уменьшена
при помощи ограничителя амплитуды колебаний. В качестве четырехполюсника с
переменным сдвигом фазы можно использовать, например, усилитель, резонансная
частота которого изменяется при изменении индуктивности или емкости контура с
помощью реактивного двухполюсника или варикапа. Для получения линейной
зависимости между относительной расстройки и сдвигом фаз в пределах
, то есть индекс модуляции в одном
модулированном каскаде не должен превышать П/4. При этом амплитуда выходного
напряжения изменяется от 1 до 0.7.
Для получения индексов модуляции, больших П/4, необходимо применить
несколько последовательных каскадов с изменяющейся резонансной частотой либо
умножители частоты.
В диапазоне СВЧ изменение сдвига фаз осуществляется изменением
электрической длины волноводов, через которые проходят модулируемые
колебания.
Если на вход четырехполюсника (рис. 6.1) подать закодированное сообщение
(рис. 6.2, а), то на выходе получим фазомодулированные колебания (рис. 6.2, б).
Рис 6.2. Временные диаграммы на входе - а и на выходе - б
четырехполюсника.
Частотно - и фазомодулированные колебания
имеют амплитуду Е= const, поэтому
они не могут быть продетектированы с помощью с помощью амплитудных детекторов,
так как выходное напряжение этих детекторов зависит только от амплитуды модулированных
колебаний.
Приведем еще структурная схема модулятора Армстронга для радиосигналов с
угловой модуляцией (ЧМ- и ФМ- сигналоф). [1, с. 293, (рис. 11.10)]
Рис. 5 Структурная схема модулятора Армстронга. [1, с.294,(рис. 11.10)]
Здесь к одному из входв сумматора приложен сигнал ν1, поступающий с балансного
модулятора БМ. На второй вход сумматора подется немодулированный сигнал ν2
с выхода фазовращателя,
изменяющего фазу гармонического сигнала несущей частоты на 900 в сторону
запаздывания.
Ширина спектра ДМ сигнала зависит от ширины спектра модулирующего сигнала
(прямоугольного видеоимпульса), определяемого длительностью видеоимпульса -
ТТАКТ. Она определяется по упрощённой формуле:
FДОФМ = (2
3)/ТТАКТ = (2
3)∙FТАКТ, (Гц) (6.3)
FДОФМ =2∙88∙103 = 176∙103
(Гц)=176(кГц).
Алгоритм
работы модулятора состоит в записи математических выражений первичных и
соответствующих им передаваемых сигналов при передаче символов "1" и
"0".
Алгоритм работы цифрового амплитудного модулятора приведён в таблице.
6.1.
Таблица 6.1.
|
Символ
|
Первичный сигнал UЦК(t) на
входе модулятора
|
Вторичный модулированный
сигнал S(t) на выходе модулятора
|
|
0
|
U0(t) = 0
|
S0(t) = U cos( 0∙t )
|
|
1
|
U1(t) = UИМП
|
S1(t) = U cos( 0 ∙t+φ)
|
Задание 7
Разработаем структурную схему демодулятора (детектора) и алгоритм его
работы.
Детектирование ФМ колебаний может осуществляться либо с помощью
синхронного детектора, либо путем предварительного преобразования их в
колебания, амплитуда которых изменяется по закону модулирующего напряжения, с
последующим амплитудным детектированием. В последнее время стали применяться
также частотные детекторы на базе цифровых счетчиков частоты с цифроаналоговыми
преобразователями (ЦАП).
Напряжение на выходе синхронного детектора
(7.1)
При ФМ колебании амплитуда Е постоянна, и выходное напряжение
пропорционально
, где
- сдвиг фаз между входным ФМ напряжением и опорным немодулированным
- напряжением. График зависимости выходного напряжения синхронного детектора от
фазы входного ФМ напряжения представляет собой косинусоиду.
Синхронный детектор может быть использован для детектирования ФМ
колебаний при условии, что фаза изменяется в пределах
. Однако при изменении фазы в
указанных пределах детектирование происходит с большими нелинейными
искажениями.
Для ОФМ следует использовать фазовый демодулятор и устройство
"внесения относительности". [4, п. 4.6]
Детектирование ЧМ и ФМ колебаний путем предварительного преобразования
(Пр) их в колебания с амплитудой, изменяющейся по закону модулирующего сигнала,
и с последующим амплитудным детектированием (АД) осуществляется в соответствии
со структурной схемой на рисунке 7.1.
Рис. 7.1 Структурная схема детектора ФМ колебаний.
Преобразователь Пр преобразует колебание
в колебание с изменяющейся
амплитудой.
(7.2)
Выходное напряжение амплитудного детектора АД пропорционально амплитуде
колебаний на его входе:
.
(7.3)
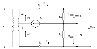
(7.4)
Рис 7.2. Схема балансового фазового детектора.
Схема приемника имеет вид:
Рис. 7.3. Схема приемника ФМК.
Смесь сигнала и помехи поступает на полосовой фильтр (ПФ), настроенный
соответственно на частоту
с полосой пропускания равной ширине спектра ФМ сигнала.
Затем происходит детектирование сигнала в фазовом детекторе и с выхода которого
сигнал поступает на решающее устройство (Р). После него продетектированная
посылка (0 или 1) сравнивается с предыдущей, задержанной с помощью линии
задержки, на основании чего делается вывод о том, какой символ, 0 или 1,
передавался.
Под действием помех в канале связи РУ может выносить неправильные
решения, т.е. могут возникать ошибки первого и второго рода, т.е. p(0|1) и
p(1|0). Помехоустойчивость системы характеризуется средней вероятностью ошибки:
ошср = P(0)P(1|0) + P(1)P(0|1) = Pош (7.5)
при равновероятных символах и ошибках первого и второго рода.
Задание 8
Определим величину параметра h2 на входе детектора, при которой
достигается заданная вероятность ошибки Pош., если помеху, воздействующую на
сигнал, считать "белым шумом" со спектральной плотностью мощности G0.
Определим амплитуду сигнала, при которой достигается полученное значение h2
Вероятность ошибки при оптимальном когерентном приёме равновероятных
сигналов с ДАМ в канале с "белым" Гауссовским шумом, полученная в
теории потенциальной помехоустойчивости, рассчитывается по формуле:
ош = 0,5×
exp(-h2/2), (8.1)
где h2 = E/Go;
- энергия сигналов S1(t) и S0(t), (B2∙c);- спектральная плотность
мощности помехи, (В2∙с) или (В2/Гц)
Отсюда:
= -2× ln(2× Pош). (8.2)= -2× ln(2×10-5) = 21,64
Для получения вероятности ошибки Pош =10-5, необходимо, чтобы величина h2
= 21,64
Мощность гармонического несущего сигнала:
= U2/2, (В2), (8.3)
где U - амплитуда сигнала, (B)
Энергия сигналов S1(t) и S0(t) равна:
Е = Рс ×TТАКТ,
(B2∙c) (8.4)
Из формулы h2 = E/GO находим:
= h2 ×GO, (B2∙c)
(8.5)
После подстановок и преобразований получим:
U =
×h2 ×GO/TТАКТ, (B) (8.6)
Или
U =
×h2 ×GO ×Fтакт, (B) (8.7)
U =
× 21,64× 10-6 ×88 ×103 =2,69 (В)
Значение h2 = 21,64 достигается при амплитуде сигнала, равной U = 2,69
(В).
Задание 9
Вычислим вероятность неверного декодирования кодовой комбинации в
декодере с учетом кодирования с проверкой на четность.
Кодовая комбинация, при условии использования кода с проверкой на
четность, будет декодирована неверно, если будет принято с ошибкой четное
количество символов.
Так как Pош<<1, то можно учитывать только вероятность ошибочного
приёма двух элементов кодовой комбинации.
Тогда вероятность неверного декодирования кодовой комбинации, состоящей
из n - элементов равна:
Рош К К = Р(2/n) = C2n ×P2ош × (1 - Рош )n-2
С2n ×P2ош (9.1)
где
Р(2/n) - вероятность двукратной ошибки в n- элементной кодовой
комбинации;n - число сочетаний из n - элементов по 2 элемента ( показывает
число возможных вариантов двукратной ошибки в n- элементной кодовой комбинации
кода);
n = n!/ [2! × (n - 2)!] (9.1)
- длина кодовой комбинации помехоустойчивого кода.
ош К К
n!/ [2! × (n - 2)!] × P2ош =11!/ [2! × (11-2)!] × (10-6) 2 =55×10-12
Задача 10
Определим пропускную способность канала связи.
Для канала с постоянными параметрами, и единственной помехой в виде
белого "Гауссовского" шума со спектральной плотностью мощности GO,
полоса частот которого равна ширине спектра сигнала:
FК =
FС, пропускная способность
(максимально возможная скорость передачи информации по каналу при заданных
характеристиках сигналов и помех) рассчитывается по формуле Шеннона для
непрерывного Гауссовского канала без памяти:
=
FК ×log2 (1 + PC/ PШ), (бит/c) (10.1)
где
FК - полоса частот канала, равная ширине спектра
модулированного сигнала:
FК =
FМОД . (10.2)
РС/ Pш - отношение сигнал /шум (мощностей сигнала и шума) на входе
детектора.
Т.к. РС = Е/ТТАКТ = Е ×FТАКТ, а РШ = GO ×
FК = GO ×
FМОД и Е = h2 ×GO, то:
РС/ РШ = h2 ×FТАКТ/
FМОД . (10.3)
Для ДОФМ сигналов
FМОД =
FК =
FДОФМ =(2
3)∙FТАКТ
Получим
FМОД =
FК =
FДОФМ =2∙FТАКТ=2∙88∙103=176∙103(Гц)=176(кГц).
РС/ РШ = h2/2 = 21,64 /2=10,82
FК =
FДОФМ = 176(кГц)
С = 176 ×103 ∙log2(1+10,82)=176
×103 ∙3,563= 627,09∙103
(бит/c)=627,09(кбит/с)
При увеличении полосы частот канала
FК до бесконечности, пропускная
способность канала стремится к пределу, называемому потенциально возможной
пропускной способностью канала (теорема Шеннона):
C
= lim C = (PC/ GO)× log2е, (бит/с). (10.4)
FК
Так как РС = Е ×FТАКТ = h2 ×GO ×FТАКТ, то
C
= h2 ×FТАКТ ×log2е, (бит/с).е=lge/lg2≈1,4329594
= 21,64 ×88 ×103 ×1,4329594 =2,73×106(бит/c)=2,73(Мбит/с)
/C = 2,73×106/627,09∙103 = 4,35
Заключение
Потенциальная возможность пропускной способности канала по теореме
Шеннона в 4,35 раза превышает пропускную способность реального канала нашей
системы связи. Эффективность использования пропускной способности канала при
оптимальном некогерентном приёме помехоустойчивых ДМ сигналов достаточно
высока.
Опишем взаимосвязь пропускной способности канала и его полосы
пропускания.
Максимальную скорость, с которой канал способен передавать данные,
называют пропускной способностью канала или битовой скоростью.
Найквист открыл взаимосвязь между пропускной способности канала и шириной
его полосы пропускания.
Теорема Найквиста:
= 2H∙log2M (бит/с), (10.5)
где Vmax- максимальная скорость передачи, H - ширина полосы пропускания
канала, выраженная в Гц, М - количество уровней сигнал, используемых при
передаче. Например, из этой формулы следует, что канал с полосой 3 кГц не может
передавать двухуровневые сигналы быстрее 6000 бит/с.
Однако теорема Найквиста не учитывает шум в канале, который измеряется
как отношение мощности полезного сигнала к мощности шума: S/N. Эта величина
измеряется в децибелах: 10∙log10(S/N)(дБ). Например, если отношение S/N
равно 10, то говорят о шуме в 10 Дб, если отношение равно 100, то 20 дБ.
На случай канала с шумом есть теорема Шеннона, по которой максимальная
скорость передачи данных по каналу с шумом равна:
∙log2 (1+S/N) (бит/с) (10.6)
где S/N - соотношение сигнал-шум в канале
Здесь уже не важно количество уровней в сигнале. Эта формула
устанавливает теоретический предел, которой редко достигается на практике.
Например, по каналу с полосой пропускания в 3000 Гц и уровнем шума 30Дб (это
характеристики телефонной линии) нельзя передать данные быстрее, чем со
скоростью 30000 (бит/с).
Нижеследующая теорема дает прямую наглядную интерпретацию ошибочности,
показывая, кроме того, что это единственная подходящая мера.
Рис. 10.1. Схематическое изображение корректирующей системы.
Теорема: Если пропускная способность корректирующего канала
, можно закодировать корректирующую
информацию таким образом, что ее можно послать по этому каналу и
скорректировать все ошибки за исключением их произвольно малой доли
. Это невозможно, если пропускная способность
корректирующего канала меньше
.
- количество дополнительной информации, необходимой
приемнику для коррекции принятого сообщения. Для доказательства первой части
рассмотрим длинные последовательности принятого сообщения
и исходного сообщения
. Есть логарифмически большое число
сообщений M, которые могли бы
привести к принятому сообщению
. Таким образом, необходимо передавать
двоичных цифр каждые T секунд. Это
может быть сделано при частоте ошибок
в канале с пропускной способностью
. Второе утверждение может быть
доказано, если для доказательства второго утверждения заметим, что для любых
дискретных случайных величин x, y, z.
(10.7)
Левую часть можно преобразовать
(10.8)
(10.9)
Если мы отождествим x с информацией, выдаваемой источником, y- принятым
сигналом, и z- сигналом, передаваемым по корректирующему каналу, то правая
часть является разностью ошибочности и темпа передачи по корректирующему
каналу. Если этот темп меньше ошибочности, то правая часть будет больше нуля, и
. А эта величина характеризует
неопределенность сообщения при известных принятом и корректирующем сигналах.
Когда она больше нуля, частота ошибок не может быть сделана произвольно малой.
Основная
теорема для дискретного канала с шумом.
Можно передать по каналу информацию с темпом C произвольно малой частотой
ошибок или же ошибочностью путем соответствующего кодирования. При попытке же передачи
с большим темпом неизбежно будет некоторая ошибочность. Мы не сможем передать
информацию с темпом, большим C.
Данная ситуация иллюстрируется рис. 10.2. Темп поступления информации в
канал отложен по горизонтальной оси, а ошибочность - по вертикальной.
Все точки выше жирной линии в заштрихованной области достижимы, все точки
ниже - недостижимы. Точки на линии в общем случае недостижимы, за исключением
двух, которые обычно могут быть достигнуты.
Теорема: Пусть дискретный канал имеет пропускную способность C, а
источник - энтропию в секунду H. При
существует такая система
кодирования, что информация от источника может быть передана по каналу с
произвольно малой вероятностью ошибки.
При H>C возможно так закодировать информацию, что ошибочность будет
меньше
H-C+ε, где ε
произвольно мало.
Не существует способа кодирования, дающего ошибочность меньше H-C.
Рис. 10.2 Допустимая ошибочность для заданной энтропии на входе канала.
Для дискретных каналов без помех К. Шенноном была доказана следующая
теорема: если производительность источника
, то существует способ кодирования и
декодирования, при котором вероятность ошибочного декодирования и надежность могут
быть сколь угодно малы. Если же
, то таких способов не существует.
Заключение
Передача сообщений из одного пункта в другой составляет основную задачу
теории и техники связи.
Система связи - совокупность средств и среды распространения сигналов,
обеспечивающих передачу некоторых сведений, или информации, от источника к
потребителю.
Если посмотреть прохождение сигнала по каналу связи, в который входит
источник сигнала, АЦП, модулятор, линия связи, демодулятор. ЦАП, потребитель,
то наиболее низкой помехозащищенностью обладает линия связи. Линия связи может
представлять собой различные среды передачи сигнала, например, для передачи
электрического сигнала используют проводную линию, для передачи радио сигнала
используют радиосвязь (начиная с простейшего радиоприемника и заканчивая
сложной спутниковой связью), для передачи светового сигнала используют
волоконно-оптическую линию связи.
При передаче сигнала по линии связи на него воздействует, в основном,
низкочастотный, случайный во времени шум, который является результатом
деятельности человека (трение щеток электромотора, искрение замыкающихся и
размыкающихся контактов, искрение контактной сети электровоза, взаимное влияние
различных видов связи), а также природных явлений (атмосферные влияния,
космические радиоизлучения), и в теории связи мы пытаемся избавиться от этих
шумов путем повышения помехоустойчивости канала.
Путями повышения помехоустойчивости являются: модуляция сигнала,
кодирование сигнала с применением дополнительной проверки пришедшего сигнала с
помощью проверочных символов, различные виды приема сигналов, повышение рабочей
частоты канала.
Как уже было сказано выше, на сигнал воздействует низкочастотный шум,
поэтому стараются уйти в область высоких частот. Для этого используют в
качестве несущей частоты - высокочастотный сигнал. Процесс наложения
низкочастотного сигнала на высокочастотный сигнал называется модуляцией.
Рассматривая различные виды модуляции, можно выделить АМ. ЧМ и ФМ.
Наиболее простая и дешевая модуляция - амплитудная, однако она обладает самой
низкой помехозащищенностью. Ее обычно применяют там, где безошибочный прием не
очень стужен. Далее следует частотная модуляция. Этот вид модуляции обладает
более повышенной помехоустойчивостью, но он и сложней в реализации. И, наконец,
последний вид модуляции - ФМ. Он обеспечивает наибольшую помехозащищенность,
однако, этот вид самый сложный в реализации.
Модуляция также обеспечивает наименьшие габариты антенны, минимальную
мощность передатчика, дает возможность введения многоканальной связи. Если
говорить о кодировании, то это позволяет автоматизировать процесс, повысить
помехоустойчивость, однако это может привести к нежелательным последствиям,
таким как, например, расширение спектра.
Список источников и литературы
Используемая
литература
. Баскаков
С.И. "Радиотехнические цепи и сигналы". Учебник для вузов. М.:
"Высшая школа", 2005 г.
. Гоноровский
И.С. "Радиотехнические цепи и сигналы". Учебник для вузов. М.:
"Советское радио", 1971 г.
. Гоноровский
И.С. "Радиотехнические цепи и сигналы. Примеры и задачи". Учебное
пособие для вузов. М.: "Радио и связь", 1989 г.
.
Методические указания к выполнению курсовой работы.
. Кловский
Д.Д. "Теория передачи сигналов". - М.: "Связь", 1973 г.
. Кловский
Д.Д., Шилкин В.А. "Теория электрической связи". Сборник задач и
упражнений. М.: "Радио и связь", 1990.
Используемые
программы
. Microsoft
Word
. Math Cad
. Компас 5.11