Разработка измерительных каналов АСУ ТП

  • Вид работы:
    Курсовая работа (т)
  • Предмет:
    Информатика, ВТ, телекоммуникации
  • Язык:
    Русский
    ,
    Формат файла:
    MS Word
    373,39 Кб
  • Опубликовано:
    2016-01-09
Вы можете узнать стоимость помощи в написании студенческой работы.
Помощь в написании работы, которую точно примут!

Разработка измерительных каналов АСУ ТП

Задание

на курсовую работу по дисциплине «Технические измерения и приборы»

ТЕМА: «Разработка измерительных каналов АСУ ТП»

Содержание работы:

1.      Анализ объекта автоматизации и опасных факторов;

2.      Выбор и обоснование методов измерения технологических параметров;

.        Разработка блок-схем измерительных каналов, выбор технических средств (в основу положить заданный перечень фирм), описание их технических характеристик и оформление опросных листов;

.        Описание способа, места установки (при необходимости схемы обвязки) и особенностей монтажа элементов измерительных каналов (чувствительных элементов, измерительных преобразователей, импульсных линий; вспомогательных устройств и т.д.);

.        Расчет максимальной длины линии связи между измерительным прибором и барьером искробезопасности;

.        Метрологический расчет измерительных каналов (с учетом систематических погрешностей и влияющих воздействий);

.        Графическая часть (формат А-4):

·        чертеж закладных конструкций (отборных устройств) - 2 листа;

·        спецификация оборудования, изделий и материалов.

8.      Приложение, в котором необходимо привести копии документов, на основании которых выполнен выбор технических средств.

Примечания:

· рассмотреть измерительный канал до выхода барьера искробезопасности;

·        исходные данные представлены в таблице;

Студент

Измеряемые параметры

Описание объекта измерения, расположенного во взрывоопасной зоне, перечень фирм

Лобанов Виталий Викторович

Уровень*, расход.

Объект - резервуар сырой нефти. Температура поступающей нефти t=25÷35 °C. Диаметр трубопровода d=200 мм, расход нефти в трубопроводе F=100 м3/ч, давление в трубопроводе P=0,4 МПа. Рекомендуемые компании (фирмы, предприятия): Honeywell, Yokogawa

Руководитель курсовой работы Старший преподаватель кафедры АТП_____________М.А. Машков

· в таблице знаком * обозначен канал сигнализации

Введение


Без грамотного построения измерительного канала невозможно построить систему автоматического регулирования и управления технологическим процессом (АСУТП). Данный курсовой проект дает возможность не только в теории, но на практике познать сущность проблемы проектирования измерительных каналов. А точнее разобраться во всем многообразии измерительных и регистрирующих устройств и подобрать наиболее выгодную их комплектацию, обеспечивающую необходимую точность, быстродействие, эргономичность при минимальных денежных затратах.

Основной задачей курсового проекта является разработка измерительных каналов АСУТП.

В данном курсовом проекте необходимо:

) разработать каналы для измерения уровня и расхода в резервуаре сырой нефти, поскольку резервуары применяются в различных отраслях нефтепромышленности;

) проанализировать объект автоматизации и изучить все особенности процесса происходящего в резервуаре, а также выявить опасные факторы, связанные с ним.

) необходимо выбрать метод, учитывающий особенности процесса, измерения технологических параметров: уровень и расход;

) необходимо разработать блок-схемы измерительных каналов;

) описать способ и место установки измерительных каналов, и особенность монтажа;

) рассчитать максимальную длину линии связи между прибором и барьером искробезопасности.

) провести метрологический расчет измерительных каналов.

1. Анализ объекта автоматизации и опасных факторов

датчик канал барьер искробезопасность

Объектом автоматизации является резервуар сырой нефти. Температура поступающей нефти t = 25÷35 °C. Диаметр трубопровода d = 200 мм, давление в трубопроводе P = 0,4 МПа, расход нефти в трубопроводе G = 100 м3/ч.

В данном курсовом проекте разрабатываются измерительные каналы АСУТП для резервуара сырой нефти.

Нефть - природная маслянистая горючая жидкость <#"863976.files/image001.gif">

Рисунок 1 - Принцип действия радарного уровнемера

Преимущества использования <#"863976.files/image002.gif">

Рисунок 2 - Кориолисовская трубка при отсутствии в ней потока (А), изгиб трубки при протекании через нее потока (Б), сдвиг фазы колебаний, вызванный силами Кориолиса (В)

При отсутствии в трубке контролируемой среды ее вибрации на входе и выходе совпадают, то есть, между ними нет сдвига фаз. При появлении потока - трубка изгибается пропорционально величине массового расхода, поэтому между вибрациями ее входной и выходной ветвей появляется фазовый сдвиг.

Преимущества измерения кориолисовым расходомером:

·    высокая точность измерений параметров;

·        работают вне зависимости от направления потока;

·        не требуются прямолинейные участки трубопровода до и после расходомера;

·        надёжная работа при наличии вибрации трубопровода, при изменении температуры и давления рабочей среды (только если расходомер установлен на резиновые подставки-прокладки);

·        длительный срок службы и простота обслуживания благодаря отсутствию движущихся и изнашивающихся частей;

·        измеряют расход сред с высокой вязкостью;

3. Разработка блок-схем измерительных каналов и выбор ТС


Процесс перемещения нефти является взрывоопасным. Поэтому необходимо выбрать датчики с взрывобезопасным исполнением, работающие при различных температурах окружающей среды и процесса, имеющие степень защиты не ниже IP67, а также обладающие высокой степенью надежности.

Поскольку давление в трубопроводе составляет p = 0,4 МПа, температура нефти

t=25÷35 °C, то необходимо выбрать датчики, способные работать в данных условиях.

Изучив каталоги продукции компаний «Honeywell» и «Yokogawa» для реализации измерительных каналов, выбраны следующие контрольно-измерительные приборы:

.        Бесконтактный радарный уровнемер SmartLine RM70 для измерения уровня компании «Honeywell».

.        Кориолисов массовый расходомер RotaMASS RCCX39/IR для измерения расхода компании «Yokogawa».

 

.1 Выбор технических средств измерения уровня


Для измерения уровня нефти в резервуаре выбран бесконтактный радарный уровнемер SmartLine RM70 (рис. 3) предназначенный для измерения уровня жидкостей и может использоваться для расчета объема.

Рисунок 3 - бесконтактный радарный уровнемер SmartLine RM70

Технические характеристики радарного уровнемера SmartLine RM70:

·        вход:

измеряемые величины: уровень, дистанция, объем и коэффициент отражения;

минимальная высота емкости: 0,2 м;

максимальный измеряемый диапазон: 80 м;

·        выход:

первый выход: 4…20 мА/HART или 3.8…21.5 мА;

второй выход (опция): 4…20 мА или 3.8…21.5 мА;

температурное отклонение: 50 ppm/K;

аварийный сигнал: по высокому уровню - 22 мА, по низкому уровню - 3.6 мА;

·        эталонные условия:

давление: 1013 мБар ± 20 мБар;

относительная влажность: 60% ± 15%;

·        точность:

разрешение: 1 мм;

повторяемость: ± 1 мм;

точность: ± 3 мм, если дистанция <= 10 м ± 0.03 %, если дистанция > 10 м;

угол расхождения сигнала: антенна DN40 - 20 ° ;

угол расхождения сигнала: антенна DN50 - 15 ° ;

угол расхождения сигнала: антенна DN80 - 10 ° ;

·        условия применения:

температура окружающей среды: -40 …+ 80 °С;

температура хранения: -40 …+ 85 °С;

температура фланца: -40 …+ 200 °С;

устойчивость к тепловым ударам: 100 °С/мин;

рабочее давление: -1 … 40 Бар;

диэлектрическая константа: >=1.5;

устойчивость к вибрации: IEC 68-2-6 и EN 50178 (10...57 Гц: 0,075 мм/10...150 Гц: 1 гр );

категория защиты: IP 66/67 соответствует NEMA 6-6X.

По каналу уровня осуществляется сигнализация.

Оформление опросного листа для датчика уровня представлено в приложении.

3.2 Выбор технических средств измерения расхода


Для измерения расхода нефти в резервуаре выбран Кориолисов массовый расходомер RotaMASS RCCX39/IR (рис. 4) для измерения массового (как мгновенного, так и суммарного) расхода жидкости, газа, суспензии, высоковязких сред.

Рисунок 4 - Кориолисов массовый расходомер RotaMASS RCCX39/IR

Таблица 1 - технические характеристики Кориолисова массового расходомера RotaMASS RCCX39/IR

Измеряемая среда

Жидкости, газы, суспензии, высоковязкие среды

Погрешность измерений

Для жидкостей Массовый расход: ±0,1 % от измеренного значения ± стабильность нуля; плотность: до 0,0005 г/см3. Для газов Массовый расход: ±0,5 % от измеренного значения ± стабильность нуля.

Измерение жидкостей с содержанием газа

Содержание газа от 3 до 100 % в зависимости от типоразмера расходомера; стабильное измерение при кратковременных проявлениях газа в виде газовых пробок

Температура

±0,5 °C

Диапазон измерений массового расхода (для всей линейки типоразмеров)

Максимальный диапазон: 0…300 т/ч; до 600 т/ч для RCCX39/XR

Пределы рабочих температур

-200… + 350 °С

Максимальное рабочее давление

До 400 бар

Номинальный диаметр и класс фланцев

Диаметр: от DN15 до DN200. По заказу - DN250; класс: EN PN16 - EN PN100; ASME class 150 - ASME class 1500; JIS 10K, 20K; DIN 11851(резьбовое); DIN 32676 (хомутовое)

Входные/выходные сигналы

· 2 выхода 4…20 мА. · 2 импульсных выхода (выхода состояния). · Дискретный выход. · Цифровая связь по HART-протоколу. · Foundation Fieldbus. · MODBUS. · Вход состояния

Конструктивное исполнение

· IP66/67. · Взрывозащищенное. · Взрывозащищенное с искробезопасными · выходами

Межповерочный интервал

4 года

 

.3 Выбор барьера искрозащиты


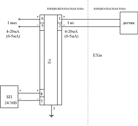
Для обеспечения взрывозащищенности (искробезопасности) и питания информативных цепей выбран активный барьер искрозащиты БИС-А-201-Ех фирмы «Завод «Прибор».

Барьеры искрозащиты БИС-А-Ех могут применяться в различных отраслях промышленности в системах автоматического контроля, регулирования и управления технологическими процессами, связанными с получением, переработкой, использованием и хранением взрывоопасных и пожароопасных веществ. Барьеры по взрывозащите соответствуют требованиям, предъявляемым к взрывозащищенному электрооборудованию подгруппы IIC и поэтому их область применения охватывает все производства и технологические процессы, в которых имеются или могут образовываться различные взрывоопасные смеси газов, пары нефтепродуктов, а также другие соединения и композиции веществ, относящиеся к категориям IIC,IIB,IIA.

Барьер типа БИС-А-Ех соответствует: по виброустойчивости и вибропрочности (устойчивости к механическим воздействиям) требованиям ГОСТ 12997-84 для группы исполнения L3 (при воздействии синусоидальной вибрации в диапазоне частот 5...25 Гц амплитудой смещения до 0,1 мм), по степени защиты - требованиям ГОСТ 14254-60 (исполнение IP30).

Барьеры устанавливаются вне взрывоопасных помещений.

Предназначен для организации питания и приема информационных сигналов 4-20 mA постоянного тока от двухпроводных датчиков, которые выполнены с взрывозащитой вида «искробезопасная электрическая цепь» и которые могут устанавливаться во взрывоопасных зонах помещений.

Питание барьера осуществляется напряжением постоянного тока (24±2,4В). Номинальный ток потребления не более 84 mA, потребляемая мощность не более 2 ВА, погрешность не более ±0,1 % от диапазона изменения выходного сигнала, изменение значения выходного сигнала, вызванное изменением температуры окружающего воздуха в диапазоне от -10 °С до +50 °С, % от диапазона изменения выходного сигнала на каждые 10 °С не более ±0,1%.

Барьеры монтируются на DIN- рейке или с помощью шины заземления. Схема подключения барьера представлена на Рис.5.

Таблица 2 - Типы датчиков и входные, выходные сигналы

типы датчиков

токовая автоматика (выходной сигнал с датчиков давления, температуры, расхода, уровня)

входные сигналы

4 - 20 мА

выходные сигналы

4 - 20 мА, 0 - 5 мА, 0 - 20 мА


Таблица 3 - Параметры искрозащиты

максимальное входное напряжение, Um

250 В

максимальное выходное напряжение, U0

25,2В

максимальный выходной ток, 10

100 мА

максимальная выходная мощность, Р0

0,63 Вт


Таблица 4 - Прочие параметры

84 мА

температура

-10...50°С

защита корпуса

IP 30

габаритные размеры

75x23x125 мм

монтаж

- DIN-рейка, шина заземления

масса

0,1 кг

Таблица 5 - Параметры нагрузки цепи


[Exib]IIС

[Exib]IIB

внешняя емкость, С0

0,08 мкФ

0,8 мкФ

внешняя индуктивность, L0

1,7 мГн

9 мГн


Таблица 6 - Погрешность передачи сигнала

ток

0,1% от входного сигнала


Выходные цепи барьеров рассчитаны на работу с нагрузками:

не более 500 Ом для сигнала 4-20 (0-20) мА ;

не более 2,0 кОм для сигнала 0-5 мА.

Напряжение на искробезопасных входах не менее 15,3 В

Рисунок 5 - Схема подключения барьера искрозащиты БИС-А-201-Ех

Пример оформления заказа:

- обозначение барьера;

- погрешность преобразования входного сигнала (0,1; 0,2%);

- выходной сигнал (0-5, 0-20, 4-20 мА);

- напряжение питания;

- технологическая наработка 360 часов (по заказу);

- термостабилизация (по заказу);

- количество барьеров.

Пример обозначения барьеров при заказе:

БИС-А-201-Ех, 0,1% , 4-20 мА, 24В, 360ч, ТС, 2 шт.

3.4 Разработка блок-схем измерительных каналов


Разработка блок-схемы измерительного канала расхода

При разработке измерительного канала расхода, составлена блок-схема (рис.6.).

             Взрывоопасная зона                     Взрывобезопасная зона

расход                                                            4 - 20 mA                              АСУТП

м3/ч

Рисунок 6 - Блок-схема измерительного канала расхода

Разработка блок-схемы измерительного канала уровня

При разработке измерительного канала уровня, составлена блок-схема (рис.7.).

              Взрывоопасная зона                         Взрывобезопасная зона

уровень                                          4 - 20 mA                              АСУТП

м

Рисунок 7 - Блок-схема измерительного канала уровня

4. Описание способа, места установки и особенностей монтажа элементов

 

.1 Установка датчика расхода


Кориолисовы расходомеры не имеют ограничения по числу Рейнольдса измеряемой жидкости. Они также не чувствительны к изменению распределения скорости по сечению и к вихрям. Поэтому не существует требования подвода и отвода жидкости по прямым трубам к расходомеру, чтобы подготовить поток.

Габаритные размеры представлены в приложении.

 

.2 Установка датчика уровня


Датчик уровня монтируется в верхней части резервуара, подсоединение к процессу резьбовое G 11/2”; NPT11/2” или фланцевое DN 40…150 (PN40/PN16); 10K (40…100A). При установке уровнемера в посадочное место, отклонение от горизонтальной оси не должно превышать 2°. Если на пути радарного луча встречается какие-либо объекты (мешалки, опорные арматуры и т.д.), то следует установить выносной или успокоительный колодец. Нельзя устанавливать датчик слишком близко к входу продукции, это может привести к неточным показаниям. Подключение уровнемера производится к клеммам «+» и «-» электронного модуля. Пример установки радарного уровнемера представлен на рис.10.

Рисунок 8 - Пример установки радарного уровнемера

В случае установки датчиков непосредственно на технологическом оборудовании и трубопроводах должны применяться отборные устройства с вентилями для обеспечения возможности отключения и проверки датчиков.

 


5. Расчет максимальной длины линии связи между измерительным прибором и барьером искробезопасности


Датчик для измерения расхода RotaMASS RCCX39/IR и датчик уровня SmartLine RM70, расположенные во взрывоопасной зоне, подключаются к АСУТП с использованием БИС-А-201-Ех. Таким образом, заземляется БИС, а сами приборы непосредственно не могут быть заземлены, так как находятся во взрывоопасной зоне.

Для подключения датчиков, выбираем кабель КПКЭВнг(А)-FRLS. КПКЭВнг(А)-FRLS - Огнестойкие симметричные кабели парной скрутки предназначены для групповой стационарной прокладки в системах противопожарной защиты, в системах пожарной сигнализации (ОПС), системах оповещения и управления эвакуацией (СОУЭ), системах автоматического пожаротушения (АУПТ), системах противодымной защиты, а также в других системах жизнеобеспечения, связи, контроля и управления, которые должны сохранять работоспособность в условиях пожара. Кабели КПКЭВнг-FRLS могут применяться в промышленных сетях АСУ ТП и на атомных станциях, в зонах класса безопасности 2-4, вне гермозоны. Характеристики кабеля представлены в приложении 5. Рассчитаем максимально возможную длину линии связи измерительных каналов:

1.      Датчик расхода EJX130A

С1= 27,6 нФ - собственная емкость датчика,

L1= 0 мГн - собственная индуктивность датчика,

V0= 21.6 В - минимальное напряжение источника на выходе БИС

Vmin= 10.5 В - минимальное напряжение питания датчика RotaMASS RCCX39/IR.

Параметры кабеля КПКЭВнг-FRLS;

Cк= 0.04 нФ/м - погонная емкость,

Lк= 0.66 мкГн/м - погонная индуктивность,

Rk= 0.11 Ом/м - погонное сопротивление.

Безопасные параметры внешней цепи:

Сmax= 90 нФ,

Полное сопротивление линии связи:

 = N*Rk*2

Так как падение напряжения происходит только на кабеле, то максимальный ток составляет 20мА, тогда:

= (V0-Vmin )/0.02= N*Rk*2

= (21.6-10.5)/(0.04*0.11)= 2523 м.

Проверим условия безопасности для емкости и индуктивности по условиям ExibllC:

>Ck*N+C1 , откуда N< 2250 м - условие не выполняется.

Lmax>Lk*N+L1 , откуда N< 3485 м - условие выполняется.

Вывод:

При использовании активного барьера и указанных выше условий максимальная длина линии связи составляет примерно 2250м. Основным ограничением для линии стала её емкость. При этом внутреннее сопротивление вторичного прибора не влияет на длину линии связи, максимальное сопротивление которой для БИС-А-201-Ех составляет 25 Ом.

2.      Датчик уровня SmartLine RM70

Исходные электрические характеристики датчика представлены в приложении 6.

С1= 25.5 нФ - собственная емкость датчика,

L1= 330 мГн - собственная индуктивность датчика,

V0= 21.6 В - минимальное напряжение источника на выходе БИС

Vmin= 10.5 В - минимальное напряжение питания датчика SmartLine RM70.

Параметры кабеля КПКЭВнг-FRLS;

Cк= 0.04 нФ/м - погонная емкость,

Lк= 0.66 мкГн/м - погонная индуктивность,

Rk= 0.11 Ом/м - погонное сопротивление.

Безопасные параметры внешней цепи:

Сmax= 90 нФ,

Lmax= 3.5 мкГн.

Полное сопротивление линии связи:

 = N*Rk*2

Так как ток короткого замыкания (максимальный ток) для барьера БИС-А-201 составляет 120мА, тогда

= (V0-Vmin )/0.02= N*Rk*2= (21.6-10.5)/(0.04*0.11)= 2523 м.

Проверим условия безопасности для емкости и индуктивности по условиям ExibllC:

>Ck*N+C1 , откуда N< 2250 м - условие не выполняется.

Lmax>Lk*N+L1 , откуда N< 3485 м - условие выполняется.

Вывод:

При использовании активного барьера и указанных выше условий максимальная длина линии связи составляет примерно 2250м. Основным ограничением для линии стала её емкость. При этом внутреннее сопротивление вторичного прибора не влияет на длину линии связи, максимальное сопротивление которой для БИС-А-201-Ех составляет 25 Ом.

 


6. Метрологический расчёт измерительных каналов


Для канала измерения расхода.

Погрешность данной измерительной системы складывается из погрешностей, вносимых датчиком для измерения температуры и барьером искрозащиты. На данный момент производители кабелей и интерфейсов передачи данных практически свели к нулю погрешность, вносимую линией связи, следовательно, её при расчетах не учитывают, тогда предел допускаемой погрешности измерительного канала определится как:


Для канала измерения уровня.

Погрешность данной измерительной системы складывается из погрешностей, вносимых радарной антенной, нормирующим преобразователем, барьером искрозащиты, линией связи. Погрешности нормирующего преобразователя и чувствительного элемента также определены фирмой производителем прибора. Предел допускаемой погрешности измерительного канала определится как:


Точность процесса измерения технологических параметров может быть понижена за счет влияния систематической погрешности (неточно установлен ноль, неправильно установлен/смонтирован прибор, засор в импульсной линии и др.). При монтаже и эксплуатации измерительных каналов следует учесть все возможные варианты внесения погрешностей или попытаться исключить их.

Заключение


В данной курсовой работе разработано два измерительных канала АСУТП для измерения уровня и расхода в резервуаре сырой нефти.

В рамках данного проекта проведены следующие работы:

)   проанализирован объект автоматизации и выявлены основные опасные факторы;

2)      выбраны и обоснованы оптимальные методы измерения технологических параметров;

)        разработаны блок-схемы измерительных каналов;

)        проанализирована продукция фирм Honeywell International Inc. и Yokogawa Electric CIS, выбраны необходимые технические средства;.

)        рассмотрены и описаны способы, места установки и особенности монтажа элементов измерительных каналов;

)        рассчитана максимальная длина линии связи между измерительным прибором и барьером искробезопасности;

)        проведен метрологический расчет измерительных каналов;

)        выполнены чертежи закладных конструкций и план расположения оборудования и внешних проводок.

Список использованной литературы

. Кулаков М.В. Технологические измерения и приборы для химических производств: учебник для вузов. - Москва: «Машиностроение», 2008, 424 стр.

. Голубятников В.А., Шувалов В.В. Автоматизация производственных процессов в химической промышленности, 1985.- 352 с.

Похожие работы на - Разработка измерительных каналов АСУ ТП

 

Не нашли материал для своей работы?
Поможем написать уникальную работу
Без плагиата!
Без нейросетей!