Разработка привода главного движения горизонтально-фрезерного станка

  • Вид работы:
    Курсовая работа (т)
  • Предмет:
    Другое
  • Язык:
    Русский
    ,
    Формат файла:
    MS Word
    264,27 Кб
  • Опубликовано:
    2016-03-27
Вы можете узнать стоимость помощи в написании студенческой работы.
Помощь в написании работы, которую точно примут!

Разработка привода главного движения горизонтально-фрезерного станка

Федеральное государственное бюджетное образовательное учреждение высшего профессионального образования

"Вологодский государственный университет"

ФПМиИТ

Кафедра ТОАП






КУРСОВОЙ ПРОЕКТ

Дисциплина: "Оборудование АМП"

Наименование темы: "Разработка привода главного движения горизонтально-фрезерного станка"










Вологда 2015г.

Содержание

Введение

Исходные данные

. Выбор базовой модели станка

. Определение основных технических характеристик привода

.1 Структурная схема привода

.2 Определение диапазона регулирования

.3 Сетка частот вращения

.4 График частот вращения

. Кинематический расчет привода

.1 Определение передаточных отношений

.2 Определение чисел зубьев

.3 Кинематическая схема

. Проектный расчет

.1 Расчет мощности на валах

.2 Расчет диаметров валов

.3 Определение межосевых расстояний

.4 Расчет ременной передачи

. Разработка и компоновка привода

. Проверочный расчет

.1 Расчет вала на жесткость

.2 Проверочный расчет подшипников

.3 Проверка шпоночного соединения

.Система смазки привода

. Система управления приводом

Заключение

Список используемых источников

привод вал шпоночный передаточный

Введение

Современные металлорежущие станки - это высокоразвитые машины, включающие механические, электрические, электронные, гидравлические, пневматические и другие методы осуществления движением и управления циклом.

По конструкции и назначению трудно найти более разнообразные машины, чем металлорежущие станки. На них обрабатывают всевозможные детали - от мельчайших элементов часов и приборов до деталей, размеры которых достигают многих метров (турбины), прокатных станов. На станках обрабатывают и простые цилиндрические, и поверхности, описываемые сложными математическими уравнениями или заданные графически. При этом достигаются высокая точность обработки, измеряемая нередко долями микрометра. На станках обрабатывают детали из сталей и чугунов, из цветных, специальных жаропрочных, мягких твердых и других материалов. Современное станкостроение развивается быстрыми темпами. В решениях правительства по развитию станкостроения особое внимание обращено на опережающее развитие выпуска станков с числовым программным управлением, развитием производства тяжелых и уникальных станков.

Сверлильные станки предназначены для сверления глухих и сквозных отверстий, рассверливания, зенкерования, развертывания, растачивания и нарезания резьбы. Сверлильные станки подразделяются на вертикально-сверлильные настольные и наклонные, радиально-сверлильные, для глубокого сверления, центровальные и многошпиндельные.


Исходные данные

Разработать привод главного движения вертикально сверлильного станка при следующих условиях:

вид привода: безраздельный

знаменатель геометрического ряда частоты вращения шпинделя : φ=1.26;

число ступеней частот вращения шпинделя: z=12;

минимальное частота оборотов шпинделя: nmin=25об/мин;

эффективная мощность резания: Nэ=3кВт.

1. Выбор базовой модели станка

Вертикально-сверлильный станок 2А150.

Техническая характеристика

. Рабочая поверхность стола, мм 500х560

. Наибольшее вертикальное перемещение

сверлильной головки, мм 500

стола, мм 360

. Число частот вращения шпинделя 12

. Частота вращения шпинделя, об/мин 22-1000

. Мощность электродвигателя шпинделя, кВт 7

.Габаритные размеры станка ,мм 1355х890х2930


2. Определение технических характеристик привода

Главными приводами со ступенчатым регулированием частоты вращения шпинделя оснащают автоматизированные редко переналаживаемые станки, работающие в массовом производстве, и неавтоматизированные станки с ручным управлением. Такие приводы просты, компактны, имеют высокий КПД, долговечны.

.1 Структурная схема привода

Рис 2.1- Структурная схема привода

Структурная формула:

Z=P1*P2*P3 ; (1)

=3*2*2

Зная знаменатель геометрического ряда φ=1.26 и минимальную частоту вращения шпиндельного вала, выписывает ряд частот вращения шпинделя n1 - n12

Частоты вращения шпинделя n1 = nmin, n2, n3, ... , nz = nmax образуют отрезок геометрического ряда со знаменателем φ. Число ступеней частот - Z.

Основные зависимости геометрического ряда, члены ряда:

n1; n2 = n1·φ, n3 = n1·φ2,..., nz =n1·φZ-1

n1=25 об/мин;

n2=31.5 об/мин;

n3=40 об/мин;

n4=50 об/мин;

n5=63 об/мин;

n6=80 об/мин;

n7=100 об/мин;

n8=125 об/мин;

n9=160об/мин;

n10=200 об/мин;

n11=250 об/мин;

n12=315об/мин;

2.2 Определение диапазона регулирования

Диапазон регулирования частот вращения шпиндельного вала коробки скоростей определяется по формуле :


Где nmax - максимальная частота вращения вала коробки скоростей;

nmin - минимальная частота вращения вала коробки скоростей.

Таким образом получаем диапазон регулирования :


2.3 Сетка частот вращения

Сложенную структуру получают из двух или более определенным образом соединенных структур с последовательно включенными групповыми передачами. Одна из соединяемых структур называется основной, другие - дополнительными. Основная структура участвует в передаче на шпиндель всех ступеней частоты вращения, каждая дополнительная используется для передачи только части ступеней.


Рис 2.3 - Структурная сетка

2.4 График частот вращения

По данным полученным со структурной сетки строим график частот вращения

Рис 2.4 - График чисел оборотов

Выбираем двигатель асинхронный: 4A132S8Y3 Nэд=4 кВт;

n=720 об/мин;

Ток статора при напряжении 380В: 10.6 А;

КПД : 83%;

cosφ=0.7;

Iп/Iн=5.5;

Мпн=1.9;

Мminп=1.7;

Мmaxн=2.6;

Маховый момент ротора : 1.7 Н∙м2.

3. Кинематический расчет привода

Исходными данными для кинематического расчета главного привода являются частота вращения вала электродвигателя, минимальная частота вращения шпинделя nmin, максимальная частота nmax, число ступеней частот z или другие эквивалентные комплексы данных.

.1 Определение передаточных отношений

Передаточное отношение определяем по графику частот вращения

i1-1=0,793 i5-2=0,6292-2=0,629 i63=23-3=0,499 i7-3=0,49941=1,26

imax*imin=2*0.499≈1

.2 Определение чисел зубьев

P1 : u1 =1,26; u2 = 1,58; u3 = 2;

z = 54

i1: Z1=24 Z2=302: Z1=21 Z2=333: Z1=18 Z2=362 : u4 =1,26; u5 = 1,58;

z =524:Z1=29 Z2=235:Z1=20 Z2=32

z =512 : u6 =2; u7 = 2;6:Z1=34 Z2=177:Z1=17 Z2=34

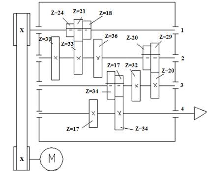
3.3 Кинематическая схема

После определения чисел зубьев строим кинематическую схему.

Рис 3.3 - Кинематическая схема


4. Проектировочный расчет

Проектные расчеты выполняются для разработки компоновочной схемы привода. В курсовом проекте определяются основные параметры проектируемого узла и его деталей.

.1 Расчет мощности на валах

Общий КПД механизма коробки скоростей находим по формуле:


Где ηрп - КПД ременной передачи, ηрп=0.98;

ηзп - КПД пары прямозубых цилиндрических колес, ηзп=0.99;

ηп - КПД подшипника качения , ηп=0.9985;

a, b - количество зубчатых передач и подшипников в кинематической цепи, a=7, b=8.

η=0.98∙0.997∙0.99858=0.90

Максимальную мощность на валах коробки скоростей определяем исходя из мощности электродвигателя. Мощность на валах определяется по формуле:

Ni∙=Ni-1∙η (4)

где Ni-1 - мощность на предыдущем валу, кВт;

η - КПД.

N1=Nдв∙ηрп∙η2п=3.9 кВт;

N2=3.85 кВт;

N4=3.75 кВт;

Определение крутящего момента на валах:


4.2 Расчет диаметров валов

Минимально необходимый диаметр вала определяем по формуле:


где Ti - крутящий момент на валу;

[τ] - допускаемое напряжение при кручении;

dдв≥0.0537 м

dI≥0.0541 м

dII≥0.0557 мм

dIII≥0.0562мм

dIV≥0.0569мм

Так как минимально допустимые размеры валов приблизительно равны, то принимаем размер всех валов 55 мм.

4.3 Определение межосевых расстояний

Межосевое расстояние из условия контактной прочности определяем по уравнению:


где Ка - коэффициент для прямозубых колес, принимается Ка =49,5 МПа1/3;

ψba - коэффициент ширины yba= bw/aw, его можно принимать в пределах 0,25...0,4 для неподвижных колес и 0,1...0,2 - для передвижных колес коробок скоростей;

КНβ - коэффициент концентрации нагрузки;

[σH] - Допускаемое контактное напряжение для прямозубой передачи.

Допускаемое контактное напряжение [σH] для прямозубой передачи считается по формуле:


где σH lim b - предел контактной выносливости;

КHL - коэффициент долговечности, КHL = 1,1…1,8;

[SH] - коэффициент безопасности, [SH] = 1,1¸1,2;


Расчетный модуль:

1=4; m2=4; m3=5

Фактическое значение модуля выбирают из стандартных значений путем округления до ближайшего большего значения.

Уточненное межосевое расстояние между валами :

w I-II=108; aw II-III=104; aw III-IV=128

Определение основных геометрических параметров зубчатых колес:

Делительный диаметр, мм

d=m∙Z (11)

Диаметр окружности вершин, мм

dа=d+2m (12)

Диаметр окружности впадин, мм

df=d-2,5m (13)

Ширина зубчатого венца, мм

 

вр=(6..8)m (14)

в= вр+4мм (15)

Расчеты сводим в таблицу 4.

Таблица 4 Основные геометрические параметры зубчатых колес

Число зубьев

Модуль m, мм

 d, мм

 da, мм

 df, мм

 в, мм

Z1=24 Z2=30 Z3=21 Z4=33 Z5=18 Z6=36

4

 96 120 84 132 72 144

 104 128 92 140 80 152

 86 110 74 122 62 134

    28

Z7=29 Z8=23 Z9=20 Z10=32

4

 116 92 80 128

 124 100 88 136

 106 82 70 118

  28

Z11=34 Z12=17 Z13=17 Z14=34

5

 170 85 85 170

 180 95 95 180

 157,5 72,5 72,5 157,5


4.4 Расчет ременной передачи

Ременные передачи находят применение лишь в приводах главного движения станков. В приводах подач эти передачи не находят применения, так как не обеспечивают высокой точности передачи движения.

В металлорежущих станках применяются плоскоременные и клиноременные передачи, реже применяются передачи с зубчатыми ремнями.

Окружные скорости на шкивах определяют по формулам:

, м/с, (16)

где υ1 и υ 2 - окружные скорости на ведущем и ведомом шкивах;

d1 и d2 - диаметры ведущего и ведомого шкивов, мм;

n1 и n2 - частоты вращения ведущего и ведомого шкивов, об/мин.

В ременных передачах имеет место упругое скольжение, поэтому окружную скорость ведомого вала определяют по формуле:

, м/с, (17)

где x - коэффициент упругого скольжения.

Передаточное число передачи определяется по формуле:

; (18)

Диаметр ведущего шкива клиноременной передачи определяется по формуле:

, мм (19)

где С - коэффициент пропорциональности;

Т1 - вращающий момент на ведущем шкиве, Н×м.


Окружные скорости на шкивах: υ1=5,27 м/c ; υ 2=5,16 м/c

Межосевое расстояние aw предварительно вычисляют по формулам:

 

awmin = 0,55×(d1 + d2) + T0, мм (20)

где T0 - высота ремня, мм.

awmax = 2×(d1 + d2), мм (21)

Межосевое расстояние выбирается предварительно в диапазоне между awmin и awmax .

Выбираем сечение ремня В(Б), T0=10,5.

awmin =0,55(125+180) +10,5= 434 мм;

awmax = 2×(125 + 180)=1540 мм;

aw= {434..1540}

aw=800 мм

Длина ремня :

Lp=2×aw + 0,5·×π·(d1+d2)+( d2- d1)2/(4×aw). (22)

Расчетная длина ремня округляется до большей предпочтительной длины: Lp=3150 мм

Уточняем межосевое расстояние :

 (23)

 

aw=1048 мм

Угол обхвата в ременной передаче с двумя шкивами определяется по формуле:

, (24)

α1=208, для d1

α2=152, для d2

Проектный расчет ременной передачи выполняется по допустимой мощности, передаваемой одним ремнем.

Nр = N0×Cα×CL×Cu×Cp, кВт, (25)

где N0 - номинальная мощность передачи с одним ремнем, 2.18 кВт;

CL-коэффициент, учитывающий длину ремня;

Ca - коэффициент угла обхвата, Ca = 1.12;

Cu - коэффициент передаточного отношения, CU = 1.14;

Ср - коэффициент динамичности нагрузки и режима работы, СP = 1

, (26)

где Lр0 - базовая длина клинового ремня, CL=1.1, Nр =3

Число ремней z в передаче для обеспечения среднего ресурса эксплуатации определяют по формуле:

 (27)

где Р1 - передаваемая мощность на ведущем валу, кВт.

Z=4.229 Округляем до целого Z=5

5. Разработка и компоновка привода

На основании полученных расчетов, которые приближенно равны значениям, указанным в паспорте станка 2A150, используем следующие значения :

Корпус коробки представляет собой чугунную отливку. Толщина стенки отливки δ=15мм. Зазор между торцами цилиндрических зубчатых колес и внутренней стенкой корпуса a=(1.0 - 1.2)δ=15мм.

Расстояние от наибольшего зубчатого колеса до дна коробки b=50 мм.

Минимальное расстояние между венцами блока 6мм. Зазор между торцами венцов 1-3 мм.

Длина ступицы зубчатых колес lст=(1.2-1.5) dв

Диаметр ступицы dст=1.6 dв

C целью уменьшения веса, инерционных сил и экономии металла, колеса выполняются с выточками. Толщина тела венца δ =(2.5-21) ms, c=(1-1.2) δ.

Для герметизации подшипниковых узлов выбираем крышки торцевые глухие (ГОСТ 18511-73) и крышки с отверстием (ГОСТ 18515-73).

Для уплотнения валов применяем резиновые армированные манжеты ГОСТ 8752-79.

Размеры шлицевых прямоточных соединений (8х27х30).

Предварительный выбор подшипников качения:

Выбираем шарикоподшипники радиальные однорядные легкой серии ГОСТ 8338-75. 206: D=62мм, B=16мм, d=30мм.


6. Проверочный расчет

Предварительная проработка конструкции валов и подшипниковых узлов выполняется на стадии эскизного проекта привода.

.1 Расчет вала на жесткость

Рис.6.1 - Общий вид вала

Крутящий момент, передаваемый валом: Tкр=722.43 Нм

Усилие в зацеплении:

опорное : P3-4=2Ткр/d=2∙722.43/ 55∙105=657.44 Н; (28)

P7-8=2Mкр/d= 2∙20,4/55∙105=1043.12 H; (29)

распорное : Т3-4=P3-4∙tgα=231 Н; (30)

Т7-8=P7-8∙tgα=372.44 H

Определение опорных реакций:

вертикальная плоскость:

∑МА=0 ; - P3-4∙cos45∙0.73- P7-8∙2.48+B∙3.11=0

∑МB=0 ; -A∙3.11+- P3-4∙cos45+ P7-8∙0.63=0

горизонтальная плоскость:

∑МА=0 ; - Т3-4∙cos45- Т7-8∙2.48+ B∙3.11=0

∑МB=0 ; -A∙3.11+- Т3-4∙cos45+ Т7-8∙0.63=0

где A и B реакции опор; A=560.6H; B=910.96H;

- изгибающий момент в горизонтальной плоскости:

My1=243.21 Н∙м; Mx1=400.76 Н∙м;

изгибающий момент в вертикальной плоскости:

My2=248.21 Н∙м; Mx2=196.78 Н∙м;

-результирующий изгибающий момент:        

М1 =  = 468.78 Н·м. (31)

М2 =  = 316.75 Н·м. (32)

Эквивалентные моменты:

Мэкв1 =  = 452.39 Н·м. (33)

Мэкв2 =  = 341.37 Н·м. (34)

Определение диаметра вала:

Принимаем допустимое напряжение [σ-1]=60МПа.

 (35)

Рис.6.1 - Эпюры изгибающих и крутящих моментов

Вывод: вал подобран правильно, так как условия по жесткости и прогибу соблюдаются.


6.2 Проверочный расчет подшипников

Подшипники, как правило, подбираются по таблицам ГОСТ на основании условного расчета, состоящего в определении динамической грузоподъемности по методике ГОСТ 18854-79 и ГОСТ 18855-73.

Основные критерии работоспособности подшипника качения - его динамическая и статическая грузоподъемность. На основании многочисленных опытов установлена зависимость между динамической приведенной нагрузкой Q подшипника, его номинальной долговечностью α, выраженной в миллионах оборотов вращающегося колеса n и динамической грузоподъемностью С(кгс)

 (36)

где Q = R∙Kб∙Kт∙Kn; (37)

R - радиальная нагрузка, R=908,8;

Kб=1.1 - коэффициент безопасности;

Kn=1 - коэффициент вращения;

Kт=1 - температурный коэффициент.

Q = 908.8∙1.1∙1∙1=999.68 кгс, С=10623.28

В результате расчета, полученное значение удовлетворяет условию минимальной долговечности подшипников. Выбираем подшипники 206 легкой серии.

6.3 Проверка шпоночного соединения

Размеры шпонок выбираются в зависимости от принятого диаметра вала по ГОСТ, а затем производится условный расчет на смятие, чтобы напряжение на узких рабочих гранях шпонки распределялось равномерно. Условие прочности:

 (38)

где Мкр - крутящий момент; d - диаметр вала; h - высота сечения шпонки; lp - рабочая длина шпонки; σсм≤ [σ]см ; [σ]см=400…420 МПа.

σсм=407.51 МПа

Условие прочности выполняется с запасом, значит, прочность шпоночного соединения обеспечена.


7. Система смазки привода

Основное назначения системы смазки коробки скоростей и коробки подач сводится к уменьшению потерь мощности на трение, сохранению точности работы, предотвращению вибрации, снижению интенсивности износа трущихся поверхностей, а также к предохранению их от заедания, задирав и коррозии. Масло, применяемое для смазки, должно быть чистым, бес кислотным, не должно содержать воды и твердых частиц. Рекомендуется употреблять индустриальное масло марки "20" (Веретеное "3"), ГОСТ 1707-51. Механизмы коробки скоростей смазываются от специального насоса, подающего масло из масляного резервуара в подставке коробки скоростей. При работе станка масло, подаваемое насосом, разбрызгивается зубчатыми колесами на все рабочие поверхности коробки скоростей.


8. Система управления приводом

Главным движение в станке является вращение шпинделя, которое он получает от электродвигателя через клиноременную передачу и коробку скоростей. Вращение шпинделя, с определённой частотой вращения, осуществляется за счёт переключения блоков зубчатых колёс при помощи двух рычагов. Осуществляется принцип управления с предварительным набором скоростей (преселективная система). Первый рычаг осуществляет передвижении первого блока колёс, второй рычаг - двух остальных. Исходя из этого, первый рычаг имеет три положения, второй четыре. И что бы получить необходимую частоту вращения шпинделя необходимо поставить рычаги в определённое положение.

Рис 8 - Система управления приводом

Заключение

В ходе выполнения курсового проекта мною был спроектирован привод главного движения с электродвигателем мощностью N=4 кВт

Частота вращения выходного вала:

nmin=25 об/мин

nmax=317 об/мин

Мощность на выходном валу 3 кВт

Cпроектированная коробка передач работоспособна.

Чертеж коробки передач см. в приложении


Список используемых источников

1. Б. А. Шкарин, В.В. Яхричев. Оборудование автоматизированного машиностроительного производства. Учебное пособие к выполнению курсового проекта. . - Вологда: ВоГТУ, 2014. - 92с.

.Универсальный вертикально сверлильный станок модели 2А150.Описание и руководство по обслуживанию.- Москва:Станкостроительный завод имени Ленина, 1960. -30c.

. Универсальный вертикально сверлильный станок модели 2А125.Москва: Станкостроительный завод имени Ленина, 1955. -48c.

. 2А135, 2А150 Станок вертикально-сверлильный универсальный. Описание, характеристики, схемы [Электронный ресурс]: офиц. сайт. - Режим доступа http://stanki-katalog.ru Дата последнего посещения 07.06.2015

Похожие работы на - Разработка привода главного движения горизонтально-фрезерного станка

 

Не нашли материал для своей работы?
Поможем написать уникальную работу
Без плагиата!
Без нейросетей!