Разработка микропроцессорной системы управления подачей воздуха в термотравильный агрегат
Введение
термотравитель автоматизация технологический
Автоматизация технологического процесса -
совокупность методов и средств, предназначенная для реализации системы или
систем, позволяющих осуществлять управление самим технологическим процессом без
непосредственного участия человека, либо оставления за человеком права принятия
наиболее ответственных решений.
Основа автоматизации технологических
процессов - это перераспределение материальных, энергетических и информационных
потоков в соответствии с принятым критерием управления (оптимальности).
Основными целями автоматизации
технологического процесса являются:
Повышение эффективности производственного
процесса.
Повышение безопасности.
Повышение экологичности.
Повышение экономичности.
Металлокорд представляет собой трос, свитый из стальной
латунированной проволоки. Применяется в качестве армирующего материала при
производстве различных резинотехнических изделий: конвейерных лент, клиновидных
ремней, шлангов высокого давления и т.д. Но самое широкое применение
металлокорд нашел при производстве автомобильных резиновых шин. Шины,
армированные металлокордом, имеют ходимость в 1,5 - 2 раза выше, чем шины,
армированные хлопчатобумажным кордом.
Актуальность темы дипломного проекта в
том, что применение автоматизированных систем в производстве металлокорда
способствует повышению качества продукции, понижению издержек производства и
расходов на техническое обслуживание систем автоматизации.
Целью дипломного проекта является
разработка микропроцессорной системы управления подачей воздуха в
термотравильный агрегат ТТА №3 цеха №1 ООО «Спецтехнологии»
Задачи дипломного проекта:
. Описать технологический процесс нагрева
проволоки, а также описать функциональную схему автоматизации термотравильного
агрегата.
. Выбрать элементы автоматики для САУ
подачей воздуха в термотравильный агрегат и на основе выбранных элементов
автоматики разработать принципиальную электрическую схему.
. Описать опасные и вредные
производственные факторы в цехе и мероприятия по охране труда при работе в
электроустановках.
. Выполнить расчёт капитальных и
эксплуатационных затрат для САУ подачей воздуха.
1.
Теоретическое обоснование разработки микропроцессорной системы управления
подачей воздуха в термотравильный агрегат №3
1.1
Общая характеристика цеха №1 ООО «Спецтехнологии»
Цех №1 ООО «Спецтехнлогии» предназначен для производства
металлокорда. Данный цех включает в себя канатный участок, участок тонкого
волочения, термотравильный участок, участок грубо-среднего волочения,
термотравильно - гальванический участок, участок сортировки, упаковки и
отгрузки. В цеху осуществляются производственные операции по подготовке и
производству металлокорда. Операции включают в себя травление катанки, грубое
волочение, патентирование, охлаждение проволоки в расплаве селитры, охлаждение
и промывку проволоки после ванны с расплавом селитры, химическое травление,
нанесение покрытий, сушку проволоки, среднее волочение, тонкое волочение,
намотку проволоки, окончательный контроль и отгрузку.
. Травление катанки
Травление катанки производится в двух ваннах предварительного
и окончательного травления. В зависимости от состава раствора травления,
травильная ванна сначала является ванной окончательного травления, затем, по
мере накопления сульфата железа и снижения концентрации серной кислоты,
становится ванной предварительного травления. После травления с целью удаления
травильного шлама и остатков кислоты, катанка промывается водой методом
окунания, а затем душирования с подачей воды под давлением от 3 до 7 атм.
. Волочение катанки
Бунты травленой катанки навешиваются на размоточное
устройство с помощью кран-балки. Размотка катанки осуществляется с
горизонтально-размоточного устройства, позволяющего производить непрерывную
подачу катанки в волочильный стан с помощью сварки конца вырабатываемого конца
мотка катанки с началом нового. Заправка маршрута волочения стана производится
при полной или частичной замене волок, при обрыве проволоки, на заправочной
скорости («тихий ход»). Волочение проволоки производится на твердосплавных волоках.
Место сварки проволоки пропускается по всему маршруту волочения на заправочной
скорости, после чего стан переводится на рабочую скорость волочения.
Наматывание проволоки производится на металлические катушки или в бухты.
. Патентирование
Печь патентирования предназначена для термообработки
проволоки с целью восстановления структуры и механических свойств металла,
измененных после операции волочения. Нагрев заготовки производится в 24
ниточных печах малоокислительного нагрева. Проволока протягивается через
рабочее пространство печи по каналам или по поду печи. Для обеспечения
минимально возможного окисления проволоки при нагреве необходимо в рабочем
пространстве печи поддерживать соотношение расхода «газ-воздух». Регулирование
соотношения «газ-воздух» осуществляется путем изменения расхода горячего
воздуха, подаваемого на горелки зоны догрева. Маршрут прохождения проволоки
внутри патентировочной печи должен обеспечивать прямолинейность проволоки,
отсутствие перекрещивания и переплетения нитей проволок.
. Охлаждение проволоки в расплаве селитры
Охлаждение нагретой в печи проволоки осуществляется в
расплаве селитры, с целью получения требуемой микроструктуры металла,
необходимой для обеспечения последующего волочения. Нагрев и поддержание
заданной температуры расплава селитры осуществляется тепловыми
электронагревателями, а также за счет тепла, вносимого проволокой из печи.
Прохождение проволоки в охлаждающей ванне с расплавом селитры должно
обеспечивать одинаковое расстояние между нитями проволоки, прямолинейность
проволоки и отсутствие касания нитей между собой.
5. Охлаждение и промывка проволоки после ванны с расплавом
селитры
После выхода из ванны с расплавом селитры проволока
охлаждается и промывается в двух последовательно расположенных ваннах для
удаления с её поверхности остатков селитры. Далее проволока поступает в ванну
химического травления.
. Химическое травление
Снятие окалины, загрязнений и подготовка поверхности
проволоки перед нанесением покрытия осуществляется химическим травлением в
растворе серной кислоты. Для интенсификации процесса травления травильный
раствор подогревается паром, проходящим через теплообменники.
. Нанесение покрытий
Фосфатирование заготовки производится с целью образования на
её поверхности подсмазочного слоя (для процесса мокрого волочения), состоящего
из фосфатов цинка и железа. Фосфатирование проволоки производится в переливной
ванне. Нити проволоки должны быть полностью погружены в раствор фосфатирования.
Известкование фосфатированной заготовки производится с целью
нейтрализации остатков кислоты на поверхности проволоки и нанесения
дополнительного подсмазочного слоя для улучшения процесса мокрого волочения.
Бурирование заготовки производится для нейтрализации остатков
кислоты на поверхности проволоки и для создания подсмазочного слоя, являющегося
наполнителем и закрепителем смазки при сухом волочении проволоки, для
обеспечения снижения трения при протяжке и предотвращение прилипания металла к
поверхности рабочей зоны волоки.
. Сушка проволоки
Сушка проволоки является завершающей операцией подготовки
поверхности проволоки к среднему и тонкому волочению. Сушило предназначено для
удаления остатков влаги с движущейся проволоки перед намоточным аппаратом для
предотвращения ее ржавления. Сушка проволоки осуществляется в протяжных
электрических сушилах горячим воздухом.
. Намотка проволоки
Намоточное устройство предназначено для протяжки стальной
проволоки через все стадии процесса патентирования и подготовки поверхности к
волочению и намотки патентированной проволоки на металлические технологические
катушки.
Намотка заготовки производится на катушки ёмкостью 1000 кг.
На вытяжном барабане должно быть не менее двух витков проволоки.
Проскальзывание проволоки недопустимо. Намотка проволоки регулируется так,
чтобы обеспечить равномерное распределение проволоки ровными рядами по всей
ширине катушки. Не допускается перепутывания витков и образования выпуклостей и
впадин.
Далее готовая проволока проходит визуальный осмотр на наличие
дефектов и поступает в отсек отгрузки потребителю.
1.2 Общая характеристика технологического
процесса нагрева проволоки в термотравильном агрегате ТТА №3. Задачи
автоматизации термотравильного агрегата
Основными задачами автоматизации являются повышение
эффективности производственного процесса и его безопасности.
В производственном цехе №1 ООО «Спецтехнологии» установлена
безмуфельная печь, предназначенная для малоокислительного нагрева проволоки
диаметром 0,8…2,1 мм и установлена в поточном агрегате №3.
По конструкции печь представляет собой туннель, выложенный из
огнеупорного материала и заключенный в прочный газоплотный металлический
каркас. Свод печи уплотнен металлическими съемными щитками, уложенными в
песочные затворы. Вся печь установлена на ножках и находится выше уровня пола
на 500 мм, что позволяет расположить воздуховоды под печью.
Через щель одновременно протягивается до 24-х ниток
проволоки. Для равномерного размещения проволоки по ширине рабочего
пространства и облегчения ее заправки, под печи выложен огнеупор в виде 12
каналов. В каждом канале располагается по 2 нитки проволоки.
Проволока нагревается непосредственно продуктами сгорания
природного газа.
Рабочая камера печи по длине условно разделена на 2 тепловые
зоны: зону нагрева и зону догрева.
Совмещенный процесс термической обработки и подготовки
поверхности проволоки к волочению включает в себя следующие операции:
размотку проволоки с катушек;
нагрев проволоки в печи:
охлаждение проволоки в расплаве селитры (патентирование);
охлаждение проволоки на воздухе;
промывка проволоки в ванне с проточной водой;
травление проволоки в растворе серной кислоты;
промывка проволоки в ванне с проточной водой;
бурирование или фосфатирование (в зависимости от назначения
проволоки);
промывка проволоки после фосфатирования;
нейтрализация остатков кислоты с поверхности проволоки в
растворе извести после фосфатирования и нанесение подсмазочного слоя извести;
сушка проволоки;
намотка проволоки на катушки.
В зоне нагрева проволока нагревается от 20°С до 600…650°С в
окислительной атмосфере, образующейся при дожигании продуктов неполного горения
(полугаза), поступающего из зоны догрева.
В зоне догрева при температуре 950…1050°С происходит
окончательный нагрев проволоки до рабочей температуры 900…920°С и выдержка ее
при этой температуре. В этой зоне производится сжигание природного газа с
расходом воздуха, что обеспечивает предохранение поверхности проволоки от
окисления. В зону нагрева природный газ не подается. Для отопления зоны догрева
применяется природный газ.
Продукты неполного сгорания из зоны догрева поступают в зону
нагрева, где дожигаются и разбавляются до необходимой в этой зоне температуры
посредством подачи в подсводовое пространство холодного воздуха. Холодный
воздух подается в зону нагрева через 6 сопел диаметром 50 мм, равномерно
расположенных по ширине печи.
Из зоны нагрева дымовые газы поступают в
радиационно-конвективный рекуператор, служащий для нагрева вентиляторного
воздуха, подаваемого на горелки зоны догрева. Дымовые газы из рекуператора
через дымовую трубу выбрасываются в атмосферу.
Для поддержания и регулирования необходимого давления в
рабочем пространстве печи в дымовой трубе после конвективной ступени
рекуператора смонтирован поворотный шибер.
Применение радиационно-конвективного рекуператора,
обеспечивает нагрев вентиляторного воздуха до 400…500°С, что необходимо для
печей малоокислительного нагрева.
Кроме того, наряду с высоким тепловым КПД, такой
комбинированный рекуператор имеет ряд преимуществ: газоплотность,
жаростойкость, компактность.
Это дало возможность отказаться от традиционного расположения
дымового канала под печью и установки рекуператора сбоку печи и позволило
поместить рекуператор над печью, а трубопроводы горячего воздуха проложить под
печью и сократить габариты печи.
Проволока перед печью располагается в катушках на размоточных
устройствах, проходит печь развернутой нитью, попадает в селитровую ванну
длиной 8000 мм, проходит через промывочную ванну, затем ванну травления, где
травится кислотой при температуре 78…80°С, снова в ванну промывки, далее в
ванну бурирования, после чего она охлаждается в струях холодной воды, сушится в
электросушилке и наматывается на катушки намоточного аппарата ВСП 7/600.
1.3 Описание функциональной схемы автоматизации
термотравильного агрегата ТТА №3
Данной схемой предусмотрен контроль и регулирование следующих
технологических параметров:
контроль температуры отходящих газов осуществляется с помощью
термоэлектрического преобразователя температуры ТХК. Сигнал с датчика
передается на микропроцессорный контроллер Simatic S7-300;
регулирование соотношения «газ-воздух» осуществляется путем
изменения расхода горячего воздуха и расхода газа. Для измерения расхода
применяют датчик Метран-100ДД. Сигнал с датчика передается на микропроцессорный
контролер Simatic S7-300;
регулирование температуры зоны нагрева осуществляется путем
изменения расхода холодного воздуха, подаваемого в подсводовое пространство
печи. Для измерения температуры применяют термоэлектрический преобразователь
ТПР. Сигнал с датчика передается на микропроцессорный контроллер Simatic
S7-300;
регулирование температуры в зоне догрева, осуществляется
путем изменения расхода газа и горячего воздуха. Для измерения температуры
применяют термоэлектрический преобразователь ТПР. Сигнал с датчика передается
на микропроцессорный контроллер Simatic S7-300;
контроль расхода холодного воздуха осуществляется с помощью
датчика Метран-100ДД. Сигнал с датчика передается на микропроцессорный
контроллер Simatic S7-300;
контроль температуры селитровой ванны, ванны травления и
ванны фосфатирования осуществляется с помощью термоэлектрического
преобразователя ТХК. Сигнал с датчика передается на микропроцессорный
контроллер Simatic S7-300;
контроль температуры электросушилки осуществляется с помощью
термоэлектрического преобразователя температуры ТХК. Сигнал с датчика
передается на микропроцессорный контроллер Simatic S7-300;
регулирование давления газа в левом и правом коллекторе. Для
измерения давления применяют датчик Метран-100ДД. Сигнал с датчика передается
на микропроцессорный контроллер Simatic S7-300;
регулирование давления воздуха в левом и правом коллекторе.
Для измерения давления применяют датчик Метран-100ДД. Сигнал с датчика
поступает на микропроцессорный контроллер Simatic S7-300;
регулирование давления воздуха и газа перед печью. Для
измерения давления применяют датчик Метран-100ДД. Сигнал с датчика передается
на микропроцессорный контроллер Simatic S7-300.
.4 Принципы выбора типовых элементов САУ
На основании эскизного проекта и разработанной функциональной
схемы автоматизации производиться выбор технических средств, для проектируемой
системы управления процессом. Правильный выбор технических средств
автоматизации являются непременным условием эффективного и надежного
функционирования системы, залогом ее минимальной стоимости и безопасности для
персонала и окружающей среды.
Конкретные типы средств автоматизации выбирают с учетом
особенностей технологического процесса и его параметров.
В первую очередь принимают во внимание такие факторы, как
пожар и взрывоопасность, агрессивность и токсичность среды, число параметров,
участвующих в управлении, и их физико-химических свойствах, дальность передачи
сигналов информации и управления, требуемые точность и быстродействие. Эти
факторы определяют выбор методов измерения технологических параметров,
требуемые функциональные возможности регуляторов и приборов (законы
регулирования, показания, запись и т.д.), диапазоны измерения, классы точности,
вид дистанционной передачи и т.д.
Конкретные приборы и средства автоматизации следует подбирать
по справочной литературе, исходя из следующих соображений:
для контроля и регулирования одинаковых параметров
технологического процесса необходимо применять однотипные средства автоматизации,
выпускаемые серийно. При этом нужно отдавать предпочтения приборам и средствам
автоматизации Государственной системы промышленных приборов(ГСП);
при большом числе одинаковых параметров рекомендуется
применять многоточечные приборы;
при автоматизации сложных технологических процессов
необходимо использовать вычислительные и управляющие машины;
класс точности приборов должен соответствовать
технологическим требованиям;
для автоматизации технологических аппаратов с агрессивными
средами необходимо предусматривать установку специальных приборов, а в случае
применения приборов в нормальном исполнении нужно защищать их.
Выбирая тот или иной прибор по функциональному признаку,
необходимо простоту и дешевизну аппаратуры сочетать с требованиями контроля и
регулирования данного параметра. Наиболее важные параметры следует
контролировать самопищущими приборами, более сложными и дорогими, чем
показывающие приборы. Регулируемые параметры технологического процесса
необходимо, как правило также контролировать самопищущими приборами, что имеет
значения для корректировки настройки регуляторов.
Выбирая датчики и вторичные приборы для совместной работы,
следует обращать внимание на согласование выходного сигнала датчика и выходного
сигнала вторичного прибора.
При выборе датчиков и приборов следует обращать внимание не
только на класс точности, но и на диапазон измерения. Следует помнить, что
номинальное значение параметра должны находиться в последней трети диапазона
измерения датчика и прибора. При невыполнении этого условия относительная
погрешность измерения параметра значительно превысит относительную приведенную
погрешность датчика или прибора. Таким образом, не следует выбирать диапазон
измерения с большим запасом (достаточно иметь верхний предел измерения, не
более чем на 25% привыкающий номинальное значение параметра).
Выбор
регулирующего органа
Регулирующие органы служат для регулирования расхода вещества
(или энергии) с целью поддержания заданного значения регулируемой величины в
управляемом объекте.
Основными параметрами, определяющими выбор регулирующих
органов, являются: условное или рабочее давление; условный проход; определяющий
необходимую пропускную способность клапана; пропускная (расходная)
характеристика, выражающая зависимость относительной пропускной способности от
относительного хода штока регулируемого органа; величина негерметичности
(допустимый начальный пропуск при полном закрытии клапана).
Различают дозирующие и дроссельные РО. К
дозирующим относятся такие устройства, которые изменяют расход вещества за счёт
изменения производительности агрегатов (дозаторы, питатели, насосы,
компрессоры, плужковые сбрасыватели и др.). Дроссельный РО представляет собой
переменное гидравлическое сопротивление, изменяющее расход вещества за счёт
изменения своего проходного сечения; к ним относятся регулирующие клапаны,
поворотные заслонки, шиберы и краны. РО характеризуется многими параметрами,
основными из которых являются пропускная способность и условная пропускная
способность, условное и рабочее давление, перепад давления на РО и условный
проход.
Пропускной способностью Кu
называется расход жидкости с плотностью 1000 кг/м3, пропускаемой РО
при перепаде давления на нём 105 Па. - размерность - (м3/ч).
Условной пропускной способностью Кuу называется
номинальное значение пропускной способности РО при максимальном (условном) ходе
затвора, выраженное (м3/ч). Она зависит от типа РО и размера его
условного прохода ДУ.
Условное давление РУ - это
наибольшее допустимое давление среды на РО при нормальной температуре.
Условным проходом ДУ в РО
называется номинальный диаметр прохода в присоединительных патрубках.
Максимальное рабочее давление - это
наибольшее установленное давление среды на РО при фактической температуре.
Разрешается превышение фактического рабочего давления на 5% сверх
установленного для заданной температуры.
Расход вещества определяется не только конструктивной
характеристикой регулирующего органа, он также зависит от свойств вещества
(вязкости, плотности и т.п.) и от условий, в которых работает регулирующий
орган.
Выбор
исполнительного механизма
Исполнительный механизм, работающий в системе автоматического
регулирования, должен не только совершать работу по перемещению регулирующего
органа, но и обеспечивать это перемещение с возможно меньшими искажениями
законов регулирования, формируемых регулирующим устройством.
По виду потребляемой энергии все
исполнительные механизмы можно разделить на следующие группы:
электрические, - пневматические, -
гидравлические. Одним из основных требований, предъявляемых ко многим исполнительным
механизмам, является обеспечение быстродействия и необходимой точности. К
исполнительным механизмам предъявляется также ряд требований конструктивного,
эксплуатационного и экономического характера. Они выражаются в следующем:
исполнительный механизм должен иметь
минимальные габариты и вес, быть конструктивно простым, обладать высокой
надёжностью, а также обеспечивать плавность и равномерность движения приводного
механизма;
исполнительный механизм должен быть
безопасен в эксплуатации, устойчив в работе, обеспечивать постоянство скорости
перемещения регулирующего органа, а также возможность регулирования скорости и
крутящего момента;
исполнительный механизм должен иметь
устройство защиты для предохранения регулирующего органа от перегрузок и
поломок, а также систему ручного управления на случай возможных отказов в схеме
управления приводом при нарушении энергоснабжения.
Основными показателями исполнительных
механизмов являются:
номинальные значения вращающего момента на
выходном валу исполнительного механизма или усилия на его выходном штоке;
максимальное значение вращающего значения
на выходном валу исполнительного механизма или усилия на выходном штоке.
постоянная времени - этот показатель
определяет величину быстродействия исполнительного механизма в системе
автоматического регулирования;
время оборота выходного вала
исполнительного механизма или хода его штока.
Помимо вышеперечисленных показателей, для всех исполнительных
механизмов одними из важнейших показателей являются их различные динамические и
статические характеристики. Знание этих показателей позволяет осуществить
правильный выбор исполнительного механизма для конкретных систем регулирования
и управления.
Выбор
сужающего устройства
Для измерения расходов газов и жидкостей, широко применяют сужающие
устройства (диафрагмы, сопла, трубы и сопла Вентури). Сужающие устройства для
измерения расхода коксового и доменного газа, воды и воздуха, выполняют из
стали 1Х13 или 1Х18Н9Т; для измерения агрессивных жидкостей и газов - из
высоколегированных сталей, латуни, бронзы в зависимости от свойств измеряемой
среды.
Нормальные диафрагмы применяют для круглых трубопроводов
диаметром не менее 50 мм. По конструкции диафрагмы бывают камерными и
бескамерными.
При использовании камерных диафрагм, обеспечивается выравнивание
давлений, до и после диафрагмы. Отбор давления производят через кольцевые
камеры.
При использовании бескамерных диафрагм, импульсы давлений
отбирают до и после диафрагмы через просверленные во фланцах и трубопроводах
отверстиях.
Нормальные сопла применяют в трубопроводах диаметром не менее
50 мм. Отбор давления производят через кольцевые камеры или отдельные
отверстия.
Длинное и короткое нормальное сопла Вентури используют в
трубопроводах диаметром не менее 20 мм. Отбор давлений производят через
кольцевые камеры. Длинная и короткая нормальная труба Вентури, устанавливается
в трубопроводах диаметром 100-800 мм. Отбор давления производят через кольцевые
камеры.
Вывод: в теоретической части дипломного проекта для
разработки САУ управления подачей воздуха в термотравильный агрегат, рассмотрен
технологический процесс нагрева проволоки в термотравильном агрегате, приведено
описание функциональной схемы автоматизации термотравильного агрегата, а так же
приведено теоретическое обоснование к выбору типовых элементов (типовых
элементов, регулирующего органа, исполнительного механизма, сужающего
устройства). Таким образом для выполнения практической части курсового проекта
имеются все необходимые теоретические данные.
2. Расчетное обоснование выбора элементов
автоматики разрабатываемой системы управления подачей воздуха в термотравильный
агрегат
.1
Выбор типовых элементов, входящих в разрабатываемую систему управления подачей
воздуха
Выбор первичного датчика
Для регулирования расхода, в системах автоматизации применяют
различные расходомеры. Рассмотрим расходомер Метран-100ДД и Метран 43 Ф-ДД.
Первичный преобразователь Метран-100ДД
Назначение
Датчики давления Метран-100 предназначены для работы в
системах автоматического контроля, регулирования и управления технологическими
процессами и обеспечивают непрерывное преобразование измеряемых величин -
давления избыточного, абсолютного, разрежения, давления - разрежения, разности
давлений, гидростатического давления нейтральных и агрессивных сред в
унифицированный токовый выходной сигнал дистанционной передачи.
Технические характеристики
Измеряемые среды: жидкости, пар, газ, в т.ч. газообразный
кислород и кислородосодержащие газовые смеси.
Диапазоны измеряемых давлений:
минимальный 0-0,04 кПа;
максимальный 0-100 МПа.
Основная погрешность измерений: до ±0,1% от диапазона.
Диапазон перенастроек пределов измерений: до 25:1.
Устройство и работа датчика
Датчик состоит из преобразователя давления (в дальнейшем
сенсорный блок) и электронного преобразователя. Датчики имеют унифицированный
электронный преобразователь. Измеряемая входная величина подается в камеру
сенсорного блока и преобразуется в деформацию чувствительного элемента
(тензопреобразователя), вызывая при этом изменение электрического сопротивления
его тензорезисторов. Электронный преобразователь датчика преобразует это
изменение сопротивления в токовый выходной сигнал. Чувствительным элементом
тензопреобразователя является пластина из монокристаллического сапфира с
кремниевыми пленочными тензорезисторами, прочно соединенная с металлической
мембраной тензопреобразователя.
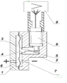
1-фланец, 2-корпус, 3-мембрана, 4-жесткий центр, 5-тяга, 7,6
- камеры,
-тензопреобразователь, 9-электронный преобразователь.
Первичный преобразователь Метран-43-ФДД
Назначение
Предназначен для непрерывного преобразования разности
давлений в стандартный токовый выходной сигнал в системах автоматического
контроля, регулирования и управления технологическими процессами.
Технические характеристики:
Питание 36 В постоянного тока
Условия эксплуатации -40…+600С
Погрешность измерения + 0,2; 0,25, 0,5%
Пределы измерения, МПа 1…630 КПа; Р допустимое избыточное
4…16 МПа
Форма представления информации выходные сигналы 0…5; 0…20,
4…20мА
Контролируемая среда газ, жидкость, пар
Устройство и работа датчика
Датчик состоит из преобразователя давления (в дальнейшем -
измерительный блок) и электронного преобразователя.
Датчики различных моделей имеют унифицированный электронный
преобразователь и отличаются лишь конструкцией измерительного блока.
В качестве чувствительного элемента в датчиках используются
тензопреобразователи.
1-фланец, 2-корпус, 3-мембрана, 4-жесткий центр,
5-электронный преобразователь, 6,7 - камеры, 8-рычаг тензопреобразователя,
9-тяга
Рисунок 2.2 - Устройство датчика
Измеряемый параметр воздействует на мембрану измерительного
блока и линейно преобразуется в деформацию чувствительного элемента, вызывая
при этом изменение электрического сопротивления тензорезисторов
тензопреобразователя, размещенного в измерительном блоке.
Электронный преобразователь датчика преобразует это изменение
сопротивления в токовый выходной сигнал.
Чувствительным элементом тензопреобразователя является
пластина монокристаллического сапфира с кремниевыми пленочными
тензорезисторами, прочно соединенная с металлической мембраной
тензопреобразователя.
Вывод: выбираем первичный датчик Метран-100ДД. Так как данный
датчик обладает простой конструкцией и широким диапазоном измерения и меньшей
стоимостью.
Выбор
регулирующего устройства
Контроллер Simatic S7-400
Назначение
Программируемые логические контроллеры (ПЛК) Siemens Simatic
S7-400 - это модульные контроллеры высшего класса для решения задач
автоматического управления и построения систем автоматизации среднего и
высокого уровня сложности.
Устройство прибора
Система автоматизации S7-400 имеет модульную конструкцию. Она
может комплектоваться широким спектром модулей, устанавливаемых в монтажных
стойках в любом порядке. Система включает в свой состав:
Модули блоков питания (PS): используются для подключения
SIMATIC S7-400 к источникам питания =24/ 48/ 60/ 120/ 230В или ~120/ 230В.
Модули центральных процессоров (CPU): в составе контроллера могут
использоваться центральные процессоры различной производительности. Все
центральные процессоры оснащены встроенными интерфейсами PROFIBUS-DP. При
необходимости, в базовом блоке контроллера может быть использовано до 4
центральных процессоров.
Сигнальные модули (SM): для ввода-вывода дискретных и
аналоговых сигналов.
Коммуникационные модули (CP): для организации
последовательной передачи данных по PtP интерфейсу, а также сетевого обмена
данными.
Функциональные модули (FM): для решения специальных задач
управления, к которым можно отнести счет, позиционирование, автоматическое
регулирование и т.д.
При необходимости в составе S7-400 могут быть использованы:
Интерфейсные модули (IM): для связи базового блока
контроллера со стойками расширения. К одному базовому блоку контроллера SIMATIC
S7-400 может подключаться до 21 стойки расширения.
Простота конструкции S7-400 существенно повышает его
эксплуатационные характеристики:
Простота установки модулей. Модули устанавливаются в
свободные разъемы монтажных стоек в произвольном порядке и фиксируются в рабочих
положениях винтами. Фиксированные места занимают только блоки питания, первый
центральный процессор и некоторые интерфейсные модули.
Контроллер Simatic S7-300
Назначение-300 находит применение для автоматизации машин
специального назначения, оборудования для производства технических средств
управления и электротехнического оборудования.
Устройство прибора
Программируемые контроллеры S7-300 могут включать в свой
состав:
Модуль центрального процессора (CPU).
Блоки питания (PS) для питания контроллера от сети
переменного или постоянного тока.
Сигнальные модули (SM), предназначенные для ввода и вывода
дискретных и аналоговых сигналов.
Коммуникационные процессоры (CP) - интеллектуальные модули,
выполняющие автономную обработку коммуникационных задач в промышленных сетях
связи. Для организации модемной связи в составе S7-300 могут использоваться
коммуникационные модули семейства SINAUT ST7.
Функциональные модули (FM) - интеллектуальные модули,
оснащенные встроенным микропроцессором и способные выполнять задачи
автоматического регулирования, взвешивания, позиционирования, скоростного
счета, управления перемещением и т.д. Целый ряд функциональных модулей способен
продолжать выполнение возложенных на них задач даже в случае остановки
центрального процессора.
Интерфейсные модули (IM) для подключения стоек расширения к
базовому блоку контроллера, что позволяет использовать в системе локального
ввода-вывода до 32 модулей различного назначения.
Вывод: Среди рассмотренных контроллеров выбираем Simatic S7-300, т.к. контроллер
предназначен для построения систем автоматизации низкой степени сложности
обладает меньшим количеством входов, что наиболее оптимально подходит для САУ
подачей воздуха в термотравильный агрегат. Кроме того контроллер имеет меньшую
цену и обладает простотой конструкции
Выбор
усилителя
Пускатель ПБР-2М
Назначение
Пускатель предназначен для бесконтактного управления
электрическим исполнительным механизмом с однофазным конденсаторным
электродвигателем.
Техническая характеристика
Входной сигнал 24В постоянного пульсирующего тока или
замыкание ключей;
Входное сопротивление пускателя 750 Ом;
Максимальный коммутируемый ток 4А;
Быстродействие (время запаздывания выходного тока при подаче
и снятии управляющего сигнала) 25 мс;
Разница между длительностями входного и выходного сигналов не
более 20 мс;
Напряжение источника питания цепей управления 22-26В
Электрическое питание 220В, 50 Гц;
Потребляемая мощность 7 Вт;
Устройство и работа прибора
Пускатель состоит из платы, кожуха и передней панели.
На передней панели расположены две клеммные колодки для
подключения пускателя к внешним цепям, а также винт заземления. Клеммные
колодки закрываются крышками. На плате устанавливаются элементы схемы
пускателя. Плата вставляется в кожух и закрепляется двумя винтами.
Пускатель рассчитан на установку на вертикальной или
горизонтальной плоскости. Положение в пространстве - любое.
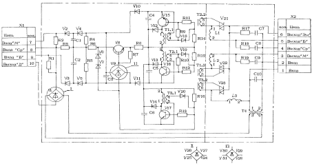
Рисунок 2.3 - Схема электрическая принципиальная пускателя
ПБР-2М
В схеме управления резисторы R1, R2 задают входное
сопротивление пускателя при малом уровне входного сигнала. Резистор R3
ограничивает бросок входного тока при подаче сигнала управления на вход
пускателя. Конденсаторы C1, C2 и диоды V2, V3 сглаживают пульсацию управляющего
сигнала. Транзистор V8, резисторы R4, R5 и выпрямительный мост V9 исключают
включение блокинг-генераторов при подаче сигнала управления на оба входа.
Стабилитроны V6, V7 предназначены для защиты транзистора V8
от пробоя при перегрузке пускателя по входному сигналу.
Блокинг-генераторы, формирующие импульсы управления триаками,
состоят из транзисторов V15 - V17 [V15, V16], диодов V12 - V14 [V10 - V13], V18
- V20 [V18, V19], трансформаторов Т1 - Т3 [T1, Т2], конденсаторов С4 - С6 [C4,
С3], резисторов R8 - R16.
В силовой схеме триаки V21 - V23 [V21, V22] коммутируют
напряжение, от которого осуществляется электрическое питание механизма, а
конденсаторы С7 - С9 [С8, С9] и резисторы R17 - R19 [R18, R19] улучшают условия
коммутации. Дроссели L1 - L3 [L1, L2] ограничивают величину ударного тока при
аварийных перегрузках триаков.
Источник питания цепи дистанционного управления состоит из
трансформатора Т4 и выпрямительного моста В1. Вывод источника с отрицательным
потенциалом соединен с клеммой 10 (выход «Д»), а с положительным - с клеммой 8
(выход «Ср»).
Входной сигнал управления пускателем - постоянное напряжение
(24±6) В-подается на клеммы 8-7 или 8-9. На клемму 8 (вход «Ср») подается
положительный потенциал, на клеммы 7 (вход «М») или 9 (вход «Б») -
отрицательный потенциал сигнала управления.
Обозначения «М» (меньше) и «Б» (больше) приняты условно.
В исходном состоянии (входные сигналы отсутствуют) напряжения
питания на схеме управления нет, триаки закрыты.
Напряжение с конденсатора С3 через выпрямительный мост V9
подается на вход эмиттерного повторителя, выполненного на транзисторе V8.
Напряжение с выхода эмиттерного повторителя подается на
блокинг-генераторы, выполненные на транзисторах V15 (V16), V17 [V15 (V16)] и
трансформаторах T1 (T2), Т3 [T1 (T2)]. Блокинг-генераторы формируют импульсы,
отпирающие триаки V22, V21 и V23 [V22 (V21)]. Питающее напряжение с клеммы 1
через открытые триаки V23, V22 (V21) [V22 (V21)] подается на выход пускателя
клемму 3 (5).
Пускатель ПБР 3А
Назначение
Пускатель ПБР-3А обеспечивает пуск и реверс, защиту
трехфазного электродвигателя с короткозамкнутым ротором от перегрузки.
Техническая характеристика
Входной сигнал 24В постоянного тока;
Входное сопротивление пускателя 750 Ом;
Максимальный коммутируемый ток 3А;
Разница между длительностями входного и выходного сигналов не
более 20 мс;
Напряжение источника питания цепей управления 22-26В
Электрическое питание 380В, 50 Гц;
Потребляемая мощность 5 Вт;
Устройство и работа прибора
Входным сигналом пускателя является напряжение отрицательной
полярности, подаваемого на вход.
Для осуществления управления пускателем с помощью ключей в
пускателе имеется источник напряжения, положительный потенциал которого выведен
на одну клемму, отрицательный - на другую.
С помощью ключей контакт подключается к входу пускателя. В
исходном состоянии (входные сигналы отсутствуют) напряжение на эмиттере
транзистора меньше напряжения включения за счет малой величины сопротивление
резисторов уменьшающих напряжение на эмиттере через положительный вывод
выпрямительного моста. В связи с этим транзисторы и закрыты управляющих
импульсов на трансформаторах нет. Триаки закрыты. Напряжение на выходе
отсутствует.
При подаче управляющего напряжения на клеммы происходит заряд
конденсаторов, выполняющие функции фильтров и элементов схемы задержки на
реверсе. Протекание тока через резисторы, отрицательный вывод выпрямительного
моста и диод приводит к увеличению падения напряжения на резисторах и открытие
диода отрицательного вывода выпрямительного моста. В результате этого на базе
транзистора напряжение уменьшается, происходит заряд конденсаторов и увеличение
напряжения на базе транзистора и эмиттере транзистора относительно базы
транзистора. При достижении напряжения на эмиттере транзистора, транзистор
открывается и конденсатор разрежается по цепи: резистор, переход база -
эмиттер, транзистор, диод, переход эмиттер - база транзистора, и отрицательной
вывод выпрямительного моста.
Ток разряда конденсатора, протекающий через базу транзистора,
усиливается им в трансформаторе и формулируется импульс, отпирающий триаки.
Процесс заряд-разряд конденсатора повторяется периодически и прекращается
только после снятие входного напряжения.
Триаки силовой цепи служат для подачи напряжения на
электродвигатель. Конденсатор и резисторы предназначены для улучшения условий
коммутации триаков.
Пускатель защищен от одновременного отпирания триаков,
вызванного подачей напряжения на оба входа, или быстрым реверсом напряжения
управления. Пускатель ПБР-3А содержит схему защиты электродвигателя от
перегрузки. Схема защиты обеспечивает отключение электродвигателя механизма при
выходе выходного органа механизма на упор, либо в промежуточном положении.
Входной сигнал схемы защиты - ток электродвигателя.
Выходное напряжение трансформаторов тока через выпрямительный
мост и резистор подается на конденсатор. Если конденсатор зарядится до
напряжения отпирания транзистора, то транзистор откроется, уменьшит потенциал
эмиттера транзистора (при практически постоянном напряжении на базе этого
транзистора). Транзистор откроется и зашунтирует цепь питания эмиттера
транзистора, формулирование импульсов прекратится. В таком положении схема
остается до снятия входного напряжения со входа пускателя.
Вывод: среди рассмотренных пускателей выбираем пускатель
ПБР-2М, так как он управляет электрическими исполнительными механизмами, в
приводе которых используются однофазные конденсаторные электродвигатели.
Выбор
блока ручного управления
Блок ручного управления БРУ-32
Назначение
Блок ручного управления БРУ-32 предназначен для выполнения
следующих функций в системах автоматического управления различными
технологическими процессами:
ручное или дистанционное переключение цепей автоматического и
ручного управления;
кнопочное управление интегрирующим исполнительным устройством
при ручном режиме управления;
формирование импульсов с регулируемой скважностью для
управления интегрирующим исполнительным устройством;
индикация положения выходного вала электрического
исполнительного механизма на цифровом индикаторе;
световая индикация выходного сигнала регулирующего устройства
с импульсным выходным сигналом;
световая индикация о срабатывании конечных выключателей в
крайних положениях выходного вала исполнительного механизма.
Блок предназначен для эксплуатации в следующих условиях:
температура окружающего воздуха от 5 ºС до 50 ˚С;
относительная влажность воздуха до 80% при температуре 25 ˚С;
вибрация частотой до 25 Гц и амплитудой до 0,1 мм;
магнитные поля постоянные или переменные частотой 50 Гц напряженностью
до 400 А/м.
Обозначение блока при заказе и в документации другой
продукции, в которой он может быть применен, должно содержать запись о
принадлежности к изделиям ГСП, наименование, условное обозначение, обозначение
технических условий.
Технические характеристики
Входные аналоговые сигналы цифрового индикатора:
постоянный ток от 0 до 5 мА, входное сопротивление не более
400 Ом;
постоянный ток от 0 (4) до 20 мА, входное сопротивление не
более 100 Ом;
напряжение постоянного тока от 0 до 10 В, входное
сопротивление не менее 10 кОм.
Количество входов 1.
2.2
Выбор сужающего устройства
Лист исходных данных
. Общие исходные данные
цех: ООО «Спецтехнологии»;
агрегат: термотравильный агрегат №3;
объект измерения: трубопровод воздуха;
среднее барометрическое давления местности, Рб=101,325
кПа;
. Трубопровод
). Определяем внутренний диаметр трубопровода
(2.1)
где V - допустимая скорость вещества в трубопроводе; м/с
Qmax - максимальный расход вещества; м3/ч
мм
) По ряду стандартных значений принимаем Д20=150 мм,
материал: 1Х18Н9Т
. Характеристика измеряемой среды:
наименование: воздух;
расход вещества в рабочих условиях: Qmax=600 м3/ч
средний расход воздуха Qср, м3/ч
(2.2)
Qср=(300-400) м3/ч; принимаем Qср=350 м3/ч
минимальный расход воздуха
(2.3)
Qmin=(150-199,88) м3/ч; принимаем Qmin=175 м3/ч
средняя температура t=20 0С;
среднее избыточное давление Ри=90 кПа;
- допустимая потеря давления Рпд’=(0,2-0,4) Ри
(2.4)
средний химический состав воздуха составляет 100%;
- относительная объемная влажность воздуха,
= 60-80%.
Расчетный лист
. Сужающее устройство
а) тип: стандартная камерная диафрагма;
б) материал диафрагмы: сталь 1Х19Н9Т;
в) поправочный коэффициент на тепловое расширение, Kt’=1
. Трубопровод
а) поправочный коэффициент на тепловое расширение, Kt»=Kt’=1;
б) внутренний диаметр, Д=Д20·Kt» (2.5)
Д=150·1=150 мм
. Измеряемая среда
а) наименование: воздух
б) расчетный максимальный расход, Qнп=6,3·102 м3/ч
в) квадрат отношения расходов, п
(2.6)
г) среднее абсолютное давление
Р=Ри+Рб (2.7)
Р=90+101,325=191,325 кПа
д) средняя абсолютная температура,
Т=t+2730С (2.8)
Т=200С +2730С =2930С
е) расчетная допустимая потеря давления
(2.9)
ж) плотность воздуха в нормальных условиях
рн=1,205 кг/м3
з) максимально возможная плотность водяного пара при t=200С
рвпм=0,01729 кг/м3
и) максимально возможное давление водяного пара при t=200С
Рвпм=2,333 кг/м3
к) относительная влажность в долях единицы:
л) коэффициент сжимаемости К=1
м) промежуточная величина Z для определения р
Z=1,02·10-5(Р-Рвпм)/Т·К (2.10)
Z=1,02·10-5(191325-0,8·2,333)/293·1=0,0066
н) плотность сухой части воздуха в рабочем состоянии
рсч=283,6·рн·Z (2.11)
рсч=283,6·1,205·0,0066=2,2554 кг/м3
о) плотность влажного воздуха в рабочем состоянии
р=рсч+
·рвпм (2.12)
р=2,2554+0,8·0,01729=2,2692 кг/м3
п) показатель для адиабаты: c=1,4
р) динамическая вязкость
=2·(1,18-1,03)/5=0,06·10-5 Па
. Контрольно-измерительный прибор - Метран-100, тип: ДД
Выбор перепада давления и модуля диафрагмы
). Промежуточная величина, С
(2.13)
). Предварительное значение предельного перепада Метрана-100, и
модуля диафрагмы,
Рн’=25 кПа;
m=0,10
). Число Рейнольдса, Re
(2.14)
(2.15)
(2.16)
Reгр=0,10·10-3
4). Заключение по числу Рейнольдса
Reср>Reгр, поэтому расход по всему диапазону измеряют не
учитывая поправки на вязкость.
). Максимальный перепад в сужающем устройстве
Р=
Рн=25 кПа
). Промежуточное значение отношения,
(2.17)
Значение множителя 
Соответствующие значения
и
;
) Уточненное значение модуля m, m1
(2.19)
). Потеря давления в сужающем устройстве
(2.20)
Па
). Диаметр сужающего устройства
(2.21)
мм
d20=d/Kt» (2.22)
d20=113,2/1=113,2 мм
). Проверка расчета
а) коэффициент расхода
(2.23)
б)
(2.24)
в) погрешность расчета
(2.25)
%
%,
, т.е. условие по проверке расчета
выполняется.
Вывод: выбранная диафрагма с внутренним диаметром 113,2 мм
подходит для данного трубопровода диаметром 200 мм по всем параметрам, т.к.
создаваемый с помощью СУ перепад давления 25 кПа обеспечивает измерение расхода
воздуха 600 м3/ч в заданных условиях работы.
2.3 Расчет и выбор регулирующего органа
Исходные данные
агрегат: термотравильный агрегат.
регулируемая среда - воздух.
объемный расход - Qmax=600м3/ч.
избыточное давление в начале участка Ри,нач=90кПа.
избыточное давление в конце участка Ри, кон=56кПа.
плотность: r=1,205 кг/м3.
кинематическая вязкость: n=1,72·105 нс/м2.
Трубопровод имеет четыре поворота под углом 900 с
радиусом изгиба 0,7 м; на трубопроводе установлена запорная задвижка, одно
сужающее устройство.
. Суммарная длина трубопровода:
L=4+2+1+1+20+4· (2p/4) · 0,7=32,39 м (2.26)
2. Средняя скорость потока:
(2.27)
, м/c
. Потеря давления на прямых участках трубопровода:
DPпр
(2.28)
где l - коэффициент трения, определяется в зависимости
от числа Рейнольдса D/n
Число Рейнольдса при Qmax:
(2.29)
(2.30)
D/n=200/0,8=250
Тогда l=0,042
DР=
. Потери давления в местах сопротивления трубопровода:
DРм=(x90+xсу+xв+xро)·
(2.31)
DРм=(4∙0,66+1·0,66+0+2)∙
=0,00012, Мпа
5. Общие потери давления в линии:
DРл=DРпр+DРл (2.32)
DРл=0,00016+0,00012=0,00028, Мпа
. Определяем перепад давления в регулирующем органе:
DРроmax=DРсети-DРл (2.33)
DРсети=0,09-0,056=0,32, Мпа
DРроmax=0,034-0,00028=0,0337,
Мпа
. Уравнение для потока газа:
Кvmax=
(2.34)
Кvmax=
, м3/ч
. Выбираем регулирующий орган с условной пропускной способностью Кvy:
Кvy³1,2·Кvmax (2.35)
Кvy³42,6703, м3/ч
Вывод: выбираем односедельный регулирующий орган с условным
диаметром Dу=150
мм.
2.4
Расчет и выбор исполнительного механизма
Исходные данные:
Перепад давления - DРро=0,0337∙106Мпа.
Диаметр трубопровода 200 мм
Исполнительный механизм выбирают в зависимости от величины
усилия, необходимого для перестановки регулирующего органа.
М=К∙(m р+m т) (2.36)
где К=2¸3 - коэффициент, учитывающий затяжку сальников
Момент на валу исполнительного механизма должен быть равен
или больше момента, необходимого для вращения заслонки.
Реактивный момент, обусловленный стремлением потока закрыть
заслонку:
mр=0,07·DРро∙Dу3 (2.37)
где DРро - перепад давления;
Dy - условный диаметр
газопровода.
mр=0,07·0,0337∙106·0,23=18,
Нм
Момент трения в опорах:
mт=0,785∙ Dу2·Pи∙rш·l (2.38)
где rш =0,03 - радиус шейки;
l=0,15 - коэффициент трения в опорах
m т=0,785∙0,22·0,0337∙106·0,03∙0,15=4,
Нм
М=2·(18+4)=44, Нм.
Выбираем исполнительный механизм типа МЭО-4/100 с моментом на
валу 40 Нм, временем одного оборота 100 сек., угол поворота вала 2400,
напряжением питания 220 В.
2.5
Описание принципиальной электрической схемы
В дипломном проекте разработана принципиальная электрическая
схема контура регулирования расхода воздуха в термотравильном агрегате №3,
представленная на демонстрационном листе ДП.220703.15.15.ЭЗ. В состав данного
контура входят: датчик измерения расхода Метран-100ДД, микроконтроллер Simatic S7-300, блок ручного
управления БРУ-32, пускатель бесконтактный реверсивный ПБР-2М, исполнительный
механизм МЭО-4/100.
Для измерения расхода используется датчик Метран-100ДД.
Сигнал с датчика поступает на микропроцессорный контроллер Simatic S7-300.
В микропроцессорном контроллере Simatic S7-300 происходит
сравнение текущего значения расхода с заданным значением. Если эти значения
равны, то система регулирования в целом останется в «покое» до тех пор, пока не
изменится либо задание необходимое для изменения технологического режима, либо
отклонение контролируемого параметра в большую или меньшую сторону от
поддерживаемого значения. При неравенстве сигнала с датчика и сигнала задания
на контроллере формируется управляющее воздействие. Это воздействие передается
на пускатель бесконтактный реверсивный ПБР-2М, где усиливается для управления
исполнительным механизмом МЭО 4/100. Вращение электродвигателя выходного вала
исполнительного механизма в свою очередь перемещает регулирующий орган на
трубопроводе с подачей воздуха в сторону уменьшения сигнала рассогласования до
тех пор, пока действующее значение расхода не станет равным заданному.
Вывод: в практической части дипломного проекта для
микропроцессорной системы управления подачей воздуха в термотравильный агрегат
ТТА №3, выбраны типовые элементы: первичный датчик - Метран-100ДД,
микропроцессорный контроллер Simatic S7-300, пускатель ПБР - 2М.
По расчетным данным выбраны сужающее устройство - диафрагма
камерная, регулирующий орган с условным диаметром Dу=150 мм, исполнительный
электрический механизм МЭО 4/100, с моментом на валу 40 Нм, временем одного
оборота 100 сек., угол поворота вала 2400, напряжением питания 220В.
На основе выбранных элементов автоматики разработана принципиальная
электрическая схема САУ подачей воздуха на паровой котел в термотрвильный
агрегат ТТА №3.
Заключение
Согласно целям и задачам дипломного проекта, в пояснительной
записке раскрыты следующие вопросы:
Описан технологический процесс нагрева
проволоки, а также рассмотрена функциональная схема автоматизации
термотравильного агрегата.
Выбраны типовые элементы для САУ подачей
воздуха в термотравильный агрегат: первичный датчик Метран-100ДД,
микропроцессорный контроллер - Simatic S7-300, пускатель ПБР-2М.
По расчетным данным выбраны сужающее устройство - диафрагма
камерная, регулирующий орган с условным диаметром Dу=150 мм, исполнительный
электрический механизм МЭО 4/100, с моментом на валу 40 Нм, временем одного
оборота 100 сек., угол поворота вала 2400, напряжением питания 220В.
На основе выбранных элементов автоматики разработана принципиальная
электрическая схема САУ подачей воздуха на паровой котел в термотрвильный
агрегат ТТА №3.
В разделе «Охрана труда» рассмотрены опасные и вредные
производственные факторы в цехе, а также определены мероприятия по охране труда
при работе в электроустановках.
В организационно-экономической части выполнен расчет
капитальных и эксплуатационных затрат для САУ подачей воздуха в термотравильный
агрегат.
Цели и задачи дипломного проекта достигнуты.
Список
используемых источников
1.
Иванов, А.А. Автоматизация технологических процессов и производств: Учебное
пособие / А.А. Иванов. - М.: Форум, 2012. - 224 с.
.
Шишов, О.В. Технические средства автоматизации и управления: Учебное пособие /
О.В. Шишов. - М.: ИНФРА-М, 2012. - 397 с.
.
Пантелеев, В.Н. Основы автоматизации производства: Учебник для учреждений
начального профессионального образования / В.Н. Пантелеев, В.М.В.М. Прошин. -
М.: ИЦ Академия, 2013. - 208 с.
.
Кангин, В.В. Промышленные контроллеры в системах автоматизации технологических
процессов: Учебное пособие / В.В. Кангин. - Ст. Оскол: ТНТ, 2013 - 408 с.
.
Датчик давления Метран-100ДД. Руководство по эксплуатации. Челябинск 2005 - 53
с.
.
Датчик давления Метран-43. Руководство по эксплуатации. Челябинск 2007 - 53 с.
.
Ившин, В.П. Современная автоматика в системах управления технологическими
процессами./ В.П. Ившин, М.Ю. Перухин.-М.: ИНФРА-М, 2013 - 400 с.
.
Модульный программируемый контроллер Simatic S7-300. Руководство по
эксплуатации.
.
Модульный программируемый контроллер Simatic S7-400. Руководство по
эксплуатации.
.
Блоки ручного управления. Руководство по эксплуатации.
.
Пускатель бесконтактный реверсивный ПБР-2М. Руководство по эксплуатации.
.
Пускатель бесконтактный реверсивный ПБР-3А. Руководство по эксплуатации.