Разработка единого технологического процесса обработки детали типа втулка

  • Вид работы:
    Курсовая работа (т)
  • Предмет:
    Другое
  • Язык:
    Русский
    ,
    Формат файла:
    MS Word
    1,35 Мб
  • Опубликовано:
    2016-04-06
Вы можете узнать стоимость помощи в написании студенческой работы.
Помощь в написании работы, которую точно примут!

Разработка единого технологического процесса обработки детали типа втулка

Министерство образования и науки Российской Федерации

Национальный исследовательский

ИРКУТСКИЙ ГОСУДАРСТВЕННЫЙ ТЕХНИЧЕСКИЙ УНИВЕРСИТЕТ

Кафедра технологии машиностроения








Курсовой проект

по дисциплине «Технология машиностроения»

Тема курсового проекта

Разработка единого технологического процесса обработки детали типа втулка

Исходные данные:

Чертёж детали

Годовая программа: N =1500 шт.

Материал: Сталь 40

Твердость - HRC32…37

1. Выбор метода обработки элементарных поверхностей деталей

Назначение детали

Деталь “ Втулка” предназначена для соединения деталей .

Анализ технических требований

Деталь “ Втулка” . Деталь является технологичной. Наиболее трудоемкой операцией будет - токарная. Перепад размеров небольшой.

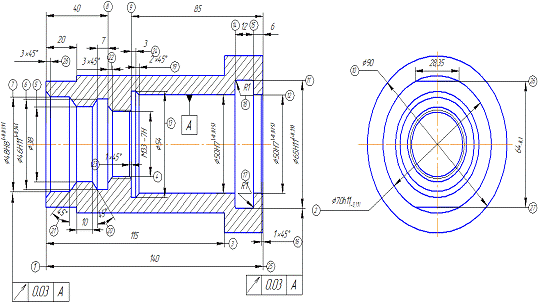
Основные размеры детали:

длина L = 140 мм

максимальный диаметр d = 90 мм

Рис.1 Обозначение поверхностей

Разработка маршрута изготовления детали

Заготовительная.

Штамповка заготовки

005 Токарная.

Переход 1.

Подрезка торца 25 черновое.

Точение поверхности 10 черновое.

Переход 2.

Растачивание поверхности 12 черновое и чистовое. Снятие фаски 16.

Растачивание поверхности 13 черновое, снятие фаски 19.

Переход 3.

Растачивание поверхности 11 черновое и чистовое.

Оборудование - токарный станок с ЧПУ 16К20ФЗС32, базирование в трекулачковом патроне по внешней поверхности 2 и по торцовой поверхности 1.

010 Токарная.

Переход 1.

Подрезка торца 1 черновое.

Переход 2.

Подрезка торца 3 черновое.

Точение поверхности 2 черновое, затем чистовое.

Переход 3.

Растачивание поверхности 4 черновое. Снятие фаски 23.

Растачивание поверхности 5 черновое. Снятие фаски 23.

Растачивание поверхности 6, 7 черновое и чистовое, снятие фаски 22, 21, 28.

Тонкое растачивание поверхности 7

Переход 4.

Нарезание резьбы на поверхности 4.

Оборудование - токарный станок с ЧПУ 16К20ФЗС32, базирование на оправке по внутренней базовой поверхности А.

Шлифовальная.

Шлифование базовой поверхности А под окончательный размер.

Оборудование - Круглошлифовальный станок MА1420А-500. Базирование по внешней поверхности 2 и по торцовой поверхности 1.

020 Фрезерная.

Производится фрезерование двух лысок на внешней поверхности с одновременно.

Оборудование - горизонтально - фрезерный станок модели 6П80Г.

025 Контрольная.

Выполняется технический контроль- соответствие детали техническим требованиям чертежа в отношении точности изготовления, механических свойств, формы и взаимного расположения указанных поверхностей

Материал детали - сталь 40 ГОСТ 1050 - 88

заготовка зажим токарный деталь

Химический состав стали 40

Углерод

Кремний

Марганец

Хром

Никель

Сера

Фосфор

0.36 - 0.44

0.17 - 0.37

0.50 - 0.80

0.8 - 1.1

0.3

0.035

0.035


Механические свойства стали 40X.

Твердость по Бринеллю НВ

Предел прочности при растяжении МПА

Предел текучести МПА

Относительное удлинение после разрыва %

Относительное сужение после разрыва %

217

980

785

20

45


Область применения стали 40.

В моторостроении - коленчатые валы, фрикционные диски, зубчатые колеса, неазотируемые гильзы цилиндров, впускные клапаны тихоходных дизелей, шатунные болты и гайки, силовые шпильки, коромысла клапанов и другие улучшаемые детали, закаливаемые в масле. В турбостроении - турбинные диски, валы зубчатых передач, детали соединительных муфт турбин, роторы турбокомпрессоров. В нефтеперерабатывающем машиностроении - высокопрочные трубы; баллоны большой емкости, работающие под давлением до 40 МПА (сталь 38ХА), и др.

Выбор вида заготовки и её конструирование.

В машиностроении основными видами заготовок для деталей являются стальные и чугунные отливки, штамповки и всевозможные профили проката.

При выборе вида заготовки необходимо учитывать не только эксплуатационные условия работы детали, ее размеры и форму, но и экономичность ее производства.

Масса детали - 2.67 кг.

Чтобы рассчитать массу заготовки, необходимо найти объем заготовки, затем объем умножить на плотность материала.

Предварительно принимаем изготовление заготовки из проката.

Масса заготовки из проката. Принимаем круглый прокат по ГОСТ 2590 - 71 диаметром 152 м и длиной 104 мм. Так как наибольший диаметр детали 139 мм, длина 64 мм.


Коэффициент использования материала.


Слишком большая потеря материала, поэтому заготовка из проката не подходит.

Учитывая свойства материала детали, ее массу, форму и размеры, и тип производства - среднесерийный, целесообразно применить штамповку.

Расчёт и определение промежуточных припусков табличным методом.

Расчет межоперационных припусков табличным методом

Маршрут обработки поверхностей, с указанием точности полученной на каждой операции

Припуски, Мм

Расчет промежуточных размеров

Промежуточные размеры с отклонениями, мм

Диаметральные размеры Поверхность Ø 70h11 Черновое точение Чистовое точение Поверхность Ø 90 h14 Черновое точение Поверхность Ø 50H7 Черновое точение Чистовое точение Шлифование Поверхность Ø 50H7 Черновое точение Чистовое точение Линейные размеры Длина детали 140 js14 Точение черновое Толщина выступа 25 js14 Черновое точение  Припуск на диаметр  2.3 1.4  2.5  2.0 1.4 0.5  2.0 1.4  Припуск на сторону 2 2     71.4+2.3=73.7 70+1.4=71.4  90+2.5=92.5  48.2 - 2.0=46.2 49.6 - 1.4 = 48.2 50-0.4 = 49.6  31.6 - 2.0=29.6 33 - 1.4 = 31.6   140+2+2 = 144  25+2+2=29            Ø

Ø

Ø

Ø

Ø

Ø

Ø

Ø


Обоснование типа производства.

Учитывая объем производства 1500 шт выпуска и массу детали m = 2.67 кг по таблице 2.1/11.стр 27/ принимаем мелкосерийный тип производства.

Серийное производство характеризуется номенклатурой изделий, изготовляемых периодически повторяющимися партиями, и сравнительно большим объемом выпуска, чем в единичном типе производства. При серийном типе производства используются универсальные станки оснащенные как специальными так и универсальными, универсально - сборочными приспособлениями, что позволяет снизить трудоемкость и себестоимость изготовления изделия.

В серийном производстве техпроцесс изготовления изделия преимущественно дифференцирован, т.е. расчленен на отдельные самостоятельные операции, выполняемые на определенных станках. При серийном производстве обычно используются универсальные, специализированные, агрегатные и др. металлорежущие станки. При выборе технологического оборудования специального или специализированного , дорогостоящего приспособления или вспомогательного приспособления и инструмента необходимо производить расчеты затрат и сроков окупаемости, а также ожидаемый экономический эффект от использования оборудования и технологического оснащения.

Для серийного производства определяем операционную партию деталей по формуле 4.

=N×t/ Фу, (4)

где N- годовой объём выпуска, шт,

t - количество дней, в течение которых необходимо иметь запас заготовок на склад Для мелких и средних деталей t=8 дней, для крупных t=5... 7 дней.

Фу=253 дня - условный годовой фонд рабочего времени.

=N×t/ Фу = 1500 × 8/253 = 47 шт

2. Выбор оборудования

Для выполнения токарных операций выбираем станок с ЧПУ 16К20Ф3

Токарно - винторезный станок с ЧПУ 16К20Ф3

Наибольший диаметр обрабатываемой заготовки

над станиной 400 мм

над суппортом 220 мм

Наибольший диаметр прутка, проходящего через отверстие

шпинделя 55 мм

Наибольшая длина обрабатываемой заготовки 1000 мм

Шаг нарезаемой резьбы

метрической до 20

Частота врашения шпинделя 12.5 - 2000 об/мин

Число скоростей шпинделя 22

Наибольшее перемещение суппорта

продольное 900 мм

поперечное 250 мм

Подача суппорта

продольное 3-1200 мм/об

поперечное 1.5-600 мм/об

Скорость быстрого перемещения суппорта

продольное 4800 мм/об

поперечное 2400 мм/об

Мощность электродвигателя 10 кВт

Габаритные размеры

длина 3360 мм

ширина 1710 мм

высота 1750 мм

Масса 4000 кг

Для фрезерной операции обработки втулки будем использовать горизонтально - фрезерный станок модели 6П80Г.

Горизонтально - фрезерный станок модели 6П80Г.

Общая характеристика станка

Назначение станка. Станок предназначен для фрезерования различных деталей из стали, чугуна и цветных металлов сравнительно небольших размеров. Обработка деталей осуществляется цилиндрическими, дисковыми, фасонными, угловыми, модульными и торцовыми фрезами как встречным, так и попутным фрезерованием. Станок используется в условиях индивидуального и серийного производства. При наличии делительной головки можно фрезеровать прямозубые шестерни, рейки, канавки и т. п.

Достаточная мощность приводов и широкий диапазон скоростей и подач позволяют успешно работать на станке, как быстрорежущими фрезами, так и фрезами, оснащенными пластинками твердого сплава.

Техническая характеристика станка

Рабочая поверхность стола в мм......... 200X800

Число скоростей вращения шпинделя ....... 12

Пределы чисел оборотов шпинделя в минуту..... 50-2240

Количество скоростей подач стола ......... 12

Пределы скоростей подач стола в мм/мин:

продольных . . ........... 22,4-1000

поперечных ....... .... 16-710

вертикальных............. 8-355

Скорость быстрого перемещения стола в мм/мин:

продольного ........... 2400

поперечного............. 1710

вертикального ...... ....... 855

Мощность главного электродвигателя в кВт ..... 5,8

Основные узлы станка (рис. 1). А - станина с коробкой скоростей и шпиндельным узлом; Б - хобот с подвеской; В - стол; Г - дополнительная связь консоли с хоботом; Д - поперечные салазки; Е - консоль с коробкой подач; Ж - основание станка.

Органы управления. 1 - рукоятка для. переключения коробки скоростей; 2 - рукоятка для переключения перебора шпинделя; 3 - маховичок ручного продольного перемещения стола; 4 - рукоятка включения продольной подачи стола; 5 - маховичок ручного поперечного перемещения стола; 6 - рукоятка ручного вертикального перемещения. консоли; 7 - маховичок для переключения коробки подач; 8 - рукоятка переключения перебора коробки подач; 9 - рукоятка для включения и реверсирования поперечной и вертикальной подач стола.

Движения в станке. Движение резания - вращение шпинделя с фрезой. Подачами являются перемещения стола с обрабатываемой деталью в продольном, поперечном и вертикальном направлениях. Вспомогательные движения - быстрые перемещения стола в тех же направлениях.

Принцип работы. Обрабатываемые детали устанавливают непосредственно на столе, в тисках или специальных приспособлениях. Для обработки деталей в нескольких позициях широко используется универсальная делительная головка, которая позволяет производить делительные повороты детали на требуемое количество равных частей. Насадные фрезы, цилиндрические, дисковые и др., устанавливают на шпиндельных оправках, хвостовые - непосредственно в шпинделе или в цанговом патроне.

При установке фрез на оправках последние одним концом вставляют в конус шпинделя, а другим - в отверстие подвески.

Торцовые фрезерные головки закрепляют на торце шпинделя. Настройка станка в соответствии с конфигурацией и размерами обрабатываемой детали производится перемещением стола В, поперечных салазок Д и консоли Е.

Конструктивные особенности. Станок имеет разделенный привод движения резания, т. е. коробка скоростей смонтирована в станине в виде отдельного узла, а вращение шпинделю передается клиновыми ремнями. Это обеспечивает безвибрационную работу станка даже на самых высоких числах оборотов шпинделя.

Шпиндель смонтирован на прецизионных двойных роликовых подшипниках серии 3182100 высокой жесткости. Шпиндель разгружен от изгибающих усилий со стороны ременной передачи, так как приводной шкив установлен на независимых подшипниках. Для более равномерного вращения шпинделя его приводная шестерня сделана массивной, поэтому она одновременно выполняет роль маховика. Быстрая остановка вращения шпинделя обеспечивается наличием тормоза с электромагнитным приводом.

Станок имеет две подвески хобота: одну на подшипниках качения, предназначенную для скоростных работ; другую на подшипниках скольжения, обеспечивающую работу с фрезами диаметром менее 75 мм. Для повышения жесткости системы хобот Б может быть соединен с консолью Е дополнительной связью Г.

В приводе подач имеется шариковая предохранительная муфта, исключающая возможность поломки элементов привода при чрезмерном увеличении нагрузки.

Для фрезерования попутным методом в приводе продольной подачи стола предусмотрен механизм для периодического устранения зазора между ходовым винтом и гайками.

Рис. 2 Общий вид горизонтально - фрезерного станка 6П80Г

Круглошлифовальный станок MА1420А-500

Универсальные круглошлифовальные станки MА1420А/500, MА1420А/750 предназначены для наружного и внутреннего шлифования цилиндрических, конических и торцевых поверхностей на деталях типа вал, втулка, ось, фланец, крышка и т. п. Подачи осуществляются гидроприводом или вручную.

Этот ряд машин подходит для предприятий со средним и маленьким серийным производством, для инструментальных мастерских, для предприятий обслуживания.

Стандартная комплектация универсального круглошлифовального станка MA1420A: суппорт, 3-кулачковый патрон, планшайба, правильное устройство, балансировочное приспособление, приспособление для внутреннего шлифования, центра, наборы прижимов и инструментов, бак для СОЖ.

Технические характеристики универсального круглошлифовального станка MА1420А-500/750:

Наименование параметра, размерность

Величина параметра

Шлифуемая поверхность: наружный диаметр, мм

8 - 200

Шлифуемая поверхность: внутренний диаметр, мм

13 - 80

Длина наружного шлифования (тип модели 500/750), мм

500/750

Длина внутреннего шлифования (для всех моделей), мм

125

Максимальный диаметр шлифовального круга, мм

300

Максимальный ход стола (тип модели 500/750), мм

600/800

Скорость перемещения при гидроподаче, м/мин

0,1 - 4

Угол поворота передней бабки (тип модели 500/750),°

-5°~+9° / -3°~+9°

Максимальная скорость шлифовального круга, м/с

35

Мощность двигателя, кВт

4,24

Габариты (тип модели 500/750), мм

2000х1420х1600 / 2700х1420х1600

Масса станка (тип модели 500/750), кг

2100/2600


Точность обработки круглошлифовальных станков MА1420А-500/750:

модель

внешняя поверхность

внутренняя поверхность

цилиндричность

шероховатость поверхности





наружной

внутренней

МА 1420А-500

0,003

0,005

0,005

Ra <= 0,32

Ra <= 0,32

MA 1420A-750

0,003

0,005

0,005

Ra <= 0,32

Ra <= 0,32


3. Расчёт режимов резания на обработку 2-х, 3-х поверхностей, остальное по нормативам

Токарная операция

Переход 1.

Подрезка торца 25 черновое.

Точение поверхности 10 черновое.

Переход 2.

Растачивание поверхности 12 черновое и чистовое. Снятие фаски 16.

Растачивание поверхности 13 черновое, снятие фаски 19.

Переход 3.

Растачивание поверхности 11 черновое и чистовое.

Переход 1

Точить начерно поверхность 10.

Станок: токарный с ЧПУ 16К20Ф3

Приспособление: патрон трехкулачковый.

Деталь “Втулка”, материал сталь 40 32…37 HRC, НВ = 340,

Содержание операции:

1)   Закрепить заготовку

2)   Точить

3)   Контроль

Резец проходной отогнутый с механическим креплением пластины из твердого сплава Т15К6 [1, с.129]

Размеры резца: H=25 мм, B=25 мм, L=120 мм, h0=25 мм, диаметр описанной окружности 18 мм.

Углы резца: a=8°, j=60°, j1=15°, g=15°,l=30°

Глубина резания t =2 мм

Подача S = 0.8 мм/об [1, с.266]

Корректируем подачу по паспорту станка: S=0.8 мм/об

Определяем скорость резания :

 = 420, x = 0.15, y=0.2, m=0.2 [1, с.269]

Т = 60 мин [1, с.268]

= Kмv Kпv Kиv

г = 1.0, nv = -1.0 [1, с.262]

Kпv = 0.9, Kиv = 1,0 [1, с.263]

Kv = 0.9 ´ 1.0 ´ 0.75 = 0.675

 м/мин

Определяем частоту вращения шпинделя:

 = 1000V / ( p ´D)

где D - диаметр заготовки, мм.

n = 1000 ´ 118 / ( 3.14 ´ 90 ) = 417 об/мин

Определяем силу резания Pz:

= 10 Cp tx Sy Vn Kp

= 204, x=1.0, y=0.75, n= 0 [1, с.275]

Kp = Kмp Kjp Kgp Klp

= 0.75 [1, с.264]

Kjp = 0.94, Kgp = 1.0, Klp = 1.0 [1, с.275]

Kp = 1.05 ´ 0.94 ´ 1.0 ´ 1.0 ´ 1.24 = 1.22

Pz = 10 ´ 204 ´ 21.0 ´ 0.80.75 ´ 1180 ´ 1.22 = 4210 H

Определяем мощность резания:

 = Pz V/ ( 1020 ´ 60)

 = 4210 ´ 118 / ( 1020 ´ 60 ) = 7,1 кВт

шп = h ´ Nд

h = 0.75, Nд =10 кВтшп = 10 ´ 7.5 = 7.5 кВт< Nшп , .7.1 < 7.5.

Определяем основное технологическое время:

1 = L ´ i / (S ´ n)

Где L -путь проходимый инструментом в направлении подачи, мм;- количество проходов,i = 1.

 = D + l + y

Где y - глубина резания, мм;- длина обработки, мм;

D - величина перебега, мм.

Точение поверхности 10 черновое.

L = 2 + 25+ 2 = 29 мм

To1 = 29 ´ 1 / (0.8 ´ 417) = 0.09 мин

Подрезка торца 25 черновое.

L = 2 + 20+ 2 = 24 мм

To1 = 24 ´ 1 / (0.8 ´ 417) = 0.07 мин

Переход 2.

Растачивание поверхности 12 черновое

Глубина резания t =1 мм

Подача S = 0.2 мм/об [1, с.267]

 м/мин

Определяем частоту вращения шпинделя:

 = 1000V / ( p ´D)

где D - диаметр заготовки, мм.

n = 1000 ´ 172 / ( 3.14 ´ 50 ) = 1098 об/мин

L = 2 + 85+ 2 = 89 мм

To1 = 89 ´ 1 / (0.2 ´ 1098) = 0.41 мин

Растачивание поверхности 13 черновое, снятие фаски 19.

L = 2 + 5+ 2 = 9 мм

To1 = 9 ´ 1 / (0.2 ´ 1098) = 0.04 мин

Растачивание поверхности 12 чистовое.

Глубина резания t =0.5 мм

Подача S = 0.1 мм/об [1, с.268]

 м/мин

Определяем частоту вращения шпинделя:

 = 1000V / ( p ´D)

где D - диаметр заготовки, мм.

n = 1000 ´ 208 / ( 3.14 ´ 50 ) = 1327 об/мин

L = 2 + 85+ 2 = 89 мм

To1 = 89 ´ 1 / (0.1 ´ 1327) = 0.64 мин

Точение поверхности 13 черновое.

L = 12 мм

Число проходов i = 8

To1 = 12 ´ 8 / (0.2 ´ 1098) = 0.44 мин

Точение поверхности 13 чистовое.

L = 12 мм

Число проходов i = 1

To1 = 12 ´ 1 / (0.1 ´ 1327) = 0.09 мин

Общее время на операцию

Тобщ = 0.09 + 0.07 + 0.41 + 0.04 + 0.04 + 0.64 + 0.44 + 0.09 = 1.98 мин

Шлифовальная операция

По заданию необходимо разработать одну операцию - окончательная обработка 50Н7.

В качестве оборудования принимаем круглошлифовальный станок MА1420А-500

В качестве инструмента для шлифования принимаем шлифовальную головку по ГОСТ 2447-82

AW30*60 24A 25 - H СТ1 6 К А 35 м/с ГОСТ 2447 - 82

Шлифование проводим в два этапа - предварительное и окончательное.

Припуск на предварительное шлифование составляет 50 мкм.

Припуск на окончательное шлифование составляет 10 мкм.

По таблицам находим для предварительного шлифования

По таблицам находим для предварительного шлифования

Глубина шлифования t = 0.01 мм

Продольная подача s = 0.5*B = 0.5*0.06 = 0.03 м/мин

Скорость заготовки vз = 40 м/с

об/мин

Расчет основного времени на операцию


где В =60 мм- длина головки, мм

L=80 - длина поверхности для шлифования

Sв = 0.03 м/мин - продольная подача

nд - частота вращения детали

i - число проходов

К =1 - коэффициент


где а - припуск на шлифование

S - подача при шлифовании

мин

Эффективная мощность при шлифовании


По таблице 56 /1. стр. 303/ выписываем

СN = 0.3; r = 0.35; x = 0.4; y = 0.4; q = 0.3;

 кВт

Окончательное шлифование.

Припуск на окончательное шлифование составляет 10 мкм.

По таблицам находим для предварительного шлифования

Глубина шлифования t = 0.005 мм

Продольная подача s = 0.25*B = 0.25*0.06 = 0.015 м/мин

Скорость круга vк = 35 м/с

Скорость заготовки vз = 40 м/с

об/мин

Расчет основного времени на операцию


где В =60 мм- длина головки, мм

L=80 - длина поверхности для шлифования

Sв = 0.015 м/мин - продольная подача

nд - частота вращения детали

i - число проходов

К =1 - коэффициент


где а - припуск на шлифование

S - подача при шлифовании

мин

Эффективная мощность при шлифовании


По таблице 56 /1. стр. 303/ выписываем

СN = 0.3; r = 0.35; x = 0.4; y = 0.4; q = 0.3;

 кВт

Общее технологическое время на шлифование

То = 1.15+0.92=2.07 мин

Рассчитываем аналитически режимы резания на фрезерную операцию

Деталь “Втулка”, материал сталь 40 32…37 HRC, НВ = 340,

Горизонтально - фрезерный станок модели 6П80Г

Принимаем дисковую трехстороннюю фрезу со вставными ножами, оснащенными твердым сплавом по ГОСТ 5348 - 69 Æ 100 Ширина 14 мм. Число зубьев z = 8

Деталь будем фрезеровать одновременно двумя фрезами с разных сторон.

Определяем глубину резания при фрезеровании:

 (70-64)/2=3 мм

.        Подача при фрезеровании : S = 0.08 мм/об; /1 табл. 34 стр. 283/

. Определяем расчётную скорость резанья при фрезеровании /1. стр 276/

- поправочный коэффициент.


 - поправочный коэффициент, учитывающий влияние обрабатываемого материала /1. стр. 261, таб. 1 /.

 - поправочный коэффициент на материал режущей части инструмента.

 = 1 /1. стр. 263, таб. 6 /.

= поправочный коэффициент, учитывающий состояние поверхности заготовок  = 0.8 /1. стр. 263, таб. 5 /.

Находим:

=0.75*0.8*1=0.6

По табл. 39 /1 табл. 39 стр 286/ находим ;

По табл. 40 /1 табл. 40 стр 290/ находим Т = 120;

 мм/мин

Определяем расчётную частоту вращения патрона

об/мин

По паспорту станка корректируем частоту вращения.

nф = 1000 об/мин

Определяем фактическую скорость резания.

 мм/мин

Основные режимы резанья при фрезеровании:= 0.08 мм/об;= 314 мм/мин;= 1000 об/мин;

Проверяем выбранный режим по мощности, потребляемой на резание

Где  - поправочный коэффицент на обрабатываемый материал, по таб. 9

,

= 0.75 [1, с.264]

Находим по таблице 41 /1. стр. 291, таб. 41 /.


 Н

По паспорту станка  следовательно расчёт произведён верно.

Определяем крутящий момент

 Нм

Определяем мощность на шпинделе станка.


Определяем основное технологическое время:

1 = L ´ i / (S ´ n)

где: L -путь проходимый инструментом в направлении подачи, мм;- количество проходов,i = 1.

 = D + l + y ,

где: y - глубина резания, мм;- длина обработки, мм;

D - величина перебега, мм.

Фрезерование лысок.

L = 2 + 28+ 2 = 32 мм

To1 = 32 ´ 1 / (0.08 ´ 1000) = 0.4 мин

Рассчитываем токарную операцию табличным методом.

Токарная операция

Переход 1.

Подрезка торца 1 черновое.

Переход 2.

Подрезка торца 3 черновое.

Точение поверхности 2 черновое, затем чистовое.

Переход 3.

Растачивание поверхности 4 черновое. Снятие фаски 23.

Растачивание поверхности 5 черновое. Снятие фаски 23.

Растачивание поверхности 6, 7 черновое и чистовое, снятие фаски 22, 21, 28.

Переход 4.

Нарезание резьбы на поверхности 4.

Оборудование - токарный станок с ЧПУ 16К20ФЗС32, базирование на оправке по внутренней базовой поверхности А.

Приспособление: Оправка В22 ГОСТ 28485-90

Переход 1.

Подрезка торца 1 черновое.

Инструмент: Инструмент: проходной упорный резец MWLNR2020К8 ТУ 2-035-892-89 с механическим креплением пластины из твердого сплава Т15К6. Геометрия режущей части резца: j=93°; g=0°; l=0°; x=80°; r=1 мм. Сечение державки резца 25х25; блок инструментальный:АД.382.000.ТУ2.

Штангенциркуль ШЦ-II-0,1-250; Штангенциркуль ШЦ-II-0,1-450;

Деталь точиться из поковки.

Припуск на черновое точение 2.8 мм на диаметр, следовательно глубина резания будет равна t = 1.4 мм.

i = 1 проход

Назначаем подачу

Sт определяем подачу /2. стр 58 по карте 12/

Sт = 0.55 мм/об

 = Sт × Кs0× Кs1× Кs2× Кs3 × Кs4 × Кs5 × Кs6 /2. стр. 19/

Поправочные коэффициенты

Кs0 = 0.9 /2. стр 59 по карте 12/

Кs1 = 1.0 /2. стр 70 по карте 12/

Кs2 = 1 /2. стр 71 по карте 12/

Кs3 = 0.9 /2. стр 71 по карте 12/

Кs4 = 1.05 /2. стр 72 по карте 12/

Кs5 = 1 /2. стр 72 по карте 12/

Кs6 = 1 /2. стр 73 по карте 12/

So = 0.55*0.9*1.0*1.0*0.9*1.05*1*1=0.48 мм/об

Назначаем скорость резания

 = Vт*Кv1*Kv2*Kv3*Kv4*Kv5 /2. стр. 19/

По карте 12 /2. стр 62/ V = 130 м/мин

Кv0 - обрабатываемый материал

Кv1 - марка инструментального материала

Кv2 - главный угол в плане

Кv3 - способ получения заготовки

Кv4 - жесткость детали

Кv5 - наличие СОЖ

Кv0 = 1.09 /2. стр 62 по карте 12/

Кv1 = 1 /2. стр 73 по карте 12/

Кv2 = 1 /2. стр 74 по карте 12/

Кv3 = 0.9 /2. стр 75 по карте 12/

Кv4 = 1 /2. стр 75 по карте 12/

Кv5 = 1.2 /2. стр 75 по карте 12/

V = 130*1.09*1*1*0.9*1*1.2=153 м/мин

Обработка поверхности 1

Назначаем частоту вращения шпинделя

 об/мин

Определяем мощность на резание /2. стр 76 по карте 12/

Nт=3.7 кВт

Время на обработку поверхности 4.

L = 2 + 20+ 2 = 24 мм

To1 = 24 ´ 1 / (0.48 ´ 696) = 0.07 мин

Точение поверхности 2 черновое и подрезка торца 3.

Инструмент: Инструмент: проходной упорный резец PTTR2020К6 ТУ 2-035-892-82 с механическим креплением пластины из твердого сплава Т15К6. Геометрия режущей части резца: j=90°; g=0°; l=0°; x=80°; r=1 мм. Сечение державки резца 25х25; блок инструментальный:АД.382.000.ТУ2.

Припуск на черновое точение 2.8 мм на диаметр, следовательно глубина резания будет равна t = 1.4 мм.

i = 1 проход

Назначаем подачу

Sт определяем подачу /2. стр 58 по карте 12/

Sт = 0.8 мм/об

 = Sт × Кs0× Кs1× Кs2× Кs3 × Кs4 × Кs5 × Кs6 /2. стр. 19/

Поправочные коэффициенты

Кs0 = 0.9 /2. стр 59 по карте 12/

Кs1 = 1.0 /2. стр 70 по карте 12/

Кs2 = 1 /2. стр 71 по карте 12/

Кs3 = 0.9 /2. стр 71 по карте 12/

Кs4 = 1.05 /2. стр 72 по карте 12/

Кs5 = 1 /2. стр 72 по карте 12/

Кs6 = 1 /2. стр 73 по карте 12/

So = 0.8*0.9*1.0*1.0*0.9*1.05*1*1=0.68 мм/об

При подрезании поверхностей по /2. стр 62 по карте 12/ коэффициент

Кv0×1.25 = 1.09 × 1.25 = 1.36

V = 130*1.36*1*1*0.9*1*1.2=191 м/мин

 об/мин

L = 2 + 115+ 2 = 119 мм

To1 = 119 ´ 1 / (0.68 ´ 870) = 0.15 мин

Точение поверхности 2 чистовое.

Назначаем подачу

Sт определяем подачу /2. стр 58 по карте 12/

Sт = 0.2 мм/об

 = Sт × Кs0× Кs1× Кs2× Кs3 × Кs4 × Кs5 × Кs6 /2. стр. 19/

Поправочные коэффициенты

Кs0 = 0.9 /2. стр 59 по карте 12/

Кs1 = 1.0 /2. стр 70 по карте 12/

Кs2 = 1 /2. стр 71 по карте 12/

Кs3 = 0.9 /2. стр 71 по карте 12/

Кs4 = 1.05 /2. стр 72 по карте 12/

Кs5 = 1 /2. стр 72 по карте 12/

Кs6 = 1 /2. стр 73 по карте 12/

So = 0.2*0.9*1.0*1.0*0.9*1.05*1*1=0.17 мм/об

Назначаем скорость резания

 = Vт*Кv1*Kv2*Kv3*Kv4*Kv5 /2. стр. 19/

По карте 12 /2. стр 62/ V = 210 м/мин

Кv0 - обрабатываемый материал

Кv1 - марка инструментального материала

Кv2 - главный угол в плане

Кv3 - способ получения заготовки

Кv4 - жесткость детали

Кv5 - наличие СОЖ

Кv0 = 1.09 /2. стр 62 по карте 12/

Кv1 = 1 /2. стр 73 по карте 12/

Кv2 = 1 /2. стр 74 по карте 12/

Кv3 = 0.9 /2. стр 75 по карте 12/

Кv4 = 1 /2. стр 75 по карте 12/

Кv5 = 1.2 /2. стр 75 по карте 12/

V = 210*1.09*1*1*0.9*1*1.2=247 м/мин

Назначаем частоту вращения шпинделя

 об/мин

Определяем мощность на резание /2. стр 76 по карте 12/

Nт=3.7 кВт

Время на обработку поверхности 4.

L = 2 + 85+ 2 = 89 мм

To1 = 89 ´ 1 / (0.17 ´ 1124) = 0.47 мин

Переход 3.

Растачивание поверхности 4 черновое. Снятие фаски 23.

Растачивание поверхности 5 черновое. Снятие фаски 23.

Растачивание поверхности 6, 7 черновое и чистовое, снятие фаски 22, 21, 28.

Тонкое растачивание поверхности 7

Инструмент: Инструмент: резец расточной с механическим креплением пластин из твердого сплава Т15К6 К.01.4982.000-11. Геометрия режущей части резца: j=95°; g=0°; l=0°; Сечение державки резца 25х25

Штангенциркуль ШЦ-II-0,1-250;

Припуск на черновое точение 2.8 мм на диаметр, следовательно глубина резания будет равна t = 1.4 мм.

i = 1 проход

Назначаем подачу

Sт определяем подачу /2. стр 58 по карте 12/

Sт = 0.2 мм/об

 = Sт × Кs0× Кs1× Кs2× Кs3 × Кs4 × Кs5 × Кs6 /2. стр. 19/

Поправочные коэффициенты

Кs0 = 0.9 /2. стр 59 по карте 12/

Кs1 = 1.0 /2. стр 70 по карте 12/

Кs2 = 1 /2. стр 71 по карте 12/

Кs3 = 0.9 /2. стр 71 по карте 12/

Кs4 = 1.05 /2. стр 72 по карте 12/

Кs5 = 1 /2. стр 72 по карте 12/

Кs6 = 1 /2. стр 73 по карте 12/

So = 0.8*0.9*1.0*1.0*0.9*1.05*1*1=0.17 мм/об

Назначаем скорость резания

 = Vт*Кv1*Kv2*Kv3*Kv4*Kv5 /2. стр. 19/

По карте 12 /2. стр 62/ V = 130 м/мин

Кv0 - обрабатываемый материал

Кv1 - марка инструментального материала

Кv2 - главный угол в плане

Кv3 - способ получения заготовки

Кv4 - жесткость детали

Кv5 - наличие СОЖ

Кv0 = 1.09 /2. стр 62 по карте 12/

Кv1 = 1 /2. стр 73 по карте 12/

Кv2 = 1 /2. стр 74 по карте 12/

Кv3 = 0.9 /2. стр 75 по карте 12/

Кv4 = 1 /2. стр 75 по карте 12/

Кv5 = 1.2 /2. стр 75 по карте 12/

V = 130*1.09*1*1*0.9*1*1.2=153 м/мин

Обработка поверхности 4

Назначаем частоту вращения шпинделя

 об/мин

Определяем мощность на резание /2. стр 76 по карте 12/

Nт=3.7 кВт

Время на обработку поверхности 4.

L = 2 + 55+ 2 = 59 мм

To1 = 59 ´ 1 / (0.17 ´ 1476) = 0.24 мин

Обработка поверхности 5

Назначаем частоту вращения шпинделя

 об/мин

Время на обработку поверхности 5.

L = 2 + 40+ 2 = 44 мм

To1 = 44 ´ 1 / (0.17 ´ 1282) = 0.2 мин

Обработка поверхности 6

Назначаем частоту вращения шпинделя

 об/мин

Время на обработку поверхности 5.

L = 2 + 10+ 2 = 14 мм

To1 = 14 ´ 2 / (0.17 ´ 1059) = 0.16 мин

Обработка поверхности 7

Назначаем частоту вращения шпинделя

 об/мин

Время на обработку поверхности 5.

L = 2 + 20+ 2 = 24 мм

To1 = 28 ´ 2 / (0.17 ´ 1015) = 0.32 мин

Чистовое точение

Припуск на черновое точение 1 мм на диаметр, следовательно

Глубина резания будет равна t = 0.5 мм.

i = 1 проход

Назначаем подачу

Sт определяем подачу /2. стр 111 по карте 17/

Sт = 0.1 мм/об

 = Sт × Кs0× Кs1× Кs2× Кs3 × Кs4 × Кs5 × Кs6 /2. стр. 19/

Поправочные коэффициенты

Кs0 = 0.9 /2. стр 59 по карте 17/

Кs1 = 1.1 /2. стр 70 по карте 12/

Кs2 = 1.25 /2. стр 71 по карте 12/

Кs3 = 1.0 /2. стр 71 по карте 12/

Кs4 = 1.0 /2. стр 72 по карте 12/

Кs5 = 1 /2. стр 72 по карте 12/

Кs6 = 1 /2. стр 73 по карте 12/

So = 0.1*0.9*1.1*1.25*1.0*1.0*1*1=0.12 мм/об

Назначаем скорость резания

 = Vт*Кv1*Kv2*Kv3*Kv4*Kv5 /2. стр. 19/

По карте 17 /2. стр 112/ V = 200 м/мин

Кv0 = 0.7 /2. стр 113 по карте 17/

Кv1 = 1 /2. стр 73 по карте 12/

Кv2 = 1 /2. стр 74 по карте 12/

Кv3 = 0.9 /2. стр 75 по карте 12/

Кv4 = 1 /2. стр 75 по карте 12/

Кv5 = 1.2 /2. стр 75 по карте 12/

V = 200*1*1*1*0.9*1*1.2=216 м/мин

Обработка поверхности 6

Назначаем частоту вращения шпинделя

 об/мин

Время на обработку поверхности 5.

L = 2 + 10+ 2 = 14 мм

To1 = 14 ´ 1 / (0.12 ´ 1495) = 0.08 мин

Обработка поверхности 7

Назначаем частоту вращения шпинделя

 об/мин

Время на обработку поверхности

L = 2 + 20+ 2 = 24 мм

To1 = 28 ´ 1 / (0.12 ´ 1433) = 0.16 мин

Тонкое точение поверхности 7

Припуск на черновое точение 1 мм на диаметр, следовательно

Глубина резания будет равна t = 0.5 мм.

i = 1 проход

Назначаем подачу

Sт определяем подачу /2. стр 111 по карте 17/

Sт = 0.08 мм/об

 = Sт × Кs0× Кs1× Кs2× Кs3 × Кs4 × Кs5 × Кs6 /2. стр. 19/

Поправочные коэффициенты

Кs0 = 0.9 /2. стр 59 по карте 17/

Кs1 = 1.1 /2. стр 70 по карте 12/

Кs2 = 1.25 /2. стр 71 по карте 12/

Кs3 = 1.0 /2. стр 71 по карте 12/

Кs4 = 1.0 /2. стр 72 по карте 12/

Кs5 = 1 /2. стр 72 по карте 12/

Кs6 = 1 /2. стр 73 по карте 12/

So = 0.08*0.9*1.1*1.25*1.0*1.0*1*1=0.1 мм/об

Назначаем скорость резания

 = Vт*Кv1*Kv2*Kv3*Kv4*Kv5 /2. стр. 19/

По карте 17 /2. стр 112/ V = 200 м/мин

Кv0 = 0.7 /2. стр 113 по карте 17/

Кv1 = 1 /2. стр 73 по карте 12/

Кv2 = 1 /2. стр 74 по карте 12/

Кv3 = 0.9 /2. стр 75 по карте 12/

Кv4 = 1 /2. стр 75 по карте 12/

Кv5 = 1.2 /2. стр 75 по карте 12/

V = 200*1*1*1*0.9*1*1.2=216 м/мин

Время на обработку поверхности 5.

L = 2 + 20+ 2 = 24 мм

To1 = 28 ´ 1 / (0.1 ´ 1433) = 0.20 мин

Переход 4.

Нарезание резьбы на поверхности 4.

Инструмент: Инструмент: токарный резьбовой резец с пластинами из твердого сплава ГОСТ 18885 - 73 2666-0023. Геометрия режущей части резца: j=30°; g=0°; l=0°; x=80°; r=1 мм. Сечение державки резца 25х25; блок инструментальный:АД.382.000.ТУ2.

i = 1 проход

Назначаем подачу

Sт определяем подачу /2. стр 58 по карте 12/

Sт = 0.4 мм/об

 = Sт × Кs0× Кs1× Кs2× Кs3 × Кs4 × Кs5 × Кs6 /2. стр. 19/

Поправочные коэффициенты

Кs0 = 0.9 /2. стр 59 по карте 17/

Кs1 = 1.1 /2. стр 70 по карте 12/

Кs2 = 1.25 /2. стр 71 по карте 12/

Кs3 = 1.0 /2. стр 71 по карте 12/

Кs4 = 1.0 /2. стр 72 по карте 12/

Кs5 = 1 /2. стр 72 по карте 12/

Кs6 = 1 /2. стр 73 по карте 12/

So = 0.4*0.9*1.1*1.25*1.0*1.0*1*1=0.5 мм/об

Назначаем скорость резания

 = Vт*Кv1*Kv2*Kv3*Kv4*Kv5 /2. стр. 19/

По карте 17 /2. стр 112/ V = 120 м/мин

Кv0 = 0.7 /2. стр 113 по карте 17/

Кv1 = 1 /2. стр 73 по карте 12/

Кv2 = 1 /2. стр 74 по карте 12/

Кv3 = 0.9 /2. стр 75 по карте 12/

Кv4 = 1 /2. стр 75 по карте 12/

Кv5 = 1.2 /2. стр 75 по карте 12/

V = 120*1*1*1*0.9*1*1.2=130 м/мин

Обработка поверхности 7

Назначаем частоту вращения шпинделя

 об/мин

Время на обработку поверхности .

L = 2 + 12+ 2 = 14 мм

To1 = 14 ´ 2 / (0.5 ´ 1254) = 0.04 мин

Общее время на токарную операцию.

Т общ = 2.09 мин

4. Нормирование операций

Расчет нормы времени по всем операциям. /10 прилож.5 стр 197/

Минимальный размер партии n = 47 (из предыдущих расчетов).

Токарная операция

Расчет технической нормы времени

При массе заготовки меньше 12 кг это время на установку детали в патроне с креплением ключом составляет tуст = 0.43 мин

Определение вспомогательного ручного времени

включить станок, выключить - 0,04 мин

открыть заградительный щиток - 0,03 мин

t в.оп = 0.04+0.03=0.07 мин

Вспомогательное ручное время на контрольные измерения.

tизм = 0.05 мин

Таким образом ручное вспомогательное время.

t в.р. = 0.43+0.7+0.05=0.55 мин

Расчет вспомогательного времени определяем по формуле

Tв = t в.р. * K tв=0.55*1=0.55

Расчет оперативного времени

Топ = To + Tв = 1.98 + 0.55=2.52 мин

Подготовительно заключительное время (карта 47)

Время на наладку станка 14 мин

Время на получение и сдачу инструмента 8 мин

Штучно - калькуляционное время

 мин

010 Токарная операция

Расчет технической нормы времени

При массе заготовки меньше 12 кг это время на установку детали ватроне с креплением ключом составляет tуст = 0.43 мин

Определение вспомогательного ручного времени

включить станок, выключить - 0,04 мин

открыть заградительный щиток - 0,03 мин

t в.оп = 0.04+0.03=0.07 мин

Вспомогательное ручное время на контрольные измерения.

tизм = 0.05 мин

Таким образом ручное вспомогательное время.

t в.р. = 0.43+0.7+0.05=0.55 мин

Расчет вспомогательного времени определяем по формуле

в = t в.р. * K tв=0.55*1=0.55

Расчет оперативного времени

Топ = To + Tв = 2.09+0.55=2.25 мин

Подготовительно заключительное время (карта 47)

Время на наладку станка 14 мин

Время на получение и сдачу инструмента 8 мин

Штучно - калькуляционное время

 мин

Шлифовальная операция

При массе заготовки меньше 8 кг это время составляет

tуст = 0.28 мин

Определение вспомогательного ручного времени

включить станок, выключить - 0,04 мин

открыть заградительный щиток - 0,03 мин

·   включить пульт лентопротяжного

·   механизма - 0.04 мин

t в.оп = 0.04+0.03+0.04=0.11 мин

Вспомогательное ручное время на контрольные измерения.

tизм = 0.05 мин

Таким образом ручное вспомогательное время.

t в.р. = 0.28+0.11+0.05=0.44 мин

Расчет вспомогательного времени определяем по формуле

в = t в.р. * K tв=(0.28+0.11+0.05)*1=0.44

Расчет оперативного времени

Топ = To + Tв = 2.07+0.44=2.51 мин

Расчет штучного времени

мин

Штучно - калькуляционное время

 мин

Фрезерная операция

Расчет технической нормы времени

При массе заготовки меньше 12 кг это время на установку детали в приспособлении составляет

tуст = 0.43 мин

Определение вспомогательного ручного времени

включить станок, выключить - 0,04 мин

открыть заградительный щиток - 0,03 мин

t в.оп = 0.04+0.03=0.07 мин

Вспомогательное ручное время на контрольные измерения.

tизм = 0.05 мин

Таким образом ручное вспомогательное время.

t в.р. = 0.43+0.7+0.05=0.55 мин

Расчет вспомогательного времени определяем по формуле

в = t в.р. * K tв=0.55*1=0.55

Расчет оперативного времени

Топ = To + Tв = 0.4+0.55=0.95 мин

Подготовительно заключительное время (карта 47)

Время на наладку станка 14 мин

Время на получение и сдачу инструмента 8 мин

Штучно - калькуляционное время

 мин

5. Разработка технического задания на проектирование приспособления для обработки поверхности:

.1 Расчёт погрешности установки детали в приспособление

Рис. 3. Базирование детали

Расчёт станочного приспособления в направлении размера . (расстояние между лысками).

Операционная точность размера: Т(64) = 0,2 мм

Погрешность базирования: ξБ(50)=0,025 мм, так как деталь насаживается на гофрированную втулку базовой поверхностью А Ø  мм с допуском изготовления 0.025 мм.

При закреплении обрабатываемой детали в приспособлении возникает погрешность, которая зависит от варианта базирования, погрешности приспособления для закрепления заготовки, точности станка, инструмента.

Расчёт на точность построен на обеспечении технологического точностного баланса.

Здесь: Т- точность операционного размера;

ξб- погрешность базирования (точность расстояния между технологической и измерительной базой в направлении получаемого размера; измерительная база - необрабатываемая граница размера);

ξз- погрешность закрепления;

ξи- погрешность износа приспособления;

ξп.с.- погрешность положения приспособления;

ξпр- погрешность изготовления приспособления (точность расстояния между технологической и основной конструкторской базой приспособления в направлении получаемого размера; после определения показывается на чертеже приспособления);

ξп.у.- погрешность положения установа (точность расстояния между технологической базой и рабочей поверхностью установа в направлении получаемого размера; после определения показывается на чертеже приспособления).

К=0,7- коэффициент, учитывающий погрешности, обусловленные точностью положения заготовки и её закреплением;

ω- статистическая точность обработки.

Определение допустимой погрешности базирования, [ξБ], можно выполнить из выражения: Т = ω + [ξБ], где Т - точность (допуск) получаемого на операции размера; ω - статистическая точность метода обработки. Фактическая погрешность базирования, безусловно, должна быть меньше или равна допустимой погрешности, и определяется она по схеме базирования, как точность расстояния между технологической и измерительной базой.

Расчет ведем для размера  мм

Т - допуск на размер T = 200 мкм.

Определяем погрешность базирования

Зажим заготовки осуществляется по внутреннее поверхности детали с помощью гофрированных втулок.

Погрешность базирования призмах будет равна допуску на изготовления поверхности базирования  мкм

Расчёт СП в направлении размера 64 мм.

Операционная точность размера: Т(64)=0.2 мм

Погрешность базирования : ξБ(50)=0.025 мм

Расчётное выражение (1), с учётом известных значений:


Выявляем составляющие с нулевым значением (например, в порядке их записи слева направо).

ξЗ=0, так как привод зажимного устройства механизирован (пневмокамера); если перейти на ручной зажим, то также ξЗ=0, потому, что направление зажима перпендикулярно направлению получаемого размера, и следовательно, деформации СП не отражаются на точности размера.

Износу подвергаются левая и правая призмы ( опорная база); принимаем, что погрешность износа не равна нулю, .

Погрешность положения приспособления на станке в направлении получаемого размера, т.е., в вертикальном направлении, отсутствует, так как никакого зазора между основанием приспособления и столом станка нет: =0.

Погрешность приспособления так же не равна нулю, так как основная конструкторская и технологическая база в вертикальном направлении не совпадают.

Погрешность положения установа, определяемая точностью расстояния между указанной верхней образующей контрольной оправки и горизонтальной рабочей поверхностью установа, как следует, из рисунка 6, тоже не равна нулю.

Уравнение (1) с учётом нулевых значений составляющих:


Принимаем:

;


По найденному значению точности, соответствующему принятым условиям обработки, подбираем метод обработки.

Тогда получаем:

Из полученного уравнения определяем ξСР=0,268мм

Учитывая принятое равенство неизвестных средней величине, переходим на этап оценки и/или уточнения полученных результатов.

Известно, что величина износа (U) и погрешность износа связаны между собой выражением


где γ - угол между направлением износа и направлением получаемого размера (для прямой призмы и вертикального направления получаемого размера ).

Тогда,  =0,517 мм.

Из эмпирического выражения определяем количество (N) установок заготовок (нарастающим итогом до критического износа установочного элемента). Имеем: для призмы β=0,6; тогда 0,136х 1000= и N=51377 шт. Для деталей массой до 8 кg условиям среднесерийного производства отвечает максимальная годовая программа до 5000 штук; тогда приспособление «не износится» более 10 лет. Таким образом, для проектного расчёта можно считать, , и расчётное уравнение принимает иной вид:

Новое среднее значение составляющей погрешности (после решения уравнения):

 = 0,284 мм.

 мм

5.2 Расчёт силы зажима

Определение расчётной величины нажимного усилия;

Рис.4. Схема действия сил в приспособлении

Крутящий момент на валу фрезы равен 542 Нм (из предыдущих расчетов).

Разложим его на две составляющие : на горизонтальную и вертикальную. Сила от горизонтальной составляющей будет стремиться опрокинуть деталь, а сила от вертикальной составляющей будет стремиться прокрутить деталь вокруг своей оси.

Мкр гор. = Мкр х sin = 542 х sin 2.08 = 20 Нмкр верт = Mкр x cos = 542 х cos 2.08 = 541 Нм

где =2.08 - угол подъема витков фрезы (ГОСТ 9324-80)

Требуемая сила прижима, чтобы уравновесить силу опрокидывания

Рz= 1084 Н (из предыдущих расчетов)

в) Расчет гофрированных втулок [11, т.2, стр.154-161]

Исходные данные для расчета:

диаметр базового отверстия втулки dз=50H7 мм;

длина базового отверстия lз=85 мм;

поле допуска на диаметр dз= 25 мкм;

крутящий момент от сил резания Mкр = 541 Нм

) По известному значению диаметра dз базирования заготовки находим по таблице 21 [1, с.158] основные геометрические размеры гофрированной втулки:


D1= 49.8мм; D2=35.5 мм; h=0,75 мм; d1=46 мм; d2=38 мм; L=30,5 мм, l=10,5 мм, l1=9,5мм ; l2=4,5 мм; l3=6 мм

) Номинальный наружный диаметр гофрированной втулки, мм:

н = dз - гар = 50-0,02=49,98 мм

где: dз=50мм, гар= 0,02 мм

) Номинальный диаметр центральной расточки гофрированной втулки

= Dн - 2h = 49,98 - 2 х 1= 47,98 мм

) Приращение наружного диаметра

Dн = Dн+ dз + гар =4+25+20=49 мкм

где Dн= 4мкм - допуск на наружный диаметр гофрированной втулки;

) Осевое сжимающие усилие, которое нужно приложить к гофрированным втулкам для установки заготовки:

Рз=Dн /  = 49,98 /0,0088 = 5649 Н

где  = 0,0088 мкм/Н - расчетный коэффициент таб.21 [1,c.158]

) Наибольшее напряжение, возникающее в материале гофрированной втулки при нагружении осевым сжимающим усилием Рз,

=5649*0.089 = 505 МПа

где =0,089 1/мм2 - расчетный коэффициент таб.21 [1,c.158]

) Число гофрированных втулок оправки: n=2, если 2L<l3, n=1, если 2L >lзаг

) Крутящий момент, гарантированно передаваемый спроектированной оправкой равен

кр гар= 1,5 dз2 Рзn 10-4=1,5  49.982х 5649 х2 * 10-4 = 13292 Нм

Должно быть соблюдено условие:

кр гар >. Mкр х к = 542 х 2,5=1355 Нмм

где к=2,5 - коэффициент запаса

Условие соблюдено.

Qн = 5649 Н

Коэффициент запаса рассчитываем по формуле из /3, с.85 /

К = Ко*К1*К2*К3*К4*К5*К6

где Ко - коэффициент гарантированного запаса

К1 - коэффициент учитывающий увеличениесил резания из -за случайных неровностей

К2 - коэффициент характеризует увеличение сил резания вследствие затупления режущего инструмента.

К3 - коэффициент учитывает увеличение сил резания при прерывистом резании;

К4 - коэффициент характеризует постоянство закрепления в зажимном механизме

К6 - коэффициент учитывающий наличие моментов стремящихся повернуть заготовку, установленную плоской поверхностью на постоянные опоры

Значения Ко, К1, К3, К4, К5, К6 принимаем из /3, с.85/

Значения К2 принимаем из /3, с.84 табл 9/

К = 1.5*1*1*1*1.3*1*1=1.95

Так как значение К меньше 2.5 принимаем К=2.5

Qр = Qmax×k = 5649×2.5 = 14122 Н

Определение силовых и геометрических параметров двигателя зажимного устройства

Диаметр пневмоцилиндра определяем по формуле


 - давление сжатого воздуха в пневмосети 0.5 Мпа.

C учетом трения в механизме усилие Q будет равно

 Н

 мм

После округления до ближайшего большего нормального размера, получим окончательно D = 275 мм.

Для установки принимаем мембранный пневоцилиндр с тянущей силой на штоке большей 36000 Н, что больше необходимой силе зажима.

Рекомендуемая литература

1 Красикова А.Г. “Справочник технолога машиностроителя” в 2-х томах М. “Машиностроение” 1986 г.

. Режимы резания для токарных и сверлильно-фрезерных станков с числовым программным управлением: Справочник. 2-е изд. /Под ред. В.И Гузеева - М.: Машино-строение, 2007 г. 368 с, ил.

. Режимы резания на работы, выполняемые на шлифовальных и доводочных станках с ручным управлением и полуавтоматах: Справочник / Д. В. Ардашев [и др.]. - Челябинск: АТОКСО, 2007. - 384 с.

. Оснастка для станков с ЧПУ: Справочник /Ю. И. Кузнецов, А. Р. Маслов, А. Н. Байков. - 2-е изд., перераб. и доп. - М.: Машиностроение, 1990. - 512 с, ил.

. Технологические регламенты процессов металлообработки и сборки в машино-строении: учебное пособие/ А.Г. Схиртладзе, В.П. Борискин, А.И. Пульбере [и др.]. - 3-е изд., перераб. и доп. - Старый Оскол: ООО «ТНТ», 2009. - 424 с.

Локтев А.Д. “Общемашиностроительные нормативы режимов резания. ” Справочник в 2 - х томах. М. Машиностроение 1991 г.

Добрыднев И.С. курсовое проектирование по предмету “Технология машиностроения” М. Машиностроение 1985 г.

Ансеров М.А. “Приспособление для машинорежущих станков” М. “Машиностроение” 1975 г.

Силантьева Н.А. “Техническое нормирование труда в машиностроении.” М. “Машиностроение” 1998 г.

Моисеев В.В. “Проектирования приспособлений для металлорежущих станков” Методическое пособие. Ю-Сах ЮСГПИ 1994 г.

Анурьев В.И. “Справочник конструктора - машиностроителя в 3-х томах”, М. “Машиностроение” 1980 г.

Журавлев В. И. “Машиностроительные стали” Справочник, - М., “Машиностроение” 1992 г. 480с.

. Горбацевич А. Ф. , Шкред В. А. “Курсовое проектирование по технологии машиностроения” - Мн. Высшая школа, 1983 - 256 c.

. Худобин Л. В., Гурьянихин В. Ф. “Курсовое проектирование по технологии машиностроения” - М. “Машиностроение”, 1989 - 288 c.

. Жуков Э. Л., Козарь И. И. “Технология машиностроения” 2 книга - М. “Высшая школа”, 2005 г. - 295 c


Не нашли материал для своей работы?
Поможем написать уникальную работу
Без плагиата!
Без нейросетей!