Разработка автоматической системы машин для изготовления крышки на уровне технического проекта

  • Вид работы:
    Курсовая работа (т)
  • Предмет:
    Другое
  • Язык:
    Русский
    ,
    Формат файла:
    MS Word
    328,93 Кб
  • Опубликовано:
    2015-10-25
Вы можете узнать стоимость помощи в написании студенческой работы.
Помощь в написании работы, которую точно примут!

Разработка автоматической системы машин для изготовления крышки на уровне технического проекта

Содержание

Введение

. Анализ технологичности конструкции детали

. Разработка технологического процесса для условий неавтоматизированного производства

3. Расчет оптимальной структуры технологического оборудования

.1 Определение механизмов рабочих и холостых операций

.2 Определение времени внецикловых потерь

. Разработка технологического процесса для автоматизированного производства

. Выбор конструктивной схемы автоматической линии

. Разработка циклограммы работы автоматической линии

. Определение реальной производительности автоматической линии

. Разработка целевого механизма

Вывод

Перечень ссылок

Приложение А - Циклограмма работы автоматической линии

Реферат

Цель: разработка автоматической системы машин для изготовления крышка на уровне технического проекта.

В данной работе представлены технологические процессы для обработки крышки на универсальных станках в условиях серийного производства и в условиях автоматической линии. При разработке технологического процесса для автоматической линии были использованы принципы дифференциации и концентрации операций. В работе были рассчитаны потери по оборудованию и режущему инструменту, при выходе его из строя, построена циклограмма работы линии, рассчитана производительность линии, представлены структурная схема автоматической линии и загрузочного устройства.

ЛИНИЯ, АВТОМАТ, МАНИПУЛЯТОР, ЦИКЛ, ЗАГРУЗОЧНОЕ УСТРОЙСТВО, ТРАНСПОРТЕР.

Введение

Автоматизация современных производств является одним из важнейших путей повышения производительности труда и экономической эффективности производства. Любые новые неавтоматизированные технологические процессы и оборудование на современном этапе развития промышленности должны рассматриваться как частное, вынужденное решение, когда в конкретных условиях производства еще не созрели технические и экономические предпосылки для его автоматизации. При современном уровне научно-технического прогресса основной формой производства становится комплексно-автоматизированное и высокомеханизированное производство.

Целью курсовой работы является разработка автоматической системы машин для изготовления конкретной детали на уровне технического проекта.

автоматизированный циклограмма загрузочный крышка

1. Анализ технологичности конструкции детали

Данная деталь является телом вращения.

Материал данной детали - ст 3 ГОСТ 380-88,сталь конструкционная углеродистая обыкновенного качества, химический состав которой: С»0,14-0,22%, Si»0,15-0,3%, Mn»0,4-0,65%, остальное - железо. Механические свойства: sв=400МПа, sт=1080Мпа. Данный материал хорошо обрабатывается резанием. Данная деталь не нуждается в термообработке , достаточное количество свойств достигнуто при получении заготовки.

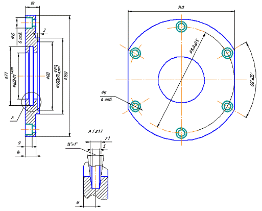
Представленный чертеж детали имеет все необходимые виды, разрезы, сечения, имеет всю информацию для ее изготовления. На чертеже данной детали указаны все размеры с допусками. На каждой поверхности указана шероховатость. Шероховатость всех поверхностей соответствует точности размеров, кроме Ø60Н11 и Ø100е9.Простановка размеров позволяет совмещать конструкторскую и технологическую базы и обеспечить автоматическое достижение точности на настроенных станках.

Конструкция данной детали позволяет ее обработку с применением стандартного и стандартизованного режущего и мерительного инструмента, а также универсальной оснастки. Конструкция детали позволяет вести обработку на универсальном металлорежущем оборудовании.

Не технологичными является : форма канавки ,не соответствует ширина форме стандартного режущего инструмента , на поверхности отсутствуют фаски и скругления.

Наиболее точными поверхностями детали являются поверхности: Ø60Н11 и Ø100е9. Остальные поверхности можно получить однократной механической обработкой.

В целом, деталь - технологична и не представляет трудностей при ее изготовлении.

2. Разработка технологического процесса для условий неавтоматизированного производства

Разработаем технологический процесс обработки крышки в условиях среднесерийного производства. Эскиз детали показан на рис. 1.

Рисунок 1 - Эскиз детали

В качестве заготовки принимаем штамповку (рис. 2).

Рисунок 2 - Эскиз штамповки

Токарная с ЧПУ

А. Установить и закрепить заготовку

1. Точить торец Ø100е9, цил. поверхность Ø100е9,торец Ø100/ Ø160,цил.пов-ть Ø160 последовательно по программе.

. Расточить цил.повть Ø60Н11предворительно по программе.

. Расточить цил.повть Ø60Н11окончательно по программе.

. Расточить цил.пов-ть Ø90 последовательно по программе.

. Точить канавку последовательно по программе.

Б. Установить и закрепить заготовку

6.Точить цил.пов-ть Ø100е9, цил.пов-ть Ø160 последовательно по программе.

. Точить цил.пов-ть Ø100е9 окончательно по программе.

Токарно-винторезная

А. Установить и закрепить заготовку

1. Подрезать торец Ø160 ,

2.Точить цил.поверхность Ø160,начерно.

020 Вертикально - фрезерная с ЧПУ

А. Установить и закрепить заготовку

1.Фрезеровать два паза последовательно по программе.

Вертикально-сверлильная с ЧПУ

А. Установить и закрепить заготовку

1. Сверлить 6 отверстия Ø9 последовательно по программе.

.Развернуть 6 отверстий Ø14 последовательно по программе.

Круглошлифовальная

А. Установить и закрепить заготовку

1.Шлифовать цил.пов- ть Ø100е9 окончательно.

Автоматизируются все операции обработки , кроме финишной операции.

Для операций выбранных для автоматизации, назначаем режимы резания и определяем основное (машинное) время выполнения переходов. При этом используются общемашиностроительные нормативы для технического нормирования работ на металлорежущих станках. Результаты выбора режимов резания и расчета основного времени сводится в табл. 1.

Таблица 1 - Режимы резания и нормы времени

№ п/п

Содержание перехода

Режущий инструмент

Режимы резания

D, мм

L, мм

toi, мин




t, мм

S, мм/об

Sm, мм/мин

V, м/мин

n, об/мин




1

Подрезать торец Ø100e9

Резец подрезной Т5К10

1,5

1,2

318

90

265

108

27,5

0,09

2

Точить цил. пов-ть Ø100e9 предварит.

Резец проходной Т5К10

1,5

1,2

344

90

287

100

5

0,01

3

Подрезать торец Ø100e9/ Ø 160.

Резец подрезной Т5К10

1,5

1,2

360

90

300

100/ 160

30

0,08

4

Расточить цил.пов-ть. Ø60Н11 предв.

Резец расточной Т5К10

2,0

0,6

255

80

425

60

22

0,086

5

Расточить цил.пов-ть. Ø60Н11 окончательно

Резец расточной Т15К6

1,0

0,2

159

150

796

60

22

0,138

6

Расточить цил.пов-ть. Ø90

Резец расточной Т5К10

3

0,6

170

80

283

90

16

0,09

7

Точить канавку Ø77

Резец канавочный Т15К6

7,1

0,2

66

80

330

77

9

0,136

8

Подрезать торец Ø160

Резец подрезной Т5К10

1,5

1,2

209

90

174

160

52

0,249

9

Точить цил. пов-ть Ø160

Резец проходной Т5К10

1,5

1,2

209

90

179

160

16

0,08

10

Фрезеровать лыску

Дисковая фреза Т5К10

10

0,1

119

120

1194

32

70

0,59

11

Фрезеровать лыску

Дисковая фреза Т5К10

10

0,1

119

120

1194

32

70

0,59

12

Сверлить отверстие Ø9

Сверло спиральное Р6М5

4,5

0,2

111,8

15,8

559

9

17

0,15

13

Сверлить отверстие Ø9

Сверло спиральное Р6М5

4,5

0,2

111,8

15,8

559

9

17

0,15

14

Сверлить отверстие Ø9

Сверло спиральное Р6М5

4,5

0,2

111,8

15,8

559

9

17

0,15

15

Сверлить отверстие Ø9

Сверло спиральное Р6М5

4,5

0,2

111,8

15,8

559

9

17

0,15

16

Сверлить отверстие Ø9

Сверло спиральное Р6М5

4,5

0,2

111,8

15,8

559

9

17

0,15

17

Сверлить отверстие Ø9

Сверло спиральное Р6М5

4,5

0,2

111,8

15,8

559

9

17

0,15

18

Зенковать отверстие Ø15

Зенкер Р6М5

6,75

0,2

63,6

15

318

15

9,5

0,002

19

Зенковать отверстие Ø15

Зенкер Р6М5

6,75

0,2

63,6

15

318

15

9,5

0,002

20

Зенковать отверстие Ø15

Зенкер Р6М5

6,75

0,2

63,6

15

318

15

9,5

0,002

21

Зенковать отверстие Ø15

Зенкер Р6М5

6,75

0,2

63,6

15

318

15

9,5

0,002

22

Зенковать отверстие Ø15

Зенкер Р6М5

6,75

0,2

63,6

15

318

15

9,5

0,002

23

Зенковать отверстие Ø15

Зенкер Р6М5

6,75

0,2

63,6

15

318

15

9,5

0,002

Итого

∑toi =3,049


Разработка технологического процесса изготовления деталей - задача многовариантная. Критерием оценки варианта принимаем технологическую производительность, которая определяется по формуле:

, мин-1,

где i - i -ый переход технологического процесса таблицы 1;

n - количество переходов.

 мин-1

Технологическая производительность является первой оценкой автоматизированной системы машин до разработки ее конструкции и основанием для расчета оптимальной дифференциации и концентрации операций в многопозиционной машине или автоматической линии.

При реализации технологического процесса на однопозиционных машинах автоматически выполняются только рабочие составные операции. Холостые операции (или часть их) выполняет оператор (станочник) вручную с использованием средств механизации. Задача разработчика автоматической системы машин заключается в автоматизации холостых операций, которые выявляются, используя разработанный технологический процесс для неавтоматизированного производства. К таким операциям относятся действия, связанные с ориентацией заготовок в пространстве, подачей их в зону обработки, установкой в приспособление, фиксацией, установкой и закреплением инструментов в исходное положение и т. д.

Используя разработанный технологический процесс изготовления детали в условиях неавтоматизированного производства, перечислим наименования холостых операций, которые необходимо автоматизировать при разработке автоматической линии. Сведем их в таблицу 2.

Таблица 2 - Перечень холостых операций, которые необходимо автоматизировать в многопозиционной машине или автоматической линии.

№ п/п

Наименование рабочей операции

Наименование вспомагательной операции

1

Подрезать торец Ø100e9

1. Транспортировать заготовку 2. Ориентировать заготовку 3. Подать з-ку в рабочую зону 4. Закрепить заготовку 5. Подвод инструмента 6. Отвод инструмента

2

Точить цил. пов-ть Ø100e9 предварительно

1. Смена инструмента 2. Подвод инструмента 3. Отвод инструмента

Подрезать торец Ø100e9/160

1. Смена инструмента 2. Подвод инструмента 3. Отвод инструмента

4

Расточить цил. пов-ть Ø60Н11 предварительно

1. Смена инструмента 2. Подвод инструмента 3. Отвод инструмента

5

Расточить цил. пов-ть Ø60Н11 окончательно

1. Смена инструмента 2. Подвод инструмента 3. Отвод инструмента

6

Расточить цил. пов-ть Ø90

1. Смена инструмента 2. Подвод инструмента 3. Отвод инструмента

7

Точить канавку

1. Смена инструмента 2. Подвод инструмента 3. Отвод инструмента 4.Раскрепление з-ки 5.Удаление з-ки из раб.зоны

8

Подрезать торец Ø160

1. Ориентировать заготовку 2. Подать з-ку в рабочую зону 3. Закрепить заготовку 4. Подвод инструмента 5. Отвод инструмента

9

Точить цил. пов-ть Ø160

1. Смена инструмента 2. Подвод инструмента 3. Отвод инструмента 4.Раскрепление з-ки 5. Удаление з-ки из раб.зоны

10

Фрезеровать 2-е лыски

1. Транспортировать заготовку 2. Ориентировать заготовку 3. Подать з-ку в рабочую зону 4. Закрепить заготовку 5. Подвод инструмента 6. Отвод инструмента 7. Подвод инструмента 8. Отвод инструмента 9.Раскрепление з-ки 10.Удалить з-ку из раб.зоны

11

Сверлить 6 -ть отверстий Ø9

1. Транспортировать заготовку 2. Ориентировать заготовку 3. Подать з-ку в рабочую зону 4. Закрепить заготовку 5. Подвод инструмента 6. Отвод инструмента 7.Подвод инструмента 8.Отвод инструмента 9.Подвод инструмента 10.Отвод инструмента 11.Подвод инструмента 12.Отвод инструмента 13.Подвод инструмента 14.Отвод инструмента 15.Подвод инструмента 16.Отвод инструмента

12

Зенковать 6-ть отверстие Ø15

1.Смена инструмента  2. Подвод инструмента 3. Отвод инструмента 4.Подвод инструмента 5. Отвод инструмента 6.Подвод инструмента 7. Отвод инструмента 8.Подвод инструмента 9. Отвод инструмента 10.Подвод инструмента 11. Отвод инструмента 12Подвод инструмента 13. Отвод инструмента 14.Раскрепление з-ки 15.Удалить з-ку из раб.зоны


3. Расчет оптимальной структуры системы технологического оборудования

.1 Определение механизмов рабочих и холостых операций

Разработка структуры системы технологического оборудования производится на основе списка рабочих и холостых операций.

При разработке автоматических линий и многопозиционных машин могут быть использованы унифицированные, нормализованные, оригинальные и специальные механизмы для выполнения рабочих и холостых ходов. Для повышения надежности системы технологического оборудования необходимо стремиться к минимально возможному числу механизмов.

3.2 Определение времени внецикловых потерь

Внецикловые потери являются случайными величинами и оказывают существенное влияние на основную характеристику системы технологического оборудования - производительность.

При определении основных параметров многопозиционной машины или автоматической линии необходимо знать величину внецикловых потерь по оборудованию и инструменту (tп)


где, Σtei - суммарные потери по оборудованию, мин

ΣСpj - суммарные потери по инструменту, мин

Расчет потерь по оборудованию производим по формуле:


где, Σtno - средняя длительность простоев, приходящихся на 100 минут работы механизма, мин

tpj - время работы механизма рабочего и холостого ходов, мин

nj - число одинаковых механизмов, работающих одинаковое время.

Результаты потерь по оборудованию сводим в таблицу 3.

Таблица 3 - Расчет потерь по оборудованию

№ п/п

Наименование механизмов

tno, мин на 100 мин работы

, мин

1

Узел поперечных суппортов

0,6

0,003

2

Узел продольных суппортов

0,7

0,002

3

Сверлильная головка

0,03

0,00027

4

Фрезерная бабка с ременным приводом вращения шпинделя

0,4

0,0047

5

Самодействующая гидравлическая силовая головка

0,25

0,007

6

Гидравлическое оборудование

0,35

0,01

7

Электрооборудование фрезерного участка

0,50

0,015

8

Электрооборудование других учатков

1,43

0,04

9

Централизованная система подачи СОЖ

0,24

0,007

Итого

0,089


Зная технологическую производительность и внецикловые потери по оборудованию, определяем оптимальное число позиций структуры системы технологического оборудования (оптимальную степень дифференциации технологического процесса) q по формуле:


Принимаем q = 6 позиций.

4. Разработка технологического процесса для автоматизированного производства

Приняв за основу ранее разработанный технологический процесс и используя принцип дифференциации и концентрации операций, составляем технологический процесс для автоматизированного производства, в котором число совмещенный операций должно стремиться к оптимальному числу позиций q. Новый технологический процесс сведем в таблицу 4.

Таблица 4 - Структура технологического процесса в автоматизированном производстве при совмещении операций

№ п/п

Наименование инструментальных переходов по позициям автоматической линии

Sоб, мм/об

Sмин, мм/мин

n, об/мин

V, м/мин

L, мм

Рабочее время выполнения перехода, мин

1

Точить торец Ø160/100e9, торец Ø100е9

0,6

318

265

90

30

0,19


Точить цил. п-ть Ø100е9, расточить Ø60Н11 предв.


172


50

22

0,138

2

Расточить цил. п-ть Ø90, точить канавку

0,2

57

283

80

16

0,28

3

Точить торец Ø160,

1,2

209

174

90

52

0,25


точить цил. п-ть Ø160





16

0,08

4

Расточить точить цил. п-ть Ø60Н11 окон.,точить цил. п-ть точить цил. п-ть Ø100е9 окон.

0,2

56

280

150

22

0,39

5

Фрезеровать 2-е лыски

0,1

119

1194

120

70

0,59

6

Сверлить и цековать 6-ть отв.

0,07

111,8

1676

50


0,14

Итого

∑toi =2,058


Уточняем технологическую производительность ko.


Совмещенные переходы по позициям автоматической линии приведены в приложении Б.

Выбранное количество позиций в автоматической линии совпадает с расчетным количеством позиций в линии, это обеспечивает максимальную производительность.

5. Выбор конструктивной схемы автоматической линии

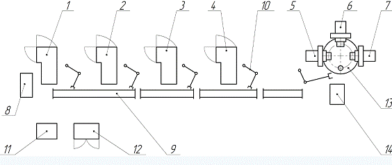
На основании совмещенных технологических переходов, осуществляется компоновка станков, входящих в автоматическую линию. Станки в автоматической линии должны соответствовать массовому типу производства (специальные и специализированные).

Так как основное время обработки на станке эквивалентно его производительности, то необходимо сравнивать основные максимальные времена работы i - го и (i+1) станков. Так как изменение основных времен соседних станков составляет более 10%, то связь между станками гибкая, т.е. необходимо между станками устанавливать накопитель. Накопители разделяют автоматическую линию на участки.

Составляем таблицу в которой указываем с помощью какого механизма осуществляется реализация холостого хода.

Таблица 5 - Перечень холостых операций, которые автоматизированы в автоматической линии

№ п/п

Наименование рабочей операции

Наименование холостой операции, обеспечивающей выполнение рабочей операции

Механизмы реализации холостых ходов

1

Точить торец Ø144h11, цил. пов-ть Ø144h11, цил. пов-ть Ø110Н7, торец Ø110Н7/Ø100 предварительно

Подать з-ку в рабочую зону Закрепить з-ку Удалить з-ку из раб. зоны

Загрузочное уст-во Шпиндель станка Манипулятор

2

Точить торец Ø118k6, торец Ø144h11/ Ø118k6, цил. пов-ть Ø100, цил. пов-ть Ø118 k6 предварительно

Транспортировать з-ку Подать з-ку в рабочую зону Закрепить заготовку Удалить з-ку из раб. зоны

Скат Манипулятор Шпиндель станка Манипулятор

3

Точить цил. пов-ть Ø110Н7, цил. пов-ть Ø144h11, фаску 1х45°, канавку окончательно

Транспортировать з-ку Подать з-ку в рабочую зону Закрепить заготовку Удалить з-ку из раб. зоны

Скат Манипулятор Шпиндель станка Манипулятор

4

Точить цил. пов-ть Ø118 k6, фаску 1х45°, окончательно

Транспортировать з-ку Подать з-ку в рабочую зону Закрепить заготовку Удалить з-ку из раб. зоны

Скат Манипулятор Шпиндель станка Манипулятор

5

Сверлить 4 отверстия Ø7

Транспортировать з-ку Подать з-ку в рабочую зону Закрепить заготовку

Скат Манипулятор Приспособ. специальное

6

Фрезеровать паз R4

Переместить з-ку на др. поз.

Поворотный стол

7

Фрезеровать паз R4

Переместить з-ку на др. поз. Удалить з-ку из раб. зоны

Поворотный стол Манипулятор


Компоновка автоматической линии представлена на рисунке 4.

Рисунок 4 - Компоновка автоматической линии: 1 - 7 - станки; 8 - загрузочное устройство; 9 - скат; 10 - манипулятор; 11 - пульт управления; 12 - инструментальный шкаф; 13 - поворотный стол; 14 - тара для готовых деталей

6. Разработка циклограммы работы автоматической линии

Циклограмма работы автоматической линии как графическое изображение последовательности работы механизмов строится на основании расчета цикла работы машин:

Тц=toi max+,

где, Тц - время цикла;

toi max - основное время наиболее длительной операции;

         - суммарная длительность не совмещенных холостых операций.

Холостые ходы являются цикловыми потерями времени, так как они происходят в процессе работы, и определяются на данном этапе проектирования по следующей зависимости:

txx=0,3·to max = 0,3·0,66 = 0,2 мин

где, tomax = 0,66 мин - время выполнения наиболее длительной из несовме - щенных рабочих операций.

Используя карты наладок, перечень и функции основных механизмов, строим циклограмму автоматической линии, в которой отражается последовательность срабатывания механизмов.

Циклограмма работы автоматической линии приведена в приложении А.

7. Определение производительности реальной автоматической линии

Одним из важных критериев оптимальности конструкции автоматической линии является критерий максимума производительности. Обобщенная зависимость, определяющая производительность автоматической системы, определяется по формуле:

; (шт/смену)

где, kзагр - коэффициент загрузки линии (kзагр =0,85¸0,90);

         р - число параллельных потоков обработки (р=1,2,3…);

q - число позиций линии;

tomax - время выполнения наиболее длительной из несовмещенных рабочих операций;

txx - время холостых ходов,

 - уточненные суммарные потери по оборудованию для реальной автоматической линии;

 - уточненные суммарные потери по инструменту для реальной автоматической линии;

nу = 5 - количество участков в линии;

W = 1,2 - коэффициент возрастания простоев лимитирующего участка вследствие неполной компенсации потерь накопителями.

Определение суммарных потерь по оборудованию для структуры системы технологического оборудования выполняется на основе корректировки списка необходимых механизмов и систем для реализации технологического процесса.

Уточненные суммарные потери времени по оборудованию и инструменту сведем в таблицы 6 и 7.

Таблица 6 - Уточненные потери времени по оборудованию

№ п/п

Наименование механизмов

tno, мин на 100 мин работы

, мин, мин


1

Шпиндельный блок с механизмом зажима

0,05

1,5

0,00075

2

Сверлильно-расточная коробка с числом шпинделей до 15

0,06

0,03

0,00002

4

Узел поперечных суппортов

0,06

0,14

0,0001

5

Узел продольных суппортов

0,07

1,36

0,0001

6

Фрезерная бабка с ременным приводом вращения шпинделя

0,04

0,11

0,00004

7

Поворотный стол

0,1

0,07

0,0001

8

Загрузочное устройство

0,5

0,1

0,0005

9

Гидравлическое оборудование участка линии

0,53

1,96

0,01

10

Электрооборудование фрезерного участка линии

0,5

0,13

0,001

11

Электрооборудование других участков линии

1,43

1,83

0,03

12

Централизованная система подачи СОЖ

0,48

1,96

0,009

Итого

=0,0516


При применении многоинструментальных наладок время, необходимое на замену инструмента при его износе tз, должно быть увеличено на 20% на каждый дополнительный инструмент в наладке.

Таблица 7 - Уточненные потери времени по инструменту

№ п/п

Инструмент

to, мин

T, мин

tз+tс, мин

Cp, мин

1.

Наладка 1

0,24

50

2,3

0,0110

2.

Наладка 2

0,12

50

2,6

0,0062

3.

Наладка 3

0,34

50

4,98

0,0339

4.

Наладка 4

0,66

50

3,78

0,0499

5.

Наладка 5

0,03

25

1,78

0,0021

6.

Фреза концевая Ø8

0,11

35

1,18

0,0037

Итого

= 0,1068


Производительность реальной автоматической линии:

(шт/смену)

8. Разработка целевого механизма

В качестве целевого механизма рассмотрим загрузочное устройство. Данное устройство магазинного типа, характеризуется тем, что процесс подачи штучных заготовок, при котором ориентация и закладка их в магазин (лоток - накопитель) производится вручную, а подача из лотка - накопителя в шпиндель - автоматически. На рис. 5 показано загрузочное устройство, применяемое в этой линии.

Заготовка 2 закладывается в лоток - накопитель 1, скатывается по нему до упора в отсекатель 3, который приводится в движение при помощи пневмоцилиндра 5. Отсекатель отделяет заготовку, которая под действием силы тяжести падает на питатель 6. Заталкиватель 4 подает заготовку непосредственно в шпиндель станка.

Рисунок 5 - Загрузочное устройство: 1 - лоток - накопитель; 2 - заготовка; 3 - отсекатель; 4 - заталкиватель; 5 - привод отсекателя (пневмоцилиндр); 6 - питатель.

Вывод

В результате выполнения курсовой работы была спроектирована автоматическая линия механической обработки деталей крышка, разработана схема компоновки автоматической линии, схема целевого механизма (загрузочное устройство магазинного типа).

По степени гибкости разработанная автоматическая линия является переналаживаемой, поскольку может использоваться для обработки заготовок схожей конфигурации и массы. По типу связи является несинхронной (с гибкой связью), по принципу применяемых приспособлений является бесспутниковой линией.

Производительность реальной автоматической линии составляет 435 шт/смену.

Перечень ссылок

1. Методические указания к выполнению курсовой работы по курсу «Автоматизация производственных процессов в машиностроении» (для студентов специальности 7.090202) / Сост. В.В. Польченко, А.Л. Ищенко, А.В. Матвиенко. - Донецк, ДонНТУ, 2004. 18 с.

. Анурьев В.И. Справочник конструктора-машиностроителя: В 3-х т. - М.: Машиностроение, 1978.

. Обработка металлов резанием: Справочник технолога/ А.А. Панов, В.В. Аникин, Н.Г. Бойм и др.; Под общ. Ред. А.А. Панова. - М.: машиностроение. 1988. - 736с.

. Кузнецов М.М., Волчкевич Л.И. Автоматизация производственных процессов. - М.: Высш. шк. 1978. - 431 с.

. Лотки для автоматической загрузки станков./Под ред. В.П. Боброва. - М.: МАШГИЗ, 1951.

. Шаумян Г.А. Комплексная автоматизация производственных процессов. М.: Машиностроение, 1973. - 640 с.

Похожие работы на - Разработка автоматической системы машин для изготовления крышки на уровне технического проекта

 

Не нашли материал для своей работы?
Поможем написать уникальную работу
Без плагиата!
Без нейросетей!