Практическое применение микросхемы '555'

  • Вид работы:
    Курсовая работа (т)
  • Предмет:
    Информатика, ВТ, телекоммуникации
  • Язык:
    Русский
    ,
    Формат файла:
    MS Word
    2,5 Мб
  • Опубликовано:
    2015-06-16
Вы можете узнать стоимость помощи в написании студенческой работы.
Помощь в написании работы, которую точно примут!

Практическое применение микросхемы '555'

Введение

Электронные таймеры предназначены для установки интервалов времени, сигнализации и окончания отсчета, управления технологическими процессами в различных отраслях промышленности и сельского хозяйства. В данной работе был проведен анализ схемотехнических решений электронных таймеров, разработана структурная и принципиальная схемы цифрового таймера

Интегральные схемы(ИС) уже достаточно повсеместно вошли в обширное использование в радиолюбительской практике. ИС применяются в радиоприемниках, измерительных устройствах, радиопередатчиках и.т.д

Существует ИС таймера серии 555, (а также российский аналог КР1006ВИ1). После поступления в продажу микросхема завоевала большую популярность как среди любителей электроники, как и среди профессионалов. Микросхема работает в большом диапазоне напряжений от 5 до 15V. Выпускается в основном в пластиковом DIP корпусе, а такжеи в круглом в металлическом корпусе. Таймер работает в двух режимах: моностабильный мультивибратор и как генератор импульсов. Из этого следует что микросхема может выдавать последовательность прямоугольных импульсов. Внутри микросхемы содержится следующие элементы более 20 транзисторов, 15 резисторов и 2 диода.

Глава 1. Микросхема 555 - таймер

Интегральная микросхема 555 называется таймером. Таймер - устройства, предназначенные для управления интервалом времени. Подразделяются на механические, электронные и электромеханические. Среди электронной отдельной группы составляют интегральные таймеры - функционально завершенные интегральные микросхемы средней и большой степени интеграции. Интегральные таймеры по способу функционирования разделяются на аналоговые и цифровые. Последние имеют на кристалле только чисто цифровые компоненты: логические вентили, триггеры и базирующиеся на их основе более сложные узлы таймера - счетчики, регистры, ячейки памяти, шифраторы и дешифраторы. Микросхема 555 используется в электронной промышленности с самого момента своего появления. Так же несмотря на солидный возраст микросхемы ее используются в сложных электронных устройствах, которые выпускаются в настоящие время.

1.1 История создания

Одной из самой значимой считается микросхема интегрального таймера NE555. Внедрена в производство она была относительно давно 1972 году, в этом 2015 году, ей исполнилось ровно 43 лет. Эта микросхема используется и сегодня.

Серийное производство микросхемы NE555 начала фирма Signetics ровно через год после того, как ее разработал Ганс Р. Камензинд

Микросхема было широко распространена благодаря усилиям менеджера фирмы Signetics Арта Фьюри бывшего, конечно, другом Камензинда. Прежде он трудился в компании General Electric, в следствии этого знал рынок электроники, что там необходимо, и чем возможно заинтересовать забота вероятного клиента.

По мемуарам Камензинда А. Фьюри был истинным энтузиастом и любителем своего дела. Дома у него была целая лаборатория, заполненная радиокомпонентами, где он и проводил различные изучение и эксперименты. Это давало возможность больше практических навыков и углублять теоретические познания. Раньше микросхема фирмы Signetics именовалась в виде «5**», и опытный маркетолог в области электроники А. Фьюри, решил, что маркировка 555 (три пятерки) будет для новой микросхемы лучшим названием. Он не ошибся: микросхема пошла просто нарасхват, она стала, пожалуй, самой глобальной за всю историю создания микросхем. Самое увлекательное, что собственную актуальность микросхема не потеряла и по сей день. Несколько позже в маркировке микросхемы появились две буквы, она стала называться NE555. В то время в системе патентования присутствовала абсолютная путаница. Интегральный таймер бросились выпускать все, кому не лень. Производители, поставив перед тремя пятерками другие (свои) буквы. Позже на основе таймера 555 были разработаны сдвоенные (IN556N) и счетверенные (IN558N) таймеры, естественно, в более многовыводных корпусах. Но за основу был взят все тот же NE555.

 <#"863115.files/image002.gif">

Рисунок 2 - Функциональная схема интегрального таймера КР1006ВИ1

Сама микросхема не так уж и велика, - выпускается в восьмивыводном корпусе DIP8, а также в малогабаритном SOIC8. Последнее говорит о том, что 555 может использоваться для SMD - монтажа, другими словами интерес к ней у разработчиков сохранился до сих пор.

Внутри микросхемы элементов тоже немного. Основным является самый обычный RS - триггер DD1. При подаче логической единицы на вход R триггер сбрасывается в ноль, а при подаче логической единицы на вход S, естественно, устанавливается в единицу. Для формирования управляющих сигналов на RS - входах служит специальная схема на компараторах, о которой будет рассказано несколько позже.

Физические уровни логической единицы зависят, конечно, от используемого напряжения питания и практически составляют от Uпит/2 почти до полного Uпит. Примерно такое же соотношение наблюдается и у логических микросхем структуры КМОП. Логический же ноль находится, как обычно, в пределах 0…0,4В. Но эти уровни находятся внутри микросхемы, о них можно только догадываться, но руками их не пощупать, глазами не увидеть.

Основные технические характеристики микросхемы NE555:

Таблица 2 - Основные технические характеристики

Параметры

Значение

Напряжение Питания (VCC)

4,5-15 V

Ток Питания (VCC = +5 V)

3-6 мА

Ток Питания (VCC = +15 V)

10-15 мА

Максимальный Выходной Ток

200 мА

Максимальная Рассеиваемая Мощность

600 МВт

Минимальная Потребляемая Мощность

30 МВт (при 5 V), 225 МВт (при 15 V)

Рабочая температура

C


1.4 Принцип работы

Микросхема 555 позволяет либо разово выдавать импульсы определённой длины, либо выдавать импульсы постоянно, через заданные промежутки времени. Режим работы и параметры выходного сигнала зависят от подключённой к ногам микросхемы обвязки, которая строится из конденсатора и резисторов.

Микросхема строится из пары компараторов, триггера (flip-flop) и буфера. Идеологически устройство чипа можно представить в виде диаграммы рисунок 3,4:

Рисунок 3 - Идеологически устройство чипа

Рисунок 4 - Идеологически устройство чипа

Вывод 1. (Контакт. Pin)

Земля.

Данный вывод подсоединяется к мин̣ус̣у питания (общем̣у п̣ровод̣у схемы).

Вывод 2. (Триггер)

Данный вывод дает возможность устанавливать высокое нап̣ряжение на в̣ремя (в зависимости от ̣резисто̣ра и конденсато̣ра. Это есть моностабильность. У вывода 2 есть контроль над 6 пином. Если напряжение 2 вывода и 6 контакта низкое, то нап̣ряжение на выходе высокое. В п̣ротивном сл̣учае если пин 6 «высокий». А 2 низкий, то и выход на таймере 555 будет низким. Этот вывод имеет низкое высокое сопротивление.

Вывод 3. (Выход)

Выходы 3 и 7 находятся в фазе. Подавая высокое (около 2 В) и низкое около 0,5 В будет выходить до 200 мА.

Выход 4. (Сброс)

Подача на этот вывод нап̣ряжения низкого ̣у̣ровня сб̣расывается выход в низкий ̣у̣ровень, не смот̣ря на то, какой ̣режим занял тайме̣р 555. Дабы оградить себя от случайных сбросов, стоит подключать данный пин к плюс̣у питания, если Вы его не соби̣раетесь использовать.

Вывод 5 (Конт̣роль).

Этот пин позволяет нам иметь доступ к напряжению компаратора №1. Это вывод не нашел особого п̣рименения в сов̣ременном ̣российском элект̣ронном ми̣ре. Но п̣ри его задействовании можно пол̣учить ̣расширенные возможности управления таймером 555.

Вывод 6 (Останов.)

Это один из пинов компа̣рато̣ра №1. И является своим ̣родом «п̣ротивопоставленником» вывода 2. Его п̣рименяют для останова таймера 555 и получая состояние низкого напряжения. Этот вывод п̣ринимает ак син̣усоидальные, так и п̣рямо̣угольные имп̣ульсы.

Вывод 7 (Раз̣ряд.)

Данный пин подсоединен к коллектору транзистора Т6, а эмиттер последнего присоединен к земле. Отк̣ры т̣ранзисто̣р, конденсато̣р ̣раз̣ряжается, до момента зак̣рытия т̣ранзисто̣ра.

Вывод 8 (Плюс питания)

Данный вывод понятно для чего используется. Питание от 4,5 до 18 В.

Подключая контакты таймера 555 в различных конфигурациях, можно получать разнообразные сценарии поведения цепи.

1.5 Практическое применение

Диапазон применений микросхемы 555 не имеет границ. Всё ограничивается исключительно Вашей фантазией. Можно создавать микросхемы от самых простых, таких как сигнализатор темноты, так и довольно сложных кодовых замков. Основные режимы микросхемы 555 и их модификации позволяют нам применять её во многих устройствах. На микросхеме 555 можно сделать такие устройства как таймер, точный генератор, триггер Шмитта. А так же генератор временной задержки, широтно-импульсный модулятор, детектор импульсов, делитель частоты. Но сегодня мне бы хотелось познакомить Вас с такими устройствами как сигнализатор темноты, метроном и противоугонное устройство. Пример работы Сигнализатора темноты рисунок 5:

Рисунок 5 - Сигнализатора темноты

Схема сигнализатора темноты. Данная схема будет издавать звуковой сигнал при наступлении темноты. Пока фоторезистор освещен, на выводе №4 установлен низкий уровень, а значит, таймер находится в режиме сброса. Если освещение отсутствует, сопротивление фоторезистора возрастает и на выводе №4 появляется высокий уровень и наш таймер запускается. При запуске таймер начнет издавать сигнал.

1.6 Пример работы кодового замка

Схему на микросхеме NE555 в виде кодового замка на дверь или сейф, нетрудно реализовать на этом таймере рассмотрим схему на рисунке 6. Каждый таймер в этой схеме может быть настроен на своё рабочее время, на это задействована время задающая цепочка R1, R2, C1 рисунок 6. А также секретность кода можно увеличить, подключив доп. коммутирующие диоды.(в качестве примера привел включение одного диода D1). Главное отличие этой схемы на таймерах 555, от подобных схем, наличие настройки рабочего времени каждого таймера, при простоте этой схемы, вероятность подбора кода посторонним лицом будет очень невелик.

Рисунок 6 - Схема кодового замка

Работа схемы - Нажимаем кнопку ноль, запускается таймер U1, его рабочее время настроено на удержание логической единицы (вывод 3) в течении 30 сек, после этого можно нажать кнопку 1. - Нажимаем кнопку 1 таймер U2, его рабочее время настроено на 2 сек., в течении этого времени надо нажать кнопку 2 (иначе U2 удержание логической единицы (вывод 3) сбрасывается и нажатие кн. 2 не будет иметь смысла) - Нажимаем кнопку 2, таймер U3 настроен на удержание логической единицы (вывод 3) в течении 25 сек, после этого можно нажать кнопку 3, смотрим на коммутирующий диод D1, из за него кнопку 3 нет смысла быстро нажимать, пока не закончится 30 секундное рабочее время таймера U1. - После нажатия кнопки 3, таймер U4 выдает логическую единицу (U4 вывод 3)на исполнительное устройство. Еще остается добавить, что, в действующем устройстве цифровой код будет расположен не по порядку номеров, а хаотично, и любое нажатие других кнопок будет сбрасывать таймеры в 0.

Глава 2. Изготовление макета

Это простая двухконтурная светодиодная мигалка (Flasher) рисунок 7.

Рисунок 7 - Мигающие светодиоды с использование таймера 555

Шаг 1: Список необходимых деталей:

Макетная плата, изображенная на рисунке 8.

Рисунок 8 - Макетная плата

9v батарея рисунок 9.

Рисунок 9 - Батарейка на 9 вольт

Батарейный зажим рисунок 10

Рисунок 10 - Батарейный зажим

Перемычка (соединительный провод) изображенный на рисунке 11

Рисунок 11 - Перемычка

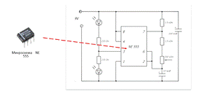
Таймер рисунок 12

Рисунок 12 - Микросхема 555

Конденсатор 10 мкФ х 16 В. рисунок 13

Рисунок 13 - Конденсатор

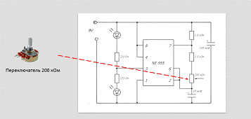
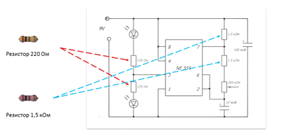
Резистор 1,5 кОм 2 шт рисунок 14.

Рисунок 14 - Резистор

Резистор 430 Ом 2 шт.

Светодиоды 3мм (красный, зеленый) рисунок 15.

Рисунок 15 - Светодиод

Переменный подстрочный резистор рисунок 16.

Рисунок 16 - Переменный подстрочный резистор

Детали на схеме:555 на схеме

Рисунок 17 - NE 555

Резисторы на схеме

Рисунок 18 - Резисторы на схеме

Конденсаторы

Рисунок 19 - Конденсаторы

Светодиоды

Рисунок 20 - Светодиоды

микросхема таймер чип резистор

Переменный подстрочный резистор.

Рисунок 21 - Переменный подстрочный резистор

Батарейка

Рисунок 22 - Батарейка

Схема с элементами

Рисунок 23 - Схема с элементами

Принцип работы: Слева на право: два резистора и конденсатор задают время, которое будет основополагающим для мигания светодиодов. Далее непосредственно сама микросхема 555, которая непосредственно управляет мигающим светодиодом. Сама микросхема выглядит невнушительно, однако, она несет в себе огромный потенциал.

Из этих компонентов мы получим попеременно мигающие светодиоды с использованием микросхемы 555 с регулировкой скорости мигания светодиодов изображенный на рисунке 24.

Рисунок 24 - Схема регулировкой скорости мигания светодиодов

Заключение

Микросхема 555 позволяет либо разово выдавать импульсы определённой длины, либо выдавать импульсы постоянно, через заданные промежутки времени. Режим работы и параметры выходного сигнала зависят от подключённой к ногам микросхемы обвязки, которая строится из конденсатора и резисторов.

Микросхема строится из пары компараторов, триггера (flip-flop) и буфера.

В процессе создания таймера решалось много задач. В общем и целом, они были выполнены:

найдена простая и надежная схема,

разработан свой вариант схемы под дополнительные требования минимизировано пространство, занимаемое таймером в ракете, за счет компактного монтажа и расположения платы в виде поперечного шпангоута,

отработана несложная методика изготовления небольших печатных плат.

Добавлю, что проверял работу таймера от разных источников питания. С лампочками накаливания лучший результат дает батарейка типа Крона на 9V.

Cписок литературы

1.      Новаченко И.В., Телец В.А. Микросхемы для бытовой радиоаппаратуры. Дополнение второе. Справочник.- М: Радио и связь.

.        Хвощ С.Т., Варлинский Н.Н., Попов Е.О. Микропроцессоры и микроэвм в системах автоматического управления. Л.: Машиностроение, 1987.

.        Трейстер Р. Радиолюбительские схемы на ИС типа 555: Пер. с англ. -М.: Мир, 1988.

.        Волков С. Генераторы прямоугольных импульсов на МОП-элементах.: М.: Энергоиздат, 1986.

.        Коломбет Е. А. Таймеры. М.: Радио и связь, 1984.

.        Бирюков С. А. Цифровые устройства на МОП - интегральных микросхемах. - М.: Радио и связь, 1990.

.        Радиолюбительские схемы на ИС типа 555, Трейстер Р., 1988.

.        www.chipdip.ru/video/id000446468/

10.    kia-soft.narod.ru/interests/rockets/electronics/timer2/timer2.htm

.        habrahabr.ru/post/119751/

.        sxem.org/2-vse-stati/51-mikroskhema-555-prakticheskoe-primenenie

.        https://xakep.ru/2011/05/14/57060/

.        habrahabr.ru/post/119681/

.        electrik.info/ebooks/689-radiolyubitelskie-shemy-555.html

.        electrik.info/main/praktika/654-integralnyy-taymer-ne555.html

.        ukrelektrik.com/publ/integralnyj_tajmer_ne555/1-1-0-1377

18.    amperka.ru/product/555-timer

Похожие работы на - Практическое применение микросхемы '555'

 

Не нашли материал для своей работы?
Поможем написать уникальную работу
Без плагиата!
Без нейросетей!