Производство земляных работ

  • Вид работы:
    Дипломная (ВКР)
  • Предмет:
    Другое
  • Язык:
    Русский
    ,
    Формат файла:
    MS Word
    273,42 Кб
  • Опубликовано:
    2016-01-07
Вы можете узнать стоимость помощи в написании студенческой работы.
Помощь в написании работы, которую точно примут!

Производство земляных работ

Введение

Возведение зданий и сооружений складывается из ряда строительных работ, которые подразделяются на отдельные процессы.

При этом выполнение строительных работ осуществляется в определенной технологической последовательности: подготовительные работы, производство работ подземной части или так называемый нулевой цикл, возведение надземной части, отделочные работы и благоустройство территории.

Возводимые в настоящее время здания и сооружения становятся с каждым годом все сложнее, что повышает требования к их основаниям и фундаментам. Строительная практика показывает, что именно в области фундаментостроения в наибольшей мере скрыты резервы повышения эффективности и качества строительных работ.

Работы нулевого цикла при возведении зданий и сооружений включают в себя земляные работы и устройство фундаментов, на долю которых приходится 15% трудовых и до 40% общих затрат времени.

Земляные сооружения на объектах всех видов строительства, отличающиеся по назначению, параметрам и предъявляемым к ним требованиям, возводятся в разных грунтовых, климатических, сезонных условиях. Это обуславливает многообразие технологических способов и разновидностей средств механизации, применяемых на земляных работах.

Наиболее часто под здание или сооружение разрабатывают котлованы или траншеи с использованием комплекта машин: одноковшового экскаватора, самосвала, бульдозера, катка.

1. Производство земляных работ

В состав работ по возведению земляных сооружений входят подготовительные и основные процессы.

.1 Подготовительные процессы

земляной котлован геодезический экскаваторный

К подготовительным относят процессы по очистке территории, сносу зданий, снятию растительного слоя грунта, отводу поверхностных вод и геодезической разбивке земляных сооружений.

.1.1 Расчистка территории

При расчистке территории пересаживают зеленые насаждения, если их используют в дальнейшем, защищают их от повреждений, корчуют пни, очищают площадку от кустарника, сносят или разбирают ненужные строения, снимают плодородный слой почвы.

Зеленые насаждения, не подлежащие вырубке или пересадке, обносят общей оградой. Стволы отдельно стоящих деревьев, попадающих в зону производства работ, предохраняют от повреждений, покрывая их отходами пиломатериалов. Отдельно стоящие кусты пересаживают. Деревья и кустарники, пригодные для озеленения, должны быть выкопаны или пересажены в специально отведенную охранную зону.

Деревья валят с помощью механических или электрических пил, тракторами. Тракторами с трелевочно-корчевальными лебедками или бульдозерами с высоко поднятыми отвалами валят деревья с корнями и корчуют пни. Отдельные пни, не поддающиеся корчевке, расщепляют взрывом. Кусторезами расчищают территорию от кустарника. Для этой же операции применяют бульдозеры с зубьями-рыхлителями на отвале, корчеватели-собиратели. Кусторез является сменным оборудованием к гусеничному трактору.

Сразу же после уборки территории от пней и стволов деревьев выбирают обрывки корней из растительного слоя параллельными переходами корчевателей с уширенными отвалами. Изъятые корни и остатки от разделки деревьев удаляют с расчищаемой территории в специально отведенные места для последующего вывоза или сжигания.

Деревянные неразборные, каменные и бетонные строения сносят посредством разламывания и обрушения или сжигания деревянных строений на месте!

Перед обрушением вертикальных частей строения снимают верхние покровные элементы. Вертикальные части строения для предотвращения разброса обломков по площади следует обрушать внутрь. Для обрушения строений применяют автокраны или краны-экскаваторы, оборудованные в качестве ударного элемента металлическим шаром, масса которого не превышает половины грузоподъемности механизма при наибольшем вылете крюка. В отдельных случаях для предварительного ослабления строений применяют взрыв.

Возможность сжигания на месте деревянного строения или лома от его разборки предварительно согласовывают с местными Советами народных депутатов, пожарной и санитарной инспекциями.

Деревянные разборные строения разбирают, отбраковывая сборные элементы для последующего их использования. При разборке каждый отделяемый сборный элемент должен предварительно раскрепляться и занимать устойчивое положение.

Монолитные железобетонные и металлические строения разбирают по специально разработанной схеме сноса, обеспечивающей устойчивость строения в целом. Членение на блоки разборки начинают со вскрытия арматуры. Затем блок закрепляют, после чего режут арматуру и обламывают блок. Металлические элементы срезают после раскрепления. Наибольшая масса железобетонного блока разборки или металлического элемента не должна превышать половины грузоподъемности кранов при наибольшем вылете крюка.

Сборные железобетонные строения разбирают по схеме сноса, обратной схеме монтажа. Перед началом изъятия элемент освобождают от связей. Сборные железобетонные конструкции, не поддающиеся поэлементному разделению, расчленяют как монолитные.

Плодородный слой почвы, подлежащий снятию с застраиваемых площадей, срезают и перемещают в специально выделенные места, где складируют для последующего использования. Иногда его отвозят на другие площадки для озеленения. При работе с плодородным слоем следует предохранять его от смешивания с нижележащим слоем, от загрязнения, размыва и выветривания.

Строительная площадка должна быть ограждена либо обозначена соответствующими знаками и надписями.

.1.2 Отвод поверхностных и грунтовых вод

Поверхностные воды образуются из атмосферных осадков (ливневые и талые воды). Различают поверхностные воды «чужие», поступающие с повышенных соседних участков, и «свои», образующиеся непосредственно на строительной площадке.

Территория площадки должна быть защищена от поступления «чужих» поверхностных вод, для чего их перехватывают и отводят за пределы площадки. Для перехвата вод делают нагорные канавы или обвалование вдоль границ строительной площадки в повышенной ее части (Рисунок 1). Для предотвращения быстрого заиливания продольный уклон водоотводных канав должен быть не менее 0,003.

«Свои» поверхностные воды отводят приданием соответствующего уклона при вертикальной планировке площадки и устройством сети открытого или закрытого водостока.

Каждый котлован и траншея, являющаяся искусственными водосборниками, к которым активно притекает вода во время дождей и таяния снега, должны быть защищены водоотводными канавами ими обвалованием с нагорной стороны.

Рисунок 1. - Защита площадки от поступления поверхностных вод

В случаях сильного обводнения площадки грунтовыми водами с высоким уровнем горизонта площадку осушают с помощью открытого или закрытого дренажа. Открытый дренаж устраивают обычно в виде канав глубиной до 1,5 м, отрываемых с пологими откосами (1:2) и необходимыми для течения воды продольными уклонами. Закрытый дренаж - это обычно траншеи с уклонами в сторону сброса воды, заполняемые дренирующим материалом (щебень, гравий, крупный песок). При устройстве более эффективных дренажей на дно такой траншеи укладывают перфорированные в боковых поверхностях трубы - керамические, бетонные, асбестоцементные, деревянные (Рисунок 2).

Рисунок 2 -Защита закрытого дренажа для осушения территории

Такие дренажи собирают и отводят воду лучше, так как скорость движения воды в трубах выше, чем в дренирующем материале. Закрытые дренажи должны быть заложены ниже уровня промерзания грунта и иметь продольный уклон не менее 0,005 [1, стр.59]

На стадии подготовки площадки к строительству должна быть создана геодезическая разбивочная основа, служащая для планового и высотного обоснования при выносе проекта подлежащих возведению зданий и сооружений на местность, а также (в последующем) геодезического обеспечения на всех стадиях строительства и после его завершения.

Геодезическую разбивочную основу для определения положения объектов строительства в плане создают преимущественно в виде:

строительной сетки, продольных и поперечных осей, определяющих положение на местности основных зданий и сооружений и их габарит, для строительства предприятий и групп зданий и сооружений;

красных линий (или других линий регулирования застройки), продольных и поперечных осей, определяющих положение на местности и габарит здания, для строительства отдельных зданий в городах и поселках.

Строительную сетку выполняют в виде квадратных и прямоугольных фигур, которые подразделяют на основные и дополнительные (Рисунок 3). Длина сторон основных фигур сетки 200 - 400 м, а дополнительных - 20 … 40 м.

Строительную сетку обычно проектируют на строительном генеральном плане, реже - на топографическом плане строительной площадки. При проектировании сетки определяют местоположение пунктов сетки на стройгенплане (топографическом плане), выбирают способ предварительной разбивки сетки и закрепления пунктов сетки на местности.

Рисунок 3 - Строительная сетка

При проектировании строительной сетки должны быть:

-        обеспечены максимальные удобства для выполнения разбивочных работ;

         основные возводимые здания и сооружения расположены внутри фигур сетки;

         линии сетки параллельны основным осям возводимых зданий и расположены по возможности ближе к ним;

         обеспечены непосредственные линейные измерения по всем сторонам сетки;

         пункты сетки расположены в местах, удобных для угловых измерений с видимостью на смежные пункты, а также в местах, обеспечивающих их сохранность и устойчивость.

Высотное обоснование на строительной площадке обеспечивается высотными опорными пунктами - строительными реперами. Обычно в качестве строительных реперов используют опорные пункты строительной сетки и красной линии. Высотная отметка каждого строительного репера должна быть получена не менее чем от двух реперов государственной или местного значения геодезической сети.

Создание геодезической разбивочной основы является функцией заказчика. Он должен не менее чем за 10 дней до начала строительно-монтажных работ передать подрядчику техническую документацию на геодезическую разбивочную основу и на закрепленные на строительной площадке пункты и знаки этой основы, в том числе:

-        пункты строительной сетки, красные линии;

         оси, определяющие положение и габарит зданий и сооружении в плане, закрепленные минимум двумя створными знаками у каждого отдельно размещаемого здания или сооружения.

В процессе строительства необходимо следить за сохранностью и устойчивостью знаков геодезической разбивочной основы, что осуществляет строительная организация. [1, стр.60]

.1.3 Разбивка земляных сооружений

Разбивка сооружений состоит в установлении и закреплении их положения на местности. Разбивку осуществляют с помощью геодезических инструментов и различных измерительных приспособлений.

Разбивку котлованов начинают с выноса и закрепления на местности (в соответствии с проектом) створными знаками основных рабочих осей, в качестве которых обычно принимают главные оси здания I-I и II-II (Рисунок 4, а). После этого вокруг будущего котлована на расстоянии 2-3 м от его бровки параллельно основным разбивочным осям устанавливают обноску (Рисунок 4, б).

Обноска разового использования (Рисунок 4, в) состоит из забитых в грунт металлических стоек или вкопанных деревянных столбов и прикрепленных к ним досок. Доска должна быть толщиной не менее 40 мм, иметь обрезную грань, обращенную кверху, и опираться не менее чем на три столбика. Более совершенной является инвентарная металлическая обноска (Рисунок 4, г). Для пропуска транспортных средств в обноске должны быть разрывы. При значительном уклоне местности обноску делают с уступами.

Рисунок 4 - Схема разбивки котлованов и траншей: а - схема разбивки котлована: б - схема обноски: в - элементы обноски разового использования; г - инвентарная металлическая обноска: д - схема разбивки траншеи; I-I и II-II - главные оси здания; III-III - оси стен здания; 1 - границы котлована; 2 - обноска; 3 - проволока (причалка); 4 - отвесы; 5 - доска; 6 - гвоздь; 7 - стойка

На обноску переносят основные разбивочные оси и начиная от них размечают все остальные оси здания. Все оси закрепляют на обноске гвоздями или пропилами и нумеруют. На металлической обноске оси закрепляют краской. Размеры котлована поверху и по низу, а также другие характерные его точки отмечают хорошо видимыми колышками или вехами. После возведения подземной части здания основные разбивочные оси переносят на его цоколь. [4, стр. 5]

1.2 Определение объемов земляных работ

.2.1 Расчет размеров выемок

Технологическое проектирование производства земляных работ начинаем с определения линейных размеров в плане и разрезе необходимого земляного сооружения - котлована или траншеи.

Котлован под фундамент разрабатываем в том случае, если размеры подошвы фундаментов велики, а ширина пролетов более 18 м, т.е. целесообразна сплошная разработка грунта.

Если размеры пролетов более 18 м, то с целью сокращения объемов земляных работ целесообразно разрабатывать траншеи под фундамент.

Котлованы и траншеи разрабатывают с вертикальными или наклонными стенками (откосами), с креплением или без них.

Котлован и траншеи с вертикальными стенками устраивают в грунтах естественной влажности с ненарушенной структурой при отсутствии грунтовых вод и глубине в пределах 1…2 м.

Котлованы и траншеи с откосами разрабатывают при глубине, превышающей допустимые пределы возведения их с вертикальными стенками [СНиП 3.02.01-87] и когда устройство креплений экономически нецелесообразно. Крутизну откосов принимаем по Таблице 1.

Таблица 1. - Значения коэффициентов откосов (СНиП III-4-80* «Техника безопасности в строительстве»)

Виды грунтов

Крутизна откосов при глубине выемки до


1,5 м

3,0 м

5,0 м

Насыпные и неуплотненные

1:0.67

1:1

1:1.25

Песчаные и гравийные

1:0.5

1:1

1:1

Супесь

1:0.25

1:0.67

1:0.85

Суглинок

1:0

1:0.5

1:0.75

Глина

1:0

1:0.25

1:0.5

Лессы и лессовидные

1:0

1:0.5

1:0.5

Линейные размеры котлована устанавливают по сетке колонн и габаритам здания в плане с учетом заданной схемы расположения, глубины заложения и размеров фундаментов под несущие конструкции. [4, стр. 6]

Основные размеры фундамента (Рисунок 5):

а1 = 2,6 м - размер фундамента у основания по поперечной оси;

а2 = 3,2 м - размер фундамента у основания по продольной разбивочной оси;

в1 =1,6 м

в2 = 2,1 м

с1 = 0,6 м

с2 = 0,8 м

h - общая высота фундамента, м;

h = a + b + c = 0.5+ 0.5 + 2.0 = 3 м

Рисунок 5- Основные размеры фундаментного стакана

Введем обозначение размеров котлована:

b - ширина котлована по низу, м;

a - длина котлована по низу, м;

b1- ширина котлована по верху, м;

a1 - длина котлована по верху, м;

H - глубина котлована, м;

B - ширина здания в плане по крайним разбивочным осям, м;

А - длина здания в плане по крайним разбивочным осям, м.

В соответствии с заданием, получаем:

В = 18+12+24+10 =64 м

А = 12.8 = 96 м

При сплошной выемке грунта ширина котлована по низу определяется по формуле:

b = В + а2 + 2х,

где х - минимальное расстояние от нижней кромки котлована до нижней грани фундамента, необходимое по условиям организации рабочего места при строительных работах и установке опалубки, м.

Принимаем х = 1 м,

b = 64+3.2 +2.1 = 69.2 м

Длину котлована по низу рассчитывают по формуле:

a = А + а1 + 2x - 2e

где е = 0,5 м - расстояние от крайней поперечной разбивочной оси здания до оси фундамента (по условиям привязки).

a = 96 + 2,6 + 2. 1 - 2. 0,5 = 99.6 м

b1 =b + 2mH

где m - показатель выноса откоса, зависящий от характеристики грунта и глубины котлована.

Рисунок 6 - Показатель выноса откоса mн

В соответствии с таблицей 1, для песка получаем m = 1

b1 = 69.2+2. 3= 75.2 м

Длина котлована по верху

a1 = a + 2mH

a1 = 99.6 + 2. 3 = 105.6 м

Глубина котлована (может быть принята по середине котлована)

Н = h + d,

где d - превышение (понижение) уровня верха котлована над верхом фундамента, м. Зависит от архитектурно-конструктивного решения подземной части здания (в нашем случае d = 0).

H = 3 + 0 = 3 м

В практике, чтобы не нарушать естественной плотности грунта у основания фундамента, разработка котлована на всю глубину экскаватором, как правило, не допускается. Величина допустимого недобора грунта в основании дается в таблице 2

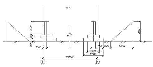
Рисунок 7- План котлована фундамента

Рисунок 8 - Разрез котлована фундамента А - А

Таблица 2 - Допустимые недоборы грунта в основании при разработке котлованов одноковшовыми экскаваторами

Рабочее оборудование экскаватора

Вместимость ковша экскаватора, м3


0,25..0,4

0,5..0,65

0,8..1,25

1,5..2,5

3..5


Недобор грунта, см

Лопата прямая обратная  драглайн

5 10 15

10 15 20

10 20 25

15 - 30

20 - 30

1.2.2 Определение объемов котлована

Объем котлована, имеющего вынос откоса и площадь по основанию в виде прямоугольника, а поперечное и продольное сечения - трапеции, рассчитывают по формуле [7, стр.10]:


Объем выемки грунта бульдозером в ходе зачистки дна котлована определяют по формуле:

 

где Δhб - недобор грунта после экскаваторных работ. Учитывая, что объем котлована достаточно велик, принимаем Δhб =15см.


.2.3 Расчет пандуса

Определим объем выемки грунта при устройстве пандуса. Длину пандуса по верху находим по формуле

Lп = h. ctg αп =3. 5 = 15 м

,

где bп - ширина пандуса,

H - глубина котлована;

Конечный объем грунта, подлежащий разработке бульдозером, будет равен

Vб =1033.85+135 =1168.85 м3 (1.12)

.2.4 Объем ручной зачистки

Дно котлована в пределах площади основания каждого фундамента дополнительно зачищают вручную. Объем такой зачистки Vр определяют по формуле

Vр = 1,1 (ΣnФ SФi) Δ hр 10-2,

где Sфi = а1·а2 = 2,6. 3,2 = 8.32 м2 - площадь фундамента по основанию;

Δhр = 5 см - глубина ручной зачистки грунта под фундамент;

nф = 5. 8 = 40 шт - число фундаментов в котловане;

Объем земли, подлежащий выемке экскаватором, определяем по формуле:


.2.5 Площадь срезки растительного грунта

Срезка растительного грунта производится бульдозером. Площадь срезки определяется по формуле

Sср = (a1+20)·(b1+20), м²

Sср = (105.6 + 20)·(75.2 + 20) = 11957.12 м² (1.15)

1.2.6 Уплотнение грунта

Уплотнение грунта катком определяем по формуле:


h- глубина уплотнения, зависит от марки катка.

Несвязные грунты уплотняют катками с глаткими металлическими вальцами слоем до 15 см.

= 99,6*69,2*0.15 = 1033,85(1.16)

На основании расчетных данных составляем таблицу 3

Таблица 3 - Ведомость объемов работ

Наименование технологических операций

Единица измерения по ЕНиР

Число единиц измерения

Срезка растительного слоя

1000 м2

12

Разработка грунта одноковшовым экскаватором в котловане

100 м3

22

Окончательная планировка днакотлована бульдозером

1000 м2

8

Разработка грунта вручную при подготовке оснований под фундаменты

1 м3

19

Уплотнение грунта катком

100 м3

11

Устройство пандуса экскаватором

1 м3

135


.3 Выбор землеройных и транспортных машин

Устройство котлованов и траншей состоит из процессов, представленных в таблице 4.

Таблица 4 - Состав основных процессов по устройству котлована и траншей в обычных условиях

Наименование процессов

Обоснование по ЕНиР и расчету

Механизированные процессы 1. Срезка растительного слоя бульдозером 2. Погрузка и вывозка растительного грунта 3. Разработка грунта одноковшовым экскаватором 4. Удаление грунта из забоя автосамосвалами 5. Разработка недобора грунта бульдозером 6. Удаление грунта, полученного от недобора 7. Уплотнение грунта по площади оснований 8. Обратная засыпка пазух котлована бульдозером Ручные процессы 9. Разработка грунта с разрыхлением вручную при подготовке оснований под фундаменты 10. Прием и разравнивание грунта на отвале 11. Послойное трамбование грунта при засыпке пазух котлована 12. Откидывание разрыхленного грунта 13. Срезка грунта и планировка откосов котлована

 Е2-1-5; Е2-1-6 Е 1-3; расчет ЕНиР сб.2, вып.1  Расчет Е2-1-22 Е1-3; расчет ЕНиР сб.2, вып.1 Е2-1-34 Е2-1-55;Е2-1-56  Е2-1-57 Е2-1-58 Е2-1-56 Е2-1-61


.3.1 Выбор одноковшовых экскаваторов

Выбор рационального типа экскаватора, его мощности и рабочего оборудования является одним из главных вопросов проектирования технологии земляных работ. На выбор типа экскаватора оказывают влияние многие факторы:

объем земляных работ;

-        размеры выемки (ширина, глубина);

         гидрогеологические условия (группа грунта, наличие грунтовых вод, атмосферных осадков);

         способ разработки котлованов, траншей («в отвал», в транспортные средства);

         заданная продолжительность работ.

Общие рекомендации по выбору основных машин для производства земляных работ приведены в таблице 1.5 [4, стр.12]::

Таблица 5 - Рекомендации по выбору экскаваторов для производства земляных работ

Объем грунта, подлежащий разработке, м3

Экскаваторы. Вместимость ковша, м3

До 500 500-1500 1500-5000 5000-8000 8000-11000 11000-13000 13000-15000 Более 15000

0,15 0,25-0,3 0,4-0,5 0,65 0,8 1,0 1,25 1,5


Рабочее оборудование прямая лопата рекомендуется главным образом для разработки выемок в транспортные средства. Для разработки котлованов прямая лопата может быть принята, если:

-     объем котлована не менее 3000 м3;

-        глубина котлована не менее 3 м и не менее нормальной высоты забоя для данного грунта и вместимости ковша;

-        ширина котлована не менее двух радиусов резания экскаватора;

-        грунт в основании котлована сухой;

         есть возможность устройства въездной траншеи с необходимой величиной уклона.

Рабочее оборудование драглайн имеет более широкое распространение для рытья котлованов при работе в отвал и в транспорт, поскольку ограничения, указанные для прямой лопаты, для драглайна отпадают.

Рабочее оборудование обратная лопата рекомендуется применять при отрывке траншей глубиной до 6 м и небольших котлованов глубиной до 4 м при выгрузке грунта в отвал и в транспортные средства.

Для сравнения выбираем два экскаватора различной марки:

экскаватор-прямая лопата ЭО-5124 (рисунок 9)

Рисунок 9 - экскаватор-прямая лопата ЭО-5124

Таблица 6 - Рабочие характеристики экскаватора.

Наименование параметров, м

Индекс

Значение

Марка экскаватора


ЭО-5124

Вместимость ковша, м3

1,6

Радиус копания max/min,м

Rmax,/Rmin

8,9/5,0

Радиус выгрузки, м

5,1

Высота выгрузки, м.

Нв

5,5

Максимальная глубина копания, м

8,5

Приведенные удельные затраты на 1 час работы, руб./машино-час

ку

5,7

Продолжительность рабочего цикла, сек.

t

20


Рисунок 10 - экскаватор драглайн ЭО-2503В

Таблица 7 - Рабочие характеристики экскаватора.

Наименование параметров, м (наклон передней стенки ковша к горизонту 60 °)

Индекс

Значение

Марка экскаватора


ЭО-2503В

Вместимость ковша прямой лопаты, м3

1,5

Радиус копания max/min,м

Rmax, Rmin

24

Радиус выгрузки, м

19,0

Высота выгрузки, м.

Нв

10,0

Максимальная глубина копания, м

16,0

Приведенные удельные затраты на 1 час работы, руб./машино-час

ку

7,12

Продолжительность рабочего цикла, сек.

t

32

Длина стрелы, м

lстр.

25


.3.2 Выбор автотранспорта для вывозки грунта

Разрабатываемый грунт в котловане (траншеях) вывозят за пределы строительной площадки автосамосвалами. Марку и грузоподъемность автосамосвала подбираем в зависимости от дальности перевозки и от вместимости ковша экскаватора на основании рекомендаций таблицы 8.

Таблица 8 - Рекомендуемая грузоподъемность автосамосвалов

Дальность перемещения грунта, м

Вместимость ковша экскаватора, м3


0,4

0,65

1

1,25

1,6

2,5

0,5 1,0 1,5 2,0 3,0 4,0 5,0 и более

4,5 7 7 7 7 10 10

4,5 7 7 10 10 10 10

7 10 10 10 12 12 12

7 10 10 12 12 18 18

10 10 12 18 18 18 18

- 12 18 18 27 27 27


Принимаем автосамосвал марки КаМАЗ-6540, грузоподъемностью 18,5 т.

Таблица 9- Рабочие характеристики автосамосвала

Наименование параметров

Индекс

КаМАЗ-6540

Грузоподъемность, т

Q

18,50

Собственная масса, т

qa

12,35

Радиус поворота, м

Ra

10,5

Вместимость,м3

Vk

11

Максимальная скорость, км/ч

Vcp

Коэффициент сцепной массы


0,76

Габариты, мм: высота до кромки кузова ширина кузова

 h Ba

 3020 2500

Мощность, кВт

W

191


.3.3 Выбор бульдозера

Срезку растительного слоя, окончательную планировку дна котлована и обратную засыпку пазух фундамента осуществляют бульдозером, устройство въездов в котлован (пандусов) выполняют бульдозеры.

Наибольшая эффективность бульдозеров достигается при перемещении грунта на следующие расстояния: для бульдозеров на тракторах Т-74 и ДТ-54 - 25÷40 м, С-80 и С-100 - 40÷60 м, Т-180 и ДЭТ- 250 - 70÷100 м.

Выбираем бульдозер Д-271 на базе трактора С-100, из условия данных габаритов котлована и на основании рекомендаций.

Таблица 10 - Рабочие характеристики бульдозера

Марка бульдозера

Д-271

Базовая машина

С-100

Размеры отвала, мм Ширина Высота

3200 900

Скорость при наборе и перемещении грунта м/с

1,00

Скорость при холостом ходе, м/с

1,7

Тяговое усилие трактора, кН

100


1.4 Проектирование технологической схемы разработки котлована

При проектировании технологической схемы разработки котлована и траншей необходимо решить следующие задачи:

определить формы и размеры всех элементов экскаваторного забоя и экскаваторных проходок;

разбить поперечное сечение разрабатываемой выемки на экскаваторные проходки, установить их размеры;

установить пути движения транспорта и места их стоянки под погрузкой;

определить места расположения отвалов и их размеры.

Запроектированный экскаваторный забой должен удовлетворять следующим требованиям:

высота (глубина) забоя должна быть достаточной для наполнения ковша экскаватора за одно черпание;

угол поворота стрелы (рукояти) экскаватора должен быть минимальным[4, стр. 14]

.4.1 Расчет параметров забоя для экскаватора, оборудованного прямой лопатой

Ширина лобового забоя поверху при движении экскаватора по прямой определяется по формуле [3, ф. 3.1]:

,0=0,8 R,

где R0- оптимальный радиус копания[4, ф.1.19];

R0=0,8· 8,9=7,12 м

ln- длина рабочей передвижки экскаватора, [4, ф.1.20]

ln=R - rст,

n=R - rст=8,9-5,0=3,9 м (1.18)

где R - максимальный радиус резания грунта на уровне стоянки, м;

rст - минимальный радиус резания грунта на уровне стоянки, м.

м

Рассчитываем количество проходок - n:

n=75,2/11,914=6,3~7

При ширине разрабатываемого котлована более 2R, но менее 3,5R следует применять уширенный лобовой забой, схема движения экскаватора по зигзагу.

Общая ширина уширенного забоя при движении экскаватора по зигзагу будет определяться [1,ф.1.17]:


0.5·R =4.45 м

Рассчитываем количество проходок - n:

n= 75.2/16.36=4.59~5

При ширине разрабатываемого котлована до 3,5R следует применять уширенный лобовой забой с прямой схемой движения экскаватора.

Общая ширина забоя при трех поперечных стоянках будет определяться


Рассчитываем количество проходок - n:

n= 75.2/19.47=3.8~4

При ширине выемки более 3R первая проходка экскаватора принимается лобовым забоем, все последующие - боковые. При боковом забое ось движения экскаватора смещается к ранее выработанному забою так, чтобы угол α был не более 45°.

Ширина бокового забоя равна [4, ф.1.22]


где rсm - минимальный радиус копания грунта на уровне стоянки экскаватора, м.

Рассчитываем количество проходок - n:

n= 75.2/15.41=4.8~5

Вывод: уширенный лобовой забой при движении по челночной схеме наиболее экономичен (4 проходки, фактическая ширина забоя = 18,8)

1.4.2 Расчет параметров забоя для экскаватора драглайн.

Экскаватор драглайн разрабатывает грунт ниже уровня стоянки экскаватора. Транспортные средства для вывоза грунта от этих экскаваторов могут располагаться как на уровне стоянки экскаватора, так и на дне котлована, однако наибольшее распространение получила первая схема.

При погрузке грунта в автосамосвалы, расположенные по обе стороны от оси движения экскаватора

Ширину торцевой (лобовой) проходки по верху Вт, м, определяют по выражению


где R0 - оптимальный радиус резания грунта, м

R0=0,8 R,

Rо =0,8∙24=19,2м

lп = 0.25· lстр, lстр = 25 м, lп = 6,25 м

где: lстр - длина стрелы экскаватора драглайн, м;

R - максимальный радиус резания грунта на уровне стоянки, м.

т =2 (R²0 - п)1/2, Bт =2(19,24² - 6,25²) 1/2 = 36,39 м(1.28)

n= 75,2/36,39=2,06~3(1.29)

При разработке котлована с выгрузкой грунта в одну сторону ось движения экскаватора смещается в сторону стоянки автосамосвала и тогда ширина проходки по верху Вт, м, равна

 

(1.30)

Bт=39.9м

n= 75.2/39.9=1.8~2(1.31)

Ширина боковой проходки по верху Вб, м, определяется по выражению

 

Bб = 31.45 м

n= 75.2/31.45=2.39~3 (1.33)

Ширина боковой проходки по низу:


Вывод: лобовой забой с выгрузкой грунта в обе стороны от оси движения экскаватора (3 проходки)

.5 Технология выполнения комплексно-механизированных земляных работ

.5.1 Производительность одноковшовоых экскаваторов

Производительность одноковшового экскаватора оценивают по объему грунта, выданному из забоя в единицу времени. Сменную нормативную производительность экскаватора (экскаваторного забоя) Пн, м3/смену, согласно ЕНиР устанавливают по формуле[4,ф.1.25]::

,

где Е=100м3объем грунта, на который дана норма времени,

Нвр-норма машинного времени по ЕНиР, маш.-ч.;см=8,2-продолжительность смены,ч.

-ЭО-5124

-ЭО-2503В

 (м3/смену)

 (м3/смену)

Сменную эксплуатационную производительность одноковшового экскаватора, работающего в цикличном режиме, с учетом забойных условий и технологических характеристик процесса выемки грунта устанавливают по формуле[4,ф.1.26]::


где qэ - вместимость ковша экскаватора, м3/цикл;э - число циклов экскавации в минуту,

,

см=8,2 - продолжительность смены, ч. ц.э. - продолжительность цикла экскавации; tц.э1=20 сек, tц.э2=27 сек сек.

КН - коэффициент наполнения ковша грунтом, Кн=0,7[5];

Кр - коэффициент разрыхления грунт (для глины Кр=1,1 [2].);

Кво - коэффициент использования сменного времени при работе экскаватора,  [5].

Кт - коэффициент снижения рабочего времени за счет подачи транспорта.[5].

 (м3/смену)

 (м3/смену)

Продолжительность экскаваторных работ Тсм, в сменах, при разработке грунта в котловане в заданном объеме выемки определяют по формуле

Тсм =Vэ / (Пн Р Nэ),

где Vэ - объем грунта в котловане, предназначенный к выемке экскаватором, м3;

ПнР=Пэ, (33) - сменная эксплуатационная производительность экскаватора (забоя), м3/смену; э - количество одновременно работающих экскаваторов. Nэ =1

Тсм1 = 21180,006/997,54с(1.39)

Продолжительность экскаваторных работ, в сменах Тсм1=22

Тсм2 = 21180,006/699,03с(1.40)

Продолжительность экскаваторных работ, в сменах Тсм2=31

.5.2 Расчет производительности и количества автосамосвалов для вывозки грунта.

Продолжительность цикла нагрузки автосамосвала грунтом tн, минут, в зависимости от грузоподъемности Q и с учетом времени на подачу машины в рабочую зону экскаватора, мы будем рассчитывать по формуле[4, ф.1.31]:

 

=18,5 грузоподъёмность автомобиля, т;ц.э.- продолжительность цикла экскавации, tц.э1=20 сек, tц.э2=27 сек

Кр- коэффициент разрыхления грунта (для песка Кр=1,1);

qэ - вместимость ковша экскаватора, м3/цикл., qэ1=1,6, qэ2=1,5;

КН - коэффициент наполнения ковша грунтом, Кн=0,7[5];

g - объёмная плотность грунта, т/м3, (для песка g=1,6 т/м3)

Кт - коэффициент снижения рабочего времени за счет подачи транспорта, Кт1=1.

,

Рассчитываем длительность рейса tц, минут, или рабочего цикла автосамосвала, мин. [4,ф.1.32]:

tц = tн + tр + 2L60 / Vср

L - расстояние перевозки грунта, км;

Vср - расчетная скорость движения автосамосвала, км/ч, зависит от грузоподъемности машины и дальности перевозки грунта, Vср=25 км/ [4, прил.А табл.7]; ч,

tр - продолжительность выполнения операции разгрузки автосамосвала мин., tр =3,73 [4, прил. А табл.15],

tц1 =3,78+3,73+2•15•60/25=67,51 мин(1.43)

tц2 =5,45+3,73+2•15•60/25=69,18 мин(1.44)

Сменную эксплуатационную производительность автосамосвала Па, т/смену, рассчитывают по формуле

Па = (60 tсм / tц) Q Кг Ква,

Ква - коэффициент использования сменного времени для автосамосвала, Ква=0,85.

Кг=0,97- коэффициент потерь грунта

Определяем производительность автосамосвалов для вывозки грунта [4,ф.1.33]:

 (т/смену)

 (т/смену)

.5.3 Расчет диспетчерского графика

Чтобы обеспечить в течение смены непрерывную работу экскаватора, количество автосамосвалов, необходимое для перевозки разработанного экскаватором грунта, принимают, исходя из сменной производительности участвующих в процессе автомашин и проверяют по продолжительности циклов tц и tн. [4, ф.1.34]:

 

где Nа - количество работающих в смену автосамосвалов в комплексном процессе с экскаватором.

Для экскаватора прямая лопата:

,

Принимаем

Для экскаватора драглайн:

,(1.48)

Принимаем

Для экскаватора прямая лопата принимаем 9 КАМАЗов 6540.

Для экскаватора драглайн принимаем 8 КАМАЗов 6540.

Данное количество самосвалов должно обеспечить в течение смены непрерывную работу экскаватора, т. е. разрабатываемый экскаватором грунт будет непрерывно вывозиться самосвалами к месту складирования.

Общее число рейсов: [4, ф.1.35]

,

,

Принимаем ,

,

,

Принимаем ,

Каждый самосвал при равномерной организации работ сделает рейсов в смену:

,

,

Принимаем 6 рейсов в смену,

Частота подачи транспорта под погрузку [4, ф.1.36]::

rп =tн Ква-1

мин,

 мин.

Продолжительность работ, в сменах, при условии, когда котлован разрабатывают одним комплектом машин, рассчитывают по формуле

Tсм = Vэ Пэ-1,

где Vэ - объем грунта в котловане, подлежащий выемке экскаватором, м3.

Tсм1=22см

Tсм2=31см

1.5.4 Производство земляных работ бульдозером

Бульдозеры предназначены для землеройно-планировочных работ, послойного разравнивания привозного грунта и перемещение его к голове отвала или насыпи, срезки растительного слоя и уборки его во временный склад, возведения насыпей из выемок или из боковых резервов высотой до 2 м и устройства полунасыпей-полувыемок на косогорах.

Цикл работы бульдозеров состоит из набора, перемещения, разравнивания грунта и обратного хода. Набор грунта (копание) осуществляется клиновым забоем, т.е. с переменной толщиной стружки, разрабатывают грунты с малым сопротивлением копанию

Эксплуатационная производительность бульдозера, м3/смену, на разработке грунтов определяют по формуле [4, ф.1.39]:

Прэ.б. = 60 tсм q kв / (Тн + Тп +lг /vгр + lп /vп), 

tсм - продолжительность рабочей смены, 8,2ч;

q - объем грунта в плотном состоянии, перемещаемый бульдозером, м3; q = 1,98.

kв - коэффициент использования по времени, равный 0,8;

Тн - продолжительность набора грунта, мин; Тн =0,15

Тп - время на переключение скоростей, мин; Тп =0,1

lг, lп - расчетные расстояния, на которые перемещает бульдозер грунт и возвращается порожним, м; lг,= lп = 60 м.

vгр, vп - скорость движения бульдозера груженого и порожнего, м/мин., vгр=45, vп=74.

Прэ.б.=60•8,2•1,98•0,8/(0,15+0,1+60/45+60/74)=325,51 (м3/смену) (1.57)

Эксплуатационная производительность, м3/смену, бульдозера при планировке площадки определяется по формуле

Пплэ.б. = 60 tсм (B-b) vср (kн / kр ) kв n-1

B - длина отвала, B=3,2 м;

b - ширина перекрытия планируемых полос 0,3 м;

vср - средняя скорость перемещения бульдозера, vср = 60, м/мин

kн - коэффициент наполнения, kн =0,7

kр - коэффициент разрыхления грунта, kр =1,1

kв - коэффициент использования во времени, равный 0,8;

n - число проходов по одному месту, равное 2.

Пплэ.б. = 60*8,2*(3,2-0,3)*60*(0,7/1,1)*0,8*0,5=21578,9 м2/смену.(1.58)

Нормативная производительность бульдозера при планировке дна котлована определяется по формуле[4, ф.1.40]:

Пн.б.=(ε / Нв) tсм,

где ε - единица измерения, на которую дана норма машинного времени

ε = 1000 м² ; [6]

Нв - норма машинного времени, маш.-ч; [6]

tсм - продолжительность смены, ч.


1.5.5 Выбор катка, расчет производительности

Выбираем каток ДУ-9В

Таблица 11 - Рабочие характеристики катка

Тип

Тягач или двигатели

Ширина уплотняемой полосы, м

Толщина уплотняемого слоя, м

Необходимое число проходок по одному следу

Стоимость, маш.-ч, руб.

Оптовая цена, руб.

Самоходные гладкие ДУ-9В

Д-37Е-С1

1,3

0,25

8-10

2,63

16310


Грунт следует уплотнять путем последовательных круговых проходок катка по всей площади насыпи, причем каждая проходка должна перекрывать предыдущую на 0,2…0,3 м. Закончив укладку всей площади за один раз, приступают ко второй проходке.

Необходимую высоту уплотнения грунта определяют из соотношения

р / kо.р.= hр / hупл.. → hупл.= (kо.р. hр) / kр,

где kр - коэффициент разрыхления грунта; о.р. - коэффициент остаточного разрыхления грунта; р - высота разрыхленного слоя, м; упл. - величина уплотняемого грунта, м.упл.= (1,02· 0,25) / 1,1=0,232 м, величина уплотнения =0,018м

Для повышения производительности, уплотнение грунта на площадке следует вести звеньями из 2-3 катков.

Эксплуатационная производительность катков определяется по формуле[4, ф.1.42]:

Пэ.кат = 60 tсм vср (B-a) kв n-1 м2/смен,

где vср - рабочая скорость катка, м/мин;

а - ширина полосы перекрытия предыдущего прохода (0,2…0,25 м); в - коэффициент использования во времени (0,8 - для катков, 0,7 - для остальных грунтоуплотняющих машин); - число проходок по одному следу.

Нормативная производительность бульдозера при планировке дна котлована определяется по формуле

Пн.кат.=(ε / Нв) tсм,=(1000/0,92)*8,2=8913,04

.6 Технико-экономическая оценка экскаваторных работ

Экскаваторные работы относятся к полностью механизированным видам строительных процессов. Сущность расчета сводится к решению целевой функции минимума удельных приведенных затрат по планово-расчетным показателям на производство работ [7, ф.1.43]:

Пуд = Се + Куд Ес → min, 

где Се - планово-расчетная стоимость выемки и перемещения единицы объема грунта, руб./м3;

Куд - удельные капитальные вложения для организации работ по варианту технологической схемы, руб./м3;

Ес - нормативный коэффициент эффективности капитальных вложений в строительстве.

Таблица 12 - Параметры, принятые в расчете стоимости машино-смены одноковшовых экскаваторов

Индекс

ЭО-5124

ЭО-2503В

Наименование параметра, единицы измерения

Ц,тыс.руб

1047

1560

Оптовая цена экскаватора, руб.

Сu,тыс.руб

1120

1680

Инвентарная ст-ть машины, руб.

А, %

18,5

14

Норма амортизационных отчислений, %

Тгод

3275

3275

Нормативное число часов работ экскаватора в год, ч.

СД

1680

23400

Ст-ть доставки экскаватора на объект, руб.

СМД

-

-

Ст-ть 1 монтажа и демонтажа экскаватора, руб.

Этех

45

60

Тех. обслуживание и текущий ремонт

Эрз

11,1

19,2

Ремонт и замена сменной оснастки

Ээ

42,6

36

Энергоматериалы и энергия

Эом

10,8

9

Смазочные материалы

Эз

40,2

40,2

Заработная плата машиниста


.6.1 Алгоритм и математическое обеспечение расчета

Таблица 13 - Алгоритм и математическое обеспечение расчета.

Наименование показателей и един. измерения

Индекс

Варианты



ЭО-5124  (2 смены)

ЭО2503В (2 смены)

1

2

3

4

1. Расчетная стоимость машино-смены экскаватора, руб./смену, без единовременных затрат  См-cм = ( Г / Тгод ) ∙tсм+ СТЭ

См-cм

1796,6

1912,75

2. Годовые амортизационные отчисления, руб./год Г = (А,%) ∙10-2 ∙Си ∙Ка

Г

269,36

305,76

3. Норма годовых амортизационных отчислений, %

А, %

18,5

14

4. Районный коэффициент к годовым отчислениям

Ка

1,3

1,3

5. Инвентарная стоимость экскаватора, руб.

Си

1120

1680

6. Нормативное число часов работы экскаватора в год, ч/год

Тгод

3275

3275

7. Текущие эксплуатационные затраты, руб./сменуСТЭ = ( Эр∙Кэ+ К7∙Ээ+ Эз∙Кз ) ∙tсм

СТЭ

2434

цв 1912

8. Затраты на обслуживание, текущий ремонт, замену сменной оснастки, смазочные материалы, руб./маш.-ч

Эр

96,3

88,2

9. Районный коэффициент эксплуатационных затрат

Кэ

1,3

1,3

10. Затраты на энергетические материалы и электроэнергию, руб./ч

Ээ

54,6

36

11. Коэффициент к расходу энергоресурсов

К7

2

2

12. Зарплата машиниста (тарифная), руб./ч

Эз

40,2

13. Поясной коэффициент к зарплате

Кз

1,3

1,3

14. Продолжительность смены, ч

tсм

8.2

8.2

15. Расчетная стоимость машиносмены автомобиля-самосвала, руб./см   Сам-см = 14 + 2.2∙Q

Сам-см

54,7

54,7

16. Грузоподъемность автомобиля-самосвала, т

Q

18,5

18,5

17. Единовременные затраты на организацию экскаваторных работ, руб.  Е = А0 ∙См-cм

Е

17198

34238

18. Временной параметр, смен/маш.  А0 = ( Ке∙Сд / См-cм ) + Тдн

А0

3,23

17,9

19. Районный коэффициент на единовременные затраты

Ке

1,3

1,3

20. Стоимость доставки экскаватора, руб.

Сд

11160

23400

21. Продолжительность доставки, смен

Тдн

2

2

22. Нормативная производительность экскаватора, м3/смену  ПН = ε / Нв ∙ tсм

ПН

1093.34

745.45

23. Количество единиц [4]

ε

100

100

24. Норма времени, маш.-ч. [4, табл. 3, 7]

Нв

0.75

1.1

25. Планово-расчетная стоимость работ, руб. С = Е+1.08∙( См-cм + Na∙Сам-см ) ∙Vэ ∙ПН -1

С

173323

164145

26. Количество автомобилей в работе, машин

Na

9

8

27.Объем выемки из котлована, м3

Vэ

21180

21180

 28. Стоимость выемки единицы объема грунта, руб./ м3   Се = С ∙Vэ -1

Се

8,2

7,75

29. Машиноемкость работ, маш.-смен  Тм-см = Vэ ∙ Нв / ( ε ∙ tсм )

Тм-см

22

31

30. Оптимальное число рабочих экскаваторов  Nоп

1

1


31.Удельные капитальные вложения  для организации работ по выемке  грунта, руб/ м3  kуд = ( Си + Na ∙ Сиа ) ∙ tсм / ( Тгод ∙ ПН )

kуд

6,12

4,53

32. Инвентарная стоимость самосвала, руб.  Сиа = Q ∙5000

Сиа

92500

92500

33. Удельные приведенные затраты на выемку и перемещение 1 м3 грунта, руб./ м3 Пудес∙ kуд

Пуд

9,12

8,43

34. Нормативный коэффициент эффективности капитальных вложений в строительство

Ес

0,15

0,15


1.6.2 Выбор экскаватора

Анализ результатов расчета показывает, что производство работ по первому варианту требует меньше приведенных затрат и дает снижение стоимости на сумму

Э=Vэ (Пуд2 - Пуд1)= 21180*(9,12-8,43)=25614.2руб.

Удорожание работ по первому варианту, прежде всего, вызвано тем, что при использовании ЭО-5124 для выполнения первой проходки необходимо произвести доставку ЭО-2503в, для разработки грунта ниже стоянки экскаватора.

Исходя из полученного значения удельных приведенных затрат на выемку и перемещение 1 м3 грунта выбираем вариант: экскаватор драглайн ЭО-2503в + КаМАЗ-6540.

Трудозатраты вычисляются по формуле:

Т = Нвр·Vр / tсм,

где Нвр - норма времени, чел/час или маш/часр - объем работ;см = 8,2ч - продолжительность смены.

Продолжительность работ вычисляется по формуле:

Псм = Нвр·Vр / (R·tсм),

где R - количественный состав звена

.7 Техника безопасности и охрана окружающей среды

Земляные работы разрешается выполнять только по утвержденному проекту производства работ.

В зоне расположения действующих подземных коммуникаций земляные работы производят по письменному разрешению соответствующих организаций и в присутствии их представителя. В непосредственной близости к электрокабелям, газопроводам, напорным водоводам запрещается применение ударных инструментов (ломов, кирок, клиньев). Грунт разрабатывают только лопатами.

В случае обнаружения подземных сооружений, не предусмотренных проектом, работы приостанавливаются до получения дополнительных указаний.

Для спуска рабочих в котлованы и широкие траншеи пользуются стремянками шириной не менее 0,75 м с перилами, а в узкие траншеи - приставными лестницами.

В пределах призмы обрушения вдоль верхней бровки котлованов и траншей нельзя размещать материалы, устанавливать строительные машины и допускать их движения.

Экскаваторы во время работы должны стоять на спланированной поверхности. Погрузка автомашин производится так, чтобы ковш подавался со стороны заднего или бокового борта. Проносить ковш над кабиной запрещается. Образующиеся при разработке грунта «козырьки» сразу же срезаются.

При работе бульдозеров запрещается: перемещать грунт на подъем более 15° и под уклон более 30°, выдвигать отвал за бровку откоса выемки при сталкивании грунта. При совместной работе с экскаватором не допускается нахождение бульдозера в радиусе действия стрелы.

При разработке грунта гидромониторами вблизи населенных пунктов территорию ограждают и устанавливают предупредительные надписи, а в ночное время освещают.

Земляные работы с разработкой выемок во влажных грунтах, с устройством водопонижений, оттаиванием грунтов, рыхлением ударным способом и в других особых случаях выполняют при соблюдении указаний ППР и специальных правил по технике безопасности.

До начала производства земляных работ в местах расположения действующих подземных коммуникаций должны быть разработаны и согласованы с организациям, эксплуатирующими эти коммуникации, мероприятия по безопасным условиям труда, а расположение подземных коммуникаций на местности обозначено соответствующими знаками или надписями.

Производство земляных работ в зоне действующих подземных коммуникаций следует осуществлять под непосредственным руководством прораба или мастера, а в охранной зоне кабелей, находящихся под напряжением, или действующего газопровода, кроме того, под наблюдением работников электро- или газового хозяйства.

При обнаружении взрывоопасных материалов земляные работы в этих местах следует немедленно прекратить до получения разрешения от соответствующих органов.

Перед началом производства земляных работ на участках с возможным патогенным заражением почвы (свалка, скотомогильники, кладбища и т.п.) необходимо разрешение органов Государственного санитарного надзора.

Котлованы и траншеи, разрабатываемые на улицах, проездах, во дворах нас ленных пунктов, а также местах, где происходит движение людей или транспорта, должны быть ограждены защитным ограждением с учетом требований ГОСТ 23407. На ограждении необходимо устанавливать предупредительные надписи и знаки, а в ночное время - сигнальное освещение.

Места прохода людей через траншеи должны быть оборудованы переходными мостиками, освещаемыми в ночное время.

Грунт, извлеченный из котлована или траншеи, следует размещать на расстоянии не менее 0,5 м от бровки выемки.

Разрабатывать грунт в котлованах и траншеях "подкопом" не допускается.

Валуны и камни, а также отслоения грунта, обнаруженные на откосах,должны быть удалены.

Рытье котлованов и траншей с вертикальными стенками без креплений в нескальных и незамерзших грунтах выше уровня грунтовых вод и при отсутствии вблизи подземных сооружений допускается на глубину не более, м:

,0 - в насыпных, песчаных и крупнообломочных грунтах;

,25 - в супесях;

,50 - в суглинках и глинах.

При напластовании различных видов грунта крутизну откосов для всех пластов надлежит назначать по наиболее слабому виду грунта.

Крутизна откосов выемок глубиной более 5 м во всех случаях и глубиной менее 5 м при гидрогеологических условиях и видах грунтов, не предусмотренных п. 9.10 и табл. 4, должна устанавливаться проектом.

При невозможности применения инвентарных креплений стенок котлованов или траншей следует применять крепления, изготовленные по индивидуальным проектам, утвержденным в установленном порядке.

При установке креплений верхняя часть их должна выступать над бровкой выемки не менее чем на 15 см.

Устанавливать крепления необходимо в направлении сверху вниз по мере разработки выемки на глубину не более 0,5 м.

Разборку креплений следует производить в направлении снизу вверх по мере обратной засыпки выемки.

Разработка роторными и траншейными экскаваторами в связных грунтах (суглинках, глинах) траншей с вертикальными стенками без крепления допускается на глубину не более 3 м. В местах, где требуется пребывание рабочих, должны устраиваться крепления траншей или откосов.

Производство работ в котлованах и траншеях с откосами, подвергшимися увлажнению, разрешается только после тщательного осмотра производителем работ (мастером) состояния грунта откосов и обрушения неустойчивого грунта в местах, где обнаружены "козырьки" или трещины (отслоения).

Перед допуском рабочих в котлованы или траншеи глубиной более 1,3 м должна быть проверена устойчивость откосов или крепления стен.

Котлованы и траншеи, разработанные в зимнее время, при наступлении оттепели должны быть осмотрены, а по результатам осмотра должны быть приняты меры к обеспечению устойчивости откосов или креплений.

В случаях необходимости выполнения работ, связанных с электропрогревом грунта, должны соблюдаться требования пп. 6.4.1-6.4.12 СНиП 12-03.

Прогреваемую площадь следует ограждать, устанавливать на ней предупредительные сигналы, а в ночное время освещать. Расстояние между ограждением и контуром прогреваемого участка должно быть не менее 3 м.

На участках прогреваемой площади, находящихся под напряжением, пребывание людей не допускается.

Линии временного электроснабжения к прогреваемым участкам грунта надлежит выполнять изолированным проводом, а после каждого перемещения электрооборудования и перекладки электропроводок следует визуально проверять их исправность.

При извлечении грунта из выемок с помощью бадей необходимо устраивать защитные навесы-козырьки для укрытия работающих в выемке.

Погрузка грунта на автосамосвалы должна производиться со стороны заднего или бокового борта.

При разработке выемок в грунте экскаватором с прямой лопатой высоту забоя следует определять с таким расчетом, чтобы в процессе работы не образовывались "козырьки" из грунта.

При разработке, транспортировании, разгрузке, планировке и уплотнении грунта двумя или более самоходными или прицепными машинами (скреперами, грейдерами, катками, бульдозерами и др.), идущими одна за другой, расстояние между ними должно быть не менее 10 м.

Односторонняя засыпка пазух у свежевыложенных подпорных стен и фундаментов допускается после осуществления мероприятий, обеспечивающих устойчивость конструкции, при принятых условиях, способах и порядке засыпки.

При разработке грунта взрывным способом необходимо соблюдать Единые правила безопасности при взрывных работах, утвержденные Госгортехнадзором СССР.

При механическом ударном рыхлении грунта не допускается нахождение людей на расстоянии ближе 5 м от мест рыхления.

Машинисты бульдозеров (далее - «машинисты») при производстве работ согласно имеющейся квалификации обязаны выполнять требования безопасности, изложенные в «Типовой инструкции по охране труда для работников строительства, промышленности строительных материалов и жилищно-коммунального хозяйства», настоящей типовой инструкции, разработанной с учетом строительных норм и правил Российской Федерации, а также требования инструкций заводов-изготовителей по эксплуатации управляемых ими машин.

Требования безопасности перед началом работы

. Перед началом работы машинист обязан:

а) предъявить руководителю удостоверение на право управления бульдозером и пройти инструктаж на рабочем месте с учетом специфики выполняемых работ;

б) надеть спецодежду, спецобувь установленного образца;

в) получить задание у бригадира или руководителя работ.

. После получения задания на выполнение работы машинист обязан:

а) осмотреть с руководителем место расположения подземных сооружений и коммуникаций, которые должны быть обозначены флажками или вешками;

б) уточнить последовательность выполнения работы и меры по обеспечению безопасности;

в) произвести ежесменное техническое обслуживание согласно инструкции по эксплуатации бульдозера;

г) предупредить о запуске двигателя работников, обслуживающих машину или находящихся в зоне ее работы, и убедиться, что рычаг переключения скоростей находится в нейтральном положении;

д) произвести запуск двигателя (при наличии устройств, выключающих трансмиссию и исключающих обратный ход вращаемых элементов - вне кабины);

е) после запуска двигателя проверить на холостом ходу работу всех механизмов и на малом ходу работу тормозов.

. Машинист обязан не приступать к работе в случае следующих нарушений требований безопасности:

а) при неисправностях или дефектах, указанных в инструкции завода-изготовителя, при которых не допускается его эксплуатация;

б) при обнаружении подземных коммуникаций, не указанных руководителем работ, при выполнении работ по срезке или планировке грунта;

в) при уклоне местности, превышающем указанный в паспорте завода-изготовителя.

Обнаруженные нарушения требований безопасности следует устранить собственными силами, а при невозможности сделать это машинист обязан сообщить о них руководителю работ и лицу по надзору за безопасной эксплуатацией машины.

Требования безопасности во время работы

. Перед началом движения машины машинист обязан убедиться в отсутствии людей в зоне движения и подать звуковой сигнал.

. При работе на пересеченной местности машинист обязан:

выключить первую скорость при движении машины под уклон;

затормозить машину при остановке ее на уклоне.

. При засыпке выемок в грунте машинист обязан убедиться в отсутствии в них людей, оборудования, инструмента и строительных материалов и не допускать выход отвала бульдозера за край откоса. Запрещается передвижение бульдозера в пределах призмы обрушения откосов.

. Работа бульдозера в опасной зоне работающего экскаватора не допускается. Производство работ бульдозером в зоне действия экскаватора разрешается только при остановке экскаватора и нахождении ковша на земле.

. Одновременная работа двух бульдозеров с прицепными скреперами допускается при расстоянии между ними не менее 20 м. Интервал между работающими бульдозерами без скреперов должен быть не менее 10 м.

. При работе бульдозера в местах проведения взрывных работ перед каждым взрывом грунта бульдозер следует удалить на безопасное расстояние, указанное руководителем. Возвращение бульдозера к месту производства работ после взрыва разрешается только после соответствующего сигнала.

. При необходимости очистки отвала бульдозера машинист обязан опустить отвал на землю и выключить двигатель.

. При транспортировании машины своим ходом с одного места работы на другое машинист обязан:

а) поднять отвал бульдозера на ограниченную высоту, обеспечивающую необходимую видимость машинисту по ходу движения;

б) следить за тем, чтобы нож отвала не врезался и не задевал встречающиеся на пути предметы;

в) соблюдать правила дорожного движения;

г) пересекать железнодорожный путь только на действующем переезде, руководствуясь соответствующими сигналами;

д) устанавливать сигнальные красные фонари в случае вынужденной остановки бульдозера на дороге в ночное время.

. Буксировать или вытаскивать бульдозером застрявшую машину допускается с применением жесткого буксира, без сильных рывков. Применение для этих целей стального каната разрешается только при защищенности стекол кабины машиниста решеткой или проволочной сеткой.

. При выполнении сцепки машинист обязан:

осуществлять маневрирование на первой передаче и внимательно следить за работником, выполняющим сцепку машины;

избегать резких рывков;

по первому сигналу быть готовым затормозить машину;

осуществлять сцепку только после остановки машины.

. Перед погрузкой бульдозера на трайлер машинист обязан убедиться в том, что трайлер устойчив и заторможен. После погрузки бульдозера следует опустить его отвал и закрепить бульдозер. Во время перевозки бульдозера машинисту не разрешается находиться в кабине.

. Машинисту в процессе работы не разрешается:

а) передавать управление машиной лицам, не имеющим на это прав;

б) оставлять машину с работающим двигателем;

в) перевозить в кабине посторонних лиц;

г) выходить из кабины и входить в нее на ходу.

. При техническом обслуживании бульдозера машинист обязан остановить двигатель и снять давление в гидросистеме.

. Во время заправки бульдозера горючим машинисту и лицам, находящимся вблизи, не разрешается курить и пользоваться огнем. После заправки машину необходимо вытереть от подтеков топлива и смазки, а замасленную обтирочную ветошь положить в металлический закрывающийся ящик. Разведение огня на расстоянии менее 50 м от места работы или стоянки машины не допускается.

. При необходимости ремонта или профилактического осмотра бульдозера отвал следует заблокировать в поднятом состоянии страховочными цепями или опустить на прочную и устойчивую опору. При промывке деталей пользоваться этилированным спиртом не допускается.

. При обнаружении на участке выполнения земляных работ, не указанных при получении задания, подземных коммуникаций и сооружений, машинист обязан немедленно приостановить работу и сообщить об этом руководителю.

. При работе на косогорах машинисту не следует:

а) делать резких поворотов машины;

б) поворачивать машину с заглубленным рабочим органом;

в) передвигать машину поперек склонов, угол которых превышает указанный в паспорте машины.

. При передвижении машины по льду водоема машинисту следует:

а) трогать машину с места плавно на пониженной скорости без пробуксовки;

б) осуществлять повороты осторожно и на сниженной скорости;

в) держать двери кабины открытыми.

Требования безопасности по окончании работы

. По окончании работы машинист обязан:

а) поставить машину на стоянку;

б) поставить рычаг переключения скорости в нейтральное положение и включить тормоз;

в) выключить двигатель;

г) закрыть кабину на замок;

д) сообщить руководителю работ или ответственному за исправное состояние машины о всех неполадках, возникших во время работы.

Землекопы при производстве работ согласно имеющейся квалификации обязаны выполнять требования безопасности, изложенные в «Типовой инструкции по охране труда для работников строительства, промышленности строительных материалов и жилищно-коммунального хозяйства», настоящей типовой инструкции, разработанной с учетом строительных норм и правил Российской Федерации, а также требования инструкций заводов-изготовителей по эксплуатации применяемого оборудования и технологической оснастки.

Требования безопасности перед началом работы

. Перед началом работы землекопы обязаны:

а) предъявить руководителю удостоверение о проверке знаний безопасных методов работы;

б) надеть каску, спецодежду и спецобувь установленного образца;

в) получить задание на выполнение работы у бригадира или руководителя и пройти инструктаж на рабочем месте с учетом специфики выполняемых работ;

. После получения задания у бригадира или руководителя землекопы обязаны:

а) подготовить необходимые средства индивидуальной защиты (виброзащитные перчатки и защитные очки - при рыхлении грунта с помощью отбойного молотка и работе с другим пневмоинструментом);

б) проверить рабочее место и подходы к нему на соответствие требованиям безопасности;

в) подобрать оборудование, инструмент и технологическую оснастку, необходимые при выполнении работ, проверить их исправность и соответствие требованиям безопасности.

. Землекопы не должны приступать к выполнению работы при следующих нарушениях требований безопасности:

а) неисправностях технологической оснастки, средств защиты работающих или инструмента, указанных в инструкции завода-изготовителя, при которых не допускается их применение;

б) несвоевременном проведении очередных испытаний (техническом осмотре) технологической оснастки, инструмента, приспособлений;

в) несвоевременном проведении очередных испытаний или истечении срока эксплуатации средств защиты работающих, установленного заводом-изготовителем;

г) недостаточной освещенности рабочих мест и подходов к ним;

д) неустойчивости откосов грунта или креплений стенок выемок, наличии обнажившихся на откосах валунов, глыб, камней, находящихся в неустойчивом состоянии.

Обнаруженные нарушения требований безопасности должны быть устранены собственными силами до начала работы, а при невозможности этого землекопы обязаны сообщить о них бригадиру или руководителю работ.

Требования безопасности во время работы

. Землекопы при разработке грунта в выемках котлованов, траншеях, колодцах обязаны выполнять следующие требования безопасности:

а) разработка грунта в выемках с вертикальными стенками без крепления допускается на глубину не более, м:

- в насыпных песчаных и крупнообломочных грунтах;

,25 - в супесях;

,5 - в суглинках и глинах;

б) разработка грунта в выемках глубиной более указанной допускается с устройством соответствующих, предусмотренных технологической картой, откосов или установкой креплений их стенок.

. При установке креплений стенок в выемках грунта землекопы обязаны выполнять следующие требования:

а) верхняя часть креплений должна быть выше бровки выемки не менее чем на 0,15 м;

б) устанавливать крепления следует в направлении сверху вниз по мере разработки выемки на глубину не более 0,5 м;

в) стойки креплений следует устанавливать не реже чем через каждые 1,5 м;

г) распорки креплений следует размещать одну от другой по вертикали на расстоянии не более 1 м, на концы распорок (сверху и снизу) закреплять фиксирующие бобышки;

д) в грунтах естественной влажности, кроме песчаных, толщина досок должна быть не менее 4 см, а зазоры между досками - не более 0,15 м. В грунтах повышенной влажности и в сыпучих грунтах доски толщиной не менее 5 см следует располагать без зазоров;

е) в случае образования вывалов или обрушений грунта это место после установки крепления следует засыпать грунтом;

ж) при сильном притоке грунтовых вод или наличии водонасыщенных расплывающихся грунтов (плывунов) следует устраивать искусственное водопонижение или шпунтовое крепление. Шпунт следует забивать в водонепроницаемый грунт на глубину, указанную в паспорте крепления, но не менее 0,75 м.

. Разработку грунта в выемках следует осуществлять послойно, не допускается производить эти работы «подкопом», с образованием «козырьков».

В случае образования «козырьков» вследствие обвала грунта землекопы обязаны принять меры по обеспечению устойчивости грунта.

. Землекопам не допускается находиться или выполнять работы и зоне действия экскаватора на расстоянии менее 10 м от места действия его ковша. Очищать ковш от налипшего грунта следует только при опущенном положении ковша.

. При извлечении грунта из выемок с помощью бадей или других емкостей в выемках следует устраивать защитные навесы-козырьки для укрытия работников в выемке во время подъема или спуска бадей.

. Разборку креплений стенок в выемках грунта землекопы обязаны производить в направлении снизу вверх по мере возведения подземных строительных конструкций или прокладки подземных коммуникаций и обратной засыпки их грунтом. В грунтах естественной влажности допускается одновременное удаление креплений не более чем на 0,5 м (трех досок) по высоте, а в грунтах повышенной влажности и сыпучих грунтах - не более 0,2 м (одной доски). При удалении досок следует соответственно переставлять распорки по мере установки новых.

В случаях, когда разборка креплений может повлечь за собой деформацию существующих зданий и сооружений, крепление следует частично или полностью оставлять в грунте.

. Погрузку грунта в автосамосвалы следует производить со стороны заднего или бокового борта. Нахождение людей между землеройной машиной и транспортным средством не допускается

. Выполнение земляных работ в охранной зоне подземных коммуникаций разрешается только при наличии оформленного наряда-допуска в присутствии представителя организации, эксплуатирующей коммуникации, попадающие в зону производства земляных работ. Использовать при этом инструмент ударного действия (лом, кирки, клинья и инструмент с электро- и пневмоприводом) для рыхления грунта в непосредственной близости (ближе 0,25 м) от коммуникаций не допускается.

. Производство работ в выемках с откосами, разработанных в зимнее время, с наступлением оттепели, а также подвергшихся обогреву грунта или действию длительных атмосферных осадков, разрешается только после осмотра мастером или производителем работ состояния грунта откосов и обрушения неустойчивого грунта в местах образования «козырьков» или трещин (отслоений), а при необходимости - дополнительного раскрепления.

. При разработке грунта в зимнее время землекопы обязаны выполнять следующие требования:

а) при механическом рыхлении мерзлого грунта (клин-молотом, шар-молотом) землекопам следует находиться в радиусе не менее 20 м от места рыхления;

б) в случае необходимости выполнения работ по электропрогреву мерзлого грунта не допускается пребывание работников на участках прогреваемой площади, находящихся под напряжением. При этом разрешается приближаться на расстояние не менее 3 м от контура прогреваемого участка, который должен быть огражден, вывешены предупредительные надписи и сигналы, а в темное время суток - сигнальное освещение;

в) разработка грунта на участке, с применением электропрогрева, допускается только после снятия электрического напряжения и освобождения участка от проводов;

г) разработка грунта в выемках без креплений разрешается только до уровня промерзания грунта (не более 0,5 м), при этом состояние стенок необходимо постоянно контролировать. Разработка грунта в выемках ниже указанного уровня допускается только с установкой креплений стенок.

. Разработка грунта в опускных колодцах допускается при выполнении следующих требований безопасности:

а) работу выполнять только под непосредственным руководством мастера или производителя работ;

б) под ножом опускного колодца разработку грунта следует осуществлять только вручную. Не допускается разрабатывать грунт более чем на 1 м ниже кромки ножа опускного колодца, при этом порядок разработки грунта и удаления подкладок из-под ножа должен обеспечивать его равномерное и симметричное оседание;

в) подъем и опускание землекопов из опускного колодца допускается только по установленным внутри колодца навесным лестницам (не менее двух);

г) при перемещении грунта в бадьях или грейфером при помощи грузоподъемного крана землекопы должны находиться под защитным козырьком, установленным по всему периметру колодца, с противоположной стороны от места перемещения грунта, а движение бадьи - осуществлять по специальным направляющим;

д) при необходимости использования у колодца сигнальщика он должен находиться на площадке с ограждением, установленной вне зоны работы грейфера.

Требования безопасности в аварийных ситуациях

. В случае обнаружения при производстве работ подземных коммуникаций или взрывоопасных материалов, не указанных производителем или бригадиром, разработку грунта следует остановить и выйти из опасной зоны, поставив в известность руководителя работ. К работе можно приступать только после получения соответствующего разрешения.

. При появлении в откосах выемок, признаков сдвига или сползания грунта, землекопам следует незамедлительно остановить выполнение работ и выйти из опасной зоны до выполнения мероприятий, обеспечивающих устойчивость откосов.

Требования безопасности по окончании работы

. По окончании рабочего дня землекопы обязаны:

а) осмотреть состояние стенок выемок и в случае обнаружения неустойчивости откосов выполнить необходимые мероприятия по их закреплению;

б) очистить берму выемки от разработанного грунта;

в) убедиться в отсутствии на откосах выемки комьев, глыб грунта, при их обнаружении их следует удалить;

г) инструмент, оснастку и другие приспособления, применяемые в процессе выполнения задания, очистить от грунта и убрать в отведенное место;

д) спецодежду, спецобувь и другие средства индивидуальной защиты очистить и убрать в предназначенное для их хранения место;

е) если не закончена работа в колодце или шурфе, закрыть или оградить их, в темное время суток включить сигнальное освещение;

ж) о всех недостатках или неполадках во время выполнения работы сообщить бригадиру или руководителю.

Водители грузовых автомобилей (далее - «водители») при производстве работ согласно имеющейся квалификации обязаны выполнять требования безопасности, изложенные в «Типовой инструкции по охране труда для работников строительства, промышленности строительных материалов и жилищно-коммунального хозяйства», настоящей типовой инструкции, разработанной с учетом строительных норм и правил Российской Федерации, «Правил по охране труда на автомобильном транспорте», «Правил дорожного движения Российской Федерации», а также требования инструкций заводов-изготовителей по эксплуатации автомобилей.

Требования безопасности перед началом работы

. Перед началом работы водитель обязан:

а) убедиться в наличии удостоверения на право управления автомобилем и о проверке знаний безопасных методов работ;

б) иметь при себе талон технического паспорта автомобиля и путевой (маршрутный) лист;

в) получить наряд-задание на выполнение работы и путевой лист, пройти инструктаж по специфике предстоящих работ и предрейсовый медицинский осмотр;

г) надеть спецодежду и спецобувь установленного образца.

. После получения наряда-задания водитель обязан:

а) проверить наличие медицинской аптечки, огнетушителей и комплекта инструментов;

б) в целях обеспечения безопасной и бесперебойной работы на линии проверить техническое состояние автомобиля, обратив внимание на исправность шин, тормозов, рулевого управления, болтов крепления карданного вала, исправность проводки, фар, стоп-сигнала, указателей поворотов, звукового сигнала, контрольно-измерительных приборов, зеркал заднего вида;

в) произвести ежесменное техническое обслуживание и заправку автомобиля топливом, маслом, водой, антифризом (в холодное время года) и тормозной жидкостью, проверить уровень электролита в аккумуляторной батарее;

г) после заправки автомобиля топливом и маслом вытереть насухо все части машины, испачканные нефтепродуктами.

Пролитые во время заправки горючесмазочные материалы убрать с помощью ветоши, песка или опилок;

д) проверить работоспособность и исправность двигателя на холостом ходу, осветительных и контрольно-измерительных приборов, а также проверить на малом ходу работу тормозов и рулевого управления;

е) предъявить автомобиль ответственному за выпуск технически исправных машин из гаража (механику) и получить отметку в путевом листе о технической исправности автомобиля.

. Водитель не должен выезжать на линию при следующих нарушениях требований безопасности:

а) неисправностях механизмов и систем, при которых запрещается эксплуатация автомобиля;

б) несоответствии характеристик автомобиля характеристикам груза по объему, грузоподъемности, длине и другим параметрам;

в) отсутствии или неисправности осветительных приборов, зеркал заднего вида, сигнального устройства, огнетушителей.

Обнаруженные нарушения следует устранять собственными силами, а при невозможности сделать это водитель обязан сообщить о них лицу, ответственному за содержание автомобиля в исправном состоянии, а также лицу по надзору за безопасной эксплуатацией автомобилей.

Требования безопасности во время работы

. По прибытии на объект, указанный в путевом листе, водитель обязан:

а) явиться к руководителю работ, в распоряжение которого направлен, предъявить путевой лист и удостоверение о проверке знаний безопасных методов труда, получить производственное задание и пройти инструктаж на рабочем месте по специфике выполняемых работ;

б) ознакомиться с местом погрузки и разгрузки, убедиться в безопасности и удобстве подъездов, в достаточной освещенности площадки;

в) обратить внимание на качество дорожного покрытия и его состояние (наличие выбоин, луж, штырей, арматуры, а в холодное время года - снега и льда).

. Во время работы водитель автомобиля обязан;

а) выполнять маневрирование, только предварительно убедившись в безопасности маневра для окружающих пешеходов и в отсутствии помех для других транспортных средств;

б) перед выходом из кабины автомобиля выключить двигатель, включить стояночный тормоз и первую передачу, вынуть ключ из замка зажигания, а после выхода из кабины запереть дверцы;

в) убедиться в отсутствии движущихся транспортных средств в попутном и встречном направлениях прежде, чем выйти из кабины на проезжую часть;

г) подавать автомобиль при сцепке к прицепу на минимально возможной скорости;

д) осуществлять сцепку автопоезда в одиночку в исключительных случаях с соблюдением указанной последовательности операций: затормозить прицеп стояночным тормозом; проверить исправность буксирного устройства; подложить упоры под задние колеса прицепа; сцепить автомобиль и прицеп; закрепить страховочный трос прицепа за поперечину рамы автомобиля; соединить разъемы гидравлической, пневматической и электрической систем автомобиля и прицепа;

е) находясь на линии, периодически проверять исправное состояние прицепа и буксирного устройства;

ж) при необходимости разгрузки самосвала у откоса, оврага или обрыва и отсутствии колесоотбойного бруса устанавливать его не ближе 1 м от края обрыва;

з) при управлении автомобилем с цистерной, заполненной менее чем на 3/4, ее объема, снижать на поворотах скорость до минимальной.

. Перед заправкой топливом газобаллонного автомобиля следует убедиться в отсутствии людей в кабине, выключить двигатель, избегать попадания газа на открытые участки кожи (для исключения обморожения в результате испарения газа), перед включением зажигания и пуском двигателя в течение 3 мин держать капот открытым до полного выветривания газа.

. Перед постановкой газобаллонного автомобиля на крытую стоянку или при техническом обслуживании необходимо закрыть вентиль баллона и выработать весь газ из системы питания.

. Для заливки горячей воды при разогреве двигателя следует использовать специальные ведра с носиком в верхней части, создающим направленную струю. При разогреве двигателя при помощи пара или горячего воздуха шланг необходимо присоединить к горловине радиатора и надежно закрепить,

. После использования калорифера для прогрева двигателя кабину автомобиля следует проветрить для удаления продуктов сгорания

. При выполнении ремонтных работ водитель обязан выключить двигатель, затормозить автомобиль стояночным тормозом и включить первую передачу.

. При остановке на уклоне необходимо подложить под колеса не менее чем два противооткатных упора.

. Неисправности системы питания следует устранять только после охлаждения двигателя, а засорившиеся топливопроводы и жиклеры продувать с помощью насоса.

. Перед подъемом автомобиля домкратом следует удалить пассажиров из кабины, затормозить автомобиль стояночным тормозом, подложить противооткатные упоры под колеса, не подлежащие подъему, выровнять площадку под домкрат и положить под него широкую подкладку из древесины.

. Выполняя работы, связанные со снятием колес, водитель обязан подставить козелки, а под неснятые колеса - подложить противооткатные упоры.

. При накачивании шины колеса, снятого с автомобиля, следует пользоваться приспособлением, предохраняющим от удара при выскакивании замочного кольца.

. Для выполнения работ под поднятым кузовом самосвала необходимо закрепить кузов специальными страховочными упорами.

. Водителям запрещается:

а) перевозить пассажиров в кузове необорудованного автомобиля и без соответствующей записи в путевом (маршрутном) листе;

б) управлять автомобилем в нетрезвом состоянии;

в) ставить газобаллонный автомобиль на длительную стоянку с открытыми вентилями баллонов и системы питания;

г) использовать камеры для заливки горячей воды при подогреве двигателя;

д) применять для разогрева двигателя газовые горелки, не оборудованные сигнальными устройствами и устройствами, автоматически отключающими подачу газа при его утечке или погасании горелки;

е) пользоваться прямой передачей во время длительного спуска;

ж) двигаться на крутом спуске с выключенным сцеплением или передачей;

з) закреплять страховочный канат или цепь прицепа за крюк буксирного устройства;

и) буксировать порожним автомобилем груженый прицеп;

к) применять в качестве козелков и подставок для автомобиля со снятыми колесами случайные предметы (камни, доски, бочки, диски колес и т.п.);

л) отдыхать или спать в кабине автомобиля с работающим двигателем.

. Запрещается выполнять работы по ремонту и обслуживанию автомобиля под приподнятым кузовом самосвала, а также во время погрузочно-разгрузочных работ и в случае установки автомобиля в опасной зоне действующих грузоподъемных механизмов.

. При производстве погрузочно-разгрузочных работ водитель обязан выйти из кабины автомобиля и наблюдать за правильностью погрузки или разгрузки автомобиля. Погрузку и разгрузку грузов, а также их крепление на автомобиле следует осуществлять силами и средствами грузоотправителей, грузополучателей или специализированных организаций с соблюдением правил техники безопасности. Водитель обязан проверить соответствие укладки и надежность крепления груза на транспортном средстве, а в случае обнаружения нарушений в укладке и креплении груза - потребовать от грузоотправителя устранить их. Погрузка прицепа должна осуществляться с передней части, а разгрузка - с задней части во избежание его опрокидывания.

. При размещении автомобилей на погрузочно-разгрузочных площадках расстояние между автомобилями, стоящими друг за другом (в колонну), должно быть не менее 1 м, а между автомобилями, стоящими в ряд, - не менее 1,5 м. Если автомобили устанавливаются для погрузки или разгрузки вблизи здания, то между зданием и задним бортом автомобиля должен соблюдаться интервал не менее 1,5 м. Расстояние между автомобилем и штабелем груза должно быть не менее 1 м.

. При загрузке кузова автомобиля навалочным грузом он должен укладываться не выше борта кузова (стандартного и наращенного) и должен располагаться равномерно по всей площади пола.

Штучные грузы, возвышающиеся над бортами кузова, необходимо увязывать крепкими исправными канатами.

. Ящики, бочки и другой штучный груз должны быть уложены плотно, без промежутков, укреплены или увязаны так, чтобы при движении (резком торможении, трогании с места и крутых поворотах) они не могли перемещаться по полу кузова. При наличии промежутков между местами груза следует вставлять между ними прочные деревянные прокладки и распорки.

При укладке грузов в катно-бочковой таре в несколько рядов их накатывают по слегам или покатам боковой поверхностью. Бочки с жидким грузом устанавливают пробкой вверх. Каждый ряд должен укладываться на прокладках из досок с подклиниванием всех крайних рядов.

. Грузы, превышающие габариты грузовой платформы автомобиля по длине на 2 м и более (длинномерные грузы), должны перевозиться на автомобилях с прицепами-роспусками, к которым грузы должны надежно крепиться.

При погрузке длинномерных грузов (труб, рельсов, бревен и др.) на автомобиль с прицепом-роспуском необходимо оставлять зазор между щитом, установленным за кабиной автомобиля, и торцами груза для того, чтобы на поворотах груз не цеплялся за щит. Для предупреждения перемещения груза вперед при торможении и движении под уклон груз должен быть надежно закреплен.

Запрещается перевозить грузы с концами, выступающими за боковые габариты автомобиля; загораживать грузом двери кабины водителя: располагать длинномерные грузы выше стоек.

Крупногабаритные и тяжеловесные грузы перевозятся в соответствии с требованиями «Инструкции о перевозке крупногабаритных и тяжеловесных грузов автомобильным транспортом».

. При эксплуатации автомобиля в неблагоприятных атмосферных условиях водитель обязан:

а) во время тумана, сильного снегопада или дождя сбавить скорость, и не обгонять транспортные средства, движущиеся в попутном направлении;

б) не открывать резко дроссельную заслонку и избегать быстрых поворотов рулевого колеса;

в) трогаться с места на обледеневшей дороге на одной из низших передач при слабо открытой дроссельной заслонке;

г) при спуске с уклона торможение выполнять двигателем и притормаживать рабочим тормозом;

д) двигаться по льду рек, водоемов только в случае наличия разрешения службы безопасности движения и по специально оборудованным съездам и дорогам, обставленным вехами и имеющим указатели и дорожные знаки.

Требования безопасности в аварийных ситуациях

. При выходе из строя деталей или агрегатов движущегося автомобиля водитель обязан съехать с проезжей части дороги, выключить двигатель, включить первую передачу и стояночный тормоз, подложить под колеса противооткатные упоры и установить сзади автомобиля предупреждающий знак.

. В случае возгорания топлива или перевозимого груза водитель должен погасить огонь при помощи огнетушителей, кошмы, брезента, песка и других подручных средств. При невозможности самостоятельной ликвидации пожара водитель должен вызвать пожарную охрану в установленном порядке и сообщить руководителю работ.

. При дорожно-транспортном происшествии водитель, причастный к нему, обязан:

б) вызвать в случае необходимости «Скорую помощь», а если это невозможно, отправить пострадавших на попутном или отвезти на своем транспорте в ближайшее лечебное заведение и сообщить там свою фамилию, номерной знак транспортного средства, после чего возвратиться к месту происшествия;

в) сообщить о случившемся в ГИБДД, записать фамилию и адреса очевидцев происшествия и ожидать прибытия работников милиции или следственных органов;

г) если невозможно движение других транспортных средств, освободить проезжую часть, предварительно зафиксировав положение транспортного средства и относящихся к дорожно-транспортному происшествию предметов и следов.

Требования безопасности по окончании работы

. По окончании работы водитель обязан:

а) проверить вместе с механиком автомобиль после возвращения с линии;

б) в случае необходимости оставить заявку на текущий ремонт с перечнем неисправностей, подлежащих устранению;

в) выключить двигатель;

г) при безгаражном хранении автомобиля в зимнее время слить воду из радиатора и двигателя, затянуть рычаг стояночного тормоза;

д) закрыть кабину на замок;

е) сообщить руководителю работ или ответственному за содержание автомобиля в исправном состоянии о всех неполадках, возникших во время работы.

Почвенный слой является ценным медленно возобновляющимся природным ресурсом. При ведении строительных работ, прокладке линий коммуникаций, добыче полезных ископаемых и всех других видах работ, приводящих к нарушению или снижению свойств почвенного слоя, последний подлежит снятию, перемещению в резерв и использованию для рекультивации нарушенных земель или землевания малопродуктивных угодий.

Снятие и охрану плодородного почвенного слоя осуществляют в соответствии с требованиями ГОСТ 17.4.3.03 <#"863000.files/image067.gif">, (2.1)

где: a, a1, a2, b, b1, b2, с, c1, c2 - геометрические параметры стакана;

Определяем расход бетона на один стакан фундамента:

 (2.2)

Определяем объем бетона на заливку всех стаканов:

, где (2.3)

n - количество стаканов фундамента, n=45

Выбор рационального метода бетонирования зависит от массивности бетонируемой конструкции, которая характеризуется модулем поверхности (Mn), т.е. соотношение суммарной площади охлаждения ФС (∑Fохл) к его объему (Vст). Если модуль поверхности ≤5, то конструкция считается массивной, поэтому при бетонировании при отрицательных температурах такие конструкции необходимо утеплять, чтобы бетон в конструкции сумел набрать определенный коэффициент прочности (min 40% от проектной прочности)

Площадь охлажденного бетона фундамента:

F1охл = 2a1a2-b1b2+2a(a1+a2) = 2*2.6*3.2-1.6*2.1+2*0.5*(2.6+3.2) = 19.08 м2;(2.4)

F2охл = b1b2-c1c2+2b(b1+b2) = 1.6*2.1-0.6*0.8+2*0.5*(1.6+2.1) = 6.58 м2;(2.5)

F3охл = c1c2+2*c*(c1+c2) = 0.6*0.8+2*2*(0.6+0.8) = 2.688 м2(2.6)

Площадь охлажденного одного стакана фундамента:

Fохл = F1охл + F2охл + F3охл = 19.08+6.58+2.688=28.348 м2(2.7)

Определение модуля поверхности:

Mn= Fохл / Vст =28,348/6.8=4,17 ≤ 5 =>(2.8)

конструкция считается массивной=>так как бетонирование ведется при отрицательных температурах (-10 оС) необходим утеплитель. Наиболее рациональным методом утепления в строительстве является метод «термоса». Суть которого заключается в том что открытые поверхности бетона покрывают специально подобранным утеплителем.

Вид, марка и толщина определяются из уравнения теплового баланса (ур-е Скромтаева)

Сб*Ϫб*(tбн-tбк)+Q*Ц = 3.6*kт*Mn*τ тф*(tбс-tнв) (2.9)


т.к. τф < τнорм - требуется утепление опалубки

Из уравнения теплового баланса по нормативному времени остывания рассчитаем требуемый коэффициент теплопроводности утеплителя:

 

В роли утеплителя возьмем опилки. Слой 100 мм. Для предотвращения выветривания утеплителя используем толь. Кт.ут.=0,89Вт/(м2 0С).

Требуемое термическое сопротивление:

 (2.12)

Фактическое термическое сопротивление:

 (2.13)

Rф.>Rтр.. Значит, тип и марка утеплителя выбраны верно.

Для бетонирования применяем мелкощитовую разборно-переставную опалубку деревянную

Целесообразно иметь щиты двух типоразмеров.

Подбор комплекта щитов опалубки определяем из условий:

1.      Количество типоразмеров щитов должно быть не более 2;

2.      Щит должен быть на 10-15 см выше уровня бетонирования;

.        Крайние щиты могут выходить за поверхность фундамента, но не более чем на ¼ длины щита;

.        Длина щита не более 2 м;

.        Ширина b не более 0,6 м.

Бетонные работы выполняются в течении одного месяца (25 рабочих дней):

. Установка опалубки

. Монтаж арматуры

. Укладка бетона

. Набор прочности бетона

. Снятие опалубки

Непосредственно на бетонирование стаканов отводится 9 дней, т.е. за один день необходимо бетонировать Q стаканов

Определение скорости бетонирования:

Определяем минимальное количество бетонируемых стаканов в день:

,

где n - количество стаканов, n=45

Определяем необходимое количество бетона в смену для заполнения фундаментных стаканов:


- требуемый объём бетона на один стакан фундамента,

Скорость бетонирования:

,

где tсмена - продолжительность смены, tсмена=8,2ч.

Определение давления на щит опалубки от свежеуложенного бетона:

,

где γ - объемная плотность бетона, γ=2300кг/м3

V - скорость бетонирования, V=3.969м3

K1 - коэффициент, зависящий от подвижности бетонной смеси, K1=1

K2 - коэффициент, учитывающий влияние температуры смеси, K2=1,15

Определение расстояние между ребрами жесткости щита опалубки:

1)      Из условий прочности материала:

,

где h - толщина щита, h=0,04м

R - допускаемое напряжение на изгиб материала щита опалубки, R=18МПа

q - давление на щит от свежеуложенного бетона, q=48.97КПа

2)      Из условий деформации:

,

где Е - модуль упругости материала, E=104МПа

f/l - условия жесткости, f/l=1/200

Учитывая все условия, выбираем два типа щитов опалубки: 1,6х0,6м и 0,8х0,6м.

Определим требуемое количество опалубочных щитов на один фундаментный стакан:

Щ1=18 шт.

Щ2=10 шт.

На один фундаментный стакан:

Всего необходимо:

Армирование фундаментного стакана ведется арматурными сетками, которые делятся на сетки для сборки армокаркасов подколонников и сетки для армирование нижней ступени.

Сборка армокаркасов подколонника ведется на стенде сборки с помощью кондуктора, путем прихватки арматурных сеток между собой электродуговой сваркой или вязкой.

Армокаркасы и сетки ступени массой свыше 50 кг устанавливают автомобильным краном.

Арматурные работы выполняют в следующем порядке:

устанавливают арматурные сетки башмака на фиксаторы, обеспечивающие защитный слой бетона по проекту;

после устройства опалубки башмака устанавливают арматурные подколонники с креплением их к нижней сетке вязальной проволокой. [22]

2.3 Выбор строительных машин

В качестве машины для транспортирования бетонной смеси на строительный объект принимаем автобетоносмеситель. Полезный объем барабана автобетоносмесителя назначается в соответствии с объемом одного стакана фундамента.

Для установки и снятия щитов опалубки и арматурных каркасов используется строительный кран.

Определяем требуемую грузоподъемность крана:

До начала монтажа опалубки производят укрупнительную сборку щитов в панели в следующей последовательности:

на площадке складирования собирают короб из схваток;

на схватки навешивают щиты;

на ребро щитов панели наносят краской риски, обозначающие положение осей.

Вес такой конструкции в данном примере для нижней ступени фундамента составляет: [5]

Где 8- количество щитов опалубки для нижней ступени

- масса одного щита Щ2

- вес строповочного оборудования (строп шестиветвевой универсальный). [Горобец В.П., Анненкова О.С. - Грузозахватные приспособления для монтажа строительных конструкций]

Используемые для армирования сетки и каркасы ввиду небольшого диаметра стержней и размеров фундамента также имеют небольшую массу:

где  110 кг - вес армокаркаса (самое тяжелое изделие).

Получаем Qтр=0,554т.

Определяем высоту подъема крюка - это вертикальное расстояние от уровня стоянки крана до крюка в момент его максимального подъема[4]:

Hк=hо+hз+hа+hс=3+0,5+3+1=7,5м,

где hо - высота монтажного горизонта (высота фундамента), hо = 3м;

hз - запас [принимается по СНиП 111-4-80*], hз =0,5м;

hа - высота арматурного каркаса(высота фундамента), hа = 3м;

hс - рабочая длина строп [Горобец В.П., Анненкова О.С. - Грузозахватные приспособления для монтажа строительных конструкций], hс=1м;

Кран располагается на дне котлована, поэтому вначале определяем минимальное приближение крана Lmin к возводимому фундаменту

Lmin = rn +1,0,

где rn - радиус поворота платформы крана, м.

Значение радиуса поворота платформы крана rn принимаем в расчете 3 м. Это значение может быть уточнено при подборе конкретной марки крана [4, с.46].

Требуемый вылет стрелы крана Lтр может быть найден графическим методом. Для этого вычерчивают план захватки в масштабе, наносят точку стоянки и опрёделяют длину отрезка до наиболее удаленного фундамента.

Определяем длину стрелы [Кондоуровой Н.М. «Проектирование технологии выполнения работ нулевого цикла», ф. (2.7)]


Где Lтр - требуемый вылет стрелы, Lтр = 13,4м

Hк - высота подъёмы крюка, Hк = 7,5м

hn - высота полиспаста, hn = 3,0м;

hш- вертикальное расстояние от уровня стоянки крана до уровня шарнира стрелы hш = 1,7 м;

Технические характеристики строительных кранов должны быть выше требуемых параметров на 10…30 %.

.4 Расчет технико-экономических показателей

Норма времени на процесс бетонирования фундаментов с помощью автобетононасоса в ЕНиРе приводится в чел-час, это связано с тем, что при бетонировании имеют место множество ручных операций, таких как разравнивание бетонной смеси, уплотнение вибраторами и заглаживание открытой поверхности бетона. В связи с этим при определении производительности будем делить норму времени на количественный состав звена (2 человека) [7].

Расчет нормативной производительности автобетононасоса:

 

ε = 1 м3 - объем бетонной смеси, на который дана норма времени

Нвр.=0,33 - норма времени для подачи бетонной смеси с помощью бетононасоса при объеме бетонирования до 10 м3, [§ Е4-1-49, Таблица 1]

Rзв. = 2 - расчетный состав звена

tсм =8,2 ч - продолжительность смены

Расчет эксплуатационной производительности автобетононасоса:

 

где Кв1 и Кв2 - коэффициенты использования сменного времени автобетононасосом и автобетоносмесителем соответственно.

Количество бетонируемых за смену стаканов:

n = 35,78 / 6,51 = 5,49=5шт.

Требуемая производительность автобетононасоса:


Где  - объём одного фундаментного стакана

n=5 - количество стаканов бетонируемых в одну смену

- количество смен, см

Так как Пэтр делаем вывод, что одного бетононасоса достаточно для заполнения 5 стаканов за смену.

Тогда, если учитывать принятые коэффициенты использования сменного времени, то на один стакан уходит:



Цикл работы бетононасоса состоит из:

tз - время заполнения приемной воронки 0,6 м3; с учетом производительности бетононасоса при подачи бетонной смеси примем tз=0,9мин.

tв - время выгрузки бетона из приемной воронки;

Определим его следующим образом:

ёмкость автобетоносмесителя 7 м3, значит, до своего полного опорожнения он загрузит приемную воронку: 7м3 / 0,6м3= 11,67раз. Тогда на один цикл уйдет 71/11,67 = 6,08мин.

tв = 6,08- tз =5,18 ин.

Эксплуатационная производительность автобетоносмесителя: [4]:

 


где Vб=7м3 - объем бетона перевозимого за один рейс [таблица 2.8];р - количество рейсов;

Кв2= 0,8 - коэффициент использования сменного времени;

Число рейсов за смену:


где tц=tн+tгр+tразгр+tм+tхх - продолжительность цикла доставки бетона, [4], (2.33)

н = 1,5.Vб=1,5.7=10,5 мин- время нагрузки;гр = tхх = (60∙L)/ Vср=60∙15/30 =30 мин

- время движения груженого и пустого автобетоносмесителя [4],

где L - дальность транспортировки бетона, км (L=15км) [по условию задания]ср =30 км/час - средняя скорость движения автобетоносмесителя [Кондоуровой Н.М. «Проектирование технологии выполнения работ нулевого цикла», Таблица 2.12];разгр- время разгрузки автобетоносмесителя, в силу специфики бетонирования стаканов автобетононасосом принимаем

tразгр = tст -tв= 71-5,18=65,82 мин

(так как бетоносмеситель уедет до окончания выгрузки последних 0,6 м3)м=6 мин - время маневрирования[4, прил.Б].

tц= 10,5+30+65,82+6+30=142,32минр=8,2∙60/142,32=3,5 рейса/см.

 

,2/6,5=3,88

*6,5=19,5 м3/см

Для безостаточного бетонирования целого числа стаканов принимаем:

 и число рейсов равное 3 в смену.

При таком количестве рейсов за одну смену бетонируется 3 стакана.

Определим количество транспортных средств для доставки бетона на объект по формуле:

При этом второй водитель должен выехать с места погрузки на 71 минут (время стоянки на 1 стакане) позже первого, и тогда за смену он успеет сделать 2 рейса, а число бетонируемых стаканов составит 4 штуки, при минимальном 3 стакана в смену.

.5 Калькуляция трудозатрат и календарный график работ

Трудозатраты вычисляются по формуле:

Т = Нвр·Vр / tсм,

где Нвр - норма времени, чел-ч или маш-ч; [7];р - объем работ;см = 8,2ч - продолжительность смены.

Продолжительность работ вычисляется по формуле:

Псм = Нвр·Vр / (R·tсм·n),

где R - количественный состав звена; [7];=1 - количество смен.

Итоговая продолжительность устройства монолитных столбчатых фундаментов составляет 22 рабочих дней. Задание произвести бетонные работы за 1 календарный месяц (25 рабочих дней) выполнено.

Для ускорения работы производим следующее совмещение рабочих процессов:

совмещаем процесс установки опалубки и монтаж арматуры

одновременно с процессом снятия утеплителя разбираем опалубку.

Данные совмещения позволят сократить сроки выполнения работ, а также экономически целесообразны.

2.6 Ведомость материально-технических ресурсов и контроль качества выполнения работ

Таблица 14. Ведомость материально-технических ресурсов


.7 Требования техники безопасности при производстве бетонных работ

Охрана труда арматурщиков

1. Перед началом работы арматурщики обязаны:

а) предъявить руководителю удостоверение о проверке знаний безопасных методов работ, получить задание у бригадира или руководителя и пройти инструктаж на рабочем месте по специфике выполняемых работ;

б) надеть спецодежду, спецобувь и каску установленного образца.

. После получения задания у бригадира или руководителя работ арматурщики обязаны:

а) подготовить необходимые средства индивидуальной защиты и проверить их исправность;

б) проверить рабочее место и подходы к нему на соответствие требованиям безопасности;

в) подобрать инструмент, оборудование и технологическую оснастку, необходимые при выполнении работы, проверить их исправность и соответствие требованиям безопасности;

г) убедиться в отсутствии дефектов у применяемых материалов;

д) проверить устойчивость и целостность опалубки и поддерживающих лесов.

. Арматурщики не должны приступать к выполнению работы при следующих нарушениях требований безопасности:

а) отсутствии ограждений рабочего места или оборудованных систем доступа при работе на высоте 1,3 м и более;

б) неисправностях применяемого оборудования и технологической оснастки, указанных в инструкциях заводов-изготовителей, при которых не допускается их применение;

в) несвоевременном проведении очередных испытаний (технического осмотра) технологической оснастки, инструмента и приспособлений;

г) недостаточной освещенности или загроможденности рабочего места;

д) нахождении в неустойчивом положении вертикальных конструкций армокаркаса, опалубки или наличии дефектов крепления лесов;

е) несоответствии параметров арматуры требованиям инструкций заводов-изготовителей по эксплуатации применяемого оборудования.

Обнаруженные нарушения требований безопасности должны быть устранены собственными силами, а при невозможности сделать это арматурщики обязаны сообщить бригадиру или руководителю работ.

Требования безопасности во время работы

. Складировать арматуру следует на специально отведенных для этого местах. Не допускается занимать проходы и рабочее место у станка арматурными заготовками.

. Для изготовления армоконструкций следует использовать арматурные стержни, очищенные от ржавчины и грязи. При выполнении этой работы арматурщики должны применять металлические щетки. Для защиты глаз от попадания твердых частиц следует надевать защитные очки.

. При правке и резке арматурной стали на правильно-обрезных станках арматурщики обязаны:

а) заправлять концы проволоки или катанки из бухты в правильный барабан, а также в ролики станка при отключенном электродвигателе;

б) закрывать перед пуском электродвигателя правильный барабан защитным кожухом.

. При резке арматурных стержней на станках с механическим приводом арматурщики обязаны:

а) начинать резку арматуры только после разгона махового колеса;

б) при отсутствии на станке специальных приспособлений отрезать стержни длиной не менее 30 см;

в) осуществлять резку арматуры, которая по диаметру и марке стали соответствует паспортным данным применяемого станка.

. При гибке арматурных стержней на станках с механическим приводом арматурщики обязаны:

а) остановить гибочный диск перед закладкой арматурных стержней;

б) производить гибку стержней диаметром не более допускаемого по паспортным данным для применяемого станка;

в) заменять упоры и гибочные пальцы только после остановки станка.

. При гибке арматуры на ручном станке необходимо использовать предназначенные для этого рукоятки, которые следует перемещать от себя вперед. Не допускается удлинять рукоятки станка трубами или другими предметами, а также использовать при этом вес тела.

. При гибке нескольких стержней арматуры одновременно арматурщики обязаны следить за тем, чтобы все стержни находились в одной вертикальной плоскости. Для этого необходимо применять специальные держатели.

. Ремонт, чистку и обтирку оборудования следует производить после его отключения и полной остановки. Металлическую пыль и окалину, образующиеся при обработке арматуры, следует удалять металлической щеткой.

. Выполняя работы совместно с электросварщиком, арматурщики для защиты глаз должны использовать специальные очки со светофильтрами, а рабочее место сварщика должно быть ограждено переносными щитами или ширмами.

. При изготовлении вязаных арматурных каркасов арматурщики обязаны использовать отожженную проволоку. Заготовка арматурных каркасов должна выполняться в специально отведенных местах. Не допускается производить работы по заготовке арматурных каркасов, их укрупнительной сборке вблизи от неогражденных или неотключенных токоведущих частей оборудования.

. Строповку арматурных стержней или каркасов при перемещении их грузоподъемными кранами должны осуществлять арматурщики, имеющие удостоверение стропальщика и выполняющие требования «Типовой инструкции по охране труда для стропальщиков». Не допускается сбрасывать арматурные стержни или каркасы с высоты (с лесов, с края котлована и т.п.).

. Сборку арматурных каркасов колонн, стен и других вертикальных конструкций следует осуществлять с оборудованных рабочих настилов шириной не менее 0,8 м с перилами. Расстояние между настилами по высоте должно составлять не более 2 м.

. Для перехода через участки уложенной арматуры арматурщики должны использовать трапы шириной не менее 0,6 м на подставках, установленных на опалубку. Выпуски арматуры должны быть загнуты на 180 °, а при невозможности выполнения этого - обозначены красными флажками. В местах массового прохода людей выпуски арматуры должны быть ограждены.

. Для предварительного натяжения арматуры необходимо применять стержни, не имеющие подрезов, загибов, скруток и других дефектов.

. Не допускаются нахождение и проход людей в зонах, расположенных по торцам стендов или силовых ферм, для предварительного натяжения арматуры. Эти места должны быть ограждены сетками или щитами высотой не менее 1,8 м. Рабочее место машиниста натяжной установки также должно быть ограждено сеткой.

. Прихватку стержней арматуры с использованием электроконтактной или электродуговой сварки должны осуществлять арматурщики, имеющие удостоверение электросварщика 1-го разряда и выполняющие требования «Типовой инструкции по охране труда для электросварщиков».

Требования безопасности в аварийных ситуациях

. В случае потери устойчивости вертикальных конструкций армокаркаса, рабочих настилов или опалубки арматурщики обязаны прекратить работу и принять меры к приведению их в устойчивое положение. При невозможности сделать это собственными силами арматурщики обязаны сообщить о случившемся бригадиру или руководителю работ.

. При обрыве отдельных проволок или стержней арматуры во время ее натяжения или обнаружении неисправности натяжной установки арматурщики обязаны немедленно снять давление в системе и сообщить о случившемся бригадиру или руководителю работ.

. Во время заготовки арматуры на станках арматурщикам следует следить за тем, чтобы подшипники и трущиеся детали не перегревались. При обнаружении перегрева станка, а также стука, мелких поломок и т.п. станок необходимо отключить и принять меры к устранению неисправности.

Требования безопасности по окончании работы

. По окончании работы арматурщики обязаны:

а) при работе на станках отключить его;

б) привести в порядок рабочее место, спецодежду и средства индивидуальной защиты;

в) убрать инструмент и технологическую оснастку в помещение для их хранения;

г) обо всех нарушениях, имеющих место в процессе работы, сообщить бригадиру или руководителю работ.

Охрана труда плотников

Плотники при производстве работ согласно имеющейся квалификации обязаны выполнять требования безопасности, изложенные в «Типовой инструкции по охране труда для работников строительства, промышленности строительных материалов и жилищно-коммунального хозяйства», настоящей типовой инструкции, разработанной с учетом строительных норм и правил Российской Федерации, а также требования инструкций заводов-изготовителей по эксплуатации применяемого оборудования, инструмента, технологической оснастки.

Требования безопасности перед началом работы

. Перед началом работы плотники обязаны:

а) надеть каску, спецодежду, спецобувь установленного образца;

б) предъявить руководителю удостоверение о проверке знаний безопасных методов работы;

в) получить задание на выполнение работы у бригадира или руководителя и пройти инструктаж на рабочем месте с учетом специфики выполняемых работ;

. После получения задания у бригадира или руководителя плотники обязаны:

а) подготовить необходимые средства индивидуальной защиты (шланговый противогаз или респиратор, защитные очки, защитную пасту - в случае выполнения работ по антисептированию материалов);

б) проверить рабочее место и подходы к нему на соответствие требованиям безопасности;

в) подобрать оборудование, инструмент и технологическую оснастку, необходимые при выполнении работ, проверить их исправность и соответствие требованиям безопасности;

г) проверить устойчивость ранее установленных конструкций;

д) при получении задания по антисептированию пиломатериалов - смазать лицо и руки специальной защитной пастой.

. Плотники не должны приступать к работе при следующих нарушениях требований безопасности:

а) отсутствии ограждения рабочего места на высоте 1,3 м и более, а также специальных трапов в случае выполнения задания на крыше с уклоном более 20 и с покрытием, не рассчитанным на нагрузки от веса работников;

б) неисправности технологической оснастки, приспособлений и инструмента, указанных в инструкциях заводов-изготовителей, при которых не допускается их применение;

в) несвоевременном проведении очередных испытаний средств защиты работающих или истечении срока их эксплуатации, установленного заводом-изготовителем;

г) несвоевременном проведении очередных испытаний технологической оснастки, инструмента и приспособлений;

д) недостаточной освещенности рабочих мест и подходов к ним;

е) потере устойчивости ранее установленных конструкций. Обнаруженные нарушения требований безопасности должны быть устранены собственными силами, а при невозможности сделать это самостоятельно плотники обязаны сообщить о них бригадиру или руководителю работ.

Требования безопасности во время работы

. Для подхода на рабочие места плотники должны использовать оборудованные системы доступа (маршевые лестницы, трапы, стремянки, переходные мостики).

. Подмости, с которых производятся монтаж и установка деревянных конструкций, не допускается соединять или опирать на эти конструкции до их окончательного закрепления.

. При выполнении работ на лесах или подмостях, а также перекрытиях, покрытиях не следует располагать инструмент и материалы вблизи границы перепада по высоте. В случае перерыва в работе плотники должны принять меры для предупреждения их падения. Работы по изготовлению недостающих деталей (рубка, распиливание, теска и т.п.) в указанных местах не допускаются.

. При устройстве настилов, стремянок, ограждений с перилами нельзя оставлять сколы и торчащие гвозди. Шляпки гвоздей следует заглублять в древесину.

. Разбирать штабель лесоматериалов нужно уступами, сверху вниз, обеспечивая устойчивость остающихся в штабеле материалов.

. Переносить бревна плотники должны при помощи специальных клещей. Кантовать бревна, брусья и тяжелые детали следует при помощи специальных крючьев и ломов.

. Поднимать с земли бревна и тяжелые предметы следует приседая, а не нагибаясь. Длинномерные пиломатериалы (бревна, брусья и т.п.) необходимо переносить вдвоем.

. Устанавливать оконные блоки необходимо вдвоем с использованием монтажных столиков, не допускается выполнять указанную работу, стоя на подоконнике. После выверки блок необходимо закрепить по проекту.

. Обшивку перегородок, установку столярных изделий, столярную отделку внутренних поверхностей стен, лестничных клеток, тамбуров следует выполнять с монтажных столиков. Использовать для этих целей приставные лестницы не допускается.

. При установке ферм, стропил, стоек и других деревянных конструкций не следует прерывать работу до тех пор, пока собираемые и устанавливаемые конструкции не будут прочно закреплены.

. Элементы и детали кровель следует подавать на крышу в заготовленном виде. Заготовку деталей, а также обрезку углов стеклопластиковых волнистых листов, резку по размерам асбестоцементных и стеклопластиковых листов в больших количествах следует производить в специально предназначенных для этого и соответственно оборудованных местах. Производить заготовку непосредственно на крыше не допускается.

. Подавать материалы, элементы и детали кровель на крышу следует в контейнерах грузоподъемным краном. Прием указанных грузов должен производиться на специальные приемные площадки с ограждениями. Не допускается захватывать груз руками, перегибаясь через ограждение; направлять груз при опускании его на приемную площадку следует при помощи специальных крюков.

Похожие работы на - Производство земляных работ

 

Не нашли материал для своей работы?
Поможем написать уникальную работу
Без плагиата!
Без нейросетей!