Роль электропривода в хозяйстве Российской Федерации

  • Вид работы:
    Реферат
  • Предмет:
    Неопределено
  • Язык:
    Русский
    ,
    Формат файла:
    MS Word
    189,96 kb
  • Опубликовано:
    2008-10-29
Вы можете узнать стоимость помощи в написании студенческой работы.
Помощь в написании работы, которую точно примут!

Роль электропривода в хозяйстве Российской Федерации

Югорский государственный университет

НИЖНЕВАРТОВСКИЙ НЕФТЯНОЙ ТЕХНИКУМ

филиал государственного образовательного учреждения

высшего профессионального образования

«Югорский государственный университет»



Реферат

по дисциплине « Основы электропривода»

Тема: «Роль электропривода в хозяйстве Российской федерации »

ННТО.270116.09 3МНЭ-60 00 П3














Нижневартовск 2008

Содержание

1. Роль электропривода в хозяйстве Российской Федерации

2. Теории и практики автоматизированного электропривода

3. Пример электропривода

1 Роль электропривода в хозяйстве Российской Федерации

Автоматизированный электропривод является энергетической основой автоматизации производственных процессов. Его развитие базируется на новейших достижениях научно-технической революции, в частности в области силовой полупроводниковой техники, микроэлектронных средств управления и средств управляющей вычислительной техники. В связи с быстрыми темпами развития базовых отраслей техники актуальной является задача оснащения электроприводов новейшими техническими средствами в целях более полного удовлетворения усложняющихся требований автоматизации производственных процессов. Эти задачи традиционно обсуждаются на конференциях по проблемам автоматизированного электропривода. Из наиболее важных проблем настоящего этапа следует выделить рациональное потребление энергии, внедрение средств вычислительной техники, создание электроприводов роботов и манипуляторов.

Актуальность первой из указанных проблем следует из того, что современный электропривод является наиболее крупным потребителем вырабатываемой в стране электроэнергии. Снижение потребления энергии электроприводами — весомый вклад в реализацию Энергетической программы. Конференция проходила под девизом «Эффективное использование энергетических, материальных и трудовых ресурсов». Этот девиз получил отражение во многих статьях настоящей книги, в которых рассматриваются вопросы энергосбережения, улучшения качества электроэнергии, снижения материалоемкости и трудовых затрат в процессе разработки и производства элементов электроприводов и комплектных устройств.

В области вычислительной техники народное хозяйство страны переживает переломный момент. Идет бурный процесс внедрения средств вычислительной техники во всех отраслях экономики. Перспективным является использование этих средств в электроприводе. Значительное внимание уделяется вопросам применения в электроприводе цифровых управляющих устройств, в том числе микропроцессоров. Ряд статей посвящен особенностям разработки систем электроприводов с микропроцессорным управлением, проблемам аппаратной реализации таких систем, методам их исследования.

Автоматизированный электропривод с унифицированными системами регулирования в последнее десятилетие завоевал прочные позиции среди всех видов электроприводов, и область применения его постоянно рас­ширяется.

Все большее распространение получает комплектный электропривод на базе законченной унифицированной конструкции, включающей в себя все основные элементы электропривода с полной или повышенной заводской готовностью. Создание его требует комплексного подхода к выбору двигателя, источников питания, системы регулирования с единых позиций на базе всесторонней унификации. Развивается она одновременно по нескольким направлениям: унификация составных элементов (ячеек, блоков, преобразовательных устройств), структурных и принципиальных схем, методов проектирования и расчетов, методов наладки. Такова тенденция развития электропривода в РФ и ряде зарубежных стран.

2 Теории и практики автоматизированного электропривода

Электрический привод обеспечивает все отрасли народного хозяйства механической энергией, полученной из электрической, осуществляет практически все технологические операции, связанные с механическим движением, во многом определяет технические возможности повышения производительности труда в сферах, связанных с использованием механической энергии, технический уровень технологических процессов и оборудования.

Электрический привод потребляет более 60% всей вырабатываемой в стране электроэнергии, и энергетические аспекты его развития приобретают сегодня особое значение в связи с остро поставленной на ноябрьском (1982 задачей экономии энергетических ресурсов. Проблемы энергосбережения, активная энергосберегающая политика, занимающие центральное место в Энергетической программе, непосредственно относятся к электрическому приводу — «основному потребителю электрической энергии, выдвигают новые научно-технические задачи, которые предстоит решать специалистам.

Из громадного многообразия технологических объектов, обслуживаемых электроприводом, и применяемых технических решений выделим в целях анализа перспектив и тенденций развития электропривода две типичные технические ситуации. Первая ситуация: в объекте, обслуживаемом электроприводом, должны осуществляться с высокой скоростью и точностью сложные и разнообразные пространственные движения. Характерными примерами таких объектов могут, служить современные станки с ЧПУ, роботы, линии производства микросхем, установки гибких автоматизированных производств в различных отраслях промышленности и т.п. Вторая ситуация: объект, снабженный электроприводом, предполагает простые виды движения, предъявляет ограниченные требования к диапазонам регулирования координат и качеству управления движением или вовсе не требует управления движением.

Этой ситуации, как известно, соответствует подавляющее большинство современных технологических установок и производственных машин во всех отраслях народного хозяйства. Мощности основной части приводов здесь составляют единицы — десятки киловатт, число — миллионы. Очевидно, что тенденции развития электропривода в двух названных ситуациях существенно различны.

Рассмотрим подробнее первую ситуацию. Сочетание сложности движения с высокими требованиями к его качеству (точность, быстродействие) приводит к необходимости интеграции привода с рабочей машиной. Привод здесь должен быть узко специализирован, в ряде случаев уникален. Опыт развития техники в нашей стране и за рубежом убедительно показывает, что серьезные успехи достигаются именно на этом пути.

Приведем в качестве примера привод технологических установок для производства микросхем. Переход от традиционных решений (вращающиеся двигатели — передачи винт — гайка — рабочие органы) к многокоординатному прецизионному дискретному электроприводу в модульном исполнении с интеграцией электромеханических модулей с технологическими узлами установок позволил создать новое поколение технологических линий, обеспечивающих существенное — в 5— 10 раз — повышение производительности, процента выхода годных изделий, рост их качества, коренное улучшение условий труда работающих, дало экономический эффект в десятки миллионов рублей в год.

Другими примерами достижения принципиально новых свойств технологического оборудования за счет специальных, нетрадиционных решений привода, интегрированного с технологическими узлами оборудования, могут служить специализированные электромеханизмы для металлообрабатывающих станков, разрабатываемые в Новосибирском электротехническом институте, МГД-приводы, интегрированные с кон­структивами установок для транспортировки и дозированной разливки жидких металлов, созданные в Таллинском политехническом институте, и др. Приведенные примеры, однако, лишь подчеркивают тенденцию.

Фактически же сделано здесь еще немного. Ждут своего решения непростые вопросы создания эффективных приводов промышленных роботов, ряда станков, узлов гибких автоматизированных производств, многих других ответственных установок.

Развитие указанной тенденции предполагает решение многих сложных задач, связанных с типизацией технологического оборудования, обоснованием необходимости и уровня интеграции привода и машины, разработкой и детальным всесторонним исследованием принципиально новых технических решений привода в целом и его электрических, электромеханических и механических модулей. В практическом плане исключительно важна координация усилий различных отраслей по созданию таких устройств, отвечающих мировым стандартам.

Очевидно, что настоящие успехи в области создания оборудования, о котором идет речь, невозможны без соответствующих инженерных кадров. В этой связи необходимо развивать электротехническую подготовку, и в частности подготовку по электроприводу конструкторов различного механического оборудования (специальности 05 группы), создавать учебники, отражающие современный уровень электропривода, тенденции его развития и приспособленные к специфике конструкторских специальностей.

Вторая из названных выше характерных технических ситуаций относится к обычному «неэкзотическому» электроприводу, отличающемуся массовостью со всеми вытекающими отсюда последствиями. Главной тенденцией его развития можно считать расширение спектра технических требований при одновременной универсализации технических, конструктивных и технологических решений привода как комплектного изделия.

Начнем рассмотрение с массового общепромышленного регулируемого электропривода. На первый план в таком приводе в связи с резким увеличением потребности в нем наряду с проблемой надежности выдвинулась проблема энергетической эффективности, экономии материальных и трудовых ресурсов в сфере как его производства, так и применения. По-прежнему остро стоит проблема комплектности и заводской готовности.

Очевидно, что разработчики машин и технологических установок должны иметь достаточный набор комплектных технических решений, отвечающих наиболее характерным для современных общепромышленных установок требованиям, имеющих модульное исполнение на универсальной элементной базе, снабженных исчерпывающими и удобными для пользователей паспортными данными. Вместе с тем, несмотря на большие успехи, достигнутые в последние годы электротехнической промышленностью в освоении выпуска комплектных электроприводов, сделано еще далеко не все. Главный недостаток здесь состоит в том, что спектр возможностей комплектных приводов не соответствует в должной мере спектру технических требований. Иными словами, для рассмотренных выше установок с очень высокими техническими требованиями (станки с ЧПУ и т. п.) возможности комплектных приводов недостаточны (хотя часть их была специально разработана применительно к этим ответственным объектам), а для большинства общепромышленных объектов — избыточны.

Так, в большом числе общепромышленных технологических установок (насосы, вентиляторы, транспортеры и т. п.), оснащенных до настоящего времени нерегулируемым приводом мощностью 5— 15 кВт, существенный технический и экономический эффект достигается при переходе к приводу с регулированием скорости и момента в небольших пределах ф = 2ч-5) при ограниченных точности (проценты) и быстродействии (доли секунды).

Вместе с тем непременным условием перехода на такие приводы является их высокая надежность, предельная неприхотливость в обслуживании. Желательны также умеренная стоимость заменяющего привода, его энергетическая эффективность.

Такие комплектные приводы серийно не выпускаются, хотя известны, хорошо, отработаны, многократно проверены на практике оригинальные технические решения, полностью отвечающие названным выше требованиям. Узость спектра технических решений комплексных электроприводов приводит к тому, что приводы комплектуются разработчиками оборудования из разрозненных, подчас плохо стыкуемых элементов и блоков и не всегда квалифицированно. Это порождает значительные издержки, снижает технический уровень технологического оборудования.

Итак, научное содержание рассматриваемой проблемы состоит в строгом и всестороннем обосновании набора технических решений комплектного общепромышленного привода, соответствующего совокупности современных технических требований.

Набор решений должен быть широким — от простейших дешевых и надежных массовых регулируемых приводов, например по системе параметрический источник тока — двигатель, до прецизионных дорогих приводов с развитым микропроцессорным управлением.

Исключительно важную роль играет повышение конструкторского и технологического уровня изделий, комплектующих приводы. Этот вопрос неразрывно связан с конструкторско-техйологической подготовкой инженеров-электриков и электромехаников, специализирующихся в области электрических машин, аппаратов, устройств преобразовательной техники, электропривода. Многие выпускники вузов, хорошо ориентируясь в теоретических вопросах специальности, освоив математический аппарат, вычислительную технику, с трудом взаимодействуют с конструкторами и технологами при совместном создании оборудования, им не привито в должной мере уважение к этому важнейшему виду инженерной деятельности.

Особое значение в связи с вводом в действие Энергетической программы приобретают, как уже отмечалось, вопросы энергосбережения в электроприводе.

Центральное место здесь занимает массовый нерегулируемый по скорости привод на основе короткозамкнутых асинхронных двигателей. Эти приводы, исчисляемые миллионами, потребляют около 50% всей вырабатываемой в стране электроэнергии, в связи с чем даже относительно небольшое повышение эффективности их использования в энергетическом отношении может дать заметный результат в масштабе страны.

3 Пример электропривода

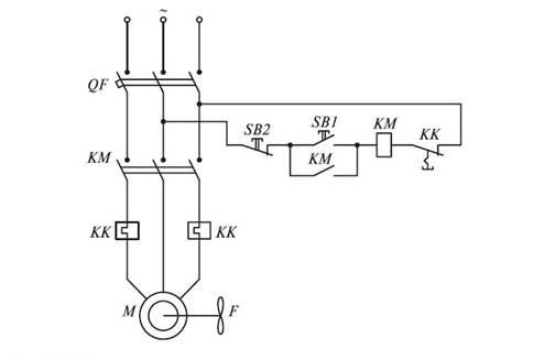
Рис. 1

Электропривод, показанный на рис 1. содержит также защитные устройства для зашиты от токов короткого замыкания в проводниках или в обмотке статора двигателя. Эта зашита обеспечивается автоматическим выключателем Qf имеющим максимальный расцепитель. Зашита двигателя от перегрузок реализуется посредством тепловых реле КК, входящих в состав магнитного пускателя.

В качестве второго примера рассмотрим электропривод лифтов. Лифт — автоматизированное средство вертикального пассажирского транспорта. Пассажир, войдя в кабину лифта, нажимает кнопку нужного ему этажа, после чего автоматически закрываются двери кабины и лифтовой шахты. Кабина лифта движется в нужном направлении и точно останавливается на уровне заданного этажа, двери открываются. Электродвигатель через редуктор, на ведущий шкив и канатную передачу приводит кабшгу лифта в движение, выполняя преобразование электрической энергии в механическую, необходимую для осуществления движения кабины. Второй электромеханической системой является устройство открывания и закрывания дверей, состоящее из электродвигателя и кинематических механических звеньев.

Система управления лифтом осуществляет управление дверями, выбор направления движения кабины, обеспечивает плавный пуск, движение с установившейся скоростью, торможение и точную остановку кабины. Для обеспечения точности остановки и комфортности пассажиров в кабине нужно регулировать скорость движения по определенному закону. Для этого в лифтах со скоростью движения до 1.4 м/с применяют двухскоростные асинхронные двигатели, а в более быстроходных лифтах — электроприводы с плавным регулированием скорости. Кроме управления движением система управления лифтом содержит необходимые зашиты и блокировки, обеспечивающие безопасность пассажиров и безаварийную работу оборудования, а также информацию о положении кабины.

ПЕРЕЧЕНЬ ЛИТЕРАТУРЫ

1. Н.Ф. Ильинского, М.Г. Юнькова Автоматизированный электропривод 1986 «Энергоатомиздат».

2. Н. П. Ермолин Электрические машины 1975 «Высшая школа».

3. Н.Ф. Котеленца Монтаж, техническая эксплуатация и ремонт электрического и электромеханического оборудования 2004 «ACADEMIA»

4. А. С. Кокорев Контроль и испытание электрических машин, аппаратов и приборов.

Похожие работы на - Роль электропривода в хозяйстве Российской Федерации

 

Не нашли материал для своей работы?
Поможем написать уникальную работу
Без плагиата!
Без нейросетей!