Адсорбционная установка. Расчет адсорбера
Содержание
Введение
Глава 1. Технологическая часть
Глава 2. Аналитический обзор
литературы
Глава 3. Проектная часть
.1 Описание выбранной машины
.2 Выбор конструкторских материалов
для деталей машины
.3 Кинематическая схема работы
машины
Глава 4. Расчетная часть
.1 Расчет мощности и подбор
привода
.2 Расчет кинематической схемы
.3 Расчет перфорации
.4 Расчет звездочки
Глава 5. Техника безопасности и
правила эксплуатации рыборазделочных машин
Вывод
Список использованной литературы
Введение
Адсорбцией называется процесс избирательного
поглощения компонента газа, пара или раствора поверхностью твердого тела -
адсорбента. Поглощаемое вещество же называется адсорбтивом.
Характерной особенностью процесса адсорбции
является избирательность и обратимость. Благодаря обратимости процесса возможно
поглощение из парогазовых смесей или растворов одного или нескольких
компонентов, а затем в определенных условиях их выделение из адсорбента.
Процесс обратный адсорбции, называется десорбцией.
В зависимости от характера взаимодействия между
молекулой адсорбента и адсорбтива, адсорбцию принято подразделять на физическую
и химическую (хемосорбцию). Менее прочная физическая адсорбция не
сопровождается существенными изменениями молекул адсорбтива. Она обусловлена
силами межмолекулярного взаимодействия, которые связывают молекулы в жидкостях
и газах, не производя между ними химического взаимодействия.
При хемосорбции между молекулами адсорбента и
молекулами поглощаемого компонента происходит химическая реакция и возникает
химическая связь.
При поглощении паров в порах адсорбента в
некоторых случаях может произойти конденсация паров и они заполняются
жидкостью. Этот процесс называется капиллярной конденсации.
Адсорбция широко распространена в различных
отраслях промышленности для очистки и осушки газов, очистки и осветления
растворов, разделения парогазовых смесей, для извлечения ценных летучих
растворителей из их смеси с другими газами. Адсорбция газов на твердых
поверхностях используется в некоторых отраслях пищевой промышленности, а
именно: в масложировой (в производстве маргарина) и в бродильной (в
производстве дрожжей) для очистки технологических газовых потоков с целью
предотвращения выбросов вредных веществ в атмосферу. Адсорбционный способ
регулирования газового состава хранилищ скоропортящихся продуктов позволяет в
несколько раз сократить потери и увеличить сроки хранения.
Адсорбция различных пищевых кислот снижает, по
сравнению с водой, поверхностное натяжение большинства прохладительных
напитков.
Адсорбция в пищевой промышленности также
применяется: для очистки водно-спиртовых смесей (сортировок) и для улавливания
спиртов из газов в спиртовом производстве, для обесцвечивания соков и сиропов в
сахарном, рафинадном и крахмалопаточном производствах; для осветления пива в
пивоваренном производстве.
Глава 1. Аналитический обзор литературных
источников
Аппараты для проведения адсорбции делятся на три
группы: с неподвижным слоем адсорбента; с подвижным слоем; с псевдоожиженным
слоем.
В качестве адсорбентов в таких аппаратах применяют
твердые вещества, обладающие большой удельной поглощающей поверхностью. В
настоящее время наибольшее техническое применение как адсорбенты имеют:
активированный уголь и гель кремневой кислоты, называемый силикагелем.
Активированные угли представляют собой продукт
специальной обработки или активации углей, получаемых в результате сухой
перегонки углеродсодержащих материалов (дерева, торфа, антрацита и т.д.).
активация углей заключается в прокаливании их при температуре ~ 900ºС,
экстрагировании смол из их пор органическими растворителями, удаление
растворителя прокаливанием и окислением газообразными окислителями (воздухом,
кислородом, водяным паром и т.д.).
Качество активированных углей зависит от свойств
исходных углеродсодержащих материалов и от условий активации.
Активированный уголь применяется при адсорбции
либо в виде зерен величиной от 1 до 7 мм, либо в виде порошка. Удельная
активная поверхность активных углей выражается величиной от 600 до 1700 м2 на
один грамм. Применяются активные угли главным образом для поглощения паров
органических жидкостей, находящихся в газовых смесях, и для очистки различных
растворов от примесей.
Недостатком этих углей является горючесть, и
применять их можно при температуре не выше 200 ºС.
Силикагелем называют продукт обезвоживания геля
кремневой кислоты, получаемого действием серной или соляной кислот или
растворов кислых солей на раствор силиката натрия. Выпавший гель кремневой
кислоты после промывки высушивается при температуре 115-130 ºС
до влажности 5-7%.
Силикагель отличается однородностью пор как по
величине, так и распределению. Применяется силикагель в виде зерен диаметром от
0,2 до 7 мм главным образом для поглощения паров воды, т.е. для сушки газов.
Недостатком является малая удельная активность
(порядка 600 м2 на грамм) и высокая стоимость, по сравнению с активным углями.
Наибольшее применение в пищевой промышленности
получили адсорберы с неподвижным слоем адсорбента, в качестве которого
применяются активные угли.
Простейшим аппаратом для проведения процесса адсорбции
является колонна-адсорбер для обесцвечивания сиропа активным углем (рис. 1).
Рис. 1
-колонна, 2- крышка, 3-ввод сиропа для очистки,
4-решетка, 5-выгрузочный люк, 6-фильтр.
Аппарат представляет собой вертикальный
цилиндрический сосуд высотой от 6 до 10 м и диаметром от 0,6 до 1,2 м. активный
уголь загружают в адсорбер через верхнюю горловину, которую после загрузки
плотно закрывают крышкой. Уголь насыпают на решетку, на которой находиться
металлическое сито и холст. Сироп поступает через трубу, к которой присоединено
несколько патрубков с вентилями. По этим патрубкам поступают сиропы различной
цветностью. Обесцвеченный раствор направляется в контрольный тканевый фильтр,
на котором удерживаются кусочки угля, увлеченные потоком.
Преимуществом данного адсорбера является
простота конструкции и относительно небольшие габариты
Недостатками являются малая производительность
(2-4 л/мин на 1 т. угля), высокий расход адсорбента и относительно невысокая
степень очистки.
В пищевой промышленности также применяется
фильтр-адсорбер (рис. 2).
Рис.2
В данном аппарате в качестве адсорбента
применяется фильтрационная масса с активным углем. Тонкая волокнистая масса
заполняет рамы фильтр-пресса. Каждая рама имеет два прилива: один для подачи
неочищенной жидкости и другой для отвода уже осветленной. Когда рамы собраны,
приливы образуют трубы, по которым проводится и отводится жидкость. В таком
аппарате адсорбция происходит одновременно с фильтрацией жидкости.
Недостатком данного адсорбера является низкая
производительность, низкий диапазон устойчивой работы вследствие забиваемости
фильтрующих элементов и невозможность дальнейшей регенерации адсорбента.
В настоящее время в адсорбционных установках периодического
действия наибольшее распространение нашли адсорберы, в которых отношение высоты
слоя к диаметру аппарата больше единицы. К таким аппаратам относятся:
вертикальный, горизонтальный и кольцевой адсорберы.
Вертикальный адсорбер (рис.3).
Данный аппарат представляет
собой железный цилиндрический сосуд диаметром 2-3,3 м и высотой 3-4 м. Высота
слоя угля в адсорберах - 2,5 м, загрузка угля в каждый адсорбер ~ 4 т. Сверху
адсорберы закрыты крышками, прикрепленными к цилиндрической части болтами. Слой
угля расположен на керамической плитке (газораспределительной решетке);
последняя имеет большое число мелких отверстий, с помощью которых входящий газ
равномерно распределяется по сечению адсорбера.
Рис.3
Для повышения качества
распределения потоков по сечению аппарата и предотвращения высыпания из
аппарата адсорбента (или продуктов его механического разрушения) на решетку
может быть насыпан слой гравия. В рассмотренной конструкции адсорбера на
керамическую плитку насыпают слой гравия высотой 100-200 мм. Зернение гравия по
высоте аппарата неравномерно: внизу располагаются более крупные куски размером
25-30 мм, затем последовательно фракции 15-25, 10-15, 5-10 мм. Гравий
предохраняет адсорбент от загрязнения конденсатом, содержащимся в «жирном»
газе, а также препятствует просыпанию мелких фракций и забиванию отверстий в
керамической решетке.
Сверху слой угля во избежание
уноса покрывают сеткой, выполненной из проволоки.
В нижней части адсорбера
находятся нижняя и верхняя головки с восемью штуцерами для ввода и вывода газов
и паров на разных стадиях процесса. Внутри адсорбера расположена труба,
отводящая газ во время охлаждения, сушки и насыщения. При десорбции водяной пар
подают по трубе в верхнюю часть адсорбера. Такая конструкция позволяет все
управление адсорбером сосредоточить внизу.
Недостатком данного адсорбера
является то, что он не обеспечивает высокой степени очистки газового потока от
целевого компонента.
Горизонтальный адсорбер (рис.4).
Рис.4
-люки для загрузки адсорбента; 2-штуцер для
подачи газа на стадиях адсорбции, сушки и охлаждения; 3- кожух;
4-распределитель водяного пара на стадии десорбции; 5-люк для выгрузки
адсорбента; 6- штуцер для отвода конденсата; 7-штуцер для отвода паров при
десорбции; 8-штуцер для отвода газа.
Работа данного адсорбера
заключается в подаче газовой или паровоздушной среды через штуцер 2 во
внутреннюю часть корпуса адсорбера для её разделения. Затем газовая среда
перемещается через зернистый адсорбент, который уложен слоем на сетке.
Адсорбент поглощает из газообразной среды только необходимое вещество, а
поступившая среда удалится из адсорбера через выходной штуцер 8. Процесс
поглощения определенного вещества адсорбентом происходит до определенного момента,
после чего осуществляют процесс десорбции.
Данный процесс заключается в
прекращении подачи газообразной среды в адсорбер, затем начинается подача
перегретого водяного пара. Его перемещение происходит в направлении обратном
движению газовой среды. Смесь пара и извлеченного из газовой среды вещества
выводится из адсорбера и поступает на ректификацию в специальную установку или
в отстойник.
Недостатком данного адсорбера
является большое сечение при малой высоте слоя адсорбента и наличие
сфероидальных участков приводящие к неравномерности распределения парогазовых
потоков по сечению такого аппарата. Также недостатком является то, что данный
аппарат не обеспечивает высокой очистки от заданного компонента и пыли.
Кольцевой адсорбер (рис.5).
Данный аппарат представляет
собой цилиндрический корпус, выполняющийся диаметром до 3,2 м, высотой до 8 м.
Загрузочные люки расположены на верхней крышке, а разгрузочный - внизу
цилиндрической обечайки. Исходная смесь движется от периферии к центру, что
способствует лучшему использованию адсорбента, так как по мере снижения
концентрации целевого компонента в смеси уменьшается и площадь сечения слоя.
Рис.5
- установочная лапа; 2 - штуцер
для подачи паровоздушной смеси, сушильного и охлаждающего воздуха; 3 - опора
для базы под цилиндры; 4 - корпус; 5, 6 - внешний и внутренний перфорированные
цилиндры; 7 - крышка; 8 - смотровой люк; 9 - загрузочный люк; 10 -
бункер-компенсатор; 11 - штуцер для предохранительного клапана; 12 - слой
активного угля; 13 - база для цилиндров; 14 - разгрузочный люк; 15 - днище; 16
- штуцер для отвода очищенного и отработанного воздуха и для подачи водяного
пара; 17 - штуцер для отвода паров и конденсата при десорбции и для подачи воды
Парогазовая смесь поступает в
аппарат через штуцер 2 проходит через слой адсорбента 12, где улавливается
искомый компонент смеси, после чего через полый корпус и штуцер 16 очищенный
газ выходит в канализацию. После процесса адсорбции наступает десорбция,
регенерация адсорбента и его сушка для дальнейшего использования в процессе
адсорбции.
Для обеспечения непрерывной
работы, часто в процессе используют 2 и более адсорберов, одни из которых
осуществляет процесс адсорбции, а другие находятся на стадии регенерации
адсорбента.
Данный адсорбер кольцевого типа
часто используется в промышленности для очистки газов, улавливания паров
летучих веществ и очистки паровоздушных смесей, благодаря большой улавливающей
поверхности адсорбента (за счет его кольцевого расположения в аппарате) и
высокой его производительности.
Данный аппарат может работать
по четырехфазному циклу, благодаря чему уменьшается расход адсорбента и одновременно
увеличивается степень очистки газов или паровоздушных смесей.
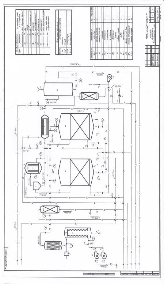
Глава 2. Описание схемы технологического
процесса
Исходная смесь паров бутилацетата и воздуха по
коммуникации -29-29- , где регулируется расход 5 и давление 1, через запорные
вентили ВЗ1, ВЗ2, ВЗ3 и ВЗ4 подается в адсорбер А1 вентиляторами В1 и В2 через
регулирующий вентиль ВР1, рукавный фильтр Ф, на выходе из которого регулируется
давление 2, огнепреградитель Ог, после которого проходит измерение температуры
9, с разрывными мембранами М и Холодильник Ка2, перед входом в который
измеряется расход 6 . Перед входом паров в адсорбер происходит измерение
концентрации бутилацетата 14. Очищенный в результате адсорбции газ удаляется из
адсорбера А1 по коммуникации -3т-3т-, где измеряется давление 3. По окончании
фазы адсорбции линия подачи исходной смеси переключается на следующий адсорбер
А2, где регулируется расход 7 и концентрация бутилацетата 15, при помощи
запорного вентиля ВЗ7, в котором уже прошли стадии регенерации адсорбента
(десорбция, сушка, охлаждение), а аппарате А1 начинается десорбция.
Острый пар давлением 0,3-0,5 МПа подается на
десорбцию в адсорбер А1 по коммуникации -Т7-Т7-. Смесь извлекаемого компонента
с так называемым динамическим паром выходит из адсорбера А1 и поступает через
циклон Ц в конденсатор К, перед входом и выходом в который происходит замер
температуры 10 и 11, холодильник Х, где также перед входом и выходом в который
измеряется температура 12 и 13, и отстойник От, где регулируются концентрации
16 и 17, в котором смесь разделяется на бутилацетат и жидкость спускаемую в
канализацию по коммуникации -К7-К7-.
Образовавшийся в адсорбере конденсат греющего
пара удаляется в канализацию по коммуникации - К7-К7 -.
Воздух для сушки вентилятором В3 нагревается в
калорифере Ка 1, подается в адсорбер А1 по коммуникации - З-З - и удаляется из
адсорбера по коммуникации - К7-К7- в канализацию. Вентилятор В3 по коммуникации
- З-З - подает на охлаждение адсорбента атмосферный воздух, который удаляет из
адсорбера в канализацию. На этом цикл заканчивается, и адсорбер переключается
на стадию адсорбции.
Глава 3. Технологический расчет
основного аппарата
.1 Построение
изотермы
адсорбции
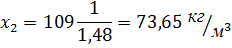
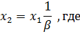
Пользуясь равновесными концентрациями x1
и y1 по адсорбции
бензола на активном угле АР-17, рассчитаем значения x2
и y2 для бутилацетата
по уравнениям:
1 - равновесная концентрация по адсорбции
бензола, кг/кг;
β - коэффициент
аффиности;
н2 - концентрация бутилацетата в газовой фазе
соответствующая условиям насыщения, кг/кг;
yн1 - концентрация
бензола в газовой фазе соответствующая условиям насыщения, кг/кг;
y1 - равновесная
концентрация бензола, кг/кг;
T1 - температура при
адсорбции бензола, К;
T2 - температура при
адсорбции бутилацетата, К.
По уравнению
газового
состояния определяем объемные концентрации:

- давление насыщенных паров бензола,
мм. рт. ст.
R -
универсальная газовая постоянная, КДж/моль·К
Т - температура , К
g - ускорение
свободного падения, м/с2

- давление насыщенных паров
бутилацетата, мм. рт. ст.
R -
универсальная газовая постоянная, КДж/моль·К
Т - температура , К
g - ускорение
свободного падения, м/с2
Находим равновесные концентрации для
бутилацетата исходя из равновесных концентраций бензола
1) Примем 
2) Примем 
3) Примем 
4) Примем 
5) Примем 
6) Примем 
По полученным данным строим изотерму адсорбции
бутилацетата (рис. 1) по следующим точкам:
|
Х2
|
73,65
|
90,68
|
94,46
|
96,62
|
99,53
|
102,16
|
|
У2
|
0,00293
|
0,0149
|
0,0416
|
0,1019
|
0,2466
|
0,45
|
Рис. 1 Изотерма адсорбции бутилацетата
По графику находим Xн
соответствующую концентрации yн=0,009
хн =77,7 кг/м3
. Эквивалентный диаметр гранул адсорбента
э
- эквивалентный диаметр гранул адсорбента , м;
d - диаметр гранул , мм;
l - длина гранул, мм
3.2 Площадь
поперечного сечения
- площадь поперечного сечения, м2;
H - высота решеток,
м;
Dнар - наружный
диаметр адсорбера, м;
Dвн - внутренний
диаметр адсорбера, м
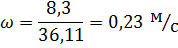
3.3 Фиктивная
скорость воздушного потока
ω - фиктивная
скорость воздушного потока, м/с;
G - расход
паровоздушной смеси, м3/с;
Scp - площадь
поперечного сечения, м2/с
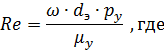
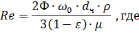
3.4 Критерий
Рейнольдса
- критерий Рейнольдса;
ω - фиктивная скорость
воздушного потока, м/с;
dэ - эквивалентный
диаметр гранул адсорбента , м;
ρy
- плотность паровоздушной смеси, кг/м3;
μy
- вязкость паровоздушной смеси, Па·с
3.5 Коэффициент
диффузии в газовой фазе при t = 0ºС
0 - коэффициент диффузии в газовой фазе при t=0
°C, м2/с;
M - молярная масса
бутилацетата, г/моль;
υ - молярный
объем бутилацетата,
При t = 20ºС
Рассчитываем диффузионный критерий Прандтля:
' - диффузионный критерий Прандтля;
D - коэффициент
диффузии в газовой фазе, м2/с;
ρy
- плотность паровоздушной смеси, кг/м3
Рассчитываем диффузионный критерий Нуссельта по
формуле:
Находим коэффициент массоотдачи в газовой фазе
по уравнению:
βyυ
- объемный коэффициент массоотдачи в газовой фазе, с-1;
Nu' -
диффузионный критерий Нуссельта;
D - коэффициент
диффузии в газовой фазе, м2/с;
dэ - эквивалентный
диаметр гранул адсорбента , м

с-1
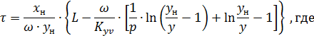
3.6 Определение
продолжительности адсорбции
τ - продолжительность
адсорбции, с;
xн - равновесная
концентрация бутилацетата в твердой фазе, кг/м3;
ω - фиктивная
скорость воздушного потока, м/с;
yн - начальная
концентрация бутилацетата в возд. смеси, кг/м3;
L - толщина слоя
адсорбента, м;
Kyυ - объемный
коэффициент массопередачи, с-1;
y - допустимая
концентрация бутилацетата за слоем адсорбента, кг/м3
Глава 4. Механический расчет кольцевого
адсорбера
.1 Расчет тонкостенных обечаек
т.к. отношение внешнего диаметра аппарата к
внутреннему( β) ≤1,5 , то толщина
обечайки вычисляется по формуле:
- внутреннее избыточное давление в корпусе,
кг/см2;
Dв - внутренний
диаметр корпуса, мм;
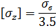
[σz]
- допустимое напряжение, кг/см2;
φ - коэффициент
прочности сварного шва;
C - прибавка на
коррозию, мм.
Примем p=850
кг/см2 ( допустимое избыточное давление в корпусе для стали Х18Н10Т ГОСТ
5949-61) и внутренний диаметр аппарата Dв=3400
мм
ηв -
коэффициент запаса прочности по отношению к пределу прочности;
σв - предел
прочности металла на растяжение при температуре 20 °С, кг/см2.
ηв = 4,25
σв= 600 МПа = 5886
кг/см2
.2 Расчет выпуклых днищ и крышек
Толщина выпуклой крышки рассчитывается по
формуле:
- внутреннее избыточное давление, кг/см2;
Dн - наружный
диаметр корпуса, мм;
К - фактор формы днища;
[σz]
- допустимое напряжение на растяжение , кг/см2;
φ- коэффициент
прочности сварного шва;
C - прибавка к
расчетной толщине , мм;
По таблице находим значение К= 2,75
σв - предел
прочности на разрыв при рабочей температуре, кг/см2.
Для стали Х18Н10Т σв
=1500 МПа = 15306 кг/см2
4.3 Расчет болтов фланцевых соединений
Номинальный диаметр болта можно рассчитать по
формуле:
- запас прочности, принимаемый для тщательно
выполненных болтов и мягкого уплотнительного материала, nB=5;
σв - предел
прочности материала болта на растяжение, кг/см2 ;
Р0 - расчетное усилие на один болт, кг.
Исходя из справочных данных для тщательно
выполненных болтов М12×1,2 при
избыточном давлении в аппарате равном 850 кг/см2 расчетное усилие на один болт p0
= 50 кг и предел прочности материала болта (Сталь 35) σВ=
600 кг/см2
Количество болтов рассчитываем по формуле:
-периметр линии расположения болтов, см;
б - диаметр болтовой окружности, см
S - шаг расположения
болтов, см
S принимаем
равной 
.4 Расчет фланцев
Толщина литого фланца определяется
по формуле:
Р0 - расчетное усилие на один болт,
кг;
P0 = 50 кг
a -
расстояние от центра болтового отверстия до стенки аппарата, см;
z -
количество болтов на фланце;
Df - диаметр
окружности сопряжения трубы с фланцем , см;
[σиз]-
допускаемое напряжение на изгиб, кг/см2.
- коэффициент затяжки болтов, k=2
Проверка на плотность фланцевого
соединения осуществляется по формуле:
S - шаг
расположения болтов, см;
P -
внутреннее избыточное давление, кг/см2;
δ - толщина фланца, см.
.5 Расчет опор
Толщину ребра опоры определим по
формуле:
- вес аппарата, кг;
z -
количество опор;
φ - коэффициент уменьшения
выбираемый предварительно в пределах от 0,19 до 1,0;
a -вылет
опоры, см;
[σd] -
допускаемое напряжение на сжатие принимаемое от 800-1000 кг/см2.
Находим гибкость ребра λ:
- высота опоры, см;
a - вылет
опоры, см;
δ - толщина опоры, см.
Коэффициент уменьшения φ найдем пор
формуле:
Глава 5. Расчет тепловой изоляции
Тепловая изоляция применяется для
уменьшения тепловых потерь, создания необходимых условий безопасности работы и
защиты поверхности от коррозии.
Для кольцевого адсорбера
целесообразно применить в качестве изоляционного материала - совелит
(совелитовая плита), изготовляемый из обожженного доломита (85%) и распушенного
асбеста V (5%) и VI (10%) сортов.
Данный материал характеризуется
относительно малой теплопроводностью (0,085 Вт/м·К) и широким температурным
диапазоном (предельная температура применения 450°С)
Расчет толщины тепловой изоляции
определяется по уравнению:
δ - толщина изоляции, м;
tст1 -
температура пара в аппарате, °С;
tст2 -
температура внешней стенки изоляции (принимаем 40°С), °С
tв -
температура внешней среды, °С;
αв - коэффициент теплоотдачи
от наружной поверхности изоляции к внешней среде, Вт/м2·К;
λн -
коэффициент теплопроводности изоляционного материала, Вт/м·К
Коэффициенты теплоотдачи от наружной
поверхности изоляции к внешней среде определяется по формуле:
Коэффициент теплопроводности
изоляционного материала для совелита равен 0,085 Вт/м·К
Максимальная температура в аппарате
наблюдается при десорбции - 115 °С , а температура окружающей среды tв = 20 °С.
Глава 6. Технологический расчет
вспомогательного оборудования
Вспомогательным оборудованием
является вентилятор для перекачивания воздуха через адсорбер.
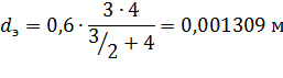
Первичные данные:
G - 1,4 м3/с
t - 20 °С
ρт - 800
кг/м3
dч - 0,001309
м
Ф - 0,8
H - 0,7 м
ε - 0,37
м3/м3
D - 3,4 м
l - 20 м
На трубопроводе имеется четыре
колена под углом 90 ° и одна задвижка.
Определим состояние слоя (неподвижное
или псевдоожиженное)
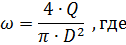
Фиктивная скорость в аппарате
рассчитывается по формуле:
ω0 - фиктивная скорость воздуха в
аппарате, м/с;
Q - расход
воздуха, м3/с;
D -
внутренний диаметр адсорбера, м.
Рассчитываем критерий Архимеда:
Ar - критерий
Архимеда;
dч - диаметр
частиц сорбента, м;
ρт - плотность частиц
сорбента, кг/м3;
ρ - плотность воздуха, кг/м3;
g - ускорение
свободного падения, м/с2;
Определим критерий Рейнольдса по
приближенной формуле:
0 по - приближенный критерий
Рейнольдса;
Ar - критерий
Архимеда.
Скорость начала псевдоожижения
найдем по формуле:
адсорбция диффузный
сопротивление гидравлический
ωпо - скорость начала
псевдоожижения, м/с;
Re0 по -
приближенный критерий Рейнольдса;
μ -
динамическая вязкость воздуха, Па·с;
dч - диаметр
частиц сорбента, м;
ρ - плотность воздуха, кг/м3.
ω0 < ωпо =>
слой неподвижный
Определим критерий Рейнольдса в слое
по формуле:
- критерий Рейнольдса;
Ф - фактор формы;
ω0 -
фиктивная скорость воздуха в аппарате, м/с;
dч - диаметр
частиц сорбента, м;
ρ - плотность
воздуха, кг/м3;
ε -
порозность, м3/м3;
μ - динамическая
вязкость воздуха, Па·с.
Рассчитаем λ по формуле:
λ - общий коэффициент
сопротивления;
Re - критерий
Рейнольдса.
Находим гидравлическое сопротивление
слоя по формуле:
∆pc -
гидравлическое сопротивление слоя, Па;
λ - общий
коэффициент сопротивления;
H - высота
слоя адсорбента, м;
ε -
порозность, м3/м3;
ρ - плотность
воздуха, кг/м3;
ω0 -
фиктивная скорость воздуха в аппарате, м/с;
dч - диаметр
частиц сорбента, м;
Ф - фактор формы.
Примем, что гидравлическое
сопротивление газораспределительной решетки составляет 10% от сопротивления в
слое. Тогда гидравлическое сопротивление аппарата:
Примем скорость воздуха в
трубопроводе 10 м/с. Тогда диаметр трубопровода равен:
-
диаметр трубопровода, м;
Q - расход воздуха, м3/с;
ω
- скорость
воздуха в трубопроводе, м/с.
Выбираем
стандартный диаметр равный 426 мм и толщиной 11 мм. Тогда внутренний диаметр
равен 404 мм.
Фактическая
скорость в трубе:
ω
- фактическая
скорость в трубе, м/с;
Q - расход воздуха, м3/с;
D - внутренний диаметр трубы, м.
Находим
критерий Рейнольдса для потока в трубопроводе:
Re - критерий Рейнольдса для
потока в трубопроводе;
ω - фактическая скорость в
трубе, м/с;
D - внутренний диаметр трубы, м;
ρ - плотность воздуха, кг/м3;
μ - динамическая вязкость
воздуха, Па·с.
Примем,
что трубы были в эксплуатации, и имеют незначительную коррозию. Тогда ∆ =
0,15 мм.
Получим:
26954<
Re <
1509433,5
Таким
образом, λ
рассчитывается
по формуле для смешанного трения:
λ
- общий
коэффициент сопротивления;
e - относительная шероховатость
трубы;
Re - коэффициент Рейнольдса.
Определим
коэффициенты местных сопротивлений:
1. Вход в трубу (принимаем с острыми
краями): ξ1 = 0,5
2. Задвижка при dтр
=404: ξ2
= 0,15
3. Колено: ξ3 = 1,1
4. Выход из трубы: ξ4
= 1
Сумма коэффициентов местных сопротивлений:
Гидравлическое сопротивление трубопровода найдем
по формуле:
∆pв
- гидравлическое сопротивление трубопровода, Па;
λ - общий коэффициент
сопротивления;
l - длина
трубопровода, м;
dэ - внутренний
диаметр трубы, м;
∑ξ - сумма коэффициентов
местных сопротивлений;
ρ - плотность
воздуха, кг/м3;
ω - фактическая
скорость в трубе, м/с.
Избыточное давление, которое должен обеспечить
вентилятор для преодоления гидравлического сопротивления аппарата и
трубопровода, равно:
∆p
- полное избыточное давление, Па;
∆pв
- гидравлическое сопротивление трубопровода, Па;
∆pc
- гидравлическое сопротивление слоя, Па.
Находим полезную мощность вентилятора по
формуле:
- полезная мощность вентилятора, кВт;
Q - расход воздуха,
м3/с;
∆p
- полное избыточное давление, Па.
Принимая, ηпер
= 1 и ηн
= 0,6 , получим:
Исходя из полученных данных, выбираем из
справочника вентилятор марки Ц1-8500, с характеристикой:
G = 2, 36 м3/с
∆p
= 3280 Па
Глава 7. Техника безопасности. Охрана окружающей
среды
Общие требования по безопасности к адсорберу во
время его эксплуатации и ремонтного обслуживания содержат основные пункты:
· Каждый адсорбер, применяемый в
составе технологической системы или автономно, должен укомплектовываться
эксплуатационной документацией, содержащей правила, которые предотвращают
опасные ситуации во время монтажа или демонтажа, при вводе в эксплуатацию и во
время эксплуатации.
· Адсорбер в течение всего срока
эксплуатации должен отвечать предъявляемым требованиям по безопасности.
· Если во время работы адсорбера
существует нагрузка на детали, которые могут быть причиной разрушения и могут
представлять опасность для работников, то данный аппарат должен быть обустроен
специальными устройствами, которые предотвращают разрушительные нагрузки.
Помимо этого сборочные единицы и детали должны располагаться и быть
огражденными таким образом, чтобы в случае разрушения не травмировать
работников.
· Монтаж адсорбера должен проводиться
по эксплуатационной документации, и при этом должна быть достигнута требуемая
устойчивость, которая не приведет к опрокидыванию аппарата, падению, его
наклону или смещению во время эксплуатации.
· Детали и отдельные элементы
адсорбера не должны быть с острыми углами, заусенцами, кромками, с неровными
поверхностями, которые могут представлять травмоопасность для работников.
· Арматура адсорберов (трубопроводы,
предохранительные клапана адсорбера, и т.п.), которая предоставляет опасность,
должна быть защищена ограждениями и располагаться так, чтобы работающие или
средства технического обслуживания не могли их случайно повредить.
· Адсорбер в условиях эксплуатации
должен быть взрывобезопасным и пожаробезопасным.
· Адсорберы не должны быть источником
вибрации и шума.
· Конструкция адсорбера не должна
накапливать заряд статического электричества, который может привести к пожару,
взрыву и представлять опасность для работника.
· Адсорбер, который предназначается
для работы с взрывоопасной газовой средой, должен быть оснащен устройствами,
которые способны отвести направленную взрывную волну.
· Температура наружной
теплоизоляционной оболочки в месте обслуживания не должна превышать 45 °С.
Конструкция адсорбера должна быть выполнена таким образом, чтобы не допускать
соприкосновения с её горячими частями работающего. Если исключить
соприкосновения невозможно по условиям эксплуатации, то в сопроводительной
документации должно быть указано применение средств индивидуальной защиты.
· Рабочее место адсорбера должно быть
оснащено средствами пожаротушения. Размеры и конструкция рабочего места должны
обеспечивать безопасность при эксплуатации, ремонте, уборке, техническом
обслуживании адсорбера. Если конструкция адсорбера необходима выше уровня пола,
то аппарат должен быть оснащен необходимыми лестницами, площадками, которые
обеспечивают безопасность работающего во время трудовых операций или ремонтных
работ.
· Адсорбер должен быть оснащен
блокирующим и сигнализирующим устройством, которые срабатывают, если происходит
нарушение технологического режима работы.
· Обслуживающий персонал адсорбера
должен иметь специальную подготовку по работе с данным оборудованием и его
обслуживанием.
· Отключение адсорбера по причинам, не
предусмотренным технологическим процессом, не должно происходить.
· Включение, эксплуатация, ремонтные
работы адсорбера должны происходить по инструкции безопасности, действующей на
промышленном объекте;
· Осмотр и ремонт внутренних частей
аппарата допускается только после его остывания до температуры не выше 30°С. Во
время работ внутри аппаратов все трубопроводы для подачи в них пара, воздуха и
т.д. должны быть отключены
Адсорбционная установка должна быть оснащена
следующими контрольно-измерительными и регулирующими приборами:
· Регуляторами давления и расхода
перед поступлением паровоздушной смеси в рукавный фильтр;
· Манометром для регулирования
давления и термометром для измерения температуры в огнепреградителе;
· Регулятором концентрации и расхода
при входе паровоздушной смеси в аппарат, а также манометром для измерения
давления на выходе пара из него;
· Приборами для измерения температуре
при входе и на выходе воздуха (пара) из калорифера и холодильника;
· Расходомерами для учета расхода
паровоздушной смеси, пара для десорбции, и воздуха при сушке и охлаждении;
· Приборами для измерения концентрации
адсорбтива в исходной смеси, а также в конденсате на выходе из аппарата;
· Запорными вентилями, задвижками, для
переключения потока воздуха (пара) на другой адсорбер либо на другую
коммуникацию;
Для обеспечения нормального режима работы
адсорбционной установки необходимо:
· Следить за подачей паровоздушной
смеси в корпус и не допускать падения или повышения концентрации адсорбтива
(бутилацетата) в значительных пределах;
· Регулировать своевременное
переключение аппарата на тот или иной цикл работы;
· Обеспечивать своевременную десорбцию
адсорбтива, а также сушку и охлаждение адсорбента без значительных его потерь;
· Своевременно проводить обмен
отработанного адсорбента, в виду недопустимых значительных потерь адсорбтива.
· Следить за плотностью фланцевых
соединений и исправностью ограждений у движущих деталей;
· Обеспечивать непрерывную и исправную
работу автоматических, теплоизмерительных и регулирующих приборов, арматуры, а
также вспомогательного оборудования адсорбционной установки.
Для обеспечения охраны окружающей среды на
предприятии, использующей адсорбционную установку, должны соблюдаться следующие
правила и положения:
· Выявление, оценка, постоянный
контроль и ограничение выброса вредных элементов в атмосферу, а также создание
технологий и техники, охраняющих и сберегающих природу и ее ресурсы. Предельная
допустимая концентрация (ПДК) бутилацетата в воздухе - 0,1 мг/м3; в воде и
сточных водах - менее 0,08 мг/дм3
· Обязательное выполнение правовых
законов, направленных на охранные меры окружающей среды и материальное
стимулирование выполненных требований и профилактики комплекса природоохранных
мероприятий.
· Профилактика экологической
обстановки путем выделения специально отведенных территорий (зон).
· В процессе эксплуатации адсорбера
выброс вредных веществ в рабочей зоне и в природную среду не должен превышать
допустимых значений, указанных в ГОСТ 121005и ГОСТ 1723.02
Список использованной литературы
. Кавецкий
Г.Д. Процессы и аппараты пищевой технологии / Г.Д. Кавецкий, Б.В. Васильев. -
М. : Колос, 1999. - 496с.
. Касаткин
А.Т. Основные процессы и аппараты химической технологии / А.Г. Касаткин; ред.
А.А. Вексер. - М.: Госхимиздат, 1961. - 832 с.
. Основные
процессы и аппараты химической технологии : пособие по проектированию / Г.С.
Борисов, В.П. Брыков, Ю.И. Дытнерский и др.; ред. Ю.И. Дытнерский. - М.: Химия,
1991. - 496 с.
. Стабников
В.Н. Процессы и аппараты пищевых производств / В.Н. Стабников, В.М. Лысянский,
В.Д. Попов. - М. : Агропромиздат, 1985. - 503 с.
. Иоффе
И.Л. Проектирование процессов и аппаратов химической технологии / И.Л.Иоффе;
ред. Ю.А. Мозжерин. - Л.: Химия, 1991. - 352 с.
. Конструкционные
материалы: справочник / Б.Н. Арзамасов, Б.А. Брострем, Н.А. Буше и др. - М.:
Машиностроение, 1990. - 668с.