Формування спортивного бренду міста Суми

  • Вид работы:
    Дипломная (ВКР)
  • Предмет:
    Маркетинг
  • Язык:
    Украинский
    ,
    Формат файла:
    MS Word
    1,31 Мб
  • Опубликовано:
    2015-04-09
Вы можете узнать стоимость помощи в написании студенческой работы.
Помощь в написании работы, которую точно примут!

Формування спортивного бренду міста Суми

РЕФЕРАТ

Об’єкт дослідження - територіальний брендинг міста Суми.

Мета роботи - вивчення поняття територіальний бренд, огляд основних інструментів формування територіального бренду міста, визначення етапів формування та аналіз підходів оцінки ефективності бренду, а також формування на цій основі спортивного бренду м. Суми.

Основними методами дослідження є системний підхід, SWOT-аналіз, метод експертних оцінок, анкетування, методи глибинного інтерв’ю.

У першому розділі подано теоретичну частину, яка складається з трьох підрозділів. Даний розділ присвячений бренду взагалі, особливостям бренду території та його значенню у сучасних економічних умовах.

Другий розділ має огляд методологічного інструментарію: етапи формування бренду та методи оцінки ефективності бренду.

Третій розділ присвячений аналізу безпосередньо спортивного брендингу міста Суми та такому спортивному об’єкту як ФЦ «Барса». За результатами проведеного дослідження надані певні рекомендації, поетапно сформований спортивний бренд міста, частково проведена оцінка його ефективності.

У висновках підводяться підсумки проведеної роботи і надаються певні рекомендації для збільшення ефективності спортивного бренду міста.

Результати, одержані в роботі, містять новизну, що полягає у авторському підході щодо етапів формування бренду міста, які були застосовані для формування спортивного бренду м. Суми. Результати роботи можуть бути використані у подальшому при брендуванні міста.

ВСТУП


Актуальність теми. Останнім часом спостерігається активізація процесів глобалізації, які проявляються у вільному переміщенні матеріальних і нематеріальних ресурсів з метою пошуку найбільш вигідних сфер їх застосування. У зв'язку з цим багато територій стали конкурувати між собою за залучення цих ресурсів, що, у свою чергу, призвело до усвідомлення потреби використання інструментів маркетингу для формування ринкової привабливості території та її конкурентоспроможності. Одним з найефективніших серед цих інструментів є брендинг території.

У сучасних умовах наявність бренду міста і ефективної стратегії його розвитку є важливим фактором для використання наявного потенціалу території.

Питанням брендингу територій присвячено чимало досліджень та публікацій зарубіжних і вітчизняних авторів, зокрема це Котлер Ф. [17], Анхольт С. [3], Дубєйковський В.А. [8], Єфімова И. А. та Зазикіна И. А. [11], Попова В. Г. [21] та ін.

На сьогоднішній день існує багато характеристик території, які мають потенціал для формування та просування її бренду: природно-кліматичні умови, історична спадщина, виробництво, культура та ін.. Серед таких характеристик останнім часом все більшої популярності набуває спорт.

Місто Суми має достатньо характеристик для формування власного привабливого іміджу та бренду. Основними серед них є природні умови, історичне надбання, виробництво та спорт.

Об’єктом даної роботи є територіальний брендинг міста Суми.

Предмет дослідження - процес формування спортивного бренду міста.

Основною метою даної дипломної роботи є формування спортивного бренду міста Суми.

Основними задачами є:

вивчення поняття «бренд» та «брендинг»;

виявити особливості бренду територій;

вивчення основних етапів формування бренду;

проаналізувати основні інструменти формування бренду територій;

виявити переваги, які надає територіальний бренд міста для її мешканців;

проаналізувати спортивні досягнення сумських спортсменів та спортивні об’єкти, які є на території м. Суми та виявити серед них ті, на основі яких можна сформувати брендинг міста;

створити атрибути спортивного бренду міста;

розробка плану заходів для просування бренду.

У якості основних джерел інформації використовувалися:

різноманітна друкована література та періодика, присвячена бренду та територіальному брендингу;

науково-публіцистичні матеріали з даної тематики;

матеріали інтернет-джерел;

маркетингові дослідження;

експертні оцінки.

Практичне значення. Практичне значення полягає у можливості формування бренду м. Суми. Для міста Суми розробка спортивного бренду дасть можливість отримати як економічні, так і поведінкові ефекти та ефекти сприйняття. Основними серед них є:

-       Залучення туристів (спортивні вболівальники, спортсмени та ін..);

-       Залучення нових мешканців (сім’ї з дітьми);

-       Збільшення частки населення, що залишається у місті (особливого молодих людей);

-       Залучення інвестицій;

-       Залучення дітей та молоді до занять спортом;

-       Підвищення у майбутньому рівня футболу у місті.

У результаті отримання таких ефектів, будемо мати наступні:

-       Зменшення захворюваності серед дітей;

-       Поліпшення інфраструктури міста взагалі і спортивної зокрема (поліпшення доріг, житлового комплексу, будування стадіонів, оновлення спортивного інвентарю);

-       Залучення додаткових коштів (податки);

-       Поліпшення іміджу міста Суми на рівні країни та світу.

Результати даної роботи розвивають наукові знання в області теорії маркетингу території та сприяють впровадженню і використанню певних підходів формування бренду для міста Суми.

Отже, дана робота зможе бути використана на практиці для поліпшення іміджу міста Суми та отримання як економічних, так і соціальних та психологічних ефектів на рівні міста та країни.

1. Бренд як невід’ємна умова розвитку

 

.1 Поняття бренду, його сутність та зміст


Визначення поняття «бренд» та «брендинг».

В умовах жорсткої конкуренції перед навіть широко відомими підприємствами виникає досить складне завдання: як утримати свої позиції на ринку і зберегти ефективність діяльності. Зазвичай керівництвом організацій здійснюється ряд заходів щодо збільшення частки на ринку, по зниженню витрат з метою здійснення цінової конкуренції і ще безліч інших. Будь-який товар з появою на ринку створює про себе деяке враження - позитивне чи негативне, воно з'являється неминуче, як тільки споживач дізнається про товар. Ці асоціації, сприйняття товару споживачем, і називаються брендом. Бренд - це якесь враження про товар в умах споживачів, так би мовити, ярлик, який в думках «наклеюється» на товар.

Поняття «бренд» займає в маркетингових дослідженнях центральне місце, але воно ж часто збиває з пантелику. Тому це слово потребує пояснення. Автори дають різні визначення бренду і його значення для різних аудиторій. Слово « бренд » має давньонорвежське коріння і перекладається дослівно як «випалювати». Тоді брендом називали клеймо, яке ставили на худобу, щоб визначити його приналежність конкретному власнику. І до цих пір в багатьох словниках іноземних мов можна зустріти визначення бренду як тавро. У стародавньому Римі брендом називали клеймо, яке розжарювали і випалювали ним на тілі худоби або на виробі знак, завдяки чому їх можна було ідентифікувати. Використання бренду практикувалося ще за часів Стародавнього Єгипту, коли ремісники ставили своє тавро на зроблені ними цеглини, щоб визначити творця кожного цеглинки. Також існує документальне свідчення появи торгових марок на Грецьких і Римських світильниках, Китайському порцеляні. Торгові марки використовувалися в Індії в 1300 р. до н.е. Брендинг активно застосовувався в Середні століття, коли цехові ремісники позначали свої товари особливої ​​маркою. Це стало необхідним, оскільки населення зростало, і на одній і тій же території з'явилося більше одного коваля, муляра, шевця, теслі. У деяких старих містах Європи, таких як Зальцбург і Роттенбург, туристи дотепер можуть бачити справжні залізні «торгові знаки», що відзначали майстерні, де працювали «власники» цих торгових марок. У 1266 р. англійський законодавство офіційно вимагало, щоб булочники відзначали своїм знаком кожну буханку хліба, щоб вага кожної буханки відповідав заявленому.

Проте, з часом у терміна «бренд» з'явилися нові значення. Зараз вже важко собі уявити опис будь-якого товарного ринку без використання цього терміна, одним з визначень якого може бути наступне (табл. 1.1):

Отже, бренд представляється дуже багатогранним поняттям. Наявність безлічі визначень, з одного боку, полегшує його уявлення, дозволяючи використовувати те з них, яке розкриває найбільш важливу в даному контексті складову бренду, а з іншого боку, може ускладнити розуміння бренду у всьому різноманітті цього поняття.

Що стосується брендингу, то під цим поняттям досить часто розуміють процес, який включає в себе двояку діяльність, як по створенню, так і з управління, просування брендів різного типу: товарів, послуг, суб'єктів та місць. Брендинг тісно пов'язаний з ринком і конкуренцією, власне, він зобов'язаний їм своїм існуванням, оскільки ґрунтується на системі маркетингових комунікацій, що займаються розробкою ідей, відповідного стилю і його елементів, формуванням унікального іміджу.

Таблиця 1.1 - Різні визначення терміну «бренд»

Визначення поняття

Автор

Бренд - це єдиний у своєму роді набір уявлень, що з'являється в свідомості споживача під впливом назви, символу і зовнішнього вигляду, які однозначно прив'язані до певних товарів або послуг [1].

Аакер Д.

Бренд - ідентифікований продукт, сервіс, особистість або місце, створений таким чином, що споживач чи покупець сприймає унікальну додану цінність, яка відповідає його потребам найкращим чином.

Леслі де Чернатоні

Бренд - набір сприйнять в уяві споживача.

Пол Фелдвік

Бренд - ім'я, що впливає на поведінку ринкових споживачів / покупців.

Жан-Ноель Капферер

Бренд - набір цінностей, якостей, які задовольняють покупця, різних вигод та ознак, цінність яких залежить від конкретних бажань і потреб споживача.

К. Бове и У. Аренса

Бренд - назва, слово, вираз, знак, символ, дизайнерське рішення або їх комбінація з метою позначення товарів і послуг конкретного продавця або групи продавців для відмінності від їх конкурентів [9].

Американської маркетингової асоціації

Бренд - це невловима сума властивостей продукту: його імені, упаковки й ціни, його історії, репутації і способу рекламування. Бренд також є поєднанням враження, яке він справляє на споживачів, і результатом їхнього досвіду у використанні бренду [20].

Девід Огілві

Бренд - це концепт, який однозначно ідентифікує комерційну пропозицію, символічно повідомляючи його функціональну цінність і відмінність (в гамі однорідних продуктів) і тим самим підвищуючи його цінність

Уильям Стэнли Джевонс

Бренд - це все, що відрізняє даний товар від товарів конкурентів, такі вербальні, візуальні та інші елементи, за якими споживач може ідентифікувати приналежність даного продукту до даної назви, навіть якщо він її не баче.

Рюмін М. Ю.

Бренд - це сформована сума всіх вражень, одержуваних споживачами та користувачами в результаті виразного місця, займаного цими враженнями в їх думці на основі сприймаються емоцій і функціональних вигод.

Кнаппа Д.


Історичні етапи розвитку бренду.

Історія виникнення брендів розмежовується за історичними етапами. Можна побачити етапи, які пройшли найвідоміші торговельні марки протягом своєї історії (рис. 1.1).

Рис. 1.1 Етапи розвитку бренду

Кожен з зазначених брендів відповідав цінностям суспільства у час свого створення, при чому деякі з них змогли залишитися «в моді» і до сьогоднішнього дня.

Відмінність понять «бренд» та «торгова марка».

На практиці часто плутають два близькі поняття - бренд і торгову марку. Насправді бренд - це не просто торгова марка. Поняття бренду більш широке, оскільки в нього ще додатково входять набір характеристик, очікувань, асоціацій, що сприймаються користувачем і приписуються ними товару. Бренд розглядається як певна "добавка" до товару, так звана додана вартість (рис. 1.2).

Рис.1.2 - Відмінність понять "бренд", "торговельна марка", "товарний знак", "товар"

Щоб торгова марка стала брендом, спочатку потрібно займатися дуже ретельної її розробкою продумуючи концепцію і унікальність, а потім активно просувати за допомогою цілого комплексу маркетингових заходів, задіюючи при цьому грамотних і висококваліфікованих фахівців.

Ведучи мову про бренд , не можна не торкнутися теми фірмового стилю, так як створення його є складовою частиною брендингу.

Фірмовий стиль - це ряд прийомів (графічних, колірних, мовних), які забезпечують деяку єдність всіх виробів підприємства і відрізняють їх від виробів конкурентів.

Фірмовий стиль є складовим елементом бренд - стратегії підприємства на ринку. Він являє собою композицію з товарного знака, логотипа, пояснювальних написів, фірмового гасла, фірмової колірної гами, фірмового поліграфічного стилю, а також способів нанесення знаків на вироби, використання їх в оформленні приміщень, рекламі і т.д.

Основними цілями фірмового стилю є, по-перше, ідентифікація виробів підприємства і вказівка на зв'язок їх з підприємством; по-друге, виділення товарів підприємства із загальної маси аналогічних товарів його конкурентів.

Фірмовий стиль приносить його власникові численні переваги, основними з яких є:

• Допомога споживачам в орієнтації у величезному сучасному масиві інформації, яка необхідна для швидкого і безпомилкового знаходження товару підприємства, який вже завоював їх перевагу;

• Підвищення ефективності реклами;

• Зниження витрат на формування комунікацій за рахунок підвищення ефективності реклами;

• Гармонізація і створення необхідного єдності не лише реклами, а й інших засобів маркетингових комунікацій;

• Позитивний вплив на естетичний рівень підприємства;

•Сприяння підвищенню корпоративного духу, виробленню почуття причетності до спільної справи, « фірмового патріотизму».

Фірмовий стиль - один з основних засобів формування сприятливого іміджу підприємства, способу його брендування.

1.2 Поняття брендингу території, характерні риси бренду міста


Бренд території, як основа розвитку у сучасних умовах. Обґрунтування необхідності формування бренду міста

Тема брендингу територій, що виникла ще в 1970 -і роки в ряді розвинених країн, стала особливо популярною в останнє десятиліття. Ряд держав, регіонів і міст зробили масштабні проекти зі створення власних брендів. В умовах всесвітньої економічної кризи муніципальні утворення, в силу своєї залежності від дотацій держави, впритул стикаються з нестачею фінансування і вимушеним переходом до самостійного розвитку. Формування бренду для певної території найчастіше є ресурсом для її ефективного функціонування і розвитку, що, в свою чергу, сприяє вирішенню і профілактиці багатьох управлінських проблем [12].

Сьогодні нематеріальна складова розвитку регіонів стає новим інструментом на шляху до його соціально-економічного благополуччя. Територіальний брендинг як інструмент стратегічного розвитку набув великого поширення за кордоном за останні 30 років [5].

Успішність бренду муніципального утворення безпосередньо впливає на забезпечення стійкого і привабливого іміджу території, залучення зовнішніх інвестицій, нарощування господарського потенціалу, зміцнення інтеграційних та коопераційних зв'язків, трансляцію регіональних досягнень та ініціатив.

Брендинг тісно пов'язаний з ринком і конкуренцією, власне, він зобов'язаний їм своїм існуванням, оскільки ґрунтується на системі маркетингових комунікацій.

Відповідно на території муніципального утворення має реалізовуватися комплекс політичних, правових, науково - технічних та інших дій та акцій, спрямованих на розвиток ділового, соціально - економічного, культурного життя території, створення відповідної інфраструктури. Також робота над брендом може дозволити муніципальному утворенню знайти свою нову позицію. Тим самим бренд вносить свій внесок у загальний імідж території.

Брендинг території має ще назву геобрендинг - це стратегія розвитку та підвищення конкурентоспроможності територіальних утворень. В її основі лежить комплексний підхід до розвитку території та підвищенню її привабливості для місцевого населення, інвесторів і туристів [4].

Російський економіст І.В. Вернадський казав: " Кожна місцевість має свій ідеал, кожна країна - свої форми досконалості, чужі іншій, стоячій під іншими умовами місцевості. У цьому-то переважно і криється головна причина тієї відмінності, яка існує в господарському, громадському і політичному становищі".

Будь-яка територія, чи то сільське поселення, місто або невелика місцевість, великий район або країна може бути представлена​​, як щось цікаве, привабливе, унікальне, що має специфічні, виграшні риси серед конкурентів.

За словами самого авторитетного теоретика в області територіального брендінгу С. Анхольта, бренд території - це також щось більше, ніж про нього прийнято думати. За його словами, це відображення так званої «place substance» («сутності місця») [3].

Територіальний брендінг є інструментом просування території, який представляє собою стійкі уявлення різних типів споживачів (органів влади всіх рівнів, жителів даної та інших територій, інвесторів та ін.) про відмінність економічних, соціально-правових, культурно-ментальних, природних, просторових характеристик конкретного муніципального утворення, заснованих на комплексі матеріальних і нематеріальних домінант.

Слід сказати, що брендинг території істотно відрізняється від корпоративного брендингу.

По-перше, проведення брендингу на підприємстві служить економічній меті, так як керівництво за допомогою бренда прагне максимізувати прибуток за рахунок отримання довіри у споживачів, партнерів по бізнесу, інвесторів. А проведення брендингу територій є, перш за все соціальною метою, тобто досягнення сприятливої демографічної ситуації в регіоні, поліпшення якості життя проживання в ньому населення, виховання почуття патріотизму за свою «малу» батьківщину.

Друга відмінність у «Споживачах» бренду: у підприємства переважають зовнішні «споживачі» (покупці, посередники, банки), які характеризуються високим ступенем однорідності і керованості. У свою ж чергу, «споживачами» бренду регіону переважно є внутрішнє співтовариство (люди, які постійно проживають в регіоні, підприємства, що здійснювані в ньому свою діяльність, місцеве самоврядування), яким набагато складніше управляти через різнорідність структури.

По-третє, бренд підприємства формується як одна найважливіше, унікальна конкурентна перевага даного підприємства, яка забезпечує впізнаваність бренду. А бренд регіону не може будуватися тільки на єдиній конкурентній перевазі, так як це знецінює територіальний образ. Бренд регіону повинен відображати його образ, його цілісність з різних сторін.

Основні цільові аудиторії, на які слід орієнтуватися при формуванні і просуванні бренду міста зображено на рис. 1.3

З позицій бізнесу бренд регіону визначається його макроекономічними характеристиками, наявністю і успішністю функціонування промислових об’єктів, роллю регіону в економіці країни.

Рис. 1.3 - Цільові аудиторії бренду міста

На думку А.Ю. Нєлєпова, генерального директора ТОВ "Пірград ", реалізація концепції розвитку регіональних брендів повинна базуватися на таких основних принципах:

-       Принцип унікальності полягає в підтримці органами місцевого самоврядування та розвитку не конкретних локальних (орієнтованих на локальні території ) брендів, не конкретних підприємств і галузей, а унікальних конкурентоспроможних ресурсів конкретного регіону.

-       Принцип комплексності полягає в здатності регіонального бренду нарощувати марочну вартість всього регіонального бізнесу, підвищувати інвестиційну, соціальну та комерційну привабливість регіону.

-       Принцип індивідуальності полягає у створенні довготривалої лояльності та прихильності представників різних сегментних груп до регіональних брендів, що базуються на істинних відмітних перевагах, що визначаються регіональними особливостями [6].

У сучасній економіці місто або регіон не може розглядатися як абсолютно замкнута територія у зв’язку з цим все більш затребуваними стають можливості маркетингу, що використовуються з метою підвищення привабливості регіонів.

Позиціонування міста у репутаційній картині держави істотно впливає на приплив зовнішніх та внутрішніх інвестицій, рівень ділової активності, характер міграційних процесів, і в кінцевому рахунку, на якість життя мешканців міста.

Формуючи бренд міста можна у значній мірі подолати стереотипи та упередження, що існують по відношенню до України у світі.

Позитивний імідж дає регіону ряд незаперечних переваг. Створення пізнаваного бренду регіону необхідно з декількох причин:

. Якщо дивитись з точки зору інвестора, то при приблизно рівних економічних умовах він піде в той регіон, про який він чув більше позитивної та цікавої інформації;

. Розвиток туризму в регіоні також пов’язано з тим, як він себе позиціонує;

. Позитивний імідж приваблює в регіон трудові ресурси;

. Відбувається розширення ринку збуту регіональної продукції.

Таким чином, у сучасних умовах, брендінг території стає необхідною умовою його розвитку, що заснований в першу чергу на інвестиційній привабливості.

Все це підкреслює в першу чергу, економічну вигоду від створення сильного територіального бренду. Але, слід сказати, що нерідко пріоритет у конструюванні образу регіону віддається, наприклад, політичним цілям.

Прикладом успішного «не туристичного» територіального брендингу є брендингова компанія Естонії. Цільовими аудиторіями компанії були не туристичні потоки, а європейські ЗМІ, великі суспільні і політичні структури, громадяни Естонії. Стратегічною ціллю брендингу були не прямі економічні вигоди, а політичні дивіденди: Естонія в ході брендингу повинна була сприйматися Європою не як шматок колишнього СРСР, а як сама Європа, її східна частина. Такою була ідея бренду для європейських цільових аудиторій. Для громадян Естонії рекламна компанія з просування логотипу країни показували вигоди входження країни в загальний європейський дім.

Інструменти формування та просування бренду міста

Процес формування та просування бренду укладений між 2 інструментами - розробкою стратегії розвитку міста та конструюванням його візуальних і вербальних образів.

Стратегії розвитку являє собою документ, який визначає довгострокове направлення розвитку міста та задає пріоритети, що направляють його розвиток.

Логотип регіону. Існує декілька стратегій розробки логотипу країни та регіону.

1. Використання офіційної символіки (прапор, герб) - легка стилізація офіційного прапора Великобританії та Швеції стали основою логотипів цих країн.

. Непрямі асоціації з офіційною символікою, використання вгадуваних елементів - ці принципи використані при створенні логотипів Португалії, Мальти, Польщі та інших країн.

. Вільний дизайн логотипу. Правда, навіть при самій великій частці свободи дизайнера логотипи зарубіжних країн грунтуються на використанні характерних рис природи або культури країн - квітка граната в логотипі Туреччини, символ сонця у Іспанії, море і сонце - у Греції.

Якісний слоган, що є частиною візуальних образів міста, формує платформу для підсилення його іміджу. Варіантом використання слогану є формулювання теми, яка стане основою спеціальних маркетингових програм, які орієнтовані на конкретні цільові групи (табл. 2.1).

Таблиця 2.1 - Приклади використання слоганів міст

Місто

Слоган

Амстердам

Столиця натхнення

Санкт-Петербург

Місто білих ночей

Лас-Вегас

What Happens In Vegas, Stays In Vegas

Будапешт

Місто з тисячею облич

Ганновер

Місто міжнародних ярмарок


Ще одним інструментом є іміджеве позиціонування, яке передбачає декларування містом свого призначення на регіональному, національному, міжнародному рівнях. Складність іміджевого позиціонування полягає у тому, щоб найбільш виразно акцентувати переваги і унікальні якості міста, які вигідно відокремлюють його з аналогічних місць. Наприклад, є такі формули брендового позиціонування з чіткою європейською спрямованістю (табл. 2.2).

Таблиця 2.2 - Брендінг територій з європейською спрямованістю

Місто

Позиціонування

Берлін

Столиця нової Європи

Санк-Петербург

Вікно у Європу

Мюнхен

Місто №1 у європейському страхуванні

Глазго

Художня столиця Європи

Словенія

Найзаповітніша тайна Європи


Формування у свідомості асоціацій конкретного міста з іншими відомими та привабливими. Так, останніми роками спостерігається феномен використання теми «північної Венеції». Як мінімум 5 міст позиціонують себе саме так: Брюгге, Санкт-Петербург, Гамбург, Стокгольм, Амстердам.

Асоціації з Венецією викликають у свідомості людини романтичні образи каналів і витонченої старовинної архітектури в оточенні води. Однак, слід сказати, що дана стратегія не завжди дієва й ефективна, так як ці міста, маючи власні унікальні характеристики, маючи що запропонувати туристу та підприємцю, повинні прагнути комерціалізувати свою власну унікальність.

Візуальні символи. Більшість з візуальних символів зображені на офіційних документах міста, рекламних щитах. Щоб бути успішним, візуальний символ повинен підсилювати звучання центральної ідеї брендінгу.

Традиційно виділяють 4 найбільш розповсюджених візуальних брендових стратегії (рис. 1.4).

Рис. 1.4- Візуальні брендові стратегії

Події та заходи. Імідж міста може також формуватися і просуватися за допомогою організації певних заходів, подій і конструювання інформаційних приводів на цій основі. Успішно організована подія, що вийшла за масштаби міста, забезпечена відповідними методами PR-комунікації, може створити міцний бренд міста.

Індустрія організації виставок і фестивалів являють собою «візитну картку» бутності міст історичної частині Європи. Такі традиційні заходи як фестивалі в Гластонбері у Великобританії і в Роскилле в Данії в обов'язковому порядку проводяться щороку і приваблюють численних туристів. Мюнхен всесвітньо відомий своїм фестивалем пива - Октоберфест , а такий маленький і практично не відомий містечко Клермон - Ферран у Франції славиться по всьому світу щорічним фестивалем короткометражного кіно. Ганновер , наприклад , добився великого успіху в справі залучення бізнесменів і людей, що цікавляться інформаційними технологіями, за допомогою проведення щорічної конференції CeBIT. Слоган Ганновера безпосередньо пов'язаний з даною подією, що є центральним для життя міста "Світ технологій обертається навколо Ганновера".

Однією з найбільш популярних тем є організація святкувань в місті на честь відомої особистості, що асоціюється з даним містом. Наприклад, в Зальцбурзі проводиться щорічний фестиваль музики, пов'язаний з ім'ям Моцарта. Влада Лейпцига організували літній фестиваль, присвячений ключовий історичної постаті міста - Йогану Себастьяну Баху, який і понині є ключовим елементом бренду міста.

Крім відомих людей темою святкувань може стати класична музика (Фламандський міжнародний фестиваль), театр і танець (Лілльський фестиваль), кінематограф (Ніцца, Канни, Венеція). Численні невеликі міста і села Франції, Німеччини, Італії, Португалії проводять власні фестивалі виноробства.

Серед унікальних фестивальних тем може бути і природно - кліматичні унікальних характеристики місця. Наприклад, в норвезькому місті Бергені щорічно організовується фестиваль дощу, пов'язаний з дощовим кліматом місця.

Формування асоціацій зі знаменитими історичними персонажами та політичними лідерами. Наявність зв'язку знаменитої фігури з певним містом потужний засіб формування позитивної асоціації. Світовий досвід використання даного прийому виглядає наступним чином: Антверпен, наприклад, позиціонує себе як "Місто Рубенса ". Рованіємі на півночі Фінляндії всесвітньо відомий як "батьківщина Санта- Клауса". Прага представлена в інформаційному просторі як "рідне місто Франца Кафки", Ліверпуль торгує брендом Біттлз; Генуя - славою Христофора Колумба. Земля Саксонія - Анхальт в Німеччині, наприклад, сьогодні позиціонує себе як "Край Лютера".

Також обличчя багатьох європейських міст формують спортивні команди і окремі спортсмени. У Неаполя, скажімо, мається футбольний клуб "Неаполь", у Мілана - "Мілан" та "Інтер", у Манчестера - "Манчестер Юнайтед".

Легендування. Група, що займається просуванням іміджу міста, може актуалізувати легенду, пов'язану з конкретним місцем - або сформувати її штучним чином. Одним із прикладів успішного легендування є Лохнеське чудовисько, яке проживає за переказами в гірському районі Шотландії . Дане явище сформувало туристичну індустрію в Шотландії, яка пропонує відвідувачам такі розваги, як екскурсії на підводному човні і мультимедійний туристичний центр, що поширює останні відомості про місцезнаходження даного створення, а також прості екскурсії до озера з надією побачити чудовисько.

Туристична значимість окремих об'єктів може бути пов'язана з сюжетом літературного або кінематографічного твору (образи Квазімодо і Есмеральди, пов'язані з собором Паризької Богоматері, образ людини в залізній масці, заточений за переказами в замку Vaux les Vicompt ( Франція ) та інші. Додаткові інструменти. Багато всесвітньо відомих міст з сильними брендами активно займаються просуванням своїх іміджів в інформаційному просторі. Зокрема, цікавим інструментом брендингу є випуск дисконтних карт Адміністрацією міста, що надають відвідувачам можливість користуватися знижкою при черговому відвідуванні установ індустрії культури та розваг. Якщо нещодавно система знижок практикувалася тільки в сфері бізнесу, то зараз вона стає інструментом стратегічного управління іміджем території. Зокрема, подібні карти випущені Адміністрацією Франкфурта (рис.1.5).

Рис. 1.5 «Франкфуртська дисконтна картка»

У Нью -Йорку і Монреалі на рівні міської Адміністрації оформлені програми просування бренду, які реалізуються за допомогою проведення безлічі тематичних заходів. Наприклад, влада Нью-Йорка ініціювання виробництво футболок з логотипом Нью -Йорка, які вручали усім приїжджим з метою їх прилучення до духу, атмосфері і цінностям міста.

1.3 Спорт як важливий інструмент для побудови бренду території


Спорт - приваблива сфера побудови іміджу території

Сьогодні кожна країна, в умовах глобальної конкуренції, причому жорсткої конкуренції, бажає взяти вищу планку в просуванні привабливості своєї території через установу власного бренду.

З найдавніших часів спорт відіграє дуже важливу роль в житті всього людства. І це не тільки фізичний і духовний вплив на розвиток самої людини. У сучасному світі спорт став ще й вигідною галуззю для вкладення грошей і отримання досить великих капіталів.

З кожним роком фізична активність і спорт все більшою мірою проникають у повсякденне життя людей - повсюдно зростає кількість спортивних клубів і організацій, збільшується число людей, що долучаються до спорту, зростає кількість спортивних засобів масової інформації. В умовах глобалізації економічних відносин, свободи пересування людей та обміну інформацією, постійно збільшується число спортивних уболівальників, присутніх на змаганнях особисто, що спостерігають за ними по телебаченню, що слухають радіотрансляції або звертаються до мережі Інтернет.

Спорт - це не тільки спосіб життя мільйонів людей, а й одна з привабливих сфер, яка дозволяє просувати імідж міста шляхом організації та проведення спортивних заходів, як масових, які дозволяють залучити максимальну кількість уболівальників - потенційних туристів та інвесторів, так і унікальних, які можуть стати свого роду візитною карткою міста. Ці заходи спрямовані на просування бренду та іміджу міста на національному та світовому рівнях і є невід'ємною складовою комплексу маркетингу міста в сфері спорту.

Яскравим прикладом тому стало проведення в 2012 році матчів фінальної частини чемпіонату Європи з футболу в місті Харкові. Безсумнівно, право приймати ігри чемпіонату Європи 2015 року з баскетболу це ще один шанс для просування іміджу міста у світовому співтоваристві.

Результати світової практики свідчать про те, що робота з формування брендингу міст придбала системність, а спорт є найбільш привабливою сферою для розвитку іміджевої політики, завдяки якій місто стає центром туризму для вболівальників спорту.

Різні Універсіади і Чемпіонати Європи, Азії та Світу говорять про те, що спорт - це потужний інструмент просунути образ своєї країни чи міста і привернути увагу світової інвестиційної та туристичної спільноти. Також слід зазначити, що дані заходи носять більше іміджевий (видовищний) характер як подія, ніж просто спорт в своєму чистому вигляді - змагання на фізичну досконалість. Основна ставка йде на формування імені даного заходу (і звичайно ж команд і осіб), які можна надалі продавати, у прямому сенсі - продавати. А це можливо тільки при наявності спортивного бренду.

Спортивний брендинг, в широкому сенсі, - це системна робота з населенням, спрямована на: формування нормативної спортивної культури; розуміння необхідності ведення здорового способу життя та інтерес до подібних занять; знайомство жителів з ​​існуючими спортивними напрямками (професійними і «дворовими»); підтримка інтересу до міських спортивних заходів; формування позитивного іміджу міста через проведення великомасштабних заходів.

Або ж спортивний бренд - це назва, логотип, символ та інші відмінні особливості, що асоціюються з організацією, компанією або конкретною особистістю та виділяють їх в числі інших аналогічних брендів.

Спортивний брендинг може дати країні або окремому місту майбутню платформу для побудови власного бренду самої держави чи міста. Причому позитивний ефект від спорт-брендингу буде поширений автоматично на самі різні аспекти держави: на політичний лад в країні, на вищі посадові особи, бізнес, населення країни в цілому, туризм і т. і. Основна можливість, яку дає спорт- брендинг для державних осіб - це поліпшення іміджу цілої країни та її керівників з усіма витікаючими наслідками через перемоги спортсмена, команди або країни, а головне через формування великого спортивного заходу на своїй території чи наявності міцного спортивного об’єкту:

. Великі приналежності країни до міжнародних заходів, столицями проведення яких є конкретні країни чи міста, надають потужну іміджеву складову для своєї території. Такі заходи стають брендами країн, працюють на поліпшення репутації країни в очах світової спільноти: інвесторів, бізнесу, туризму, організаторів великих спортивних змагань, ЗМІ, населення в цілому. Прямі телевізійні трансляції виступають як один з найефективніших відбивачів образу і сутності країни-господарки, її інвестиційний і туристичний потенціал і можливості. Яскраві сюжети, незвичайні історії, скандальні факти, видовищні моменти ігор, команд, спортсменів дає той потужний емоційний сплеск і інтерес до спортивних заходів, який в свою чергу, гарантує увагу від інвесторів, туристів і бізнесу.

. Бренд даних заходів дає також не менш потужний мультиплікативний ефект всередині країни. Населення країни, бачачи подібний масштаб бренду заходу, не просто самого заходу, а саме сили його бренду відчувають значимість і спроможність власної держави перед світовою спільнотою. Без наявності бренду ігор даний ефект повністю відсутній - це буде просто спортивні матчі.

. Володіння подібним брендом дає можливість на лідерство та вплив виду в певних регіонах глобального значення і галузях . Наприклад, Казахстан довів своє лідерство в Центрально-Азіатському регіоні, провівши такий масштабний проект як Азіада.

. В умовах зростаючої комерціалізації Олімпійських ігор та світових чемпіонатів, підготовка, виступ спортсменів і збірних країни повинен включати потужний PR-супровід спортсменів, команд і країни, оскільки спортивні заходи - це одночасно брендинг і PR бізнесу країн-учасниць, які роблять величезні ставки на залучення інвесторів, іноземного бізнесу і туристів у країну.

. Міжнародні змагання іміджевого формату (Олімпійські Ігри, чемпіонати світу з футболу та хокею та ін. ), значно більшою мірою містять емоційний компонент, ніж просто текучі змагання. Всі чекають своїх улюбленців команд і спортсменів, чекають від них чогось неповторного, високої майстерності, яскравого видовища і звичайно ж перемог. Від простого спортсмена цього не чекають.

. На події такого рівня, як Олімпійські ігри та Чемпіонати світу йде боротьба, суперництво на прихованому плані між країнами. Наявність сильної команди з тих чи інших видів спорту, і, звичайно ж перемоги, яскраво говорять про економічну спроможність даної держави. Досить згадати найпотужніший емоційний сплеск у Росії після перемоги російської збірної з хокею на Чемпіонаті світу в 2008 році: люди виходили на вулиці, кричали, їздили на машинах з прапорами.

Брендинг того чи іншого спортивного об’єкту позитивно впливає на його капіталізацію. Для підтвердження можна розглянути такий приклад:

У 2000 році президентом футбольного клубу «Реал Мадрид» став Флорентіно Перес - людина амбітна, рішуча, стрімка. Він вирішив зібрати в «Реалі» всіх кращих футболістів-брендів планети.

Свою діяльність Перес почав з покупки португальця Луїша Фігу у «Барселони » за рекордні 71 млн євро. Через рік до лав «Реала» влився Зінедін Зідан, за якого заплатили «Ювентусу» ще більше - 75 мільйонів, ще через рік з «Інтера» прибув Роналдо, влітку 2003 року - Бекхем, а у 2004 - Оуен.

Таким чином, у сезоні 2004/05 разом грали чотири футболісти, які удостоювалися «Золотого м'яча»: Роналдо (кращий футболіст світу 1997 і 2002 років), Зідан ( 1998 р.), Фігу ( 2000 р.), Оуен ( 2001 р.). Це зібрання зірок стали називати « Галактікос ».

За п'ять з гаком років правління Переса «Реал» став одним із найприбутковіших клубів світу. Доходи при завершенні його президентства становили більше 500 млн. євро на рік.

Перес більше був кризовим менеджером і він знав, що успіх клубу не тільки в чемпіонство у Кубках або Чемпіонатах, а ще в лояльності уболівальників, інвесторів, партнерів і влади міста та країни. Як цього домогтися, якщо немає результатів у футболі, і, схоже що, найближчим часом вони будуть не особливі? Відповідь - у брендингу [29].

Є бренди (зірки, кумири футболу ) - є лояльність до клубу. Є бренди - є капіталізація клубу і його акцій. Є бренди - є бізнес (реклама, промоушен, лінія товарів та ін.). Тобто є бренди - є гроші.

Його першочерговою метою, може і не було чемпіонство, але було підвищення матеріального благополуччя клубу. І Флорентіно Перес досяг цього. Він отримав визнання населення, влади, інвесторів, партнерів.

Цільова аудиторія спортивного бренду та умови для його формування.

Для того щоб зрозуміти, які умови просування спортивного бренду, необхідно виділити аудиторії з якими воно взаємодіє. Для цього подивимося в яких площинах, діє спортивний брендинг.

Для вболівальників чи туристів головними атрибутами при формуванні думки про державу, в якій проходить той чи інший спортивний захід, будуть наступні аспекти:

а) розвинена інфраструктура;

б) відгуки спортсменів;

в) гостинність;

г) безпека;

д) сервіс;

е) дозвілля;

ж) відомість / популярність та доступність ( загальна ціна поїздки, труднощі або їх відсутність при отриманні візи та інші організаційні моменти).

Рис. 1.6 Площини дії спортивного брендингу

Для спортсменів, як і для тренерів:

а) розвинена спортивна база;

б) високий рівень сервісу;

в) рівень проведення заходів;

г) комфорт;

д) інфраструктура;

е) медичне обслуговування і безпека.

Для інвесторів і спонсорів - це, насамперед:

а) престиж і статус;

б) актуальність;

в) популярність;

г) відповідність власному іміджу.

Для міжнародних спортивних організацій (таких як: Міжнародний олімпійський комітет, Міжнародний союз біатлоністів, Міжнародна федерація футболу, Міжнародна федерація гімнастики і т.д.):

а) досвід проведення заходів світового чи європейського рівня;

б) розвинена інфраструктура;

в) імідж спортсменів та тренерів;

г) сервіс, безпека, популярність спорту в цілому;

д) комфорт, реклама та піар.

Для спортивних організацій і асоціацій (маються на увазі футбольні / хокейні клуби, які можуть відправляти спортсменів на збори або підготовку до змагань ) важливими є ті ж риси і якості, які перераховувалися вище, але особливістю може стати:

) ексклюзивність пропозиції (наприклад незвичайний клімат ( Сочі));

) сверхнове обладнання або новий підхід до тренувань.

Формувати привабливих спортивний імідж, можна не тільки беручи участь у великих міжнародних змаганнях. Сьогодні важливо створювати власні великі спортивні змагання, які будуть асоціюватися з однією країною. Прикладом може служити сама знаменита велогонка світу Тур де Франс, яка проводиться у Франції вже більше ста років.

Таким чином, для створення іміджу спортивного міста чи держави, необхідно:

-     Регулярне і результативна участь у великих міжнародних змаганнях, а так само проведення їх на своїй території;

-        Наявність новітньої інфраструктури;

         Унікальні спортивні події, які відбуваються тільки на території цієї країни.

При формуванні спортивного брендингу міста слід ураховувати наступні особливості:

)        Головне в спорті - результат;

)        Спорт - це непередбачуваність результатів;

)        Спорт - це особливі відносини з телебаченням, радіомовленням і пресою;

)        Спортивні організації самі заважають маркетологам;

)        Спортивні організації недооцінюють силу і цінність брендів;

)        Спортивні організації іноді страждають маркетинговою короткозорістю.

У свідомості людей такий захід має закріпитися за певною територією і грати на її позитивний імідж. Такі заходи повинні супроводжуватися потужною PR підтримкою, висвітлюватися в іноземний і вітчизняних ЗМІ, володіти національним колоритом, мати символіку, гімн, фірмовий стиль, логотип і стати брендом країни.

2. Етапи формування бренду та оцінка його ефективності


2.1 Етапи формування бренду


Щоб гарантовано дістатися до вершини лояльності, потрібно вживати осмислені цілеспрямовані зусилля, аналізувати успіх, вносити виправлення до плану дій. Оскільки обставини життя компаній різні, то, швидше за все, і стратегії побудови сильного бренду у них будуть відрізнятися.

Бренди може формуватися декількома суб’єктами (рис. 2.1)

Рис. 2.1 - Суб’єкти, які формують бренд

Необхідно розуміти, що будівництво сильного бренду - це як виховання дитини, тобто нескінченний проект. Ніколи не настане момент , який дозволить поставити фінальну крапку і підвести риску. Пригадується гасло: «Є у революції початок, немає в революції кінця». У зв'язку з цим, кажучи про етапи проекту, я маю на увазі не зупинки по дорозі в пункт прибуття, а віхи циклу або, скоріше, витки спіралі.

Отже будівництво сильного бренду може мати наступні етапи (рис. 2.2).

Цілепокладання. Керівництву, що володіє знаннями про стратегічні цілі (місії) компанії, необхідно чітко зрозуміти, які стратегічні цілі бренду. Ці цілі найзручніше формулювати в наступних параметрах: поінформованість, знання, ставлення, лояльність.

Рис. 2.2 - Етапи формування бренду

Наприклад, якщо у гіпотетичної компанії « Мрія» є стратегічна мета - через п'ять років стати найбільшим продавцем кисломолочних продуктів на території України - то показники її бренду повинні бути наступними:

Обізнаність - n % цільової аудиторії;

Знання - цільова аудиторія згадує без підказки, що за кефіром, наприклад, треба звертатися саме до «Мрії», а також знає основні особливості бренду (наприклад, використання виробником виключно натуральних інгредієнтів );

Ставлення до продукції «Мрія» - більш позитивне, ніж до товарів конкурентів і продуктів-замінників;

Рівень лояльності, який визначається вчиненням повторних покупок, - відповідає запланованому .

Вимірність цільових показників, з одного боку, дозволяє стежити за прогресом, що відбувається на тернистому шляху, а з іншого - мотивує виконавців.

Планування проекту. Як і в будь-якій справі, перш ніж почати копати траншеї, необхідно знати не тільки мету, а й обмеження, доступні ресурси, терміни, визначити відповідальних та виконавців.

Аналіз реального стану бренду (уявлень про нього у свідомості людей). Для того щоб кудись дістатися, важливо зрозуміти, де знаходишся зараз. Оскільки бренд - це переконання, що існують у свідомості оточуючих, то для того, щоб зрозуміти його реальний стан, треба провести дослідження всіх сегментів цільової аудиторії. Компанія «Мрія» з прикладу, наведеного вище, повинна скласти власне уявлення про обізнаність, знання і відношення стосовно її бренду з боку цільової аудиторії з усієї України.

Аналіз відповідності реального стану бренду бажаному. «Суха теорія, мій друг, але древо життя пишно зеленіє», - казав Гете у «Фаусті ». На даному етапі необхідно спуститися з сяючих небес мрії у прозаїчну реальність і подивитися, наскільки ваш бізнес живий і може існувати.

У довгостроковій перспективі неможливо приховати невідповідність реального іміджу компанії бажаному. Якщо бренд- імідж «Мрія» припускає, що компанія використовує тільки натуральні органічні продукти, то необхідно жорстко дотримуватися цього принципу в реальному виробництві. Проте, набагато розумніше буде виправити не мету, а себе самих.

Аналіз конкурентів. Щоб створити сильний бренд, вам важливо відбудуватися від конкурентів. Оскільки ворога треба знати в обличчя, слід виявити: цілі брендингу конкурентів; наскільки системно і цілеспрямовано фірми -конкуренти займаються будівництвом брендів; проблеми, з якими конкуренти стикаються, щоб можна було уявити вектор їх подальшого руху. Отже, знання конкурентів необхідно, щоб виробити тактику позиціонування власної компанії.

Розробка стратегії розвитку бренду. Конкретний план дій складається з двох основних частин. Перша відповідає на питання: «Що потрібно змінити в компанії, щоб реальне позиціонування відповідало бажаному. Друга: «Як донести бажаний образ бренду до всіх цільових аудиторій?». Розробка позиціонування є одним з елементів стратегії розвитку бренду і для цього необхідно знати наступне: хто клієнти, чого вони хочуть, що знають і як думають; хто ваші конкуренти, що вони про себе кажуть, наскільки вони небезпечні, які їхні плани; що насправді в реальності може і хоче робити наша компанія.

Ще одним елементом стратегії розвитку бренду є опис суті бренду і розробка правил створення стандартних дизайнів і текстів.

На самому початку розробки фірмового стилю необхідно відповісти на питання: «Як же фірма представляє свій образ? Як вона хотіла б виглядати в очах споживачів?» Тільки після того, як сформована загальна концепція фірмового стилю, слід переходити до розробки його окремих елементів.

Виконання стратегії. Інтегровані маркетингові комунікації. Організаційні зміни в компанії. Власне, на цьому етапі здійснюються всі ті дії, які описані в стратегії. На цьому етапі допоможе спонсорство, особливо, якщо реалізація проекту потребує значних організаційних змін у фірмі.

Моніторинг бренду. Як казав Марк Рітсон «Моніторинг - це те, що відокремлює дітей і шарлатанів від професіоналів брендингу». Він також стверджував, що на моніторинг має сенс витрачати не менше 5 % всього брендинг - бюджету.

Слід сказати, що при формуванні бренду не обов’язкове використання тільки розглянуті етапів. Ці етапи можуть коригуватися в залежності від цілей формування бренду, об’єкту брендингу, ситуації, що склалася на ринку та інших особливостей.

Формування спортивного бренду міста Суми буде проходити за наступними етапами:

Аналіз наявної ситуації. Для виявлення наявної ситуації буде проведено маркетингове дослідження, яке дасть можливість побачити як мешканці міста відносяться дитячо-юнацького футболу, до ФЦ «Барса».

Цілепокладання. На даному етапі буде визначено основні цілі створення спортивного брендингу міста.

Аналіз конкурентів. В якості конкурентів будуть проаналізовані ДЮФШ у містах Київ та Харків, як основні міста розвитку дитячо-юнацького футболу.

Формулювання суті бренду. На цьому етапі ми визначаємо позиціонування і корисність бренду для цільової аудиторії; виявляємо цінності, асоціації, риси, конкурентні переваги та атрибути бренду.

Розробка стратегії розвитку бренду. Конкретний план дій буде складатися з двох основних частин. Перша відповідає на питання: «Що потрібно змінити, щоб реальне позиціонування відповідало бажаному». Друга: «Як донести бажаний образ бренду до всіх цільових аудиторій?».

Виконання стратегії. Інтегровані маркетингові комунікації. Власне, на цьому етапі здійснюються всі ті дії, які описані в стратегії.

Моніторинг бренду та оцінка ефективності. На цьому етапі потрібно слідкувати за параметрами бренду, що змінюються та оцінити ефективність самого бренду.

2.2 Оцінка ефективності бренду


Для того, щоб оцінити ефективність бренду потрібно для початку виявити які ефекти можуть бути отримані від цього бренду. Будь-який ефект відображає ступінь досягнення заданого результату, при оцінці якого порівнюються фактичні або очікувані показники із заздалегідь прийнятою метою.

У брендингу визначити поняття ефекту дещо складніше, так як процес брендингу пов'язаний зі створенням не тільки матеріальних, а й емоційних і символьних цінностей. Таким чином, поняття ефекту в брендингу є багатоаспектним.

Загалом, ефекти в брендингу можна розділити на ефекти сприйняття, поведінкові та економічні. Ефекти сприйняття пов'язані із створенням обізнаності про бренд і формуванням позитивного ставлення до нього. Поведінкові ефекти асоціюються з формуванням лояльності до бренду. Економічні ефекти пов'язані зі збільшенням обсягів продажів або частки ринку бренду, зростанням марочного капіталу бренду.

Щодо підходів до оцінки ефективності бренду, то на сьогоднішній день їх існує велика кількість. Розглянемо підходи та моделі, що дозволяють оцінити ефективність брендингу.

Ефективність характеризує співвідношення отриманого ефекту і витрат на його здійснення і є певною платою за досягнення певного результату. Отже, для визначення ефективності бренду необхідно визначити витрати на здійснення брендингу та отриманий ефект.

Витрати на брендинг визначаються витратами, понесеними на створення і розвиток бренду: витрати на його розробку, створення і просування за допомогою засобів маркетингових комунікацій.

Щоб визначити успішність регіонального брендингу застосовуються різні способи.

Оцінка результативності брендингу. Результативність є наслідком того, що в процесі створення бренду здійснюються потрібні, а часом навіть і необхідні речі (з різних точок зору), а ефективність - наслідок того, що ці самі речі створюються вірно і точно [21].

Результативність брендингу - це рівень реалізації цілей і стратегій, досягнення певних якісних і кількісних, а також економічних результатів брендингу.

Результативність представляється комплексом, що включає в себе кілька показників:

Дієвість - це ступінь досягнення регіоном поставлених перед ним цілей. З дієвістю тісно пов'язана така функція управління як планування, так як при плануванні задаються конкретні цілі по розвитку бренду регіону. При вимірі показника дієвості зазвичай порівнюють те, що планувалося здійснити і те, що було досягнуто фактично.

Економічність - це ступінь використання регіоном ресурсів, необхідних для проведення брендингу. Щоб визначити показник економічності проводиться математичне зіставлення ресурсів, які передбачалося використовувати для досягнення певних цілей і виконання робіт, з ресурсами, які фактично були витрачені.

Якість життя населення - це вплив на населення соціально-економічних аспектів брендингу (психологічних, соціальних та економічних умов праці). Іншими словами можна сказати, що якість життя являє собою ступінь задоволення важливих особистих потреб через участь у процесі брендингу.

На цьому етапі зазвичай перевіряється якість планування проекту - чи були розроблені вимірювані показники, після досягнення яких проект буде вважатися успішним. Показники успішності нерозривно пов'язані з завданням брендингу. Якщо, наприклад, головне завдання формування бренду - залучення інвестицій на територію, то відповідними будуть і показники успішності проекту - кількість і якість залучених інвестицій поряд з показниками, що відображають думку і враження інвесторів про регіоні. Якщо задача брендингу - залучення в регіон резидентів, то і показники результативності будуть пов'язані з кількістю і якістю міграцій, динамікою цін на житло і т.д.

Оцінка спроможності бренду. У результаті оцінки даного виду можна відповісти на питання - «чи є у регіону бренд?». Мета оцінки - порівняти параметри бренду з його сприйняттям цільовими аудиторіями. Це оцінка того, наскільки правильно «вгадана» концепція бренду і наскільки вдало вона передає ідентичність місця. Адже саме в цьому і полягає ефект бренду.

Основним джерелом даних, зрозуміло, є представники цільових аудиторій. Можна, зокрема, дізнатися, які враження (стереотипи) у них формує регіон, з якими цінностями він асоціюється, а потім зіставити отриманий список з тим, який зафіксований в концепції бренду. У цьому випадку дуже ефективний кореляційно - регресійний аналіз, за допомогою якого можна встановити критерій заможності бренду: якщо коефіцієнт кореляції між цінностями бренду в концепції і цінностями, зазначеними цільовою аудиторією, становить 1, то спроможність бренду 100 %, тобто бренд існує. Можна розробити інтегральний індекс заможності бренду, в який включити суму середньозважених показників заможності - ступінь кореляції цінностей, візуальних елементів дизайну бренду, знакових інфраструктурних, архітектурних і культурних проектів.

Оцінка впливу бренду. Вважається, що це і найважливіший, і найважчий вид оцінки успішності брендингу. Він дає інформацію про те, як впливає виникнення бренду на різні параметри соціально-економічного розвитку регіону. Головна складність у тому, щоб визначити, наскільки саме бренд впливає на розвиток, який його «внесок» у ті чи інші результати. При цій оцінці можна використовувати соціологічні методи, наприклад, порівняти параметри розвитку оцінюваного регіону та сусідніх з ним регіонів (група порівняння), які не займаються брендингом. Отриману різницю значень показників можна вважати внеском бренду в розвиток міста.

Оцінка цінності бренду регіону. Існує шість основних вимірів, які можна використовувати при вимірюванні цінності бренду регіону:

•        емоційний вимір - сукупність емоцій, спогадів, які асоціюються з брендом території;

•        інноваційний - ступінь розвиненості науки в регіоні, наявність підприємств, що використовують інноваційні технології;

•        соціально-культурний - культура регіону, а також різні субкультури, освіченість населення;

•        функціональний вимір - набір умов, що забезпечують якість життя;

•        історичний вимір - засвоєння і сприйняття історії, релігії, культури регіону;

•        вимір глобальної відповідальності місцевих органів влади (їх позиція і участь у формуванні сприятливої екологічної обстановки ).

Оцінка ефективності бренду. Ефективність - це відношення результатів, отриманих за підсумками брендингу, до витрачених ресурсів ( «результати», отримані після оцінки результативності проекту, можна розділити на його бюджет).

Оцінка ефективності бренду регіону дозволяє оцінити:

ступінь впізнаваності регіону;

увагу до території та частота звернень до неї з боку зовнішнього середовища;

кількість притягнутих до території інвестицій і нових проектів;

кількість притягнутих до території людей: туристів і нових жителів, трудових ресурсів;

участь регіону у всіх рівнях державної влади.

Критерії ефективності брендингу регіону встановлюються залежно від поставлених завдань. Так, якщо брендинг регіону здійснюється через організацію культурних проектів та знакових подій для залучення якомога більшого числа відвідувачів, то одним з показників ефективності буде співвідношення числа людей, яких вдалося залучити на заходи, і сумарних витрат на проведення проекту.

Інакше кажучи, чим менше витрати на одного відвідувача, тим вища ефективність.

Зазвичай найважливішим параметром оцінки ефективності бренду розглядається обсяг ресурсів, витрачених на брендинг . Це не зовсім правильно. Майже всі дослідження в галузі результативності брендингу підтверджують, що обсяги фінансових ресурсів, витрачені на розробку бренду, ніяк не корелюють з результативністю проекту. Є місця, на бренд яких було витрачено дуже багато грошей , однак результат виявився нульовим, ретельно розроблена і масштабно розрекламована ідентичність місця так і не перетворилася в його імідж. І навпаки, відомі випадки, коли при мінімумі витрачених ресурсів повною мірою досягалася поставлена мета.

Для того щоб найбільш точним чином оцінити ефективність реалізованого бренд-проекту регіону пропонується використовувати наступну систему показників:

) Показники стратегічної ефективності брендингу регіону. Ці показники фактично є формалізованими цілями, які бажає досягти регіональна адміністрація за рахунок складання та реалізації програми, в якій брендинг - це інструмент досягнення цілей. Поставлені цілі можуть виражатися неекономічними (наприклад, залучення в регіон N туристів), а також економічними (у грошовому вираженні).

) Показники комунікативної ефективності брендингу регіону. До таких показників відносяться: запам'ятовування, впізнаваність бренду регіону, ставлення цільових «Споживачів» до бренду, знання конкурентних переваг регіону тощо.

) Показники поточної економічної ефективності брендингу регіону - це доходи від реалізації цільової програми, витрати на брендинг.

) Показник динаміки символічного бренд-капіталу регіону. Цей показник характеризує «силу» бренду регіону у світовому масштабі. Перш ніж оцінювати цей показник необхідно включити регіон до складу регіонів та інших територіальних утворень, які підлягають такій оцінці.

) Нормативні показники ефективності брендингу регіону. Вони визначаються і коригуються регулярно (приблизно один раз на рік) шляхом проведення бенчмаркінгового досліджень брендингу в інших регіонах. Це дозволяє регіональним органам влади мати чіткі уявлення про рівень ефективності брендингу, що визначає оптимальний підхід до формування бренд-бюджету регіону.

) Поточна вартість бренду. Можна сказати, що цей показник є найбільш важливим, оскільки допомагає визначити яку вигоду можна отримати, використовуючи бренд.

) Показник ефективності інвестицій в бренд ( Return on Brand Investments -ROBI ) характеризує ефективність інвестування в проект і процес створення та розвитку бренду. Використання цього показника ефективності брендингу, володіє наступними перевагами:

Являє собою найбільш підходящий критерій, за допомогою якого порівнюють можливі бренд-проекти;

Дозволяє фінансувати етапи брендингу за ступенем їх важливості;

Допомагає оцінити ефективність і результативність роботи бренд -менеджера.

На щастя, останнім часом все більше регіонів розглядають брендинг як значущий елемент стратегії розвитку. Враховуючи незліченні проблеми, з якими стикаються сьогодні українські регіони, діяльність, пов'язана з територіальним брендингом, несе в собі заряд для розвитку різних підсистем регіону і, що ще більш важливо, стає одним з ключових інструментів інноваційної моделі розвитку місцевого самоврядування.

3. Формування спортивного бренду м. Суми на основі ФЦ «Барса»


3.1 Аналіз спортивного потенціалу міста


Загальна стратегія територіального бренду м. Суми

Суми має в своєму розпорядженні значні природний і культурно-історичний потенціал для покращення свого іміджу. Однак, в цій сфері є певні проблеми, незважаючи на проголошувані пріоритети державної політики з її підтримки. Конкуренція з боку інших міст змушує шукати шляхи адаптації до нових умов. Однією з привабливих сфер, яка дозволяє просувати позитивний імідж міста є спорт. І у м. Суми він має значний потенціал.

Чому саме спорт? Для відповіді на це питання визначимося у основних цілях територіального бренду для міста Суми взагалі (рис. 3.1).

Рис. 3.1 Основні цілі формування територіального брендингу м. Суми

Як бачимо з малюнка, основною ціллю, як і будь-якого бренду території є покращення життя мешканців міста. Для реалізації головної цілі повинна бути внутрішнє просування, тобто зробити так, щоб мешканці міста не захотіли виїжджати (нажаль, через відсутність значного потенціалу у місті мешканці, особливо представники талановитої і працьовитої молоді, яка у м. Суми є, змушені «тікати» за кордон або у інші регіони країни). Також потрібно зовнішнє просування, яке полягає у тому, щоб зробити місто привабливим для нових мешканців, для залучення інвестицій та туристів.

Яким чином це реалізувати? Потрібні певні елементи, об’єкти, асоціації, атрибути, які б впливали на самоідентифікацію тих, хто народився у місті та зацікавлював би тих, кого і що потрібно залучити ззовні (нові мешканці, інвестиції і т.і.).

Основними галузями, на яких би міг формуватися брендинг Сум є: сільське господарство - як запорука екологічно чистого середовища, яке б залучало ресурси ззовні; аутсорсинг - як елемент, який цікавий у першу чергу для місцевих спеціалістів (щоб кваліфіковані спеціалісти не виїзжали з міста); спорт - актуальний та ефективний з візуальної та емоційної точки зору, особливо для молоді.

Отже, м. Суми має достатній потенціал для залучення різних ресурсів та покращення свого іміджу. І однією з пріоритетних сфер, на основі якої можна просувати бренд міста є саме спорт.

Аналіз спортивного потенціалу міста.

Мешканці м. Суми відзначають успіхи своїх спортсменів. Тут народились відомі чемпіони світу та олімпійських ігор - Олександр Шапаренко, Андрій Жаботинський, Олександр Кириченко,Володимир Голубничий, Віталій Лук’яненко, сестри Семеренки, Олександр Григорьєв, Олег Гусєв та ін.

З метою створення належних умов для розвитку фізичної культури і спорту у 2013 році на розвиток спортивної інфраструктури області направлено 12809000 гривень Було реконструйовано 6 стадіонів, 31 спортивний зал і комплекс, 13 футбольних полів, побудовано 8 основ для спортивних майданчиків із синтетичним покриттям. Підсумком роботи з популяризації здорового способу життя у за 2013 рік стали спортивні досягнення і здобутки регіону. З початку року на Сумщині проведено чемпіонат Європи з судномодельного спорту, 3 міжнародні турніри, 24 чемпіонату і 3 Кубка України [39].

В області збережено і постійно розвивається мережа ДЮСШ, яка зараз налічує 57 установ. Сумщина посідає друге місце в країні за показником охоплення дітей та молоді заняттями в дитячо -юнацьких спортивних школах, в яких навчається близько 17 тисяч школярів.

Загальні показники спортивної інфраструктури міста Суми показані у табл. 3.1.

Таблиця 3.1 - Показники спортивної інфраструктури міста Суми

Одиниці виміру

Кількість

Кількість населення, охопленого всіма видами спорту

Осіб

44400

Стадіони

Одиниць

4

Спортзали

Одиниць

73

Плавальні басейни

Одиниць

8

Спортивні майданчики

Одиниць

77

Кількість ДЮСШ та СДЮШОР

Одиниць

24

Серед видів спорту, що можуть ідентифікувати м. Суми є наступні. Хокей на траві - команда «Сумчанка» багаторазовий чемпіон України з хокею на траві і індорхокею. Найвищі досягнення команди: Кубок володарів кубків: 2007 р. - 1 місце, дивізіон B; Кубок європейських чемпіонів з хокею на траві: 2008 г. - 1 місце, дивізіон B, 2009 р. - 5 місце, дивізіон А. Національна збірна України з індорхокею, сформована з гравців і вихованок Сумчанки, - чемпіон Європи з індорхокею (2010 р.) та бронзовий призер чемпіонату світу з індорхокею (2011 р.).

Сумська область виділяється підвищеним інтересом до біатлону - частка запитів про нього вдвічі вище середнього по Україні [35] (рис. 3.2). Але як і більшість українців, жителі Сум з усіх видів спорту найбільше цікавляться футболом. Про такий факт свідчать запити жителів міста у пошуковій системі Яндекс. Десятка популярних видів спорту у місті виглядає так: 1.Футбол; 2.Бокс; 3. Біатлон, 4. Автоспорт; 5. Хокей, 6. Шахи; 7. Легка атлетика; 8. Баскетбол, 9. Більярд; 10. Теніс.

Рис. 3.2 - Популярність різних видів спорту за регіонами України за запросами у пошуковій системі Яндекс

Представники сумської школи біатлону на найвищих рівнях показують вельми гідні результати. З сучасних представників варто згадати іменитих сестер Віту і Валю Семеренко, які прославили Сумщину своїми перемогами, Юлія Джима, біатлоніст-паралімпієць Віталій Лук'яненко. Зроблені перші кроки по створенню регіонального центру розвитку біатлону - розпочато будівництво лижоролерной траси Сумського обласного комунального закладу Школи вищої спортивної майстерності, на створення якої з обласного бюджету виділено 2 мільйони гривень.

Влітку футбол, взимку біатлон і лижні гонки - таке завдання поставив екс-голова Сумської обласної державної адміністрації Юрій Чмирь [37]. Футбол в Україні, мабуть, вид спорту, що найбільш швидко розвивається, що не можна сказати про дитячий футбол. Дитячий рівень гри ніяк не зрівняється з рівнем майстерності гравців команд Прем'єр-ліги. І хоча більшість футбольних вболівальників дитячий футбол обходять увагою, дитячий футбол, визнаються футбольні агенти, основа основ [40].

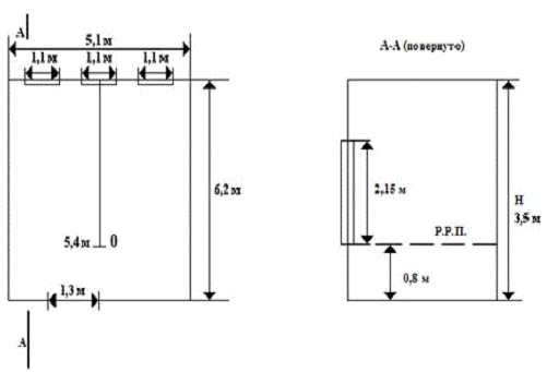
Серед спортивних об’єктів Сум, що пов’язують місто з великим спортом - футбольний стадіон «Ювілейний», побудований за часів губернаторства Володимира Щербаня. На сьогоднішній день всі місця обладнані індивідуальними пластиковими сидіннями і місткість арени складає 25 830 осіб. Головне спорудження стадіону запроектовано згідно вимогам професійної футбольної Ліги України і УЄФА. Відповідає всім світовим стандартам з проведення футбольних матчів будь-якого рівня і складається з трибун з покриттям, яке не затінює освітлення ігрового поля розміром 105 на 68 метрів, з сучасним дренажем і системою підігріву. За час свого існування на полі «Ювілейного» пройшли матчі високих рангів: фінал Кубка України, за Суперкубок України та ін..

Ще одним відомим спортивним об’єктом м. Суми є Легкоатлетичний манеж УАБС. Глядацька зала манежу розрахована на 1250 стаціонарних місць і добре підходить для професійних занять легкою атлетикою та іншими видами спорту. Взагалі за масштабністю - це другий в Сумах спортивний об'єкт після грандіозного стадіону «Ювілейний».

Регіон реалізує єдиний в Україні унікальний соціальний проект розвитку дитячо-юнацького футболу, в рамках якого побудований футбольний центр «Барса», який за короткий час став відомим не тільки в нашій країні, а й за її межами. Успішний досвід роботи футбольного центру реалізується в рамках програми розвитку дитячо -юнацького футболу по всій області. Саме цей центр може стати візітною карткою м. Суми.

Для кожної країни характерні кілька видів спорту, в яких вона виграє історично. У Росії це: хокей, фігурне катання, синхронне плавання; в Іспанії та Бразилії - футбол; у Німеччині - біатлон і хокей і т.д. Очевидно, що для поліпшення іміджу території необхідно робити акцент саме на тих видах спорту, в яких воно традиційно сильніше інших. Але той факт, що футбол у м. Суми ніколи особливо не відрізнявся значними перемогами, ще не каже про те, що футбольний центр не може бути його брендом. Адже, ФЦ «Барса» дитячо-юнацький футбольний центр, який почав працювати лише у 2012 році, а значні результати його роботи будуть видні найближчі кілька років. До того ж, за короткий термін його існування вже команди «Барси» зарекомендували себе одними з найкращих у місті і області. Тому розпочинати брендування міста на його основі вже потрібно зараз, так як це надасть додаткову допомогу і місту і самому ФЦ.

Створення інформаційного фону заходу, який підтримує ідею здорового способу життя, створить позитивний імідж місту.

Футбольний центр «Барса» - Сумський обласний дитячо-юнацький футбольний центр, який створено 15 жовтня 2012 в рамках Програми розвитку футболу в Сумській області.

Футбольний центр розрахований на навчання до 1000 дітей у віці від 6 до 17 років. Діти області безкоштовно можуть займатися футболом у професійних тренерів на якісних полях. З жовтня 2013 футбольний центр реалізував програму з безкоштовного навчання футбольних тренерів Сумської області з видачею дипломів категорії « С» [34].

Футбольний центр «Барса» має філії в районних центрах та містах Сумської області:місто Шостка (стадіон « Піонер»), місто Білопілля (стадіон ім. Юрія Білонога ), місто Конотоп ( ДЮСШ ім. М. Маміашвілі ), смт Липова Долина, смт Недригайлів.

До кінця 2014 року на базі футбольного центру планується закінчення будівництва футбольної академії.

Перевагою даного центру є те, що він співпрацює зі світовими футбольними клубами, такими як «Барселона» (Іспанія), «Брюгге» (Бельгія), «Динамо» (Київ), «Металіст» (Харків), «Челсі» ( Англія), « ЦСКА » (Москва) і «Шахтар» (Донецьк).

Інфраструктура центру включає одне велике футбольне поле і три поля меншого розміру, спортзал, фітнес-зал, адміністративні приміщення і музей.

Спортивні досягнення вихованців ФЦ «Барса»

У 2012 році учні Сумської ЗОШ № 18, а тепер вихованці «Барси», перемогли, зайнявши 1 місце в шкільному Євро-2012, в Національному кубку шкільного футболу, в якому взяли участь більше 10 000 команд. У 2013 році спортивні досягнення були ще більш значущими (табл. 3.2).

Таблиця 3.2 Спортивні досягнення вихованців ФЦ «Барси» за 2013 рік

Сезон 2012-2013

Чемпіонат України ДЮФЛ, U-15 1 місце

2013

2013 Чемпіонат Сумської області ДЮФЛ, U-15 2 місце

2013

2013 Турнір «Шкіряний м'яч» (зональні змагання) U-11, U-13 1 місце

2013

2013 Турнір «Шкіряний м'яч» (фінальні змагання) U-11 2 місце, U-13 1 місце

2013

2013 Турнір з футболу в Німеччині, U-10 1 місце

2013

2013 Турнір з футболу в Польщі (Варшава), U-13 4 місце

2013

2013 Турнір з футболу в Польщі (Варшава), U-13 4 місце

2013

2013 Турнір з футболу в Болгарії «Морські зірки», U-16, U-12 1 місце


Не тільки чоловічі команди сумського ФЦ «Барса» набувають популярності. Футболістки також заявляють про свої здібності і роблять це на міжнародному рівні. Вони взяли участь у турнірі FRAGARIA CUP, який пройшов у Словаччині. Жіноча команда з футболу дитячого футбольного центру « Барса» змогла увійти до десятки кращих, що показує високий рівень її підготовки і прагнення до перемоги. Вони змогли прославити футбольний центр, який останнім часом набуває все більшої популярність за кордоном. Наприклад, не так давно ним зацікавилися відомі спортсмени з Італії та Аргентини.

На Сумщині немає жодного футбольного клубу з елітного дивізіону. Місцевий ПФК «Суми» виступає у першій лізі, а вивести його в Прем'єр-Лігу зможе місцева молодь, тому тут вирішили зробити ставку на своїх вихованців.

Аналіз наявної ситуації за допомогою SWOT-аналізу

Як і маркетингове планування комерційного підприємства, стратегічне планування міського маркетингу змушує суб'єкта оцінювати свої сильні і слабкі сторони з точки зору конкурентів, можливостей і загроз у навколишньому середовищі, розробляти варіанти поведінки на ринку при зміні ринкової ситуації, а також створює основу для розподілу ресурсів. Комплексне вивчення зовнішнього і внутрішнього спортивного середовища міста продемонстровано в SWOT-аналізі (рис. 3.3)

Рис. 3.3 - SWOT-аналіз спортивної сфери м. Суми

Попарне порівняння сильних та слабких сторін, а також можливостей та загроз спорту у Сумах подано у таблиці 3.3.

Таблиця 3.3 - Попарне порівняння критеріїв SWOT-аналізу


Сильні сторони

Слабкі сторони

Сума


1

2

3

4

1

2

3

4


Можливості

1

3

2

2

2

1

2

1

1

14


2

3

1

3

3

1

2

2

1

16


3

0

2

2

1

2

-1

0

0

6


4

1

1

1

1

2

2

1

1

10


5

2

2

2

3

2

3

2

1

17

Загрози

1

0

-1

-2

-1

-2

-2

-1

-1

-10


2

-2

-2

-3

-1

-1

-3

-1

-2

-15


3

-1

-1

-1

-1

-1

-1

-2

-1

-9


4

-1

-2

-2

-2

0

-2

-1

-1

-11


5

-1

-1

-1

-2

0

-1

0

0

-6

Сума

4

1

1

3

4

-1

1

-1

12


Отже, провівши SWOT-аналіз, я визначила, що найбільш сильною стороною спортивної сфери міста є наявність відомих спортивних об’єктів (н-д футбольних - ФЦ «Барса», стадіон «Ювілейний» та ін.) та певна відповідність міста потребам сучасної молоді у галузі спорту. Серед можливостей, у першу чергу треба звернути увагу на можливість проведення на території України спортивних заходів міжнародного рівня.

Серед слабких сторін слід відмітити недостатній розвиток спортивної інфраструктури міста та вузька спортивна спеціалізація. Із загроз слід відмітити, у першу чергу, низький рівень фінансування на розвиток спортивної інфраструктури та високий рівень корумпованості у спорті.

Місто Суми має особливості у галузі спорту, які можуть служити базовими передумовам для побудови спортивного бренду і позиціонування міста як «спортивного».

3.2 Проведення дослідження


Кількісне дослідження

Отже, для дослідження було обрано дитячо-юнацький футбол та ФЦ «Барса», як спортивний об’єкт, що є основним центром даного виду у Сумах.

Географія проведення: найбільші пішохідні потоки міста та за зручністю.

Вибірка: багатоступенева безповторна випадкова із використанням квотного методу відбору респондентів (квота за віком і статтю).

Генеральна сукупність: мешканці м. Суми у віці від 15 років і вище. При чому у зв’язку з різним рівнем зацікавленості спортом до генеральної сукупності жінки відносяться лише у віці від 15 до 35 років (молодь та батьки дітей, що займаються дитячо-юнацьким футболом), а чоловіки від 15 і старше. Тобто генеральною сукупністю даного дослідження є 146448 чол. (Додаток).

Вибірка


Гранична похибка: 5%

Для зручності було опитано 100 осіб.

Метод: анкетування за допомогою інтерв'юера

Дата проведення: з 11 до 17 травня 2014 року

Сукупність результатів зібраних даних розташована у додатку.

Частка респондів з віковим діапазоном від 15 до 24 склала 23 %, від 25 до 35 - 35 %, від 36 до 59 - 29 %, старше 60 - 13 %.

За результатами опитування видно, що більшість мешканців міста Суми вважають, що дитячо-юнацький футбол у місті знаходиться на середньому рівні (на рівні дворового футболу) (62 %), на думку 30 % опитаних даний вид спорту знаходиться на високому рівні, а для 8 % - на низькому (рис. 3.4).

Рис. 3.4 - Рівень розвитку дитячо-юнацького футболу у м. Суми

Одним із завдань даного дослідження було виявити які асоціації викликає дитячо-юнацький футбол у респондентів. Для цього було задано відкрите запитання. Відповіді були різні, але більш часто згадувались здоровий образ життя, розвиток, позитивні емоції, дитинство, м’яч, Барса, турнір та ін.

Результат анкетування показав, що рівень обізнаності ФЦ «Барса» складає 82 % (рис. 3.5).

Рис. 3.5 - Рівень обізнаності сумчан про існування ФЦ «Барса»

Звичайно, серед молоді цей показник значно вищий, ніж серед людейстаршого віку. Всього 18 % опитуваних не знає про існування даного ФЦ.

Також було виявлено, що у 56 % мешканців міста немає серед їх родичів, друзів чи знайомих, діти яких займаються у ФЦ «Барса», 42 % опитаних відповіли, що серед їх родичів чи знайомих є такі люди, 2 % самі безпосередньо займаються у «Барсі» в якості гравця чи тренера (рис. 3.6).

Рис. 3.6 - Зайнятість мешканців міста у ФЦ «Барса»

Серед основних задач даного маркетингового дослідження було виявити на скільки назва «Барса» відповідає основній діяльності даного сумського футбольного центру. Респондентам було запропоновано оцінити таку відповідність за 5-ти бальною шкалою ( 1 - зовсім не відповідає, 5 - повністю відповідає). Результат опитування показав, що відносно невелика частка опитаних поставила максимальну оцінку «5» (20 %). Загалом, отримали середню оцінку «3,57». Слід сказати, що в основному серед більш молодої частини населення назва оцінена високо, а от серед представників середнього та старшого покоління багато таких, які не розуміють чому сумський ФЦ має назву таку, як відомий іспанський футбольний клуб.

За таким же принципом було оцінено логотип ФЦ «Барса». У результаті отримали дещо кращу оцінку «3,81».

З результатів анкетування виявлено, що більшість респондентів вважає, що ФЦ «Барса» може стати спортивним атрибутом міста Суми, але для цього потрібні певні зміни (65 %), 28 % мешканців міста вважають, що він вже є брендом міста і лише 7 % не бачуть в цьому об’єкті спортивний атрибуту міста (рис. 3.7).

Рис. 3.7 - Можливість позиціонування ФЦ «Барса» як спортивний атрибут міста Суми

Серед основних факторів формування бренду ФЦ «Барси» більшість опитуваних обрало спортивні досягнення команд (90%) (рис. 3.8). Деякі респонденти обрали декілька варіантів відповідей і вважають, що важливим також є ствлення сумчан до ФЦ (14 %) та його візуальна символіка (8%). Без сприйняття та підтримки бренду з боку мешканців міста не може бути і сильного бренду, а візуальна символіка дозволить самоідентифікуватися мешканцям міста.

Рис. 3.8 - Основні фактори формування бренду ФЦ «Барса»

До того ж, 8 % обрали свій варіант і вважають, що основними фактором є також: відсутність «добровільних» взносів, відношення влади до спорту взагалі, «потрібно більше інформації», та реклама.

Якісне дослідження

Розглянемо використання якісного дослідження для характеристики ФЦ «Барса». Основною цільовою аудиторією такого дослідження є:

ü  батьки дітей, які займаються у цьому ФЦ;

ü  наявні та потенційні спонсори бренду.

Питання глибинних інтерв’ю можна побачити у додатках (дод.)

У результаті проведеного інтерв’ю з батьками дітей, які займаються у ФЦ «Барса» виявилося, що при виборі де дитині займатись футболом, у першу чергу основним є коштовність тренувань, якість їх проведення та відношення тренерського складу до підопічних, віддаленість центру від місцезнаходження респондента.

На запитання «чи змінилось щось у дитині після того, як почав займатися в «Барсі»» відповіді були: 1) «через брак вільного часу на погані думки в нього нема часу» 2) «в кращу сторону змінився, став більш відповідальним, організованим, ось, характер став у ньому вироблятися, тільки позитивні емоції».

З проведеного дослідження виявилося, що відношення до дитини з боку друзів стало тільки кращим: «вони здружилися, живуть в одній кімнаті, тренування разом…»; «повагу, авторитет заробив».

Ставлення дітей до ФЦ «Барса» взагалі лише добре. При чому на питання про таке ставлення батьки у першу чергу згадують, що дитині подобається тренерський склад та взагалі умови у ФЦ: " ну звичайно подобається, я вважаю, що йому ось навіть він каже, що не шкодує, що з Харкова поїхав, тут і умови трохи краще і все-таки і роздягальні, ну і загалом умови хороші», «тренер грамотний, навчально-тренувальний процес на високому рівні».

Щодо ставлення тренерського складу, батькі відповіли, що діти поважають своїх тренерів, вважають вимогливим: «тренера він вважає дуже вимогливим, вони поважають його, так що вони задоволені тренером», «він поважає тренера, тренер авторитетний».

Взагалі, з проведені інтерв’ю показали, що ФЦ «Барса» користується популярністю та довірою серед батьків. Сюди привозять маленьких дітей навіть з інших міст. «..маленькі діти 2000-го, 2003 года вже сюди їздять на тренування. Користується популярністю цей центр..», «батьки часто бувають. От якщо гра буде багато батьків приходить, дивляться своє чадо», «..​​у них (у батьків) позитивні відгуки, тим паче, що зараз створили такі умови, такі умови після Київського «Динамо», Донецького «Шахтаря» треті на Україні, можна сказати».

У інтерв’ю зі спонсором було виявлено, що при спонсорстві того чи іншого проекту у першу чергу звертається увага на цільову аудиторію заходу: «Ну, напевно, перш за все - це цільова аудиторія цього заходу. Тобто хто по суті буде контактувати з нами, ну з інформацією нашої компанії».

На питання «Як Ви ставитеся до матеріальної підтримці саме в галузі спорту?», респондент відповів: «ну моя позиція така, що спорт потрібно залучати, він завжди був, є і буде. В якійсь мірі - це можливість виховувати молодь, прищеплювати якісь духовні цінності, прищеплювати йому вміння досягати якихось результатів». Тобто сфера спорту взагалі цікава для спонсорства, тим паче, що вона відіграє важливу соціальну роль.

Спорт взагалі цікавий для вкладення тим, що цільова аудиторія того чи іншого заходу стає більш лояльною, допомагає просувати імідж людини чи підприємства, що є спонсором.

Серед привабливих спортивних об’єктів у м. Суми респондент назвав ФЦ «Барса», «Сумчанка», чемпіонати боротьби, змагання, що проходять у легкоатлетичному манежі.

Серед основних ефектів, що можуть бути отримані за допомогою ФЦ «Барса» були названі наступні:

оздоровлення молодого покоління;

зацікавлювати молодь у досягненні певних результатів;

можливість молодим сумчанам працевлаштовуватися у відомі футбольні клуби;

можливість залучати сюди сім'ї та жителів з ​​інших регіонів;

залучати у місто інвестиції для розвитку інфраструктури;

підвищити впізнаванність міста за рахунок футболістів «Барси».

Під час проведення інтерв’ю виявилося, що привабливими характеристиками «Барси» для спонсорства є: налагодження партнерських стосунків з батьками юних футболістів та з іншими спонсорами ФЦ, підвищення прихильності та лояльності до спонсора з боку батьків.

Серед причин, які заважають ФЦ «Барса» залучати до себе спонсорів, основною є відсутність маркетингової служби. Респондент вважає, що така служба могла б не лише популяризувати сам ФЦ, а й займатися встановленням зв'язків з відомими футбольними клубами, виявленням потреб у кадрах та їх кваліфікації, яких потребують клуби, орієнтування на цій роботу всередині ФЦ.


3.3 Формування спортивного бренду м. Суми


Аналіз наявної ситуації. За результатами проведеного дослідження виявилося, що у м. Суми дитячо-юнацький футбол знаходиться на рівні дворового футболу; основні асоціації пов’язані з цим видом спорту: здоровий образ життя, розвиток, позитивні емоції, дитинство, м’яч, Барса, активність, турнір; про ФЦ «Барса» знає переважна більшість сумчан, але деяка частина не згодна з його назвою; даний ФЦ може стати спортивним атрибутом м. Суми, але для цього потрібні значні спортивні досягнення юних сумських футболістів. Цілепокладання. В цілому можна виділити цілі довгострокові і короткострокові. Стратегічною метою формування даного бренду є - поліпшення життя мешканців м. Суми. Середньостроковою ціллю є: формування іміджу м. Суми як міста розвитку дитячо-юнацького футболу. Короткострокові цілі: залучення дітей та підлітків до футболу, підвищення рівня їх спортивної майстерності та підвищення емоційного зв’язку мешканців міста з ФЦ «Барса».

Аналіз конкурентів. Проаналізуємо рівень конкурентоспроможності м. Суми, як центру розвитку дитячо-юнацького футболу, проаналізувавши ФЦ «Барса», як основного спортивного об’єкта даного виду спорту. Основним конкурентом м. Суми у цьому плані є Харків та Київ з їх школами ДФА «Металіст» та ДЮФШ «Динамо Київ» ім. В. Лобановського відповідно.

Представимо основні показники конкурентоспроможності у вигляді таблиці (табл. 3.4) та визначимо вагомості зазначених параметрів (табл. 3.5).

Тепер розрахуємо інтегральну оцінку якості кожного з товарів за наступною формулою:


де - коефіцієнт вагомості і-го показника характеристики товару;

 - відносна оцінка характеристики, яка розраховується:

, якщо більше значення показника краще,

, якщо менше значення показника краще.

 - і-й показник конкурентоспроможності товару;

 - максимальне значення і-го показника;

 - мінімальне значення і-го показника.

Таблиця 3.4 - Порівняльна оцінка ДЮФШ

ДЮФШ

Показники


% дітей, залучених у тренування

Кількість учнів на 1 тренера

Кількість гральних полів

Площа будівлі-інтернат, кв. м.

Кількість місць у будівлі-інтернаті

ФЦ «Барса»

3,8

31

4

5000

Більше 100

ДФА «Металіст»

0,5

31

7

2000

90

ДЮФШ «Динамо Київ»

0,2

19

2

3500

54

Вагомість

0,3

0,2

0.1

0,1

0,3


Таблиця 3.5 - Визначення вагомості


1

2

3

4

5



1


1

1

1

0

3

0,3

2

0


1

1

0

2

0,2

3

0

0


1

0

1

0,1

4

0

0

0


1

1

0,1

5

1

1

1

0


3

0,3


Отже, в порядку збільшення якості інфраструктури ДЮФШ розміщуються наступним чином: ДЮФШ «Динамо Київ», ДФА «Металіст», ФЦ «Барса». Тепер зобразимо графічно інтерпретацію порівняльної оцінки якості за допомогою циклограми.

Рис. 3.9 - Циклограма порівняльної оцінки якості інфраструктури ДЮФШ

Отже, найбільш сильними сторонами ФЦ «Барса» є той факт, що у ньому займається дещо більша частина дітей, що проживають у місті, а також площа і кількість місць у будівлі-інтернаті. Перший факт є позитивним тим, що більша частина мешканців міста «прив’язані» до даного об’єкту, а другий і третій тим, що є значні переваги у разі проведення змагань на базі цього центру (розміщення учасників).

Формулювання суті бренду. На цьому етапі ми обираємо складові бренду, які будуть нести у собі його цінність для споживачів. Тобто, ми визначаємо позиціонування і корисність бренду для цільової аудиторії; виявляємо цінності, асоціації, риси, конкурентні переваги бренду.

Бренд буде позиціонувати Суми, як сучасне європейське місто дитячого та юнацького футболу.

Корисність бренду:

. Залучення дітей та підлітків до зайняття спортом;

. Зменшення захворюваності серед них (за даними 2011 року кількість патологій у дітей в Сумах збільшилася на 30 %. Як повідомила заступник начальника обласного управління охорони здоров'я Світлана Кривцун, на початку навчання в школі відхилення від норми у здоров'ї виявляється у 30-40 % дітей, а до кінця навчання вже 80 % школярів мають порушення здоров'я. При цьому лише 20 % школярів регулярно займаються спортом).

. Приток інвестицій у місто;

. Розвиток спортивної інфраструктури міста.

Цінності. Основні цінності даного бренду - здоров’я, діти, ФЦ «Барса», позитивні емоції.

Обіцянки бренду - зробимо ваших дітей щасливими та здоровими!

Узагальненою сукупністю ознак бренду, що характеризують його індивідуальність є позиціонування міста Суми саме як міста розвитку дитячо-юнацького футболу, наявність у місті сучасного європейського футбольного центру та його тісна співпраця зі світовими футбольними клубами («Барселона» (Іспанія), «Брюгге» (Бельгія), «Динамо» (Київ), «Металіст» (Харків), «Челсі» (Англія), «ЦСКА» (Москва) і «Шахтар» (Донецьк)).

Функціональні й емоційні асоціації, що виражаються споживачами - асоціації, що пов’язані з дитинством та спортом: футбол, дитинство, здоровий спосіб життя, ФЦ «Барса».

Тож загалом суть спортивного бренду міста Суми - З ФЦ «Барса» та турботою про майбутнє!

Розробка стратегії розвитку бренду. Реальне позиціонування Сум як міста розвитку дитячо-юнацького футболу пов’язано скоріш з дворовим, а не професійним футболом, розвиток якого знаходиться на недостатньому рівні.

Щоб бренд міста позиціонував Суми, як сучасне європейське місто дитячого та юнацького футболу потрібно донести такий образ до цільової аудиторії.

Першою силою, яка впливає на бренд є мешканці міста. Тут необхідно домогтися, щоб бачення і цілі бренду були доведені до основної маси, щоб всі їх розуміли і були прихильні.

Потрібно донести до мешканців міста, що дворовий футбол - це частина професійного. Для цього у місті буде проведено турнір з дитячо-юнацького футболу. Донесено бажаний образ бренду буде через розповсюдження інформації про корисність занять спортом, у тому числі через соціальну рекламу.

Важливою складовою стратегії розвитку бренду є фірмовий стиль.

Для логотипу однаково важливо бути розпізнаваним і читаним. Для спортивного бренду міста найголовніше - ідентифікація, розпізнавання та запам’ятовуванність.

Вчені Пенсільванського університету прийшли до парадоксального висновку: причина стабільних успіхів збірної Бразилії з футболу криється аж ніяк не тільки в природному таланті спортсменів та їх фізичній підготовці, а й в кольорі бразильських футболок. Цей колір - жовтий. «Колір сонця, - стверджують психологи, - заряджає енергією і витривалістю, націлюючи на удачу. Це - самий спортивний колір» [36].

За результатами опитування, проведеного агентством "Лабораторія маркетингових досліджень", 26% сумчан вважають місто Суми "красивим зеленим містом", тому просуваючи таку ідею, на логотипі окрім жовтого буде використано і зелений колір, який до того ж асоціюється з юністю, з життєвими можливостями, з народженням і надією. (дод.).

Виконання стратегії. Інтегровані маркетингові комунікації. Виконання запропонованої стратегії буде проводитись за програмою (дод.). Завдання та заходи програми можна подивитись у дод.

Проведення турніру з дитячо-юнацького футболу на території міста може стати дієвим інструментом реалізації підходу до формування бажаного бренду міста.

Виконання Програми здійснюється шляхом:

створення бренду міста шляхом проведення масштабного спортивного заходу;

проведення системної маркетингової кампанії з використанням різних засобів комунікації, відповідних комплексних заходів.

Основною ціллю комунікаційної політики буде поінформування мешканців міста про створення спортивного бренду міста, донесення до мешканців його основної ідеї.

У якості засобів просування ідеї бренду міста будуть використані:

) Телепередача на місцевому телебаченні;

) Реклама на біл-бордах;

) PR-компанії (конференції, семінари);

) Активне просування інформації в мережі Internet;

) Виготовлення сувенірів.

На Сумській обласній державній телерадіокомпанії РТС буде продовжено показ телепрограми «Хвилина «Барси»», у якій будуть освітлюватися життя юних футболістів, їх досягнення, враження. Цільовою аудиторією даної телепередачі є в основному діти та їх батьки, тому вона дозволить популяризувати дитячо-юнацький футбол серед молоді. Вихід телепередачі планується 1 раз на місяць.

Також будуть використані привітальні біл-борди, які будуть розташовані на в'їздах у місто (з боку Харкова, Києва, Білопілля) з написом "Ласкаво просимо до міста дитячого-юнацького футболу!». Використання планується у 2015 році з метою інформування мешканців міста та приїжджих гостей.

Планується періодично проводити конференції, семінари, святкові заходи присвячені розвитку дитячо-юнацького футболу у місті. На цих заходах будуть висвітлюватися досягнення юних спортсменів взагалі і вихованців ФЦ «Барса» зокрема, проводитимуться зустрічі з відомими спортсменами як міста, країни, так і міжнародними зірками. У ході участі роздаватимуться сувеніри з символікою бренду.

Інформація в мережі Internet - створення спеціального сайту «Футбол починається з тебе!» та висвітлення на ньому основної інформації про заходи, змагання, досягнення та ін.. Також створення сторінок у соціальних мережах.

Сувенірна продукція представлятиме собою чашки, ручки, футболки, кепки та ін.. Вона буде розміщена у спеціально створеному сувенірному магазині.

Графік проведення заходів просування бренду додано у додатку.

Витрати на просування бренду за 2 роки показані у табл. 3.6.

Таблиця 3.6 - Бюджет програми

Статті витрат

Сума, грн.

Витрати на ЗМІ (Випуски телепередачі на місцевому телебаченні та витрати на розміщення біл-бордів)

576000+24 000

Витрати на PR-компанію

20 000

Витрати на створення і ведення веб-сайту

9000

Витрати на створення фірмового стилю

1000

Виробництво сувенірів та відкриття сувенірного магазину

40 000+ 50 000

Сума

720000


Моніторинг бренду та оцінка ефективності. Розробка процедур та вимог до збереження, розвитку та моніторингу бренду також дуже важлива частина стратегії розвитку бренду, за допомогою якої визначається, як надалі буде забезпечуватися відповідність дій відповідальних за створення бренду духу цьому бренду.

Для оцінки ефективності бренду визначимо основні ефекти, які може надати бренд міста. Будуть отримані як економічні, так і поведінкові ефекти та ефекти сприйняття.

. Залучення туристів (спортивні вболівальники, спортсмени та ін..);

. Залучення нових мешканців (сім’ї з дітьми);

. Збільшення частки населення, що залишається у місті (особливого молодих людей);

. Залучення інвестицій;

. Залучення дітей та молоді до занять спортом;

. Підвищення у майбутньому рівня футболу у місті.

З даних ефектів будуть мати місто і наступні ефекти:

а) Зменшення захворюваності серед дітей;

б) Поліпшення інфраструктури міста взагалі і спортивної зокрема (поліпшення доріг, житлового комплексу, будування стадіонів, оновлення спортивного інвентарю);

в) Залучення додаткових коштів (податки);

г) Поліпшення іміджу міста Суми на рівні країни та світу.

Ефекти сприйняття та поведінкові ефекти будуть оцінені після безпосереднього створення бренду шляхом опитування громадян міста для виявлення обізнаності про бренд і формуванням позитивного ставлення до нього. Деякі економічні ефекти ми можемо порахувати.

У «Барсі» займається 1000 дітей, за допомогою занять футболом, близько 30 % з них перестануть хворіти. До того ж, завдяки тому, що збільшиться зацікавленість займатись футболом серед інших дітей міста (12068 дітей), серед них близько 5 % також перестануть хворіти. Хвороба триває у середньому близько тижня. Тобто на 300 тижнів за рік зменшаться лікарняні, а це додаткова економія виплати зарплати лікарям:

1) (.

До того ж тиждень хвороби обійдеться приблизно у 100 грн., тобто буде ще додатковий ефект на економії коштів батьків на лікарські засоби:

) 100*900*2=180000 грн.

Турнір, що буде проходити оплачується командами-учасницями у розмірі 1800 з однієї команди.

) 1800*14=25200 грн.

Всеукраїнські змагання з футболу серед команд дитячо-юнацьких спортивних закладів проходять щорічно, в 4-х вікових категоріях у вищій лізі (до 14, до 15, до 16 і до 17 років) і в 2-х вікових категоріях у першій лізі (до 15 і до 17 років). Фінальний турнір за участю кращих за результатами групового етапу команд буде проведено на базі ФЦ «Барса». Кількість приїжджих учасників складе близько 200 дітей та підлітків. За час проходження турніру кожен з них може залишити у місті близько 300 грн. До того ж, окрім безпосередніх учасників турніру на ньому будуть присутні родичі та друзі юних футболістів, які можуть залишити на проживання, автостоянку (ті, хто приїхав на власному транспорті), харчування, екскурсії, сувеніри близько по 600 грн.

) 200*300+100*600=120000 грн.

Додаткові надходження до бюджету після здійснення комплексу просування знаходяться за формулою:

,

де П - сума податкових надходжень до бюджету після здійснення комплексу просування; П0 - сума податкових надходжень до бюджету до здійснення комплексу просування; В - витрати на здійснення комплексу просування.

Таким чином, економічний ефект складе:

+180000+25200+120000=910200 грн.

Отже, ми можемо порахувати комунікаційну ефективність даного бренду:

 тобто 126 %.

Це достатньо непоганий результат за 2 роки. При чому у подальшому будуть тільки зростати неекономічні показники. Здорові діти збільшать кількість здорових новонароджених дітей, буде сформовано позитивне ставлення мешканців міста до спорту взагалі та буде поліпшуватися імідж міста на рівні країни та світу.

4. Охорона праці


4.1 Характеристика приміщення


Відповідно до теми бакалаврської роботи як об’єкт дослідження в розділі «Охорона праці та безпека в надзвичайних ситуаціях» мною взято приміщення, у якому планується реалізація питань, вирішених у даній роботі методичний кабінет ФЦ «Барса».

Приміщення знаходиться на першому поверсі за адресою м. Суми, вул. Привокзальна, 2/1. Загальна площа приміщення становить 31,62 м2, висота - 3,5 м, приміщення має три вікна. Кількість працюючих у приміщенні - 4 чоловік. Отже, на одного працюючого в приміщенні привадає: 31,62 : 4 = 7,905 (м2\чол.) робочої площі. Згідно із СНиП 2.09.04 - 87 [42] на кожного працюючого в управлінських приміщеннях повинно припадати не менше 4 (м2\чол.) робочої площі. Висота приміщення - не менше 2,5 м. Таким чином, нормативи розмірів та забезпечення працюючих робочою площею в офісі дотримано. План приміщення наведений на рисунку 4.1

Рис. 4.1- Планування приміщення

У приміщенні розташовано 4 комп’ютери. Напруга джерела живлення комп’ютерів - 220 В. У приміщенні розміщені 4 письмових стола, одна шафа для зберігання документів.

За небезпекою ураження електричним струмом управлінське приміщення відділу належить до приміщень без підвищеної небезпеки ураження електричним струмом працюючих.

4.2 Аналіз стану охорони праці


Природнє освітлення

Для аналізу достатності природного освітлення наведемо схему приміщення для розрахунку (Рис. 4.2).

Рис. 4.2 - Схема розрахунку природного освітлення

Нормоване значення коефіцієнта природного освітлення (КПО) для четвертого світлового поясу, в якому розташована Україна (енIV), визначається у відсотках за формулою:

енIV = енІІІ * m * с                                                               (4.1)

де, енIV - нормоване значення КПО для ІІІ світлового поясу (енІІІ = 1,5% згідно з СНиП ІІ - 4 - 79) [43].;- коефіцієнт світлового клімату (для України m = 0,9);

с - коефіцієнт сонячності (вікна виходять на північ тому, с = 0,85);

Тоді:

енIV = 1,5 * 0,9 * 0,8 = 1,08 %

Для визначення достатності природного освітлення розрахуємо фактичне значення КПО виходячі із формули:

,                                                                                              (4.2)

де So - площа усіх вікон у приміщенні, м2;- площа підлоги приміщення, м2;

τo - загальний коефіцієнт світлопроникності віконного прорізу;- коефіцієнт, який враховує відбиття світла від внутрішніх поверхонь приміщення;

ηo - світлова характеристика вікна;

Кбуд - коефіцієнт, що враховує затемнення вікон іншими будинками, якщо будинків немає, то Кбуд = 1;

Кз - коефіцієнт запасу.= 3 * 1,1 * 2,15 = 7,095 (м2).= 5,1 * 6,2 = 31,62 (м2).

Для розрахунку коефіцієнта r1 необхідно розрахувати такі параметри:

) відношення глибини приміщення до висоти від рівня умовної робочої поверхні до верху вікна: 6,2\2,15 = 2,88;

) відношення відстані до розрахункової точки від зовнішньої стіни до глибини приміщення: 5,4\6,2 = 0,87;

) середньозважений коефіцієнт відбиття p стелі, стін, підлоги: pсз = 0,5;

) відношення довжини приміщення до його глибини: 5,1\6,2 = 0,82.

Виходячи із розрахованих показників, із таблиці значень коефіцієнта r1 при боковому однобічному освітленні визначимо його значення за допомогою формули екстраполяції:

                                                       (4.3)

Де, yi - значення функції при і-тому аргументі;+1 - значення функції при (і+1)ому аргументі;

у(х) - значення функції при заданому аргументі, що знаходиться між значеннями аргументів хі та хі+1;

хі - і-те значення аргументу;

хі+1 - (хі+1)-те значення аргументу.

Звідси r1 дорівнюватиме

хі = 0,8 yi = 3,6 yi = 3,1

хі+1 = 0,9 yi+1 = 5,3 yi+1 = 4,2

= 3,6748.

Для визначення коефіцієнта  скористаємося таблицею значень світлової характеристики  світлових прорізів при боковому освітленні:

хі = 0,5 yi = 16 yi = 18

хі+1 = 1 yi+1 = 31 yi+1 = 37

= 21,8128

Отже,

 %

Знаходимо відхилення:

, відхилення в допустимих межах (-5 +10%)

Таким чином, природнє освітлення в приміщенні достатнє.

Для оцінки ефективності штучного освітлення в приміщенні необхідно порівняти значення фактичного освітлення та нормованого значення за СНиП ІІ-4-79 [43].

Нормоване значення освітлення для адміністративного приміщення при загальному освітленні за СНиП ІІ-4-79 [43] становить при використанні газорозрядних ламп - 300 лк.

Для освітлення приміщення застосовуються люмінісцентні лампи потужністю 20 Вт. Схема розміщення світильників у приміщенні наведено на рисунку 4.3

Рис. 4.3 - Схема розміщення світильників

Розрахуємо фактичне значення освітлення (Еф), враховуючи те, що потужність ламп - 20 Вт, кількість ламп у світильнику - 4 шт.

Значення фактичного освітлення, лк, у приміщенні можна знайти за допомогою методу коефіцієнта використання світлового потоку з формули:

,                                                                                                  (4.4)

звідки

, лк,                                                                                       (4.5)

де Fл - світловий потік однієї лампи, лм;

ηв - коефіцієнт використання світлового потоку;- кількість світильників, шт.- кількість ламп у світильнику, шт.;- площа приміщення, м2;- коефіцієнт запасу, k = 1,5 - 2;- коефіцієнт нерівномірності освітлення (для люмінесцентних ламп z=1,1).

Беремо:л = 820 лм; = 0,5; N = 4 шт.; n = 4 шт.; S = 31,62 м2; k = 1,5; z = 1,1.

 (люкс).

Отже, фактичне значення штучного освітлення набагато менше нормованого (125,75 < 300), а це свідчить про недостатність штучного освітлення в приміщенні.

При дослідженні ефективності природної вентиляції в офісному приміщенні потрібно враховувати, що відповідно до СНиП 2.09.04-87 за умови, якщо об’єм робочого приміщення, що припадає на кожного працюючого, менше 20 м3, необхідний повітрообмін повинен становити не менше L' = 30 м3/год на одну особу. При об’ємі 20 м3 і більше на одного працюючого повітрообмін повинен становити не менше L' = 20 м3/год. При об’ємі 40 м3 і більше на одного працюючого за наявності в приміщенні вікон та дверей повітрообмін не лімітується.

Схема розрахунку природної вентиляції наведена на рисунку 4.4.

Рис. 4.4 - Схема розрахунку природної вентиляції

Розрахуємо об’єм приміщення:= 5,1 * 6,2 * 3,5 = 110, 67 (м3).

Розрахуємо об’єм адміністративного приміщення, що припадає на одного працюючого:= 110, 67: 4 = 27,67 (м3\чол.).

Оскільки згідно з СНиП 2.09.04 - 87 [42] об’єм приміщення, що припадає на одного працюючого, повинен становити 40 (м3), що більше ніж фактичне значення даного показника - 27,67 (м3\чол.), у відділі потрібно забезпечити повітрообмін не менше L1 = 30 (м3\год) на кожного працюючого. Розрахуємо необхідний повітрообмін Lн м3\год за формулою:

н = L1 * n                                                                                       (4.6)

Де, n - найбільша можлива кількість працюючих у приміщенні.н = 30 * 10 = 300 (м3\год).

Знайдемо фактичне значення повітрообміну, користуючись схемою, наведеною на рисунку 2.3, за формулою:

ф = µ * F * V * 3600                                                                      (4.7)

Де, µ - коефіцієнт витрати повітря (µ = 0,5);- площа кватирки (F = 0,5 * 0,5 = 0,25 м2);- швидкість виходу повітря через кватирку або вентиляційний канал, м\с, яка розраховується за формулою:

                                                                                                      (4.8)

Де, g - прискорення вільного падіння (g = 9,8 (м\с2));

Н2 - тепловий тиск, який розраховується за фопмулою:

                                                                              (4.9)

Де, γз та γс - відповідно об’ємна вага повітря ззовні приміщення та всередині його, кГ\м3.

Об’ємна вага повітря розраховується за формулою:

                                                                                                        (4.10)

Де, Рб - барометричний тиск мм рт. ст. (Рб = 750 ммрт. ст.);

Т - температура повітря.

Для офісних приміщень, в яких виконують легкі роботи для теплого періоду року температура повинна складати не більше 28оС або Т = 301о К; для холодного періоду температура не більше 17оС або Т = 290о К; ззовні приміщення для літа t = 24оС або Т = 297о К; для зими t = -11оС або Т = 262о К [44].

γс(л) = 0,465 * (750\301) ≈ 1,159

γз(л) = 0,465 * (750\297) ≈ 1,174

γс(з) = 0,465 * (750\290) ≈ 1,203

γз(з) = 0,465 * (750\262) ≈ 1,331

Знайдемо h2 із співвідношень:

                                                                                      (4.11)

= 0,8 + 2,15 - 0,25 - 1,075 = 1,625 (м)кв2 = (0,25)2 = 0,0625 (м2)дв2 = (2,795)2 = 7,812025 (м2)

Розв’яжемо систему:= 1,625 - h2

,0625 h2 = 12,694540625 - 7,812025 h2

,874525 h2 = 12,694540625≈ 1,61 (м)

Звідси

Н2(л) = 1,61 * (1,174 - 1,159) = 0,02415

Н2(з) = 1,61 * (1,331 - 1,203) = 0,20608

ф(л) = 0,25 * 0,639 * 0,5 *3600 = 287,55 (м3\год)ф(з) = 0,25 * 1,832 * 0,5 * 3600 = 824,4 (м3\год)

Оскільки фактичне значення повітрообміну значно перевищує нормативне значення взимку, то природна вентиляція неефективна. Для покращення вентиляції взимовий період пропонуємо скоротити час провітрювання приміщення.

Значення параметрів, які характеризують санітарно-гігієнічні умови праці в аналізованому приміщенні, зведемо в підсумкову таблицю.

Таблиця 4.1 - Підсумкова таблиця

Параметр

Значення параметра

Нормативний документ


фактичне

нормоване


1 Освітленість штучна (лк)

125,75

300

СНиП ІІ-4-79

2 Значення коефіцієнта природного освітлення (%)

1,08

1,16

СНиП ІІ-4-79

3 Температура повітря (0С):




Взимку

20

21 - 25

ДСН 3.3.6.042-99

Влітку

24

22 - 28

ДСН 3.3.6.042-99

4 Відносна вологість повітря (%):




Взимку

65

< 75

ДСН 3.3.6.042-99

Влітку

55

< 60

ДСН 3.3.6.042-99

5 Повітрообмін (м3/год)




Взимку

824,4

180

СНиП 2.09.04-87

Влітку

287,55

180

СНиП 2.09.04-87

6 Швидкість переміщення повітря, м/с

0,051

< 0,2

ДСН 3.3.6.042-99


Аналіз протипожежних заходів.

Аналізоване приміщення за небезпекою виникнення пожежі відповідно до ОНТП 24-86 належить до категорії В - пожежонебезпечні - в ньому наявні легкозаймисті речовини - папір, дерево) [45].

Можливими причинами пожежі можуть бути:

займання паперу, дерева через необережне поводження з вогнем;

поширення вогню з сусідніх приміщень;

коротке замикання в електричній мережі, що може спричинити загоряння наявних легкозаймистих речовин.

Попередити пожежу можна шляхом розроблення правил безпечної поведінки із вогнем, усуненням можливості виникнення короткого замикання.

У разі виникнення пожежі своєчасно та з мінімальними наслідками дають можливість загасити її наявні пожежна сигналізація та вогнегасники.

План евакуації працівників та матеріальних цінностей на випадок пожежі наведений на рисунку 4.5.

Рис. 4.5 - План евакуації з приміщення

Наведений аналіз дозволив визначити у представленому приміщенні місця, де існує потенційна небезпека негативного впливу на персонал, та запропонувати заходи щодо поліпшення умов праці.

 


ВИСНОВКИ


В даній роботі було обґрунтовано важливість перспективної на сьогоднішній день технології територіального брендингу, розкрито поняття бренду та брендингу взагалі, виявлено розглянуто технології розробки територіального бренду та оцінки його ефективності, тобто розглянуто основні завдання, які ставила перед собою дана робота.

На сьогоднішній день існує багато характеристик території, які мають потенціал для формування та просування її бренду: природно-кліматичні умови, історична спадщина, виробництво, культура та ін.. Серед таких характеристик останнім часом все більшої популярності набуває спорт.

Тому основною ціллю даної роботи було обрано формування спортивного бренду міста Суми.

У роботі проаналізовано наявний спортивний потенціал міста і виявлено, що він є достатньо потужним. Суми відомо своїми спортивними досягненнями з певних видів спорту: біатлон, хокей на траві, легка атлетика та ін.. На території міста знаходяться відомі спортивні об’єкти: легкоатлетичний манеж, стадіон «Ювілейний», ФЦ «Барса». Проведений SWOT - аналіз підтвердив наявність такого потенціалу та показав, що спостерігається певна відповідність міста потребам сучасної молоді у галузі спорту. Також було виявлено слабкі сторони: недостатній розвиток інфраструктури міста та вузька спортивна спеціалізація та загрози: низький рівень фінансування на розвиток спортивної інфраструктури та високий рівень корумпованості у спорті.

Проаналізувавши вторинні джерела інформації, я виявила, що останнім часом спостерігається зацікавленість мешканців міста та країни щодо такого спортивного об’єкту як ФЦ «Барса» і, відповідно, до дитячо-юнацького футболу. Тому було вирішено сформувати бренд міста Суми, як міста розвитку дитячо-юнацького футболу, посилаючись при цьому на ФЦ «Барса» як основний об’єкт розвитку даного виду спорту.

Процес створення сильного і конкурентного бренду - складний і доволі тривалий процес. Користуючись різними джерелами доступної інформації, я впевнилася у цьому. При формуванні бренду не обов’язкове використання тільки конкретних етапів. Ці етапи можуть коригуватися в залежності від цілей формування бренду, об’єкту брендингу, ситуації, що склалася на ринку та інших особливостей.

Формування спортивного брендингу м. Суми було здійснено за наступними етапами: аналіз наявної ситуації, цілепокладання, аналіз конкурентів, формулювання суті бренду, розробка стратегії розвитку бренду, виконання стратегії, моніторинг бренду та оцінка ефективності.

Для аналізу наявної ситуації було проведено дослідження основних цільових аудиторій: мешканців міста (методом анкетування) та батьків дітей, що займаються футболом та потенційних спонсорів (методом глибинного інтерв’ю).

За результатами проведеного дослідження було виявлено, що основними образами та емоціями, з якими асоціюється дитячо-юнацький футбол у місті є дитинство, здоровий образ життя, м’яч, ФЦ «Барса», турнір. Рівень обізнаності мешканців про ФЦ «Барса» склав 82 %. Основна частина респондентів вважає, що ФЦ «Барса» може стати відомим спортивним об’єктом міста Суми, але для цього потрібні певні зміни (65 %), 28 % опитаних вважає, що він вже є таким об’єктом. При чому основними факторами, що сформують бренд ФЦ «Барса» є спортивні досягнення гравців та розповсюдження інформації про даний спортивний об’єкт.

Проведене інтерв’ю з батьками юнаків, що займаються у ФЦ «Барса» показало,що даний ФЦ користується популярністю та довірою серед батьків, а рівень розвитку інфраструктури навіть кращий ніж у провідних ДЮФШ України.

При проведені інтерв’ю зі спонсором було виявлено, що при спонсорстві того чи іншого проекту у першу чергу звертається увага на цільову аудиторію заходу, а матеріальна підтримка спорту дає додаткову можливість виховувати молодь, прищеплювати в ній духовні цінності. Найбільш привабливими характеристиками «Барси» для спонсорства є: налагодження партнерських стосунків з батьками юних футболістів та з іншими спонсорами ФЦ, підвищення прихильності та лояльності до спонсора з боку батьків. Серед причин, які заважають ФЦ «Барса» залучати до себе спонсорів, основною є відсутність маркетингової служби.

Виходячи з результатів дослідження, було сформульовано основну суть спортивного бренду міста: «З ФЦ «Барса» та турботою про майбутнє!». Фірмовий стиль бренду створений у поєднанні жовтого та зеленого кольорів, як символів енергії, сили та молодості та здоров’я.

З метою просування бренду було запропоновано ряд комунікаційних заходів. Серед основних: телепередача на місцевому телебаченні, PR- кампанія, продаж сувенірної продукції з логотипом бренду, проведення турніру з дитячо-юнацького футболу.

У даній роботі було проаналізовано основні ефекти, які будуть отримані від спортивного брендування міста. Серед них будуть як економічні так і психологічні ефекти. Основні ефекти:

. Залучення туристів (спортивні вболівальники, спортсмени та ін..);

. Залучення нових мешканців (сім’ї з дітьми);

. Збільшення частки населення, що залишається у місті (особливого молодих людей);

. Залучення інвестицій;

. Залучення дітей та молоді до занять спортом;

. Підвищення у майбутньому рівня футболу у місті.

З даних ефектів будуть мати місто і наступні ефекти:

а) Зменшення захворюваності серед дітей;

б) Поліпшення інфраструктури міста взагалі і спортивної зокрема (поліпшення доріг, житлового комплексу, будування стадіонів, оновлення спортивного інвентарю);

в) Залучення додаткових коштів (податки);

г) Поліпшення іміджу міста Суми на рівні країни та світу.

Для того, щоб створити якісний бренд потрібно, крім часу, зусиль, і капіталу, талант. Можна відзначити, що індивідуальності бренду можна досягти при створенні фірмового стилю, що є одним з ключових аспектів брендингу.

Під час формування спортивного бренду м. Суми, було запропоновано певні

Створений бренд вимагає до себе дбайливого і чуйного ставлення.

цільовий аудиторія бренд спортивний

СПИСОК ВИКОРИСТАНИХ ДЖЕРЕЛ


1.      Аакер Д. Бренд-лидерство: новая концепция брендинга [Текст]/ Д. Аакер, Э. Йохимштайлер. - М.: Изд. дом Гребенникова, 2003. - 464 c. с.17

.        Аакер Д. Создание сильных брендов / Пер. с англ. М.: Издат. дом «Гребенников», 2003.

.        Анхольт С. Бренд Америка: мать всех брендов. М., 2010.

.        Архицкая Е. Геобрендинг - наука в помощь развитию города: официальный сайт органов местного самоуправления муниципального образования - город Шадринск Курганской области. 14.02.2011. URL: #"819897.files/image062.gif">




Додаток Б


Розподіл опитаних за віком та статтю

Вік

Чоловіки, осіб

Жінки, осіб

Чоловіки %

Жінки %

15-24

44

48

11

12

25-35

68

72

17

18

36-59

116


29


60+

52


13


Всього

279

120

70

30




Додаток В


Гайд глибинного інтерв’ю з батьками.

Добрий день! Давайте познайомимося. Мене звуть Марина. Я проводжу маркетингове дослідження, мета якого полягає у формуванні спортивного брендингу міста Суми. Нам потрібно визначити, які чинники формують спортивний бренд міста і чи є такі фактори у ФЦ «Барса».

Всі дані будуть аналізуватися в узагальненому вигляді, без зазначення конкретних імен.

Я буду вам задавати питання, а ви відповідати на них. Правильних і неправильних відповідей бути не може, нас цікавить саме Ваша думка і Ваш досвід. Тому велике прохання висловлювати саме свою думку, навіть якщо воно відрізняється , по Вашим уявленням, з загальноприйнятим.

Нашу з вами бесіду я буду записувати на диктофон. З цими записами буду працювати тільки я, вони не будуть відтворюватися в якій-небудь іншій аудиторії.

 


Додаток Г


Задача

Час

Питання

0

Вступ

3 хв

Виклад цілі дослідження, правила відповідей у інтерв’ю Знайомство: - Як Ваше ім’я? - Чим займаєтесь?

1

Про спонсорство

15 хв

1. Давно Ви у числі спонсорів? 2. Розкажіть докладніше з якого моменту почалася Ваша діяльність у ролі спонсора? 3. Спонсорством яких діяльностей (галузей) Ви безпосередньо займалися (-єтесь)? 4. На що Ви, як спонсор звертаєте у першу чергу увагу при спонсоруванні того чи іншого проекту?

2

Про спортивне спонсорство

30 мин

1. Як Ви відноситеся до спонсорства у галузі спорту? 2. Чи приймали Ви участь у якомусь спонсорстві спортивних проектів? 3. Що у спорті є найбільш привабливим для спонсора?

3

Про спонсорство ФЦ «Барса»

3 хв

1. Як Ви відноситеся до такого проекту, як ФЦ «Барса»? 2. Як по Вашему, які позитивні моменти може принести даний об’єкт для сумчан взагалі? (соціальні, економічні) 3. Що на Вашу думку, у цьому проекті є привабливим для спонсорів? 4. Чого, можливо, даному ФЦ не хватає для спонсорства?



Додаток Д


Міська програма спортивного проекту з розвитку дитячо-юнацького футболу на 2014-2016 роки

1.               Підстава для розробки Програми:              - Закон України «Про місцеве самоврядування в Україні» <http://reestr.tk/368822>;

Закону України «Про фізичну культуру і спорт»;

Статут територіальної громади міста Суми;

- рішення Сумської міської ради про затвердження міської цільової соціальної програми розвитку дитячо-юнацького футболу м. Суми 2014-2016 роки.

 

2.

Замовник Програми:

Сумська міська рада

3.

Розробник Програми:

Агенція промоції «Суми»

4.

Відповідальний виконавець програми:

Агенція промоції «Суми»

5.

Терміни реалізації Програми:

2015-2016 pp.

6.

Джерела фінансування:

- кошти бюджету міста Суми; - інші джерела фінансування, не заборонені чинним законодавством.



Додаток Е


Завдання та заходи по виконанню програми створення бренду м. Суми як міста розвитку дитячо-юнацького футболу на 2014- 2016 роки

№ з/п

Найменування заходу

Виконавець

Джерела фінансування

1.

Проведення турніру з дитячо-юнацького футболу

2016

Агенція промоції «Суми» Департамент у справах сім'ї, молоді та спорту

бюджет міста, залучені кошти

2.

Сприяння у забезпеченні спортивним інвентарем та нагородною атрибутикою для проведення запланованого турніру

2016

Агенція промоції «Суми» Департамент у справах сім'ї, молоді та спорту

бюджет міста, залучені кошти

3.

Створення бази даних видатних спортсменів м. Суми з метою залучення їх до співпраці по формуванню бренду міста

2016

Агенція промоції «Суми» Департамент у справах сім'ї, молоді та спорту


4.

Розробка та подача заявки від Сумської міської ради на право проведення турніру

2015-2016


бюджет міста

5

Проведення семінарів, зустрічей, круглих столів, форумів з представниками спортивної громадськості

2015-2016

Агенція промоції «Суми»

бюджет міста

6.

Проведення оцінки ефективності реалізації заходів Програми на основі результатів соціологічних досліджень в цільових аудиторіях

2015-2016

Агенція промоції «Суми»

бюджет міста

7

Розробка атрибутів спортивного бренду міста Суми

2015

Агенція промоції «Суми»

бюджет міста

8

Використання атрибутів спортивного бренду міста на різноманих заходах (змаганнях, конференціях, семінарах, форумах, святах)

2015-2016

Агенція промоції «Суми»


9.

Організація виробництва та сприяння розповсюдженню сувенірної продукції із зображенням атрибутів спортивного бренду

2015-2016

Агенція промоції «Суми»

бюджет міста, залучені кошти

10.

Організація розповсюдженню промо-фільмів про Суми як місто спорту

2015-2016

Агенція промоції «Суми»

бюджет міста

Додаток Ж


Графік проведення комунікаційних заходів щодо просування спортивного бренду міста у 2015 році

Засіб комунікації

Місяць

Всього, грн..


1

2

3

4

5

6

7

8

9

10

11

12


1. Телепередача на місцевому телебаченні

Х


Х


Х


Х


Х


Х



2. PR-компанії



Х


Х




Х


Х



3.Зовнішня реклама (біл-борди)


Х

Х

Х

Х









4. Подійний маркетинг





Х

Х


Х


Х




5. Веб-сайт

Х

Х

Х

Х

Х

Х

Х

Х

Х

Х

Х

Х




Додаток З


Графік проведення комунікаційних заходів щодо просування спортивного бренду міста у 2016 році

Засіб комунікації

Місяць

Всього, грн..


1

2

3

4

5

6

7

8

9

10

11

12


1. Телепередача на місцевому телебаченні

Х


Х


Х


Х


Х


Х



2. PR-компанії



Х


Х


Х


Х





3. Подійний маркетинг




Х


Х


Х


Х




4. Веб-сайт

Х

Х

Х

Х

Х

Х

Х

Х

Х

Х

Х

Х


5. Проведення турніру з дитячо-юнацького футболу









Х






Похожие работы на - Формування спортивного бренду міста Суми

 

Не нашли материал для своей работы?
Поможем написать уникальную работу
Без плагиата!
Без нейросетей!