Сельскохозяйственные машины (РУП 'НПЦ НАН Беларуси по механизации сельского хозяйства')
ВВЕДЕНИЕ
.Технический регламент ТР ТС 010/2011 «О безопасности машин и
оборудования» разработан в соответствии с Соглашением о единых принципах и
правилах технического регулирования в Республике Беларусь, Республике Казахстан
и Российской Федерации от 18 ноября 2010г.
.Технический регламент ТР ТС 010/2011 «О безопасности машин и
оборудования» разработан с целью установления на единой таможенной территории
Таможенного союза единых обязательных для применения и исполнения требований к
машинам и (или) оборудованию при разработке (проектировании), изготовлении,
монтаже, наладке, эксплуатации, хранении, транспортировании, реализации и
утилизации, обеспечения свободного перемещения машин и (или) оборудования,
выпускаемых в обращение на единой таможенной территории Таможенного союза.
. Если в отношении машин и (или) оборудования будут приняты иные
технические регламенты Таможенного союза, технические регламенты Евразийского
экономического сообщества (далее - ЕврАзЭС), устанавливающие требования к
машинам и (или) оборудованию, то машины и (или) оборудование должны
соответствовать требованиям этих технических регламентов Таможенного союза,
ЕврАзЭС действие которых на них распространяется.
. ОБОСНОВАНИЕ ТЕМЫ ДИПЛОМНОГО ПРОЕКТА
Важным экономическим и политическим показателем является создание
технического регламента Таможенного союза ТР ТС в составе трёх государств:
Республика Беларусь, Республика Казахстан и Российская Федерация.
В числе мер по ускорению развития экономики этих государств входит единый
технический регламент по оценке соответствия (подтверждения соответствия).
В этих целях в рамках технического регламента создается 36 разработок. В
их числе три регламента относятся к с/х технике :
· ТР ТС 010/2011 «О безопасности машин и оборудования»
· ТР ТС 004/2011 «О безопасности низковольтного оборудования»
· ТР ТС 020/2011 «Электромагнитная совместимость технических
средств»
Поэтому в настоящий период в место Национальной системы подтверждения
соответствия (НСПС РБ) внедрено подтверждение соответствия на основе
технического регламента.
Целью дипломного проекта является нормативно - техническое обеспечение
подтверждения соответствия ТР ТС 010/2011.
В качестве базы для выполнения дипломного проекта выступает предприятие
РУП « НПЦ НАН Беларуси по механизации сельского хозяйства», основным видом
деятельности которого является создание технологических комплексов современных
отечественных машин и оборудования для механизации с/х производства по
важнейшим отраслям агропромышленного комплекса.
. ОБЩИЕ СВЕДЕНИЯ О ПРЕДПРИЯТИИ
В 1947 году в структуре Академии наук БССР был создан Институт
механизации сельского хозяйства.
В 1951 году Институт механизации сельского хозяйства Академии наук БССР
был переименован в Институт механизации и электрификации сельского хозяйства
Академии наук БССР. Накопленный опыт научных исследований, появившиеся
специалисты и материально-техническая база стали основой для создания в
послевоенные годы первого республиканского института по научно-техническому
обеспечению сельскохозяйственного производства.
В 1961 году Институт механизации и электрификации сельского хозяйства
Академии сельскохозяйственных наук БССР был преобразован в Центральный
научно-исследовательский институт механизации и электрификации сельского
хозяйства Нечерноземной зоны СССР (ЦНИИМЭСХ). На его базе в 1984 году было
создано научно-производственное объединение «Белсельхозмеханизация»,
включающее, кроме ЦНИИМЭСХ, экспериментальный завод, специальное
конструкторское бюро с опытным производством и экспериментальную базу «Новые
Зеленки» в Червенском районе Минской области. Приказом Министерства сельского
хозяйства Республики Беларусь в 1994 году институт был переименован в БелНИИМСХ
с сохранением функции головной НПО «Белсельхозмеханизация». В 1999 году
институт был переименован государственное предприятие «Белорусский
научно-исследовательский институт механизации сельского хозяйства» (ГП
«БелНИИМСХ»). Во
исполнение п. 9 Декрета Президента Республики Беларусь «О совершенствовании
государственного управления в сфере науки» от 5 марта 2002 года № 7 и в
соответствии с приказом от 23.04.2002 № 41-К НАН Беларуси институт передан НАН
Беларуси и включён в состав Отделения аграрных наук.
С 2003 года на основании постановления Бюро Президиума Национальной
академии наук Беларуси УП «БелНИИМСХ» переименован в Республиканское унитарное
научно-исследовательское предприятие «Институт механизации сельского хозяйства
Национальной академии наук Беларуси» (РУНИП «ИМСХ НАН Беларуси»).
Во исполнение Указа Президента Республики Беларусь от 18 апреля 2006 года
№ 242 «О создании научно-практических центров Национальной академии паук
Беларуси и некоторых мерах по осуществлению научной деятельности» создан
Научно-практический центр по механизации сельского хозяйства.
Постановлением Бюро Президиума Национальной академии наук Беларуси от
17.05.2006 № 44 РУНИП «ИМСХ НАН Беларуси» переименован в Республиканское
унитарное предприятие «Научно-практический центр Национальной академии наук
Беларуси по механизации сельского хозяйства (РУП «НПЦ НАН Беларуси по механизации
сельского хозяйства»).
Минский городской исполнительный комитет 27 мая 2008 г. зарегистрировал
вышеназванную организацию в Едином государственном регистре юридических лиц и
индивидуальных предпринимателей за № 100230575.
Основными видами деятельности организации являются
научно-исследовательские и опытно-конструкторские работы,
производственно-хозяйственная деятельность, направленные на выполнение
республиканских и отраслевых научно-технических программ в сельскохозяйственном
машиностроении. В Центре функционирует
система менеджмента качества, сертифицированная на соответствие требованиям СТБ
ISO 9001-2009. Она распространяется на проектирование
технологических машин и оборудования для механизации сельского хозяйства. Организационная структура и распределение
ответственности руководителей служб Центра за обеспечение качества выпускаемой
продукции осуществляется согласно РК 01-2008
Опытное производство, на котором изготавливаются сертифицируемые машины,
расположено в агрогородке Ждановичи Минского района.
Сборка сертифицируемых машин ведется в цехах опытного производства.
РУП «НПЦ НАН Беларуси по механизации сельского хозяйства»
Область деятельности НАН Беларуси по механизации
сельского хозяйства:
· создание конкурентоспособных образцов
техники, механизмов и материалов, передовых технологий, других видов наукоемкой
продукции на основе развития фундаментальных и прикладных научных исследований,
проводимых Центром и дочерними унитарными предприятиями;
· организация сотрудничества с
научными, учебными, проектно-конструкторскими, технологическими, промышленными,
сельскохозяйственными и иными организациями в целях интеграции научного
потенциала научных организаций Академии наук и учреждений, обеспечивающих
получение высшего образования, для совместного решения важнейших
научно-технических и гуманитарных задач, повышения эффективности использования
результатов научных исследований в производственной и социальной сферах
республики;
· проведение фундаментальных и
прикладных научных исследований по закрепленным научным направлениям;
· выявление принципиально новых путей
научно-технического прогресса, осуществление прикладных научных исследований по
приоритетным направлениям научно-технической деятельности, разработка средств
механизации сельскохозяйственного производства и аграрной энергетики нового
поколения;
· разработка рекомендаций по
использованию результатов научных исследований Центра на практике, их
сопровождение при освоении в производстве;
· проведение по поручению руководства
Академии наук, других органов государственного управления научных экспертиз
важнейших научных, научно-технических и народнохозяйственных программ,
инновационных проектов, а также проектов нормативных правовых актов по профилю
Центра;
· изучение и обобщение достижений
мировой науки по профилю Центра и содействие их практическому использованию;
· подготовка научных кадров высшей
квалификации через аспирантуру, докторантуру и соискательство;
· повышение квалификации научных
работников и специалистов, в том числе в зарубежных научных центрах.
Продукция и услуги:
· подготовка научных кадров высшей
квалификации;
· издание книг, периодических
публикаций, полиграфическая деятельность, брошюровочно-переплетная
деятельность;
· изготовление экспериментальных и
опытных образцов с/х техники, включая серийную продукцию.
· результаты научно-исследовательских и
опытно-конструкторских работ (НИОКР) по разработке и освоению машин и
технологий в области сельскохозяйственного производства;
СВЕДЕНИЯ О ВИДАХ ИЗГОТАВЛИВАЕМОЙ СЕЛЬСКОХОЗЯЙСТВЕННОЙ ТЕХНИКИ
3.1 Машины для основной обработки почвы, ухода
за лугами и пастбищами
· Плуг навесной поворотный ПНГ- (4+1)-43
ехническая характеристика
Агрегатирование с трактором, кл. 2; 3
Производительность за 1 час основного
времени, га 1,2-1,9
Рабочая скорость, км/ч 6-9
Ширина захвата, м 1,7; 2,1
Глубина пахоты, см до 25
Габаритные размеры, мм 4500 х 2500 х 1500
Масса, кг 1040
Предназначен для гладкой пахоты под зерновые и технические культуры
различных почв, не засоренных камнями, с удельным сопротивлением до
,07 МПа.
· Приставки ПД-2,0 к пятикорпусным плугам ППО-5-40К
Техническая характеристика
Рабочая ширина захвата, м 2,0
Конструкционная масса, кг,
не более 500
Удельная материалоемкость, кг/м,
не более 250
Диаметр дисков, мм 450
Производительность, га, за час времени
основного 1,4…1,8
сменного 1,25…1,35
эксплуатационного 1,05…1,25
Средняя глубина обработки, см 6
Отклонение средней глубины обработки от заданной, см, не более 0,9
Предназначены для заделки растительных остатков, дробления глыб,
уплотнения верхних слоев почвы при воздействии на нее дисками, а также
выравнивание и рыхления верхнего слоя почвы пружинными зубьями.
.2 Почвообрабатывающе-посевные
агрегаты, сеялки
· Агрегат почвообрабатывающий посевной ПАН-3-01
Техническая характеристика
Агрегатирование с трактром"
Беларус 1221"
Производительность за 1 час
основного времени, га 0,9-1,8
Конструктивная ширина захвата 3,0
Глубина обработки, см 10-20
Глубина заделки семян, см:
трав 0,3-2,0
зерновых 2,0-5,0
Масса, кг 2000
Предназначен для основной и предпосевной обработки всех типов
старопахотных и задернованных почв, в том числе засоренных камнями, и посева
различных мелкосеменных культур.
· Сеялка пневматическая С-9
Техническая характеристика
Тип полунавесная
Мощность агрегатируемого трактора,
л.с. 350
Производительность за 1 час основного времени, га 7,2-13,5
Рабочая скорость, км/ч 8-15
Рабочая ширина захвата, м 9
Глубина заделки семян, с м 2-6
Масса, кг 8000
Предназначена для рядового посева семян зерновых колосовых,
среднесеменных зернобобовых (горох, люпин), трав и других культур, аналогичных
им по размерам, норме высева и глубине заделки семян.
Отличительные особенности сеялки:
может применяться как в отвальной, так и безотвальной системах обработки
почвы;
обеспечивает сев со скоростью до 15 км/ч;
равномерно распределяет вес по всей ширине захвата (независимо от
заполнения бункера);
имеет давление на сошник 160 кг.
.3 Машины для внесения минеральных и
органических удобрений, химической защиты растений
· Машина химизации самоходная МХС-10
Техническая характеристика
Производительность за 1 час основного времени, га:
при внесении пылевидных химмелиорантов 2,45
при внесении твердых минеральных удобрений:
гранулированных 12,3-15
кристаллических 7,3-8,6
Диапазон доз внесения, кг/га:
пылевидных химмелиорантов
-6000
минеральных удобрений
-1000
Рабочая скорость, км/ч 6-12
Транспортная скорость, км/ч до 60
Грузоподъемность, кг 12000
Предназначена для транспортирования и поверхностного внесения пылевидных
химических мелиорантов. Может использоваться также для внесения основных доз
твердых минеральных удобрений.
. СВЕДЕНИЯ О СЕРТИФИЦИРУЕМОЙ ПРОДУКЦИИ
Культиватор-окучник растениепитатель КОР-4 (далее культиватор)
предназначен для нарезки или формирования гребней, рыхления междурядий,
уничтожения сорняков, одновременного локального внесения минеральных удобрений
на легких и средних почвах, засоренных камнями.
Культиватор используется для выполнения технологических операций с
междурядьями 70-75 см, агрегатируется с тракторами класса 1,4 (основные
параметры, размеры и количество обслуживающего персонала - в таблице 1).
Таблица 1 - Основные параметры КОР - 4
|
Наименование показателя
|
Значение
|
|
Марка
|
|
1
|
2
|
|
1 Марка
|
КОР 4
|
|
2 Тип культиватора
|
Навесной
|
|
3 Ширина захвата конструктивная, м: -
на междурядье 70 см - на междурядье 75 см - на междурядье 90 см
|
2,8 3,0 -
|
|
4 Рабочая скорость движения, км/ч
|
7-9
|
|
5 Количество обрабатываемых рядков, шт.
|
4
|
|
6 Транспортная скорость, км/ч, не более
|
15
|
|
7 Ширина междурядий, мм
|
70
|
|
8 Производительность за 1 ч основного времени, га: - при нарезке и формировании гребней - при
междурядной обработке картофеля 9 Удельный расход топлива, кг/га, не более
|
1,96-2,52 1,96-2,52 11
|
|
10 Коэффициент использования сменного времени
|
0,66
|
|
11 Количество обслуживающего персонала по профессиям, чел.
- тракторист
|
1
|
|
12 Масса, кг, не более -
на междурядье 70, 75 см - на междурядье 90 см - в т.ч. туковысевающих
аппаратов
|
1340 100
|
|
13 Габаритные размеры в рабочем положении (без маркеров),
мм, не более: - длина - ширина - высота
|
3150 3900 1560
|
|
14 Габаритные размеры в транспортном положении (без
маркеров), мм, не более: - длина - ширина - высота
|
3150 3900 2100
|
|
15 Глубина обработки при нарезке гребней, см, не более
|
18,0
|
|
16 Высота образуемого гребня, см
|
15-35
|
|
Продолжение таблицы 1
|
|
|
17 Ширина гребня по верху, см, не более
|
45
|
|
18 Угол откоса гряды
|
120-1400
|
|
19 Глубина заделки удобрений, см, не более
|
14
|
|
20 Доза внесения минеральных удобрений, кг/га
|
150-400
|
|
21 Уничтожение сорняков, %, не менее 22 Крошение почвы, %:
- фракция 0-25 мм, не менее - фракция 50 мм 23 Отклонение глубины обработки
от заданной, ±см 24 Защитная зона с каждой стороны рядка, см, не более 25
Повреждение культурных растений, %, не более 26 Неравномерность высева
удобрений, %, не более 27 Отклонение фактической дозы внесения удобрений, %
28 Суммарная емкость бункеров для минеральных удобрений, дм3, не
менее
|
85 90 не допускается 2,1 8 3 8 0,5-0.45 360
|
|
29 Загрузочная высота бункеров для минеральных удобрений,
м, не более
|
1,3
|
|
30 Количество бункеров, шт.
|
2
|
|
31 Дорожный просвет, мм, не менее
|
300
|
|
32 Коэффициент технологического обслуживания, не менее
|
0,88
|
|
33 Коэффициент надежности технологического процесса, не
менее
|
0,98
|
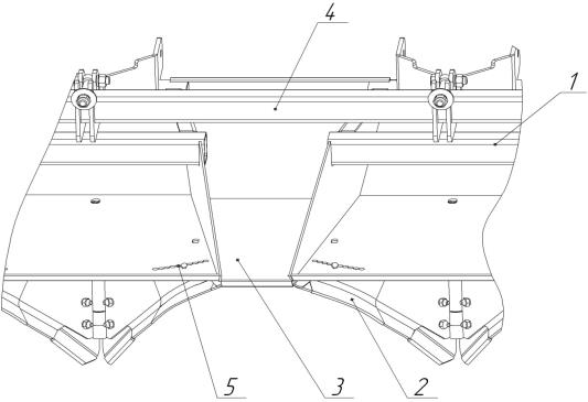
.1 Устройство и работа изделия
Рисунок 4 - Культиватор-окучник растениепитатель (вариант с
гребнеобразователем, вид сбоку)
- рама, 2 - гребнеобразователь, 3 - колесо, 4 - кронштейн, 5 - S-образная стойка с долотовидной
лапой, 6 - кронштейн, 7 - S-образная
стойка с окучником, 8 - ящик, 9 - трубка, 10 - трубопровод, 11 - маркер, 12 -
регулятор, 13 - пружина,14 - привод, 15 - гидрооборудование,16 -
электрооборудование, 17 - подножка
Культиватор КОР-4, в соответствии с рисунками 4 и 5 , состоит из рамы 1,
гребнеобразователя 2, колес 3, кронштейнов 4, S-образных стоек 5 с долотовидными лапами, кронштейнов 6, S-образных стоек 7 с окучниками,
ящиков 8, трубок 9, трубопроводов 10, маркеров 11, регуляторов 12, пружин 13,
привода 14, гидрооборудования 15 и электрооборудования 16, подножки 17.
Рисунок 5 - Культиватор-окучник растениепитатель (вариант с
гребнеобразователем, вид сверху)
1 - рама, 2 - гребнеобразователь, 3 - колесо, 4 - кронштейны, 5 - S-образная стойка с долотовидной
лапой, 6 - кронштейн, 7 - S-образная
стойка с окучником, 8 - ящик, 11 - маркер, 12 - регулятор, 13 - пружина,14 -
привод, 15 - гидрооборудование, 16 - электрооборудование,17 - подножка
Рисунок 6 - Культиватор-окучник растениепитатель (вариант с ротационными
рабочими органами, вид сбоку)
1 - рама, 2 - ротора, 3 - колесо, 4 - кронштейн, 5 - S-образная стойка с долотовидной
лапой, 6 - кронштейн, 7 - S-образная
стойка с окучником, 8 - ящик, 9 - трубка, 10 - трубопровод, 11 - маркер, 12 -
регулятор,13 - пружина,14 - привод, 15 - гидрооборудование,16 -
электрооборудование, 17 - подножка
Культиватор навешивается на трехточечную навеску трактора. Рама
культиватора представляет собой пространственную конструкцию, состоящую из труб
квадратного сечения и навески, является несущим звеном конструкции. На раме при
помощи скоб устанавливаются кронштейны с S-образными стойками и долотовидными лапами, окучники, колеса,
ящики, маркеры.
Рисунок 7 - Культиватор-окучник растениепитатель (вариант с ротационными
рабочими органами, вид сверху)
1 - рама, 2 - ротора, 3 - колесо, 4 - кронштейн, 5 - S-образная стойка с долотовидной
лапой, 6 - кронштейн, 7 - S-образная
стойка с окучником, 8 - ящик, 9 - трубка, 10 - трубопровод, 11 - маркер, 12 -
регулятор, 13 - пружина, 14 - привод, 15 - гидрооборудование, 16 -
электрооборудование, 17 - подножка
При комплектации ротационными рабочими органами, культиватор-окучник в
соответствии с рисунками 6 и 7 состоит из рамы 1, роторов 2, колес 3,
кронштейнов 4, S-образных стоек с
долотовидными лапами 5, кронштейнов 6, S-образных стоек 7 с окучниками, ящиков 8, трубок 9,
трубопроводов 10, маркеров 11, регуляторов 12, пружин 13, привода 14,
гидрооборудования 15 и электрооборудования 16, подножки 17.
Гребнеобразователь (рис. 8) представляет собой съемную конструкцию,
состоящую из рамы 1, отвалов 2, накладок 3, трубы 4, отверстий регулировочных 5
. Отвалы 2 совместно с накладками 3 обеспечивают процесс нарезки гребней. Во избежание
травмирования ботвы картофеля накладками 3 и трубой 4, во время вегетации
картофеля процесс формирования гребней обеспечивают отвалы 2. Конструкция
отвалов гребнеобразователя имеет возможность изменять параметры гребня.
Кронштейны 4 предназначены для установки S-образных стоек с долотовидными лапами. На каждом кронштейне
4 может крепиться до трех стоек. Кронштейны 6 предназначены для установки S-образных стоек с окучниками. На
каждом кронштейне 6 крепиться одна стойка.
Окучник крепиться на S-образной
стойке и выполняет процесс подокучивания растений и подсыпание гребня.
S-образные
стойки с долотовидными лапами выполняют технологический процесс рыхления почвы
и уничтожения сорной растительности в междурядье.
Ящики (рис. 9) предназначены для локального внесения удобрений и состоят
из ящика 1, крышки 2, дозатора 3, шестигранника 4, штурвала 5, винта 6,
трубопровода 7, заслонки 8, датчика 9, таблички 10.
Опорные колеса - пневматические, удерживают раму культиватора на
определенной высоте над поверхностью почвы во время работы.
Маркеры предназначены обеспечивать образование следа на незасаженной
поверхности почвы для последующего движения по ним переднего правого колеса
трактора. Перевод маркеров из транспортного в рабочее положение и обратно
осуществляется c помощью
гидравлической системы трактора.
Привод туковысевающих аппаратов должен осуществляться от колес
посредством цепной передачи.
Трубки 8 для локального внесения удобрений установлены на S-образные пружинные стойки
посредством хомутов.
Регуляторы 12 и пружины 13 предназначены для уплотнения гребня и
предохранения от поломки гребнеобразователя при наезде на камень.
Рисунок 8 - Гребнеобразователь
- рама, 2 - отвал, 3 - накладка, 4 - труба, 5 - отверстие регулировочное
Рисунок 9- Ящик
- ящик, 2 - крышка, 3 - дозатор, 4 - шестигранник, 5 - штурвал, 6 - винт,
7 - трубопровод,8 - заслонка, 9 - датчик, 10 - табличка
. ОРГАНИЗАЦИЯ РАБОТ ПО ВЫПОЛНЕНИЮ ПРОЦЕДУР ПОДТВЕРЖДЕНИЯ СООТВЕТСТВИЯ
ЗАЯВИТЕЛЕМ - ИЗГОТОВИТЕЛЕМ
В соответствии со статьей 8 п. 10 ТР ТС 010/2011 при проведении
подтверждения соответствия машин и (или) оборудования заявитель - стажер
формирует комплект документов на машины и (или) оборудование, подтверждающий
соответствие требованиям безопасности настоящего технического регламента,
который включает:
обоснование безопасности;
технические условия (при наличии);
руководство по эксплуатации;
перечень стандартов, требованиям которых должны соответствовать данные
машины;
сертификат на систему менеджмента изготовителя (при наличии);
протоколы испытаний машины и (или) оборудования.
.1 Новые требования к обоснованию
безопасности КОР-4
В соответствии с п. 3 статьи 4 ТР ТС 010/2011 введены новые требования по
обеспечению безопасности машин , в том числе за счёт идентифицирования
возможных видов опасностей на всех стадиях ЖЦП, проведения оценки
идентифицированных видов рисков расчётным, экспериментальным, экспертным, и др.
методами, при этом должен определяться и устанавливаться допустимый риск для
машины, устанавливаться разработчиком критерии предельных состояний, выявляться
все опасности, связанные с возможным предсказуемым неправильным использованием
машины и др.
Обоснование безопасности находится в таблице 2
Таблица 2 - Обоснование безопасности КОР-4
Общее
|
Общие определения ограничений Сфера применения культиватора
|
Культиватор - окучник растениепитатель КОР - 4 предназначен
для нарезки и формирования гребней, рыхление междурядий, уничтожения
сорняков, одновременного локального внесения минеральных удобрений на легких
и средних почвах засоренных камнями.
|
|
Главные и дополнительные элементы культиватора
|
Культиватор состоит из рамы, двух колес, пяти кронштейнов,
пяти окучников, гребнеобразователя, держателей, маркеров, туковысевающих аппаратов,
приводов, гидрооборудования и электрооборудования, комплекта роторов. Рама
культиватора представляет собой сварную конструкцию и предназначена для
крепления сменных на ней всех узлов и механизмов. Лапы шириной от 35сдо 40 мм
предназначены для рыхления почвы и уничтожения сорной растительности в
междурядьях. На раме установлены туковысевающий аппараты для.
|
|
Объём производства
|
Серийное
|
|
Опасные зоны
|
1.Навесной культиватор. 2. Механизмы раскладывания
маркеров, которые предназначены для образования следа на незасаженной
поверхности почвы для последующего движения по ним переднего колеса трактора.
3.Маркеры. 4. Гидрооборудование. 5. Площадка для обслуживания.
|
.1 Ограничения по применению
|
Возможные режимы работы
|
Скорость движения, км/ч: - рабочая 7.0-9.0; - транспортная
не более 15,0 Ширина междурядий 70,75,90 см. Количество обрабатываемых рядков
4 шт. Высота образуемого гребня 15-35 см. Доза внесения минеральных удобрений
150 - 400 кг/га. Глубина заделки удобрений до 14 см.
|
|
Процедуры вмешательства тракториста- машиниста
|
Культиватор обслуживает тракторист-машинист. Он
обеспечивает настройку, регулировку, ежесменное и периодическое техническое
обслуживание, безопасную работу.
|
|
Местонахождение культиватора
|
Предусмотрено для использования в сельском хозяйстве.
|
|
Трактористы-машинисты культиватора
|
К работе с культиваторм допускаются трактористы, имеющие
удостоверение на право управления трактором, прошедшие инструктаж по
безопасности и изучившие устройство и/руководство по эксплуатации.
|
|
Группы, причастные к работе культиватора
|
Персонал, обеспечивающий ремонтные работы и вспомогательный
персонал, участвующий в использовании культиватора и переоборудовании.
|
|
Уровень подготовки пользователей
|
Тракторист должен иметь право на вождение трактора
соответствующей категории и знающий устройство и руководство по эксплуатации
культиватора и прошедший инструктаж по охране труда.
|
.2 Пространственные ограничения
|
Диапазон перемещения
|
Полоса разворота + раскладывание (складывание) маркеров.
|
|
Взаимодействие человека с культиватором
|
Необходимое пространство для обслуживания.
|
|
Обычный доступ тракториста к культиватору
|
Конструкция культиватора обеспечивает доступ тракториста к
культиватору.
|
|
Доступ к культиватору во время обслуживания
|
Конструкция культиватора обеспечивает безопасность монтажа,
эксплуатации, технического обслуживания и ремонта.
|
|
Контакт е человеком (человек - машина)
|
Управление процессом и обзор рабочих органов катка
обеспечивает тракторист - машинист с кабины трактора
|
|
Ограничения по установке (машина - трактор)
|
Культиватор соединяется с задним навесным устройством
трактора посредством автосцепки АС -1.
|
.3 Временные ограничения
|
Срок службы культиватора8 лет
|
|
|
Периодичность обслуживания
|
Согласно руководству по эксплуатации.
|
.4 Другие ограничения
|
СредаУмеренный климат, состояние почвы.
|
|
|
Домашнее хозяйство
|
Не относится.
|
|
Обрабатываемые материалы
|
Почва, удобрения.
|
Идентификация опасностей
.1 Изготовление машины
|
Зона опасности
|
Задание/действие
|
Вид опасности
|
Опасная ситуация, что на неё повлияло
|
Возможные повреждения
|
|
Несущая рама культиватора, пять окучников,
гребнеобразователь, туковысевающие аппараты, маркеры
|
Сварка, механическая обработка, плазменная резка,
термообработка, сборка, монтаж и испытание гидросистемы.
|
Механические опасности, световое излучение
|
Падающие детали, предметы, ослепление, неудобные позы.
|
Ссадины и ушибы, переломы, ухудшение зрения, усталость,
порезы.
|
.2 Установка/настройка машины
|
Зона опасности
|
Задание/ действие
|
Вид опасности
|
Опасная ситуация, что на не неё повлияло
|
Возможные повреждения
|
|
Агрегатирование культиватора
|
Соединение культиватора с трактором.
|
Механические опасности
|
Сила тяжести, недостаточная стабильность, острые края,
неисправный инструмент.
|
Ушибы, порезы, обдирание, защемление.
|
.3Ввод машины в эксплуатацию
|
Зона опасностиЗадание/действиеВид опасностиОпасная
ситуация, что на неё повлиялоВозможные повреждения
|
|
|
|
|
|
Трактор
|
Проверить давление в шинах трактора, заблокировать
поперечное перемещение нижних тяг стяжками заднего навесного устройства,
проверка гидрооборудования.
|
Механические опасности
|
Сила тяжести, течь масла с гидросистемы.
|
Удар, прижатие, попадание под колесо, тяжелые травмы.
|
|
Культиватор с трактором
|
Навесить культиватор на трактор, отрегулировать глубину
обработки почвы, зафиксировать навеску трактора
|
Механические опасности
|
Падающие предметы, сила тяжести, недостаточная
стабильность.
|
Удар, защемление, раны рук
|
|
Гидрооборудование
|
Подсоединение гидрооборудования культиватора к гидросистеме
трак- . тора.
|
Механические опасности, опасность от материалов и веществ.
|
Масло под давлением, обжигание горячим маслом.
|
Попадание масла на кожу или в глаза, ожог
|
Установка машины
.1 Монтаж / комплектации машины
|
Зона опасности
|
Задание/действие
|
Вид опасности
|
Опасная ситуация, что на неё повлияло.
|
Возможные повреждения
|
|
Культиватор
|
Досборка, удаление защитной смазки с деталей и узлов
культиватора, внешний осмотр составных частей на отсутствие механических
повреждений, проверка и подтяжка креплений, регулировка и настройка
культиватора.
|
Механические опасности
|
Утечка гидравлического масла, работа неисправным
инструментам.
|
Удар, ссадины, резаные раны.
|
обработка почва удобрение культиватор
.2 Работа машины
|
Зона опасности
|
Задание/действие
|
Вид опасности
|
Опасная ситуация; что на неё повлияло
|
Возможные повреждения
|
|
Культиватор с трактором
|
Работа с ровным рельефом. Уклон не должен превышать более
8°.невыровненность рельефа не более 14-16 см.
|
Механические опасности
|
Потеря стабильности и управляемости.
|
Ушибы
|
|
Культиватор с трактором
|
Рабочая скорость не должна превышать 7-9 км/ч., повороты выполнять
на пониженных скоростях.
|
Механические Опасности
|
Потеря стабильности и управляемости при резком торможении.
|
Ушибы, тяжелые травмы.
|
|
Культиватор с трактором
|
Не допускать заднего хода культиватора с опущенными
рабочими органами.
|
Механические Опасности
|
Удар, потеря стабильности управления.
|
Тяжелые травмы.
|
|
Культиватор с трактором
|
Движущиеся части, создающие опасность для работающих,
должны быть защищены ограждениями.
|
Механические Опасности
|
Удар.
|
Ушибы, тяжелые травмы.
|
.3 Поддержание / обслуживание машины
Особые опасности помимо тех, которые уже были идентифицированы
|
Зона опасности
|
Задание/действие
|
Вид опасности
|
Возможные повреждения
|
|
Культиватор
|
Очистка, смазка, техническое обслуживание
|
Механические Опасности
|
Подвижные элементы, сила тяжести, непрогнозируемое само-
опускание.
|
Прижатие, травмы.
|
.4 Возобновление работы машины
|
Зона опасностиЗадание /действиеВид опасностиОпасная
ситуация, что на неё повлиялоВозможные повреждения
|
|
|
|
|
|
Гидрооборудование
|
Замена разорванных шлангов, рукавов высокого давления.
|
Опасность от материалов и веществ.
|
Обжигание горячим маслом.
|
Травмы рук, ожог.
|
.5 Прогнозируемое неправильное использование
|
Зона опасностиЗадание/ действиеВид опасностиОпасная
ситуация, что на неё повлиялоВозможные повреждения
|
|
|
|
|
|
Культиватор с трактором
|
Запрещается находиться на культиваторе во время его
движения
|
Механические Опасности
|
Падение с культиватора при его движении.
|
Ушибы, тяжелые травмы
|
|
Культиватор с трактором
|
Запрещается находится возле культиватора при переводе его
из транспортного положения в рабочее и обратно, а также во время работы
культиватора.
|
Механические Опасности
|
Резкое опускание культиватора.
|
Ушибы, тяжелые травмы
|
|
Культиватор с трактором
|
Запрещается производить ремонтные работы на культиваторе в
транспортном положении
|
Механические Опасности
|
Раскладывание (складывание) маркеров.
|
Ушибы, тяжелые травмы
|
|
Культиватор с трактором
|
Эксплуатировать культиватор с неисправными или
неподключенными тормозами.
|
Механические опасности
|
Аварийная ситуация на дорогах, опрокидывание культиватора с
трактором.
|
Ушибы, тяжелые травмы, ДТП
|
Оценка рисков
|
ID Риска
|
Оценка риска (несмягченный, т.е. до дополнительных мер по
уменьшению риска)
|
Меры по уменьшению риска/смягчение
|
Оценка риска (смягченный, т.е. после дополнительных мер по
уменьшению риска)
|
Требуется дальнейшее снижение риска
|
|
S
|
F
|
О
|
А
|
RI
|
|
S
|
F
|
О
|
А
|
RI
|
|
|
4.1 Изготовление машины
|
|
4.1.1
|
S1
|
F1
|
02
|
А1
|
3
|
Инструкции по технике безопасности: по сварке № 010; по
сборке № 006; по окраске № 004. Технологические процессы на перемещение №
020,021,022.
|
S1
|
F1 1
|
01
|
А1
|
2
|
Нет :
|
|
4.2 Транспортировка машины
|
|
4.2.1
|
S2
|
F2
|
02
|
А1
|
3
|
Обозначены места строповки культиватора.
|
S2
|
F1
|
01
|
А1
|
2
|
Нет
|
|
4.2.2
|
S2
|
F2
|
02
|
А1
|
3
|
Предусмотрены стяжки.
|
S2
|
F1
|
01
|
А1
|
2
|
Нет
|
|
4.2.3
|
S2
|
F2
|
02
|
А1
|
3
|
Культиватор с трактором оборудован пневматической тормозной
системой.
|
S2
|
F1
|
01
|
А1
|
2
|
Нет
|
|
4.2.4
|
S2
|
F2
|
02
|
А1
|
3
|
Культиватор оборудован передними и боковыми
световозвращателями, задними многофункциональными фонарями по ГОСТ 8769-75.
|
S2
|
F1
|
01
|
А1
|
2
|
Нет
|
Оценка рисков
|
ID Риска
|
Оценка риска (несмягченный, т.е. до дополз нительных мер по
уменьшению риска)
|
Меры по уменьшению риска/смягчение
|
Оценка риска (смягченный, т.е. после дополнительных мер по
уменьшению риска)
|
Требуется дальнейшее снижение риска
|
|
S
|
F
|
O
|
A
|
RI
|
|
|
S
|
F
|
О
|
А
|
R1
|
|
|
4.3 Установка машины
|
|
4.3.1 Монтаж /комплектование машины (проводится конечным
пользователем)
|
|
4.3.1.1
|
S1
|
F1
|
O2
|
A1
|
1
|
|
|
4.3.2 Ввод машины в эксплуатацию
|
|
4.3.2.1
|
S2
|
F2
|
02
|
A1
|
3
|
В руководстве по эксплуатации имеются предупреждения и
указаны меры предосторожности.
|
S2
|
F1
|
01
|
А1
|
2
|
Нет
|
|
4.3.2.2
|
S1
|
F1
|
02
|
А1
|
2
|
|
|
|
|
|
|
Нет
|
|
4.3.2.3
|
S1
|
F1
|
02
|
А1
|
2
|
|
|
|
|
|
|
Нет
|
|
4.4 Нормальное использование машины
|
|
4.4.1 Установка/настройка машины
|
|
4.4.1.1
|
S1
|
F1
|
O2
|
A1
|
2
|
|
|
|
|
|
|
Нет
|
|
4.4.2 Работа машины
|
|
4.4.2.1
|
S1
|
F2
|
03
|
А1
|
2
|
|
|
|
|
|
|
Нет
|
|
4.4.2.2
|
S2
|
F2
|
02
|
А1
|
3
|
Предупреждение об опасности, оговорены меры безопасности.
|
S2
|
F1
|
01
|
А1
|
2
|
Нет
|
|
4.4.2.3
|
S2
|
F1
|
02
|
А1
|
3
|
Предупреждение об опасности, оговорены меры безопасности.
|
S1
|
F1
|
01
|
А1
|
2
|
Нет
|
|
4.4.2.4
|
S1
|
F2
|
03
|
А1
|
2
|
|
|
|
|
|
|
Нет
|
|
4.4.2.5
|
S2
|
F1
|
02
|
А1
|
3
|
В руководстве по эксплуатации имеются предупреждения и
указаны меры предосторожности.
|
S1
|
F1
|
01
|
А1
|
1
|
Нет
|
|
|
|
|
|
|
|
|
|
|
|
|
|
|
|
|
|
|
|
|
|
|
|
|
|
|
|
|
|
Оценка рисков
|
4.4.3 Разблокировка машины (не относится)
|
|
|
4.5 Поддержание / обслуживание машины
|
|
|
4.5.1 |S1 |F1 |02| А1 |2 |
|
S1
|
F1
|
O2
|
A1
|
2
|
|
|
|
|
|
|
|
|
|
|
Нет
|
|
|
4.6 Возобновление работы машины
|
|
|
4.6.1 | S1 |F2| 02 I А1|2 |
|
F2
|
O2
|
A1
|
2
|
|
|
|
|
|
|
|
Нет
|
|
4.7 Прогнози]
|
Прогнозируемое неправильное использование
|
|
|
4.7.1
|
S2
|
F1
|
02
|
А1
|
3
|
Запретное предупреждение в руководстве по эксплуатации.
|
S2
|
F1
|
01
|
А1
|
2
|
Нет
|
|
|
4.7.2
|
S2
|
F1
|
03
|
А1
|
3
|
Запретное предупреждение в руководстве по эксплуатации.
|
S2
|
F1
|
02
|
А1
|
2
|
Нет
|
|
|
4.7.3
|
S2
|
F1
|
02
|
А1
|
3
|
Запретное предупреждение в руководстве по эксплуатации.
|
S2
|
F1
|
01
|
А1
|
1
|
Нет
|
|
|
4.7.4
|
S2
|
F1
|
02
|
А1
|
3
|
Запретное предупреждение в руководстве по эксплуатации.
|
S2
|
F1
|
01
|
А1
|
2
|
Нет
|
|
|
4.7.5
|
S1
|
F2
|
03
|
А1
|
2
|
|
|
|
|
|
|
Нет
|
|
|
4.7.6
|
S1
|
F1
|
01
|
А1
|
2
|
Запретное предупреждение в руководстве по эксплуатации,
использование очков, респираторов.
|
S1
|
F1
|
01
|
А1
|
1
|
Нет
|
|
|
|
|
|
|
|
|
|
|
|
|
|
|
|
|
|
|
|
|
|
|
|
|
|
|
|
|
|
|
|
|
|
|
|
|
|
|
|
Регистр снижения риска
|
ID Риска
|
Необходимое мероприятие
|
Необходимо осуществить
|
Критерии верификации
|
|
5.1
|
В инструкциях по технике безопасности подробно описать
процессы сварки, сборки, окраски
|
Инженер по ОТ
|
ГОСТ Р ИСО 12100-1-2007 ГОСТ Р ИСО 12100-2-2007
|
|
5.1.1
|
Предусмотреть места строповки культиватора.
|
Конструктор
|
ГОСТРИСО 12100-1-2007 ГОСТ Р ИСО 12100-2-2007
|
|
5.1.2
|
Предусмотреть в конструкции культиватора наличие стяжек для
фиксации маркёров для перевода в транспортное положение или рабочее.
|
Конструктор
|
ГОСТ Р ИСО 12100-1-2007 ГОСТ Р ИСО 12100-2-2007
|
|
5.1.3
|
Культиватор с трактором оборудован пневматической тормозной
системой, предусматривающей автоматическое затормаживание агрегата при
аварийном отсоединении с трактором.
|
Конструктор
|
ГОСТ 12.2.111-85 ГОСТ Р ИСО 12100-1-2007 ГОСТ Р ИСО
12100-2-2007
|
|
5.1.4
|
Культиватор оборудован передними и боковыми
световозвращателями, задними многофункциональными фонарями.
|
Конструктор
|
ГОСТ 8769-75 ГОСТ Р ИСО 12100-1-2007 ГОСТ Р ИСО
12100-2-2007
|
|
5.1.5
|
Конструктор
|
ГОСТ Р ИСО 12100-1-2007 ГОСТ Р ИСО 12100-2-2007
|
|
5.1.6
|
В руководстве по эксплуатации указать: попороты выполнять
на пониженных скоростях
|
Конструктор
|
ГОСТ Р ИСО 12100-1-2007 ГОСТ Р ИСО 12100-2-2007
|
|
5.1.7
|
В руководстве по эксплуатации запретить поворот агрегата с
опушенными рабочими органами.
|
Конструктор
|
ГОСТ Р ИСО 12100-1-2007 ГОСТ Р. ИСО 12100-2-2007
|
|
5.1.8
|
В руководстве по эксплуатации запретить производить
очистку, регулировку, устранение неисправностей, техническое обслуживание
культиватора при работающем двигателе трактора.
|
Конструктор
|
ГОСТ Р ИСО 12100-1-2007 ГОСТ Р ИСО 12100-2-2007
|
|
5.1.9
|
На видных местах элементов конструкции культиватора нанести
предупредительные надписи.
|
Конструктор
|
ГОСТ Р ИСО 12100-1-2007 ГОСТ Р ИСО 12100-2-2007 СТБ ISO
4254-1-2011
|
|
5.1.10
|
В руководстве по эксплуатации запретить находиться на
культиваторе во время его движения.
|
Конструктор
|
ГОСТ Р ИСО 12100-1-2007 ГОСТ Р ИСО 12100-2-2007
|
|
5.1.11
|
В руководстве по эксплуатации запретить находиться возле
культиватора при переводе его из транспортного положения в рабочее и обратно,
а также во время работы катка
|
Конструктор
|
ГОСТР ИСО 12100-1-2007 ГОСТ Р ИСО 12100-2-2007
|
|
5.1.12
|
В руководстве по эксплуатации запретить производить
ремонтные работы на культиваторе в транспортном положении.
|
Конструктор
|
ГОСТ Р ИСО 12100-1-2007 ГОСТ'Р ИСО 12100-2-2007
|
|
5.1.13
|
В руководстве по эксплуатации запретить эксплуатировать
культиватор без ограждения приводы механизма туковысевающей системы.
|
Конструктор
|
ГОСТР ИСО 12100-1-2007 ГОСТ'Р ИСО 12100-2-2007
|
Выводы по оценке риска
|
6.1
|
Общие сведения
|
После усовершенствования и реализации совершенных
конструктивных решений была обеспечена безопасная эксплуатация культиватора.
Культиватор могут обслуживать только обученные, компетентные лица, знающие
его конструкцию и прошедшие инструктаж по охране труда. Чтобы исключить
человеческий фактор пользователя, который может увеличить риски,
рекомендуется регулярно проводить инструктаж персонала, соблюдать время
работы, а также проводить периодические медицинские осмотры.
|
|
6.2
|
Квалификация / категория риска
|
Риск, создаваемый культиватором во время его жизненного
цикла, оценивается как приемлемый риск - выдвинутые конструктивные и
технические требования выполнены. Реализованы конструктивные решения в целях
повышения безопасности эксплуатации культиватора с трактором согласно
требованиям применяемых стандартов. Культиватор необходимо эксплуатировать,
соблюдая требования техники безопасности и охраны труда.
|
|
6.3
|
Дальнейшее снижение риска
|
В культиватор внедрены все конструктивные решения,
обеспечивающие максимальные снижения рисков при эксплуатации. Оставшиеся
опасности в категорической форме изложены в руководстве по эксплуатации. При
транспортировке культиватора принимать во внимание специфику транспортировки.
|
.2 ПЕРЕЧЕНЬ СТАНДАРТОВ, ТРЕБОВАНИЯМ КОТОРЫХ СООТВЕТСТВУЕТ
КУЛЬТИВАТОР-ОКУЧНИК РАСТЕНИЕПИТАТЕЛЬ КОР-4
Культиватор-окучник растениепитатель КОР-4 соответствует ТР ТС 010/2011
«О безопасности машин и оборудования» и следующему перечню взаимосвязанных с
ним стандартов:
СТБ ISO 4254-1-2011 Машины
сельскохозяйственные. Требования безопасности. Часть 1. Общие требования.
ГОСТ 12.2.003-91 Система стандартов безопасности труда. Оборудование
производственное. Общие требования безопасности
ГОСТ 12.2.019-2005 Система стандартов безопасности труда. Тракторы и
машины самоходные сельскохозяйственные. Общие требования безопасности.
ГОСТ Р 53489-2009 Система стандартов безопасности труда. Машины
сельскохозяйственные навесные и прицепные. Общие требования безопасности.
ГОСТ 12.2.040-79 Система стандартов безопасности труда. Гидроприводы
объемные и системы смазочные. Общие требования безопасности к конструкции.
ГОСТ 12.2.086-83 Система стандартов безопасности труда. Гидроприводы
объемные и системы смазочные. Общие требования безопасности к монтажу, испытаниям
и эксплуатации.
ГОСТ 31177-2003 Безопасность оборудования. Требования безопасности к
гидравлическим и пневматическим системам и их компонентам. Гидравлика. СТБ EN 14017-2009 Машины для
сельскохозяйственных работ и лесоводства. Машины для внесения твердых
минеральных удобрений. Требования безопасности.
ГОСТ 26336-97 Тракторы, машины для сельского и лесного хозяйства,
самоходные механизмы для газонов и садов. Условные обозначения (символы)
элементов систем управления, обслуживания и отображения информации.
СТБ 1679-2006 Культиваторы для междурядной обработки почвы. Общие
технические условия.
ГОСТ 12.2.062-81 Система стандартов безопасности труда. Оборудование
производственное. Ограждения защитные.
ГОСТ Р 12.4.026-2001 Система стандартов безопасности труда. Цвета
сигнальные, знаки безопасности и разметка сигнальная. Назначение и правила
применения. Общие технические требования и характеристики. Методы испытаний.
5.3 Требования к руководству по эксплуатации
В соответствии п.8-9 ТР ТС 010/2011 введены новые требования к
Руководству по эксплуатации, в том числе по указанию перечня критических
отказов, возможных ошибочных действий персонала, которые приводят к инциденту
или аварии; критериям предельных состояний.
5.3.1 Требования безопасности
Требования безопасности при эксплуатации культиватора должны
соответствовать требованиям системы стандартов безопасности труда и правил по
технике безопасности при транспортировании, использовании, техническом
обслуживании, устранении неисправностей и хранении сельскохозяйственных машин,
действующим в каждом хозяйстве.
К работе с культиватором допускаются лица старше 18 лет, имеющие
соответствующую квалификацию, изучившие настоящее руководство по эксплуатации и
прошедшие инструктаж по технике безопасности.
Для предупреждения несчастных случаев запрещается:
Находиться возле культиватора при переводе его из транспортного положения
в рабочее и во время работы.
Выполнять повороты при нахождении культиватора в рабочем положении.
Производить очистку, устранение неисправностей, техническое обслуживание
культиватора при работающем двигателе трактора.
Производить какие-либо ремонтные работы на культиваторе, поднятом в
транспортное положение.
Влезать и находиться на подножке движущегося культиватора.
При погрузке и разгрузке культиватора строповку производить согласно
схеме.
Транспортная скорость культиватора на дорогах с твердым покрытием не
должна превышать 15 км/ч.
Транспортировка по выбитым дорогам и мостам требует особого внимания
тракториста, скорость не должна превышать 5 км/ч.
5.3.2 Досборка, наладка и обкатка изделия на месте
его применения
Досборку и настройку культиватора производить на ровной площадке, удобной
для подъезда трактора, с помощью подъемно-транспортных средств, используя
инструмент, приложенный к трактору.
Настройка культиватора при нарезке гребней с рыхлением междурядий и
внесением удобрений.
Установить культиватор, скомплектованный согласно рисунков 4 и 5 на
колеса, снять гребнеобразователь 2, предварительно подложив под колеса бруски
высотой, равной необходимой глубине обработки окучниками. Кронштейны 6 (рис. 4)
с S-образными стойками и окучниками
опустить максимально вниз, при этом окучники должны касаться поверхности
площадки.
Кронштейны 4 (рис.4) с S-образными
стойками 5 и долотовидными лапами опустить вниз ниже колес на необходимую
глубину обработки.
Окончательная регулировка положения рабочих органов осуществляется
непосредственно в поле при пробном проходе.
С помощью штурвала 5, винта 6 и согласно таблички 10 (рис. 8) задать
необходимую дозу внесения минеральных удобрений.
Для равномерного формирования гребней необходимо на гребнеобразователь
установить трубу 4 и накладки 3 (рис. 8).
Установить необходимые размеры гребня путем перестановки отвалов 2 в
регулировочные отверстия 5 (рис. 8).
Установить необходимую плотность гребня с помощью пружины 1, регулятора
2, предварительно сняв шплинт 3, зафиксировать болт 4 в необходимое
регулировочное отверстие 5, зафиксировать болт 6 в необходимое регулировочное
отверстие 7 (рис. 10)
Рисунок 10 - Регулировка плотности гребня
- пружина, 2 - регулятор, 3 - шплинт, 4 - болт, 5 - отверстие
регулировочное, 6 - болт, 7 - отверстие регулировочное
Рисунок 11 - Расстановка S -
образных стоек с долотовидными лапами при формировании гребня
Настройка культиватора при формировании гребней с рыхлением междурядий и
внесением удобрений до вегетации и при вегетации картофеля.
Установить культиватор, скомплектованный согласно рисунков 4 и 5 на
колеса, предварительно подложив под них бруски высотой, равной необходимой
глубине обработки окучниками. Кронштейны 6 (рис. 4.) с S-образными стойками и окучниками опустить максимально вниз,
при этом окучники должны касаться поверхности площадки.
Кронштейны 4 (рис. 4) с S-образными
стойками 5 и долотовидными лапами опустить вниз ниже колес на необходимую
глубину обработки. Окончательная регулировка положения рабочих органов
осуществляется непосредственно в поле при пробном проходе.
Для формирования гребней во время вегетации картофеля во избежание
повреждения ботвы культурных растений, необходимо с гребнеобразователя снять
накладки 3 и трубу 4 (рис. 8). Установить необходимые размеры гребня путем
перестановки отвалов 2 в регулировочные отверстия 5 (рис.8).
Установить необходимую плотность гребня с помощью пружины 1, регулятора
2, предварительно сняв шплинт 3, зафиксировать болт 4 в необходимое
регулировочное отверстие 5, зафиксировать болт 6 в необходимое регулировочное
отверстие 7 (рис. 10).
С помощью штурвала 5, винта 6 и согласно таблички 10 (рис. 8) задать
необходимую дозу внесения минеральных удобрений.
В зависимости от стадии развития сорняков, при их слабом укоренении
рекомендуется устанавливать ротора (рис. 12) под необходимым нужным углом
атаки. Угол атаки регулируется посредством перестановки стойки 3 и пальца 5 в
необходимое регулировочное отверстие 6 сегмента 4.
При обработке вегетирующего картофеля необходимо снять наставку 2 с
конуса 1. При малой высоте культурных растений возможно присыпание их роторами.
Для исключения этого явления необходимо снизить скорость трактора и изменить
угол атаки роторов.
Рисунок 12 - Ротор
- конус, 2 - наставка, 3 - стойка, 4 - сектор, 5 - палец, 6 - отверстие
регулировочное
5.3.3 Прогнозируемое неправильное использование
КОР-4
Прогнозируемое неправильное использование представлено в таблице 3
Таблица 3 - Прогнозируемое неправильное использование
|
Зона опасности
|
Задание/ действие
|
Вид опасности
|
Опасная ситуация, что на неё повлияло
|
Возможные повреждения
|
|
Культиватор с трактором
|
Запрещается находиться на культиваторе во время его
движения
|
Механические Опасности
|
Падение с культиватора при его движении.
|
Ушибы, Тяжелые травмы
|
|
Культиватор с трактором
|
Запрещается находится возле культиватора при переводе его
из транспортного положения в рабочее и обратно, а также во время работы
культиватора.
|
Механические Опасности
|
Резкое опускание культиватора.
|
Ушибы, тяжелые травмы
|
|
Культиватор с трактором
|
Запрещается производить ремонтные работы на культиваторе в
транспортном положении.
|
Механические Опасности
|
Раскладывание (складывание) маркеров.
|
Ушибы, тяжелые травмы
|
|
Культиватор с трактором
|
Эксплуатировать культиватор с неисправными или
неподключенными тормозами.
|
Механические опасности
|
Аварийная ситуация на дорогах, опрокидывание культиватора с
трактором.
|
Ушибы, тяжелые травмы, ДТП
|
5.3.4 Правила эксплуатации и регулировки
Перед заездом в междурядья определить проходы сажалки и вести обработку
междурядий только одного прохода сажалки.
Нельзя допускать, чтобы в захват культиватора входила часть рядков от
одного прохода сажалки и часть от другого.
Произвести опробование культиватора с целью окончательной регулировки
рабочих органов. Для этого произвести один-два пробных заезда. Проверить
глубину обработки, плотность и размеры гребня. Отрегулировать глубину хода
рабочих органов, убедиться в отсутствии повреждения культурных растений.
Перевод культиватора из транспортного положения в рабочее осуществлять
гидросистемой трактора, устанавливая рычаг распределительного устройства в
позицию "плавающее", чтобы обеспечить копировку рельефа поля, а из
рабочего в транспортное в позицию "подъем".
Запрещается при работе культиватора пользоваться позициями распределителя
"опускание" и "заперто", так как в этом положении возможна
деформация осей колес.
Поворот трактора производить только при выглубленных рабочих органах. При
опущенном культиваторе не подавать трактор назад.
При переездах через канавы и другие неровности обязательно поднимать
культиватор в транспортное положение. Несоблюдение этих правил может привести к
поломке культиватора.
Рабочая скорость движения выбирается из условий работы.
Камни, металлические предметы являются препятствием для работы
культиватора. Агрегат необходимо остановить, препятствие устранить, а затем
продолжить работу.
5.3.4.1 Ввод машины в эксплуатацию
Ввод машины в эксплуатацию представлена в таблице 4.
Таблица 4 - Ввод машины в эксплуатацию
|
Зона опасности
|
Задание/действие
|
Вид опасности
|
Опасная ситуация, что на неё повлияло
|
Возможные повреждения
|
|
Трактор
|
Проверить давление в шинах трактора, заблокировать
поперечное перемещение нижних тяг стяжками заднего навесного устройства,
проверка гидрооборудования.
|
Механические опасности
|
Сила тяжести, течь масла с гидросистемы.
|
Удар, прижатие, попадание под колесо, тяжелые травмы.
|
|
Культиватор с трактором
|
Навесить культиватор на трактор, отрегулировать глубину
обработки почвы, зафиксировать навеску трактора
|
Механические опасности
|
Падающие предметы, сила тяжести, недостаточная
стабильность.
|
Удар, защемление, раны рук
|
|
Гидрооборудование
|
Подсоединение Гидрооборудования культиватора к гидросистеме
трактора.
|
Механические опасности, опасность от материалов и веществ.
|
Масло под давлением, обжигание горячим маслом.
|
Попадание масла на кожу или в глаза, ожог
|
5.3.5 Перечень возможных неисправностей
Возможные
неисправности и методы их устранения приведены в таблице 5.
Таблица 5 - Возможные неисправности и методы их устранения
|
Неисправность
|
Причина
|
Способы устранения
|
|
1 Некачественное рыхление междурядий 2 Некачественное
рыхление междурядий 3. Некачественная обработка гребней. Поломка подшипника
ротора 4 Некачественная обработка гребней 5 Некачественная обработка гребней
6 Рабочие органы плохо заглубляются 7 Присыпание растений в рядках 8
Прекращение высева туков аппаратом 9 Забивание тукопроводов
|
Поломка лап Поломка стоек Ротор не вращается при работе
культиватора Износ зубьев ротора Поломка зубьев ротора Установка лап на
«пятку» Рабочие органы забиты сорняками Образование сводов туков в ящике
Забивается высевная щель Туки недостаточно размельчены и просеяны
|
Заменить лапу Заменить стойку Заменить подшипник Допустимый
износ зубьев 10 мм. Общая длина зуба не менее 50 мм. При большем износе
заменить зубья Установить зуб с помощью сварки Установите лапы в
горизонтальной плоскости Своевременно очистить рабочие органы Подсушить туки,
периодически разрушать своды
|
5.3.6 Утилизация
При разборке культиватора необходимо соблюдать требования инструкций по
технике безопасности при работе на ремонтном оборудовании.
Подготовку культиватора к утилизации необходимо проводить после
утверждения акта о его списании и назначения руководителя, ответственного за
проведение работ, и утвержденного плана по проведению утилизации.
Работы по утилизации необходимо проводить в местах,
оснащенных соответствующими грузоподъемными механизмами и емкостями для сбора
отработанных смазочных материалов, и других экологически вредных материалов.
Руководитель по проведению утилизации должен
предварительно определить наиболее ценные механизмы, узлы, отдельные сборочные
единицы, комплектующие изделия, детали, пригодные для дальнейшего использования
в качестве запасных частей.
Утилизация, проводится в следующей последовательности:
предварительно отсоединить опорные колеса и рабочие органы;
разобрать машину по узлам;
произвести разборку узлов и рабочих органов по деталям;
годные детали использовать для технологическо-ремонтных нужд, изношенные
списать по акту на металлолом.
Составные части, которые могут быть пригодны для дальнейшего
использования на момент утилизации: опорные колеса в сборе, стойки, лапы,
роторы, подшипники, ступицы, гайки стяжные, скобы, ящики сдаются на склад.
5.4 Схемы сертификации
В ТР ТС 010/2011 при проведении сертификации, установлены схемы
сертификации, отличающие от НСПС РБ, не ограниченный срок действия сертификата
соответствия для выпущенной партии; анализ состояния производства изготовителя
при наличии у изготовителя сертифицированной системы менеджмента качества
производства проводит орган по сертификации продукции(а не орган по
сертификации систем управления)
В
соответствии со статьей 11 п. 1 ТР ТС 010/2011 сертификация
<#"811843.files/image010.jpg">
Условные обозначения:
Рисунок 14 - Модель системы менеджмента качества РУП «НПЦ НАН Беларуси по
механизации сельского хозяйства», основанной на процессном подходе
СМК организации разработана и внедрена для:
демонстрации своей способности разрабатывать научно-техническую продукцию
(далее - продукцию), отвечающую требованиям потребителей и соответствующим
законодательным требованиям и другим обязательным требованиям, установленным
ТНПА и ТУ на конкретный вид продукции;
повышения удовлетворенности потребителей посредством эффективного
применения СМК, включая процессы постоянного ее улучшения и обеспечения
соответствия требованиям потребителей и обязательным требованиям при
проектировании сельскохозяйственной техники.
СМК направлена на достижение результатов в соответствии с целями в
области качества для удовлетворения потребности потребителей при проектировании
сельскохозяйственной техники. Схема процессов и процедур СМК организации
приведена на рисунке 15. Структура управления СМК организации приведена на
рисунке 16.
СМК разработана, задокументирована, внедрена и поддерживается в рабочем
состоянии, её результативность постоянно улучшается в соответствии с
требованиями СТБ ISO 9001 и
совершенствуется в соответствии с требованиями СТБ ИСО 9004.
Разработка осуществлялась в соответствии с планом-графиком работ,
одобренным КС и утвержденным генеральным директором. В разработке принимали
активное участие все работники структурных подразделений организации,
участвующие в создании сельскохозяйственной техники.
Документы СМК, включая настоящее руководство, разработаны в соответствии
с требованиями СТБ ISO 9001 и
содержат руководящие указания по обеспечению соответствия продукции
установленным требованиям, управлению процессами и деятельностью организации,
связанных с производством и обеспечению результативности СМК в целом.
В соответствии с требованиями СТБ ISO 9001 в СМК организации установлены следующие процессы
и назначены владельцы процессов:
Таблица 7 - Владельцы процессов
|
Наименование процесса
|
Обозначение ДП
|
Владелец процесса
|
|
1. Управление научно-исследовательскими работами
|
СТП 027п
|
Первый заместитель генерального директора, заместитель
генерального директора по научно-инновационной работе
|
|
2. Управление опытно-конструкторскими работами
|
СТП 028п
|
Первый заместитель генерального директора, заместитель
генерального директора по научно-инновационной работе
|
|
3. Управление исследовательскими и предварительными
испытаниями
|
СТП 029п
|
Заместитель генерального директора по внедрению и
испытаниям
|
|
4. Анализ системы менеджмента качества и постоянное её
улучшение
|
СТП 030п
|
Генеральный директор
|
|
5. Управление персоналом
|
СТП 031п
|
Заместитель генерального директора по кадрам и
идеологической работе
|
Оценка результативности СМК и ее соответствие требованиям СТБ ISO 9001 осуществляется руководством
организации с учетом решений и рекомендаций КС. Деятельность КС осуществляется
в соответствии с Положением о Координационном совете по качеству.
Рисунок 15 - Схема процессов и деятельности системы менеджмента качества
РУП «НПЦ НАН Беларуси по механизации сельского хозяйства»
Рисунок 16 - Структура управления СМК РУП «НПЦ НАН Беларуси по
механизации сельского хозяйства»
Статус, обязанности, полномочия и ответственность Координационного совета
по качеству, представителя руководства, ответственного за СМК, ответственных за
функционирование СМК структурного подразделения приведены в соответствующих
положениях, входящих в комплект документов СМК.
Улучшение результативности СМК осуществляется в организации в
соответствии с положениями и требованиями настоящего руководства, изложенными в
разделе 8 «Измерение, анализ и улучшение», в соответствии с требованиями СТП
030п, СТП 012, СТП 013.
7. ОХРАНА ТРУДА
7.1 Анализ состояния охраны
труда на РУП «НПЦ НАН Беларуси по механизации сельского хозяйства»
Основной принцип охраны труда - предотвращение
производственного травматизма и профессиональной заболеваемости.
Вовремя предотвратить несчастный случай - главная
цель, задача, основной принцип в деле обеспечения охраны труда. Важным
приоритетом развития Общества является создание условий профессиональной
безопасности, способствующих сохранению жизни и здоровья рабочего персонала.
Для создания таких условий разработана и функционирует
система управления охраной труда в соответствии с СТБ 18001-2009, которая
обеспечивает получение объективной информации об объектах управления,
планирование работы по охране труда, распределение обязанностей по охране труда
от руководителя до работника, координацию работы по охране труда, контроль за
соблюдением действующего законодательства об охране труда и подготовку
предложений по результатам проверок.
А также основными задачами в области охраны труда и
промышленной безопасности являются:
обеспечение сохранения жизни и здоровья работников в
процессе трудовой деятельности;
обеспечение безопасной эксплуатации производственных
объектов, предупреждение аварий, снижение возможного ущерба от их последствий;
обеспечение выполнения законодательства в области охраны
труда и промышленной безопасности.
Система управления предусматривает непрерывное
управление всеми видами деятельности, которые прямо или косвенно направлены на
обеспечение охраны труда и промышленной безопасности на производстве.
На РУП «НПЦ НАН Беларуси по механизации сельского
хозяйства» утверждена политика в области охраны труда и промышленной
безопасности, которая периодически анализируется для гарантии об актуализации,
обеспечивает основу для установления целей в области охраны труда, общедоступна
и доведена до всех работников. Политика в области охраны труда включает
обязательства по постоянному улучшению системы управления охраной труда и ее
результативности.
Главной целью политики является создание здоровых и
безопасных условий труда работников Общества путём сведения к минимуму причин
производственного травматизма и профессиональной заболеваемости, аварий и
инцидентов на производственных объектах, на сколько это обосновано и
практически осуществимо с учётом характера деятельности Общества.
Для реализации поставленной цели определены следующие
задачи:
охрана труда и промышленная безопасность на
производстве - один из главных факторов социальной защищённости работающих, их
семей и близких;
соблюдение законодательства в области охраны труда и
промышленной безопасности, обеспечение безаварийной работы производственных
объектов, здоровых и безопасных условий труда;
предупреждение аварий, инцидентов, несчастных случаев,
профессиональных заболеваний на производстве;
создание высокого уровня безопасности и охраны труда
на производстве;
обеспечение должного обучения, систематического
повышения квалификации работников по вопросам безопасности и охраны труда;
организация эффективного контроля в процессе
производства, анализ и оценка состояния охраны труда и промышленной
безопасности, своевременное принятие корректирующих и управленческих решений;
систематическое информирование работников об условиях
труда, производственном травматизме, аварийности, профессиональной
заболеваемости, материальных и моральных последствиях от них;
7.2 Разработка мер безопасности при эксплуатации КОР-4
Для безопасности при эксплуатации культиватора КОР-4 разработана
инструкция .
Общие требования охраны труда перед началом работы
Перед работой с КОР-4 следует ознакомиться с инструкцией по эксплуатации
и правилами безопасности. Необходимо следовать всем правилам и требованиям
безопасности, перечисленным в данном руководстве. Производитель не несет
ответственность за несчастные случаи и поломки культиватора в результате не
соблюдения техники безопасности!
Эксплуатацию, обслуживание и ремонт КОР-4 следует производить только
силами специалистов, прошедших инструктаж по технике безопасности.
Также следует соблюдать общие правила охраны труда и профилактики
несчастных случаев.
Остальных пользователей, допущенных к работе с культиватором, также
следует проинформировать о правилах техники безопасности.
Данное оборудование предназначается только для обработки почвы в сельском
хозяйстве.
Требования охраны труда во время работы
Требования охраны труда при эксплуатации культиватора должны
соответствовать требованиям системы стандартов безопасности труда и правил по
технике безопасности при транспортировании, использовании, техническом
обслуживании, устранении неисправностей и хранении сельскохозяйственных машин,
действующим в каждом хозяйстве.
К работе с культиватором допускаются лица старше 18 лет, имеющие
соответствующую квалификацию, изучившие настоящее руководство по эксплуатации и
прошедшие инструктаж по технике безопасности.
Для предупреждения несчастных случаев запрещается:
Находиться возле культиватора при переводе его из транспортного положения
в рабочее и во время работы.
Выполнять повороты при нахождении культиватора в рабочем положении.
Производить очистку, устранение неисправностей, техническое обслуживание
культиватора при работающем двигателе трактора.
Производить какие-либо ремонтные работы на культиваторе, поднятом в
транспортное положение.
Влезать и находиться на подножке движущегося культиватора.
Требования охраны труда после окончания работы.
При погрузке и разгрузке культиватора строповку производить согласно
схеме строповки (рис. 17).
Рисунок 17 - Схема строповки культиватора
Транспортная скорость культиватора на дорогах с твердым покрытием не
должна превышать 15 км/ч.
Транспортировка по выбитым дорогам и мостам требует особого внимания
тракториста, скорость не должна превышать 5 км/ч.
7.2.1 Знаки безопасности
Для упрощения работы с руководстве по эксплуатации
используются символы, которые соответствуют требованиям ГОСТ 26336-97
Таблица 8 - знаки безопасности
В руководстве по эксплуатации и на культиваторе находятся предупреждающие
наклейки (таблица 9), для безопасного использования, которые соответствуют
требованиям ГОСТ 26336-97.
Таблица 9 - Предупреждающие наклейки
|
1 Инструкции Прочтите инструкцию по эксплуатации и
следуйте ее указаниям. Перед работой с КОР-4 ознакомьтесь с инструкцией по
эксплуатации и техникой безопасности
|
|
|
2 Опасность получения травм Запрещается находиться в
рабочей зоне подвижных механизмов (только складывающийся вариант)
|
|
|
3 Вращающиеся диски Во время вращения дисков люди должны
находиться от них на безопасном расстоянии
|
|
|
4 Подвижные элементы Запрещается находиться в рабочей зоне
механизмов складывания (только складывающийся вариант)
|
|
|
|
5 Запрещается находиться в рабочей зоне подвижных
элементов Не приближайтесь к транспортным колесам (прицепной вариант).
Помните о риске попасть в область между роликом и колёсами или под колеса.
|
|
|
|
6 Инструкции Прочтите инструкцию по эксплуатации и
следуйте ее указаниям. Перед работой или обслуживанием культиватора
ознакомьтесь с инструкцией по эксплуатации и следуйте ее указаниям.
|
|
|
|
|
|
7.3 Опасные зоны
На культиваторе - окучнике растенепитателе, опасными зонами являются:
1) Навесной культиватор и его агрегатирование с трактором при
транспортном и рабочем ходе.
2) Механизмы раскладывания маркеров, которые предназначены для
образования следа на незасаженной поверхности почвы для последующего движения
по ним переднего колеса трактора.
) Маркеры, увеличение опасной зоны (в метрах) в рабочем положении,
И предохранение острых поверхностей маркера в транспортном положении
) Гидрооборудование, повреждения при разрыве РВД.
5) Площадка для обслуживания, при проверке работоспособности
агрегата.
) Пружина. Неожиданно отпущенная пружина может нанести серьезную
травму.
7.4 Обеспечение пожарной безопасности на
объектах проектирования
Основным документом, регламентирующим деятельность по обеспечению
пожарной безопасности, является Закон РБ “О пожарной безопасности”. Он
определяет правовую основу и принципы организации системы пожарной безопасности
и государственно пожарного надзора, действующих в целях защиты от пожаров жизни
и здоровья людей.
Под пожарной безопасностью подразумевается такое состояние объекта, при
котором с большой вероятностью предотвращается возможность возникновения
пожара, а в случае его возникновения обеспечивается эффективная защита людей от
опасных и вредных факторов пожара и спасение материальных ценностей.
Основными причинами возникновения пожаров и связанных с ними взрывов
являются:
нагрев элементов оборудования, вентиляционных вытяжек или дымовых труб
при недостаточной теплоизоляции их от сгораемых частей зданий
электрический нагрев и искрение элементов электрооборудования при
коротких замыканиях
образование электрической дуги при слабом контакте соединений
курение в неположенных местах
пламя и искры
7.4.1Организационно-технические мероприятия
пожарной безопасности
- организация пожарной охраны соответствующего вида, численности и
технической оснащенности;
паспортизация веществ, материалов, изделий;
- организация обучения работающих правилам пожарной безопасности;
- разработка мероприятий по действиям администрации и работающих на
случай возникновения пожара и организации эвакуации людей.
Категорию помещения по взрывоопасной и пожарной опасности определяем в
соответствии с ТКП 474-2013. Поскольку в помещении имеются горючие и трудно
горючие вещества и материалы, способные гореть при соединении с кислородом, то
оно относиться к категории В4: пожароопасная. Условия развития пожаров в
помещениях во многом определяются степенью огнестойкости их стен. Цеха, в
которых проводят сборку изделий, по своей степени огнестойкости относятся к
I-ой категории. Характеристика категории здания приведена в таблице 10
Таблица 10 - Характеристика категории здания
|
Категория здания
|
Строительные материалы, применяемые в зданиях
|
|
I
|
Здания с несущими и ограждающими конструкциями из
естественных или искусственных каменных материалов, бетона или железобетона с
применением листовых и плиточных негорючих материалов
|
Исходя из этого нормируется степень огнестойкости здания, представлена в
таблице 11.
Таблица 11 - Степень огнестойкости здания
|
Степень огнестойкости здания
|
Предел огнестойкости и класс пожарной опасности
строительных конструкций
|
|
несущие элементы здания
|
самонесущие стены
|
наружные несущие стены
|
перекрытия междуэтажные
|
элементы бесчердачных покрытий
|
лестничные клетки
|
|
|
|
|
|
настилы, в т.ч. с утеплителем
|
фермы, балки, прогоны
|
внутренние стены
|
Марши и площадки
лестничные
|
|
I
|
R 120-KO
|
RE 90-KO
|
E 60-KO
|
REI 90-KO
|
RE 30-KO
|
R 30-KO
|
REI 120-KO
|
R 60-KO
|
В качестве огнегасительных средств предусмотрены порошкообразные
вещества, покрывала из негорючих материалов (асбеста и др.), т.к. их используют
при тушении пожаров оборудования и аппаратов, находящихся под напряжением.
Порошковые составы практически нетоксичны, не оказывают вредных воздействий на
материалы и используются в виде пылевого облака или в сочетании с распыленной
водой и пенными средствами тушения. Порошок подается в основном из баллонов со
сжатым азотом, углекислым газом или воздухом.
Практика борьбы с пожарами показала, что очень эффективным является
применение первичных средств пожаротушения. Они предназначены для ликвидации
начинающихся очагов пожара силами персонала, обнаружившего загорание. Наиболее
приемлемыми для применения в производственных помещениях являются следующие
первичные средства пожаротушения:
·
углекислотные (ОУ - 2, ОУ - 5, ОУ - 8) и порошковые (ОП - 10, ОП - 1);
·
пожарные щиты,
укомплектованные шансовым инструментом (багор, кирка, лопата);
·
ящики с песком.
Для обнаружения источников загорания в помещениях необходимо
устанавливать системы пожарной безопасности.
Эвакуация людей и оборудования из зданий осуществляется через
эвакуационные выходы, коридоры, двери, лестничные площадки, лестницы,
отделяемые от смежных помещений противопожарными перегородками, а также
обеспечивающими хороший подход к ним со стороны рабочих помещений, балконов,
лоджий, галерей, лифтов.
. ЭКОНОМИЧЕСКАЯ ЧАСТЬ
8.1 Экономическое обоснование плановой
себестоимости разработки документации по проведению подтверждению соответствия
Основной задачей раздела является определение себестоимости
разработки документации для проведения сертификации.
Основными направлениями расходов при подготовке данного продукта труда
являются:
материалы ;
основная заработная плата основных рабочих;
дополнительная зарплата основных рабочих;
отчисления в фонд социальной защиты;
общехозяйственные расходы;
общепроизводственные расходы;
коммерческие расходы;
нормативная прибыль на единицу продукции;
налог на добавленную стоимость.
Произведем расчет по основным статьям затрат:
а) Сырье и основные материалы . Стоимость сырья и основных
материалов определяется по формуле:
, (1)
- цена материала i-ого вида, руб/шт;
- коэффициент, учитывающий транспортно-заготовительные
расходы;
- величина возвратных отходов по материалу i-ого вида, шт;
- цена отходов i-ого вида, руб/шт;
i -
количество видов сырья и материалов.
Расчет затрат по статье «Сырье и основные материалы за вычетом возвратных
отходов» приведен в таблице 13
Таблица 13 - Затраты по статье «Сырье и основные материалы за вычетом
возвратных отходов»
|
Материал
|
Единица измерения
|
Нужное количество
|
Цена за единицу, руб.
|
Стоимость нужного количества, руб.
|
|
Бумага
|
Упаковка
|
2
|
50000
|
100000
|
|
Ручка
|
шт.
|
5
|
2000
|
10000
|
|
Карандаш
|
|
2
|
1000
|
2000
|
|
Скрепки
|
Упаковка
|
3
|
3000
|
9000
|
|
Ластик
|
шт.
|
2
|
2000
|
4000
|
|
Дырокол
|
|
1
|
30000
|
30000
|
|
Папка
|
шт.
|
3
|
5000
|
15000
|
|
Картридж
|
|
1
|
80000
|
80000
|
а) Основная заработная плата основных рабочих
К данной статье относится заработная плата основных инженерно-технических
работников, которые непосредственно заняты разработкой документации. Расчет
производится исходя из месячного оклада работника и фактической трудоемкости на
проведение работ по внедрению методики. Результаты расчета представим в таблице
14
Таблица 14 - Расчет по статье «Основная заработная плата основных
рабочих»
|
Должность
|
Месячный оклад, руб.
|
Время работы, мес.
|
Размер основной зар. платы, руб.
|
|
Ст. инженер
|
1800000
|
2,5
|
4500000
|
|
Начальник Ст и С
|
3000000
|
1,5
|
4500000
|
|
Итого основной заработной платы, руб.
|
9000000
|
в) Дополнительная заработная плата основных рабочих
Дополнительная заработная плата составляет 20 % от основной заработной
платы и рассчитывается по следующей формуле
, ( 2)
где
- заработная плата основных рабочих;
-
процент дополнительной заработной платы (
= 20 %).
Расчет
дополнительной заработной платы представим в таблице 8.3.
Таблица 15 - Расчет по статье «Дополнительная заработная плата основных
рабочих»
|
Должность
|
Заработная плата
|
|
основная, руб.
|
дополнительная, руб.
|
|
Начальник отдела СТ и С
|
4500000
|
900000
|
|
Ст. инженер
|
4500000
|
900000
|
Таким образом общие затраты на дополнительную заработную плату основных
рабочих составят 18000000 руб.
г) Отчисления на социальные нужды
Отчисления на социальные нужды включают в себя отчисления в фонд
социальной защиты населения и отчисления в страховой фонд. Определяются в
зависимости от основной и дополнительной заработной платы рабочих с учетом
коэффициентов Нос = 34 % (для фонда социальной защиты населения) и Нстрах
= 1 % (для страхового фонда):
где
- отчисления на социальные нужды;
- заработная плата основных рабочих;
- дополнительная заработная плата основных рабочих;
Нос - отчисления для фонда социальной защиты населения;
Нстрах - отчисления для страхового фонда.
руб. (4)
руб. (5)
Таким
образом, отчисления на социальные нужды составят 405000 руб.
д) Общехозяйственные расходы
Общехозяйственные расходы составляют 120 % от основной заработной платы
рабочих и определяются:
где
- общехозяйственные расходы;
- заработная плата основных рабочих.
руб. (7)
е) Общепроизводственные расходы
Общепроизводственные расходы составляют 100 % от основной заработной
платы рабочих и определяются:
где
- общехозяйственные расходы.
- заработная плата основных рабочих;
руб. (9)
ж) Прочие производственные расходы
Прочие расходы составляют 2 % от суммы всех расчетных расходов на
проведение работ:
руб.
(10)
Производственная
себестоимость разработки документации по внедрению сертификации составит:
(11)
з) Коммерческие расходы
Коммерческие расходы составляют 2 % от производственной себестоимости:
руб. (12)
Полная себестоимость составит:
руб. (
13)
Нормативная прибыль составляет 15 % от полной себестоимости разработки
документации:
(14)
где
Пн
нормативная прибыль;
Сп
полная себестоимость.
(15)
Стоимость разработки без учета НДС
(16)
Налог на надбавленную стоимость составляет 20 %
(17)
где Цотп отпускная цена.
Стоимость разработки с учетом НДС
(18)
8.2 Калькуляция стоимости работ
На основании полученных данных по отдельным статьям затрат составляется
калькуляция стоимости работ в целом по разработке комплекта документов для
сертификации по форме приведенной в таблице 16
Таблица 16 - Калькуляция отпускной цены разработки документации
|
Статья затрат
|
Сумма, руб.
|
|
Материалы, покупные изделия и т.п.
|
250000
|
|
Основная заработная плата
|
4500000
|
|
Дополнительная заработная плата
|
900000
|
|
Отчисления в фонд социальной защиты
|
405000
|
|
Общехозяйственные расходы
|
5400000
|
|
Общепроизводственные расходы
|
4500000
|
|
Прочие производственные расходы
|
317752
|
|
Коммерческие расходы
|

|
|
Полная себестоимость
|
|
|
Прибыль
|
|
|
Стоимость разработки без НДС
|

|
|
Налог на надбавленную стоимость
|
|
|
Стоимость с НДС
|
|
Вывод:
стоимость работ по разработке документации составляет
22553632,908 руб.
Введение
ТР ТС на подтверждение соответствия позволяет в место трёхкратного проведения
сертификации, провести одно для трёх стран.
Экономический
эффект = (22553632*3)-22553632=45107264 руб.