Разработка технологического процесса на изготовление детали 'Вал'
Минстерство
образования и науки Республики Казахстан
Западно-Казахстанский
аграрно-технический университет
имени
Жангир хана
Пояснительная
записка
к курсовому
проекту по «Основам технологии машиностроения»
на тему:
Разработка технологического процесса на изготовление детали «Вал»
Уральск
2012
Введение
Машиностроение является технической основой
интенсификации материального производства, а следовательно, ведущей отраслью
промышленности. Поэтому технический уровень выпускаемых изделии в значительной
мере определяет развитие и уровень всех отраслей промышленности.
В настоящее время основная задача машиностроения
заключается в расширении и совершенствовании индустриальной базы разбития
экономики, в повышении технического уровня и эффективности производства, его
рентабельности, организации, мобильности, экономии производственных и трудовых
ресурсов, улучшении качества продукции, автоматизации производства.
Для машиностроения на современном этапе развития
характерны следующие особенности:
1) Постоянное
усложнение конструкций выпускаемых изделий;
2) Увеличение
номенклатуры изделий,-
3) Частая
смена объектов производства;
4) Сокращение
сроков освоения продукции;
5) Уменьшение
относительной доли трудоспособного населения, занятого в сфере материального
производства,
6) Привлечение
рабочих, инженеров и техников высокой квалификации.
Совершенствование машин, увеличение их сроков
службы, повышение скоростей и производительности, снижение габаритов и веса, а
также повышение точности требует дальнейшего улучшения качества конструкции
выпускаемых корпусов, валов и втулок: повышения их грузоподъемности,
долговечности и надежности, точности и скорости вращения; уменьшения их веса и
шумности.
В условиях рыночной экономики одной из самых
важных задач машиностроения является повышение эффективности производства и
производительности технологического оборудования. Вместе с тем важным условием
определяющим успех предприятия на рынке является повышение качества выпускаемой
продукции по сравнению с ее аналогами.
Целью курсового проекта является разработка
механического участка производства крышки с разработкой технологического
процесса механической обработки с годовой программой выпуска 200 штук.
Для повышения эффективности технологического
процесса проводится анализ исходных данных, анализ процесса обработки крышки
при заданном объёме производства, выбор заготовки, выбираются и рассчитываются
заданные режимы обработки, определяются величины припусков на обработку,
необходимое технологическое оборудование и разрабатываются технологические
операции.
1. Анализ исходных
данных
.1 Определение типа производства
Тип производства - совокупность
организационно-технических и экономических характеристик и особенностей
сочетания факторов и элементов организации производства, обусловленных
номенклатурой, масштабом и регулярностью выпуска продукции.
Основой классификации типов производства на
предприятии являются следующие факторы:
· номенклатура выпускаемой продукции, которая
характеризует специализацию производства
· масштаб выпускаемой продукции (объем выпуска);
· периодичность выпуска;
· характер загрузки рабочих мест и их
специализация, т.е. закрепление за рабочими местами определенных операций
технологического процесса.
В зависимости от сочетания перечисленных форм
организации производства и его элементов различают следующее типы производства:
· массовый,
· серийный,
· единичный.
Массовое производство. Характеризуется
непрерывным изготовлением большого количества одних и тех же или нескольких
однотипных изделий. Массовое производство ориентировано на выпуск ограниченной
номенклатуры стандартизованной продукции (изделий) в больших объемах на
протяжении относительно длительного периода бремени. Оборудование специальное,
вид движения предметов труда - параллельный. Цехи и участки специализированны
преимущественно по предметному принципу. Заводы имеют простую и четко
определенную производственную структуру. Например, автомобили, тракторы,
продукция сельскохозяйственного машиностроения.
Серийное производство. Изготовление конструктивно
одинаковых изделий партиями или сериями определенного размера, периодически
повторяющимися через промежутки времени.
Мелкосерийное производство - тип организации
производственного процесса, при котором подразделения или обрабатывающие центры
специализируются на определенных операциях. Обрабатываемые изделия выпускаются
небольшими партиями широкой номенклатуры. Регулярность чередования партии в
течение года либо отсутствует, либо нерегулярна, а размеры серий неустойчивы;
предприятие все бремя осваивает новые изделия и прекращает выпуск ранее
освоенных.
Среднесерийное производство занимает
промежуточное место между мелкосерийным и крупносерийным. Для данного типа
производства характерно большое количество серий ограниченной номенклатуры.
Серии повторяются с известной регулярностью по периоду запуска и числу изделий
в партии; годичная номенклатура бее же шире, чем номенклатура выпуска б каждом
месяце. За рабочими местами закреплена более узкая номенклатура операции
Оборудование универсальное и специальное, вид движения предметов труда -
параллельно-последовательный. Заводы имеют развитую производственную структуру,
заготовительные цеха специализируются по технологическому принципу, а в
механосборочных цехах создаются предметно-замкнутые участки.
Крупносерийное производство характеризуется
закреплением за рабочим местом небольшого числа операции, а партии
обрабатываемых изделий велики и устойчиво повторяются, через заранее
определенные промежутки времени. В крупносерийном производстве номенклатура
выпускаемой продукции устойчива, но ограничена. Рабочие места имеют более узкую
специализацию. Оборудование преимущественно специальное, виды движения
предметов труда - параллельно-последовательный и параллельный. Заводы имеют
простую производственную структуру, обрабатывающие и сборочные цеха
специализированны по предметному принципу, а заготовительные - по
технологическому. Крупносерийное производство принимает черты массового типа
производства.
Единичное производство. Ориентировано на выпуск
штучных изделий разнообразной и непостоянной номенклатуры конкретного
назначения, когда каждая единица конечной продукции уникальна по конструкции,
выполняемым задачам, местоположению или по каким-либо другим важным признакам.
Это делает невозможным постоянное закрепление операций за отдельными рабочими
местами. При этом типе производства применяют универсальное оборудование и в
основном последовательный вид движения партий деталей по операциям
технологического процесса. Заводы имеют сложную производственную структуру, а
цеха специализированны по технологическому принципу.
Определим тип производства по заданной годовой
программе выпуска изделий и коэффициенту закрепления операций Кз.о. по формуле:
К
=60Ф
/Т
N (1)
где Ф
- действительный годовой фонд времени, час;
Т
- среднее значение
нормы времени по основным операциям, мин.
N - годовой объем выпуска изделий, шт.,
Действительный годовой фонд времени определим по
формуле:
Ф.=[(365 - в.д. - п.д.)
8.2
- п.п.д.]zК
(2)
где Ф
- номинальный годовой фонд времени, час.-
в.д. - выходные дни, в.д. = 104
п.д. - праздничные дни, п.д. = 8
п.п.д. - предпраздничные дни, п.п.д. = 6
z - число смен рабочего
оборудования. z = 2
К
- коэффициент, учитывающий время пребывания станка в
ремонте,
К
=0,95 - 0, 97
По справочным данным определяем:
Ф
= 3975ч (если
принять, что Ф
= 4056 ч., учитывая
потери, которые составляют 2%).
Т
=2,8 мин.= 5 000 шт
К
= 60
3883,6/5000
2,15
= 21,67
Т.к. 20 <К
<
40, следовательно данный коэффициент соответствует среднесерийному производству.
.2 Служебное назначение детали «Корпус»
Данная деталь применяется в узлах
сельскохозяйственного оборудования. Она выполняет роль фланца в сборочном узле,
тем самым передает крутящий момент, с помощью шлицевого соединения. Данный
фланец соединяется с валом шлицевой поверхностью, крепится с помощью ч болтов.
.3 Материал детали и его свойства
Сталь и его свойства.
Сталь по химическому составу
делится на две группы: углеродистую и легированную, по качеству - на сталь
обыкновенного качества, качественную, повышенного качества, высококачественную
и особовысококачественную.
Углеродистой сталью называется
сплав железа с углеродом (содержание углерода до 2%) с примесями кремния, серы
и фосфора, причем главной составляющей, определяющей свойства, является углерод.
Процентное содержание элементов
в стали примерно следующее: Fe - до 99,0; С - 0,05-2,0; Si - 0,15-0,35; Mn -
0,3-0,8; S - до 0,06; P - до 0,07.
К недостаткам углеродистой
стали относятся:
отсутствия сочетания прочности
и твердости с пластичностью;
потеря твердости и режущей
способности при нагревании до 200°C и потери прочности при высокой температуре;
низкая коррозионная
устойчивость в среде электролита, в агрессивных средах, в атмосфере и при
высоких температурах;
низкие электротехнические
свойства;
высокий коэффициент теплового
расширения;
увеличение веса изделий,
удорожание их стоимости, усложнение проектирования вследствие невысокой
прочности этой стали.
Легированной называется сталь,
в которой наряду с обычными примесями имеются легированные элементы, резко
улучшающие ее свойства: хром, вольфрам, никель, ванадий, молибден и др., а
также кремний и марганец в большом количестве. Примеси вводятся в процессе
плавки.
По химическому составу (ГОСТ
5200) легированная сталь делится на три группы:
низколегированная сталь - не
более 2,5% примесей;
среднелегированная - 2,5-10%;
высоколегированная - свыше 10%.
Легированная сталь обладает
ценнейшими свойствами, которых нет у углеродистой стали, и не имеет ее
недостатков. Применение легированной стали повышает долговечность изделий,
экономит металл, увеличивает производительность, упрощает проектирование и
потому в прогрессивной технике приобретает решающее значение.
Сталь 45 Общие сведения
|
Вид
поставки
|
|
отливки
ГОСТ 1050-74, ГОСТ 2590-71, ГОСТ 2591-71, ГОСТ 2879-69, ГОСТ 8509-86, ГОСТ
8510-86, ГОСТ 8239-72, ГОСТ 8240-72, ГОСТ 10702-78.
|
|
Назначение
|
|
Вал-шестерни,
коленчатые и распределительные валы, шестерни, шпиндели, бандажи, цилиндры,
кулачки и другие нормализованные, улучшаемые и подвергаемые поверхностнй
термообработке детали, от которых требуется повышенная прочность.
|
Химический состав
|
Химический
элемент
|
%
|
|
Кремний
(Si)
|
0.17-0.37
|
|
Медь
(Cu), не более
|
0.25
|
|
Мышьяк
(As), не более
|
0.08
|
|
Марганец
(Mn)
|
0.50-0.80
|
|
Никель
(Ni), не более
|
0.25
|
|
Фосфор
(P), не более
|
0.035
|
|
Хром
(Cr), не более
|
0.25
|
|
Сера
(S), не более
|
0.04
|
Механические свойства в зависимости от сечения
|
Сечение,
мм
|
s0,2,
МПа
|
sB,
МПа
|
d5,
%
|
y,
%
|
KCU,
Дж/м2
|
|
15
Закалка 850 °С, отпуск 550 °С. Образцы вырезались из центра заготовок.
|
|
30
|
540
|
730
|
15
|
45
|
78
|
|
75
|
440
|
690
|
14
|
40
|
59
|
|
100
|
440
|
690
|
13
|
40
|
49
|
|
15
|
640
|
780
|
16
|
50
|
98
|
Механические свойства
Механические свойства при
повышенных температурах
|
t
испытания, °C
|
s0,2,
МПа
|
sB,
МПа
|
d5,
%
|
d,
%
|
y,
%
|
KCU,
Дж/м2
|
|
Нормализация
|
|
|
200
|
340
|
690
|
|
10
|
36
|
64
|
|
300
|
255
|
710
|
|
22
|
44
|
66
|
|
400
|
225
|
560
|
|
21
|
65
|
55
|
|
500
|
175
|
370
|
|
23
|
67
|
39
|
|
600
|
78
|
215
|
|
33
|
90
|
59
|
|
Образец
диаметром 6 мм и длиной 30 мм, кованый и нормализованный. Скорость
деформирования 16 мм/мин. Скорость деформации 0,009 1/с.
|
|
700
|
140
|
170
|
43
|
|
96
|
|
|
800
|
64
|
110
|
58
|
|
98
|
|
|
900
|
54
|
76
|
62
|
|
100
|
|
|
1000
|
34
|
50
|
72
|
|
100
|
|
|
1100
|
22
|
34
|
81
|
|
100
|
|
|
1200
|
15
|
27
|
90
|
|
100
|
|
Механические свойства отливок
|
Сечение,
мм
|
s0,2,
МПа
|
sB,
МПа
|
d5,
%
|
y,
%
|
HB
|
|
Нормализация
|
|
100-300
|
245
|
470
|
19
|
42
|
143-179
|
|
300-500
|
245
|
470
|
17
|
35
|
143-179
|
|
500-800
|
245
|
470
|
15
|
30
|
143-179
|
|
<100
|
275
|
530
|
20
|
44
|
156-197
|
|
100-300
|
275
|
530
|
17
|
34
|
156-197
|
|
Закалка.
Отпуск
|
|
300-500
|
275
|
530
|
|
|
156-197
|
|
Нормализация.
Закалка. Отпуск.
|
|
<100
|
315
|
570
|
17
|
39
|
167-207
|
|
100-300
|
315
|
570
|
14
|
34
|
167-207
|
|
300-500
|
315
|
570
|
12
|
29
|
167-207
|
|
<100
|
345
|
590
|
18
|
59
|
174-217
|
|
100-300
|
345
|
590
|
17
|
54
|
174-217
|
|
<100
|
395
|
620
|
17
|
59
|
187-229
|
Механические свойства в зависимости от
температуры отпуска
|
t
отпуска, 0С
|
s0,2,
МПа
|
sB,
МПа
|
d5,
%
|
y,
%
|
KCU,
Дж/м2
|
HB
|
|
Закалка
850 °С, вода. Образцы диаметром 15 мм
|
|
50
|
830
|
980
|
10
|
40
|
59
|
|
|
500
|
730
|
830
|
12
|
45
|
78
|
|
|
550
|
640
|
780
|
16
|
50
|
98
|
|
|
600
|
590
|
730
|
25
|
55
|
118
|
|
|
Закалка
840 °С, вода. Диаметр заготовки 60 мм
|
|
400
520
|
590
730
|
840
12
|
14
46
|
50
50
|
70
202
|
234
|
|
500
470
|
520
680
|
770
14
|
16
52
|
58
60
|
90
185
|
210
|
|
600
410
|
440
610
|
680
18
|
20
61
|
64
90
|
120
168
|
190
|
Технологические свойства
|
Температура
ковки
|
|
Начала
1250, конца 700. Сечения до 400 мм охлаждаются на воздухе.
|
|
Свариваемость
|
|
Трудносвариваемая.
Способы сварки: РДС и КТС. Необходим подогрев и последующая термообработка.
|
|
Обрабатываемость
резанием
|
|
В
горячекатаном состоянии при НВ 170-179 и sB = 640 МПа Ku тв.спл. = 1, Ku
б.ст. = 1.
|
|
Склонность
к отпускной способности
|
|
Не
склонна.
|
|
Малочувствительна.
|
Литейные свойства
|
Линейная
усадка, \%
|
1500
|
|
Показатель
трещиноустойчивости, Кт.у.
|
1.8
|
|
Жидкотекучесть,
Кж.т.
|
0.2
|
|
Склонность
к образованию усадочной раковины, Ку.р.
|
1.6
|
|
Склонность
к образованию усадочной пористости, Ку.п.
|
0.8
|
Физические свойства
|
Температура
испытания, °С
|
20
|
100
|
200
|
300
|
400
|
500
|
600
|
700
|
800
|
|
Модуль
нормальной упругости, Е, ГПа
|
200
|
201
|
193
|
190
|
172
|
|
|
|
|
|
Модуль
упругости при сдвиге кручением G, ГПа
|
78
|
|
|
69
|
|
59
|
|
|
|
|
Плотность,
pn, кг/см3
|
7826
|
7799
|
7769
|
7735
|
7698
|
7662
|
7625
|
7587
|
7595
|
|
Коэффициент
теплопроводности Вт/(м ·°С)
|
|
48
|
47
|
44
|
41
|
39
|
36
|
31
|
27
|
|
Температура
испытания, °С
|
20-
100
|
20-
200
|
20-
300
|
20-
400
|
20-
500
|
20-
600
|
20-
700
|
20-
800
|
20-
900
|
|
Коэффициент
линейного расширения (a, 10-6 1/°С)
|
11.9
|
12.7
|
13.4
|
14.1
|
14.6
|
14.9
|
15.2
|
|
|
|
Удельная
теплоемкость (С, Дж/(кг · °С))
|
473
|
498
|
515
|
536
|
583
|
578
|
611
|
720
|
708
|
Ударная вязкость
Ударная вязкость, KCU, Дж/см2
|
Состояние
поставки, термообработка
|
+20
|
20
|
40
|
60
|
|
Пруток
диаметром 25 мм. Горячекатаное состояние.
|
14-15
|
10-14
|
5-14
|
3-8
|
|
Пруток
диаметром 25 мм. Отжиг
|
42-47
|
27-34
|
27-31
|
13
|
|
Пруток
диаметром 25 мм. Нормализация
|
49-52
|
37-42
|
33-37
|
29
|
|
Пруток
диаметром 25 мм. Закалка. Отпуск
|
110-123
|
72-88
|
36-35
|
31-63
|
|
Пруток
диаметром 120 мм. Горячекатаное состояние
|
42-47
|
24-26
|
15-33
|
12
|
|
Пруток
диаметром 120 мм. Отжиг
|
47-52
|
32-17
|
33
|
9
|
|
Пруток
диаметром 120 мм. Нормализация
|
76-80
|
45-55
|
49-56
|
47
|
|
Пруток
диаметром 120 мм. Закалка. Отпуск
|
112-164
|
81
|
80
|
70
|
Предел выносливости
|
s-1,
МПа
|
t-1,
МПа
|
sB,
МПа
|
s0,2,
МПа
|
|
245
|
157
|
590
|
310
|
|
421
|
|
880
|
680
|
|
231
|
|
520
|
270
|
|
331
|
|
660
|
|
Литейные свойства
|
Линейная
усадка, \%
|
1500
|
|
Показатель
трещиноустойчивости, Кт.у.
|
1.8
|
|
Жидкотекучесть,
Кж.т.
|
0.2
|
|
Склонность
к образованию усадочной раковины, Ку.р.
|
1.6
|
|
Склонность
к образованию усадочной пористости, Ку.п.
|
0.8
|
.4 Анализ технологичности конструкции детали
По ГОСТ 14205-84 технологичность конструкции изделия
- это совокупность свойств конструкции изделия, определяющих ее
приспособленность к достижению оптимальных затрат при производстве,
эксплуатации и ремонте для заданных показателей качества, объема выпуска,
условий выполнения работ. Соответствие конфигурации детали, узла и машины в
целом технологическим требованиям производства определяет их технологичность.
Отработка конструкции детали на технологичность
является одной из наиболее сложных функций в технологической подготовке
производства.
При недостаточно полном и четком выполнении этой
функции в промышленности происходят неоправданные затраты труда, средств,
материалов и времени.
Совершенствование конструкции изделия
характеризуется его соответствием современному уровню техники, экономичностью и
удобством эксплуатации, а также тем, в какой мере учтены возможности
использования наиболее экономичных и технологических методов ее изготовления
применительно к заданному выпуску и условиям производства. Конструкцию машины,
в которой эти возможности полностью учтены, называют технологичной.
Проведем анализ технологичности корпуса:
Таблица 1. Оценка качественных показателей
технологичности конструкции изделия:
|
№
п/п
|
Наименование
показателя
|
Степень
соответствия данному показателю
|
|
1
|
Методы
получения заготовок, обеспечивающие получение поверхностей, не Требующих
дальнейшей обработки или Требующих обработки с малыми припусками
|
Нет
|
|
2
|
Использование
основных конструкторских баз в качестве измерительных и технологических
|
Да
|
|
3
|
Позволяет
ли простановка размеров на чертеже детали производить обработку по принципу
автоматического получения размеров
|
Да
|
|
4
|
Позволяет
ли конструкция детали применение наиболее совершенных и производительных
методов механической обработки
|
Да
(при укрупненном производстве)
|
|
5
|
Обеспечена
ли обработка на проход, условия врезания и выхода режущего инструмента
|
Да
|
|
6
|
Имеет
сложную ассиметричную конфигурацию
|
Нет
|
|
7
|
Несбалансированна
- смещен центр тяжести
|
Нет
|
|
8
|
Согласно
базовому технологическому процессу изготовления, имеет низкий коэффициент
использования материала, (значительная часть заготовки переводится в стружку)
|
Да
|
|
9
|
Обрабатываемые
поверхности в основном открыты и доступны для прохода режущих инструментов
|
Да
|
|
10
|
Заготовка
прочная и жесткая, что позволяет обрабатывать ее с наиболее производительными
режимами резания
|
Да
|
Анализируя все вышеуказанное, можно сказать, что
деталь технологична при определенной переработке существующего технологического
процесса изготовления детали и заготовки, применения гибкого оборудования.
По качественной оценке технологичность
конструкции крышки удовлетворяет требованиям по ГОСТу.
Для проведения количественного анализа
технологичности конструкции корпуса, пронумеруем все поверхности детали на
чертеже по часовой стрелке, чтобы идентифицировать обозначение обрабатываемых
поверхностей в технологической документации.
Таблица 2
|
№
п/п
|
№
поверхности
|
Идентичные
поверхности
|
Квалитет
точности
|
Коэффициент
приведения
|
Параметр
шероховатости
|
Примечание
|
|
1
|
1
|
1,2
|
10
|
5
|
3,2
|
|
|
2
|
3
|
3,4
|
7
|
6
|
1,6
|
|
|
3
|
5
|
-
|
10
|
5
|
3,2
|
|
|
4
|
6
|
-
|
10
|
5
|
3,2
|
|
|
5
|
7
|
7,8
|
10
|
5
|
3,2
|
|
|
6
|
9
|
9,10
|
10
|
5
|
3,2
|
|
|
7
|
11
|
-
|
10
|
5
|
3,2
|
|
|
8
|
12
|
-
|
14
|
4
|
6,3
|
4
отв
|
|
9
|
13
|
13,14
|
10
|
5
|
3,2
|
|
|
10
|
15
|
-
|
10
|
5
|
3,2
|
|
|
11
|
16
|
-
|
10
|
5
|
3,2
|
|
|
12
|
17
|
17,18,19,20
|
7
|
6
|
1,6
|
|
|
13
|
21
|
-
|
9
|
6
|
1,6
|
|
Количественную оценку технологичности
конструкции вала коленчатого произведем по следующим показателям.
1) по коэффициенту точности обработки:
К
=1-(
) (3)
Т
=
(4)
где Т
-
средний квалитет точности обработки;
Т- квалитет точности обработки;
n- число размеров соответствующего квалитета
) по коэффициенту шероховатости:
К
=
(5)
Б
=
(6)
где Б
-
средняя величина коэффициента приведения;
Б- величина коэффициента приведения;
n- число размеров соответствующего параметра
шероховатости.
) По коэффициенту использования
материала:
К
=
где М
-
масса детали;
М
- масса заготовки.
К
=
По рекомендации ЕСТПП К
0,65
Т
=
К
=1-
,88
0,5
Таким образом, точность изделия - средняя.
Б
=
К
=
,25
0,16
Таким образом, изделия относиться к
средней сложности.
Полученные в результате расчетов
данные сведем в таблицу 3
Таблица 3. Количественные показатели
коленчатого вала
|
№
|
Наименование
детали
|
Расчетная
формула
|
Показатель
|
|
|
|
Расчетный
|
Нормальный
|
|
1
|
2
|
3
|
4
|
5
|
|
1
|
Коэффициент
точности обработки
|
К =1-( )
|
0,91
|
0,5
|
|
2
|
Коэффициент
шероховатости
|
К =
|
0,25
|
0,16
|
|
3
|
Коэффициент
использования материала
|
К = 0,77
|
0,65
|
|
Анализ технологичности конструкции корпуса
показал:
. Корпус имеет среднюю точность
. По коэффициентам количественной оценки
корпус относится к технологическим деталям.
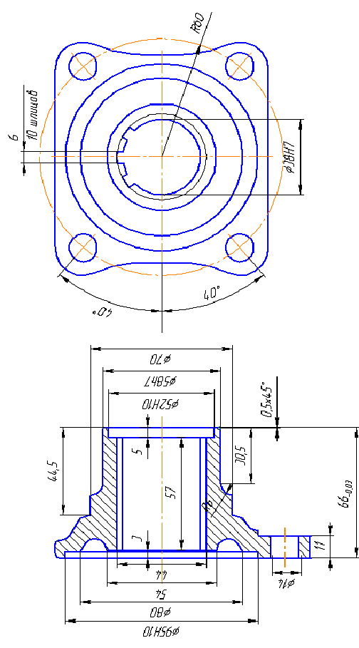
1.5 Анализ технических требований детали
1. Точность размеров
Диаметр 58-0,030 - 7 квалитет
Диаметр 52-0,100- 10 квалитет
Отверстие шлицевое D-10х38х44H8/h7х6D7/f7
выполняется по 7 классу точности
Размер 66-0,030- 7 квалитет
Точность остальных отверстий определяется
аналогично.
Симметричных
3. Не указанные радиусы 5 мм.
4. Несоосность поверхностей диаметра 70 мм
допускаются не более 0,06 мм - выдерживаются за счет обработки за 1 установку
1. точность поверхности 58-0,030-
достигается путем тонкого растачивания. Измерение производится штангенциркулем.
2. точность поверхности D-10х38х44H8/h7х6D7/f7
- достигается путем тонкого растачивания, и однократного протягивания.
Измерение производится калибром для шлицевых соединений.
. точность поверхности 66-0,030-
достигается путем однократного растачивания, и однократного шлифования.
Измерение производится штангенциркулем.
Остальные поверхности измеряются
соответствующими скобами.
заготовка припуск деталь операция
2. Выбор заготовки
Заготовкой согласно ГОСТ 3 1109-82 называется
предмет труда, из которого изменением формы, размеров, свойств поверхности и
(или) материала изготавливают деталь
Основные способы производства заготовок - литье,
обработка давлением, сварка. Способ получения той или оной заготовки зависит от
служебного назначения детали и требований предъявляемых к ней, от ее
конфигурации и размеров, вида конструкционного материала, типа производства и
других факторов.
Вид заготовок и способы их изготовления для
конкретной детали определяются такими показателями как:
Материал
Конструктивная форма
Серийность производства
Масса заготовки
Коэффициенту использования материала:
К
=
где М
-
масса детали;
М
- масса заготовки.
К
=
По рекомендации ЕСТПП К
0,65
Учитывая характеристики и полученные данные,
способом изготовления данного корпуса принимаем литье в кокиль.
2.1 Разработка технологических операций
Удаление остатков литниковой системы
Стол сборщика СД 3702 09
Установить корпус на стол сборщика
. Зачистить базовые поверхности
Машинка шлифовальная ИП-2020 ТУ22-166-19-89
Круг ПП 63х50х20 14А 50-Н СТЗ БУ 50 м/с Р ГОСТ
32182-78 (шлифовальный для ручных машин)
. Снять деталь и уложить в тару
Тара Орг. Осн-337А
010 Термообработка
(241..245 НВ)
Токарно-винторезная
Станок токарно-винторезный 16К20
. Установить на станок приспособление
2. Установить отливку в приспособление
приспособление 4-х кулачковый патрон
. Задернуть до упора нижние нажимные винты
4. Задернуть до упора верхние нажимные
винты
. Затянуть окончательно равномерно все
винты
. Точить торец в размер 66, на Ø
58 точить однократно
Резец проходной Т15К6 ГОСТ 8869-73
Токарно-винторезная
1. Переустановить заготовку
2. точить торец Ø
148 на длину 66, точить однократно.
Резец проходной Т15К6 ГОСТ 8869-73
штангенциркуль ШЦ-1-125-0,1 ГОСТ 166-89
Контроль ОТК
Токарно-винторезная
1. Переустановить заготовку
2. Расточить отверстие Ø
38, точить с начало начерно затем
на чисто и тонко
Режущий инструмент-Резец расточной ГОСТ 18883-73
3. Точить поверхность Ø
58х30,5, точение черновое, чистовое тонкое в размер 58h7-0,03, и R6х34,5
4. подрезать фаску 0,5х45
Режущий инструмент-Резец проходной ГОСТ 18869-73
Режущий инструмент-Резец фасонный R6 ГОСТ
18881-73
Режущий инструмент-Резец подрезной ГОСТ 18867-73
5. точить поверхность Ø70х10,
и фаску 15
Режущий инструмент-Резец проходной ГОСТ 18869-73
6. Расточить поверхность Ø52х5
мм.
Режущий инструмент- Резец расточной с
твердосплавной пластинкой ГОСТ 18883-73
. Точить поверхность Ø148/95х1,5
Режущий инструмент-Резец подрезной ГОСТ 18867-73
СИ - Штангенциркуль ШЦ-1-125-0,1 ГОСТ 166-89
Токарно-винторезная
1. Переустановить заготовку
2. Расточить поверхность Ø95х3
мм
. Точить поверхность Ø54
на длину 4 мм.
Режущий инструмент-Резец расточной с
твердосплавной пластинкой ГОСТ 18883-73
Режущий инструмент-Резец подрезной ГОСТ 18867-73
СИ - Штангенциркуль ШЦ-1-125-0,1 ГОСТ 166-89
Плоскошлифовальная
станок- Плоскошлифовальный 3Е710А
1. Установить на станок приспособление
2. Установить заготовку в приспособление
3. шлифовать торец
Режущий инструмент - Шлифовальный круг плоские
на керамической связке ГОСТ 17123-79
Плоскошлифовальная
. Переустановить заготовку
. шлифовать торец в размер 66-0,030 мм.
Режущий инструмент - Шлифовальный круг плоские
на керамической связке ГОСТ 17123-79
050 Горизонтально протяжная
Станок Горизонтально протяжной 7534
1. протянуть 10 шлицов D-10х38х44H8/h7х6D7/f7
Режущий инструмент- Протяжка число зубьев- 58
ГОСТ 25157
055 Радиально-сверлильная
А554
. Установить деталь в тиски и закрепить
Тиски 7300-0246 ГОСТ 21167-75;
. Разметить отверстия
Кернер 7843-0037 Н12.Х1, ГОСТ 7213-72, Молоток
7850-0101 Ц15Хр, ГОСТ 2310-77
Штангенциркуль ШЦ-I-125-0,1
ГОСТ 166
. Сверлить отверстие 4 отверстия Ø14мм
Режущий инструмент- Сверло С коническим
хвостовиком
(Морзе 2) ГОСТ 10903-77
Технический контроль
Стол приемный СД 3702 12
3. Выбор технологических баз
При выборе базовых поверхностей руководствуются
принципами постоянства и совмещения баз. Принцип постоянства баз состоит в том.
что для выполнения всех операций обработки детали используют одну и ту же базу.
Если по характеру обработки детали это невозможно, то необходимо за базу
принимать ту поверхность, которая определяется наиболее точными размерами относительно
наиболее ответственной поверхности детали. Принцип совмещения баз состоит в
том, что в качестве технологических базовых поверхностей используются
конструкторские и измерительные базы.
При выборе черновых базовых поверхностей следует
руководствоваться следующими правилами:
. Черновая база должна обеспечивать устойчивое
положение детали в приспособлении.
. Черновая база поверхность должна занимать
четкое положение относительно других поверхностей.
У тех деталей. у которых все поверхности
подлежат обработке, за черновые базы принимают поверхности с минимальными
припусками.
Черновые базы должны быть
ровными и чистыми
5. У тех деталей, у которых в обработанном виде
остаются необработанные поверхности за черновые базы принимают эти поверхности.
При выборе чистовых базовых поверхностей следует
руководствоваться следующими правилами:
. 3а чистовые поверхности принимают
основные поверхности, от которых заданы основные размеры до других
обрабатываемых поверхностей.
. Следует по возможности использовать
принцип постоянства баз, т.е. качестве установочной базы брать поверхность,
которая является измерительной базой.
. Чистовая база должна быть выбрана так,
чтобы в процессе механической обработки детали не было недопустимых деформаций
от сил резания и зажима
. Выбранная чистовая база должна
обеспечивать простою и надежную конструкцию приспособлений с удобной
установкой, креплении и снятии обрабатываемой детали.
Определение Баз по технологическому процессу
Токарная
Базирование по наружной поверхности 105 мм
кулачковом патроне
Точить торец
Обточка.
Перекрепить заготовку
020 Токарная
Базирование по наружной поверхности Ø
58 в 4-х кулачковом патроне
Точить торец
Обточка.
Перекрепить заготовку
Токарная
Базирование по наружной поверхности 105 мм в 4-х
кулачковом патроне
Расточка
Обточка.
Расточка
Обточка.
Перекрепить заготовку
Токарная
Базирование по наружной поверхности Ø
58 в 4-х кулачковом патроне
Обточка.
Точить торец
Перекрепить заготовку
Шлифовальная
Базирование по наружной поверхности 105 мм
упором в торец 2
Шлифование
Шлифовальная
Базирование по наружной поверхности Ø
58 упором в торец 1
Шлифование
Протяжная
Базирование по наружной поверхности упором
планшайбы в торец 2
Протягивание
055 Сверлильная
Базирование по наружной поверхности Ø
58 упором в торец 1
Сверление
4. Расчёт припусков и предельных размеров
Определение операционный и промежуточных
размеров позволяет вести наладку станков и контроль точности выполняемых
операций и переходов. Расчёт межоперационных размеров обработки можно провести
двумя методами.
. Справочным путем использования таблиц
операционных и промежуточных припусков (среднее значение) и расчета с их
помощью операционных и промежуточных размеров. Этот метод ускоряет процесс
расчета, так как значения припусков не рассчитываются, а берутся готовыми из
таблиц. Однако для массового производства он не всегда приемлем, так как
табличные значения припусков немного завышены и не учитывают конкретных условий
производства.
. Путем расчета значений операционных и
промежуточных припусков и размеров расчетно-аналитическим методом. Этот метод
позволяет определять промежуточные припуски с учетом (различных факторов,
влияющих на их значения).
Расчет промежуточных припусков и размеров
расчетно-аналитическим методом.
Составляем технологический маршрут обработки:
1. Поверхность 58h7
Операция 055 Токарно-винторезная
А) черновая обработка
Б) чистовая обработка
В) Тонкая обработка
2. Отверстия 38Н7
Операция 055 Токарно-винторезная
А) черновое растачивание
Б) чистовое растачивание
В) тонкое растачивание
Для наглядности и простоты определения
промежуточных припусков и промежуточных размеров составляем таблицу для
поверхности 58h7
|
Маршрут
обработки
|
Элементы
припуска, мкм
|
Расчетный
|
Допуск,
мкм
|
Предельные
размеры, мм
|
Предельные
припуски, мкм
|
|
Rz
|
h
|
 Припуск 2Zmin мкммин. размер,
ммdmaxdmin2Zmax2Zmin
|
|
|
|
|
|
|
|
|
|
1
|
2
|
3
|
4
|
5
|
6
|
7
|
8
|
9
|
10
|
11
|
12
|
|
Загатовка-отливка
|
200
|
200
|
517
|
-
|
-
|
59,698
|
1000
|
61
|
60
|
-
|
-
|
|
Токарная
|
|
|
Черновое
обтачивание
|
50
|
50
|
31
|
-
|
1834
|
58,30
|
300
|
58,60
|
58,30
|
2,400
|
1,700
|
|
Чистовое
обтачивание
|
20
|
20
|
1,24
|
-
|
262
|
58,05
|
120
|
58,170
|
58,050
|
0,430
|
0,250
|
|
Тонкое
обтачивание
|
-
|
-
|
-
|
-
|
82,48
|
57,970
|
30
|
58
|
58,970
|
0,170
|
0,080
|
Точность и качество поверхности после
механической обработки устанавливается по таблице справочника.
Минимальный и симметричный припуск при обработке
наружных и внутренних поверхностей вращения на выполняемый переход
рассчитывается по формуле:
2Z
=2 (Rz
+h
+
)
где Rz
-
высота микронеровностей на предшествующем переходе;
h
- глубина дефектного поверхностного слоя на предшествующем переходе
(обезуглероженный или отбеленный слой);

- суммарное отклонение расположения
поверхности (отклонение от параллельности, перпендикулярности, соосности) на
предшествующем переходе;
Расчет отклонений расположения
поверхностей заготовки при обработке в центрах производят по формуле:
=
=
=517 мкм,
где
- общее отклонение оси от
прямолинейности;
- смещение оси в результате
погрешности центрования.
Общее отклонение оси от
прямолинейности:
= 2
l
= 2*1*66 = 132 мкм.
Здесь l
- размер от
сечения, для которого определяется кривизна, до ближайшего наружного торца
Смещение оси заготовки в результате погрешности
центрования
= 0,25
= 0,25 = 0,5 мм,
где Т=1,8 мм - допуск на
диаметральный размер базы заготовки, использованной при центровании.
Величину остаточных пространственных
отклонений чернового обтачивания определяют по уравнению:
=Ky
=0,06*517 = 31 мкм,
=Ky
=0,04*31=1,24 мкм.
где Ку - коэффициент уточнения.
Ку чист= 0,06
Ку черн= 0,04
Расчетные величины отклонений расположения
поверхностей заносим в графу 4 табл.
Минимальные припуски на диаметральные размеры
для каждого перехода рассчитываются по уравнению:
а) черновое обтачивание 2Z
=
2(200 + 200 + 517) = 1834 мкм;
б) чистовое обтачивание 2Z
=
2(50 + 50 + 31) = 262 мкм;
в) тонкое обтачивание 2Z
=
2(20 + 20 + 1,24) = 82,48 мкм
Расчетные значения припусков заносим в графу 6
табл.
Расчет наименьших размеров по технологическим
переходам начинаем с наименьшего (наибольшего) размера детали по
конструкторскому чертежу и производим по зависимости di
= d
+ Zi
в такой последовательности:
а) чистовое обтачивание 57,970 + 0,082 = 58,052
б) черновое обтачивание 58,052 + 0,262 =
58,134 мм;
в) заготовка 58,314 + 1,834 = 59,698 мм.
Наименьшие расчетные размеры заносим в графу 7
табл., наименьшие предельные размеры (округленные) - в графу 10 табл..
Наибольшие предельные размеры по переходам
рассчитываем по зависимости di
= d
+ Т
в такой последовательности:
а) тонкое обтачивание 57,970 + 0,030 = 58,0 мм;
б) чистовое обтачивание 58,050 + 0,120 =
58,170 мм;
в) черновое обтачивание 58,30 + 0,300 =
58,600 мм;
г) заготовка 60,0 + 1,0 = 61,0 мм;
Результаты расчетов заносим в графу 9 табл.
Фактические минимальные и максимальные припуски
по переходам рассчитываем в такой последовательности.
Максимальные припуски: Минимальные припуски:
,170 - 58,0 = 0,170 мм; 58,05 - 57,970 = 0,080
мм;
,60 - 58,170 = 0,430 мм; 58,30 - 58,05 = 0,25
мм;
,0 - 58,60 = 2,40 мм; 60,0 - 58,30 = 1,70 мм;
Результаты расчетов заносим в графы 11 и 12
табл. 5.2.
Определяем общие припуски: общий наибольший
припуск
Z
=
=
0,170+ 0,430 + 2,40 = 3,0 мм;
общий наименьший припуск
=
=
0,08 + 0,250 + 1,70 = 2,03мм;
Правильность расчетов проверяем по уравнению :
- Z
=3,0-2,03 = Тзаг - Тдет = 1-0,030 = 0,970 мм.
Составляем таблицу для поверхности 38Н7
|
Маршрут
обработки
|
Элементы
припуска, мкм
|
Расчетный
|
Допуск,
мкм
|
Предельные
размеры, мм
|
Предельные
припуски, мкм
|
Rz h 
припуск
Zmin,
мкммин.
размер,
|
ммdmaxdmin2Zmax2Zmin
|
|
|
|
|
|
|
|
|
|
|
1
|
2
|
3
|
4
|
5
|
6
|
7
|
8
|
9
|
10
|
11
|
12
|
|
Загатовка-отливка
|
200
|
200
|
517
|
-
|
-
|
35,871
|
900
|
35
|
35,90
|
-
|
-
|
|
Токарная
|
|
|
Черновое
обтачивание
|
40
|
50
|
31
|
-
|
1834
|
37,705
|
250
|
37,7
|
37,45
|
2,450
|
1,800
|
|
Чистовое
обтачивание
|
20
|
20
|
1,24
|
-
|
242
|
37,947
|
100
|
37,95
|
37,85
|
0,400
|
0,250
|
|
Тонкое
обтачивание
|
-
|
-
|
-
|
82,48
|
38,03
|
30
|
38,03
|
38
|
0,150
|
0,088
|
Расчет отклонений расположения поверхностей
заготовки при обработке в центрах производят по формуле:
=
=
=517 мкм,
где
- общее отклонение оси от
прямолинейности;
- смещение оси в результате
погрешности центрования.
Общее отклонение оси от
прямолинейности:
= 2
l
= 2*1*66 = 132 мкм.
Здесь l
- размер от
сечения, для которого определяется кривизна, до ближайшего наружного торца
Смещение оси заготовки в результате погрешности
центрования
= 0,25
= 0,25 = 0,5 мм,
где Т=1,8 мм - допуск на
диаметральный размер базы заготовки, использованной при центровании.
Величину остаточных пространственных
отклонений предварительного растачивания определяют по уравнению:
=Ky
=0,06*517 = 31 мкм,
где Ку - коэффициент уточнения,
равный 0,06.
Величину остаточных пространственных
отклонений чистового растачивания определяют по уравнению:
=Ky
=0,04*31 = 1,24 мкм,
где Ку - коэффициент уточнения,
равный 0,04.
Расчетные величины отклонений
расположения поверхностей заносим в графу 4 табл.
Минимальные припуски на
диаметральные размеры для каждого перехода рассчитываются по уравнению:
а) черновое растачивание 2Z
= 2(200 +
200 + 545) = 1834 мкм;
б) чистовое растачивание 2Z
=
2(80 + 50 + 32,7) = 242 мкм;
в) тонкое растачивание 2Z
=
2(20 + 20 + 1,3) = 82,48 мкм;
Расчетные значения припусков заносим в графу 6
табл.
Расчет наименьших размеров по технологическим
переходам начинаем с наименьшего (наибольшего) размера детали по
конструкторскому чертежу и производим по зависимости di
= d
+ Zi
в такой последовательности:
а) чистовое растачивание 38,03 - 0,08248 =
37,9475 мм;
б) черновое растачивание 37,9475 - 0,242 =
37,705 мм.
в) заготовка 37,705 - 1,834 = 35,8715 мм.
Наименьшие расчетные размеры заносим в графу 7
табл., наименьшие предельные размеры (округленные) - в графу 10 табл..
Наибольшие предельные размеры по переходам
рассчитываем по зависимости di
= d
+ Т
в такой последовательности:
а) тонкое растачивание 38,030 - 0,030 =
38,00 мм;
б) чистовое растачивание 37,95 - 0,100 = 37,85
мм.
в) предварительное растачивание 37,7 - 0,250 =
37,450 мм.
г) заготовка 35,9 - 0,900 = 35,0 мм.
Результаты расчетов заносим в графу 9 табл.
Фактические минимальные и максимальные припуски
по переходам рассчитываем в такой последовательности.
Максимальные припуски: Минимальные
припуски:
,85 - 38,0 = -0,150 мм; 37,95 - 38,03 = -0,080
мм;
,450 - 37,850 = -0,400 мм; 37,7 - 37,95 = -0,250
мм;
,0 - 37,450 = -2,450 мм; 35,9 - 37,7 = -1,8 мм;
Результаты расчетов заносим в графы 11 и 12
табл. 5.2.
Определяем общие припуски: общий наибольший
припуск
Z
=
=
-0,150+(-0,40)+(-2,45) = -3,00 мм;
общий наименьший припуск
=
=
-0,080+(-0,25)+(-1,8) = -2,13 мм;
Правильность расчетов проверяем по уравнению :
- Z
= -3,00-(-2,13)= Тзаг - Тдет = 900 - 0,030 = 0,87 мм.
5. Расчет режимов резания
Рассчитывается
режим резания на токарную операцию обработки поверхности 58h7=61 мм=58.6h12
МПа
Глубина резания.
Глубина резания определяется по формуле:
мм.
Подача
Размер державки резца от 16x25 до
25x40 мм (определяем по справочнику)
Углы резца выбираем из справочников
φ= 900
λ= 00
γ=150
α=120=1 мм.=1 мм.=0,8 мм/об.
Скорость резания рассчитывают: при
наружном продольном и поперечном точении или растачивании.
Т - значение стойкости инструмента.
Среднее значение стойкости при
одноинструментальной обработке равно 60 мин.
Остальные значения находим по
справочнику:
С
= 340
х = 0,15
у = 0,45
т = 0,20
Общий поправочный коэффициент для обработки
резцом с твердосплавными пластинками К
К
= К
*К
*К
*К
Коэффициенты выбираются по таблицам справочника:
К
- коэффициент, учитывающий
влияние физико-механических свойств материала;
Кr=1.0 Кnv=1.0
К
- коэффициент,
состояния поверхности заготовки;
К
- коэффициент
материала режущей части;
К
- коэффициент
главного угла в плане.
К
= 1,27
К
= 0,8
К
= 1,0
К
= 0,9
К
=1.027*0.8*1*0.9=0.73
=
м/мин
Находим число оборотов шпинделя:
n =
где D - диаметр обрабатываемой
поверхности,
- скорость резания.=
об/мин
По характеристикам станка
токарно-винторезного станка 16К20 принимаем ближайшее значение числа оборотов
шпинделя:= 250 об/мин
Определяем действительную скорость
главного движения резания:
м/мин
Основное время
где i - число рабочих ходов,- путь
резца.
Длина рабочего хода резца L = l + у
+
мм.
Врезание резца у = t ctg
, у=0
-вылет резца =0
Тогда L = 30.5
мин
Глубина резания.
При чистовой обработке.
D=58,6
мм=58.170h12
МПа
Глубина резания.
Глубина резания определяется по формуле:
мм.
Подача
Размер державки резца от 16x25 до
25x40 мм (определяем по справочнику)=0,8 мм/об.
Скорость резания рассчитывают: при
наружном продольном и поперечном точении или растачивании.
Т - значение стойкости инструмента.
Среднее значение стойкости при
одноинструментальной обработке равно 60 мин.
Остальные значения находим по
справочнику:
С
= 340
х = 0,15
у = 0,45
т = 0,20
Общий поправочный коэффициент для обработки
резцом с твердосплавными пластинками К
К
= К
*К
*К
*К
Коэффициенты выбираются по таблицам справочника:
К
- коэффициент,
учитывающий влияние физико-механических свойств материала;
Кr=1.0 Кnv=1.0
К
- коэффициент,
состояния поверхности заготовки;
К
- коэффициент
материала режущей части;
К
- коэффициент
главного угла в плане.
К
= 1,27
К
= 0,8
К
= 1,0
К
= 0,7 при φ=900
К
=1.027*0.8*1*0.7=0.575
=
м/мин
Находим число оборотов шпинделя:
n =
,
где D - диаметр обрабатываемой
поверхности,
- скорость резания.=
об/мин
По характеристикам станка
токарно-винторезного станка 16К20 принимаем ближайшее значение числа оборотов
шпинделя:= 630об/мин
Определяем действительную скорость
главного движения резания:
м/мин
Основное время
где i - число рабочих ходов,- путь
резца.
Длина рабочего хода резца L = l мм.
Врезание резца у = 0
Вылет резца
=0
мин
Глубина резания.
При тонкой обработке.
D=58,170
мм=58.h7
МПа
Глубина резания.
Глубина резания определяется по формуле:
мм.
Подача
Размер державки резца от 16x25 до
25x40 мм (определяем по справочнику) S=0,8 мм/об.
Скорость резания рассчитывают: при
наружном продольном и поперечном точении или растачивании.
Т - значение стойкости инструмента.
Среднее значение стойкости при
одноинструментальной обработке равно 60 мин.
Остальные значения находим по справочнику:
С
= 340
х = 0,15
у = 0,45
т = 0,20
Общий поправочный коэффициент для обработки
резцом с твердосплавными пластинками К
К
= К
*К
*К
*К
Коэффициенты выбираются по таблицам справочника:
К
- коэффициент,
учитывающий влияние физико-механических свойств материала;
Кr=1.0 Кnv=1.0
К
- коэффициент,
состояния поверхности заготовки;
К
- коэффициент
материала режущей части;
К
- коэффициент
главного угла в плане.
К
= 1,27
К
= 0,8
К
= 1,0
К
= 0,7 при φ=900
К
=1.027*0.8*1*0.7=0.575
=
м/мин
Находим число оборотов шпинделя:
n =
где D - диаметр обрабатываемой
поверхности,
- скорость резания.=
об/мин
По характеристикам станка
токарно-винторезного станка 16К20 принимаем ближайшее значение числа оборотов
шпинделя:= 800об/мин
Определяем действительную скорость
главного движения резания:
м/мин
Основное время
где i - число рабочих ходов,- путь
резца.
Длина рабочего хода резца L = l мм.
Врезание резца у = 0
Вылет резца
=0
мин
Рассчитывается режим резания на токарную
операцию обработки поверхности 38Н7
При черновой обработке.
D=35мм=37,45Н12
МПа
Глубина резания.
Глубина резания определяется по формуле:
мм.
Подача
Размер державки резца от 16x25 до
25x40 мм (определяем по справочнику) S=0,4 мм/об.
Скорость резания рассчитывают: при
наружном продольном и поперечном точении или растачивании.
Т - значение стойкости инструмента.
Среднее значение стойкости при
одноинструментальной обработке равно 60 мин.
Остальные значения находим по
справочнику:
С
= 350
х = 0,15
у = 0,35
т = 0,20
Общий поправочный коэффициент для обработки
резцом с твердосплавными пластинками К
К
= К
*К
*К
*К
Коэффициенты выбираются по таблицам справочника:
К
- коэффициент,
учитывающий влияние физико-механических свойств материала;
Кr=1.0 Кnv=1.0
К
- коэффициент,
состояния поверхности заготовки;
К
- коэффициент
материала режущей части;
К
- коэффициент
главного угла в плане.
К
= 1,27
К
= 0,8
К
= 1,0
К
= 0,7 при φ=900
К
=1.027*0.8*1*0.9=0.73
=
м/мин
Находим число оборотов шпинделя:
n =
где D - диаметр обрабатываемой
поверхности,
- скорость резания.=
об/мин
По характеристикам станка
токарно-винторезного станка 16К20 принимаем ближайшее значение числа оборотов
шпинделя:= 1250 об/мин
Определяем действительную скорость
главного движения резания:
м/мин
Основное время
где i - число рабочих ходов,- путь
резца.
Длина рабочего хода резца L =
57+0,7+1,3=59=57 мм.
Врезание резца у = 1,229*0,58=0,7
Вылет резца
=1,3
мин
При чистовой обработке.
D=37,45Н12мм=37,85мм.
МПа
Глубина резания.
Глубина резания определяется по формуле:
мм.
Подача
Размер державки резца от 16x25 до
25x40 мм (определяем по справочнику) S=0,4 мм/об.
Скорость резания рассчитывают: при
наружном продольном и поперечном точении или растачивании.
Т - значение стойкости инструмента.
Среднее значение стойкости при
одноинструментальной обработке равно 60 мин.
Остальные значения находим по справочнику:
С
= 350
х = 0,15
у = 0,35
т = 0,20
Общий поправочный коэффициент для обработки
резцом с твердосплавными пластинками К
К
= К
*К
*К
*К
Коэффициенты выбираются по таблицам справочника:
К
- коэффициент,
учитывающий влияние физико-механических свойств материала;
Кr=1.0 Кnv=1.0
К
- коэффициент,
состояния поверхности заготовки;
К
- коэффициент
материала режущей части;
К
- коэффициент
главного угла в плане.
К
= 1,27
К
= 0,8
К
= 1,0
К
= 0,7 при φ=900
К
=1.027*0.8*1*0.9=0.73
=
м/мин
Находим число оборотов шпинделя:
n =
где D - диаметр обрабатываемой
поверхности,
- скорость резания.=
об/мин
По характеристикам станка
токарно-винторезного станка 16К20 принимаем ближайшее значение числа оборотов
шпинделя:= 1600 об/мин
Определяем действительную скорость
главного движения резания:
м/мин
Основное время
где i - число рабочих ходов,- путь
резца.
Длина рабочего хода резца L =
57+1,3+0,113=58,41=57 мм.
Врезание резца у = 0,196*0,,58=0,113
Вылет резца
=1,3
мин
При тонкой обработке.
D=37,85Н12мм=38Н7мм.
МПа
Глубина резания.
Глубина резания определяется по формуле:
мм.
Подача
Размер державки резца от 16x25 до
25x40 мм (определяем по справочнику) S=0,4 мм/об.
Скорость резания рассчитывают: при
наружном продольном и поперечном точении или растачивании.
Т - значение стойкости инструмента.
Среднее значение стойкости при
одноинструментальной обработке равно 60 мин.
Остальные значения находим по
справочнику:
С
= 350
х = 0,15
у = 0,35
т = 0,20
Общий поправочный коэффициент для обработки
резцом с твердосплавными пластинками К
К
= К
*К
*К
*К
Коэффициенты выбираются по таблицам справочника:
К
- коэффициент,
учитывающий влияние физико-механических свойств материала;
Кr=1.0 Кnv=1.0
К
- коэффициент,
состояния поверхности заготовки;
К
- коэффициент
материала режущей части;
К
- коэффициент
главного угла в плане.
К
= 1,27
К
= 0,8
К
= 1,0
К
= 0,7 при φ=900
К
=1.027*0.8*1*0.9=0.73
=
м/мин
Находим число оборотов шпинделя:
n =
где D - диаметр обрабатываемой
поверхности,
- скорость резания.=
об/мин
По характеристикам станка
токарно-винторезного станка 16К20 принимаем ближайшее значение числа оборотов
шпинделя:= 1600 об/мин
Определяем действительную скорость
главного движения резания:
м/мин
Основное время
где i - число рабочих ходов,- путь
резца.
Длина рабочего хода резца L
=57+1,3+0,043=58,34=57мм.
Врезание резца у = 0,043
Вылет резца
=1,3
мин
Расчет припусков и режимов резания
Составляем технологический маршрут обработки:
050 Горизонтально протяжная
Однократное протягивание
D-10х38х44H8/h7х6D7/f7
Припуск на диаметр под протягивание определяется
по формуле
А=D-D0
А= 44 - 38= 6мм
Выбираем подъем на зуб Sz
Sz для
шлицевых протяжек равен от 0,03 до 0,06мм
Sz=0,06 мм.
Zз- зачищающие зубья
находятся в пределах от 2 до 4
Подъем на зуб распределяем следующим образом 1/2Sz=0,03,
1/3Sz=0,015, 1/6Sz=0,1
Профиль, размеры зуба и стружечных канавок между
зубьями выбираем из справочников:
t- шаг зубьев
h- высота зуба
в- длина задней поверхности
r- радиус
закругления канавки
t=10 мм
h=3,6 мм
в=4,0мм
r=2,0 мм
Шаг калибрующих зубьев выбирается в пределах tк=(0,6-0,8)t
tк=0,7*10=7 мм.
Фаска f
на калибрующих зубьях выбирается в пределах 0,2-0,6
Максимальное число одновременно работающих
зубьев определяется по формуле:
Где lи - длина
обрабатываемой поверхности
t- шаг
зубьев.
принимаем
=7
Число режущих зубьев подсчитываем по
формуле:
Принимаем Zр =50
Размеры стружко-разделительных
канавок выбираем из справочников:
n-1,0 мм
m-0,8-1,0 мм
hк=0,5-0,7 мм
r=0,2-0,3 мм
Число калибрующих зубьев принимаем
равным Zк=5
Сила резания при протягивании Рz
Определяем периметр резания ΣВ
Периметр резания зависит от формы и
размеров обрабатываемой поверхности и определяется уравнением:
ΣВ=Вz1/zc
где- z1 - Число
зубьев в секции протяжки z1=1
zc -
максимальное число одновременно работающих зубьев
В- периметр обрабатываемой заготовки
равный ее длине
ΣВ=57*8/1=456мм
Скорость резания определяется из
справочника
Vрез= 4,5
м/мин
Сила резания приходящая на 1мм длины
зуба Р выбирается из справочника Р=195.
Определяем силу резания при
протягивании Рz по формуле:
Рz= Р ΣВ
Рz=195*456=88920
Н.
Сравниваем силу резания с тяговой
силой станка, тяговая сила станка равна 100000 Н, Рz меньше
тяговой силы станка, следовательно обработка возможна. Основное время T0 мин.
Основное веря определяется по формуле:
где: q-число
одновременно обрабатываемых заготовок.
Кi-коэффициент
учитывающий обратный ускоренный ход
-скорость обратного хода станка-20
м/мин
LРХ-длина
рабочего хода протяжки
LРХ=lп+l1+lдоп=556+57+50=663мм
мин
Диаметры, мм, зубьев протяжки
|
№
зуба
|
Диаметр
|
№
зуба
|
Диаметр
|
|
1
|
38
|
30
|
41,48,
|
|
2
|
38,12
|
31
|
41,60
|
|
3
|
38,24
|
32
|
41,72
|
|
4
|
38,36
|
33
|
41,84
|
|
5
|
38,48
|
34
|
41,96
|
|
6
|
38,60
|
35
|
42,08
|
|
7
|
38,72
|
36
|
42,20
|
|
8
|
38,84
|
37
|
42,32
|
|
9
|
38,96
|
38
|
42,44
|
|
10
|
39,08
|
39
|
42,56
|
|
11
|
39,20
|
40
|
42,68
|
|
12
|
39,32
|
41
|
42,80
|
|
13
|
39,44
|
42
|
42,92
|
|
14
|
39,56
|
43
|
43,04
|
|
15
|
39,68
|
44
|
43,16
|
|
16
|
39,80
|
45
|
43,28
|
|
17
|
39,92
|
46
|
43,40
|
|
18
|
40,04
|
47
|
43,52
|
|
19
|
40,16
|
48
|
43,64
|
|
20
|
40,28
|
49
|
43,76
|
|
21
|
40,40
|
50
|
43,88
|
|
22
|
40,52
|
51
|
43,94
|
|
23
|
40,64
|
52
|
43,97
|
|
24
|
40,76
|
53
|
43,99
|
|
25
|
40,88
|
54
|
44,01
|
|
26
|
41,00
|
55
|
44,025
|
|
27
|
41,12
|
56
|
44,025
|
|
28
|
41,24
|
57
|
44,025
|
|
29
|
41,36
|
58
|
44,025
|
|
|
|
|
|
|
Литература
1
И.М Колесов «Основы технологии машиностроения» - М: Высшая школа, 2001-519с.
Справочник
технолога - машиностроителя в 2-х томах, под редакцией
А.Г
Косиловой и Р.К мещерякова М., 1983 г.
Егоров
М.Е., Дементьев В.И., Дмитриев В.Л. Технология машиностроения. М.: Высш. школа,
1976.
Ковшов
А.Н. Технология машиностроения. - М.: Машиностроение, 1987.
Королёв
А.В., Шапошник Р.К. Технологичность конструкции изделий. СГТУ, 1985.
Марочник
сталей и сплавов / Под общ. Ред. В.Г. Сорокина. - М.: Машиностроение, 1989.
Обработка
металлов резанием: Справочник технолога / А.А. Панов, В.В. Аникин, Н.Г. Бойм и
др.; Под общ. ред. А.А. Панова. -М.: Машиностроение, 1988.
Расчётно-аналитический
метод определения припусков на механическую обработку: Методические указания,
М.Р. Бессер, В.А. Червоткин. - СГТУ, 1984.