Разработка технологии получения фосфорной кислоты экстракционным методом
ФГБОУ
ВПО Уфимский государственный авиационный технический университет
Кафедра
БП и ПЭ
Пояснительная
записка
к
курсовому проекту по дисциплине
"Технология
основных производств в природопользовании"
Разработка
технологии получения фосфорной кислоты экстракционным методом
Уфа
2014 г.
Реферат
ФОСФОРНАЯ КИСЛОТА, СЕРНАЯ КИСЛОТА, АПАТИТ,
ПРОИЗВОДСТВО, ТЕХНОЛОГИЧЕСКАЯ СХЕМА, ЭКСТРАКЦИЯ, КИП и А, ЗАПОРНО-РЕГУЛИРУЮЩАЯ
АРМАТУРА, МАТЕРИАЛЬНЫЙ БАЛАНС, РАСХОДНЫЕ КОЭФФИЦИЕНТЫ, , БЕЗОПАСНОСТЬ ТРУДА, ВЫБРОСЫ,
ОТХОДЫ
Объект исследования: производство фосфорной
кислоты
Проанализированы основные свойства и рассмотрены
методы получения фосфорной кислоты экстракционным полугидратным способом;
Разработана принципиальная технологическая схема
производства экстракционной фосфорной кислоты;
Выполнен расчет материального баланса и
рассчитаны расходные коэффициенты производства получения экстракционной
фосфорной кислоты полугидратным методом;
Проанализированы основные мероприятия по
безопасности труда и охране окружающей среды при производстве фосфорной кислоты
Пояснительная записка: 65 стр., 4 рис., 8
таблиц, библиограф.17
Содержание
Введение
1. Общие сведения о фосфорной
кислоте
.1 Свойства фосфорной кислоты
.1.1 Физические свойства фосфорной
кислоты
1.1.2 Химические свойства фосфорной
кислоты
.2 Область применения фосфорной
кислоты
.3 Фосфатное сырье
.3.1 Обогащение фосфатного сырья
.4 Способы получения фосфорной
кислоты
.4.1 Физико-химические основы
получения ЭФК
.4.2 Получение фосфорной кислоты
экстракционным методом
.4.2.1 Дигидратный, гемигидратный и
полугидратный способы получения экстракционной фосфорной кислоты
.4.3 Физико-химические основы
термического способа получения фосфорной кислоты
.4.4 Термический способ получения
фосфорной кислоты
.5 Выбор и обоснование
технологической схемы производства экстракционной фосфорной кислоты
. Разработка принципиальной
технологической схемы производства фосфорной кислоты со схемой КИПиА
.1 Автоматизация технологической
схемы производства экстракционной фосфорной кислоты
.2 Выбор запорно-регулирующей
арматуры
. Расчетная часть
.1 Расчет материального баланса
.2 Расчет расходных коэффициентов
. Анализ мероприятий по безопасности
труда и охране ОС
.1 Безопасность труда на
производстве ЭФК
.2 Охрана окружающей среды
Выводы
Список литературы
Введение
Фосфорная кислота имеет большое значение как
один из важнейших компонентов питания растений. Фосфор используется растениями
для построения своих самых жизненно важных частей - семян и плодов.
Производные ортофосфорной кислоты очень нужны не
только растениям, но и животным. Кости, зубы, панцири, когти, иглы, шипы у
большинства живых организмов состоят, в основном, из ортофосфата кальция. Кроме
того, ортофосфорная кислота, образуя различные соединения с органическими
веществами, активно участвуют в процессах обмена веществ живого организма с
окружающей средой. В результате этого производные фосфора содержатся в костях,
мозге, крови, в мышечных и соединительных тканях организмов человека и
животных. Особенно много ортофосфорной кислоты в составе нервных (мозговых)
клеток, что позволило А.Е. Ферсману, известному геохимику, назвать фосфор
"элементом мысли".
Получение фосфорной кислоты в
последнее время превращается в важное звено всей отрасли, связанной с
производством удобрении. Известно, что ортофосфорная кислота (
) при
нагревании подвергается дегидратации, превращаюсь в пирофосфорную кислоту
. Дальнейшая
дегидратация может привести к образованию триполифосфорной
и других
полифосфорных вплоть до метафосфорной кислоты
и ее полимеров (
). В
производстве эту смесь называют суперфосфорной кислотой. Она содержит до 80%
, что
превращает ее в ценное сырье для получения высококонцентрированных фосфорных и
сложных удобрений.
Для этих целей ежегодно добывается
во всем мире фосфорсодержащей руды около 100 млн. т. Фосфорные удобрения не только
способствуют повышению урожайности различных сельскохозяйственных культур, но и
придают растениям зимостойкость и устойчивость к другим неблагоприятным
климатическим условиям, создают условия для более быстрого созревания урожая в
районах с коротким вегетативным периодом. Они также благоприятно действуют на
почву, способствуя ее структурированию, развитию почвенных бактерий, изменению
растворимости других содержащихся в почве веществ и подавлению некоторых
образующихся вредных органических веществ.
Немало ортофосфорной кислоты
потребляет пищевая промышленность. Дело в том, что на вкус разбавленная
ортофосфорная кислота очень приятна и небольшие ее добавки в мармелады,
лимонады и сиропы заметно улучшают их вкусовые качества. Интересны и другие
применения ортофосфорной кислоты в промышленности. Например, было замечено, что
пропитка древесины самой кислотой и ее солями делают дерево негорючим. На этой
основе сейчас производят огнезащитные краски, негорючие фосфодревесные плиты,
негорючий фосфатный пенопласт и другие строительные материалы.
Различные соли фосфорной кислоты
широко применяют во многих отраслях промышленности, в строительстве, разных
областях техники, в коммунальном хозяйстве и быту, для защиты от радиации, для
умягчения воды, борьбы с котельной накипью и изготовления различных моющих
средств.
Фосфорная кислота, конденсированные
кислоты и дегидротированные фосфаты служат катализаторами в процессах
дегидратирования, алкилирования и полимеризации углеводородов.
Все это позволяет сделать вывод, что
фосфорная кислота является необходимым сырьем не только в химической
промышленности, но и в пищевой.
Целью данного курсового проекта является
разработка технологии производства экстракционной фосфорной кислоты
полугидратным способом.
В соответствии с заданной целью были поставлены
следующие
Задачи:
.Выбрать и обосновать технологическую схему
производства фосфорной кислоты.
.Разработать принципиальную технологическую
схему производства нитрата аммония из азотной кислоты и аммиака со схемой
КИПиА, подобрать запорно-регулирующую арматуру.
.Рассчитать материальный баланс производства
нитрата аммония
.Проанализировать мероприятия по безопасности
труда, охране окружающей среды при производстве нитрата аммония.
Экологический аспект . Производство и
использование фосфорной кислоты не приводит к загрязнению окружающей среды.
Экстракционная фосфорная кислота не образует токсичных соединений в воздушной
среде и в сточных водах, не содержит примесей токсичных элементов. Удельная
активность природных радионуклидов не превышает норму 1,5 кБк/кг по Санитарным
правилам. Техногенные радионуклиды отсутствуют.
В процессе очистки отходящих газов
проверяется содержание пыли в газах на входе в циклоны и на выходе из них,
содержание аммиака и фтора в газах до и после абсорбции. Орошающие абсорберы
жидкости анализируются на содержание
, определяется их кислотность и
плотность, отношение
:
. В
заключительной стадии абсорбции определяется содержание
в орошающей
жидкости. Система экологического управления на предприятии производства
фосфорной кислоты является составной частью общей системы административного
управления. Действует программа "Экология", предусматривающая
количественные и качественные показатели снижения влияния деятельности
предприятия на окружающую среду, уменьшения потребления природных ресурсов. В
соответствии с нормативной документацией на предприятии организована система
контроля за соблюдением нормативов предельно допустимых выбросов, установленных
для источников выбросов, а также система контроля состояния атмосферного
воздуха в санитарно-защитной зоне предприятия и в близлежащих населенных
пунктах.
Прежде чем попасть к источникам
выбросов, газы, образующиеся в процессе производства, проходят многоступенчатую
очистку. На предприятии эксплуатируется 68 газопылеулавливающих установок. Их
эффективность достигает 99%. В технологической цепочке химического производства
применяются различные типы газоочисток, выбор которых обусловлен спецификой
химического состава и агрегатным состоянием вредных примесей. В производстве
минеральных удобрений очистка отходящих газов от пыли, аммиака и фтористых
соединений производится в абсорберах за счёт контакта очищаемого газа с
орошающей жидкостью.
Основной задачей по охране водного бассейна
является создание системы водопользования с максимальной степенью утилизации
стоков, снижение потребления речной воды на производственные нужды посредством
использования в производственных процессах очищенных сточных вод.
В настоящее время речная вода используется
только на нужды теплоэнергоцентрали, для подпитки водооборотных циклов и для приготовления
питьевой воды, т.е. только там где использование очищенных сточных вод
запрещено или технически практически невозможно. На предприятии действует целый
комплекс водоочистных сооружений.
Контроль за качеством сбрасываемых остаточных
вод производится более чем по 30 параметрам. Данные аналитического контроля
позволяют судить о ежегодном улучшении качества сточных вод. Так, суммарный
показатель загрязненности сточных вод - токсичность в конце 2009 года более чем
2,5 раза ниже уровня 2010 года. Ежегодно на предприятии проводится внутренний и
внешний экологический аудит, в процессе которого специалисты проводят анализ и
оценку достигнутых результатов деятельности в области охраны окружающей среды и
рационального использования природных ресурсов, включая оценку соответствия
действующему природоохранительному законодательству для разработки необходимых
рекомендаций по дальнейшему развитию системы экологического менеджмента.
При производстве фосфорной кислоты выбрасываемый
в атмосферу воздух проходит очистку и не превышает нормы ПДК:
Ø суммарный объем газов, отсасываемых
вентилятором постоянно 310 дней в году, в котором массовая концентрация
фтористых соединений в пересчете на фтор составляет не более 9,9 мг/
;
Ø пыль апатитового концентрата при
закачке апатита в бункера массовая концентрация которой составляет не более 180
мг/
;
Ø пыль апатитового концентрата при
закачке его в силоса концентрация которого не более 250 мг/
.
Экономический аспект. Основным звеном экономики
в рыночных условиях хозяйствования являются предприятия, которые выступают в
роли хозяйствующих субъектов. Они для осуществления хозяйственной деятельности,
получения продукции, доходов и накоплений используют определенные виды
ресурсов: материальные, трудовые, финансовые, а также денежные средства.
Наличие предприятия по производству фосфорной
кислоты необходимой для производства минеральных удобрений, его эффективная
деятельность, предопределяют развитие сельского хозяйства. В этой связи
важнейшей задачей является увеличение фосфорной промышленности в целях
увеличения производства минеральных удобрений.
Основной составной частью прибыли является
прибыль от продаж производимой продукции. Существенным фактором, влияющим на
величину прибыли от производимой продукции, является изменение уровня
себестоимости продукции. Вопреки прямо пропорциональной связи влияния объема
реализации производимой продукции на уровень прибыли, связь между величиной
прибыли и уровнем себестоимости обратная. Чем ниже себестоимость продаваемой
продукции, определяемая уровнем затрат на ее производство и продажу, тем выше
прибыль, и наоборот. Во втором разделе приведён пример расчёта себестоимости,
цены, прибыли, рентабельности, периода окупаемости производимой продукции.
Общее мировое потребление фосфатного сырья в
настоящее время составляет более 150 млн. т в год.
В 2005 г. мировое производство
фосфорной кислоты достигло 34,6 млн. т
, увеличившись на 3,6% по сравнению
с уровнем 2004 г. Мировая торговля фосфорной кислотой в 2005 г. выросла на 3% -
до 5,0 млн. т
.
В период с 2006 по 2010 гг. мировые
мощности по производству фосфорной кислоты возрастут, согласно прогнозу, на 5,4
млн. т и достигнут значения в 48.5 млн. т
к 2010 г. Основные проекты по их
увеличению будут осуществлены в Алжире, Китае, Египте, Марокко, России,
Саудовской Аравии и Тунисе.
Мировые поставки фосфорной кислоты
оцениваются в 35,4 млн. т в 2006 г. и достигнут 40,7 млн. т
в 2010
(средний ежегодный рост - 3,7%). Принимая в расчёт использование фосфорной
кислоты для производства удобрений и в других целях, средняя мировая
потребность в ней будет расти на 3,3% в год и к 2010 г. достигнет 38,7 млн. т
. К 2010 г.
превышение предложения фосфорной кислоты над спросом удвоится и достигнет 2,0
мл т
из-за ввода
в строй новых мощностей.
По оценке Сельскохозяйственного
Комитета IFA мировая потребность в фосфорных удобрениях (
) в 2005 г.
календарном году составит 37,7 млн. т
, что на 3% больше уровня 2006 г. К
2010 г. мировая потребность в фосфорных удобрениях должна достичь 41,5 млн. т
(ежегодный
прирост после 2007 г. - 2,5%).
Социально-политический аспект. Развитие
производства фосфорной кислоты зависит как от стабильности развития экономики
субъекта РФ в целом, так и от государственного регулирования развития отрасли.
На раннем этапе государственная поддержка развития данного производства должна
быть сведена к разработке целевой программы развития сельскохозяйственного
комплекса, которая бы в полной мере учитывала современные тенденции развития
региональной экономики, специфику и важнейшие факторы развития производства
нитрата аммония.
Этический аспект. Для защиты здоровья людей от
негативного воздействия загрязняющих веществ производства фосфорной кислоты,
необходимо улучшать физическое, психологическое и эмоциональное состояние
работающих. Необходимо доводить качество выбрасываемых загрязняющих веществ
производства фосфорной кислоты до требуемых нормативов с тем, чтобы в
рекреационных зонах, населенных пунктах, находящихся в непосредственной
близости с объектами производства нитрата аммония качество среды обитания было
бы приемлимым.
1. Общие сведения о фосфорной кислоте
Фосфорную кислоту открыл Р. Бойль с
помощью индикаторов. Сжигая фосфор и растворяя образовавшийся белый продукт в
воде он получил неизвестную химикам кислоту. По исходному веществу он назвал её
фосфорной. Технически фосфорную кислоту впервые получили более 100 лет назад
разложением низкокачественных фосфоритов, содержащих значительные количества
соединений трехвалентных металлов, разбавленной (5-10% ) серной кислотой, в
которой соединения железа и особенно алюминия переходят в раствор в незначительной
степени [1]. Раствор с концентрацией 8-10%
упаривали до содержания в нем
примерно 40%
. При
разложении фосфатной породы более концентрированной (30-40%) серной кислотой
выделяются игольчатые кристаллы гипса. Они удерживают значительное количество
жидкой фазы и плохо промываются. Вследствие этого потери
велики.
Существенным шагом вперед в производстве фосфорной кислоты был переход к
установкам непрерывного действия и разбавления 75% и 93% серной кислоты не
водой или слабыми промывочными водами, а раствором фосфорной кислоты, т.е.
проведение процесса с применением раствора разбавления. В этих условиях
выделяются ромбические кристаллы, которые хорошо фильтруются и отмываются.
1.1
Свойства фосфорной кислоты
Более точное название ортофосфорная
кислота, химическая формула
, в чистом виде представляет собой
бесцветные гигроскопичные ромбовидные кристаллы, имеющие температуру плавления
42,3°С. Но в таком виде ее можно встретить очень редко, поэтому фосфорной
кислотой называют 75% или 85% водный раствор фосфора [2].
фосфорный кислота
экстракционный полугидратный
1.1.1
Физические свойства
Фосфорная кислота, которую мы привыкли
видеть - это бесцветная густая жидкость без запаха, при охлаждении которой
выпадает полугидрат
.
В нормальных условиях она
малоактивна и вступает в реакцию только с гидроксидами, карбонатами и
некоторыми металлами. При нагревании до температуры свыше 80°С реагирует с
неактивными оксидами, силикатами и кремнеземом. Также фосфорная кислота при
нагревании теряет воду, образуя в начале пирофосфорные, а затем - метафосфорные
кислоты [2].
В переохлажденном состоянии - это
густая маслянистая жидкость плотностью 1,88 т/
. Смешивается с водой во всех
отношениях. При нагревании подвергается дегидратации с образованием
полифосфорных кислот различного состава (
), где n<3; пирофосфорной
,
триполифосфорной
и т.д.
Техническая полифосфорная кислота,
содержащая 70% - 80%
и известная
под названием суперфосфорной кислоты, имеет плотность 1,8 - 2,0 т/
и
температуру затвердевания 3 - 8°С. Высокое содержание
и
способность образовывать растворимые комплексные соединения, позволяет
использовать суперфосфорную кислоту для получения высококонцентрированных
жидких и твердых фосфорных удобрений.
Кислота (ортофосфорная кислота)
:
· молярная масса 97,995;
· расплывается на воздухе;
·
;
·
=1,88 г/см3 или
=-1283
кДж/моль;
· наиболее стабильное соединение в ряду
кислородсодержащих кислот фосфора;
· в расплавленном состоянии склонна к
переохлаждению;
· при 15
образует густую маслянистую
жидкость, при -121
-
стеклообразную массу [2].
Фосфорная кислота смешивается с водой в любых
соотношениях( таблица 1). Разбавленные водные растворы имеют кисловатый вкус.
Таблица 1 - Характеристики водных растворов
фосфорной кислоты
Содержание
(в %)по массе Температура кипения (в
С
)Температура затвердевания
(в
С)Удельная
электрич. проводимость (см/м при 25
С)Давление пара
(Па
при 25
С)
(Па
при 25
С)
|
кДж/
(КГ К)
|
|
|
|
|
|
|
|

|
|
|
|
|
|
|
|
|
5
|
3,62
|
100,10
|
0,8
|
10,0
|
3129,1
|
0,0010
|
4,0737
|
|
10
|
7,24
|
100,20
|
-2,10
|
18,5
|
3087,7
|
0,0011
|
3,9314
|
|
20
|
14,49
|
100,80
|
-6,00
|
18,3
|
2986,4
|
0,0016
|
3,6467
|
|
30
|
21,73
|
101,80
|
-11,80
|
14,3
|
2835,7
|
0,0023
|
3,3411
|
|
40
|
28,96
|
103,90
|
-21,90
|
11,0
|
2553,1
|
0,0035
|
3,0271
|
|
50
|
36,22
|
104,00
|
-41,90
|
8,0
|
2223,8
|
0,0051
|
2,7465
|
|
60
|
43,47
|
114,90
|
-
76,90
|
7,2
|
1737,1
|
0,0092
|
2,4995
|
|
70
|
50,72
|
127,10
|
-43,00
|
6,3
|
1122,6
|
0,0154
|
2,3278
|
|
75
|
54,32
|
135,00
|
-17,55
|
5,8
|
805,2
|
0,0200
|
2,2692
|
Из высококонцентрированных растворов
кристаллизуется в виде гемигидрата (полугидрата)
- бесцветные кристаллы моноклинной
сингонии (а = 0,7922 нм, b = 1,2987 нм, с = 0,7470 нм, = 109,9°; пространств,
гр. Р21/a).
1.1.2
Химические свойства фосфорной кислоты
Молекула безводной
и ее
кристаллогидрата содержит тетраэдрическую группу
. В безводной фосфорная кислота
образуются водородные связи типа P -- О -- H ... O = P (рисунок 1) (расстояние
между атомами О 0,253 нм), которые удерживают структуры
в виде
слоев, параллельных одной из плоскостей кристалла.
Водородные связи сохраняются и в
концентрированных (70-80%) растворах фосфорная кислота, что отчасти
обусловливает ее сиропообразную природу. В разбавленных до 40-50% растворах
отмечена более устойчивая водородная связь фосфат-анионов с молекулами воды, а
не с другими фосфат-анионами. В растворах фосфорная кислота имеет место обмен
атомами кислорода между группами
и водой [2].
Фосфорная кислота при нормальных
условиях малоактивна и реагирует лишь с карбонатами, гидроксидами и некоторыми
металлами. При этом образуются одно-, двух- и трехзамещенные фосфаты. При
нагревании выше 80
реагирует
даже с неактивными оксидами, кремнеземом и силикатами. При повышенных
температурах фосфорная кислота- слабый окислитель для металлов. При действии на
металлическую поверхность раствором фосфорной кислоты с добавками Zn или
Mn образуется защитная пленка (фосфатирование). Фосфорная кислота при
нагревании теряет воду с образованием последовательно пиро- и метафосфорных
кислот:
Фосфолеум (жидкий
фосфорный ангидрид, суперфосфорная кислота) включает кислоты, содержащие от
72,4 до 88,6%
, и
представляет собой равновесную систему, состоящую из орто-, пиро-, триполи-,
тетраполи- и др. фосфорных кислот. При разбавлении суперфосфорной кислоты водой
выделяется значительное количество тепла, и полифосфорные кислоты быстро
переходят в ортофосфорную.
От других фосфорных кислот
можно
отличить по реакции с
- выпадает
желтый осадок
. Остальные
фосфорные кислоты образуют белые осадки [1].
Рисунок 1- Водородные связи в
молекулярных структурах фосфорной кислоты
При взаимодействии высшего оксида
фосфора с водой на холоде получается метафосфорная кислота
,
представляющая собой прозрачную стекловидную массу. При разбавлении её водой
образуется ортофосфорная кислота
:
При нагревании до 200-250 °C ортофосфорная
кислота обезвоживается, и образуется пирофосфорная кислота
, в
результате дальнейшей дегидратации которой при 400-500 °C вновь образуется
метафосфорная кислота:
Из всех фосфорных кислот наибольшее
практическое значение имеет ортофосфорная кислота (которую часто называют
просто фосфорная). Для её получения используют реакции обмена фосфатов с
сильными кислотами или окисление белого фосфора азотной кислотой:
Фосфорную кислоту и её соли
(дигидрофосфаты, гидрофосфаты и фосфаты) широко используют при производстве
минеральных удобрений. Наиболее распространёнными фосфорными удобрениями
являются простой суперфосфат, преципитат и фосфоритная мука [3].
1.2
Область применения фосфорной кислоты
Область применения всевозможных соединений
фосфора огромна:
Производство удобрений,
для чего используется основная доля всей производимой фосфорной кислоты.
Ежегодно только для производства удобрений во всем мире используется более 100
млн.тонн (90%) фосфоросодержащей руды. Основные производители удобрений данного
типа- Россия, США и Марокко, основными потребителями являются практически все
страны Западной Европы, Азии и Африки.
Растения потребляют этот элемент из
солей фосфорной кислоты в виде анионов (
или
), а также из солей полифосфорных
кислот после гидролиза. Растения используют фосфор для построения семян и
плодов, т.е. фактически самых важных своих частей. Также благодаря фосфорной
кислоте повышается зимостойкость растений и их устойчивость к засухе и другим
неблагоприятным условиям. Особенно важно применение фосфорных удобрений в
северных районах с коротким вегетативным периодом. Благотворное влияние она
оказывает и на почву, способствуя развитию почвенных бактерий.
Звероводство. Фосфорная
кислота незаменима для профилактики повышенной кислотности желудка и
мочекаменной болезни.
Пищевая промышленность.
Разбавленная фосфорная кислота применяется для придания вкуса сиропам,
мармеладам, газированным напиткам. Она зарегистрирована как пищевая добавка
Е338. Соли фосфорной кислоты входят в состав пекарского порошка, улучшая вкус
хлебобулочных изделий.
Деревообрабатывающая промышленность. Раствор
фосфорной кислоты и ее соли используют для пропитки древесины, в результате
чего она становится негорючей.
Производство бытовой химии и
стройматериалов.
С использованием фосфорной кислоты выпускаются огнезащитные лакокрасочные
материалы: эмали, лаки, пропитки и т.д., негорючий фосфатный пенопласт,
древесные плиты и другие стройматериалы.
Соли фосфорной кислоты используют
для смягчения воды, они входят в состав моющих и чистящих средств, средств для
борьбы с накипью [4].
.3 Фосфатное
сырье
Фосфор находится в земной коре в виде минералов
большей частью химически стойких, нерастворимых в воде и почвенных растворах.
Они встречаются повсеместно и часто в виде крупных скоплений.
В природе известно свыше 120
фосфатных минералов. Наиболее распространены и имеют промышленное значение
минералы фосфоритовой и апатитовой групп , основной из которых в последней -
фторапатит
(таблице
2).
Таблица 2 - Состав апатитовых минералов
К апатитам относятся минералы с
общей формулой
с
элементарной кристаллической ячейкой из 42 частиц (где R -фтор, хлор и
гидроксил). Некоторая частъ ионов Ca в апатитах обычно замещена ионами Sr,
, Mg, Mn,
Fe, а также трехвалентных редкоземельных элементов (р. з. э.) в
сочетании со щелочными металлами.
Другие апатитовые минералы являются
продуктами замещения части фосфора углеродом (карбонатапатит, а также франколит
и курскит ; в качестве заместителей могут выступать элементы полуторных
соединений (железо, алюминий), а также щелочные металлы. В результате
получаются такие апатитовые минералы, как крандаллит
и милизит
.
Важнейшими другими минералами,
содержащими фосфор, являются амблигонит, бирюза , вавеллит , вагнерит ,
варисцит , вивианит , ксенотим , либетенит , литиофилит , монацит , отэнит ,
мироморфит , триплит, трифилит.
Некоторые из этих минералов служат
источником получения целевых редкоземельных элементов, урана и т. д., а
получаемые соединения фосфора при их переработке представляют собой побочный
продукт.
Из апатитов наиболее распространен
фторапатит, меньше- гидроксил апатит и еще реже - хлорапатит. Апатиты входят в
состав многих изверженных пород. Вкрапленные в них или сопутствующие им другие
минералы магматического происхождения имеют кристаллическое строение . К ним
относятся : нефелин , пироксены , титаномагнетит , ильменит , шпаты, слюда,
эвдиалит и др.
Месторождения осадочных фосфоритов
образовались в результате выветривания фосфатных пород, уноса их реками в моря,
взаимодействия с другими породами и отложения как в рассеянном состоянии, так и
в виде крупных скоплений. В общем балансе осадочных фосфатов кальция некоторую
долю занимают фосфорные соединения органического происхождения (раковины,
кости); последние под влиянием геологических и химических процессов
сконцентрировались во многих местах земной коры.
Различают следующие группы и типы
фосфоритов. В зависимости от условий накопления фосфатного вещества фосфориты
подразделяются на три группы:
хемогенные, образованные химическим
путем; органогенные, образовавшиеся за счет скопления погибших организмов или
органических выделений; вторичные, т. е. рудопроявления, прошедшие стадию
размыва и последующей концентрации.
По вещественному составу фосфориты
подразделяются на четыре типа:
· Желваковые (Вятско-Камские
месторождения, Актюбинске и др.);
· Ракушечниковые (месторождения
Эстонии и Ленинградской обл.);
· Микрозернистые (месторождения
Каратау);
· Остаточно-метасапатические
(Белкинское и Телекское месторождения), образовавшиеся в результате сложных
вторичных превращений фосфатных пород.
В подавляющем большинстве фосфориты состоят из
фтор- апатита, реже-из карбонатапатита и в небольшом количестве в них находится
изоморфная смесь фторгидроксилапатита. Кроме фторапатита, в фосфатное вещество
некоторых фосфоритов входят также фрацколит (штаффелит).
Фосфоритные руды отличаются от апатитовых
высокой дисперсностью содержащихся в них фосфатных минералов и тесным
срастанием их с сопутствующими минералами- примесями. Фосфат встречается как в
виде коагулировавшего геля, близкого к аморфному, так и в явно кристаллической
форме, хотя имеются многочисленные промежуточные группы.
Вследствие высокой дисперсности
фосфатного , вещества фосфориты, в отличие от апатитовых руд, обладают большей
удельной поверхностью и растворяются в кислотах быстрее апатита. Содержащаяся в
некоторых из них
извлекается
кислыми почвенными растворами и усваивается растениями. Поэтому особенно легко
разложимые фосфориты, в частности желваковые и в меньшей степени
ракушечниковые, применяют после размола в виде фосфоритной муки как дешевое
удобрение на кислых почвах.
Фосфоритные, а также
апатиткарбонатные и апатитсиликатные руды, помимо фосфатного вещества, содержат
значительные количества других минералов : глауконита; лимонита; кальцита ;
доломита ; магнезиальных силикатов (например, форстерита ); каолина; пирита ,
полевых шпатов, кварца, гранита и других, а также небольшие количества
органического вещества [5].
1.3.1
Обогащение фосфатного сырья
Пригодность фосфатного, сырья для
кислотной переработки определяется, как известно, содержанием в нем не только
, но и
разлагаемых кислотами примесей - карбонатов кальция и магния, окисей железа,
алюминия и др. При этом массовое отношение
:
в сырье не должно превышать 7-10%, MgO
:
7-8%.
Для выделения из фосфатных руд
фосфорсодержащего минерала и максимального отделения пустой породы применяют
как первичную обработку их (например, грохочение и отмывку), так и последующее
вторичное обогащение-в основном флотацию . Последняя может быть применена и в
качестве первичного, т. е, самостоятельного способа обогащения.
Желваковые руды отделяют из
тонкодисперсной пустой породы (с размерами менее 0,5 мм) грохочением или
отмывкой. Остающийся материал (класс +0,5 мм) содержит до-25%
, который
иногда и составляет так называемый мытый продукт. Аналогичным образом
подвергают первичной обработке ракушечниковые руды. Так, при дроблении и измельчении
низкосортной руды Маарду, содержащей всего 5-10%
, происходит практически
классификация основных минералов с накоплением фосфатов в классе -0,5+0,25 мм,
содержащем 26-27 %
.
Однако при неравномерности состава
руды отдельных участков требуется подбор специальных условий их обогащения .
Из общих запасов разных типов
фосфатного сырья бассейна Каратау (без учета фосфатов в кремнистом сырье)
высококачественные руды составляют -10%, в том числе низкомагниевые - всего -
2,2-2,5% .
В Советском Союзе фосфатное сырье с
рудников выппускают в виде флотационных концентратов (хибинский апатитовый
концентрат, каратауский, егорьевский, кингисеппский и другие флотационные
концентраты), мытых фосфоритов (вятский, егорьевский, актюбинский) и первичных
фосфоритных концентратов, получаемых избирательным дроблением и отсевом -
курский (щигровский), брянский (полпинский), эстонский и др.
В настоящее время флотационный метод
обогащения фосфатных руд является наиболее эффективным.
Получаемый на Кировской
апатито-нефелиновой обогатительной фабрике флотационный апатитовый концентрат
отличается однородностью и содержит 39,4-40%
. Это
наиболее концентрированное фосфатное сырье в мире. Согласно ГОСТ 5.1188-72
апатитовый концентрат должен содержать не менее 39,4%
(в
пересчете на сухое вещество) и не более 1% влаги (летом не более 1,5%); остаток
на сите 0,05 мм должен составить не более 14%.
Флотационным обогащением некоторых
фосфоритов (кингисеппских, марокканских и других) получают из руды достаточно
богатые концентраты. Отделение кремнистых минералов от фосфатных обычно не
представляет затруднений и осуществляется для песчанистых желваковых и
ракушечни- ковых фосфоритов при помощи анионных собирателей в присутствии
щелочных реагентов - регуляторов. Однако трудно поддаются флотации фосфориты,
содержащие большое количество карбонатов и состоящие из мелкокристаллических
частиц фосфатов. Так, для фосфоритов Каратау даже отделение кремнистых
минералов осложняется из-за необходимости тонкого измельчения руды вследствие
высокой дисперсности включенного в фосфат халцедона. Особенно затруднительно
отделение карбонатов, имеющих близкую флотируемость с фосфатами. Поэтому
эффективное использование месторождения является предметом непрерывных
изысканий .
Производственным объединением
"Каратау" выпускается товарная руда, которая для термической
переработки (по ОСТ 6-25-19-74) должна содержать не менее 21%
Для класса
+10 и +70 мм, а для кислотной переработки богатая фосфоритная мука должна
содержать не менее 28%
(ТУ
6-25-5-73).
Для кислотной переработки фосфатное
сырье получают как путем сухого размола высококачественных (богатых) руд, так и
флотационным обогащением менее богатых (рядовых) фосфоритных руд. При этом даже
из фосфоритов со средним содержанием 23,3%
и 3,6% MgO ,при существующих
методах обогащения получают флотационный концентрат, содержащий только 27,9%
и 2,45% MgO.
Степень извлечения
во флотационный
концентрат не превышает 63-65%, т. е. при обогащении теряется до 35% фосфатного
вещества. Хвосты обогатительной фабрики, содержащие 16-18%
и 4-6% MgO,
не используют.
Неэкономичность и неэффективность
обогащения рядовой руды, а также весьма небольшие запасы богатой руды
обусловливают необходимость изыскания путей широкого использования для
химической переработки руд, содержащих 23,5%
(и меньше) и 3-3,5% MgO (и
больше).
Флотация ракушечниковых оболовых
фосфоритов протекает более успешно вследствие физической расчлененности частиц
основных их минералов-фосфата и кварца. Из весьма бедной кингисеппской руды
(6,5-8,5%
), получают
флотационный концентрат, содержащий 28-30%
. В чистом фосфатном веществе
раковин концентрация
составляет
34,5-36,5%.
В лабораторных условиях были
достигнуты удовлетворительные результаты при флотации фосфоритов Красноярского
и Хабаровского краев .
В стадии лабораторных исследований
находится изучение обогащения бедных фосфоритных руд Каратау, содержащих
карбонаты, путем обжига их при 950-1000°С, гашения обожженного продукта водой
отделения тонкой суспензии гашеной извести (и гидроокиси магния) от более
крупных частиц фосфорита [6].
.4 Способы
получения фосфорной кислоты
Фосфорную кислоту в небольших
количествах легко получить в лабораторных условиях путем окисления фосфора
раствором азотной кислоты (32%). В промышленности ее получают экстракционным и
термическим способами.
Экстракционный способ получения
фосфорной кислоты является более экономичным. Он основан на разложении
природных фосфатов различными кислотами, в основном - серной, а также, хотя и в
гораздо меньшей степени, азотной и соляной. Суть этого метода - экстрагирование
в виде
. Для этого
фосфаты обрабатывают
, а
полученную пульпу фильтруют от осадка сульфата Ca, получая таким образом
чистую фосфорную кислоту.
К сырью для производства фосфорной
кислоты предъявляются очень высокие требования: природные фосфаты с высоким
содержанием карбонатов, соединений Al, Mg, Fe, и других органических веществ
- непригодны! В России и странах СНГ для производства фосфорной кислоты обычно
используют Хибинский апатитовый концентрат и фосфориты Каратау. Термический
способ, при котором получается наиболее чистая фосфорная кислота, включает в
себя стадии сжигания элементного фосфора, гидратацию
и абсорбцию
его водой или кислотой, конденсацию и улавливание из газовой фазы тумана. В
зависимости от того, какой принцип охлаждения газов применяется, термический
способ получения кислоты бывает трех видов: испарительный,
теплообменно-испарительный или циркуляционно-испарительный. На отечественных
предприятиях обычно используют технологию с циркуляционно-испарительным
способом охлаждения [6].
1.4.1 Физико-химические основы получения экстракционной
фосфорной кислоты
Экстракционный метод производства фосфорной
кислоты основан на реакции разложения природных фосфатов серной кислотой.
Процесс состоит из двух стадий:
1) разложения фосфатов
2) фильтрования образовавшейся фосфорной
кислоты и промывки сульфата кальция водой.
Сернокислотное разложение фосфата кальция
представляет гетерогенный необратимый процесс, протекающий в системе
"твердое тело - жидкость" и описываемый уравнением:
Для удобства записи и упрощения
расчетов формула двойной соли фторапатита 3
записывается в виде
.
Часть образовавшейся фосфорной
кислоты возвращается в процесс. Фактически фосфат разлагается смесью серной и фосфорной
кислот. В зависимости от концентрации фосфорной кислоты в системе и температуры
образующийся сульфат кальция может осаждаться в виде ангидрита (m = 0), полу
гидрата (m = 0,5) и дигидрата (m = 2). В соответствии с этим различают три
варианта экстракционного метода производства фосфорной кислоты: ангидридный,
полугидратный и дигидратный. В таблице 3 приведены условия разложения
фторапатита для каждого из вариантов этого процесса [7].
Таблица 3 -Условия разложения
фторапатита
|
Тип
процесса
|
Температура,°С
|
Концентрация
в жидкой
фазе,%Теплота реакции, кДж моль
|
|
|
Дигидратный
|
70-80
|
25-32
|
384,4
|
|
Полугидратный
|
95-100
|
38-48
|
371,0
|
Температурный режим зависит от
варианта экстракционного процесса. В дигидратном методе гидратированный сульфат
кальция осаждается в форме дигидрата при 70 - 80°С и концентрации кислоты в
реакционной смеси 20 -32%
, в
полугидратном методе - в форме полугидрата при 90 - 100°С и концентрации
кислоты 35 - 42%
.
Высокая степень разложения фосфатов,
равная 0,99 дол. ед., достигается всего за 1 - 1,5 часа. Практически процесс
экстракции продолжается до 4- 8 часов. Это необходимо для образования крупных
кристаллов сульфата кальция, которые легко фильтруются и промываются для
извлечения фосфорной кислоты небольшим количеством воды. Образование крупных
кристаллов способствует также перемешивание системы, незначительный избыток
серной кислоты, снижающий степень пресыщения раствора и постоянство температуры
процесса.
Принципиальные схемы производства
экстракционной фосфорной кислоты дигидратным и полугидратным методами
идентичны. Однако полугидратный метод позволяет получать более
концентрированную кислоту ; снизить потери сырья и обеспечить более высокие
интенсивность и производительность аппаратуры [7].
1.4.2 Получение
фосфорной кислоты экстракционным методом
В настоящее время в промышленности
применяют различные технологические схемы производства экстракционной фосфорной
кислоты на основе дигидратного и полудигидратного процессов.
Дигидратный и одностадийный
полугидратный процессы могут осуществляться по единой технологической схеме
[8].
Рисунок 2-Принципиальная схема
производства экстракционной фосфорной кислоты
На процесс получения ЭФК влияют:
) Активность жидкой фазы (H2S04
). По мере расхода H2S04
концентрация иона Н + уменьшается, снижается активность жидкой фазы,
скорость разложения снижается.
) С повышением t
за счет реакции, наблюдается увеличение скорости разложения.
) Примеси оказывают отрицательное
влияние.
) Скорость перемешивания до определенного
предела влияет на смешивания Т-Ж.
) Тонкость помола сырья.
) Время перехода полугидрата в гемигидрат
составляет 0,5-1 час, гемигидрат переходит в ангидрит в течении 1 суток. Время
образования дигидрата составляет 4-8 часов
[9].
1.4.2.1 Дигидратный, гемигидратный и
полугидратный способы получения экстракционной фосфорной кислоты
Получение ЭФК дигидратным способом.
Схемы дигидратного процесса различаются
применением или отсутствием циркуляции пульпы, распределением реагентов между
реакторами, способами охлаждения пульпы, методами разделения твердой и жидкой
фаз и промывки фосфогипса.
Основная цель процесса - ведение без резких
колебаний концентраций, температуры и образование более крупных кристаллов
сульфата кальция, поэтому создают условия:
Ø чем больше продолжительность
взаимодействия реагентов, тем крупнее и однороднее получаются кристаллы (т=4-6
ч);
Ø для увеличения скорости
кристаллизации процесс проводят в присутствии большого количества растущих
кристаллов сульфата кальция (затравка);
Ø оптимальная концентрация серной
кислоты в жидкой фазе при осаждении сульфата кальция поддерживается 1-1,8% (в
пересчете на S03);
Ø для выращивания крупных кристаллов
гипса в экстракторах поддерживают температуру 70-75°С.
Принципиальная схема ( рисунок 3)
получения фосфорной кислоты (28-32%
) из апатитового концентрата.
Фосфорную кислоту (20-22%
) можно
получить по этой же схеме из фосфоритов.
По схеме в первый реактор экстрактора 3 из
бункера 1 дозатором 2 непрерывно вводят апатитовый концентрат. В этот же
реактор погружными насосами 5 вводят оборотную фосфорную кислоту из
барометрического сборника 16 и циркуляционную суспензию после
вакуум-испарительной установки 8 (кратность циркуляции (8:12) : 1) и серную
кислоту из сборника 4. Серную кислоту- возможно частично или полностью вводить
во второй реактор. Соотношение Ж : Т в суспензии в экстракторе поддерживают
равным (1,7:2,5) : 1. Из первого реактора суспензия протекает во второй, откуда
основная часть ее погружным насосом 7 подается в вакуум-испаритель 8,
представляющий собой резервуар, в котором вакуум-насосом поддерживают
пониженное давление. Вследствие этого поступающая в него жидкость оказывается
перегретой и закипает с выпаркой части воды. Это приводит к понижению
температуры на 3-5°С. Газы из вакуум-испарителя через брызгоуловитель отводят в
поверхностный конденсатор 10, в котором конденсируются пары воды и улавливается
часть соединений фтора. Окончательную очистку газа от соединений фтора
производят в барботажном нейтрализаторе 11.
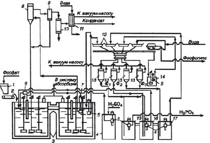
Рисунок 3 - Схема получения экстракционной
фосфорной кислоты дигидратным способом
1- бункер фосфатного сырья; 2- дозатор; 3 -
двухступенчатый экстрактор; 4- сборник серной кислоты; 5- погружные насосы. 6-
расходомер серной кислоты; 7- погружной насос; 8- испаритель; 9-
брызгоуловитель; 10- конденсатор; 11- барботажный нейтрализатор; 12- лотки
карусельного вакуум-фильтра; 13- ресиверы (сепараторы); 14- промежугочный
сборник суспензий - после регенерации фильтровальной ткани; 15,16,17 -
барометрические сборники: для первого (основного) фильрата (15), для оборотной
фосфорной кислоты (16), дтя промывного фильтрата (17).
Продукционная суспензия поступает на лотковый
карусельный вакуум- фильтр, в котором гипс отделяется от раствора, а осадок
промывается по трехфильтратной системе.
Карусельный лотковый фильтр состоит из 24
отдельных лотков на днищах которых уложена фильтровальная ткань (капрон, лавсан
и т.п.), лотки установлены на каретках с колесами, движущимися по круговым рельсам.
С помощью двух шайб, образующих головку фильтра, - подвижных, вращающейся
вместе с лотками, и неподвижной - фильтраты отсасываются в соответствующие
вакуум-сборники (15,16,17). После прохождения зон фильтрации и промывок каждый
лоток с помощью направляющих автоматически опрокидывается для выгрузки лепешки
фосфогипса. Фильтровальная ткань промывается водой и подсушивается воздухом.
Затем лоток вновь принимает рабочее положение и перемешается в зону основного
фильтрования. Воду, используемую для регенерации фильтровальной ткани, подают
на последнюю или предпоследнюю зону промывки осадка, что сокращает потери Р4О10
и позволяет создать на экстракционных установках замкнутую систему водооборота.
Гигроскопическая влажность фосфогипса 15-40%. Количество фосфогипса (в
пересчете на сухое вещество) составляет 1,2- 1,6т на 1т переработанного
природного фосфата. В процессе переработки 1т апатита выход гемигидрата кальция
равен 1,4: гипса -1,6 т.
Газожидкостная смесь разделяется в
сепараторах 13, в которых поддерживается разрежение 65-85 кПа. Первый
фильтрат Ф1 направляется в сборник готовой продукции, а часть его переливается
в барометрический сборник оборотной кислоты 16, куда также поступает и второй
фильтрат Ф:, полученный в процессе промывки осадка третьим фильтратом Ф3.
Фильтрат Ф3 образуется при промывке осадка суспензией, получаемой в
процессе регенерации фильтровальной ткани, и свежей горячей (60-70°С) водой.
Промытый гипс передается с лотка в сборник 14, из которого в виде суспензии
перекачивается в отстойник гипса. Содержание
в фильтратах: Ф1- 28-32%,
Ф2-22-25%, Ф3 - 5-10%.
В процессе получения фосфорной кислоты
дигидратным способом выделение фтора в атмосферу невелико - 3-5% от
содержащегося в исходном сырье (около 80% переходит в целевой продукт, 15-17% -
в фосфогипс). Соответственно концентрация фторидов в отводимых из экстрактора
газах в зависимости от способа охлаждения и вытяжки вентилятора в пересчете на
фтор составляет 0,2 - 2,5 г/м3.
Согласно дигидратному способу, на 1т
продукционного Р205 расходуется 2,65 - 2,73 т апатита и
2,45 - 2,48 т 100%-ной серной кислоты. Экстракционная фосфорная кислота,
полученная из апатита дигидратным способом, содержит: 25-32% Р205
,.8-2,8% СаО, 0,3-0,4%
, 0,3-0,5% Fe203, 1,7-2,20% F.
Получение ЭФК полугидратным способом
Способ заключается в практически
полном разложении апатита в избытке фосфорной кислоты и в обработке полученной
пульпы серной кислотой при регулируемой кристаллизации
.
Полугидратный процесс отличается от дигидратного температурным режимом. а также
растворимостью, устойчивостью, размером и формой кристаллов сульфата кальция.
Гемигидратный (полугидратный) способ осуществляется точно так же, как и
дигидратный с введением всех исходных реагентов в реактор.
Разложение апатита производится в
2-3 кратном избытке фосфорной кислоты (45 - 48% Р205)
от стехиометрического количества, при температуре 95 - 102 °С, в течение 1,2 -
1,7 часа. Образовавшаяся суспензия содержит дигидрофосфат кальция, который
обрабатывается 92-93%
. Степень
разложения апатита составляет 98,5 - 99%. Полученная концентрированная
фосфорная кислота содержит 45 -48 %
.
По полугидратному способу в процессе
разложения к апатиту добавляют немного соды, с целью удаления в осадок
переходящего в раствор иона
. При этом -50% фтора осаждается в
виде
и 35% фтора
выделяется в газовую фазу.
Размеры одиночных кристаллов зависят
от концентрации кислоты и плотности пульпы, а также от наличия примесей.
Присутствие до 2% и или
в
фосфорнокислых растворах, содержащих 45-50%
, ведет к уменьшению размеров
кристаллов полугидрата.
Наличие в растворе 0,5 - 0,6%
фтористых и кремнефтористых соединений приводит к резкому уменьшению размеров
кристаллов и получению их в игольчатой форме. Увеличение содержания фтористых
соединений до 1% замедляет фильтруемость в 5 раз.
Совместное присутствие соединений
алюминия и ионов фтора в количестве до 2% А1203
и 0,4 - 0,5% F приводит к
образованию изометричных кристаллов с лучшими фильтрующими свойствами.
Полугидратный процесс отличается от
дигидратного температурным режимом, концентраций фосфорной и свободной серной
кислот, соединений фтора; растворимостью, устойчивостью, размером и формой
кристаллов сульфата кальция, а также режимом промывки сульфата кальция.
Получение ЭФК ангидритным способом
В настоящее время в промышленности
ангидритным способом ЭФК не производят, т.к. процесс протекает при высоких
температурах 100-110° С, при этом образуется концентрированная фосфорная
кислота -50%
. которая
создает интенсивные коррозионные условия и образование труднофитьтруемого
мелкокристаллического сульфата кальция, что требует большего числа ступеней
противоточной промывки.
Преимущество ангидритного способа от
других способов заключается в том, что позволяет без упаривания получать
кислоту, содержащую 50%
, а также в
процессе экстракции большая часть фтора выделяется в газовую фазу и получаемая
кислота меньше загрязнена
.
Получение ЭФК комбинированными
способами
Комбинированные способы
(дигидратно-гемигидратный и гемигидратно- дигидратный) получения ЭФК наиболее
распространены за рубежом, так как более технологичны и экономичны. Они
обеспечивают повышение степени использования исходного фосфатного сырья,
повышение концентрации целевого продукта, более чистого CaS04
с большими возможностями его дальнейшей переработки. Комбинированные процессы
усложнены двойным фильтрованием или нетехнологичны из-за продолжительной стадии
перекристаллизации в гемигидратном-дигидратном способе.
В комбинированных процессах
предусмотрено регулирование условий гидратации с получением
крупнокристаллического гипса с незначительным содержанием
.
Комбинированный процесс получения ЭФК предусматривает следующие стадии:
1) осаждение гемигидрата смешением
исходного фосфорита с оборотной фосфорной и серной кислотами при температуре
90-93°С;
2) охлаждение суспензии до 50-65°С;
) гидратация гемигидрата с введением затравочных
кристаллов гипса, серной кислоты и активного диоксида кремния для связывания
фторид- ионов. замедляющих в сочетании с ионами алюминия обводнение.
Продолжительность процесса гидратации составляет 5-16 часов.
Описанный способ позволяет получать
фосфорную кислоту, содержащую не более 32%
[9].
1.4.3 Физико-химические основы термического
способа получения фосфорной кислоты
Термический способ получения
основывается
на окисление элементного фосфора в избытке воздуха с последующей гидратацией и
абсорбцией образующегося декаоксида тетрафосфора
, конденсация фосфорной кислоты и
улавливание тумана ив газовой фазы.
Сырьем для производства ТФК является
желтый фосфор
.
1) Стадия 1. На практике возгонку фосфора
осуществляют с введением в шихту кремнезема в качестве флюса.
Т = 1000 - 1200 °С,
= 1 ч
2) Стадия 2.
получают окислением элементного
фосфора в виде капель или пленки. Степень окисления
определяется
температурой в зоне окисления, диффузией компонентов и другими факторами.
Если сжигать фосфор в
стехиометрическом количестве, то температура горения доходит до 2000°С для
понижения температуры пламени берут воздух разбавления. Коэффициент избытка
воздуха в зависимости от состава технического фосфора составляет а = 1,5-2,3
3) Стадия 3.
Получение ТФК гидратацией
осуществляется
абсорбцией кислотой или водой, либо взаимодействием паров
с парами
воды. Ортофосфорная кислота образуется через множество промежуточных стадий.
Это связано с тем, что
способна
конденсироваться с образованием кислот, с содержанием воды меньше, чем в
, кроме того
способна полимеризоваться [9].
ниже 230
1.4.4
Термический способ получения фосфорной кислоты
Термический способ (позволяет производить
наиболее чистую фосфорную кислоту) включает основные стадии:
ü сжигание (окисление) элементного
фосфора в избытке воздуха;
ü гидратацию и абсорбцию полученного
;
ü конденсацию фосфорной кислоты и улавливание
тумана из газовой фазы.
Существуют два способа получения
: окисление
паров P (в промышленности используют редко) и окисление жидкого P в
виде капель или пленки. Степень окисления P в промышленных условиях
определяется температурой в зоне окисления, диффузией компонентов и другими
факторами. Вторую стадию получения термической фосфорной кислоты- гидратацию
-
осуществляют абсорбцией кислотой (водой) либо взаимодействием паров
с парами
воды. Гидратация протекает через стадии образования полифосфорных кислот.
Состав и концентрация образующихся продуктов зависят от температуры и
парциального давления паров воды.
Все стадии процесса могут быть совмещены
в одном аппарате, кроме улавливания тумана, которое всегда производят в
отдельном аппарате. В промышленности обычно используют схемы из двух или трех
основных аппаратов.
В зависимости от принципа охлаждения
газов существуют три способа производства термической фосфорной кислоты:
· испарительный;
· циркуляционно-испарительный;
· теплообмен-но-испарительный.
1) Испарительные системы,
основанные на отводе теплоты при испарении воды наиболее просты в аппаратурном
оформлении. Однако из-за относительно большого объема отходящих газов
использование таких систем целесообразно лишь в установках небольшой единичной
мощности.
2) Циркуляционно-испарительные
системы
позволяют совместить в одном аппарате стадии сжигания P, охлаждения
газовой фазы циркулирующей кислотой и гидратации
. Недостаток схемы - необходимость
охлаждения больших объемов кислоты.
3) Теплообменно-испарительные
системы
совмещают два способа отвода теплоты: через стенку башен сжигания и охлаждения,
а также путем испарения воды из газовой фазы; существенное преимущество системы
- отсутствие контуров циркуляции кислоты с насосно-холодильным оборудованием.
На отечественных предприятиях
эксплуатируют технологические схемы с циркуляционно-испарительным способом
охлаждения (двухбашенная система). Отличительные особенности схемы:
наличие дополнительной башни для охлаждения газа, использование в
циркуляционных контурах эффективных пластинчатых теплообменников; применение
высокопроизводительной форсунки для сжигания P, обеспечивающей
однородное тонкодисперсное распыление струи жидкого P и полное его
сгорание без образования низших оксидов.
Технологическая схема установки
мощностью 60 тыс. т в год 100%-ной
приведена на рисунке 4. Расплавленный
желтый фосфор распыляется нагретым воздухом под давлением до 700 кПа через
форсунку в башне сжигания, орошаемой циркулирующей кислотой. Нагретая в башне
кислота охлаждается оборотной водой в пластинчатых теплообменниках.
Продукционная кислота, содержащая 73-75%
, отводится из контура циркуляции на
склад. Дополнительно, охлаждение газов из башни сжигания и абсорбцию кислоты
производят в башне охлаждения (гидратации), что снижает температурную нагрузку
на электрофильтр и способствует эффективной очистке газов. Отвод теплоты в
башне гидратации осуществляется циркулирующей 50%-ной
,
охлаждаемой в пластинчатых теплообменниках. Газы из башни гидратации после
очистки от тумана
в
пластинчатом электрофильтре выбрасываются в атмосферу. На 1 т 100%-ной
расходуется
320 кг P [10].
Рисунок 4 - Циркуляционная
двухбашенная схема производства термической
- сборник кислой воды; 2 - хранилище
фосфора; 3,9 - циркуляционные сборники; 4,10 - по-гружные насосы; 5,11 -
пластинчатые теплообменники; 6 - башня сжигания; 7 - фосфорная форсунка; 8
-башня гидратации; 12 - электрофильтр; 13 - вентилятор.
1.5 Выбор и обоснование технологической схемы
производства экстракционной фосфорной кислоты
Выбор технологической схемы, которая в
дальнейшем будет рассматриваться в данном курсовом проекте, должен основываться
на принципе образования малого количества отходов, безопасности производства,
относительной простоты и компактности аппаратуры, универсальности и распространенности
оборудования. Всем этим требованиям соответствует технологическая схема
полугидратного способа.
В данном разделе курсового проекта рассмотрены
основные физические и химические свойства фосфорной кислоты, значение и сферы
ее применения. Проанализированы основные способы получения ЭФК.
Наиболее перспективным является
полугидратный способ получения фосфорной кислоты, так как дает возможность
получения концентрированной фосфорной кислоты (35-37%
) и
увеличение эффективности стадии фильтрации пульпы в 1,5-2 раза по сравнению с
дигидратным способом [11].
2. Разработка принципиальной технологической
схемы производства фосфорной кислоты со схемой КИПиА
В данном разделе курсовой работы предлагается
принципиальная технологическая схема производства экстракционной фосфорной
кислоты полугидратным способом. Принципиальная технологическая схема определяет
условия ведения технологического процесса, его параметры, включает типы
аппаратов, в которых осуществляется технологический процесс, их взаимное
расположение в соответствии с компоновкой оборудования.
2.1 Автоматизация технологической схемы
производства экстракционной фосфорной кислоты
Смесь серной кислоты и оборотного раствора
фосфорной кислоты поступает в экстрактор ( Э ). По мере движения пульпы в
экстракторе образуется фосфорная кислота и завершается процесс кристаллизации
сульфата кальция. Из последней секции экстрактора пульпа поступает на
трехсекционный вакуум-фильтр( ВФ ) . Основной фильтрат Ф-1 ( СБ-1 ) из первой
секции фильтра отводится как продукционная фосфорная кислота, причем часть ее
добавляется к оборотному раствору. Осадок кальция на фильтре промывается
противотоком горячей водой, при этом промывной раствор Ф-3 ( СБ-3 )
используется для первой промывке во второй секции фильтра. Фильтрат первой
промывки Ф-2
( СБ-2 ) направляется в виде оборотного раствора
в экстрактор ( Э ).
Образовавшаяся фосфорная кислота (Ф-1)
подогревается в колонне выпарки ( КВ ), где упаривается до заданной
концентрации за счет прямого контакта с топочными газами и направляется на
склад. Выделяющиеся из концентратора газы проходят промывной скруббер ( СК ), в
котором улавливаются соединения фтора и очищенный газ выбрасываются в
атмосферу. Газы, выделяющиеся из экстрактора и содержащие фтористый водород и
тетрафторсилан, поступают также на абсорбцию в скруббер ( СК ), орошаемой водой
или разбавленной кремнефтористоводородной кислотой.
Основные аппараты в производстве экстракционной
кислоты - экстрактор и вакуум-фильтр.
Экстрактор - это железобетонный аппарат
прямоугольного сечения, разделенный на секции с мешалками, в котором пульпа
последовательно перетекает из одной секции в другую. В другом варианте
экстрактор составляют два сблокированных стальных цилиндра со многими
мешалками.
Вакуум-фильтр - аппарат для разделения
суспензий, то есть жидкостей, содержащих твёрдые частицы во взвешенном
состоянии. Разделение происходит в результате разности давлений, создаваемой
вакуум-насосом, над фильтрующей перегородкой и под ней.
При разработке аппаратурно-технологической схемы
процесса предусматривают установку контрольно-измерительных приборов,
позволяющих контролировать, регистрировать и регулировать технологические
параметры.
Таблица 4- Описание контрольно-измерительных
приборов .
|
Позиция
|
Параметры
среды, измерительные параметры
|
Наименование
и технологическая характеристика
|
Марка
|
Количество
|
Примечание
|
|
1-1
10-1
|
Р=0,04-100МПа
Т=180 °С
|
Датчик
давления, выходной сигнал 4…20 мА
|
Метран-100-ДА
|
2
|
по
месту
|
|
1-2
10-2
|
Тмах=50°С
Тмin=5°С Рмах=200КПа
|
Прибор
давления показывающий и регулирующий
|
ДИСК-250М
|
2
|
по
месту
|
|
1-3
10-3
|
FT = 100 м3/час
DуТ =100 мм РТ
= 0,11 МПа DР = 0,3
КПа
|
Электропневматический преобразователь
|
ЭПП-100
|
1
|
на щите
|
|
1-4
2-5 3-6 4-5 8-6 9-6 10-4
|
FT = 200 м3/час
DуТ = 100 мм
Тмах=250°С Тмin=20°С РТ
= 0,11 МПа DР = 0,3
КПа
|
Регулирующий клапан
|
25нж49нж
|
7
|
в разрыве трубопровода
|
|
2-1
4-1
|
Тмах=150°С
Тмin=0°С FT=
0,18-2000 м3/час
|
Вихреакустический
преобразователь с расходом
|
Метран-300
ПР
|
2
|
по
месту
|
|
2-2 4-2
|
Тмах=150°С
Тмin=0°С Рмах= 2,5 МПа FT=2,7-452
м3/час
|
Прибор
давления показывающий и регулирующий
|
ДИСК-250М
|
2
|
по месту
|
|
2-3
3-3 3-4 4-3 5-3 6-3 7-3 8-3 8-4 9-3 9-4
|
Нн=0,2V м Нв=0,8V м
|
Лампа сигнальная
|
Л-1
|
11
|
под таблицей
|
|
2-4 4-4
|
FT = 100 м3/час
DуТ =100 мм РТ
= 0,11 МПа DР = 0,3
КПа
|
Электропневматический преобразователь
|
ЭПП-100
|
2
|
на щите
|
|
3-1
5-1 6-1 7-1 8-1 9-1
|
P=1,1МПа T=180°С
|
Датчик
гидростатического давления
|
Метран-49
|
6
|
по месту
|
|
3-2
8-2 9-2
|
Тмах=150°С
Тмin=0°С Рмах= 2,5 МПа FT=2,7-452
м3/час
|
Прибор
давления показывающий и регулирующий
|
ДИСК-250М
|
3
|
по месту
|
|
3-5
8-5 9-5
|
Тмах=90°С
Тмin=80°С DуТ = 100 мм
|
Электропневмопреобразователь
|
ЭПП-100
|
3
|
на
щите
|
|
5-2
6-2 7-2
|
Нн=0,2V м Нв=0,8V м
|
Прибор
показывающий с сигнализацией
|
КП1Т
|
3
|
по
месту
|
Ø Датчики давления серии Метран-100
предназначены для работы в системах автоматического контроля, регулирования и
управления технологическими процессами и обеспечивают непрерывное
преобразование в унифицированный токовый и/или цифровой на базе HART-протокола
выходной сигнал дистанционной передачи следующих измеряемых величин:
· избыточного давления -
Метран-100-ДИ;
· абсолютного давления -
Метран-100-ДА;
· разрежения - Метран-100-ДВ;
· давления-разрежения -
Метран-100-ДИВ;
· разности давлений - Метран-100-ДД;
· гидростатического давления (уровня)
- Метран-100-ДГ.
Измерение среды:
жидкости, пар, газ, в том числе, газообразный кислород и кислородосодержащие
газовые смеси.
Диапазоны измеряемых давлений:
· минимальный 0-0,04 кПа;
· максимальный 0-100 МПа;
Основная погрешность: ±0,1%, ±0,15%, ±0,25%,
±0,5%.
Ø Диск-250М
-микропроцессорные одноканальные приборы применяются для измерения,
регистрации, сигнализации и регулирования параметров техпроцессов (температура,
давления, уровня, расхода и т. д.) в металлургии, энергетике, химической,
нефтехимической, нефтеперерабатывающей, пищевой, целлюлозно - бумажной и других
отраслях промышленности.
Основная погрешность, в % от нормирующего
значения, не более:
+ 0,5 по показаниям и преобразованию;
+ 1,0 по регистрации, регулированию и
сигнализации
Диапазон задания уставок регулирования и
сигнализации: от 0 до 100% диапазона выходного сигнала
Условия эксплуатации:
· температура: от +5 до +50°С
· влажность до 80% при 35°С (исполнение
УХЛ 4.2 по ГОСТ 15150-69)
· температура от +5 до +50°С,
· влажность до 98% при 35°С без
конденсации влаги (исполнение О 4.2 по ГОСТ 15150-69).
Ø Электропневматический
преобразователь ЭПП-100.
Электропневматические ЭПП предназначены для
уменьшения рассогласования хода и повышения быстродействия поршневых
возвратно-поступательных и поворотных пневматических исполнительных механизмов
одно- и двустороннего действия и мембранных пневматических исполнительных
механизмов путем введения жесткой обратной связи по положению выходного звена
исполнительного механизма.
Ø Клапан регулирующий 25нж49нж с
МИМ
Регулирующий клапан необходим для
регулирования трубопроводной арматуры
<#"810905.files/image064.gif">
Пробковые,
включая шаровые, краны - арматура, в которой запирающий или регулирующий
элемент, имеющий форму тела вращения или его части, поворачивается вокруг
собственной оси, произвольно расположенной к направлению потока рабочей
среды. Повороту запирающего или регулирующего элемента может предшествовать
его возвратно-поступательное движение.
|
Малая
строительная высота. Малое время открывания и закрывания. Большие крутящие
моменты, необходимые для управления. Малое гидравлическо сопротивление
|
|
Задвижка
|
|
Задвижка
- арматура, в которой запирающий элемент перемещается по прямой линии
перпендикулярно направлению движения рабочей среды потока.
|
Малая
строительная длина, большая строительная высота. Большой ход затвора, большое
время открывания и закрывания. Малое гидравлическое сопротивление.
|
|
Затвор
дисковый
|
|
Затворы
дисковые поворотные - арматура, в которой запирающий или регулирующий элемент
(диск)поворачивается вокруг оси, расположенной под прямым углом к направлению
потока рабочей среды, проходящей через проходное сечение.
|
Малые
габаритные размеры и масса. Малое время открывания и закрывания. Проход
частично перекрыт затвором при открытом положении изделия.Незначительное
гидравлическое сопротивление.
|
|
Клапан
|
|
Запорные,
регулирующие, предохранительные и прочие клапаны - арматура, в которой
запирающий или регулирующий элемент перемещается по прямой линии параллельно
направлению оси потока, проходящего через проходное сечение.
|
Большая
строительная длина. Малый ход затвора, малое время открывания и закрывания.
Большое гидравлическое сопротивление.
|
Традиционно выделяют два основных
эксплуатационных параметра трубопроводной арматуры:
-- номинальный размер (условный проход)
-- номинальное (условное) давление.
Условный диаметр (DN или Ду) -
параметр, при помощи которого характеризуют соединительные элементы
трубопровода: условный проход (номинальный размер арматуры) выражается в миллиметрах
и приблизительно равен внутренней площади диаметра присоединяемого элемента.
Номинальное (условное) давление (PN или Ру)
- максимальное избыточное давление в системе при температуре рабочей среды 20°
С, позволяющее обеспечить эксплуатационный срок службы отдельных элементов
соединительной арматуры и трубопровода. Обозначения и значения условного
давления должны соответствовать номиналам, указанным в ГОСТ 26349-84.
Выбор трубопроводной арматуры является
ответственным этапом проектирования трубопроводной системы, поскольку во многих
случаях надежность и долговечность арматуры определяет собой надежность и
долговечность всей трубопроводной системы. В результате выбора арматуры должны
быть определены конструкции, в оптимальной степени удовлетворяющие всем
техническим и экономическим требованиям, предъявляемым к арматуре. Выбор должен
производиться на основе тщательно подготовленных и четко выявленных технических
данных, определяющих требуемые параметры арматуры.
В общем виде порядок выбора арматуры может быть
следующим.
1) У точняется назначение и определяются
условия работы арматуры: среда, температура, давление
2) Определяется условный диаметр прохода
присоединительных фланцев
) Уточняется метод управления арматурой:
ручной привод, электропривод, дистанционное управление, электромагнитный
привод, пневмо- или гидропривод.
) На основе подготовленных данных
выбирается материал корпусных деталей: чугун, ковкий чугун, углеродистая сталь,
коррозионностойкая сталь, бронза и др.
) Выбирается класс арматуры (запорная,
регулирующая, предохранительная).
) Назначается тип арматуры (вентиль,
задвижка, кран, регулирующий или предохранительный клапаны).
) Уточняется условный диаметр прохода и
диаметр отверстия в седле, для чего устанавливается допустимое гидравлическое
сопротивление, коэффициент пропускной способности, характеристика плунжера.
) С использованием данных о номенклатуре
выпускаемой арматуры и данных каталогов выбираются соответствующие изделия.
) Определяются геометрические параметры
выбранной арматуры (строительная длина, строительная высота, тип и размеры
фланцев, размеры и число болтов).
) Проверяются параметры выбранной
арматуры и соответствие их заданным условиям работы [12].
В данном разделе курсового проекта разработана
принципиальная технологическая схема производства ЭФК полугидратным способом.
Схема включает:
1) экстракцию апатита серной кислотой в
аппарате с мешалкой;
2) отделение фосфорной кислоты от пульпы в
вакуум-фильтре;
) подогрев образовавшейся фосфорной
кислоты в колонне выпарки, упарка до заданной концентрации;
) очистка газов в скруббере.
Также были подобраны средства автоматизации,
установлены контрольно-измерительные приборы, позволяющие контролировать,
регистрировать, регулировать и сигнализировать технологические параметры
процесса. Выбрана соответствующая запорно-регулирующая арматура.
3.
Расчетная часть
В разделе представлены расчет материального
баланса производства экстракционной фосфорной кислоты полугидратным способом, а
также, рассчитаны расходные коэффициенты.
3.1 Расчет материального баланса
Материальный баланс производства представляет
собой математическую модель технологического процесса, а именно количественные
взаимоотношения материальных потоков в процессе их движения и взаимодействия.
Исходной величиной при расчете материального баланса является заданная в
проекте годовая производительность предприятия по основному продукту или по
поступающему сырью. Составим материальный баланс для определения количества
исходного сырья, отходов и потерь, которые образуются в процессе производства,
также для определения производительности технологического оборудования,
обеспечивающего выработку заданного количества фосфорной кислоты [13]. Исходные
данные:
Производительность: 450 кг/час
Основное химическое уравнение :
М [
] = 310 г/моль - Х
М [
] = 98 г/моль - Х2
М [
] = 98 г/моль
М [
] = 136 г/моль - Х1
1) Определим массовый состав
готового продукта:
:
кг/час
:
кг/час
2) Потери
:
кг/час
) Количество
, полученное
по реакции:
кг/час
) Расход
на реакцию:
кг/час
) Количество
в
фосфорите:
кг/час
) Не превращенное
:
кг/час
) Расход 45 % фосфорита:
кг/час
) В фосфорите:
балласта
кг/час
влаги
кг/час
) Количество
,
полученное по реакции:
кг/час
10) Расход серной кислоты:
кг/час
98 %
кг/час
11) Количество
в
:
кг/час
12) Количество
на выходе
из реактора:
кг/ час
Таблица 6 - Материальный баланс производства
экстракционной фосфорной кислоты
3.2 Расчет расходных коэффициентов
Экономическая эффективность и
практическая целесообразность химического производства определяются
технико-экономическими показателями , важнейшими из которых являются расходный
коэффициент сырья и выход продуктов, производительность аппарата, интенсивность
процесса ( аппарата) и экономическая эффективность химического производства.
Расход каждого вида сырья, отнесенный к единице целевого продукта, называют
расходным коэффициентом (А) и выражают в тоннах (т), килограммах (кг), метрах
кубических (
).
Теоретические расходные коэффициенты
(
)
рассчитываются на основании стехиометрических соотношений, по которым
происходит превращение сырья в целевой продукт.
кг/кг
Выход продукта
- это
отношение массы полученного целевого продукта к его массе, которая должна быть
получена по стехиометрическому уравнению, выраженное в процентах:
Произведен расчет материального
баланса производства ЭФК полугидратным способом. Также рассчитаны теоретические
расходные коэффициенты , выход продукта, который составил 97 %.
4. Анализ мероприятий по
безопасности труда и охране окружающей среды
В данном разделе курсового проекта
проанализируем опасные и вредные факторы на производстве ЭФК и влияние
производства ЭФК на окружающую среду.
4.1 Безопасность труда на производстве ЭФК
Охрана труда - это система обеспечения
безопасности жизни и здоровья работников в процессе трудовой деятельности,
включающая правовые, социально - экономические, организационные, технические,
психофизиологические, санитарно - гигиенические, лечебно - профилактические,
реабилитационные и иные мероприятия и средства.
Охрана труда достигает основной своей цели -
создание благоприятных, здоровых и безопасных условий труда - двумя путями:
постоянным совершенствованием и развитием производственных сил и постоянным
развитием человека как субъекта производства
Для реализации задач в области охраны труда и
промышленной безопасности на производстве существует Положение о системе
управления охраной труда (СУОТ).
СУОТ предусматривает непрерывное
управление всеми видами деятельности, которые прямо или косвенно направлены на
обеспечение охраны труда промышленной безопасности на производстве.
Оценка состояния охраны труда и
промышленной безопасности в производственных подразделениях осуществляется
посредством расчета показателя безопасности, основанного на комплексе
фактически достигнутых показателей, характерных для подразделений. Для
своевременности принятия корректирующих решений расчет показателей безопасности
в производственных подразделениях проводится ежемесячно.
Метод производства - сернокислотная
экстракция
из
апатитового концентрата с последующим отделением образующейся кислоты от
фосфогипса путем фильтрации и упариванием ее с массовой доли не менее 27%
до массовой
доли не менее 50%
включает
стадии:
- приём, выгрузка, складирование фосфатного
сырья и передача их цехам-потребителям;
приём, хранение и дозирование серной кислоты;
прием и дозирование пеногасителя;
разложение в экстрактор фоссырья смесью оборотной
фосфорной и серной кислоты (экстракция);
прием и дозирование флокулянта;
фильтрование экстракционной пульпы;
удаление, транспортировка и складирование
фосфогипса в отвал;
-упаривание экстракционной кислоты в
вакуум-выпарных аппаратах до массовой доли не менее 50%
;
абсорбция фтористых газов с
получением товарной кремнефтористоводородной кислоты;
складирование и передача фосфорной
кислоты потребителям.
Реконструкция цеха фосфорной кислоты
заключается в замене карусельного вакуум-фильтра на ленточный вакуум- фильтр,
что позволит увеличить производительность по кислоте, снизить энергозатраты и
как итог - уменьшить себестоимость фосфорной кислоты.
К опасным и вредным производственным
факторам, действующим на работников в цехе фосфорной кислоты являются:
Физические опасные и вредные
производственные факторы:
· запорная арматура и оборудование с
нарушенной герметичностью;
· лестницы и площадки для обслуживания
оборудования при отсутствии ограждений;
· токоведущие провода с нарушенной
изоляцией;
· незаземлённое оборудование;
· фланцевые соединения трубопроводов
при отсутствии на них защитных кожухов;
· вращающиеся части машин и
механизмов;
· неизолированные трубопроводы пара.
Таблица 7 - Химические опасные и вредные
производственные факторы:
|
Вещество
и класс опасности
|
Действие
|
Средства
защиты
|
ПДК,
мг/
|
|
Водород
фтористый (1 класс опасности)
|
Сильно
раздражает верхние дыхательные пути. При высоких концентрациях вызывает
раздражение слизистой оболочки носа, глаз, слезотечение и слюнотечение. Могут
развиваться медленно заживающие язвы, коньюктивы глаз, слизистой оболочки
носа, дёсен и полости рта, гортани, бронхов; носовые кровотечения.
|
Суконная
спецодежда, резиновые перчатки, защитные очки, резиновые сапоги, фильтрующий
противогаз марки БКФ
|
0,5
мг/ в
пересчёте на HF, чрезвычайно опасное вещество
|
|
Кислота
серная (2 класс опасности)
|
Пары
вызывают раздражение дыхательных путей, кашель, затруднение дыхания, спазм
голосовых связок, поражают лёгкие, вызывают жжение в глазах. При попадании на
кожу вызывает ожоги вплоть до обугливания тканей. Особенно опасно попадание
кислоты в глаза.
|
Суконная
спецодежда, резиновые перчатки, защитные очки, резиновые сапоги, фильтрующий
противогаз марки БКФ
|
1
мг/ ,
высокоопасное вещество
|
|
Кислота
ортофосфорная (2 класс опасности)
|
Пары
вызывают атрофические процессы слизистой оболочки носа. Характерны носовые
кровотечения, сухость во рту, крошение зубов, на кожу действует прижигающе,
вызывает воспалительные процессы.
|
Суконная
спецодежда, резиновые перчатки, защитные очки, резиновые сапоги, фильтрующий
противогаз марки БКФ
|
1
мг/ в пересчёте
на фосфорный ангидрид
|
|
Кислота
кремнефтористоводородная (2 класс опасности)
|
Пары
вызывают раздражение верхних дыхательных путей. Попадание кислоты на кожу
вызывает ожог.
|
Суконная
спецодежда, резиновые перчатки, защитные очки, резиновые сапоги, фильтрующий
противогаз марки БКФ
|
0,5
мг/ в
пересчёте на HF
|
|
Концентрат
апатитовый (4 класс опасности )
|
Пыль
апатитового концентрата при длительном вдыхании может вызвать хроническое
заболевание - силикоз. Признаки отравления: кашель, боли в грудной клетке,
одышка при физическом напряжении.
|
Суконная
спецодежда, защитные очки, респиратор типа "Лепесток"
|
6
мг/ ,
малоопасное вещество
|
|
Фосфориты
(3 класс опасности).
|
Пыль
фосфоритов при длительном вдыхании может вызвать хроническое заболевание -
силикоз. Признаки заболевания - кашель, боли в грудной клетке, одышка при
физическом напряжении. При вдыхании пыли возможны изменения в зубной и
костной ткани
|
Суконная
спецодежда, защитные очки, респиратор типа "Лепесток"
|
ПДК
- 6 мг/ .
|
|
Мука
фосфоритная (4 класс опасности)
|
Пыль
при длительном вдыхании может вызвать хроническое заболевание - силикоз.
|
Суконная
спецодежда, защитные очки, респиратор типа "Лепесток";
|
ПДК
- 6 мг/
|
Фосфогипс (4 класс опасности) Пыль
фосфогипса, содержащая остаточную кислотность, при попадании в глаза вызывает
раздражение слизистой оболочки. При попадании на кожу обильно промыть водой,
при попадании в глаза промыть большим количеством воды и при необходимости,
обратиться к врачу. Суконная спецодежда, защитные очки, резиновые
перчатки, респиратор типа "Лепесток" ПДК гипса в воздухе
рабочей зоны - 2 мг/
(в
фосфогипсе более 90% гипса).
|
Малоопасное
вещество, пожаровзрывобезопасен. Наиболее токсичными примесями в фосфогипсе
являются фтористые соединения, содержащиеся в нём в количестве до 0,25% (в
водорастворимой форме)
|
|
|
Четырёхфтористый
кремний (1 класс опасности)
|
Вызывает
раздражение верхних дыхательных путей и слизистой оболочки глаз и
носа.Последствиями могут быть дистрофические изменения печени.
|
Суконная
спецодежда, резиновые перчатки, защитные очки, резиновые сапоги, фильтрующий
противогаз марки БКФ
|
0,5
мг/ в
пересчёте на HF
|
Неправильная организация труда,
несоблюдение технологических инструкции, правил и норм эксплуатации
оборудования, нерациональное или плохое освещение рабочего места,
загрязненность воздушной среды, наличие вредных паров, газов или пыли,
повышенный уровень шума и вибрации могут стать причинами производственных травм
и профессиональных заболеваний. Их устранение является основной задачей для
создания безопасных и комфортных условий труда, а это является важнейшим
условием для повышения производительности труда, снижения производственного
травматизма и уровня заболеваемости .
Под вредным производственным
фактором понимают фактор, воздействие которого на работающего человека приводит
к заболеванию. Характеристика вредных производственных факторов приведена в
таблице 8.
Таблица 8 - Анализ вредных
производственных факторов
Вредные факторы, то есть факторы,
значения которых выше уровня допустимого значения, являются температура и шум,
вибрация. Средства коллективной защиты от шума могут быть оградительные,
звукоизолирующие и звукопоглощающие устройства, глушители шума. Для снижения
шума, возникающего от отдельных источников, их необходимо выполнить из шумопоглощающего
материала, необходимо установить глушители аэродинамического шума от
воздуходувок. Для защиты органов слуха от шума необходимо использовать
противошумные наушники или "беруши". В результате механизации многих
видов работ в цехе, использование пневматических инструментов приводит к
возникновению вибрации.
4.2 Охрана окружающей среды
Предприятия по производству
фосфорной кислоты являются источниками выбросов в атмосферу, образования
токсичных стоков, и большого количества твердых отходов и пыли.
Основная причина - в процессе
производства фосфорной кислоты помимо основного продукта образуются побочные, в
основном это фосфогипс (влажный и в виде пыли), фтор и его соединения в
газообразном и растворенном виде и продукты неполного разложения фосфата,
содержащего примеси, являющиеся дополнительным источником отходов.
Технологические выбросы при
производствефосфорной кислоты.
На установках по производству
удобрений чаще всего используется влажная технология, при которой фосфоритовые
руды выщелачиваются кислотой(например, серной, азотной или соляной). Трифосфат
кальция, содержащийся в фосфоритовой руде, реагирует с концентрированной серной
кислотой с образованием фосфорной кислоты и сульфата кальция (нерастворимая
соль).
В число технологических выбросов
входят газообразныефториды в форме фтористоводородной кислоты (HF) и
четырехфтористый кремний (SiF4), которые выделяются при выщелачивании
фосфоритовых руд, обычно содержащих 2-4% фтора.
Выбросы пыли, содержащие
нерастворимые в воде фториды, могут происходить в процессе разгрузки, хранения,
перемещения и измельчения фосфоритовых руд, которые транспортируются на участки
хранения и измельчения ленточными транспортерами или грузовиками.
К рекомендованным мерам по
предотвращению и контролю выбросов относятся следующие:
· правильный выбор фосфоритовых руд (по содержанию
,
содержанию F, отношению
и физическим свойствам) с целью
сведения к минимуму количества кислоты, необходимой для реализации влажной
технологии, уменьшения выбросов в окружающую среду и расширения
возможностейповторного использования фосфогипса;
· выбор оптимального размера сит и дробилок
(например, валковых или цепных дробилок);
· использование закрытых ленточных транспортеров и
хранение в помещениях;
· обеспечение надлежащего обслуживания (например,
регулярная уборка/чистка поверхностей установки и территории);
· улавливание пыли, образующейся при дроблении
фосфоритовых руд, с использованием правильно эксплуатируемых и обслуживаемых
тканевых и керамических фильтров и/или циклонов;
· обработка газообразных выбросов фторидов с
помощью систем очистки газа (например, скрубберов с разбрызгивающим
устройством, фильтрующих слоев, установок с перекрестными потоками и циклонных
башенных скрубберов). Фтор извлекается в виде кремнефтористоводородной кислоты,
из которой фильтрацией удаляется кремнезем. Разбавленный раствор
кремнефтористоводородной кислоты (
) можно использовать в качестве
смачивающей жидкости в скруббере. Извлечение
открывает дополнительные
возможности для уменьшения выбросов фторидов.
Выводы
В курсовом проекте рассмотрены основные
физические и химические свойства, значение и области применения фосфорной
кислоты, а также представлены характеристики сырьевых источников для его
получения. Проанализированы основные способы получения фосфорной кислоты, такие
как термический и экстракционный. Выявлены достоинства и недостатки различных
технологических схем производства фосфорной кислоты. Выяснено, что наиболее
распространенным является способ получения фосфорной кислоты экстракционным
полугидратным способом.
Разработана принципиальная технологическая схема
процесса получения экстракционной фосфорной кислоты полугидратным методом.
Данная схема включает: экстракцию апатита серной кислотой в аппарате с мешалкой;
отделение фосфорной кислоты от пульпы в вакуум-фильтре; подогрев образовавшейся
фосфорной кислоты в колонне выпарки, упарка до заданной концентрации; очистка
газов в скруббере.
Подобраны средства автоматизации. Установлены
контрольно - измерительные приборы, позволяющие контролировать, регистрировать,
регулировать и сигнализировать технологические параметры процесса. Выбрана
соответствующая запорно - регулирующая арматура.
Произведен расчет материального баланса
получения ЭФК. Также рассчитаны расходные коэффициенты и выход продуктов.
Рассмотрены основные опасные и вредные
производственные факторы при получении ЭФК . Проанализированы мероприятия по
безопасности труда и охраны окружающей среды в процессе получения фосфорной
кислоты.
Список литературы
1) М.Е. Позин, Р.Ю. Зинюк
"Физико-химические основы неорганической технологии". - Л.: Химия,
1985 г.;
) А.М. Кутепов, Т.И.Бондарева
"Общая химическая технология"-Л.:Химия,1990 г.;
) "Общая химическая технология
и основы промышленной экологии". Под ред. Ксензенко. - М.:
"КолосС", 2003г.;
) Соколов Р. С. Химическая
технология: учеб. пособие для вузов / Р.С. Соколов т. 1. -М.: Владос-пресс.
-2000. -516 с.;
)Б.А. Копылев "Технология
экстракционной фосфорной кислоты"-Л.:Химия,1981 г;
) Абалонин Б. Е. Основы химических
производств: учеб. / Б. Е. Абалонин, И. М. Кузнецова, X. Э. Харламниди. - М.:
Химия. - 2001. - 472 с.;
) А.А.Соколовский - Технология
минеральных удобрений и кислот.-М.:Химия,1971.-456с.;
) И. П. Мухленов "Основы
химической технологии". - М.: "Высшая школа", 1991 г.;
) Кнунянц И. Л. Химическая
энциклопедия / И. Л. Кнунянц т. 5. - М.: Советская энциклопедия. - 1988. -
671с.;
10)
Воскресенский, С.К. Производство фосфорной кислоты концентрацией 32%
разложением
апатита серной кислотой с кристаллизацией гипса / под ред. С. К Воскресенского.
- М.: НИУИФ, 1962. - 163 с.10);
)
В.С. Бесков, В.С. Сафронова "Общая химическая технология и основы
промышленной экологии"-М.: Химия,1999 г;
)
Расчеты по технологии неорганических веществ /Под ред. П.В. Дыбиной. -М.:Высшая
школа,1967.-524с.;
)
Б.А. Копылев "Технология экстракционной фосфорной
кислоты"-Л.:Химия,1981 г;
)
БЖД. Безопасность технологических процессов: Учеб. пособие для вузов/П.П.
Кукин, В.Л. Лапин, Е.А. Подгорных и др. - М.: Высш. шк., 1999. - 318с.;
)
Безопасность труда в химической промышленности: учебное пособие для вузов /
Л.К. Маринина, А.Я. Васин, Н.И. Торопов и др.; Под ред. Л.К. Марининой. -
Москва: ИЦ "Академия", 2006.-526с.;
)
Справочник по охране труда и технике безопасности в химической промышленности.
Общие положения, устройство и содержание промышленных предприятий. М.,
"Химия", 1971. 511 с.;
)
Охрана труда и экологическая безопасность в химической промышленности: Учебник
для вузов/А.С. Бобков, А, А. Блинов, И.А. Роздин, Е.И. Хабарова - М.: Химия,
1997. - 400с