Разработка выпарного аппарата с заданной годовой производительностью 165 тыс. тонн/год
Введение
Фосфорная кислота имеет большое
значение как один из важнейших компонентов питания растений. Фосфор
используется растениями для построения своих самых жизненно важных частей -
семян и плодов. Фосфорные удобрения способствуют повышению урожайности
различных сельскохозяйственных культур. Они также благоприятно действуют на
почву, способствуя ее структурированию изменению растворимости других
содержащихся в почве веществ и подавлению некоторых образующихся вредных
органических веществ.
Различные соли фосфорной
кислоты широко применяют во многих отраслях промышленности, в строительстве,
разных областях техники, в коммунальном хозяйстве и быту, для защиты от
радиации, для умягчения воды, борьбы с котельной накипью и изготовления
различных моющих средств. Одним из методов производства фосфорной кислоты
является сернокислотное разложение апатитового концентрата в полугидратном
режиме с образованием экстракционной фосфорной кислоты (ЭФК) полугидрата
сульфата кальция и фторсодержащих газов, с последующим разделением осадка
фосфогипса и фосфорной кислоты на карусельных вакуум-фильтрах, упариванием
полученной кислоты до массовой доли Р2О5 52,0-54,0 и
абсорбцией фторсодержащих газов. Полугидратный процесс характеризуется
техническими сложностями, связанные с повышенной температурой, выделением
фтористых газов. Полугидратный процесс более чувствителен к отклонениям
технологического режима, так как осуществляется в более узких интервалах
температуры и концентраций Р2О5, СаО, SО3 в
жидкой фазе. Поэтому очень важным условием стабильной и эффективной работы
полугидратных систем является оснащение их надежной системой контроля и
автоматического регулирования, применения АСУТП.
Отходами в производстве ЭФК являются
газообразные соединения фтора, а также сульфат кальция в виде полугидрата
(фосфополугидрат). Фтор выделяется в газовую фазу в виде SiF4
и НF. Вопросы
улавливания и утилизации фтора в производстве ЭФК нашли свое рациональное
решение путем водной абсорбции фтористых газов и используемой получаемой таким
образом кремнефтористоводородной кислоты для производства фторсодержащих солей.
Глава
1. Литературный обзор
.1 Способы
получения ЭФК
В зависимости от температуры и концентрации
фосфорной кислоты, сульфат кальция выпадает в осадок в виде дигидрата или
полугидрата. В соответствии с этим возможны 2 прямых способа производства
экстракционной фосфорной кислоты: дигидратный, полугидратный.
Основные стадии дигидратного способа: экстракция
внутренней циркуляцией и вакуумным или воздушным охлаждением экстракционной
пульпы, дозревание пульпы после, отделение фосфорной кислоты на наливных
вакуум-фильтрах. Для перекачивания пульпы и кислот используют, погружные
насосы, для создания вакуума - водокольцевые вакуум-насосы или паровые
вакуум-эжекционные установки. Для поглощения выделяющихся соединений фтора
используют абсорбционные аппараты различных типов. Стадией процесса,
определяющей в основном его эффективность, является узел экстракции. В
экстрактор подают серную кислоту, содержащую 75-93 % H2S04.
Использование 93 %-ной кислоты (при переработке апатитового концентрата) дает
возможность увеличить подачу воды для промывки фосфогипса на вакуум-фильтре и
тем самым увеличить производительность. Экстракционную пульпу охлаждают
воздухом. Способ воздушного охлаждения более простой в аппаратурном оформлении,
поскольку очистке от соединений фтора подлежит один поток газа. Но он связан с
большим расходом воздуха, т. е. с использованием вентиляторов большой
производительности, и с необходимостью применения абсорбционной аппаратуры
большого объема. Для усовершенствования этого способа необходима разработка
эффективного массообменного аппарата «воздух - пульпа» с замкнутым циклом
охлаждающего воздуха - для повышения степени насыщения, а значит, уменьшения
объемов охлаждающего воздуха и абсорбционной аппаратуры.
Полугидратные способы на предприятиях
производят практически по той же схеме и в той же основной аппаратуре, что и
для типового дигидратного процесса (охлаждение пульпы воздушное). Однако если
вначале были изменены только некоторые параметры процесса, то в дальнейшем по
мере накопления опыта и проведения дополнительных исследований была значительно
изменена и технология.
Как и при интенсификации дигидратного процесса,
в полугидратном процессе с целью исключения локальных пересыщений организовано
предварительное смешение исходной серной кислоты с раствором разбавления и
рециркулируемой пульпой, разделены зоны разложения и кристаллизации, внедрен
двух зонный сульфатный режим что обеспечило повышение коэффициента извлечения Р2О5
на 0,7 %-1,5 % (абс.) и позволило резко снизить содержание растворенного
сульфата кальция, а это уменьшило инкрустацию оборудования и трубопроводов.
Температура 94-97 ° С; содержание в жидкой фазе пульпы (первая и вторая зоны):
0,85-2,62 % S03 и
1,09 - 0,25 % СаО; съем с фильтра 1408,7 кг/ (м2-ч); Опыт ранее
проведенных работ и эксплуатации промышленных производств показал, что для
этого процесса предпочтительнее использовать ленточные вакуум-фильтры
(улучшается промывка ткани, исключаются отложения гипса). Переход полугидрата в
дигидрат, особенно при добавке в водную суспензию стабилизатора, например
известкового молока, происходит медленно, что позволяет удалять его в отвал
гидротранспортом.
В схеме производства экстракционной фосфорной
кислоты предусмотрены следующие системы очистки фторсодержащих газов,
выделяющихся в технологическом процессе:
·
абсорбция
фтора из газов после выпаривания фосфорной кислоты с получением
кремнефтористоводородной кислоты массовой долей от 18,0
% до 22,0 %, направляемой на переработку в производство фторида алюминия
или на СНКС,
·
санитарная
очистка газов, состоящая из пяти систем:
от экстрактора и дозревателя;
от вакуум-испарителя экстракции;
от вакуум-фильтров;
от оборудования выпарного отделения.
Для абсорбционных процессов используются воды
внутрицехового оборотного цикла и кислые стоки. Полученная слабая
кремнефтористоводородная кислота возвращается в процесс. Очищенные газы через
выхлопную трубу (Н=180 м) выбрасываются в атмосферу.
1.2 Установки
для выпаривания экстракционной фосфорной кислоты
Для производства концентрированных фосфорных и
сложных удобрений требуется фосфорная кислота, содержащая 37-55% Р2О5,
а для получения полифосфатов аммония и концентрированных жидких удобрений -
полифосфорная кислота с 72-83% Р2О5. Поэтому во многих
случаях фосфорную кислоту выпаривают.
Процесс выпаривания фосфорной кислоты осложнен
сильной коррозией аппаратуры и выделением примесей. Горячая фосфорная кислота
оказывает сильное корродирующее действие на большинство известных металлов,
сплавов и силикатно-керамических материалов. Коррозия резко усиливается, если в
выпариваемом растворе содержится 2-5% свободной H2SО4.
Выделяющиеся в процессе выпаривания осадки забивают аппаратуру, в результате ее
производительность резко снижается. Это затрудняет использование для
выпаривания фосфорной кислоты типовых выпарных установок.
По мере увеличения концентрации фосфорной
кислоты возрастает давление пара растворенной в ней кремнефтористоводородной
кислоты H2SiF6
и значительная ее часть удаляется в виде смеси четырехфтористого кремния SiF4
и фтористого водорода HF.
При выпаривании кислоты до 55-57% Р2О5 в газовую фазу
удаляется 85-90% содержащегося в ней фтора.
Рис 1. Вакуум-выпарной установки фирмы «Спейшим»
(Франция) 1-теплообменник; 2- испаритель; 3- циркуляционный насос; 4-
брызгоуловитель; 5- рециркуляционный бак; 6- циркуляционный насос; 7- промывная
башня; 8- барометрический конденсатор; 9- вакуум-эжекторное устройство; 10-
барометрический затвор.
На рис. 1 показана схема вакуум-выпарного
аппарата. Исходная фосфорная кислота поступает в выпарной аппарат через
подъемную трубу между теплообменником 1 и испарителем 2.
Упаренная кислота (51-53% Р2О5,) выводится из испарителя
самотеком в хранилище. Температура кислоты в испарителе 85-90 °С.
В вакуум-выпарном аппарате с графитовым
теплообменником 1, обогреваемым паром (избыточное давление 2,5 ат), интенсивная
циркуляция кислоты осуществляется осевым циркуляционным насосом 3. Вакуум в
аппарате создается двухступенчатым пароэжекторным устройством. Отсасываемый из
испарителя 2 соковый пар очищают от капель фосфорной кислоты в
центробежном брызгоуловителе 4 и от фтористых соединений - в
промывной башне 7, орошаемой 10-12%-ной кремнефтористоводородной
кислотой. Очищенный соковый пар конденсируется в поверхностном конденсаторе
8.
Внутренние поверхности баков, емкостей и
трубопроводов гуммированы. Вакуум-выпарная установка требует регулярной
промывки и механической чистки поверхностей теплообмена графитового
теплообменника от накипи. Чистить теплообменники очень трудно из-за хрупкости
графита. Минусы данной схемы:
1. Интенсивная
коррозия пластинчатых теплообменников и крышек теплообменных пучков в верхней
части трубок поверхностных конденсаторов.
2. На
греющих поверхностях пластинчатых теплообменников откладывалась накипь, а
промежутки между пластинами были забиты рыхлым осадком (сульфат кальция,
кремнефториды натрия, калия и фосфаты полуторных окислов).
3. Из
испарителей вместе с паром уносилась фосфорная кислота, а в промывных башнях
получалась кремнефтористоводородная кислота с увеличенным содержанием Р2О5
(0,5-0,7%).
Рис 2. Вакуум-выпарная
установка фирмы «Нрайон» (Бельгия)
- графитовые теплообменники; 2
- испаритель; 3 - рециркуляционный бак фосфорной кислоты; 4 -
циркуляционные насосы;5- насос; 6 - брызгоуловитель; 7 -
промывные башни; 8 - барометрический конденсатор; 9 -
двухступенчатое вакуум-эжекторное устройство; 10 -барометрический затвор; 11
- рециркуляционные баки; 12 - циркуляционные насосы
кремнефтористоводородной кислоты.
На рис. 2 представлена Вакуум-выпарная установка
фирмы «Нрайон» (Бельгия). Исходная фосфорная кислота поступает в
рециркуляционный бак с мешалкой 3, смешивается с концентрированной кислотой и
далее циркуляционными насосами 4 подается с температурой 64 СС
в два графитовых теплообменника 1, обогреваемых паром. Подогретая в
теплообменниках кислота поступает в испаритель 2, а оттуда снова
возвращается в рециркуляционный бак. Температура кислоты в испарителе 72 °С.
Соковый пар после испарителя очищается от фтористых соединений в трех
последовательно соединенных промывных башнях 7, орошаемых
кремнефтористоводородной кислотой. Далее обесфторенный соковый пар
конденсируется в барометрическом конденсаторе 8. Вакуум в
установке создается двухступенчатым эжекционным устройством 9.
Для этой установки характерны громоздкий узел
абсорбции фтористых соединений, а также значительный расход мощности на
циркуляцию фосфорной кислоты из за большого гидравлического сопротивления
теплообменников.
Рис 3.
Двухступенчатая установка для концентрирования фосфорной кислоты с
рециркуляцией пульпы
1 - 4 - насосы; 5 - питательный
бак-отстойник; 6 - первая ступень выпарки; 7 - вторая ступень выпарки;
8 - центрифуга.
На рис 3 представлена схема выпаривания
фосфорной кислоты с рециркуляцией пульпы. Она позволяет получить осветленный
готовый продукт. Для этого из упаренной кислоты отделяют на центрифуге 8
нерастворимые частицы, возвращают их в отстойник-питатель 5, куда
подают поступающую на концентрирование исходную кислоту. Шлам из отстойника
перекачивают на вакуум-фильтр, а жидкость - в выпарной аппарат. Инкрустация
греющей поверхности существенно уменьшается при регулировании кристаллизации
выделяющихся примесей. Для этого в циркуляционный контур вакуум выпарных
аппаратов включают специальную емкость для кристаллизации основной массы
примесей и укрупнения их частиц.
Рис 4. Вакуум-выпарной
аппарат с кристаллизатором
- барометрический конденсатор с эжектором; 2
- испарительная камера; 3 - кристаллизатор; 4 -
подогреватель; 5 - циркуляционный насос.
Вакуум-выпарной аппарат с кристаллизатором (рис.
4) состоит из испарителя, кристаллизационной камеры, циркуляционного насоса и
подогревателя. Исходную фосфорную кислоту вводят через циркуляционную трубу,
откуда в смеси с пульпой, поступающей из кристаллизатора 3, направляют через
подогреватель 4 в нижнюю часть испарителя 2. В
подогревателе примеси частично выделяются в виде зародышевых кристаллов и во
взвешенном состоянии поступают в испаритель. Образовавшиеся водяные пары
отводятся в конденсационную систему. Сконцентрированный раствор стекает из
испарителя по центральной циркуляционной трубе в кристаллизатор. Здесь
кристаллизация продолжается на ранее выпавших зародышах, в результате чего
примеси выделяются в виде крупных кристаллов. По мере роста кристаллы
опускаются на дно аппарата, откуда их выводят и отфильтровывают от кислоты. Для
этого из кристаллизатора отводят на фильтр часть пульпы.
Влажные кристаллы возвращают в экстракторы
разложения фосфата для использования уносимой ими фосфорной кислоты. Основную
массу пульпы отводят из кристаллизатора и после смешения с исходной кислотой
вновь возвращают в цикл. Подобная система может работать непрерывно 30 суток до
остановки для удаления отложений, что снижает время простоя и увеличивает срок
службы аппаратов.
Для концентрирования экстракционной фосфорной
кислоты из апатита от 25-30% до 54% Р2О5 применяются
однокамерные барабанные концентраторы.
На рис 5 представлена принципиальная схема
выпарной установки с концентратором. Исходная фосфорная кислота из емкости 2
подается насосом 1 на напорный бак 3 и далее поступает в
барабанный концентратор 6. Греющим агентом служат
топочные газы, полученные при сжигании мазута в топке 5. Упаренная кислота из
концентратора поступает на воздушное
охлаждение в колонну 13, затем в емкость 14, откуда
насосом 15 откачивается в отделение производства двойного
суперфосфата.
Рис 5. Выпарная установка с барабанным
концентратором
, 10, 11, 15, 17 - центробежные насосы; 2
- емкость исходной кислоты; 3 - напорный бак;4 -
воздуходувка; 5 - топка; 6 - барабанный концентратор; 7 -
электрофильтр; 8,9 - абсорбционные колонны; 12 - воздуходувка; 13
- охладительная колонна- 14 - емкость концентрированной кислоты;
16 - бак; 18 - вентилятор.
Отходящие из концентратора газы, загрязненные
туманом фосфорной кислоты и фтористыми соединениями, поступают на очистку в
узел абсорбции. Он состоит из последовательно соединенных электрофильтра 7
и двух абсорбционных колонн 8, 9. Далее вентилятором 18
через выхлопную трубу газы выбрасываются в атмосферу.
Орошение осуществляется противотоком: из первой
по ходу процесса абсорбционной колонны откачивается 10%-ная
кремнефтористоводородная кислота, в последнюю подается на орошение вода в
количестве, необходимом для поддержания указанной концентрации
кремнефтористоводородной кислоты. Кремнефтористоводородная кислота собирается в
баке 16, откуда откачивается в производство кремнефторида натрия. Топка
представляет собой стальной горизонтальный цилиндр, футерованный внутри
огнеупорным шамотным кирпичом.
Топочные газы образуются в результате сгорания
мазута, поступающего в механические форсунки под избыточным давлением 12-14 ат.
Рис 6. Барабанный
концентратор
1 - корпус; 2 - барботажная труба; 3
- газоход; 4 - перегородка.
Концентратор представляет собой стальной,
футерованный кислотоупорным кирпичом на арзамитовой замазке горизонтальный
цилиндрический аппарат. Топочные газы поступают через барботажную трубу 2,
заглубленную в слой кислоты на 80 мм. Часть барботажной трубы, находящаяся в
контакте с горячими газами, футерована огнеупорным кирпичом, а находящаяся в
контакте с кислотой - кислотоупорным кирпичом. Внутри концентратора имеется
перегородка 4 с окнами; она выполнена из кислотоупорного кирпича и
предназначена для отделения брызг кислоты от парогазовой смеси.
Недостатками концентратора
являются значительное выпадение гипса и других примесей (из-за этого аппарат
приходится останавливать на чистку через каждые 10-15 суток работы), а также
большой брызгоунос, затрудняющий нормальную эксплуатацию узла абсорбции.
Концентратор и узел абсорбции не отвечают современным требованиям и эта
установка не может быть положена в основу проектов новых промышленных схем.
1.3 Установки для
абсорбции фтористых газов
Абсорбционные аппараты, используемые для
улавливания фторсодержащих газов в промышленности, прошли большой путь развития
от малоинтенсивных и малопроизводительных устройств к абсорберам с высокой
эффективностью, позволяющих обрабатывать большие количества газа и постоянно
вытесняющих своих предшественников. Тем не менее на предприятиях наряду с
новейшими аппаратами используются традиционные системы очистки газов, например
полые распиливающие аппараты, веерные абсорберы, насадочные колонны. В
последнее время широкое распространение получили также абсорберы Вентури,
пенные скоростные аппараты, полые скоростные скрубберы и др. Распыливающие
скрубберы широко используют в цехах для улавливания фтористых соединений в
отделениях экстракции и выпарки фосфорной кислоты.
Для улавливания фтора из газов после
вакуум-выпарных аппаратов и вакуум-испарителей применяют полые башни, которые
устанавливают перед поверхностными конденсаторами или конденсаторами смешения.
Полые абсорберы отличаются простотой конструкции, обладают низким
гидравлическим сопротивлением. Наибольшую эффективность обеспечивает
расположение форсунок в несколько ярусов. Узел абсорбции включает полую башню
со встроенным брызгоуловителем и тремя ярусами центрально расположенных
форсунок, циркуляционный бак и насос. Башня орошается в циркуляционном режиме
продукционной кремнефтористоводородной кислотой при помощи насоса. В циркуляционный
бак непрерывно поступает вода в количестве, необходимом для получения кислоты
концентрацией 10-14 % H2SiF6
при содержании Р205 0,01 - 0,09 %. Вакуум в системе 82-86
кПа. Концентрация упаренной кислоты в контуре аппарата 51,9-53,5 % Р2О5.
экстракционный фосфорный кислота фтористый
В последнее время в промышленности минеральных
удобрений нашли широкое применение пенные абсорберы, которые по нагрузке и по
интенсивности массопередачи в несколько раз превосходят аппараты других
конструкций при относительно низкой затрате энергии.
Эти аппараты могут устойчиво работать при
значительных колебаниях нагрузки по газу (в диапазоне скоростей 3-8 м/с), они
характеризуются устойчивостью к забиванию и высокой запыленности газового
потока, что очень важно в многотоннажном производстве фосфорных и сложных
удобрений.
Разновидностями пенных аппаратов являются
абсорберы с псевдоожиженной насадкой, со стабилизатором пены, полые
высокоскоростные аппараты с внешней или внутренней циркуляцией жидкости.
Рис 7. Схема абсорбции фтористых газов а
производстве ЭФК с использованием АПН
-брызгоотделитель; 2- форсунки; 3- абсорберы;
4-орошаемый газоход; 5- циркуляционные сборники; 6- циркуляционные насосы; 7-
вентилятор.
Рис 8. Пенный аппарат со стабилизатором слоя
-корпус; 2- решетка; 3- стабилизатор пены;
4-ороситель.
В настоящее время в промышленности находится
свыше тысячи газоочистительных установок, в состав которых входят абсорберы
пенного типа. Абсорберы с псевдоожиженной насадкой используются в производствах
двойного и простого суперфосфата, экстракционной фосфорной кислоты, аммофоса,
нитроаммофоски и других удобрений.
На рис. 8 показана принципиальная схема
абсорбции газов, выделяющихся при производстве фосфорной кислоты по
полугидратному методу. Каждый абсорбер орошается в циркуляционном режиме.
Продукционную кремнефтористоводородную кислоту выводят из цикла орошения 1-й
ступени абсорбции. Данная система характеризуется следующими показателями:
количество выделяющихся фтористых газов 40000 м3/ч при мощности
производства 140 тыс. т Р206 в год; концентрация фтора в
газах до 2-4 г/м3; температура поступающих газов 85-95 °С; скорость
газа в аппарате 2,5-3,5 м/с; плотность орошения 30-60 м''/(м2-ч),
доля свободного сечения опорной решетки 40 %. В аппарате 2-3 слоя насадки с
высотой каждого в статическом состоянии 35-40 мм Сопротивление одного слоя 1000
Па.
Недостатками абсорберов с шаровой насадкой и
пенных аппаратов со стабилизатором слоя является узкий интервал рабочих
скоростей, отсутствие надежной конструкции брызгоуловителя (в связи с чем
возможен значительный унос жидкости из аппарата). Пенные газоочистители ПАСС,
кроме того, сложны в наладке, неустойчивы к нарушениям технологического режима
(снижение или возрастание объема газов, увеличение запыленности и т. п.), для
них требуется тщательный подбор размеров стабилизатора. При создании
абсорбционных систем по очистке от фтора с нагрузкой по газу 200 тыс. м3/ч
и более эти аппараты получаются слишком громоздкими.
Пенные аппараты по интенсивности массопередачи и
степени очистки, а также по эксплуатационным качествам значительно превосходят
аппараты других конструкций. Их внедрение в промышленную практику отвечает
современным тенденциям в развитии массообменных аппаратов.
1.4
Физико-химические особенности поглощения фтористых газов
Улавливание фтористых соединений при
производстве экстракционной фосфорной кислоты дает возможность решить две
важные задачи. Первая задача заключается в снижении содержания фторида водорода
и тетрафторида кремния в отходящих газах до норм, обеспечивающих соблюдение при
рассеивании предельно допустимой концентрации этих веществ в приземном слое
атмосферного воздуха. Вторая задача сводится к утилизации фтористых газов,
которые являются ценным сырьем для производства фтористых соединений,
необходимых в различных отраслях промышленности и техники.
Фтористые газы в производстве экстракционной
фосфорной кислоты поглощают главным образом водой с получением
кремнефтористоводородной кислоты для санитарной очистки газов используют
известковое молоко (1-2 % СаО).
Кремнефтористоводородная кислота - одна из самых
сильных кислот. В газообразном состоянии диссоциирует на фторид водорода и
тетрафторид кремния. По мере изменения концентрации фтора и кремния в растворе
изменяются давление паров HF
и SiF4
и состав газовой фазы. Для расчета движущих сил абсорбции (при улавливании
фтористых газов водой) необходимы данные по равновесному давлению паров HF
и SiF4
над системами HF - H2SiF6
- Н20; H2SiF6-Si02-Н20;
а при содержании в абсорбционных растворах фосфорной кислоты - над системами H2SiF6
- Н3Р04-Н20 и H2SiF6
-Si02
-Н3РО4 - Н20.
Температурная зависимость давления пара HF
и SiF4
над растворами кремнефтористоводородной кислоты описывается уравнением Августа:
LgP=B-A/T.
Система H2SiF6
-H20(F:Si02
= 6): для HF А = 3440,70
+34,9769С; В= 10,3215 - 0,2041С;
для SiF4
А =3276,53+ 11,3102С; В = 9,1153 + 0,1440С.
Система H2SiF6-Si02
-HF(F:Si02=5): для
HF A = 3999,13-88,5440C; B=12,3659-0,2679C; для
SiF4 A =4383,24-70,3337C; B= 12,6893-0,1523C.
Система HF-H2SiF6-H20(F:Si02
= 7): для
HF A =3440,70-34,97690C; B= 11,1219-0,0479C.
Система H2SiF6-
H3P04 - H20 (F: Si02 =6, P205=1
3 %): для
HF A = 2926,15 - 61,5255C; B= 9,2546-0,1366C;
для SiF, A
=4173,31-7011203С;
B= 11.6711-0,1146C.
Система H2SiF6
- H3P04 - Si02 - H20 (F: Si02
= = 5; P205 = 3%):
для HF A
=4029,24- 110,3275C; B= 12,4576-0,3357C-
для SiF4
A =3696,70 + 89,9584C; B= 10,3971 + 0,3929C.
Результаты расчетов, получаемые по этим
формулам, показывают, что по мере снижения фторного числа (мольного отношения F:Si)
в растворе, уменьшается отношение HF:SiF4
в газовой фазе. Скорость перехода фтористых соединений в абсорбционный раствор
подчиняется тем же закономерностям, что и скорость улавливания любого газообразного
вещества жидкой фазой. Как известно, скорость перехода вещества пропорциональна
степени отклонения от равновесия (разности концентраций фтора в одной из фаз и
равновесной концентрацией). Помимо этого, скорость массообменного процесса
пропорциональна поверхности соприкосновения фаз. Таким образом основными
факторами, влияющими на скорость перехода фтора из газовой фазы в жидкую,
являются коэффициент массопередачи, удельная поверхность соприкосновения фаз и
движущая сила абсорбции. Эти факторы определяют конструктивные особенности
аппаратов, применяемых для улавливания.
1.5
Характеристика производимой продукции
Кислота фосфорная экстракционная. Техническое
наименование продукта. Экстракционная фосфорная кислота (ЭФК). Фосфорной
кислотой упрощенно называют ортофосфорную кислоту (о-фосфорная кислота). Её
химическая формула - Н3РО4, молярная масса 98 г/моль.
Продукционная упаренная
экстракционная полугидратная фосфорная кислота должна соответствовать
требованиям СТП 113-00203648-098-2000, приведенным в таблице
Таблица 1. Требования СТП 113-00203648-098-2000
к качеству экстракционной фосфорной кислоты.
|
Наименование показателей
|
Для производства гранулированных минеральных удобрений (уч-к №1,
уч-к №2 ПМУ)
|
ЖКУ (участок №4 ПМУ)
|
|
1
|
2
|
3
|
|
Массовая доля НЗРО4 в пересчёте на Р2О5,% не менее
|
52,0
|
52,0
|
|
Массовая доля SO3, % не более
|
3,5 (допускается 4,0 при условии суммы примесей не более 8,0)
|
2,5
|
|
Массовая доля осадка, % не более
|
4,5 при условии суммы примесей (SO3+ тв.в + F) не
более 8,0
|
3,0
|
|
Содержание F, % не более
|
0,5
|
1,2
|
|
Массовая доля Fе2O3, % не 6олее
|
-
|
1,0
|
|
Массовая доля Аl2ОЗ, % не более
|
-
|
1,0
|
|
Массовая доля Cl, ррм не более
|
-
|
150
|
|
Массовая доля органического углерода, % не более
|
-
|
0,02
|
|
Содержание MgO, % не более
|
0,6 (для участка №1) от 0,15 до 0,4 (для участка №2)
|
0,15
|
1.6
Основные свойства экстракционной фосфорной кислоты, физико-химические свойства
и константы
Фосфорная
кислота производится и применяется в виде водных растворов. Экстракционная
упаренная фосфорная кислота с массовой долей от 52,5 до 54,0 % в пересчёте на Р2О5
представляет собой маслянистую жидкость зеленовато-коричневого
цвета с сильно выраженными кислотными свойствами, негорючая, не образует при
нагревании взрывоопасных смесей, хорошо растворима в воде в любых пропорциях. Концентрированные
растворы имеют консистенцию густого сиропа. Безводная фосфорная кислота
кристаллизуется в виде бесцветных призматических кристаллов ромбической формы,
плавящихся при температуре 42,350С. При температуре 284 °С
и атмосферном давлении происходит дегидратации ортофосфорной кислоты и
превращение ее в полифосфорную Н4Р2О7 и
метафосфорную НРО3 кислоты:
Н3РО4 -Т®Н4Р2О7
+ Н2О,
Н4Р2О7 -Т®2НРО3
+ Н2О,
Физические свойства растворов
фосфорной кислоты приведены в таблицах 2 и 3.
Таблица 2. Зависимость плотности,
температур кипения и замерзания, удельной теплоемкости растворов фосфорной
кислоты от массовой доли Р2О5
|
Массовая
доля, %
|
Плотность
при 25 °С, г/см3
|
Температура
при атмосферном давлении, 0С
|
Удельная
теплоемкость
|
|
Н3РО4
|
Р2О5
|
|
кипения
|
замерзания
|
ккал/(г´град)
|
кДж/(г´град)
|
|
0
|
0
|
0,9971
|
100
|
0
|
1,000
|
4,19
|
|
5
|
3,62
|
1,0241
|
100,1
|
-0,8
|
0,973
|
4,07
|
|
10
|
7,24
|
1,0522
|
100,2
|
-2,1
|
0,939
|
3,93
|
|
20
|
14,49
|
1,1129
|
100,8
|
-6,0
|
0,871
|
3,65
|
|
30
|
21,73
|
1,1794
|
102,0
|
-11,8
|
0,798
|
3,34
|
|
50
|
36,22
|
1,3334
|
108,0
|
-41,9
|
0,656
|
2,75
|
|
75
|
54,32
|
1,5725
|
135,0
|
-17,5
|
0,542
|
2,27
|
|
85
|
61,57
|
1,6850
|
151
|
+21,1
|
0,493
|
2,02
|
Таблица 3. Зависимость вязкости
растворов фосфорной кислоты от температуры и массовой доли Р2О5
|
Массовая
доля
|
Динамическая
вязкость, Па´с´10-3
|
|
Н3РО4
|
Р2О5
|
20
°С
|
30
°С
|
40
°С
|
60
°С
|
80
°С
|
100
°С
|
|
0
|
0
|
1,000
|
0,800
|
0,660
|
0,470
|
0,380
|
0,280
|
|
5
|
3,62
|
1,100
|
0,910
|
0,750
|
0,550
|
0,420
|
0,330
|
|
10
|
7,24
|
1,300
|
1,000
|
0,870
|
0,630
|
0,480
|
0,380
|
|
20
|
14,49
|
1,800
|
1,400
|
1,200
|
0,860
|
0,650
|
0,520
|
|
30
|
21,73
|
2,600
|
2,000
|
1,600
|
1,200
|
0,910
|
0,720
|
|
50
|
36,22
|
5,700
|
4,400
|
3,400
|
1,800
|
1,800
|
1,400
|
|
75
|
54,32
|
24,000
|
16,000
|
12,000
|
5,100
|
5,100
|
2,800
|
|
85
|
61,57
|
47,000
|
32,000
|
23,000
|
8,400
|
8,400
|
5,800
|
Область
применения.
Экстракционная фосфорная кислота на
ОАО «Аммофос» используется на Производстве минеральных удобрений (ПМУ) для
производства: аммофоса, диаммонийфосфата, диаммофоски, NРК, ЖКУ.
Экстракционная фосфорная кислота на
ОАО «Аммофос» производится только для внутризаводского использования и
транспортируется по трубопроводам. Паспорт безопасности регистрации не подлежит.
1.6
Описание
технологической схемы отделения концентрирования ЭФК
Рис 9. Технологическая схема
отделения концентрирования ЭФК
Концентрирование фосфорной
кислоты до массовой доли от 52,5 % до 54,0 % Р2О5 производится
на вакуум-выпарной установке. Она состоит из греющей камеры и сепаратора,
снабженного центробежным брызгоуловителем. Слабая фосфорная кислота с
содержанием Р2О5 26 % поступает в верхнюю часть греющей
камеры в трубное пространство, где доводится до температуры кипения водяным
паром, который подается в межтрубное пространство. Нагрев раствора в
теплообменнике и выпаривание осуществляются за счет теплоты конденсации
греющего пара. Упаренный раствор из выпарного аппарата поступает на дальнейшую
переработку.
При выпаривании фосфорной
кислоты образуется водяной пар и газ SiF4
.
Смесь газа SiF4
и водяного пара поступает для очистки в тарельчатый абсорбер. Смесь подается в
нижнюю часть абсорбера. Сверху тарелки орошаются водой. В результате процесса
абсорбции газ SiF4
поглощается водой и выводится в нижней части аппарата в виде раствора SiF4
в H2O.
Водяные пары после абсорбции направляются в барометрический конденсатор. Вода
подается через штуцер в верхней части аппарата и стекает по полкам.
Сконденсировавшиеся пары и вода самотеком направляется в сборник. Не
сконденсировавшиеся водяные пары попадают в ловушку и затем поступают на
систему пароэжекторных насосов.
Глава
2.Технологические расчеты
2.1
Расчет выпарного аппарата
.1.1
Исходные данные и составление материального баланса
Gk-
расход упаренной кислоты, Gk1=165000
т/год;

,где (1.1)
Nсм-
число смен непрерывной работы, Nсм=320;
R- количество часов
работы аппаратов в сутки, R=24;

кг/с.

-массовый расход не упаренной
кислоты;

,где (1.2)

,
- массовые доли растворённого
вещества в начальном и конечном растворе;
50,
=75.

9,168 кг/с.

массовый расход выпариваемой
воды

, (1.3)

3,056 кг/с.
2.1.2
Определение температуры кипения раствора
Абсолютное давление в паровой фазе 0,1 ат.
Определим давление в сепараторе в Па:

Па. (1.4)
Среднюю температуру кипения рассчитываем на
середину высоты греющих труб. Давление в среднем слое труб трубах рассчитываем
по формуле:

(1.5)

давление вторичных паров, 
Па;

плотность фосфорной кислоты,
кг/м3; [10, с. 5 табл.1];

высота уровня раствора в греющей
камере равна длине трубок т.к. испарение паров происходит в сепараторе, 
м;

;
Определим температуру кипения
раствора по правилу Бабо:

, где (1.6)

- давление водяного пара при 0,1 ат;

- давление в среднем сечении труб, 
= 0,204 кгс/см2;

-давление пара при tкип и
атмосферном давлении, 
= 2,755 кг/см2;

=0,838 кг/см2
Согласно правилу Бабо раствор
будет кипеть при той же температуре, что и температура кипения воды при
давлении насыщенных паров = 0,838 кг/см2
Из выше стоящего следует, что
температура кипения раствора=94,2
Приход теплоты:
1) с греющим паром
(1.7)
) с исходным раствором
(1.8)
Расход теплоты:
3) с вторичным паром
(1.9)
4) с концентрированным раствором
(1.10)
5) с конденсатом
, где (1.11)
- удельная энтальпия конденсации
6) потери теплоты в окружающую среду и на
дегидратацию (обезвоживание) принимаем 5% от прихода теплоты, т.е.
(1.12)
Из общего расхода теплоты находим
расход пара:

=3,655 кг/с.
Таким образом, тепловая нагрузка
равна:
. (1.13)
определяем удельный расход пара на 1кг
испаряемой воды:
2.1.3 Определение
поверхности теплообмена
Определим ориентировочный
коэффициент теплоотдачи
:
, где (1.14)
- коэффициент, учитывающий
физико-химические свойства конденсата;
- высота кипятильной трубы;
Вт/м2 - удельный тепловой
поток;
, где (1.15)
Вт/м2*К - коэффициент
теплопроводности [10, с. 5 табл.1];
кг/м3 - коэффициент
плотности [10, с. 5 табл.1];
кДж/кг- удельная теплота испарения
конденсата [10, с. 5 табл.2];
Па*с- удельная вязкость конденсата
[10, с. 5 табл.1];
Вт/м2*К
Находим ориентировочный коэффициент
:
, где (1.16)
Вт/м*К- теплопроводность раствора
при
[10, с. 5
табл.2];
н*м- поверхностное натяжение при
[10, с. 6
табл.3];
- теплоемкость раствора [10, с. 5
табл.2];
Па*с- динамическая вязкость [10, с.
5 табл.1];
кг/м3- плотность
вторичного пара при 5 атм [2, с. 548 табл.ХХХIX];
кг/м3- плотность
вторичного пара при атм. давлении [2, с. 548 табл.ХХХIX];
кДж/кг- теплота парообразования
вторичного пара [2, с. 548 табл.ХХХIX].
Вт/м2*К
На основании расчётов
ориентировочных коэффициентов теплоотдачи 
,
и полезной разности температур 
составляем систему уравнений:
Приведенную систему мы решаем с
использованием математического пакета программы Mathcad. Используя
расчеты получаем, что тепловая нагрузка равна.
q=99000 Вт/м2

. (1.17)
Определяем поверхность
теплопередачи:

(1.18)
Q- Теплота
приходящая к кипящему раствору:
Q=2141000*0,95*1,161=2361416
Вт
Выбираем в соответствии с ГОСТ
11987-81 вакуум выпарной аппарат с принудительной циркуляцией и вынесенной
греющей камерой с поверхностью нагрева 125 м2. Основные
характеристики таких аппаратов показаны в таблице [11, стр. 78 табл.8,9].
2.1.4
Конструктивный расчёт аппарата
Определяем число труб в трубной решетке.
, где (1.19)
В соответствии с данными [11, стр.
55 табл.7,6]. при размещении труб в трубной решетке по вертикали равносторонних
треугольников применяем ближайшее значение числа труб
. Параметры,
характеризующие размещение труб в трубной решетке.
Шаг между трубами:
, где (1.20)
- коэффициент, который определяется
в зависимости от
по [11,
стр. 55 табл.7,7].
Число труб на диаметре решетки:
(1.21)
Принимаем стандартное значение
[11, стр.
55 табл.7,6].
Определение диаметра корпуса
обечайки греющей камеры.
, где (1.22)
- коэффициент использования трубной
решетки т.к. в трубной решетке циркуляционная труба отсутствует для выбранного
аппарата, то
или
Принимаем
в
соответствии с ранее выбранным аппаратом [11, стр. 56 табл.7,8]. Расчет толщины
стенки обечайки и днища (крышки).
Принимаем материал аппарата сталь
15Х5М с нормативным допускаемым напряжением
МПа [11, стр. 51 табл.6,2].
, где (1.23)
- поправочный коэффициент для
взрывопожароопасных сред;
- внутренний диаметр обечайки
аппарата;
- коэффициент сварного шва для
автоматической двухсторонней сварки
;
- прибавка на коррозию для
материала аппарата; (1.24)
- период эксплуатации;
- коррозионная проницаемость;
Из практических рекомендаций
принимаем толщину стенки обечайки
.
Расчет трубной решетки.
Толщина трубной решетки:
, где (1.25)
- коэффициент, зависящий от типа
решетки;
- давление в межтрубном
пространстве;
Принимаем тип решетки III, тогда
;
;
МПа ;
МПа - допускаемое напряжение на
изгиб для материала трубной решетки;
- коэффициент ослабления решетки
отверстиями. (1.26)
- число труб в диаметре решетки;
МПа
м
Толщину трубной решетки необходимо проверить
исходя из надежности закрепления в ней труб так как при развальцовке труб
- наружный диаметр труб
условие выполняется, принимаем
Выбор днищ и крышек.
Наибольшее распространение в химическом
машиностроении получили эллиптические отбортованные днища по ГОСТ 6533 - 78 [3 c.25],
толщина стенки днища d1=
8 мм.
Рис 10.
Выбор фланцев.
Фланцы предназначены для разъемного соединения
обечаек, днищ и трубопроводов с внутренними базовыми размерами. Для выпарных
аппаратов работающих под давлением до 16 атм согласно РСТ 26 - 426 - 79 используют
плоские стальные приварные фланцы. Определение основных размеров штуцеров
выпарного аппарата и их подбор по нормалям.
Диаметр штуцера для ввода греющего пара:
, где (1.27)
- плотность пара
Принимаем диаметр штуцера согласно
ГОСТ
Диаметр штуцера для выхода
конденсата:
(1.28)
Принимаем
Диаметр штуцера для выхода
вторичного пара:
(1.29)
Принимаем
Диаметр штуцера для входа и выхода
раствора:
(1.30)
Принимаем
Рис 11.
Параметры фланцев:
|
dусл
|
D
|
D2
|
h
|
n
|
d
|
|
1000
|
1130
|
1090
|
38
|
40
|
20
|
|
500
|
640
|
600
|
20
|
16
|
20
|
|
100
|
205
|
170
|
11
|
4
|
16
|
|
70
|
185
|
150
|
11
|
4
|
16
|
Расчет и подбор опор аппарата
Максимальная масса аппарата:
Gmax
= Ga + Gв,
где Ga
=
13000 кг - масса аппарата,
Gв
- масса воды заполняющей аппарат.
Gв
= 1000×0,785D2H
= 1000×0,785×22×4
= 12560 кг,
где Н = 11,0 м - высота аппарата.
Gmax
= 13000 + 12560 = 25560 кг = 0,257 МН.
Принимаем, что аппарат установлен на 4 опорах,
тогда нагрузка
приходящаяся на одну опору:
Gоп
= 0,257/4 = 0,0645МН.
Выбираем опору с допускаемой нагрузкой 0,129 МН,
конструкция которой приводятся на рисунке:
Рис 12.
.1.4 Расчёт
сепарационного пространства
Скорость пара в паровом пространстве.
м/с (1.31)
Определяем критерий Рейнольдса.
, где (1.32)
вязкость пара [2, с. 548 табл.ХХХIX];
- диаметр капли;
Коэффициент гидравлического
сопротивления
При
Скорость витания в паровом
пространстве
м/с (1.33)
т.к. условие
, не
выполняются и капли раствора не будут оседать на поверхности кипящего раствора
необходимо установить центробежный брызгоотделитель и сепаратор большего
диаметра.
Допустимая скорость пара.
Определяем диаметр аппарата.
(1.34)
Принимаем нестандартный диаметр
сепаратора Dc=3800мм=3,8
м
2.1.5 Расчёт
толщины тепловой изоляции
Толщину тепловой изоляции рассчитывают из
равенства удельных тепловых потоков.
, где (1.35)
- коэффициент теплоотдачи от
изоляции к воздуху
- температура изоляции со стороны
воздуха
- температура воздуха
- температура стенки аппарата
- коэффициент теплопроводности
материала изоляции
2.2
Расчет тарельчатого абсорбера
2.2.1
Технологический расчет
- массовая концентрация
распределяемого компонента в жидкой фазе на входе в аппарат:
=0 
;
- массовая концентрация
распределяемого компонента в жидкой фазе на выходе из аппарата:
=0,18 
;

- массовая концентрация
распределяемого компонента в газовой смеси на входе в аппарат:
=0,0332 
;
- массовая концентрация
распределяемого компонента в газовой смеси на выходе из аппарата:
=0,007293 
.
Переводим часовой расход в секундный:
Gн-
массовый расход газовой смеси на входе в аппарат: Gн=11000
кг/ч;
Gн=
кг/с. (2.1)
Из уравнения материального баланса находим
массовый расход абсорбента
L- массовый расход
абсорбента;
L= Gн*
кг/с. (2.2)
Данные для расчета и построения рабочей линии
процесса взяты из монографии «Концентрирование и очистка экстракционной
фосфорной кислоты». [1, с. 77].
Таблица 4.Равновесная линия процесса.
|
 
|
|
|
0,009243
|
3,29E-05
|
|
0,018726
|
4,21E-05
|
|
0,028457
|
5,4E-05
|
|
0,038448
|
6,93E-05
|
|
0,048709
|
8,88E-05
|
|
0,05925
|
0,000114
|
|
0,070084
|
0,000146
|
|
0,081222
|
0,000187
|
|
0,092678
|
0,00024
|
|
0,104465
|
0,000307
|
|
0,116599
|
0,000394
|
|
0,129094
|
0,000505
|
|
0,141967
|
0,000648
|
|
0,155236
|
0,00083
|
|
0,168918
|
0,001064
|
|
0,183034
|
0,001364
|
|
0,197605
|
0,001749
|
Рис 13. График равновесной линии процесса
2.2.2
Определение диаметра абсорбера
Скорость газа в интервале устойчивой работы
колпачковых тарелок определяется из уравнения:

, где (2.3)
с-коэффициент для колпачковых тарелок
определяется из графика [8, с.31 рис 4.9], расстояние между тарелками
принимается в зависимости от их типа и диаметра аппарата, принимаем Hт=600
мм, с=500;

-плотность пара при 45,4 0С
из [2, с. 548 табл.ХХХIX] 
=0,06686 кг/м3;

- плотность воды при 45,4 0С
из [2, с. 537 табл.ХХХIX] 
= 983,15 кг/м3;

м/с.
Определяем диаметр абсорбера из уравнения
расхода для сплошной фазы, которой является пар:

м. (2.4)
Выбираем стандартный диаметр
аппарата 
=3400 мм. [8, с. 134 табл. 12].
Выбираем колпачковую тарелку ТСК-Р.
Характеристики тарелки:
Свободное сечение колонны 9,08 м2;
Длина линии барботажа 83,8 м;
Периметр слива Lс=2,62 м;
Сечение перелива 1,128 м2;
Свободное сечение тарелки 1,32 м2;
Относительная площадь для прохода
паров 14,5%;
Масса 546 кг.
Уточняем скорость газа:

5,037 м/с
2.2.3
Определяем высоту абсорбера
Коэффициенты диффузии определяются по
уравнениям:
диффузия в паровой фазе SiF4;

, где (2.5)

-температура в аппарате,
=45,4 0С при давлении
10000 Па;

-мольный объем Si, 
[4, с. 288 табл. 6,3];

- мольный объем F4,
[4, с. 288 табл. 6,3];

- мольный объем H2O,
[4, с. 288 табл. 6,3];

м2/с.
диффузия в жидкой фазе SiF4;

,где (2.6)
Значения А и В приводятся [4, с. 660, табл.
Х-4,Х-5] А-1, В-4,7

-коэффициент динамической вязкости воды

=0,001 Па*с,при 200С; [2,
с. 537 табл.ХХХIX].

м2/с.
Коэффициент b
рассчитывается по уравнению:

, где (2.7)

-плотность воды при 20 0С
[2, с. 537 табл.ХХХIX];


м2/с. (2.8)
Определяем число единиц переноса
графическим интегрированием, как площадь на графике 
-
.При определении площади необходимо
учесть масштаб диаграммы.
Таблица 5.Определение числа единиц
переноса.
|
|
 
|
|
|
3,28759E-05
|
0,008
|
125,5158
|
|
4,21447E-05
|
0,009
|
111,6339
|
|
5,40268E-05
|
0,011
|
91,3578
|
|
6,92589E-05
|
0,0128
|
78,55002
|
|
8,87855E-05
|
0,014
|
71,88445
|
|
0,000113818
|
0,015
|
67,17639
|
|
0,000145907
|
0,0168
|
60,0453
|
|
0,000187045
|
0,018
|
56,13892
|
|
0,000239781
|
0,021
|
48,16905
|
|
0,000307386
|
0,0227
|
44,65758
|
|
0,000394054
|
0,0235
|
43,2789
|
|
0,000505161
|
0,026
|
39,22362
|
|
0,000647598
|
0,028
|
36,55986
|
|
0,000830204
|
0,0285
|
36,14049
|
|
0,001064308
|
0,029
|
35,7965
|
|
0,001364442
|
0,033
|
31,61
|
Определение числа единиц переноса по газовой
фазе.
Рис 14.

. (2.9)
Находим критерий Re:

, где (2.10)

-коэффициент динамической вязкости
пара 
Па*с;
при 45,40С; [2, с. 548 табл.ХХХIX].

Коэффициент массоотдачи в газовой
фазе:

; (2.11)


.
Критерий Прандтля для жидкой фазы:

, где (2.12)

- плотность и вязкость воды при 45,40С;
[2, с. 537 табл.ХХХIX].

.
Коэффициент массоотдачи в жидкой
фазе:

; (2.13)


.
Находим коэффициент распределения m, как tg угла
наклона равновесной линии при среднем значении

=
:

Определение коэффициента распределения
m.
Рис 15.


. (2.14)
Определяем поверхность массопередачи одной
тарелки:
F=9,08-1,128=7,952 м2.
[8, с. 134 табл. 12]. (2.15)
Определяем число действительных тарелок:

=2 тарелки.
2.2.4
Конструктивный расчет
Для аппарата с D=3400
мм выбираем сталь 15Х5М, при этом толщина стенки цилиндрической обечайки 20 мм
[8, с. 130 табл. 9].
Определение параметров штуцеров для ввода
газовой смеси:
Скорость для смеси в штуцерах принимают :
- для газов-
Принимаем
Вход абсорбента (воды):
Скорость для жидкости-
;
Принимаем
.
Выход раствора фтористых газов в
воде: принимаем
Выход газа после абсорбции:
принимаем
Определяем конструкцию и размеры
фланцев штуцеров:
Выбираем плоские приварные фланцы:
Рис 16. Фланец.
Dy=3400
мм ,S=20 мм, h=60
мм,hв=650
мм.

Рассчитываем нагрузку на опоры абсорбера и
выбираем стандартные.
Находим массу аппарата полностью заполненного
водой:

, где
D и H -диаметр и
высота абсорбера, D=3400 мм, H=5000 мм,
-плотность воды 
-1000 кг/м3.

10,4 т.
Масса аппарата:

,

т.
Нагрузка на опору:
M=
Мн.
Выбираем опору (лапы) в количестве 4
шт. ОВ-1-Б-16,0-8 ОН 26-01-69 [9, 673 с. табл. 29,2]
L=280 мм, L1=320 мм, L2=260 мм, L3=400 мм
,В=310 мм, В1=220 мм, В2=230 мм,Н1=460 мм,
а=50 мм, а1=80 мм, d=42 мм , болты М36.
Рис 18. Опоры.
2.3
Расчет барометрического конденсатора
.3.1 Технологический
расчет
Давление в аппарате 0,1 атм. По таблицам
насыщенного водяного пара находим его параметры ; [2, с. 537 табл.ХХХIX].
Температура пара (tнас)-45,4
0С ; [2, с. 537 табл.ХХХIX].
Энтальпия пара (iп)-2581*103
Дж/кг; [2, с. 537 табл.ХХХIX].
Плотность пара (ρп)-0,06686
кг/м3; [2, с. 537 табл.ХХХIX].
Удельная теплота парообразования (rп)-2390*103
Дж/кг; [2, с. 537 табл.ХХХIX].
Расход охлаждающей воды находится из уравнения
теплового баланса конденсатора:
D*iп+W*cн*tнач=(D+W)*
cк*tк
,где
(3.1)
D-массовый расход
конденсирующегося пара: 3,056 кг/с.
tнач-
температура охлаждающей воды на входе в конденсатор: 10 0С.
tк-
температура водоконденсатной смеси принимается на 2-5 0С ниже
температуры tнас
= 40,4 0С.
cн,
cк-
удельная теплоемкость воды при tнач
и
tк:
4,274*103 и 4,223*103 Дж/(кг*град) соответственно [2, с.
537 табл.ХХХIX].
Расход охлаждающей воды:

;
Диаметр корпуса конденсатора (Dк)
рассчитывается из уравнения расхода паровой фазы:

(3.2)

-скорость пара на полное сечение
конденсатора принимается в зависимости от диаметра конденсатора. Примем 
=20 м/с:

.
Принимаем диаметр корпуса 
, допустимая скорость [6, 95 с.
Табл.3.9]. 
,что приемлемо для данного диаметра
аппарата.
2.3.3 Тепловой
расчет аппарата
Тепловой расчет заключается в проверке
обеспечением наличным числом полок достижения принятого конечного значения
температуры водоконденсатной смеси. Он состоит в последовательном расчете
температуры жидкости при ее падении на ниже лежащую полку.
Изменение температуры воды в данном случае
происходит вследствие совместного тепло- и массообмена между паром и водой и
для одного интервала между полками может быть рассчитано по критериальной
зависимости вида:

(3.3)

-температуры водоконденсатной смеси
в момент стекания с предыдущей полки и при падении на последующую
соответственно.

-критерий Прандтля;

-критерий Фруда;

-геометрический симплекс;
а- расстояние между полками. [6, 95 с.
Табл.3.9].
Определяющая температура - средняя температура
жидкости на интервале между полками, определяющий размер - эквивалентный
диаметр ,стекающей пленки в ее среднем сечении.
Явный вид зависимости:

, где (3.4)
W0=
,где (3.5)
b- ширина
полки;
h-высота
полки; [6, 95 с. Табл.3.9].

-плотность жидкости при средней
температуре.
Ширина полки рассчитывается по
нормализованной длине полки С=1,25 м и диаметру корпуса конденсатора 
=2 м [6, 95 с. Табл.3.9].

=1,936 м. (3.6)
Превышение уровня жидкости над сливным порогом
тарелки определяется из формулы водослива, которая относительно h
запишется следующим образом:

; (3.7)
Из уравнения имеем:
W0=
; (3.8)
Значение определяющего размера - эквивалентного
диаметра сечения пленки для ее среднего сечения определяется по формуле:

; (3.9)
Толщина пленки 
рассчитывается из уравнения расхода
жидкости, записанного для среднего сечения пленки:

; (3.10)

- скорость движения пленки жидкости
для среднего сечения между полками ,которая определяется как средняя
арифметическая между скоростью стекания воды с последующей полки и падения ее
на последующую:

, где (3.11)

-расстояние между полками
принимаемое по таблице [6, 95 с. Табл.3.9].

=0,5 м

3,634 м/с ;

0,008206 м;

.
Определяем температуру воды при
падении на вторую полку:

;

19,13 0С
Тепловой поток от пара к пленке
жидкости на интервале между первой и второй полками определяется по уравнению
теплового баланса для этого участка:

,где (3.12)

-массовая теплоемкость воды при
средней температуре 
на интервале между полками.
=4,264*103 Дж/(кг*К) [2,
с. 537 табл.ХХХIX].

14,57 0С; (3.13)

2,24*106 Вт.
Отсюда находим массу пара ,
конденсирующегося на участке между первой и второй полками:

0,891 кг/с; (3.14)
что составляет 
=
%.
Расход жидкости, стекающей со второй
полки, складывается из расхода воды и конденсата, образовавшегося между первой
и второй полками:

=58,5 кг/с. (3.15)
Проводим последовательно аналогичный расчет для
следующих интервалов между полками.
Таблица 6.
|
№
|
Интервал
расчета
|
Расстояние
между тарелками а, м
|
Расход
воды W, кг/с
|
Высота
слоя воды на тарелке h,м
|
Скорость
стекания воды с тарелки W0,м/с
|
Средняя
толщина пленки δ ,м
|
Эквивалентный
диаметр сечения пленки dэкв,м
|
Средняя
скорость падения пленки Wср, м/с
|
Температура
воды, 0С
|
Тепловой
поток Q*10-6
|
Масса
сконденсировавшегося пара
|
|
|
|
|
|
|
|
|
|
Начальная
 Конечная  Кг/с%
|
|
|
|
|
|
1
|
1-2
|
0,5
|
57,6
|
0,064
|
0,469
|
0,0082
|
0,016
|
3,634
|
10
|
19,13
|
2,24
|
0,891
|
29,15
|
|
2
|
2-3
|
0,65
|
58,5
|
0,064
|
0,472
|
0,0075
|
0,015
|
4,07
|
19,13
|
25,91
|
1,68
|
0,678
|
22,18
|
|
3
|
3-4
|
0,8
|
59,18
|
0,065
|
0,474
|
0,0069
|
0,014
|
4,462
|
25,91
|
30,94
|
1,26
|
0,513
|
16,78
|
|
4
|
4-5
|
0,95
|
59,69
|
0,065
|
0,476
|
0,0065
|
0,013
|
4,817
|
30,94
|
34,67
|
0,943
|
0,386
|
12,63
|
|
5
|
5-6
|
1,07
|
60,07
|
0,066
|
0,477
|
0,0062
|
0,012
|
5,081
|
34,67
|
37,44
|
0,703
|
0,29
|
9,48
|
|
6
|
6-7
|
1,07
|
60,36
|
0,066
|
0,478
|
0,0062
|
0,012
|
5,082
|
37,44
|
39,49
|
0,524
|
0,217
|
7,089
|
|
7
|
7-8
|
1,07
|
60,58
|
0,066
|
0,479
|
0,0062
|
0,012
|
5,083
|
39,19
|
41,02
|
0,389
|
0,162
|
5,29
|
Расчет проводят до тех пор, пока температура
воды , поступающей на последующую полку, будет равна или несколько выше
принятого значения конечной температуры водоконденсатной смеси для всего
конденсатора, т.е 40,40С Полученные данные представлены в виде
таблицы:
2.3.3 Расчет
барометрической трубы
Общая высота гидравлического затвора Hт
определяется по формуле:

, где (3.16)

-численно равна высоте столба
водоконденсатной смеси, уравновешивающей вакуум в корпусе:

,где [2, с. 537 табл.ХХХIX]. (3.17)

-плотности воды при температуре 4 0С
и температуре на выходе из корпуса конденсатора.

=9,465 м.

-высота столба жидкости в трубе ,
создающей гидродинамический напор, обеспечивающий заданный расход
водоконденсатной смеси, рассчитывается по известной формуле гидравлики:

, где (3.18)
Wт-
скорость движения жидкости в трубе, м/с которая определяется из уравнения
расхода:

, где (3.19)
dт- диаметр
трубы, принимается для данного диаметра корпуса dт=0,4 м.

м/с. (3.20)
Поскольку в прямых барометрических трубах
допускаются скорости движения жидкости до 1 м/с, оставляем принятое значение
диаметра трубы.

- сумма коэффициентов местных
сопротивлений для трубы
=0,5

-коэффициент трения определяется в
зависимости режима движения жидкости Re и
относительной шероховатости стенки трубы 

,где (3.21)

-кинематический коэффициент вязкости
воды при температуре, соответствующей выходу жидкости из корпуса аппарата.
е=0,0002 м -абсолютная шероховатость
стенки трубы
λ=0,11*
0,018. (3.22)
Н-высота стенки трубы смоченная
жидкостью, Н2 принимаем 0,5 м, тогда
Н=Н1+Н2
=9,465+0,5=9,965 м; (3.23)

м.
Н3-высота трубы, не заполненная
жидкостью, принимается для компенсации колебаний величины вакуума и
атмосферного давления, Н3=0,5 м
Hт=9,465+0,024+0,5=9,989
м.
2.3.4 Конструктивный
расчет
Для аппарата с D=2000
мм выбираем сталь 15Х5М, при этом толщина стенки цилиндрической обечайки 10 мм
[6, 95 с. Табл.3.9].
Условные проходы для штуцеров:
Для входа пара, А dy=800
мм;
Для входа воды, Б dy=400
мм;
Для выхода парогазовой смеси, В dy=250мм;
Для барометрической трубы, dy=400
мм;
Воздушник С, dy=25
мм;
Для входа парогазовой смеси, U
dy=250 мм;
Для выхода парогазовой смеси, Ж dy=250
мм;
Для барометрической трубы, Е dy=100
мм;
Определяем конструкцию и размеры фланцев
штуцеров.
Выбираем плоские приварные фланцы:
Рис 19. Фланец.
Выбираем эллиптическое днище: Dy=2000 мм , S=10 мм, h=40 мм, hв=500 мм.
Рис 20. Конструкция эллиптического днища.
Выбираем коническое днище. Dв=2000
мм , S=10 мм, h=70
мм, hв=1028
мм
Рис 21. Конструкция конического днища.
Рассчитываем нагрузку на опоры конденсатора и
выбираем стандартные.
Находим массу аппарата полностью заполненного
водой:

, где
D и H -диаметр и
высота абсорбера, D=2000 мм, H=10000 мм,
-плотность воды 
-1000 кг/м3.

31,4 т.
Нагрузка на опору:
M=
Мн.
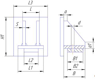
Выбираем опору (лапы) ОВ-1-Б-16,0-8
ОН 26-01-69 [9, 673 с. табл. 29,2]
L=340 мм, L1=380 мм, L2=320 мм, L3=500 мм
,В=390 мм, В1=280 мм, В2=290 мм,Н1=570 мм, а=60
мм, а1=100 мм, d=42 мм , болты 42.
Рис 22.
Глава
3. Автоматизация технологической схемы производства фосфорной кислоты
Для оптимального ведения технологического
процесса необходима разработка системы автоматического контроля и управления
всеми важнейшими параметрами, определяемыми регламентом производства.
Рассмотрим систему управления выпарного аппарата с принудительной циркуляцией,
абсорбера, и барометрического конденсатора. Для качественного ведения процесса необходимо
контролировать и регулировать ряд параметров, определенных заданием на
проектирование систем автоматизации. Для создания САУ применим контроллер
«Ломиконт Л-112».
Логический микропроцессорный контроллер ЛОМИКОНТ
предназначен для решения задач управления в энергетической, химической,
металлургической, строительной и других отраслях промышленности. Контроллер
принимает дискретные и аналоговые входные сигналы, формирует управляющие
дискретные, аналоговые и импульсные выходные сигналы, реализует логические
операции, производит отсчет времени, счет событий, выполняет арифметические
операции над аналоговыми и целочисленными величинами, а также выполняет
дополнительные более сложные операции такие, как регулирование, фильтрация,
интегрирование, кусочно-линейная интерполяция по времени и по параметру и ряд
других операций. Общение пользователя с контроллером осуществляется с пульта
контроллера, снабженного экраном и клавиатурой. Контроллер имеет выход на
печатающее устройство. Контроллер ЛОМИКОНТ содержит встроенную, непрерывно
функционирующую программно-аппаратную систему контроля, которая обнаруживает
большинство возможных неисправностей. Поступающая информация анализируется
инженером-технологом и при необходимости им вносятся коррективы в процесс
управления.
Таблица 7.
|
№
|
Наименование
параметра, место отбора измерительного импульса
|
Заданное
значение параметра, допустимые отклонения
|
Отображение
информации
|
регулирование
|
Наименование
регулирующего воздействия, место установки регулирующего органа. Условный проход
трубопровода
|
Характеристика
среды в местах установки
|
|
|
|
Пока-зание
|
Реги-страция
|
Сумми-рование
|
Сигна-лизация
|
|
|
датчиков
|
Регулирующих
органов
|
|
|
|
|
|
|
|
|
|
агрессивная
|
Пожаро
- и взрывоопасная
|
агрессивная
|
Пожаро
- и взрывоопасная
|
|
2
|
3
|
4
|
5
|
6
|
7
|
8
|
9
|
10
|
11
|
12
|
13
|
|
1
|
Уровень
ЭФК в греющей камере
|
От
0 до 5 м ±0,052 м
|
+
|
+
|
-
|
-
|
+
|
Изменения
расхода ЭФК
|
да
|
нет
|
да
|
нет
|
|
2
|
Измерение
концентрации КФВК
|
5,5±0,5ед. pH
|
+
|
+
|
-
|
+
|
+
|
Расход
абсорбента воды
|
да
|
нет
|
да
|
нет
|
|
3
|
Давление
паров в сепараторе
|
от
83 до 93 кПа ±0,01 кПа
|
+
|
+
|
-
|
-
|
+
|
Расход
воды в барометрическом конденсаторе
|
да
|
нет
|
да
|
нет
|
|
4
|
Температура
в греющей камере
|
от
85 до 88 °С ±3,5 °С
|
+
|
+
|
-
|
+
|
-
|
-
|
да
|
нет
|
да
|
нет
|
|
5
|
Подача
пара в греющую камеру
|
3,66±0,01 кг/с
|
+
|
+
|
-
|
-
|
+
|
Расход
пара подающийся в греющую камеру
|
|
|
|
|
Автоматическая схема управления технологическим
процессом представлена на схеме и включает в себя 4 контура регулирования и
один контур контроля.
Контролируется:
. Расход слабой фосфорной кислоты.
. Температура паров на входе в сепаратор.
. Расход воды на абсорбцию.
Контуры регулирования:
. Регулируется уровень фосфорной кислоты
в греющей камере путем изменения подачи слабой фосфорной кислоты.
Уровень измеряется преобразователем УБ-ЭМ1
(поз.1а). Сигнал от преобразователя поступает на аналоговый вход «Ломиконт
Л-112», где с помощью алгоритма управления вырабатывается управляющее
воздействие, которое в виде унифицированного токового сигнала снимается с
дискретного выхода «Ломиконт Л-112». Сигнал поступает на клапан «Мазонейлан» с
электрическим исполнительным механизмом (поз. 1в.), через бесконтактный
реверсивный пускатель (поз.1б). Клапан, установленный на трубопроводе подачи
слабой фосфорной кислоты, регулирует уровень кислоты в греющей камере. Также
сигнал с «Ломиконт Л-112» о уровне поступает на пульт инженера технолога, где
выводится на видеотерминал и на печатающее устройство.
. Регулируется давление в сепарационном
пространстве выпарной установки путем изменения подачи воды на охлаждение
водяных паров в барометрическом конденсаторе.
Давление измеряется датчиком Сапфир 22ДВ
(поз.4а). Сигнал от преобразователя поступает на аналоговый вход «Ломиконт
Л-112». С дискретного выхода «Ломиконт Л-112» сигнал, через бесконтактный
реверсивный пускатель (поз.4б), поступает на клапан «Мазонейлан» с
электрическим исполнительным механизмом (поз. 4в.) Клапан, установленный на
трубопроводе подачи охлаждающей воды, регулирует давление в сепараторе выпарной
установки. Также сигнал с «Ломиконт Л-112» о давлении поступает на пульт инженера
технолога, где выводится на видеотерминал и на печатающее устройство.
. Регулируется концентрация
кремнефтористоводородной кислоты путем изменения расхода абсорбента (воды).
Концентрация кремнефтористоводородной кислоты
измеряется датчиком pH
-метра ДМ-5М (поз.6а). Сигнал от датчика поступает на промышленный
измерительный преобразователь расположенный на стенде преобразователей и
преобразуется в аналоговый вход «Ломиконт Л-112». С аналогового выхода
«Ломиконт Л-112» сигнал поступает, через бесконтактный реверсивный пускатель
(поз.6в), на клапан «Мазонейлан» с электрическим исполнительным механизмом
(поз. 6г.) Клапан, установленный на трубопроводе подачи абсорбента (воды),
регулирует концентрацию кремнефтористоводородной кислоты в абсорбере. Также
сигнал с «Ломиконт Л-112» о концентрации поступает на пульт инженера технолога,
где выводится на видеотерминал и на печатающее устройство.
4. Регулируется массовый
расход пара путем изменения его расхода на входе в греющую камеру.
Расход измеряется диафрагмой камерной ДКС
(поз.8а). Сигнал от датчика поступает на измерительный преобразователь Метран
100 ДР (поз. 8б) расположенный на стенде преобразователей и преобразуется в
аналоговый вход «Ломиконт Л-112. С дискретного выхода «Ломиконт Л-112» сигнал,
через бесконтактный реверсивный пускатель (поз.8в), поступает на клапан
«Мазонейлан» с электрическим исполнительным механизмом (поз. 8г.) Клапан,
установленный на трубопроводе подачи водяного пара, регулирует расход. Также
сигнал с «Ломиконт Л-112» о поступает на пульт инженера технолога, где
выводится на видеотерминал и на печатающее устройство.
Таблица 8.Спецификация на приборы и средства
автоматизации.
|
Номер
позиции по схеме
|
Наименование
и краткая характеристика прибора
|
Тип
прибора
|
Количество
|
Примечание
|
|
Технологический
контроллер моноблочный «Ломиконт», работающий совместно с ПЭВМ
|
|
1а
|
Датчик
для измерения гидростатического давления (уровня), выход токовый
унифицированный
|
УБ-ЭМ-1
|
1
|
www.teplocontrols.ru
|
|
1в,4б,6г,8г
|
Клапан
регулирующий с электрическим исполнительным механизмом
|
Клапан
«Мазонейлан»
|
4
|
www.teplocontrols.ru
|
|
2а,5а,7а
|
Датчик
для измерения расхода, выход токовый унифицированный
|
Датчик
расхода воды и кислот корреляционный ДРК-4
|
3
|
#"655767.files/image311.gif">
Рис 23. Схема расположения
вентиляторов.
-Вакуум выпарной аппарат;
-Тарельчатый абсорбер;
-Барометрический конденсатор;
4-Вентиляторы.
4.5 Опасность
удушья
Опасность удушья может возникнуть
при проведении газоопасных работ внутри аппаратов, емкостей. При работе в
емкостях и аппаратах во избежание удушья необходимо применять шланговые
противогазы изолирующего типа ПШ-1, ПШ-2.
4.6 Опасность
механических травм
Опасность механических травм может
быть вызвана следующими причинами:
- отсутствием или неисправностью
ограждений вращающихся узлов и механизмов;
- производством ремонтных работ на
неподготовленном оборудовании;
- использование неисправного
инструмента и приспособлений;
- нарушение правил работы на высоте;
- незнание правильных приемов работы;
- несоблюдением правил ОТ и ПБ.
4.7 Опасность
электротравм
Опасность получения электротравм
возможна при эксплуатации неисправного оборудования или несоблюдении правил
производства работ на электрооборудовании, при нарушении электроизоляции. Во
избежание получения электротравм все электрооборудование должно быть заземлено,
должны применяться переносные лампы с напряжением не более 12 В. Запрещается
производить ремонт электрооборудования, электродвигателей, пусковых устройств и
т.п., находящихся под напряжением.
При ремонте насосов,
вентиляторов, транспортеров и другого оборудования, имеющего электропривод, а
также при ремонте кислотопроводов, электропривод должен быть обесточен в
подстанции, отключен питающий кабель с видимым разрывом, на пусковых кнопках и
пусковых автоматах должен быть вывешен плакат: «Не включать - работают люди».
Снимать плакат имеет право только должностное лицо, его вывесившее.
4.8
Параметры микроклимата рабочих помещений и виброакустические факторы
Таблица 12. Параметры микроклимата
рабочих помещений и виброакустические факторы.
|
Период
года
|
Категория
работ по уровню энергозатрат
|
Температура
воздуха 0С
|
Температура
поверхностей 0С
|
Относительная
влажность воздуха %
|
Скорость
движения воздуха, не более м/с
|
|
Холодный
|
Iб
(140-174)
|
19-24
|
18-25
|
15-75
|
0,2
|
|
Теплый
|
Iб
(140-174)
|
20-28
|
19-29
|
15-60
|
0,3
|
4.9 Шум
Источниками шума являются насосы,
вентиляторы и вентиляционные установки. В соответствии с ГОСТом 12.1.003-83
«Шум. Общие требования безопасности» и СН 2.2.4/2.1.8.562-96. допустимый
уровень шума на постоянных рабочих местах не превышает 75 дБ. Оборудование,
создающее шум, должно быть снабжено паспортом, в котором указываются шумовые
характеристики для паспортного режима этого оборудования, измеренные заводом-изготовителем.
Для защиты персонала от превышения
уровня шумовой нагрузки осуществлены следующие мероприятия:
- между вентиляторами и воздуховодами
установлены акустические фильтры в виде гибких вставок из прорезиненной ткани;
- в воздуховодах установлены вставки
из материалов (прорезиненных тканей, полиэтилена, резины), обладающих большим
коэффициентом внутренних потерь шума;
- вентагрегаты и
воздуховоды изолированы от строительных конструкций путем применения
виброизолирующих оснований и звукопоглощающих прокладок (резины и асбестового
картона);
- стены и пол
венткамер изолированы звукопоглощающими плитами.
4.10 Химические
ожоги
Химические ожоги возможны от
соприкосновения незащищенных участков тела фосфорной и кремнефтористоводородной
кислотами при переливе емкостей, не плотностях трубопроводов и аппаратуры.
При попадании на кожу этих жидкостей
необходимо как можно быстрее промыть место поражения большим количеством воды и
обратиться в здравпункт.
Особенно опасны ожоги глаз.
Средствами защиты от химических
ожогов является защитные очки, костюм х/б с кислотозащитной пропиткой,
резиновые перчатки, противокислотные рукавицы КР, сапоги резиновые, каска.
4.11 Термические
ожоги
Термические ожоги возможны при
взаимодействии с технологическим паром, горячей водой, а также при проведении
электросварочных работ.
4.12 Освещение
Расчет общего равномерного освещения
горизонтальной поверхности.
Находим индекс
помещения:  высота, м;
Расчет количества
светильников для системы общего освещения (N):
 ,где
 нормированное значение
освещенности для систем общего освещения при средней точности IV разряда, подразряда а, 300 лк;
 коэффициент запаса для химического
производства, ;
Z -
коэффициент, учитывающий равномерность освещения, Z=1,3;
 площадь пола,  175 м2;
F-световой
поток источника света, F=2920 лм;
n- количество
ламп в светильнике, n=1;
 коэффициент использования светового
потока, 0,46.
 90 светильников.
Выбираем лампу накаливания мощностью
200 Вт пылевлагонепроницаемые.
В помещении 5 этажей
соответственно общее количество светильников 450 шт.
Глава
5. Экономическая оценка отделения концентрирования ЭФК
5.1 Расчет
инвестиционных издержек
Таблица 13.1. Расчет стоимости производственных
зданий и амортизационных отчислений.
|
Наименование
объекта
|
Объем
Зданий м3
|
Стоимость
зданий, руб.
|
Амортизационные
отчисления на полное восстановление
|
|
|
1
м3
|
Общая
|
Норма,
%
|
Сумма,
руб.
|
|
Производственное
здание
|
3396,6
|
1500
|
5094900
|
2%
|
101898
|
5.2
Расчет стоимости оборудования, инструмента и инвентаря и амортизационных
отчислений
Таблица 14.2. Расчет стоимости оборудования,
инструмента и инвентаря и амортизационных отчислений.
|
Наименование
оборудования
|
Кол-во,
шт.
|
Стоимость,
руб.
|
Амортизационные
отчисления
|
|
|
шт.
|
общая
|
норма,
%
|
сумма,
руб.
|
|
1.
Оборудование 1.1 Вакуум выпарная установка 1.2Тарельчатый абсорбер
1.3Барометрический конденсатор
|
1
1 1
|
1
1 1
|
4750000 3888000 3250000
|
|
|
|
Итого:
|
|
|
11888000
|
17%
|
2020960
|
|
2.Неучтенное
оборудование
|
|
|
2377600
|
17%
|
404192
|
|
3.Инструмент,
инвентарь
|
|
|
118880
|
17%
|
20209
|
|
Итого:
|
3
|
3
|
14384480
|
|
2445361
|
5.3 Инвестиционные
издержки
Таблица 15.3. Инвестиционные издержки.
|
Вид
капиталовложений
|
Сумма,
руб.
|
Источник
данных
|
|
1.Стоимость
производственных зданий
|
5094900
|
Таблица
1 (п.1)
|
|
2.Стоимость
оборудования, инструмента, инвентаря
|
14384480
|
Таблица
2 (п. 1,2,3)
|
|
Итого:
|
19479380
|
|
|
3.Подготовка
территории строительства
|
1273725
|
25%
от п.1
|
|
4.Монтаж
оборудования
|
1783200
|
Таблица
2 (15% п.1)
|
|
5.Предпроизводственные
затраты
|
1188800
|
Таблица
2 (10% п.1)
|
|
Прочие
инвестиционные издержки
|
3895876
|
20%
от суммы п.1,2
|
|
Итого
первоначальных капиталовложений
|
27620981
|
|
|
6.
Капитальные вложения в прирост оборотных средств
|
556600000
|
20
% от стоимости материальных затрат
|
|
Итого:
|
584220981
|
|
5.4 Расчет текущих
производственных издержек
Расчет текущих производственных издержек основан
на определении себестоимости продукции, производство и реализация, которой
предполагает программой осуществления инвестиционного проекта.
Таблица 16.4. Расчет затрат на сырье и
материалы.
|
Наименование
материала
|
Единица
измерения
|
Годовая
потребность в сырье и материалах
|
Стоимость
единицы измерения, руб.
|
Затраты
на годовой объем производства, руб.
|
|
1.
Слабая фосфорная кислота
|
т
|
253000
|
11000
|
2783000000
|
Таблица 17.5. Расчет затрат на энергию.
|
Наименование
материала
|
Единица
измерения
|
Годовой
расход энергоносителя
|
Стоимость
единицы измерения, руб.
|
Затраты
на годовой объем производства, руб.
|
|
1.
Электричество 2. Пар 3. Вода
|
кВт
Гкал м3
|
1402000
115300 1956000
|
1,51
7550 1,50
|
2116000
870200000 3090000
|
|
Итого:
|
|
|
|
875400000
|
Таблица 18.6. Затраты на оплату труда основного
производственного персонала предприятия.
|
Показатели
|
Производство
с непрерывным режимом работы
|
|
Календарный
фонд времени, дни
|
365
|
|
Нерабочие
дни, всего в том числе: а) праздничные б) выходные
|
91
- 91
|
|
Номинальный
фонд рабочего времени, дни
|
274
|
|
Целодневные
невыходы на работу всего в днях в том числе: а) очередные и дополнительные
отпуска б) отпуск учащимся в связи с учебой в) выполнение государственных и
общественных обязанностей г) прочие
|
34
24 1 1 8
|
|
Эффективный
фонд рабочего времени, дни
|
240
|
|
Коэффициент
перерасчета штатной численности рабочих в списочную
|
274/240=1,14
|
Таблица 19.7. Расчет численности работников.
|
Наименование
категории и профессии
|
Явочная
численность в смену, чел.
|
Кол-во
смен в сутки
|
Явочная
числен-ность в сутки, чел.
|
Штатная
числен-ность в сутки, чел
|
Списочная
числен-ность, чел.
|
|
1.
Производственные рабочие 1.1 основные рабочие 1.Аппаратчик выпаривания 5-ого
разряда
|
2
|
3
|
6
|
8
|
9
|
|
Итого
основных рабочих
|
2
|
3
|
6
|
9
|
9
|
|
1.2
Вспомогательные рабочие 1.Подсобные рабочие 2.Рабочие по ремонту и
обслуживанию оборудования
|
1 1
|
3 3
|
3 3
|
4 4
|
5 5
|
|
Итого
вспомогательных рабочих
|
2
|
3
|
6
|
8
|
10
|
|
Итого
производственных рабочих
|
4
|
3
|
12
|
17
|
19
|
|
2.
Руководители, специалисты, технические исполнители 1.Оператор(аппаратчик
6-ого разряда) 2.Мастер смены
|
1 1
|
3 3
|
3 3
|
3 3
|
4 4
|
|
Итого:
по п.2
|
2
|
3
|
6
|
6
|
8
|
|
Всего
работников
|
6
|
3
|
18
|
23
|
36
|
Таблица 20.8. Годовые затраты на оплату труда
работников.
|
Наименование
категории работников
|
Списочная
численность, чел.
|
Среднемесячная
з/п 1-ого работника, руб.
|
Годовые
затраты на оплату труда ФОТ, руб.
|
Нормативные
отчисления, %
|
Годовая
сумма отчислений, руб.
|
|
1.
Производственные рабочие 1.1. Основные рабочие 1.2. Вспомогательные рабочие
|
9 10
|
20000 17000
|
2160000 2040000
|
26 % 26 %
|
561600 530400
|
|
Итого:
|
19
|
|
4200000
|
|
1092000
|
|
2.
Руководители, специалисты, технические исполнители
|
8
|
28000
|
2688000
|
26
%
|
698880
|
|
Всего:
|
36
|
|
6888000
|
|
1790880
|
Таблица 21.9. Расчет и распределение текущих
производственных издержек.
|
№
п/п
|
Экономические
элементы
|
Руб.
|
Издержки
На единиц
|
|
1.
1.1 1.2 1.3 1.4 2. 2.1 2.2 3. 3.1 3.2 4. 4.1 4.2 5. 5.1 5.2
5.3 5.4 5.5
|
Материальные
затраты в том числе: Сырье, основные и вспомогательные материалы (табл. 4)
Топливо и энергия всех видов (табл. 5) Материалы для ремонта и эксплуатации
зданий (1% от их стоимости) Материалы для ремонта и эксплуатации Оборудования
(3% от их стоимости) Затраты на оплату труда-всего, в том числе:
Производственные рабочие (Таблица 8) Руководители, специалисты, технические
исполнители и административно управленческий аппарат (Таблица 8) Отчисления
на социальные нужды -всего в том числе: Производственные рабочие (Таблица 8)
Руководители, специалисты технические исполнители и административно
управленческий аппарат (Таблица 8) Амортизация основных фондов -всего в том
числе: Производственные здания (Таблица 1) Оборудование, инструмент и
инвентарь (Таблица 2) Прочие затраты - всего в том числе: Налоги (12% от
суммы затрат по элементам 1-3) Затраты на подготовку кадров (10% от п.2.1)
Платежи по обязательному страхованию имущества предприятий (3% от итого
табл.3) Оплата работ по сертификации (2% от п.1.1.) Затраты по сбыту
продукции (2-3% от суммы затрат по элементам 1-3)
|
2783000000
875400000 50949 356640 4200000 2688000
1092000 698880 101898 14384480 440098376 420000
17526629
55660000
73349729
|
0,35
0,15 0,000008 0,000007 0,00072 0,00047 0,00018 0,00012 0,000017
0,000043 0,06 0,000073 0,0001 0,007 0,0012
|
|
ИТОГО
(п1.-п5.)
|
4269027581
|
0,57
|
По данным таблицы 9 рассчитывается выручка от
реализации продукции:
 , где
 выручка от реализации продукции,
ден. ед.;
И- текущие производственные
издержки, ден. ед.;
 - рентабельность продукции, %.
 4292330655 = 5408336625,3 руб.
Таблица 22.10. Расчет чистой прибыли.(руб.)
|
Наименование
показателей
|
Итого
с нарастанием за весь расчетный период
|
|
1.
Выручка от реализации продукции 2.Эксплуатационные издержки (табл. 9,) сумма
затрат по элементам 1, 2, 3, 5) 3. Прибыль операционная (п.1-п.2) 4.
Амортизация основных фондов ( табл. 9, п.4) 5. Налог на имущество (2% от
итого табл. 3) 6. Налог на облагаемую прибыль ( п.3-п.4-п.5) 7. Налог на
прибыль (32% от п.6) 8. Прибыль чистая ( п.6-п.7)
|
5408336625,3
4254541203 1153795422
1409578 11684419,62 1140701424 365024455,8
775676968,2
|
Срок окупаемости отделения:
 , где
 - капитальные вложения в проект,  =584220981
руб;
 - прибыль чистая, =775676968,2

 .
Таблица 23.11.Экономические
показатели проектируемого производства
|
Наименование
показателей
|
Единицы
измерения
|
Значение
показателя
|
|
Годовая
производственная программа Инвестиционные издержки (табл. 3) Производственные
издержки (табл. 9) Прибыль чистая (табл. 10) Численность работников (табл.7)
Срок окупаемости инвестиций
|
тонн
руб. руб. руб. чел. мес.
|
165000
584220981 4269027581 775676968,2 36 10
|
5.5 Анализ
финансового состояния предприятия
Определение показателя безубыточности
производства сводится к определению уровня производства, при котором величина
издержек становится равной выручке от реализации продукции. Показатель
безубыточности характеризуется точкой безубыточности. Величину точки
безубыточности можно рассчитать графическим методом. Графический метод
определения точки безубыточности заключается в построении зависимостей дохода и
производственных издержек от объема продаж. График представлен на плакате.
Заключение
В дипломном проекте разработан выпарной аппарат
с заданной годовой производительностью 165 тыс. тонн/год. В абсорбере
провальные тарелки заменены на колпачковые. Поверхностные конденсаторы заменены
на один барометрический конденсатор. В расчетно-пояснительной записке приведены
технологический и конструктивный расчеты трех аппаратов, представлены эскизы
основных частей аппаратов.
Параметры выпарного аппарата:
Диаметр сепаратора Dс=3800
мм;
Диаметр греющей камеры Dг.к.=800
мм
Высота Lа=16050
мм;
Детали, соприкасающиеся с кислотой
выполнены из стали 15Х5М, остальные части аппарата Ст 3.
В результате технологического расчета выпарного
аппарата, выбрана стандартная греющая камера с длиной труб L=6000
мм и нестандартный сепаратор.
Параметры абсорбера:
Высота Lа=
6020 мм;
Тарелки колпачковые типа ТСК-Р в
количестве 2 шт.
Все части аппарата изготовлены из стали
15Х5М.
Параметры конденсатора:
Диаметр Dк=2000
мм;
Высота установки 10500 мм;
Число полок 7.
Аппарат изготовлен из Ст 3.
Аппараты работают под давлением 0,01 МПа.
Для оптимального ведения
технологического процесса разработана система автоматического контроля и
управления всеми важнейшими параметрами отделения.
Контролируется:
. Расход слабой фосфорной кислоты.
. Температура паров на входе в сепаратор.
. Расход воды на охлаждение водяных
паров.
. Расход воды на абсорбцию.
Контуры регулирования:
. Регулируется уровень фосфорной кислоты
в греющей камере путем изменения подачи слабой фосфорной кислоты.
. Регулируется давление в сепарационном
пространстве выпарной установки путем изменения подачи воды на охлаждение
водяных паров в барометрическом конденсаторе.
. Регулируется концентрация
кремнефтористоводородной кислоты путем изменения расхода абсорбента (воды).
8. Регулируется массовый
расход пара путем изменения его расхода на входе в греющую камеру.
Неблагоприятные факторы: вредные вещества;
физическая нагрузка; электрический ток, напряжение; повышенный уровень шума.
Основным условием безопасного ведения процесса, исключающим возможность
возникновения отравлений, травм, ожогов и т.д., является строгое соблюдение
норм технологического режима. Разработана система местной вытяжной вентиляции,
определены комфортные условия работы.
При экономической оценке отделения
видно, что производство даже при малом выпуске кислоты является прибыльным т.к.
фосфорная кислота на рынке имеет большую стоимость 30000 руб. за 1 тонну, а для
вновь проектируемого участка требуется сравнительно малые капитальные вложения.
Инвестиционные
издержки 584220981 руб.
Чистая прибыль составляет
775676968,2 руб.
Срок окупаемости инвестиций 10 мес.
Список
использованной литературы
1. Кочетков С.П., Смирнов, Н.Н.,
Ильин А.П., Концентрирование и очистка экстракционной фосфорной кислоты:
монография / ГОУВПО Ив. гос. хим.-технол. ун-т. - Иваново, 2007 г-304с.
2. Дытнерский Ю.И., Борисов
Г.С., Брыков В.П. Основные процессы и аппараты химической технологии: Пособие
по проектированию/ под редакцией Ю.И. Дытнерского , 2-е изд., перераб. и
дополн. - М.: Химия, 2004. - 496с.
. Плановский А.Н., Николаев
П.И. Процессы и аппараты химической и нефтехимической технологии. - 2-е изд. -
М.: Химия, 1972.
. Справочник химика. - Т.5. -
М., Л.: Химия, 1968.
. Павлов К.Ф., Романков П.Г.,
Носков А.А. Примеры и задачи по курсу процессов и аппаратов химической
технологии/ под редакцией П.Г. Романкова, изд. 10-е, переработанное и
дополненное. - Л.: Химия, 1987.
. Лебедев В.Я., Барулин Е.П.,
Веренина Т.М. Расчет и проектирование теплоиспользующего оборудования. -
Иваново, 1992.
. Конструкторские библиотеки
Компас 3D-V9.
. Лебедев В.Я, Барулин Е.П.,
Веренина Т.М., Новиков Ю.А. - Расчет и проектирование массообменных аппаратов.
- Иваново, 1994..
. Основы конструирования и
расчета химической аппаратуры. Лащинский А.А., Толчинский А.Р., Л., «Машиностроение»,1970
г.,752 с.
10. www.metran.ru-
сайт систем автоматического управления и контроля.
11.
Методические указания к выполнению раздела «Автоматизация производственных
процессов» дипломного проекта студентами технологических специальностей под ред.
Ерофеевой Е.В.
12. Ориентировочные
безопасные уровни воздействия (ОБУВ) вредных веществ в воздухе рабочей зоны, ГН
2.2.5.687-98.
13. Предельно-допустимые
концентрации (ПДК) вредных веществ в воздухе рабочей зоны ГН 2.2.5.686-98.
. Вредные
химические вещества. Неорганические соединения элементов 5-8 групп: Справочник
под ред. В.А.Филатова, Л, Химия, 1989.
. Пряников
В.И. Техника безопасности в химической промышленности. - М, Химия, 1989.
. Копылев
Б.А. Технология экстракционной фосфорной кислоты. - Л.: Химия, 1972, 1981.
. Вредные
вещества в промышленности. Справочник под ред. Н.В.Лазарева, изд. 7-е. Ч.2.
Органические вещества. - Л.: Химия.
. ГОСТ
12.1.007-76. Система стандартов безопасности труда. Вредные вещества.
. ГОСТ
12.1.005 - 88*. Общие санитарно-гигиенические требования к воздуху рабочей
зоны.
. ТУ
2143-002-34179766-97. Кислота фосфорная экстракционная.
. Пожаровзрывоопасность
веществ и материалов и средства их тушения. Справочное издание в 2-х
кн./А.Баратов и др. - М.: Химия, 1990.
. Методические
указания к выполнению раздела «Безопасность труда» в дипломных проектах
студентов механических специальностей под ред. А.В.Невского.
. Н.Л.
Зайцев. Экономика промышленного предприятия .1996г.
24. www.avito.ru-
сайт цен на оборудование.
25. Попов
Н. П.Выпарные аппараты в производстве минеральных удобрений. Л, «Химия», 1974.
. Эвенчик
С.Д., Бродский А.А. - Технология фосфорных и комплексных удобрений 1987г.
Похожие работы на - Разработка выпарного аппарата с заданной годовой производительностью 165 тыс. тонн/год
|