Разработка технологии изготовления формы для прогонов
Разработка технологии изготовления формы для прогонов
Введение
Карагандастройконструкции - ведущее
предприятие в Казахстане по производству кровельных и стеновых материалов из
металла. Главная задача предприятия заключается в обеспечении стройиндустрии
современными стройматериалами, отвечающих мировым стандартам
В состав завода входят 3 основных
производственных цехов:
Литейный;
Электроремонтный;
Ремонтно-механический,
который в свою очередь имеет 3 крупных участка:
a) участок металлоконструкций;
b) участок механообработки;) участок
ремонта горного оборудования.
Завод имеет полный комплекс
вспомогательных участков: модельный, инструментальный, крановый,
вентиляционный, сантехнический.
Ремонтно-механический завод
специализируется на изготовлении узлов и запасных частей к горному карьерному
оборудованию, дробильно - размольному оборудованию для обогатительных фабрик,
горно - транспортному оборудованию. Производит капитальный ремонт горного и
обогатительного оборудования, капитальный и средний ремонты электрических
машин, трансформаторов и аппаратуры.
Завод оснащен разнообразным
технологическим оборудованием, имеет 35-летний опыт работы с партнерами. Он
сотрудничает с широким кругом сторонних потребителей продукции - это АО
«Феррохром», ОАО «Аксуйский ферросплавный завод», АООТ «Евразийская
энергетическая корпорация», КРУ, АО «Алюминий металлургический комбинат» и др.
За последнее время для подразделений
комбината было освоено много видов новой продукции, ранее поставляемых по
кооперированным поставкам из стран СНГ. Это брони, футеровки для ТЭЦ,
центральная отливка и венец Z=144 m=30 на ЭКГ-8И, запасные части на насос 28Гр8 и вал ячейковый, на
пневмоимпульсное устройство, колеса ведущие на «КАМАЦУ». Успешно завершена
длительная и трудоемкая работа по разработке и освоению технологии полного
капитального ремонта тяговых двигателе ДТ-9Н. Начата работа по освоению нового
вида продукции - мелющих тел шаровых мельниц.
Ремонтно-механический завод является
единственным предприятием Казахстана, Урала и Сибири по изготовлению в полном
объеме запасных частей к однокошовым экскаваторам ЭКГ - 12,5, ЭКГ-10, ЭКГ-8И,
ЭКГ5, ЭШ-6/60, Э-10011, Э-2005, Э-1252, буровым станкам СБШ-250МН, дробилкам
ЩКД, КМДТ-2200/400, СМД-108, СМД-109, СМД-110, СМД-111, СМД-117, СМД-118,
КСД-2200, КРД-700/100, 900/100,1500/180, шаровым и стержневым мельницам,
конусным дробилкам, насосам 5гр8, 8гр8, 12гр8, 1ГрТ 1600/500, 2ГтТ400/40.
Электроремонтный цех производит
ремонт электрических машин и трансформаторов, установленных на ремонтируемом
оборудовании. В течение года цех ремонтирует 400 трансформаторов, 5000
электродвигателей постоянного и переменного тока мощностью от 0,25 кВт до 3200
кВт. Осваиваемый ремонт тяговых электродвигателей с восстановлением корпусных
деталей для электровозного парка позволит ОАО «ССГПО» отказаться от услуг
Челябинского электровозоремонтного завода.
Ремонтно-механический цех состоит из
3 крупных участков и производит самую разнообразную продукцию, начиная с
полуфабрикатов (заготовки, поковки) до выпуска отремонтированных экскаваторов,
кранов, буровых станков и др.
Участок металлоконструкций
производит:
- заготовки, обеспечивая ими цеха
и участки завода;
- ремонт рабочего
оборудования и несущих металлоконструкций экскаваторов и грузоподъемных кранов;
металлоконструкции;
изготовление грузозахватных
приспособлений и тары.
Участок механообработки, располагая
разнообразным оборудованием (токарные, карусельные, долбежные,
фрезерно-расточные, зубофрезерные, сверлильные, строгальные станки), имеет
возможность полностью обеспечить запасными частями ремонтируемое оборудование.
Участок ремонта горного оборудования
производит капитальный ремонт горного оборудования и грузоподъемных машин, в
том числе:
- демонтаж поступающего в ремонт
оборудования;
- дефектовку узлов и деталей;
изготовление и реставрацию
изношенных узлов и деталей;
монтаж и наладку
отремонтированного оборудования.
Завод имеет в своем составе
центральную заводскую, электротехническую лаборатории и полный комплекс
вспомогательных участков: подготовки производства, модельный, инструментальный,
электродный, транспортно-хозяйственный, сантехнический и др.
Электротехническая лаборатория:
- обеспечивает работоспособность
станков с числовым программным управлением и терристорными преобразователями;
- обслуживает средства
измерения и средства автоматики;
производит электрические и
механические испытания защитных средств;
разрабатывает программное
обеспечение для решения производственных задач.
Основной задачей ТЛ является
обеспечение бесперебойной работы электронного оборудования завода, обеспечение
выполнения программы компьютеризации завода, ОГЭ (отдела главного энергетика)
является поддержание в надлежащем состоянии энергетического, сантехнического,
вентиляционного оборудования цехов завода; ОГМ (отдела главного механика) -
механического оборудования; отдел технического контроля осуществляет контроль
качества, осуществляет контроль качества выпускаемой продукции; центральной
заводской лабораторией выполняются механические и металлографические испытания
конструкционных сталей и других металлов, химический анализ проб поступающих
материалов, контроль измерительного инструмента; основной задачей ЭТЛ является
обеспечение бесперебойной работы электронного оборудования завода, обеспечение
выполнения программы компьютеризации завода.
1. Назначение формы для прогонов и условия ее работы
.1 Назначение
металлоконструкции «форма для прогонов»
прогон технологичность
управление
Основным назначением формы для
прогонов является изготовление прогонов ПРГ-36.1.4.
Формы для прогонов проектируют
различных типов: с замками, с шарнирами, простые. Чаще всего проектируют
простые формы для прогонов которые являются наиболее экономичными по затрате
металла (для изгибаемых элементов) и удобном в конструктивном отношении.
В зависимости от величины нагрузки и
длины формы для прогонов применяют:
цельные;
составные.
Составные формы для прогонов
применяют в тех случаях, когда цельные формы для прогонов не удовлетворяют
условиям прочности, жесткости или устойчивости, а также когда применение цельных
связанно со значительными конструктивными усложнениями или перерасходами
металла.
1.2 Конструктивные
особенности формы для прогонов
Общий вид формы для прогонов
представлен на рисунке 1.1 (лист №1 графической части).
Рисунок 1.1 - Общий вид двухместной
формы для прогонов
Конструкция двухместной формы для
прогонов технологична так как:
а) швы расположены в удобном
положении;
б) конфигурация и протяженность швов
позволяет применять механизированные способы сварки;
в) для сборки и сварки могут быть
использованы специализированные приспособления;
г) Форму можно разбить на узлы:
узел №1 (рисунок 1.2)
- позиция 6; 2 - позиция 5
Рисунок 1.2 - узел №1
узел №2
- позиция 3; 2 - позиция 4; 3 -
позиция 10
Рисунок 1.3 - Узел №2
узел №3 (рисунок 1.4).
- узел №1; 2 - узел №2; 3 - позиция
6
Рисунок 1.4 - Узел №3
- узел №4 - состоящий из ребер
жесткости (поз. 8, поз. 9) (рисунок 1.5).
- позиция 2 (8); 2 - позиция 1
Рисунок 1.5 - Узел №4
узел №5 (рисунок 1.6)
- позиция 12; 2 - узел №4
(продольный); 3 - узел №4 (поперечный);
- позиция 11; 5 - узел №3; 6 -
позиция 7
Рисунок 1.6 - Узел №5
Деталировка формы для прогонов
представлена в таблице 1.1.
Для изготовления формы для прогонов
применяется сталь ВСт3кп.
Таблица 1.1 - Деталировка
металлоконструкции «Форма для прогонов»
|
Поз.
|
Наименование
|
Конфигурация
|
Габариты
|
Вес, кг
|
Материал
|
Кол-во изделий
|
|
1
|
Швеллер
|
L=370032.5ВСт3кп2
|
|
|
|
|
|
2
|
Лист
|
3700×130×830.0ВСт3кп2
|
|
|
|
|
|
3
|
Вкладыш
|
180×90×81.0ВСт3кп20
|
|
|
|
|
|
4
|
Швеллер
|
L=373084.3ВСт3кп2
|
|
|
|
|
|
5
|
Лист
|
3730×940×8220ВСт3кп1
|
|
|
|
|
|
6
|
Лист
|
1715×740×880.0ВСт3кп2
|
|
|
|
|
|
7
|
Накладка
|
120×130×81.0ВСт3кп4
|
|
|
|
|
|
8
|
Лист
|
900×130×87.2ВСт3кп2
|
|
|
|
|
|
9
|
Швеллер
|
L=9008.0ВСт3кп2
|
|
|
|
|
|
10
|
Швеллер
|
L=83019.0ВСт3кп2
|
|
|
|
|
|
11
|
Перегородка
|
L=3680ВСт3кп1
|
|
|
|
|
|
12
|
Шарнир
|
ВСт3кп10
|
|
|
|
|
1.3 Технологичность
формы для прогонов
В условиях нынешнего производства
под технологичностью конструкции понимают, такое её конструктивное оформление,
при котором обеспечивается удобство её изготовления с применением прогрессивных
высокопроизводительных технологических процессов с минимальными трудовыми
затратами. Технологичность определяется при разработке конструкции и
принципиальной технологии изготовления и уточняется в процессе разработки
рабочих чертежей и технологического процесса. Поэтому, можно смело сказать, что
сварная металлоконструкция «форма для прогонов» является технологичной, так
как, в процессе изготовления данной металлоконструкции её можно разбить на
узлы, применить высокопроизводительные технологические процессы её
изготовления, выполнять все технологические операции в удобном для работающего
положении, с применением различных сборочно-сварочных и иных приспособлений,
обеспечивающих не только удобное, но и качественное выполнение технологических
операций.
1.4 Химический состав,
оценка разрезаемости и свариваемости формы для прогонов
Химический состав стали 3 кп
приведен в таблице 1.3.
Таблица 1.3 - Химический состав
стали ВСт3кп, % (ГОСТ 380-94)
|
Массовая доля элементов, %
|
|
C
|
Mn
|
Si
|
P
|
S
|
Cr
|
Ni
|
Cu
|
As
|
|
|
|
не более
|
|
0,14-0,22
|
0,30-0,60
|
0,07
|
0,04
|
0,05
|
0,30
|
0,30
|
0,30
|
0,08
|
Производится оценка свариваемости.
Сэкв. = С +
+
+
,
%
где С - содержание
углерода в стали, %
Mn
- содержание марганца, %
Ni
- содержание никеля, %
Cr
- содержание хрома, %
Mo
- содержание молибдена, %
V
- содержание ванадия, %
, % - допустимое
значение эквивалента углерода, %
, % = 0,18 + 

%
Свариваемость:
сваривается без ограничений. Способы сварки: РДС, АДС под флюсом и газовой
защитой, ЭШС и КТС.
Температура ковки, ºС:
начала 1300, конца 750.
Охлаждение на воздухе.
Обрабатываемость
резанием:
в нормализованном и
отпущенном состоянии при ув=450 Н/мм2
Кv=1,6 (твёрдый сплав),
Кv=1,0 (быстрорежущая сталь).
Флокеночувствительность:
не чувствительна.
Склонность к отпускной
хрупкости: не склонна.
2. Анализ существующего
технологического процесса изготовления формы для прогонов
Со склада металла на место изготовления
формы для прогонов транспортируются заготовки, предварительно прошедшие участок
заготовительных операций.
Отторцованные в размер швеллера
поступают на участок сборки (рисунок 2.1), где производится сборка и сварка
рамы поддона. После сборки рамы проверяют ее геометрические размеры согласно
чертежам, диагонали и перпендикулярность рамы. Обнаруженные дефекты исправляют.
После проверки раму закрепляют к столу и варят, соблюдая особенности сварки.
При сварке перед сварщиком стоит задача как можно меньше вкладывать тепла в
сварной шов, чтобы исключить деформацию рамы из-за напряжений, возникших в
сварном шве, поэтому варят короткими швами с перерывами для того, чтобы остыл
сварной шов. Раму варят полностью по контору прилегания деталей. После сварки раме
дают остыть, после чего ее освобождают и снова проверяют все геометрические
размеры, плоскостность и винтообразность. Если в раме возникли дефекты, раму
подвергают исправлению. Усиления швов зачищают шлифовальной машинкой.
- склад готовой продукции; 2 - кран;
3 - сборочно-сварочный стеллаж;
- склад металла; 5 - трансформатор
ТД-500
Рисунок 2.1 - Компоновка рабочего
для изготовления формы для прогонов
По окончании зачистки выполняют
установку зеркала поддона. Зеркало поддона изготавливается из листа толщиной 8
мм. Зеркалом поддона накрывается рама, выполняется сборка на прихватки по
контору прилегания листа к раме. Лист к раме прижимается при помощи
обыкновенной вилки. После того как лист прихвачен к раме, производится разметка
листа для установки перегородки. Детали перегородки изготавливаются из листа
толщиной 8 мм. Лист рубится на гильотинных ножницах с припуском 5 мм по всем
размерам. Эти детали отправляются в механический цех для выполнения правки. По
окончании правки выполнятся фрезеровка и строжка. После механического цеха
детали отправляются на участок сборки. Перегородка собирается по разметке,
используется при этом уголок слесарный б=900 и приспособление для
прижима.
По окончании сборки перегородки,
поддон формы поступает на сварку, варится поддон прерывистыми швами в разбежку
50×150. При сварке
конструкция должна быть в закрепленном состоянии.
Сначала выполняется сварка ребер
жесткости. Затем накладывается верхний лист и выполняется сварка сплошным швом.
Для сварки используется электрод диаметром 3 мм. Сплошным швом варится для
предотвращения затекания цементного молочка вовнутрь перегородки. После сварки
производится зачистка швов и снятие усиления шлифовальной машинкой.
Производится изготовление борта
продольного. Борт продольный состоит из формирующего листа и швеллера усиления.
Формирующий лист изготавливается из листа толщиной 8 мм. Лист размечается и
вырезается на гильотинных ножницах с припуском 5 мм по длине и ширине для
механической обработки. Швеллер изготавливается из листа толщиной 5 мм.
Развертка вырезается на гильотинных ножницах и отправляется на листогибочный
пресс, где производится гибка. После гибки, швеллер отправляется на
механическую обработку. Боковые скосы на швеллеры строгаются под углом б=450.
Швеллер и формующий лист после механической обработки отправляются на участок
сборки. Формующий лист прижимается к столу с продольным упором. Формирующий
лист необходимо жестко закрепить. Формирующий лист собирается со швеллером
усиления. Проверяются размеры, и выполняется сборка на прихватки. Сварка борта
представляет определенную трудность, в плане возникновения деформаций, так как
длина изделия по сравнению с шириной значительно больше. Во избежание появления
деформаций, сварка бота производится одновременно двумя сварщиками. Применяется
электрод диаметром 3 мм. Сварка выполняется прерывистым швом. По окончании
сварки выполняется зачистка шва и снимается усилении
Аналогично изготавливается торцевой
борт.
Производится разметка торцевых
бортов. Устанавливаются на поддон формы и прихватками фиксируются борта к
перегородке. Устанавливаются продольные борта, прихватываются к торцевым
бортам. Проверяются геометрические размеры, диагонали и плотность прилегания
бортов к поддону. Выполняется сварка. По окончании сборки проводится зачистка
шва и снятие усиления. Конструкция сдается ОТК.
Сборка и сварка металлической рамы
выполняется ручной дуговой сваркой с использованием трансформатора ТД-500.
Применялись электроды УОНИ-13/45 диаметром 4 мм.
Сварка выполнялась на режимах
представленных в таблице 2.1.
Таблица 2.1 Режимы
сварки
|
dэл,
мм
|
Iсв,
А
|
Uд,
В
|
К, мм
|
|
4
|
200
|
32
|
8
|
Сталь, применяемая для изготовления
формы для прогонов и ее химический состав, представлены в пункте 1.
Качество
изготовления деталей и конструкции должно удовлетворять требованиям проекта.
При сборке
двухместной формы для прогонов используется сборочный инструмент и
приспособления:
слесарный молоток;
кувалда;
клин;
скоба;
струбцина;
оправки, пробки;
ломик монтажный;
кантовка.
Недостатки существующего
технологического процесса изготовления двухместной формы для прогонов приведены
в таблице 2.1.
Таблица 2.1 - Недостатки
существующего технологического процесса изготовления двухместной формы для
прогонов
|
Операция
|
Недостатки
|
Рекомендации по устранению
|
|
Сварка - сборка
|
Отсутствие специализированных рабочих мест
|
Разработать специализированные рабочие места
|
|
Сварка - сборка
|
Использование морально устаревшего оборудования
|
Применить современное сварочное оборудования
|
|
Сварка - сборка
|
Использование ручной дуговой сварки
|
Применить механизированную сварку в защитных газах
|
3. Новый технологический
процесс изготовления формы для прогонов
Процесс изготовления двухместной
формы для прогонов складывается из сборочно-сварочных операций выполняемые в
цеху общий вид, которого представлен на листе №3 графической части.
В состав сборочно-сварочных операций
входят:
сборка-сварка узла №1;
сборка-сварка узла №2;
сборка-сварка узла №3;
сборка-сварка узла №4;
общая сборка-сварка.
Связь между подразделениями участка
цеха осуществляется с помощью мостового крана и местных грузоподъемных
устройств. Применяется прямоточное направление технологического потока.
3.1 Сборка-сварка узла
№1
Сборка-сварка узла №1 представляет
собой установку детали позиции 6 на деталь позиции 5. Компоновка рабочего места
сборки-сварки узла №1 представлена на рисунке 3.1. Приспособление, применяемое
при изготовлении узла №1, представлено на листе №4 графической части.
- складское место; 2 -
сборочно-сварочный стеллаж; 3 - полуавтомат;
- баллон; 5 - источник питания; 6 -
кран
Рисунок 3.1 - Компоновка рабочего
места сборки-сварки узла №1
Сборка и сварка деталей проводится
на сборочно-сварочном стеллаже 2, который обычно разрабатывается применительно
к конкретным габаритам собираемого узла с учетом числа и расположением сварных
швов.
Стеллаж состоит из сварной рамы, по
которой перемещается портал с установленными на нем пневматическими прижимами
для фиксации деталей, во избежание каких-либо деформаций. На раму по упорам
укладывается лист (позиция 5), на него по разметке укладываются две детали
(позиция 6). Узел фиксируется пневматическими прижимами. Выполняется сборка на
прихватки, длинна прихваток 15 мм шагом через 300 мм. Контролируется
правильность сборки. Выполняется сварка. Сборка и сварка выполняются
механизированной сваркой в среде защитного газа СО2, полуавтоматом
ПДГ-516М с источником питания ВДУ-506, диаметр проволоки 1,6 мм. Режимы
прихваток и сварки представлены в таблице 3.3.
Проводится зачистка и контроль ОТК.
Узел отправляется на сборку-сварку узла №3. Зачистка проводится шлифовальной
машинкой С-475. Характеристика применяемого оборудования представлена в
приложении А. Нормирование технологического процесса изготовления узла №1
представлено в таблице Б.1.
Расчет режимов механизированной
сварки в среде защитного газа
Таблица 3.1 - Исходные данные
|
Марка проволоки
|
Св-08Г2С
|
|
Диаметр проволоки, (мм)
|
1,6
|
|
Род тока
|
Постоянный
|
|
Полярность тока
|
Обратная
|
Рисунок 3.2 - Нахлесточное
соединение
Таблица 3.2 - Данные к рисунку 3.2
|
Условное обозначение сварного соединения
|
Способ сварки
|
S
|
b
|
В
|
|
|
|
Номин.
|
Пред. откл.
|
|
|
Н2
|
УП
|
8
|
0
|
±1.0
|
8.0 - 44.0
|
Ток сварки определяется по формуле:
I min=100·d,
I max=200·d, (3.1)
где d - диаметр проволоки, (мм);
I min, I max - минимальное и максимальное значение ток сварки, А.
I min=100·1.6=160,
I max=200·1.6=320, А.
Принимаем I = 280 А
Напряжение на дуге определяется по
формуле:
U min=15+4·d,
U max=15+10·d, (3.2)
где U min, U max - минимальное и
максимальное значение напряжение на дуге, В.
U min=15+4·1.6=21.4, U max=15+10·1.6=31, В.
Принимаем U=30 В.
Вылет электрода определяется по
формуле:
Lэ min=5+5·d, Lэ max=10+10·d, (3.3)
где Lэ min, Lэ max - минимальное и
максимальное значение вылета электрода, (мм).
Lэ min=5+5·1.6 =13, Lэ max=10+10·1.6 = 26, (мм).
Принимаем Lэ=19.5 (мм)
Расстояние от сопла горелки до
изделия определяется по формуле:
L min
,
L max
,
(3.4)
где L min,
L max
- минимальное и максимальное значение расстояние от сопла горелки до изделия,
(мм).
L min
,
L max
,
(мм).
Принимаем L=12 (мм)
Расход защитного газа
определяется по формуле:
R=
1.125
,
(3.5)
где I cp - среднее значение силы
сварочного тока.
R=1.125
=
18.8, (л/мин)
Погонная энергия сварки
определяется по формуле:
q=0.24IUз, (3.6)
где q - погонная энергия сварки,
(кал);
U - напряжение дуги, В;
з - КПД сварки, з=0.6 - 0.7
q=0.24·280·30·0.7=1653, (кал).
Плотность тока определяется по
формуле:
j=
,
(3.7)
где j - плотность тока, (А/мм2);
р - константа, р=3,14.
j=
=139,
(А/мм2).
Что удовлетворяет
условию.
Коэффициент формы
проплавления
шпр=к’
(19-0.01I)
(3.8)
где к’ - промежуточный
коэффициент:
к’=0.367j-0.1925 (3.9)
шпр должен находиться в пределах
0.4 … 4.
к’=0.367·139-0.1925=0.56,
шпр=0.56·
(19-0.01·280)
=1.5
Что удовлетворяет
условию.
Коэффициент наплавки
определяется по формуле:
бн=бр
,
(3.10)
где бн - коэффициент наплавки,
(гА/ч);
бр - коэффициент
расплавления, (гА/ч);
ш - коэффициент потерь на угар и
разбрызгивание.
бр= бр’+∆бр, (3.11)
где бр’ - дуговая
составляющая коэффициента расплавления, бр’=11.6 (гА/ч);
∆бр - увеличение
коэффициента наплавки за счет подогрева вылета электрода, (гА/ч):
∆бр=3600
,
(3.12)
где
-
теплота необходимая для расплавления 1 гр. электродной проволоки,
=500
кал;
- теплота выделяемая на
электроде, кал:
=0.1884j2с0d2
,
(3.13)
где Ve - условная скорость подачи электрода, (мм/с);
с0 - удельное
сопротивление материала электрода, с0=140*10-6(Ом*мм2);
а - коэффициент
температуропроводности, а=8 (мм2/с);
б - коэффициент
электрического сопротивления, б=0.0083 1/0С;
в - теплоотдача с
поверхности электрода, (0С/мм2);
Р1Р2
- промежуточные коэффициенты, (1/мм);
Тпл -
температура плавления проволоки, 0С;
Т0 -
начальная температура проволоки, 22 0С.
Условная скорость подачи
проволоки определяется по формуле:
Ve=
,
(3.14)
где г - плотность
материала электрода, г=7.85 (г/см3);
Ve=
=57,
(мм/с),
Теплоотдача определяется по формуле:
в=
,
(3.15)
где Сг - коэффициент равный 0.00115
(кал/ см3).
в=
=7056,
(0С/мм2)
Промежуточные
коэффициенты Р1 и Р2 определяются по формуле:
Р1,2=
,
(3.16)
Р1=
,
(1/мм),
Р2=
,
(1/мм),
=0.1884·1392*140·10-6·1.62·
·
=42,
(кал),
∆бр=3600
=1.1,
(гА/ч),
бр=11.6+1.1=12.7,
(гА/ч).
Коэффициент потерь на
угар и разбрызгивание ш определяется по формуле:
Ш=-4.72+0.176j-0.000448j2,
(3.17)
Ш=-4.72+0.176·139-0.000448·1392=19.8,
бн=12.7·
=10.1,
(гА/ч).
Скорость сварки
определяется по формуле:
Vсв=
,
(3.18)
где Vсв - скорость сварки, (м/ч);
Fs
- площадь прохода, Fs=32
(мм2)
Vсв=
=11,
(м/ч).
Эффективная глубина
проплавления определяется по формуле:
hф=0.165
,
(3.19)
где Vсв - скорость сварки, Vсв=10
(мм/с);
hф=0.165
=2.1,
(мм).
Скорость подачи
проволоки определяется по формуле:
Vпп=
,
(3.20)
где Vпп - скорость подачи проволоки, (м/ч).
Vпп=
=179,
(м/ч).
Количество проходов
определяется по формуле:
n=
(3.21)
где F - площадь шва, (мм2);
Fмах
- площадь шва за один проход, Fмах
=32 (мм2).
n=
=0.94
Таблица 3.3 - Результаты
расчета режимов механизированной сварки и сборки
|
Параметр
|
Значение
|
|
Ток сварки I,
А
|
280
|
|
Напряжение на дуге U,
В
|
30
|
|
Вылет электрода Lэ,
(мм)
|
19.5
|
|
Расстояние от сопла горелки до изделия L,
(мм)
|
12
|
|
Расход защитного газа, (л/мин)
|
18.8
|
|
Скорость сварки Vсв,
(м/ч)
|
11.0
|
|
Скорость подачи проволоки Vпп,
(м/ч)
|
179.0
|
|
Количество проходов n
|
1
|
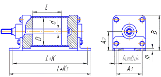
Расчет пневмоцилиндра
Расчёт пневмоцилиндров производится
по формуле:
, (см) (15)
где Рпр -
заданное усилие, Рпр 200 кгс;
с - давление сжатого
воздуха, р=0,5 МПа;
з - КПД, учитывающий
потери в пневмоцилиндре, з = 0,85…0,9.
см
Подбираем ближайший по
значению диаметр поршня по ГОСТ 15608-81*.
Рисунок 3.3 - Общий вид
пневмоцилиндра
Таблица 3.4 - Основные
параметры пневмоцилиндра
|
Обозначение цилиндра
|
L
|
D
|
d
|
m
|
K
|
K1
|
l
|
А
|
В
|
|
2011-80
|
80-800
|
80
|
25
|
15
|
138
|
188
|
32
|
75
|
92
|
Так как при работе пневмосистемы,
цилиндры обеспечивают усилие прижатия 200 кгс, то рациональным решением
является расчёт стола приспособления на прогиб (см. рис. 3.4.)
Расчет стола приспособления на
прогиб
Рисунок 3.4 - Схема загружения стола
приспособления
Расчёт на прогиб производится по
формуле:
(см) (16)
где q-равномерно распределённая нагрузка,
кгс/см2;
l-длина стола, см;
Е-модуль упругости, Е=2∙106;
, кгс/см2
(17)
где Рпр-принятое
усилие прижатия пневмоцилиндра, кгс;
В-расстояние между
штоками пневмоцилиндров, см.
кгс/см2,
, см4 (3.18)
где А-ширина стола, см;
д - толщина стола, см.
см4,
, мм,
мм,
мм < [4.5] мм
Таким образом, при
толщине стола д=8 мм и равномерно распределённой нагрузке на стол q=4 кгс/см2 прогиб стола от данной нагрузке составит
0.16 мм, значение которого меньше значения допустимого прогиба.
3.2 Сборка-сварка узла
№2
Сборка-сварка узла №2
представляет собой сборку рамы из швеллеров №20 ГОСТ 19425-74 (позиции 4, 10).
Компоновка рабочего
места предназначенное для сборки-сварки узла №2 представлено на рисунке 3.5.
Общий вид приспособления
для сборки-сварки узла №2 представлено на листе №5 графической части.
На рабочем месте
стандартным оборудованием для изготовления узла №2 является сварочным
полуавтомат ПДГ-516М для механизированной сварки в среде защитного газа СО2,
источник питания ВДУ-506, а так же для зачистки и снятия усиления сварных швов
применяется шлифовальная машинка марки С-475. Технические характеристики
оборудования представлены в приложении А. Для обеспечения рабочего места
защитным газом (для сборки и сварки) подведена заводская магистраль 8 с
углекислым газом (СО2).
На рабочее место
изготовления узла №2 при помощи крана 9 транспортируются детали.
- приспособление; 2 -
сварочный выпрямитель; 3 - контейнер с заготовками;
- редуктор; 5 -
полуавтомат; 6 - пистолет; 7 - временное складское место;
- заводская магистраль;
9 - кран
Рисунок 3.5 - Компоновка
рабочего места сборки-сварки узла №2:
Детали устанавливаются в
приспособление 1 по упорам. Фиксируются пневматическими прижимами. Выполняется
сборка на прихватки длинной 10 мм, производится механизированная сварка в среде
защитного газа СО2, проволокой Св-08Г2С, диаметр проволоки 1.6 мм.
Режимы сборки и сварки представлены в таблице 3.3. В процессе сварки
выполняется кантовка узла на 90 и 1800.
Выполняется зачистка и
снятие усиления сварного шва. Проводится контроль ОТК.
Изготовленный узел №2 по
окончании всех сборочно-сварочных операций отправляется на временное складское
место для последующей транспортировки его на рабочее место, предназначенное для
изготовления узла №3.
Нормирование всего
технологического процесса изготовления узла №2 представлено в таблице Б.2.
3.3 Сборка-сварка узла
№3
Сборка-сварка узла №3
представляет собой сборку узла №1, узла №2 (рама металлической формы) и позиции
6.
Компоновка рабочего
места предназначенное для сборки-сварки узла №3 представлено на рисунке 3.6.
На рабочем месте
стандартным оборудованием для изготовления узла №3 является сварочным
полуавтомат ПДГ-516М для сборки, автомат А1411П для сварки в среде защитного
газа СО2, источник питания ВДУ-506, а так же для зачистки и снятия
усиления сварных швов применяется шлифовальная машинка марки С-475. Технические
характеристики оборудования представлены в приложении А. Для обеспечения
рабочего места защитным газом (для сборки и сварки) подведена заводская
магистраль 8 с углекислым газом (СО2).
1 - приспособление; 2 -
сварочный выпрямитель; 3 - контейнер с заготовками;
- редуктор; 5 -
полуавтомат; 6 - пистолет; 7 - временное складское место;
- заводская магистраль;
9 - кран; 10 - автомат
Рисунок 3.6 - Компоновка
рабочего места сборки-сварки узла №3:
С промежуточного склада
при помощи крана на нестандартный стол сварщика укладывается рама.
Устанавливаются листы, фиксируются, проводится сборка на прихватки с внутренней
стороны рамы, выполняется автоматическая сварка в среде защитного газа,
электродная проволока диаметром 2 мм. Прихватки ставятся длинной 20 мм через
300 мм. Конструкция кантуется на 1800. Проводится сварка с внешней
стороны. Конструкция кантуется на 1800. Устанавливается узел №1,
прижимается, прихватывается, сваривается.
Проводится зачистка и
контроль ОТК. Узел отправляется на общую сборку-сварку.
Режимы прихваток
представлены в таблице 3.3. Режимы сварки представлены в таблице 3.5.
Таблица 3.5 - Режимы
автоматической сварки в среде защитных газов
|
Параметр
|
Значение
|
|
Ток сварки IСВ,
А
|
300
|
|
Напряжение на дуге UД.,
В
|
30
|
|
Вылет электрода LЭ,
мм
|
20
|
|
Расход защитного газа RAr,
л/мин RСО2, л/мин
|
16,08 3,41
|
|
Скорость подачи проволоки VПП,
м/ч
|
144,83
|
|
Скорость сварки VCВ,
м/ч
|
25
|
|
Количество проходов n
|
1
|
3.4 Сборка-сварка узла
№4
Сборка-сварка узла №4 представляет
собой сборку продольного (поперечного) борта.
Компоновка рабочего места
сборки-сварки узла №4 представлено на рисунке 3.7. Общий вид приспособления
предусмотренного для сборки-сварки узла №4 представлено на листе 6 графической
части.
На рабочем месте стандартным
оборудованием для изготовления узла №4 является сварочным полуавтомат ПДГ-516М
для сборки, автомат А1411П для сварки в среде защитного газа СО2,
источник питания ВДУ-506, а так же для зачистки и снятия усиления сварных швов
применяется шлифовальная машинка марки С-475. Технические характеристики
оборудования представлены в приложении А. Для обеспечения рабочего места защитным
газом (для сборки и сварки) подведена заводская магистраль 8 с углекислым газом
(СО2).
1 - приспособление; 2 - сварочный
выпрямитель; 3 - контейнер с заготовками;
- редуктор; 5 - полуавтомат; 6 -
пистолет; 7 - временное складское место;
- заводская магистраль; 9 - кран; 10
- автомат
Рисунок 3.7 - Компоновка рабочего
места сборки-сварки узла №4:
С промежуточного склада при помощи
крана на стол укладывается базовая деталь, поверх устанавливаются гнутый
профиль, производится прижатие шарнирно-рычажным прижимом. Выполняется сборка
на прихватки длинной 20 мм через 300 мм. Проводится автоматическая сварка в
среде защитного газа с внешней стороны, диаметр электродной проволоки 2 мм.
Проводится зачистка и контроль ОТК. Узел отправляется на общую сборку-сварку.
Режимы прихваток представлены в
таблице 3.3. Режимы сварки представлены в таблице 3.5.
Расчет шарнирно-рычажного прижима
Рисунок 3.8 - шарнирный прижим
Усилие прижатия:
Р·l = P1·l1, (3.24)
Р
Длина ручки:
Р·l = P2·l3,
(3.25)
P2=Р·tgб=150·tg60=260,
Н
l
,
(мм)
l-l3=245-141=104, (мм)
Принимаем длину ручки равную 110 мм.
3.5 Общая сборка-сварка
Общая сборка-сварка представляет
окончательную сборку металлической формы. Компоновка рабочего места общей сборки-сварки
представлена на рисунке 3.9.
На рабочем месте стандартным
оборудованием для изготовления данного узла является сварочным полуавтомат
ПДГ-516М для сборки, автомат А1411П для сварки в среде защитного газа СО2,
источник питания ВДУ-506, а так же для зачистки и снятия усиления сварных швов
применяется шлифовальная машинка марки С-475. Технические характеристики
оборудования представлены в приложении А. Для обеспечения рабочего места
защитным газом (для сборки и сварки) подведена заводская магистраль 8 с
углекислым газом (СО2).
- приспособление; 2 - сварочный
выпрямитель; 3 - контейнер с заготовками;
- редуктор; 5 - полуавтомат; 6 -
пистолет; 7 - временное складское место;
- заводская магистраль; 9 - кран; 10
- автомат
Рисунок 3.9 - Компоновка рабочего
места сборки-сварки узла №4
С промежуточного склада при помощи
крана 9 на стол 1 укладывается узел №3, устанавливается перегородка,
производится фиксация узла. Выполняется сборка, ставятся прихватки длинной 20
мм через 300 мм. Контролируется правильность сборки. Проводится автоматическая
сварка в среде защитного газа СО2. Укладывается узел №4, поверх
устанавливаются шарниры и замки, выполняется сборка и последующая
механизированная сварка в среде защитного газа СО2, проволокой
Св08Г2С, диаметр проволоки 1.6 мм. Проводится зачистка и контроль. Борты
устанавливаются на поддон и крепятся на болтовые соединения.
Выполняется зачистка от брызг,
снятие усиления сварных швов, контроль ОТК и контроль магнитопорошковым методом
на наличие поверхностных и подповерхностных дефектов. По окончании всех
сборочно-сварочных операций, а так же зачистки и контроля узел отправляется на
склад готовой продукции.
Режимы прихваток представлены в
таблице 3.3. Режимы сварки представлены в таблице 3.5.
3.6 Контроль качества изготовления
формы для прогонов
Задачи технического контроля
Весь объем работ по техническому
контролю качества изготовления формы для прогонов на предприятии проводит отдел
технического контроля (ОТК).
Главными задачами деятельности ОТК
является:
предупреждение выпуска формы для
прогонов, не соответствующего технической документации;
разработка мероприятий по
предотвращению выпуска брака при изготовлении;
разработка мероприятий по повышению
качества выпускаемой продукции.
Практически, решение этих задач заключается
в:
организации и систематическом
проведении входного контроля материалов (основных и вспомогательных);
постоянном проведении выборочного
контроля отдельных деталей и узлов;
разработка мероприятий по устранению
причин брака;
своевременное оформление
документации по результатам проведения проверок.
Комплексная система контроля
качества складывается из периодической проверки:
качества основных и вспомогательных
материалов;
состояния оборудования и
приспособления;
контроля мерительного инструмента;
пооперационного контроля;
квалификации сборщиков и сварщиков;
качества сварных швов.
Контроль выпуска формы для прогонов
на участке осуществляется контролером и мастером ОТК, которые:
отбраковывают детали (узлы);
возвращают на доработку при
незначительных отклонениях детали (узла) от чертежа;
сообщают о появлении брака
контрольному мастеру;
контролируют мерительный инструмент.
Контроль поступающих материалов
Все поступающие материалы
подвергаются входному контролю.
При поступлении основного материала
(металла) контролируется наличие сопроводительной документации (сертификата), в
котором указывают вид проката, марку стали, номер плавки и так деле.
При его отсутствии прибывший металл
укладывается на специальный стеллаж и взятые с него образцы отправляются на химический
анализ и механические испытания. После получения заключения металл либо
запускают в работу, либо укладывается на стеллаж до востребования, данного
металла.
Аналогично контролируется и
вспомогательные материалы (электроды, сварочная проволока).
Для механизированной сварки формы
для прогонов в среде CО2, применяется сварочная проволока Св-08Г2С, d = 1.6 мм ГОСТ 2246-80, которая
поставляется в бухтах. На каждой бухте должна быть прикреплена металлическая
бирка, на которой ударным способом нанесена марка сварочной проволоки, покрытие
поверхности, масса бухты.
На самой поверхности проволоки не
должно быть грязи, ржавчины, масла и другого загрязнения.
При отсутствии бирки на бухте
проводится ее химический анализ, и после установки ее марки решается вопрос о
возможности ее применения.
Пооперационный контроль
Контроль деталей и заготовок
Перед поступлением деталей на
сборку, контролеры ОТК проверяют чистоту торцов, поверхность детали,
установочные габаритные размеры детали, качество и правильность подготовки кромок
и другие требования чертежа, так как дефекты под сварку в деталях сказываются
на качестве сварки.
Контроль сборки узлов
При сборке узлов формы для прогонов,
контролируется качество сборки под сварку.
После сборки, в собранном узле
контролируются:
относительное положение деталей в
собранном узле;
зазоры между кромками свариваемых
деталей;
правильное расположение прихваток.
Контроль качества сварных швов формы
для прогонов
Контроль качества сварных швов
проводится в двух направлениях:
контроль технического процесса
сварки;
контроль качества сварки в готовом
изделии.
Перед началом сварки, сварщик
знакомится с технической операционной картой, в которой указаны:
1. порядок наложения швов;
2. режимы сварки;
. диаметр сварочной
проволоки;
. требуемые размеры сварочных
швов и так далее.
Нарушение порядка наложения сварных
швов может привести к появлению деформаций после сварки узла.
Важным фактором для качества сварки
является соблюдение режимов сварки - iсв и Uд, которые контролируются по показаниям приборов. Скорость подачи
сварочной проволоки контролируется сменными шестеренками и периодическим ее
замером. Контроль в процессе сварки ведется визуальным способом, то есть
сварщиком.
По окончании сварки, сварные швы
зачищают от наплывов, а поверхность формы для прогонов - от брызг
расплавленного металла.
Проверка технологии сварки является
важным звеном в системе предупредительного контроля, поэтому в процессе сварки
контролеры ОТК отслеживают все указанные показатели с целью предупреждения
появления дефектов в швах сварных соединений.
4. Организация и
экономика производства
4.1 Маркетинговые
исследования
По данным завода
«Карагандастройконструкции» реальными потребителями являются горнодобывающее
предприятие России «Горняк», Уральская шахтостроительная компания
«УралШахСтройКом» и большая часть реализуется среди шахт и горнодобывающих
предприятий Республики Казахстан. Годовая программа по данным предприятия
принимается 1500 шт.
Стоимость материалов, оборудования и
энергоресурсов соответствует расчетам представленным ниже.
4.2 Организация
производства формы для прогонов
Нормирование технологического
процесса изготовления формы для прогонов
Нормирование технологических
операций дипломного проекта служат основой для расчёта потребного количества
оборудования и работающих на участке. Итоги технического нормирования
представлены в таблице 4.1.
Таблица 4.1 - Ведомость норм времени
на изготовление двухместной формы
|
Технологические операции
|
Тш.к., (мин)
|
Тш.к.У, (мин)
|
|
Сборка-сварка узла №1
|
86.5
|
431.6
|
|
Сборка-сварка узла №2
|
87.7
|
|
|
Сборка-сварка узла №3
|
85.3
|
|
|
Сборка-сварка узла №4
|
84.6
|
|
|
Общая сборка-сварка
|
87.5
|
|
Расчет потребного количества рабочих
мест
Расчет потребного количества рабочих
мест производится по формуле:
, (4.1)
где
- штучная норма время на операцию, мин;
- годовая программа
выпуска изделия, штук;
- действительный
годовой фонд времени работы единицы оборудования, принимается для односменной
работы
часов;
- средний коэффициент
выполнения норм выработки,
.
Степень использования
оборудования или рабочих мест по времени определяется проектным коэффициентом
загрузки, который представляет собой отношение расчетного количества
оборудования принятому:
, (4.2)
где
- расчетное количество оборудования, шт.;
- принятое количество
оборудования (округленное до большего целого числа расчетное количество
оборудования), шт.
Таблица 4.2.
|
№п/п
|
Рабочие места
|
,
мин  
|
|
|
|
|
|
1
|
Сборка-сварка узла №1
|
86.5
|
0.95
|
1
|
0.95
|
0.94
|
|
2
|
Сборка-сварка узла №2
|
87.7
|
0.96
|
1
|
0.96
|
|
|
3
|
Сборка-сварка узла №3
|
85.3
|
0.93
|
1
|
0.93
|
|
|
4
|
Сборка-сварка узла №4
|
84.6
|
0.92
|
1
|
0.92
|
|
|
5
|
Общая сборка-сварка
|
87.5
|
0.95
|
1
|
0.95
|
|
|
Итого
|
431.6
|
4.71
|
5
|
|
0.94
|
Определение состава и потребной
численности персонала
Для серийного производства
определение планируемой списочной численности производственных рабочих
сборочно-сварочных цехов и участков производится на основе разработанного и
нормированного технологического процесса:
, (4.3)
где
- штучная норма время на операцию, мин;
- годовая программа
выпуска изделия, штук;
- действительный
годовой фонд времени работы единицы оборудования, принимается для односменной
работы
часов;
- средний коэффициент
выполнения норм выработки,
.
Таблица 4.3 - Ведомость
рабочих мест
|
Наименование операции
|
,
мин
|
|
|
Сборка-сварка узла №1
|
86.5
|
1.0
|
|
Сборка-сварка узла №2
|
87.7
|
1.0
|
|
Сборка-сварка узла №3
|
85.3
|
1.0
|
|
Сборка-сварка узла №4
|
84.6
|
1.0
|
|
Общая сборка-сварка
|
87.5
|
1.0
|
|
Итого
|
431.6
|
5
|
Для проведения работ по контролю
качества сварных швов принимается дополнительно 1 дефектоскопист, а так же
мастер участка и бухгалтер.
Таблица 4.4 - Ведомость
производственных рабочих
|
Профессия рабочего
|
Численность
|
Уровень
|
Разряд
|
|
|
1
|
2
|
3
|
1
|
2
|
3
|
4
|
5
|
6
|
|
Сварщик
|
5
|
0
|
0
|
0
|
0
|
1
|
3
|
1
|
0
|
|
Дефектоскопист
|
1
|
0
|
1
|
0
|
0
|
0
|
0
|
0
|
0
|
0
|
|
Итого
|
6
|
0
|
1
|
0
|
0
|
0
|
1
|
2
|
1
|
0
|
Общая численность вспомогательных
рабочих принимается укрупненно 25% от числа основных рабочих.
Rвсп.=6∙25/100=1.5 - принимаем 2 человека
Численность ИТР на участке может
быть принята по укрупнённым показателям - 8% от численности производственных
рабочих.
ИТР=8·8/100=0.64 - принимаем 1 человека
Оплата всех работ по ремонту,
наладке оборудования, транспортных операций, уборке территории включена в
арендную плату за производственные площади.
4.3 Расчет себестоимости
продукции
Расчет заработной платы работающих
В настоящее время для начисления
зарплаты занятых в материальном производстве используется следующий подход. С
одной стороны, высокая заработная плата может сильно сказаться на стоимости
изделия, с другой стороны, малая заработная плата не даст возможности набрать
квалифицированный персонал и снизит качество работы.
Таблица 4.5 - Расчет оплаты труда
основных рабочих на программу
|
Наименование рабочего
|
Оклад, тенге
|
Дополнительная зарплата, тенге
|
Полная зарплата, тенге
|
|
|
премия
|
молоко
|
за вредность
|
|
|
Мастер участка
|
50000
|
10000
|
|
547
|
60547
|
|
Бухгалтер
|
30000
|
6000
|
|
|
36000
|
|
Сварщик 1
|
30000
|
6000
|
500
|
547
|
37047
|
|
Сварщик 2
|
39000
|
7800
|
500
|
547
|
47847
|
|
Сварщик 3
|
39000
|
7800
|
500
|
547
|
47847
|
|
Сварщик 4
|
39000
|
7800
|
500
|
547
|
47847
|
|
Сварщик 5
|
39000
|
7800
|
500
|
547
|
47847
|
|
Дефектоскопист
|
40000
|
8000
|
|
547
|
48547
|
|
Вспом. рабочий 1
|
25000
|
5000
|
|
547
|
30547
|
|
Вспом. рабочий 2
|
25000
|
5000
|
|
547
|
30547
|
|
Итого
|
317000
|
70323
|
386776
|
За год: Sо.г.=Sо.м.∙12=386776∙12=4641
(тыс. тг.)
где Sо.г. - оплата за год;
Sо.м. - оплата за месяц.
Зарплата складывается из:
- оклад;
- премия (в размере
20% от оклада за выполнение работы в установленные сроки);
- доплата за работу
во вредных производственных условиях (начисляется работающим в цехе в размере
547 тг. ежемесячно);
- доплата за молоко
(в размере 500 тг. ежемесячно).
Расчет затрат на основные средства и
амортизационные отчисления
В основные фонды должны быть
включены: здания и сооружения, технологическое оборудование - сварочное
оборудование, станки, подъемно-транспортные устройства и прочее оборудование
стоимостью более 25000 тенге.
Стоимость здания и сооружения
определяется в той доли, которую занимает участок с оборудованием, участвующим
в производственном процессе изготовления изделия. Она определяется по формуле:
(4.5)
где
-
производственная площадь, определяемая в дипломном проекте (лист №3 графической
части);
м2
А - ширина занимаемой
площади, А = 18 м2
В-длина занимаемой
площади, В = 12 м2
- часть вспомогательной
площади, определяется из соотношения:
(4.6)
(м2)
- площадь
служебно-бытовых помещений (определяется из расчета 5,5м2 на одного
рабочего).
(4.7)
(м2)
R
- количество рабочих (таблица 4.5)
- стоимость 1м2
площади цеха, принимается по данным предприятия;
- стоимость 1м2
служебно-бытовых помещений, принимается по данным предприятия.
, (тг)
Амортизационные
отчисления определяются из соотношения:
(4.7)
где
- стоимость оборудования, тенге;
- норма амортизационных
отчислений, %
Принимаем нормы
амортизационных отчислений для сварочного и другого оборудования
=
15%, для зданий и сооружений -
= 7%.
В таблице 4.6 показана
ведомость расчета амортизационных отчислений для сварочного и другого
оборудования.
Таблица 4.6 -
Амортизация основных фондов и средняя плата за использование основных фондов
|
Наименование объекта, оборудования
|
Количество
|
Стоимость единицы, тыс. тг.
|
Сумма тыс. тг.
|
Амортизационные отчисления
|
|
|
|
|
%
|
тыс. тг.
|
|
1. Производственная + бытовая + вспомогательная площадь
|
216+55+54
|
4473
|
7
|
318.5
|
|
2. Сварочное оборудование:
|
|
|
|
|
|
|
2.1 Сварочный выпрямитель ВДУ-506
|
5
|
243
|
1215
|
15
|
|
|
2.2 Сварочный полуавтомат ПДГ-516М
|
5
|
212
|
1060
|
15
|
|
|
3. Приспособления для сборки - сварки
|
|
|
|
|
|
|
3. Сборочно-сварочное приспособление
|
1
|
92
|
92
|
15
|
|
|
3.2 Сборочно-сварочное приспособление
|
1
|
112
|
112
|
15
|
|
|
3.3 Сборочно-сварочное приспособление
|
1
|
157
|
157
|
15
|
|
|
3.4 Сборочно-сварочное приспособление
|
1
|
157
|
157
|
15
|
|
|
4. Аппаратура для контроля
|
1
|
2200
|
2200
|
15
|
|
|
5. Шлифовальная машинка
|
5
|
28.2
|
141
|
|
|
|
Итого
|
20
|
3201.2
|
5452.5
|
Расчет затрат на малоценные и
быстроизнашивающиеся предметы
В данную группу относятся
приспособления, производственный инструмент, производственный и хозяйственный
инвентарь стоимостью меньше 25000 и сроком службы менее 1 года.
Затраты на приспособления
принимаются равными 10% от стоимости оборудования (табл. 6.6 (ВДУ-506,
ПДГ-516М, аппаратура для контроля, шлиф. машинка)), а на инструмент - 20% от
стоимости приспособления (табл. 6.6 - приспособления).
(тыс. тг.) (4.8)
(тыс. тг.)
(тыс. тг.)
Стоимость производственного
инвентаря определяется в размере 250 тг. на тонну годового выпуска изделия.
(тыс. тг.)
Стоимость хозяйственного инвентаря
определяется из расчета 2500 тг. на одного рабочего и 4200 тг на одного ИТР.
(тыс. тг.) (4.9)
Sитр.
=1
4200=4.2
(тыс. тг.)
Sрабочих
=7
2500=17.5
(тыс. тг.)
Стоимость верстаков, контрольных
столов, стеллажей и прочего инвентаря составляет 1% от общей стоимости машин и
оборудования.
Результаты приведены в таблице 4.7
Таблица 4.7 - Стоимость малоценных и
быстроизнашивающихся предметов
|
Наименование МБП
|
Стоимость, (тыс. тг.)
|
|
1. Приспособление
|
462
|
|
2. Инструменты
|
106.3
|
|
3. Производственный инвентарь
|
241
|
|
4. Хозяйственный инвентарь
|
21.7
|
|
5. Прочий инвентарь
|
24.6
|
|
Итого:
|
855.6
|
Расчет затрат на материалы
Затраты на листовой прокат
определяются по формуле:
, (4.10)
где
- годовой объем производства продукции, штук;
- суммарная норма
расхода i-го вида ресурса на единицу продукции, кг;
- цена единицы i-го вида ресурса, принимается по данным объекта исследования,
тенге/кг;
- количество
реализуемых отходов i-го вида ресурса, кг;
Примеры расчета затрат
на листовой прокат приводятся в таблице 4.8.
Таблица 4.8 - Затраты на
материалы (покупка готовых деталей (без расхода))
|
Вид материала
|
Цена, тыс. тг.
|
Расход
|
Затраты, (тыс. тг)
|
|
Основные
|
|
1. Колодка
|
80
|
9.3
|
744
|
|
2. Планка
|
85
|
18.7
|
1590
|
|
3. Боковина
|
98
|
149.5
|
14651
|
|
4. Днище
|
110
|
149.5
|
16445
|
|
5. Шляпор
|
110
|
74.8
|
8228
|
|
6. Плита
|
95
|
224.4
|
21318
|
|
Вспомогательные
|
|
1. Углекислый газ
|
|
121
(м3)
|
1306
|
|
2. Сварочная проволока
|
120
|
17.5 тн
|
2100
|
|
Итого
|
66382
|
Расчет затрат на энергоресурсы
Затраты на энергоресурсы состоят из
затрат на электроэнергию, воду, сжатый воздух и пар.
Затраты на электроэнергию в общем
случае определяются по формуле:
(4.11)
где
-
затраты на электроэнергию при сварке;
- затраты на освещение.
(4.12)
где
-
годовой объем производства продукции, 1500 штук;
- напряжение дуги, 26 В;
- сила сварочного тока,
240 А;
- время горения дуги,
142.4 (мин);
- цена 1 (кВт-ч)
электроэнергии, по данным предприятия 3.5 тенге.
(тыс. тг.),
Затраты на освещение
(4.13)
где
-
средний расход электроэнергии для освещения 1 (м2) площади участка
цеха, включая служебные и бытовые помещения.
= 18 (Вт/час);
- площадь участка цеха
(табл. 6.6);
- годовая осветительная
нагрузка. При одной смене
=800
часов;
- стоимость
электроэнергии.
, (тыс. тг.)
, (тыс. тг.)
Вода в цехе расходуется только на
бытовые нужды и для организации производственного процесса по сборке и сварке
изделия.
Годовая потребность в воде для
бытовых нужд определяется из расчета:
для хозяйственно-питьевых нужд - 25
литров в смену на одного работающего;
для душевых - 40 литров на процедуру
на каждого работающего;
для групповых умывальников - 3 литра
на процедуру;
стоимость затрат воды на
хозяйственно-питьевые нужды определяются по формуле:
(тг.), (4.14)
где
- количество всех работающих в цехе;
- число рабочих дней в
году, принимается
дней;
- стоимость 1м3
воды, принимается по данным предприятия;
стоимость затрат воды на
душевые определяется по следующей формуле:
(тг.), (4.15)
стоимость затрат воды на
групповые умывальники определяется по формуле:
(тг.), (4.16)
(тг.)
Результаты расчетов затрат на
энергоресурсы приведены в таблице 4.9.
Таблица 4.9 - Затраты на
энергоресурсы
|
Вид затрат
|
Величина затрат, тенге
|
|
1 Затраты на воду
|
9081
|
|
2 Затраты на электроэнергию
|
95000
|
|
Итого
|
104081
|
Расчет отчислений в бюджет
В соответствии с Налоговым кодексом
хозяйствующие субъекты производят следующие отчисления в бюджет: в пенсионный
фонд, социальный налог, налог на имущество.
Отчисления в накопительные
пенсионные фонды рассчитываются по формуле:
ПФ = З×0.1 (4.17)
где З - общий годовой фонд
заработной платы (табл. 6.5);
ПФ = 386776∙12∙0.1
= 464.1 (тыс. тг.)
Отчисления социального налога
рассчитываются по формуле:
СН = З×0.9×0.20 (4.18)
СН = 386776∙12∙0.9∙0.20
= 835.4 (тыс. тг.)
Налог на имущество рассчитывается по
формуле:
НИ = ОС×0.01 (4.19)
где ОС - стоимость приобретенных
основных средств (формула 6.8)
НИ = 4616×0.01 = 46.2 (тыс. тг.)
Результаты расчётов заносим в
таблицу 4.10.
Таблица 4.10 - Отчисления в бюджет
|
Отчисления в бюджет
|
Сумма, (тыс. тг)
|
|
Пенсионный фонд
|
464.1
|
|
Социальный налог
|
835.4
|
|
Налог на имущество
|
46.2
|
|
Итого:
|
1345.7
|
Расчет прочих затрат
В данную категорию входят затраты на
содержание и ремонт малоценных и быстроизнашивающихся предметов (они составляют
20% от суммы затрат на МБП):
(тыс. тг.)
Затраты на мероприятия
по охране труда и промышленной экологии (принимаются в размере 20000 тенге в
год на каждого работающего на участке (табл. 6.5)):
(тыс. тг.)
Затраты по этой статье
приводятся в таблице 4.11.
Таблица 4.11 - Прочие
затраты
|
Статья затрат
|
|
Затраты на содержание и ремонт МБП
|
171.1
|
|
Затраты на мероприятия по охране труда и промышленной экологии
|
200
|
|
Итого
|
371.1
|
Расчет неучтенных затрат
Неучтенные затраты принимаются в
размере 5 (%) от суммы всех предыдущих затрат. Сумма всех затрат в таблице
4.12.
Таблица 4.12 - Неучтенные затраты на
изделие
|
Наименование затрат
|
Величина затрат за год, тыс. тг.
|
Сумма затрат, тыс. тг.
|
Величина неучтенных затрат, тыс. тг.
|
|
1 Заработная плата (за год)
|
4641
|
79152
|
3958
|
|
2 Амортизационные отчисления
|
5452.5
|
|
|
|
3 МБП
|
855.6
|
|
|
|
4 Расходы на материалы
|
66382
|
|
|
|
5 Расходы на энергоресурсы
|
104.1
|
|
|
|
6 Прочие затраты
|
371.1
|
|
|
|
7 Отчисления в бюджет
|
1345.7
|
|
|
Калькуляция себестоимости сварной
конструкции
Себестоимость сварной конструкции
включает все ранее рассчитанные статьи затрат. Калькуляция себестоимости
приведена в таблице 4.13
Таблица 4.13 - Калькуляция себестоимости
сварной конструкции
|
Наименование статей
|
Сумма, тыс. тг.
|
|
1 Заработная плата
|
4641
|
|
2 Амортизационные отчисления
|
5452.5
|
|
3 МБП
|
855.6
|
|
4 Расходы на материалы
|
66382
|
|
5 Расходы на энергоресурсы
|
104.1
|
|
6 Прочие затраты
|
371.1
|
|
7 Отчисления в бюджет
|
1345.7
|
|
8 Неучтенные затраты
|
3958
|
|
Себестоимость сварной конструкции
|
83110
|
Расчет прибыли
Установим размер выручки от
реализации:
Bг = N×Цвэ (тг) (4.20)
где N - программа выпуска, шт.;
Цвэ - стоимость единицы
продукции.
Вг = 1500×72000 = 108000000, (тг)
Прибыль представляет собой разность
между выручкой и себестоимостью изделия:
П = 108000000 - 83110000
=24890000, (тг) (4.21)
Далее рассчитывается рентабельность:
или 23 (%), (4.22)
Согласно налоговому
кодексу юридические лица облагаются подоходным налогом в размере 30 (%) от
прибыли:
ПН =24890000×0.3
= 7467000, (тг), (4.23)
Тогда чистая прибыль составит:
ЧП = 24890000 - 7467000
= 17423000, (тг), (4.24)
Таблица 4.14 - Технико-экономические
показатели дипломного проекта (лист №9 графической части)
|
Показатели
|
Сумма, (тыс. тг.)
|
|
1. Выручка от реализации при годовой программе N= 1500 шт.
|
108000
|
|
2. Себестоимость продукции:
|
83110
|
|
2.1 Заработная плата
|
4641
|
|
2.2 Амортизация основных средств и аренда
|
5452.5
|
|
2.3 Материалы
|
66382
|
|
2.4 МБП
|
855.6
|
|
2.5 Энергоресурсы
|
104.1
|
|
2.6 Отчисления в бюджет
|
1345.7
|
|
2.7 Прочие затраты
|
371.1
|
|
2.8 Неучтенные затраты
|
3958
|
|
3. Прибыль
|
24890
|
|
4. Рентабельность, (%)
|
23
|
|
5. Подоходный налог с юридических лиц
|
7467
|
|
6. Чистая прибыль
|
17423
|
Заключение
В данной выпускной работе
разработана технология изготовления двухместной формы для изготовления
прогонов. Проанализирован существующий технологический процесс изготовления
двухместной формы и обнаружены недостатки, основываясь на которых разработан
новый технологический процесс, включающий в себя разбивку конструкции на узлы,
разработку специализированных рабочих мест для каждого узла, подбор нового
оборудования, расчет приспособлений и режимов механизированной и
автоматизированной сварки в среде защитного углекислого газа. Рассмотрены
необходимые разделы, связанные с охраной труда и техникой безопасности на
производстве. Представлены расчеты по загрязнению окружающей среды при
изготовлении двухместной формы и предложены мероприятия по утилизации и ликвидации
отходов предприятия.
Выполнено технико-экономическое
обоснование выпускной работы, которое показало, что при рентабельности 23%
чистая прибыль составила более 17 млн. тенге.
Список использованных
источников
1. Куркин С.А. и др.
Технология, механизация и автоматизация производства сварных конструкций:
Атлас: Учеб. Пособие для студентов машиностроительных специальностей ВУЗов /
С.А. Куркин, В.М. Ховов, А.М. Рыбачук. - М.: Машиностроение, 1989.
. Рыморов Е.В. Новые
сварочные приспособления. - Л.: Стройиздат, Ленингр. Отд-ние, 1988.
3. Гитлевич А.Д.
Техническое нормирование технологических процессов в сварочных цехах. - М.
Машгиз, 1982.
4. Данилов В.А., В.И.
Боченин Методические указания к техническому нормированию технологических
процессов в сварочных цехах по нормированию
. Полтев М.К. Охрана
труда в машиностроении: Учебник. - М.: Высш. Школа, 1980.
. Красовский А.И. Основы
проектирования сварочных цехов: Учебник для вузов - М.: Машиностроение, 1980.
. Гинсбург-Шик Л.Д.
Зарипов М.З. Справочное пособие по технике безопасности М. Энергоатомиздат 1990
г.
. Марочник сталей и
сплавов/В.Г. Сорокин, А.В. Волосникова, С.А. Вяткин и др.; под общ. ред. В.Г.
Сорокина. - М. Машиностроение, 1989.
. Юхин Н.А.
Механизированная дуговая сварка плавящимся электродом в защитных газах. 2002 г.
. Юдин Охрана труда в
машиностроении. - М.: Высш. Школа.
. Голицын А.Н. Основы
промышленной экологии: Учебник для нач. проф. Образования / Артур Николаевич
Галицын. - 2 изд., стер. - М.: Издательский центр «Академия», 2004. - 240 с.