Разработка повседневной женской обуви зимнего сезона
Содержание
Введение
1. Художественно-теоретический раздел
1.1 Обзор и анализ аналогов
1.2 Выбор творческого источника "Северная мощь"
1.3 Обоснование выбора темы
2. Проектный раздел
2.1 Поисковый эскизный этап
2.2 Создание коллекции
2.3 Обоснование выбора материалов
2.4 Обоснование композиционного решения графических листов
3. Конструкторский раздел
3.1 Проектирование обуви
3.1.1 Обоснование выбора колодки
3.1.2 Обоснование выбора способа получения УРК
3.1.3 Обоснование выбора системы конструирования обуви
3.1.4 Проектирование верха обуви
3.2 Техническая документация
3.3 Характеристика швов
3.3 Спецификация
4. Технологический раздел
4.1 Разработка последовательности технологических операций
5. Экономический раздел
5.1 Характеристика покупательского сегмента
5.2 Характеристики товара
5.3 Расчет стоимости основных материалов
5.4 Расчет дохода дизайнера изделия
Заключение
Список использоваых источников
Введение
В настоящее время обувная промышленность в
России только начинает выходить на новый уровень. Основными проблемами рынка на
данный момент являются: отсутствие развитой торговой инфраструктуры, недостаток
информации по рынкам сбыта, теневой импорт, который составляет 60-85% от
совокупного объема импорта обуви. Отечественные производители обуви напрямую зависят
от кожевенной отрасли, которая в последние годы значительно снизила темпы роста
[1].
С развитием спорта в России, спрос на экипировку, в том числе
и обувь, значительно вырос. Неконтролируемый ввоз дешевой и некачественной
спортивной обуви на территорию России выступает одним из наиболее значимых
барьеров для развития отечественного производства. За период с 2006 по 2012 гг.
импорт спортивной обуви в Россию увеличился на 20%. Поэтому развивать
отечественную спортивную индустрию, добиваться, чтобы ее продукция и услуги
способствовали развитию массового спорта в России очень важно [2].
Спортивный стиль зимы 2012/2013 - это не только коллекции
спортивных брендов, но и спорт от кутюр, использование элементов спортивной
одежды в повседневном образе. Тенденции женской моды - это уход от всех
стандартов и шаблонов, создание нового уникального продукта. Это новые смелые,
силуэты, необычные по составу и внешнему виду ткани, смелые яркие цвета,
неожиданные сочетания и эффекты
Также, в современном мире, нельзя уйти от технического
прогресса. Снегоходный спорт, прекрасно демонстрирует яркость, скорость,
экспрессию, олицетворяющуюся в новейшей технике. Этот вид спорта активно
развивается на Севере страны.
Невероятное зрелище, когда неудержимая мощь снегохода,
пробуждает ото сна могучую заснеженную равнину. Углубляясь в Северные просторы,
нельзя не отметить широту и богатство местного фольклора.
Также для разработки модели для русского человека, необходимо
учитывать, те условия, в которых он живет. Стопа русского человека значительно
отличается от других и имеет свои особенности, которые нужно обязательно
учитывать, для того, что бы обувь была удобной, а исходя из климатических
условий - теплой.
Вследствие всего вышесказанного, определились основные тезисы
для разработки данного дипломного проекта. Разрабатываемая обувь должна быть
совершенно новым продуктом, сочетающим в себе конструктивные особенности, новые
материалы, внешний вид и рентабельность. Обеспечить возможность эксплуатации в
условиях крайнего севера, стильной, удобной, совмещать в себе образ
ультрасовременной техники с северными мотивами.
Все эти цели будут учтены при разработке модели, глубоко
проанализирован рынок сбыта, спрос, модные тенденции и творческий источник.
женская обувь зимний сезон
1. Художественно-теоретический
раздел
1.1 Обзор и
анализ аналогов
Вследствие анализа показов неделей моды в Париже, Милане,
Лондоне и Нью-Йорке, начала проявляться общая концепция для создания дипломного
проекта. Главная тенденция грядущего сезона - это уход от всех стандартов и
шаблонов, создание нового уникального продукта. Это новые смелые силуэты,
необычные по составу и внешнему виду ткани, смелые яркие цвета, неожиданные
сочетания и эффекты [3].
Особое внимание уделяется ярким насыщенным оттенкам кожи и
меха. Это - один из несомненных трендов сезона осень-зима 2012-2013. Это
касается как верхней одежды, так и юбок, обуви, аксессуаров. Длинный ворс, мех
снаружи, игра с матовыми и блестящими поверхностями, необычная стёжка в
соответствии с рисунками 1, 2.

Рисунок 1 - Alexander McQueen, зима 2012-2013

Рисунок 2 - Коллекция Jean-Paul Gaultier, зима 2011-2012
Также стеганые элементы, включил в свою коллекцию John
Galliano в соответствии с рисунком 3.
Рисунок 3 - Обувь из коллекции John Galliano, зима 2012-2013
Спортивный стиль зимы 2012/2013 - это не только коллекции
спортивных брендов, но и спорт от кутюр, использование элементов спортивной
одежды в повседневном образе. Вещи подчеркнуто спортивного стиля часто бывают
удобными и практичными. Ведь использовать спортивные вещи можно не только по их
прямому назначению - занятия спортом в соответствии с рисунком 4.

Рисунок 4 - Коллекция Dolce & Gabbana
<#"810794.files/image008.jpg">
Рисунок 5 - Аналог модели
Рисунок 6 - Аналог модели
В таблице 1 дана характеристика товарам аналогам разрабатываемой
модели.
Таблица 1 - Сравнительные характеристики товаров-аналогов
|
Наименование параметра
|
Аналог 1
|
Аналог 2
|
Разрабатываемая модель
|
|
Назначение изделия
|
Повседневная
|
Повседневная
|
Повседневная
|
|
Вид
|
Сапоги
|
Сапоги
|
Сапоги
|
|
Форма носочной части
|
Круглая
|
Круглая
|
Круглая
|
|
Материал верха
|
Натуральная кожа,
|
Натуральная кожа
|
Винилискожа, Натуральная кожа
|
|
Цвет верха
|
Оранжевый
|
Бежевый
|
Желтый, белый
|
|
Материалы подошвы
|
Резина
|
Резина
|
ТЭП
|
|
Производитель
|
Россия, BEST. A
|
Китай
|
Россия
|
|
Место продажи
|
Интернет магазин
|
Интернет магазин
|
|
|
Розничная цена
|
5690
|
5500
|
4140
|
В ходе сравнения разрабатываемой модели и двух других
аналогов, можно сделать вывод, что данная модель имеет ряд преимуществ над
другими, по материалам, конструкции и широте применения. За счет новых
материалов, не уступающих по своим свойствам коже и меху, она выходит дешевле
аналогов.
1.2 Выбор
творческого источника "Северная мощь"
Неземные красоты заснеженных пространств,
покорить которые способны только снегоходы - это любовь на всю жизнь.
Удивительное зрелище - снегоход в движении. Разнообразные трюки, при которых он
словно летит, приземление, резкий поворот. Что может быть более захватывающим?!
Смотря на то, как "экстремалы" исполняют трюки, кажется, что они
словно "сливаются" со своим снегоходом, управляя им не столько рулем,
сколько переносом массы тела, как бы затягивая машину в нужном направлении.
Возможности снегоходов превосходят воображение: они способны взбираться на
высокие горы, прыгать на трамплинах, ездить по воде в соответствии с рисунком
7.
Говоря о спорте, развивающемся в северных
уголках страны, нельзя не затронуть местный фольклор. Северные земли, поражают
воображение, своей обширностью, богатством, глубиной культуры. Это как
отдельный мир, не познанный и почти не тронутый современным миром.
Великолепность Севера, его народные мотивы, в сочетание, с
новинкой технического прогресса; спокойная, заснеженная природа и бурная,
неудержимая мощь машины - это и послужило источником вдохновения, для создания
данного проекта.
Рисунок 7 - Снегоходы "Polaris"
1.3
Обоснование выбора темы
Исходя из тенденций моды, а также источников вдохновения,
было принято решение, о создании совершенно нового изделия, изделия - будущего.
Обувь подходит, для людей любого пола, преимущественно увлекающихся ездой на
современной технике.
В качестве потребителя, была выбрана ячейка общества, со
средним возрастом 17-26 лет, т.к. она наиболее распространена, среди людей
занимающихся экстремальными видами спорта.
Источник вдохновения, также определил и выбор сезона - зима.
Зимой, большинство людей предпочитают носить именно теплую и удобную обувь, что
значительно расширяет круг потребителей, среди людей, не занимающихся спортом,
но любящих яркую современную обувь.
На основании всего вышеперечисленного и была выбрана тема:
"разработка повседневной женской обуви зимнего сезона".
2. Проектный
раздел
2.1 Поисковый
эскизный этап
При разработке эскизов в соответствии с рисунком 8, за основу
формы и цветового сочетания, бралась конструкция и элементы снегоходов.
Движение стеганых элементов, схожи с гусеничным механизмом техники. А яркие
пятна, поддерживают стилистику ультра-современности.

Рисунок 8 - Эскизы
2.2 Создание
коллекции
В ходе эскизного этап был выбран окончательный вариант
проектированной модели в соответствии с рисунком 9.
Рисунок 9 - Окончательный вариант проектированной модели
Разработанная модель наиболее интересная по конструкции,
цветовому решению, соответствующая модным тенденциям наступающего сезона и теме
данного дипломного проекта.
Детали верха модели изготовлены из натуральной кожи и
дублированной байкой и. к. Верх декорирован искусственным мехом, также
предназначенным, для сохранения тепла. Детали подкладки выполнены из теплой
шерстяной байки.
Идеей создания разработанной модели стало продвижение
современного дизайна в России, для обеспечения специальной обувью различных
направлений и слоев населения. Так как целью создания, стала, обувь не только
для ярких людей, занимающимися спортом, но и для жизни в условиях Севера, одной
из важнейших задач явилась: гармонизация удобной конструкции с красотой линий,
с модным направлением грядущего года и с хорошими теплозащитными свойствами.
2.3
Обоснование выбора материалов
Для основных деталей верха было решено использовать
натуральную лаковую кожу, для большей прочности и лучшего внешнего вида. Также
натуральная кожа обладает лучшими гигиеническими и физическими свойствами.
Для передней стеганой части голенища, использовалась тонкая
винилискожа, треплированная шерстяной байкой и синтепоном, для придания тепла.
Винилискожа, представляющая собой материал, на волокнистую основу которого с
лицевой стороны нанесен монолитный или пористый поливинилхлорид. [4]
Поливинилхлорид считается универсальным и безопасным материалам. Высокая
гигиеничность ПВХ подтверждается его повсеместным использованием для
производства медицинских изделий. Сегодня винилискожа хорошего качества
практически ни в чём не уступает натуральной коже. Большая цветовая гамма и
разнообразие фактур не ограничивают воображение дизайнера и вдохновляют его на
новые и порой экстравагантные свершения. Подборка расцветок для разработанной
модели представлена в таблице 2.
Таблица 2 - Карта расцветок
|
Наименование деталей
|
Варианты расцветок
|
|
1
|
2
|
|
Наружные детали
|
Цвет: желтый
|
|
Цвет: белый
|
|
Цветная тесьма
|
|
Внутренние детали
|
Цвет: Черный
|
|
Цвет белый
|
|
Нитки для крепления верха Подкладки
|
нитки Желтые нитки белые, черные
|
|
|
|
2.4
Обоснование композиционного решения графических листов
В центре рекламного листа изображена разработанная модель.
Обувь расположена в центре круга, привлекая на себя основное внимание. Фоном
изображен творческий источник, это северный пейзаж и снегоход. Фон успокоен, не
забирает на себя внимание. Шрифт, строгий, конструктивный, мощный, что
поддерживает название коллекции, и задний фон - горы. Шрифт выполнен контрастно
фону, снизу и вверху листа.
На Ассортиментном листе изображены 4 модели обуви, 3 модели
идут снизу вверх, как бы несутся, представляя собой динамичную композицию,
которую поддерживают снегоходы, летящие рядом. Все они "стремятся" к
основной модели, которая развернута к ним на встречу. По размеру она больше
остальных, все элементы в рекламе развернуты к ней передом, что композиционно
указывает, на то, что данная модель главная. Фоном изображен северный пейзаж, с
оленем и снегоходами. Орнамент, поддерживает творческий источник, и обрамляет
лист. Шрифт также, динамичный и легкий, как основные элементы плаката. В
соответствии с рисунком 9.
Рисунок 9 - Рекламный плакат и ассортиментный лист
3.
Конструкторский раздел
3.1
Проектирование обуви
3.1.1
Обоснование выбора колодки
При выборе фасона колодки были учтены вид и назначение обуви.
Обувь должна быть удобной, т.к. она рассчитана на холодное время, колодка
используется с увеличенной носочно-пучковой частью, для того, что бы стопа
чувствовала себя комфортно, даже при дополнительном утеплении. Она максимально
соответствует по форме носочной части и силуэту разработанным эскизам. Колодка
женская, полиэтиленовая, сочлененная, без металлической пластины по следу.
Приподнятость пяточной части 2,5 см., Размер колодки 285, полнота 6 в
соответствии с рисунком - 10.
Рисунок 10 - Колодка разработанной модели
3.1.2
Обоснование выбора способа получения УРК
Для получения условной развертки боковой поверхности колодки
(УРК), участки поверхности колодки надо обклеить полностью, наклеить полосками
бумажного скотча колодку, как колодка оклеена скотчем наносят линии раздела и
контрольные точки. Надо отчертить след колодки и убрать излишки скотча с него.
После этого надо нанести разметку. Она включает нанесение линий раздела и
контрольные точки боковой поверхности. Также отмечают точку П - область
пучковой части (на наружной и внутренней сторонах), наиболее выпуклую точку на
носке-В, в пяточной части отмечают следующие контрольные точки: Вз-высота
задника, Нв-наиболее выпуклая точка пятки в соответствии с рисунком 11. Далее
прорисовывают проектируемую модель (в данном случае очень важно правильно
определить точку углубления союзки) и снимают эти оболочки с колодки обводят на
листе наружную сторону и внутреннюю совмещая их в точке С и Нв, затем усредняют
и получают УРК. [5].
Рисунок 11 - Вспомогательные линии и точки
На УРК наносятся базисные линии. Базисные линии - это сечения,
проходящие через наиболее значимые анатомические точки. Проводится линия LУРК
через Нв и В, отмечается точка С-4 базисная, точка Вз в соответствии с рисунком
12.
Рисунок 12 - УРК
УРК=285. 1 базисная = 0,23LУРК=65,5 (центр наружной лодыжки). 2
базисная = 0,41LУРК=116,8 (точка сгиба стопы в голеностопном суставе). 3
базисная = 0,48LУРК =136,8 (точка середины стопы).4 базисная = 0,68LУРК=193,8
(центр внутреннего пучка). 5 базисная = 0,78LУРК=222,3 (крайняя точка пятого
пальца). Точка П = 0,62N
3.1.3
Обоснование выбора системы конструирования обуви
Для данной модели была выбрана копировально-графическая
система проектирования.
Копировально-графическая система моделирования
предусматривает копирование боковой поверхности колодки и графическое
построение деталей модели. При построении чертежа учитывается анатомо-физиологическое
строение стопы, основные размеры деталей по государственному стандарту или
техническим условиям на готовую обувь и опыт модельеров.
Выбрав эскиз, модельер копирует соответствующую колодку
наиболее рациональным способом; получает шаблон условной развертки колодки -
УРК; вписывает его в систему прямоугольных координат; наносит базисные линии,
соответствующие положению анатомических точек стопы; отмечает контрольные точки
в соответствии с требованиями государственного стандарта на готовую обувь; проводит
вспомогательные и контрольные линии и приступает к построению модели, опираясь
на принятую методику и анализ контрольных чертежей действующих моделей.
Преимущества копировально-графической системы позволяют
учитывать размеры колодки, анатомо-физиологическое строение стопы и
практический опыт в области моделирования и конструирования тех видов и
конструкций обуви, которые внедрены в производство. Обучение моделированию
обуви по копировально-графической системе позволяет лучше усвоить
конструктивные особенности различных моделей и на основе полученных знаний
быстро перейти к самостоятельной работе и творческому восприятию теоретических
основ на практике.
3.1.4
Проектирование верха обуви
Для построения модели наносятся вспомогательные линии,
характеризующие положение основных анатомических точек стопы. Затем,
определяются вспомогательные точки построения. Для построения переднего узла
находим точку С - точка союзки, середина линии пучков. Прибавляется припуск на
затяжную кромку в носочной части 10-15 мм, в пучковой части - 18 мм. Далее
строится линия союзки и голенища в соответствии с рисунком 13.
Рисунок 13 - Построение переднего узла
Для построения заднего узла, находят точки: Вз (высота
задника), М (центр лодыжки) = N*0,21. Через точки Вк М, проводится линия косого
взъема и образует точку В’. К линии косого взъема делается прибавка (В’В) от 0
до 1 мм, в зависимости от высоты каблука, чем выше каблук, тем меньше прибавка.
Также дается прибавка на затяжную кромку, в пяточной части - 15 мм, в
геленочной - 20 мм. Далее идет построение задинки, при постройке пяточного
контура, до выпуклой точки стопы, прибавляется 2 мм, на толщину задника.
Припуск под надстрочной шов 8 мм. в соответствии с рисунком 14.
Рисунок 14 - Построение заднего узла
Узел подкладки строится относительно деталей верха. Передний
узел подкладки под союзку, повторяет линии союзки, но линию перегиба, уменьшают
на 3 мм. Припуск под надстрочной шов 10 мм. в соответствии с рисунком 15.
Рисунок 15 - Построение переднего узла подкладки
При построении кармана подкладки заднего узла, относительно
заднего контура верха убирается 3 мм сверху и 7 мм от выпуклой точки пятки. От
затяжной кромки в пяточной части убирается 4 мм. в соответствии с рисунком 16.
Рисунок 16 - Построение заднего узла подкладки
3.2
Техническая документация
Технологическое описание обуви:
Вид обуви: Сапоги
Половозрастная группа: женская
Размер: 255
Полнота: 6
Назначение и сезон: повседневная обувь зимнего сезона
Метод крепления низа обуви: клеевой
Высота приподнятости пяточной части колодки - 25 мм.
Конструкция заготовки верха обуви: сапоги свободного
надевания
Материал верха обуви - Винилискожа
Материал низа обуви - натуральная кожа
Декорирование - искусственный мех, орнаментированная
окантовка, стеганая деталь.
3.3
Характеристика швов
При построении модели использовалось два вида швов. Задний
контур обуви и выточка на союзке скреплялись тачным швом шириной 2,5 мм.
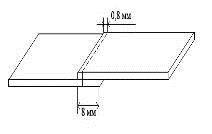
Для скрепления остальных деталей между собой использовался
надстрочный шов, припуск на него 8 мм, расстояние шва от края - 0.8 мм.
Подробная характеристика швов со схемой изображена в таблице
3.
Таблица 3 - Характеристика швов
|
Наименование скрепляемых деталей
|
Наименование шва
|
Схема шва
|
|
1
|
2
|
3
|
|
1. Верх
|
|
Задний контур
|
Тачной
|
|
|
1.2 Вытачка на союзке
|
Тачной
|
|
|
1.3 Союзка
|
Настрочной
|
|
|
1.4 Голенище
|
Настрочной
|
|
|
1.5 Задинки
|
Настрочной
|
|
|
2. подкладка
|
|
2.1 Карман
|
Настрочной
|
|
|
2.2 Подкладка под союзку
|
Настрочной
|
|
|
2.3 Подкладка под задинки
|
Настрочной
|
|
|
2.4 Штаферка
|
Настрочной
|
|
|
|
|
|
|
|
3.3
Спецификация
Таблица 4 - Спецификация [6].
|
Наименование деталей
|
Количество деталей на одну пару
|
Наименование материалов
|
ГОСТ (ТУ)
|
Толщина деталей, мм
|
Вид обработки
|
|
1
|
2
|
3
|
4
|
5
|
6
|
|
1. Детали верха обуви
|
|
1.1 Союзка
|
2
|
Яловка
|
939-88
|
1,4 - 1, 6
|
Окантовка
|
|
1.2 Задинка
|
4
|
Яловка
|
939-88
|
1,4 - 1, 6
|
Окантовка
|
|
1.3 Голенище
|
2
|
Триплированная винилискожа
|
17317-88
|
9,7
|
Окантовка
|
|
1.4 Ремешок
|
16
|
Винилискожа
|
28143-89
|
1.2
|
Нет
|
|
2. Детали внутренней части обуви
|
|
2.1 Карман
|
2
|
Кожа подкладочная
|
940-81
|
0,9 - 1,2
|
Нет
|
|
2.2 Штафетка
|
2
|
Кожа подкладочная
|
940-81
|
0,9 - 1,2
|
Нет
|
|
2.3 Подкладка под задинку
|
4
|
Байка ПШ
|
19196-93
|
1,1
|
Нет
|
|
2.4 Подкладка под союзку
|
2
|
Байка ПШ
|
19196-93
|
1,1
|
Нет
|
|
2.5 Подносок
|
2
|
Обувной картон ЗП
|
9542-89
|
2,2
|
Нет
|
|
2.6 Задник
|
2
|
Обувной картон ЗП
|
9542-89
|
2,2
|
Нет
|
|
2.7 Стелька вкладная
|
2
|
Кожа подкладочная
|
940-81
|
0,9 - 1,2
|
Нет
|
|
2.8 Стелька основная
|
2
|
Обувной картон СОП
|
9542-89
|
1,7
|
Нет
|
|
2.9 Подошва
|
2
|
Пористая резина ПШ
|
12632-79
|
30
|
Нет
|
|
|
|
|
|
|
|
4.
Технологический раздел
.1 Разработка
последовательности технологических операций
Таблица 5 - Перечень операций
|
Наименование операции
|
Р или м
|
Название оборудования
|
|
1
|
2
|
3
|
|
1. Проверка кроя, намечания.
|
|
|
|
2 Стачивание выточек передней части голенища
|
м
|
880-8
|
|
3 Окантовка меховой детали
|
м
|
550
|
|
4 Настрачивание меховой детали на переднюю
часть голенища
|
м
|
880-8
|
|
5 Стачивание по заднему контуру задинок,
разглаживание тачного шва
|
м
|
880-8
|
|
6 Стачивание выточки на союзке, разглаживание
тачного шва
|
м
|
880-8
|
|
7 Настрачивание штаферки на подкладку под
заднюю часть голенища
|
м
|
880-8
|
|
8 Настрачивание задней части голенища на
подкладку
|
м
|
880-8
|
|
9 Окантовка верхних деталей
|
м
|
550
|
|
10 Настрачивание кармана на подкладку под
задинки
|
м
|
880-8
|
|
11 Настрачивание задней части голенища на
подкладку под задинки
|
м
|
880-8
|
|
12 Настрачивание передней части голенища на
подкладку под союзку
|
м
|
880-8
|
|
13 Настрачивание союзки на голенище
|
м
|
880-8
|
|
14 Настрачивание задинок на союзку и голенище
|
880-8
|
5.
Экономический раздел
5.1
Характеристика покупательского сегмента
Для того что бы дать анализ потребительского спроса, были
произведены исследования с применением опроса в виде анкеты, который позволил
осуществить сегментирование покупателей по предпочитаемым вариантам обуви
зимней коллекции. Опрос проводился среди женщин разной возрастной группы,
результат представлен в виде таблицы, с процентным соотношением ответов на
данные вопросы. Зная соотношение типов потребителей, тесноту связи между
предпочитаемыми признаками, можно формировать оптимальный ассортимент и
прогнозировать изменения объема продаж обуви
Таблица 6 - Результаты анкетирования
|
Показатели
|
16-20 лет
|
20-30 лет
|
от 30 и выше
|
|
1
|
2
|
3
|
4
|
|
Первое на что вы обращаете внимание при выборе
обуви (зимнего ассортимента):
|
|
|
|
|
Цена
|
9,1
|
11,8
|
18,2
|
|
Внешний вид
|
45,4
|
47,1
|
18,2
|
|
Качество
|
18,2
|
17,6
|
36,4
|
|
Удобство
|
27,3
|
23,5
|
27,2
|
|
Какой цвета обуви вы предпочитаете:
|
|
|
|
|
темные оттенки (черный, коричневый, синий и
т.д.);
|
36,4
|
52,9
|
54,5
|
|
светлые оттенки (белый, бежевый, серый и т.д.);
|
40,9
|
29,4
|
18,2
|
|
яркие (красный, желтый, зеленый, например).
|
22,7
|
17,7
|
27,3
|
|
Какой предпочитаете стиль:
|
|
|
|
|
классический
|
31,8
|
41,2
|
54,5
|
|
ретро
|
9,1
|
17,6
|
18,2
|
|
спортивный
|
45,5
|
29,4
|
27,3
|
|
этнический
|
13,6
|
11,8
|
-
|
|
Регулярное приобретение товара (весенне-летнего
ассортимента)
|
|
|
|
|
1 раз в несколько лет
|
18,2
|
17,5
|
36,3
|
|
1 раз в год
|
36,2
|
29,6
|
18,2
|
|
по мере надобности
|
45,6
|
52,9
|
45,5
|
|
Важность фирмы-производителя:
|
|
|
|
|
не имеет значения
|
81,8
|
70,6
|
63,6
|
|
только иностранный производитель
|
18,2
|
17,6
|
18,2
|
|
только российский производитель
|
-
|
11,8
|
18,2
|
|
Оптимальная стоимость пары обуви (зима):
|
|
|
|
|
до 2000 р.
|
18,2
|
17,6
|
27,2
|
|
2000-4000 р.
|
27,3
|
41,2
|
36,4
|
|
от 4000 и выше р.
|
9,1
|
11,8
|
9,1
|
|
Не имеет значения
|
45,4
|
29,4
|
27,3
|
Данные, полученные в результате анализа, показывают, что в
целом покупатели всех возрастов, производитель обуви для них не имеет значения.
Молодые девушки обращают внимание больше на моду, то есть на
вид обуви, как впрочем, и средняя возрастная группа, но в то же время большую
роль для многих людей играет качество и удобство изделия.
5.2
Характеристики товара
В результате исследования потребительского спроса была
создана модель характеристик разработанной обуви, которая приведена в табл.7.
Таблица 7. Модель коммерческих характеристик товара
|
Характеристики
|
Состав
|
|
1. Ядро продукции: основное назначение
|
Женская повседневная обувь зимнего сезона
|
|
2. Физические характеристики
|
Женская обувь с оригинальным продуманным и
стильным дизайном, необычное стеганое голенище, декорированное тесьмой и
белым мехом, яркие современные цвета в сочетании с плавными линиями. Натуральная
кожа и теплая шерстяная подкладка, обеспечивают оптимальные условия для
стопы.
|
В основу разработки данной модели, легли показатели, такие
как: качество, гибкость, износостойкость, теплозащитные свойства, соответствие
художественной тенденции в определенном стиле. Модель рассчитана на
потребителей в возрасте от 18-26 лет, и согласно опросу (табл.3) отвечает их
требованиям.
5.3 Расчет
стоимости основных материалов
В таблице 8 произведен расчет основных средств разработанной
модели.
Таблица 8 - Расчет стоимости основных средств
|
Наименование деталей
|
Материалы
|
Чистая площадь
|
% использования
|
Норма брутто
|
Цена за единицу измерения, руб.
|
Стоимость одной пары, руб.
|
|
1
|
2
|
3
|
4
|
5
|
6
|
7
|
|
Верхний крой
|
Кожа хромового дубления, кв. дм.
|
22
|
76
|
29
|
9
|
261
|
|
Винилис- кожа (кв. м)
|
2,8
|
95
|
2,9
|
74
|
215
|
|
Подкладка
|
Кожа хромового дубления, кв. дм.
|
0,96
|
85
|
1,1
|
6
|
6,5
|
|
Байка (кв. м)
|
2,6
|
80
|
3,25
|
92
|
299
|
|
Межподкладка
|
Бязь (кв. м.)
|
1
|
95
|
1,05
|
23
|
24
|
|
Итого деталей верха
|
|
|
|
|
|
805,5
|
|
Подош-ва
|
Кожа подошвенная
|
|
|
|
|
180
|
|
Стелька
|
Кожа
|
|
|
|
|
21
|
|
Задник
|
кожа
|
|
|
|
|
30
|
|
Подносок
|
кожа
|
|
|
|
|
40
|
|
Простилка
|
Нетканый материал
|
0,02
|
85
|
0,03
|
50
|
1,5
|
|
Итого деталей низа
|
|
|
|
|
|
272,5
|
|
Всего
|
|
|
|
|
|
1078
|
Расчеты:
. Норма брутто (N), рассчитывается по формуле 1
N брутто =
, (1)
где: S чистая - площадь чистая,
% испол. - % использования материала
=
2. Стоимость 1 пары нормы брутто рассчитывается по
формуле 2.
Ст.1 пары = N брутто
Ц, (2)
где: брутто - норма брутто,
Ст.1 пары - стоимость материалов на 1 пару,
Ц - цена за единицу измерения материалов
Ст.1 пары =
Расчет стоимости вспомогательных материалов
Вспомогательные материалы рассчитываются по формуле 3.
Вспомогательные материалы =
(3)
Вспом. материалы =
Составление плановой калькуляции на проектируемую модель
В данной части рассчитана плановая калькуляция, результаты которой
отражены в таблице 9.
Таблица 9 - Плановая калькуляция на проектируемую модель.
|
Перечень статей
|
Сумма затрат, руб.
|
Структура себестоимости, %
|
|
1
|
2
|
3
|
|
1. Основные материалы 2. Вспомогательные
материалы
|
1078 107,8
|
44,95 4,49
|
|
Итого:
|
1185
|
|
|
Заработная плата Начисления на заработную плату
Накладные расходы
|
500 170 500
|
20,85 7,09 18,77
|
|
Производственная себестоимость
|
2306
|
|
|
Коммерческие расходы
|
94,24
|
3,85
|
|
Плановая себестоимость
|
2450
|
100
|
Расчеты:
. Начисления на заработную плату рассчитываются по формуле 4

, (4)
где:
Нна Зпл - начисления на заработную плату;
% Нна Зпл - % начисления на заработную плату.
. Накладные расходы рассчитываются по формуле 5
(5)
где: Нр - накладные расходы
Зпл - заработная плата
%Нр - проценты накладных расходов
. Производственная
себестоимость рассчитывается по формуле 6
Пр. с. = Вспом. м. + Осн. м. + Зпл + Нна Зпл + Нр, (6)
где:
Пр. с. производственная себестоимость, Вспом. м. - вспомогательные
материалы, Осн. м. - основные материалы, Зпл - заработная плата, Нна Зпл -
начисления на заработную плату, Нр - накладные расходы
Пр. с. = 107,8+1078+500+170+500= 2356 (руб.)
. Коммерческие расходы рассчитываются по формуле 7
, (7)
где: Комм. р. - коммерческие расходы;
% Комм. р. - % коммерческих расходов.
. Плановая себестоимость рассчитывается по формуле 8
, (8)
где: С1 полн. - полная себестоимость единицы продукции
Пр. с - производственная себестоимость
Комм. р - коммерческие расходы
5.4 Расчет
дохода дизайнера изделия
1. Оптовая цена (Оц) предприятия рассчитывается по
формуле 9:
, (9)
где: С1 - себестоимость единицы продукции;
П1 - нормативная (расчетная) прибыль единицы продукции.
Для расчета оптовой цены необходимо найти нормативную (расчетную
прибыль единицы продукции, которая рассчитывается по формуле 10:
, (10)
где: % Рпр-ции - % рентабельность продукции, которая показывает,
сколько прибыли приходится на 1 руб. затрат.
С - себестоимость продукции
(руб)
Оц = 2450+735= 3185 (руб.)
2. Оптовая цена промышленности (отпускная цена)
рассчитывается по формуле 11:
(11)
где: НДС - это налог на добавленную стоимость, устанавливается
государством и изымается с покупателя.
НДС:
. На продукцию для взрослых - 18%, на детскую продукцию и продукты
питания - 10%;
С1 - себестоимость единицы продукции;
П1 - нормативная (расчетная) прибыль единицы продукции.
. От оптовой цены предприятия рассчитывается по формуле 12:
, (12)
где: % НДС - % налога на добавленную стоимость.
Оц - оптовая цена
(руб.)
(руб.)
. Розничная цена (Рц), рассчитывается по формуле 13:
(13)
где: Рц - розничная цена;
С1 - себестоимость единицы продукции;
П1 - нормативная (расчетная) прибыль единицы продукции;
Торг. Нац. - Торговая наценка - представляет собой затраты
торговых организаций по реализации продукции (издержки обращения) и их прибыль.
Для расчета розничной цены необходимо найти торговую наценку,
которая рассчитывается по формуле 14
, (14)
где: % Торг нац. - % торговой наценки;
Оц - оптовая цена;
НДС - налог на добавленную стоимость.
(руб.)
(руб.)
. Розничная цена без налога на добавленную стоимость (НДС)
рассчитывается по формуле 15 и составит:
(15)
где: Рц - розничная цена
Рц без НДС = 4885,8: 1,18 = 4140,5 (руб.)
. Планируемый облагаемый доход (До) определяется по формуле 16:
До = Рц без НДС - Спл (16)
где: До - планируемый облагаемый доход
Рц без НДС - розничная цена без НДС
Спл - плановая себестоимость
До = 4140,5 - 2450= 1690,5 (руб.)
. Налог на доходы физических лиц с суммы дохода НДФЛ
рассчитывается по формуле 17 и составит:
(17)
где: НДФЛ - налог на доходы физических лиц;
До - планируемый облагаемый доход
(руб.)
. Чистый доход дизайнера рассчитывается по формуле 18 составит:
Дч = До - НДФЛ (18)
где: Дч - чистый доход дизайнера;
До - планируемый облагаемый доход;
НДФЛ - налог на доходы физического лица
Дч =1690,5-219,7= 1470,8 (руб.)
Заключение
В представленном дипломном проекте разработана коллекция
женской модельной обуви зимнего сезона.
В художественно-теоретическом разделе приведен источник
вдохновения, натолкнувший на создание коллекции женской модельной обуви.
Проектный раздел показал шаги поэтапного создания модели, путем разработки
эскизов, на примере источника вдохновения.
В конструкторской части приводиться обоснование выбора
используемых материалов, дается техническая характеристика разработанной
модели, а также процесс проектирования обуви. Обоснованием выбора основного
материала, стала гармоничность сочетания в модели современных разработок,
необычного внешнего вида и хороших гигиенических и антропометрических свойств.
Технологический раздел дает представление о
последовательности сборки обуви и используемом при сборке оборудовании.
Экономически раздел демонстрирует, как расчитывается
стоимость затрат на изготовление разработанной модели и прибыль дизайнера.
Также в экономическом разделе приведен расчет опроса потребителей, по
результатам которого можно прийти к выводу, что разработанная модель
высококачественная, отвечает модным тенденциям, а также запросам и вкусам
потребителя.
Подводя итог, можно с уверенностью сказать, что разработанная
модель будет пользоваться спросом, за счет сочетания в ней удобства, модных
элементов и современных материалов.
Список
использоваых источников
1.
Свободная энциклопедия Википедия. Русский футуризм. URL: http://ru.
wikipedia.org/wiki.ru. Дата обращения: 10.05.2012 г.
.
Информационный ресурс "Яндекс народ". Сантьяго Калатрава - творец
необычного. URL: http://spalex. narod.ru/WhoIsWho/who_calatrava.html. Дата
обращения 10.05.2012 г.
.
Официальный сайт архитектора Сантьяго Калатрава. URL: http://www.calatrava.com.
Дата обращения: 10.05.2012 г.
.
Информационный ресурс "100 дорог". Музей искусств Милуоки. URL:
http://100dorog.ru/guide/sightseeing/4224454. Дата обращения 10.05.2012 г.
.
Информационный ресурс "1001 чудо света". Художественный музей Милуоки
- достопримечательность озера Мичиган URL:
http://archi.1001chudo.ru/usa_2068.html. Дата обращения 10.05.2012 г.
.
Информационный ресурс "LifeGlobe". Музей искусств Милуоки. URL:
http://lifeglobe.net/entry/1255. Дата обращения 10.05.2012 г.
.
Макарова В.С. Моделирование и конструирование обуви. Учебник для средн. Спец.
Учебных заведений. - 2-е изд., перераб. и доп. - М.: "Информ-Знание",
2003. - 176 с.