Производственная деятельность предприятия ОАО 'Чебоксарский агрегатный завод'

  • Вид работы:
    Отчет по практике
  • Предмет:
    Другое
  • Язык:
    Русский
    ,
    Формат файла:
    MS Word
    876,23 Кб
  • Опубликовано:
    2015-04-28
Вы можете узнать стоимость помощи в написании студенческой работы.
Помощь в написании работы, которую точно примут!

Производственная деятельность предприятия ОАО 'Чебоксарский агрегатный завод'

 

 

 










ОТЧЕТ

по учебно-ознакомительной практике

Производственная деятельность предприятия ОАО «Чебоксарский агрегатный завод»

Введение

деталь заготовка технологический

В настоящее время в нашей стране сложилась такая ситуация, что развитие промышленности является самой приоритетной из всех поставленных задач. Для того, чтобы Россия заняла прочное место среди ведущих мировых держав, в ней должна существовать развитая сфера промышленного производства, которая должна основываться не только на восстановлении основанных в советский период заводов, но и на новых, более современно оборудованных, предприятиях.

Одним из важнейших шагов на пути к экономическому процветанию является подготовка специалистов, которые имели бы не строго ограниченные рамками своей профессии знания, а могли комплексно оценить выполняемую ими работу и ее результат. Такими специалистами являются инженеры-экономисты, разбирающиеся не только во всех тонкостях экономических аспектов функционирования предприятия, но и в сущности производственного процесса, который и обуславливает это функционирование.

Целью данной работы является ознакомление непосредственно с процессом производства, а также оценка и сравнение его эффективности не только с экономической, но и с технологической точек зрения. Объектом исследования является ОАО «Чебоксарский агрегатный завод», занимающийся производством запасных частей для тракторных заводов нашей страны и зарубежных стран.

Производство изделия, его сущность и методы оказывают наиболее весомое влияние на технологические, эксплуатационные, эргономические, эстетические и, конечно, функциональные характеристики этой продукции, а, следовательно, на его себестоимость, от которой в прямой зависимости находятся цена изделия, спрос на него со стороны пользователей, объемы продаж, прибыль от реализации, а, следовательно, все экономические показатели, которые и определяют финансовую устойчивость предприятия, его рентабельность, долю рынка и т.д. Таким образом, то, как изготовляется продукция, оказывает влияние на весь жизненный цикл товара.

Сегодня, когда конкурентный рынок вынуждает производителей переходить к наиболее качественным и дешевым продуктам, особенно важно оценить все аспекты производства, распространения и потребления изделия еще на стадии его разработки, чтобы избежать неэффективного использования ресурсов предприятия. Это помогает также в совершенствовании технологических процессов, которые разрабатываются часто не только исходя из потребностей рынка в изготовлении новый продукции, но и принимая во внимание стремление производителей к более дешевому и быстрому способу получения уже существующей продукции, что сокращает производственный цикл, уменьшает величину связанных в производстве оборотных средств, а, следовательно, стимулирует рост инвестиций в новые проекты.

Проектирование технологического процесса является важнейшим этапом производства продукции, который влияет на весь жизненный цикл товара и способен стать определяющим при принятии решения о производстве того или иного продукта.

1. История ОАО «Чебоксарский агрегатный завод»

 

Строительство заводов тракторного и сельскохозяйственного машиностроения в послевоенные годы было объявлено первоочередной задачей, а сами стройки ударными. Решение о строительстве завода тракторных запасных частей в Чебоксарах было принято в 1951 году. За год подготовили проектно-сметную документацию и уже в 53-м начали строительство промышленной базы и жилья для будущих работников завода.

К осени 1956 года завод должен был ввести в строй 6 тысяч квадратных метров производственных площадей и выпустить первые крышки катка. Параллельно на новых площадях монтировалось оборудование, устанавливались автоматические поточные линии. Год ударной работы - и освоен выпуск роликов, головки блока, втулки звена.
Крепла материально-техническая база завода: полностью ввели в строй главный и инструментальный корпуса, внешние водопроводные сети, построили склады и железную дорогу протяженностью более 400 метров, образовались цехи автотранспортный и нестандартного оборудования.
Прошло шесть лет с того дня как строители забили первый колышек на поле бывшего аэродрома. 16 июля 1959 года первая вагранка сданного в эксплуатацию чугунолитейного цеха выдала первый металл. До конца года цех выплавил 100 тонн чугуна. Начало 1961 года ознаменовано пуском кузнечно-штамповочного цеха.

В последующие два года выполнили большой объем работ по техническому оснащению цехов, у завода появились все предпосылки для резкого скачка вперед. В декабре 1964 года в сталелитейном цехе выплавили первую чувашскую сталь, получили первые отливки звена гусеницы для трактора ДТ-54. Проектная мощность СЛЦ составляла 110 тонн стального литья в год.

В феврале 1969 года введен в строй цех точного стального литья, через год сдан в эксплуатацию заводской клуб на 600 мест. Строится заготовительный цех, с которого начинается технологическая цепочка производства.
15 февраля 1971 года приказом по министерству завод был переименован в «Чебоксарский агрегатный завод». В 1981 году за большой вклад в развитие производства сельскохозяйственной техники и успешное выполнение X пятилетки завод награжден орденом Трудового Красного Знамени.

В 1973-1974 годах завод увеличивает поставки на экспорт. В эти годы поставки шли в 60 стран мира, в том числе: Европу -17-государств, Америку - 5 государств, Азию -21 государство, Африку 17 государств.

В декабре 1985 г. изготовлены первые гусеницы для трактора Т-500 ЧЗПТ.

К 1987 г. освоен серийный выпуск звена Т-130. В марте решением Министра транспортного и коммунального машиностроения СССР заводу передано производство гусениц для всех экскаваторов страны.

В 1989 г. создаются мощности по производству звеньев гусениц для Т-130 объемом 10,0 млн. штук в год. Началась сборка и выпуск гусениц для трактора ДЭТ-250 ЧТЗ. Началась поставка гусениц для трактора Т-130 на сборочный конвейер Челябинского тракторного завода.

На конференции трудового коллектива принято решение об акционирование завода и 7 июля 1993 года было зарегистрировано Открытое акционерное общество «Чебоксарский агрегатный завод».

В августе 1996 г. завершена подготовка производства и выпущен первый комплект гусениц для трактора D 355 «Komatsu». Освоено производство сегментов колеса ведущего в комплекте с болтами и гайками для трактора D 355» Komatsu». Начинается освоение и поставка на ульяновские заводы «УАЗ» и «Волжские моторы» чугунных и точных деталей. Принято решение о производстве накладных и врезных замков с принципиального новым цилиндровым механизмом секрета. В год своего 25-летия МЦ-15 выпускает более 20 наименований замков.

Объем экспортных поставок узлов и деталей ходовых систем для тракторов и экскаваторов «Fiat» и «Caterpillar» в 1998 году составляет 2,5 млн. долларов, а номенклатура поставляемых изделий достигает 50 наименований. Освоено производство гусениц с жидкой смазкой для трактора D 355 «Komatsu». Изготовлена опытная партия гусениц для экскаватора EX -400» Hitachi». Завершена подготовка производства и освоен выпуск гусениц для трактора D 9 N» Caterpillar». Освоено производство гусениц для трактора D 155» Komatsu».

В 2000 г. Координационный комитет международной программы «Партнерство ради прогресса» за устойчивую динамику развития производства наградил ОАО «Чебоксарский агрегатный завод» почётным призом «Хрустальная Ника».

К 2001 г. освоено производство катков для трактора D 155 «Komatsu», гусениц для тракторов Т-11 ОАО «Промтрактор», D85» Komatsu «и D6D» Caterpillar».

В 2002 году получен заказ от ОАО «Российские железные дороги» на производство корпуса буксы для грузового железнодорожного вагона. Начат выпуск комплектующих буксы.

В 2003 году освоены 6 позиций для поставки на конвейер ОАО «Канашский агрегатный завод» для выполнения заказа «Росавтобуспрома».

С 2003 года на предприятии была реализована долгосрочная программа технического развития ОАО «ЧАЗ» по ключевым направлениям производства. Суммарные затраты по разработанным мероприятиям, рассчитанным до 2005 года, составили около 450 млн. руб. Реализация данного проекта позволила снизить затраты, повысить качество производимой продукции и увеличить производственные мощности предприятия.

В конце декабря 2004 г. начались поставки продукции ОАО «ЧАЗ» на американский континент. В свое время завод удачно включил в ассортимент выпускаемой продукции элементы ходовой части к американским бульдозерам Caterpillar, что на сегодняшний день вызывает неизменный интерес и спрос на международном рынке и начало поставок - тому подтверждение. Выбранный предприятием курс на снижение затрат и улучшение качества продукции позволяет успешно конкурировать на зарубежных рынках с производителями аналогичной продукции из Европы и Юго-Восточной Азии, США и Японии. Также внедрена технология скоростного фрезерования рабочих частей с использованием MITSUBISHI и MAZAK, изготовление деталей по заказам РЖД, также прошла реконструкция Литейного производства.

В 2005 году было запланировано и освоено производство гусениц для тракторов производства Caterpillar D 6 R / - XR / R - XL / R - LGP, D 10 N / R, Komatsu D 155 A -1, D 155 C, D 375 F -2/3, гусеницы для экскаваторов Caterpillar 315, 320/L, 322, Komatsu PC180-3, PC200-3, PC-220, Hita chi EX 200, цепи гусеничной для трактора Dressta TD 15 C, а также катков опорных для тракторов Caterpillar D 6 R / - XR / R - XL / R - LGP, катков поддерживающих для Caterpillar D355 A/C, D 6 D, D 6 R, D 9 N, D 10 N, Komatsu D 65, D 85, D 155.

В 2006 году предприятие вошло в состав Концерна «Тракторные заводы». На ОАО «ЧАЗ» установлен вертикальный центр SHIZUOKA B-10VHS, два токарных модуля для обточки термообработанных и установок для закалки втулок.

В 2007-2010 годах - разработка и внедрение на производстве проекта «Универсализация рабочих мест и профессий» с целью создания условий для максимальной самоорганизации работников, роста производительности труда и заработанной платы.

2. Общая производственная характеристика предприятия ОАО «Чебоксарский агрегатный завод»

В октябре 1956 года изготовлена первая партия продукции - крышка катка для трактора С80. Эта дата считается днем основания завода. За свою более чем сорокапятилетнюю историю предприятие неуклонно развивалось, наращивая производственные мощности и расширяя номенклатуру выпускаемы изделий.

Сегодня ОАО «Чебоксарский агрегатный завод» является безусловным лидером отечественного машиностроения в производстве запасных частей к ходовым системам промышленной, сельскохозяйственной и трелевочной гусеничной технике, а также узлов и деталей сцепления для тракторов, комбайнов и автомобилей. Широко известны в стране и за рубежом товары народного потребления, производимые на агрегатном: замочные изделия и радиаторы отопительных систем.

Ежегодно предприятием производится продукции на сумму более чем 2 млрд. рублей. Немалая часть выпускаемой продукции поставляется на сборочные конвейеры ведущих тракторостроительных, экскаваторных, моторостроительных и автомобилестроительных предприятий России и СНГ. Агрегатный обеспечивает работу сборочных конвейеров ОАО «Промтрактор», ОАО «ЧТЗ», экскаваторных заводов Воронежа, Твери, Иванова и Коврова, ОАО «УАЗ», ОАО «Алтайдизель», и др. предприятий.

Выпускаемая продукция - гусеничные цепи, колеса ведущие поставляются на экспорт для таких мировых гигантов машиностроения, как «САТЕRPILLAR» и «FIAT». У завода существуют многолетние прямые связи с зарубежными фирмами Италии, Китая, Польши, Литвы, Латвии и стран СНГ.

Высокая конкурентоспособность продукции Чебоксарского агрегатного завода обеспечивается глубоким и всесторонним изучением конъюнктуры рынка и потребностей клиента, наличием высококвалифицированных инженерно-технических работников, современным высокоточным оборудованием. Прежде чем попасть к конечному потребителю продукция завода подвергается жесткому контролю качества на всех стадиях производства - от входящего контроля поступающего сырья и материалов до выхода готовых изделий. Заводская система качества сертифицирована на соответствие требованиям Международных стандартов качества серии ИСО - 9000. В настоящее время идет работа по сертификации производства на соответствие требованиям Международных стандартов качества серии ИСО 9001 версии 2000 года.

В ближайшие годы в соответствии с выбранной стратегией развития перед коллективом стоят большие задачи по освоению новых видов продукции и совершенствованию уже выпускаемой. Значительные инвестиции направляются на программу технического перевооружения. В 2002 году с компанией Инвестиции и менеджмент заключено генеральное соглашение на сумму 15 млн. долларов и с Чувашским отделением Сбербанка России на сумму 10 млн. долларов о финансировании программы технического перевооружения проводимой на заводе. Выделение этих средств является свидетельством высокого доверия инвесторов к ОАО «ЧАЗ» и высокой степени надежности предприятия.

Ведется активная работа по привлечению, обучению и закреплению кадрового потенциала на заводе. Впервые в Чувашской Республике на ОАО «ЧАЗ» по решению Совета директоров разработан и реализован проект «ЗОЛОТЫЕ КАДРЫ» с привлечением всех категорий работников. Цель программы - создать условия для сохранения квалификационного потенциала предприятия через эффективную систему стимулирования. В январе 2003 года были подведены итоги реализации проекта 2002 и объявлено о начале Проекта-2003.

ОАО «Чебоксарский агрегатный завод» входит в 100 лучших предприятий и организаций машиностроения России.

На многих выставках его продукция кроме дипломов отмечен высокими наградами.

Среди последних - Платиновый, Золотой и Серебряный знаки качества XXI века.

ОАО «ЧАЗ» специализируется на комплектном производстве продукции в следующих направлениях:

узлы и детали ходовых систем промышленных, сельскохозяйственных тракторов, экскаваторов отечественного и импортного производства (гусеницы, цепи гусеничные, катки опорные и поддерживающие, колеса, ведущие и натяжные, обода и сегменты сборных ведущих колес);

муфты сцепления (запчасти к муфтам сцепления) для легковых и грузовых автомобилей, промышленных, сельскохозяйственных тракторов, комбайнов и экскаваторов;

чугунное, стальное и точное стальное литье;

товары народного потребления (замочно-скобяные изделия, радиаторы отопительные).

Производство литья цветных металлов позволяет получать отливки весом от 0,005 до 1,5 кг по 4 - 6 классу точности.

В литейном производстве используются вагранки, индукционные и электродуговые печи. В кузнечном производстве - воздушные молота с массой падающих частей от 2 до 5 тонн, кузнечные горячештамповочные прессы усилием от 10000 кН до 40000 кН и высадочные автоматы.

Практически все детали, выпускаемые заводом, подвергаются термической или химико-термической обработке на специализированных участках механосборочного производства, или в термогальваническом цехе. Гальваническое производство оборудовано механизированными линиями цинкования, никелирования, фосфатирования и оксидирования.

Производственные мощности ОАО «ЧАЗ» состоят из: Металлургического производства;

- механосборочного производства;

инструментального производства;

блока цехов вспомогательного производства.

Металлургическое производство состоит из:

сталелитейного цеха;

чугунолитейного цеха;

цеха точного стального литья;

кузнечно-штамповочного и заготовительного цехов;

термогальванического цеха.

Механосборочное производство состоит из:

двух механосборочных производств;

трех механосборочных цехов.

Чугунолитейное производство:

Производит отливки из серого чугуна марок СЧ15 и СЧ20, развесом от 0,5 до 200 кг, по 9 классу точности.

Сталелитейное производство:

Марки сталей: 120ГФЛ, 45ФЛ, 20Х25Н19С2Л развесом от 3 до 90 кг, по 10-12 классу точности.

Производство точного стального литья:

Отливки методом литья по выплавляемым моделям из сталей марок 30Л - 45ФЛ, 40ХЛ, 20Х25Н19СГЛ и из сплава ЭП 616 весом до 1 кг по 8 - 10 классу точности.

Кузнечно-штамповочное производство:

Механосборочное производство:

         используются автоматические и автоматизированные линии, агрегатные станки, универсальное оборудование различного профиля, холодноштамповочное оборудование, станки с ЧПУ и обрабатывающие центры, различное сборочное оборудование

В соответствии с утвержденным Планом технического развития предприятия на отчетный период основными направлениями реализации являлись реконструкция литейного производства; развитие и совершенствование производства гусениц к промышленным тракторам, в рамках которого:

- в литейном производстве запущены в промышленную эксплуатацию 3 индукционные тигельные печи, введены в эксплуатацию 2 проходные дробеметные машины;

в механическом цехе создан участок, состоящий из 8 обрабатывающих центров, на которых возможно проводить механическую обработку звена;

в кузнечно-прессовом цехе смонтирована и запущена автоматизированная прессовая линия для штамповки звеньев.

Так же в 2010 году получена 91 ед. оборудования на сумму 247,2 млн. руб., 2010 г. созданы мощности по производству 124-х наименований новых изделий и 3-х наименований по увеличению мощностей в объеме 366,6 млн. руб. в год.

За год всего изготовлено новой продукции на сумму 184,2 млн. руб., что составляет 4,3% от общего объема выпущенной продукции.

Так же были разработаны и реализованы мероприятия, направленные на снижение и оптимизацию затрат на производство. По программе «Снижение норм расхода и оптимизация материальных затрат» получена экономия на сумму 66,2 млн. руб.; по программе «Энергоресурсы» получена экономия на сумму 9,9 млн. руб.

Чебоксарский агрегатный завод входит в 100 лучших предприятий и организаций машиностроения России. На многих выставках его продукция кроме дипломов отмечена высокими наградами. Среди последних наград - Платиновый, Золотой и Серебряный знаки качества XXI века.

Организационная структура управления предприятием на ОАО «ЧАЗ» построена по линейно-функциональному принципу. Такая структура образуется путем создания специализированных служб при каждом линейном руководителе. Назначение этих служб - изучение соответствующих проблем с целью оказания помощи руководителю при принятии решения.

Главное преимущество этой структуры заключается в том, что построенная таким образом организация дает возможность линейному персоналу сконцентрировать свое внимание на текущей деятельности. К недостаткам этой структуры относится: возрастание числа и сложность деловых связей, увеличение управленческих расходов, снижение оперативности управления.

Управление процессом производства осуществляется по линейной схеме (директор - начальник цеха - мастер), а функциональные подразделения заводоуправления оказывают методическую помощь, готовят информацию, решают разнообразные управленческие задачи для соответствующих линейных руководителей. На заводе функционируют 34 службы и отдела.

Основной производственной структурной единицей предприятия является цех, возглавляемый начальником цеха, подчиненным директором. Непосредственное управление производством осуществляется через старших мастеров, начальников смен, участков, мастеров и бригадиров. Аппарат управления цехов располагает всеми необходимыми службами для оперативного управления производством и решением вопросов организации труда и заработной платы, технологической подготовки производства, учета выпускаемой продукции и контроля за ее качеством.

На предприятия действует АСУП - автоматизированная система управления производством, что позволило соединить воедино структурные подразделения завода (финансово-бухгалтерское управление, управление реализации, отдел материально-технического снабжения и др.), значительно упростить, повысить точность и быстроту в передаче внутренней информации.

Производственная структура предприятия характеризуется составом его цехов и служб и связями между ними. Производственная структура зависит от типа производства, характера выпускаемой продукции, уровня кооперирования.

Вся деятельность предприятия и управление производится генеральным директором завода. Функции управления группируются по основным направлениям. Техническое руководство осуществляют: отдел главного металлурга (ОГМет), отдел главного технолога (ОГТ), отдел главного конструктора (ОГК), научно-исследовательский отдел (НИО), проектно-конструкторский центр (ПКЦ), отдел главного метролога и стандартизации (ОГМиС), отдел технического надзора (ОТН), отдел рационализации, изобретений и технической информации (ОРИНТИ). Эти службы возглавляются техническим директором, имеющим заместителей: по производству, по развитию и эффективности, по восстановлению основных фондов, по технике безопасности.

Оперативно-производственное руководство осуществляется производственно-техническим управлением (ПДУ), планово-экономическим отделом (ПЭО), финансовым отделом (ФО) и бухгалтерией. Руководство внешними связями осуществляется службой закупок, службой маркетинга и продаж (СМиП).

Организацией труда и быта работников предприятия занимаются отделы: планово-экономический отдел (ПЭО), хозяйственного обслуживания (ОХО), отдел управления персоналом (ОУП). Маркетинговыми исследованиями занимается служба маркетинга и продаж маркетинга (СМиП), контролем качества продукции - служба качества.

Производственная структура предприятия - это совокупность основных и вспомогательных цехов, обслуживающих хозяйств производственного назначения и формы связи между ними. На ОАО «ЧАЗ» основным структурным подразделением является цех. На заводе в настоящее время 12 основных цехов и 7 вспомогательных. Основные цеха осуществляют процесс производства продукции. Этот процес включает в себя заготовительную, обрабатывающую и сборочную стадию. К основным цехам относятся: СЛЦ, ЧЛЦ, КШЦ, ЦТСЛ, ТОЦ, ТЦ-13, заготовительный цех, механические цеха МЦ-5, МЦ-15, МЦ-17, МСП-1, МСП-2.

Вспомогательные цеха обеспечивает бесперебойную работу основного производства. К ним относятся: ЭРЦ - занятый ремонтом энергооборудования ЦМА - производимый нестандартное оборудование, тару, монтаж и демонтаж, РМЦ - выполняющий ремонт технического оборудования и изготовляющий сменные части, Модельный цех - изготовляющий и ремонтирующий модельную оснастку для металлургических цехов. Обслуживающие участки и хозяйства обеспечивают ремонтную работу основных и вспомогательных цехов.

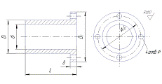
3. Технологический процесс изготовления детали Корпус КГ-2132


Рассмотрим технологический процесс изготовления детали Корпус КГ-2132 который в дальнейшем будет использоваться как корпус. Отливка будет изготавливаться в литейном производстве, а деталь полученная из этой заготовки в ремонтно-механическом цехе. Итак длина детали 1500 мм, диаметр наружный 1400 мм, внутренний диаметр - 1000 мм

Рис. 1 Чертеж детали Корпуса КГ-2132

L, мм

D1, мм

D2, мм

d1, мм

d2, мм

Æ, мм

d, мм

Материал

1500

1000

1400

800

1200

20

50

СЧ 25



Согласно заданию ОАО «ЧАЗ» нужно изготовить деталь (рис. 1), которая может использоваться как какая-либо опора или корпус. В данной работе подробно описан технологический процесс изготовления заготовки, а также детали, полученной из этой заготовки.

Производство детали корпус КГ-2132 серийное, до 1000 штук в год.

Возможные способы изготовления заготовки

Данную заготовку можно изготовить некоторыми способами литья: центробежное литье, литье в металлический кокиль, литье в песчано-глинистые формы.

При центробежном литье сплав заливают во вращающиеся формы; формирование отливки осуществляется под действием центробежных сил, что обеспечивает высокую плотность и механические свойства отливок. Металлические формы (изложницы) изготавливают из чугуна и стали. Толщина изложницы обычно в 1,5-2 раза больше толщины отливки. В процессе литья изложницы снаружи охлаждают водой или воздухом. На рабочую поверхность изложницы наносят теплозащитные покрытия для увеличения срока их службы. Перед работой изложницы подогревают до температуры 200°С.

При литье в кокиль отливки получают путем заливки расплавленного металла в металлические формы - кокили. Полости в отливках оформляют песчаными, оболочковыми или металлическими стержнями. Кокили с песчаными или оболочковыми стержнями используют для получения отливок сложной конфигурации.

При литье в песчано-глинистую форму формовку производят по деревянным и металлическим моделям в опоках, набиваемых песчано-глинистыми смесями. Для образования внутренних полостей используют стержни, формуемые в стержневых ящиках из песчаных смесей с крепителями.

Выбор наиболее эффективного способа

При изготовлении данной заготовки остановимся на литье в песчано-глинистые формы. Этот способ является универсальный и практически единственный способ изготовления крупногабаритных отливок. Он характеризуется низкой стоимостью, недефицитностью материалов и простой организацией технологического процесса.

Два других способа литья являются экономически не выгодными, в связи с тем, что деталь изготавливается в мелкосерийном производстве.

4. Технологический процесс изготовления заготовки


Данную заготовку получаем в литейной форме, продольный разрез которой показан на рисунке 2.

Рис. 2 Продольный разрез литейной формы: 1-выпор,

-стержень, 3-опока, 4-формовочная (песчано-глинистая) смесь

Рассмотрим последовательность изготовления литейной формы.

В модельном цехе по чертежу детали (рис. 1) изготавливают модель, размеры которой берут с учетом припусков на усадку (для данного варианта 0,9-1,3%) и механическую обработку, а также изготавливают стержневой ящик. Для удобства изготовления литейной формы модель и стержневой ящик делают разъемными (рис. 3,4).


Литейную форму, состоящую из двух полуформ, изготавливают в такой последовательности: собирают стержневой ящик из нижней и верхней половины, засыпают стержневую смесь и уплотняют. На модельную плиту 1 устанавливают нижнюю половину модели 2, модели питателей 3 и опоку 4 (рис. 5), в которую засыпают формовочную смесь и уплотняют. Опоку поворачивают на 180°, устанавливают верхнюю половину модели 1, модели шлакоуловителя 2, стояка 3 и выпора 4. Устанавливают верхнюю опоку 5 (рис. 6), засыпают формовочную смесь и уплотняют. После извлечения модели стояка и выпоров форму раскрывают. Из полуформ извлекают модели, модели питателей и шлакоуловителя.

В нижнюю полуформу устанавливают стержень и накрывают нижнюю полуформу верхней.

Рис. 5 Изготовление нижней части литейной формы:

-модельная плита, 2-модель (нижняя часть), 3-модели питателей, 4-опока

Рис. 6 Изготовление верхней части литейной формы: 1-модель (верхняя часть), 2-шлакоуловитель, 3-канал-стояк, 4 - выпор, 5-опока

В литейную форму из ковша заливается расплавленный металл. Затем, после охлаждения, происходит выбивка отливки. При этом литейная форма разрушается. После выбивки отливка (рис. 7) подвергается обрубки литниковой системы. Обрубку производят пневматическими зубилами, ленточными и дисковыми пилами, газовой резкой и на прессах.

Рис. 7 Отливка

За обрубкой следует очистка отливок. На этом этапе происходит удаление пригара, остатков формовочной и стрежневой смеси с наружных и внутренних поверхностей отливки.

В этой главе рассмотрен выбор наиболее эффективного способа изготовления заготовки для корпуса КГ-2132 на ОАО «ЧАЗ», а также представлен технологический процесс изготовления заготовки способом литья в песчано-глинистые формы. При этом была изготовлена модель по чертежу и стержневой ящик.

 

. Технология изготовления детали


Корпус КГ-2132 можно изготовить точением (обтачивание, растачивание, подрезание). А четыре отверстия Æ 20 мм получаем сверлением.

Технологический метод формообразования поверхностей заготовок точением характеризуется двумя движениями: вращательным движением заготовки и поступательным движением режущего инструмента - резца. Разновидности точения: обтачивание - обработка наружных поверхностей; растачивание - обработка внутренних поверхностей; подрезание - обработка плоских (торцовых) поверхностей; резка - разделение заготовки на части или отрезка готовой детали от заготовки - пруткового проката.

Основные виды резцов:

Рис. Виды резцов

По виду обработки:

а) проходные 1, 2, 3 для обтачивания гладких цилиндрических и конических поверхностей;

б) подрезные 4 для обтачивания плоских торцовых поверхностей;

в) расточные для растачивания сквозных отверстий 6 и расточные упорные для растачивания глухих отверстий 7;

г) отрезные 8 для разрезания заготовок на части и для протачивания кольцевых канавок.

Технологический процесс изготовления детали:

1). На токарно-карусельном станке закрепляем на карусели заготовку.

Наружную цилиндрическую поверхность обтачиваем проходным резцом, закрепленным в резцедержателе бокового суппорта.

Подача резца вертикальная (рис. 8).

Рис. 8 Подача резца вертикальная

). Отверстие растачиваем двумя проходными расточными резцами, закрепленными в державке, установленной в гнезде револьверной головки. Подача резца вертикальная (рис. 9).

Рис. 9 Подача резца вертикальная

). Торец детали обтачиваем подрезным резцом, закрепленным в резцедержателе верхнего суппорта. Подача резца горизонтальная (рис. 10).

Рис. 10 Подача резца горизонтальная

). Торец фланца обтачиваем подрезным резцом, закрепленным в резцедержателе верхнего суппорта. Подача резца горизонтальная (рис. 11).

Рис. 11 Подача резца горизонтальная

). Закрепляем заготовку на карусели станка, предварительно перевернув деталь. Цилиндрическую поверхность фланца детали обтачиваем проходным резцом, закрепленным в резцедержателе бокового суппорта. Подача резца вертикальная (рис. 12).

Рис. 12 Подача резца вертикальная

). Торец фланца обтачиваем подрезным резцом, закрепленным в резцедержателе верхнего суппорта. Подача резца горизонтальная (рис. 13).

Рис. 13 Подача резца горизонтальная

). На радиально-сверлильном станке устанавливаем заготовку на вращающемся столе и фиксируем его. Сверлом Æ 20 мм просверливаем 2 отверстия (рис. 14). Повернув вращающийся стол с деталью на 90° и зафиксировав его, просверливаем еще два отверстия Æ 20 мм.

Рис. 14

Отверстия получали на радиально-сверлильном станке мод 2М55Ф2 с применением сверла диаметром 20 мм.

Отверстия получали на радиально-сверлильном станке мод 2М55Ф2 с применением сверла диаметром 20 мм.

Выбираю радиально-сверлильный станок модели 2М55Ф2. Выбор данного станка обусловлен характером обработки, размерами рабочей поверхности, а так же его мощностью.

Применение станка с ЧПУ позволит уменьшить долю вспомогательного времени, которое растрачивается в рассматриваемых операциях на приёмы, связанные с изменением режимов резания, переходом с обработки одной поверхности на другую, сменой режущего инструмента и т.п. Позволит обработку нескольких аналогичных деталей, на одном станке и этим сократит время на переналадку оборудования.

Техническая характеристика станка 2М55Ф2

 

 

Наименование параметров

Ед. изм.

Величины

Наибольший диаметр сверления

мм

50

Расстояние от оси шпинделя до образующей (направляющей) колонны (вылет шпинделя)

мм

375-1600

Расстояние от нижнего торца шпинделя до рабочей поверхности плиты (или до головки рельса)

мм

450-1600

Наибольшее перемещение:

мм


вертикальное, рукава на колонне

мм

750

горизонтальное, сверлильной головки по рукаву (или рукава на колонне)

мм

1225

Ход шпинделя

мм

400

Конус Морзе отверстия шпинделя


5

Число скоростей шпинделя

шт.

21

Частота вращения шпинделя

об/мин

20-2000

Число подач шпинделя

12

Подача шпинделя

мм/об

0,056-2,5

Наибольшая сила подачи

МН

20

Число инструментов в магазине

шт.

12

Класс точности станка по ГОСТ 8-82

(Н, П, В, А, С)

Н

Модель УЧПУ


С-70-3

Мощность электродвигателя привода главного движения

кВт

5,5

Габаритные размеры

мм


Длина


4500

Ширина


3700

Высота


3500

Масса

кг

8000

 

В этой главе рассмотрен технологический процесс изготовления детали корпус КГ-2132 точением и сверлением. Работы производились на токарно-карусельном станке с применением таких резцов, так проходной, подрезной и расточной.

 

 


Заключение


В данной работе был разработан технологический процесс изготовления детали Корпус КГ-2132 на ОАО «Чебоксарский агрегатный завод». Он состоит из нескольких этапов:

сначала была получена заготовка способом литья в песчано-глинистые формы. Выбор этого способа оправдывает себя, так как производство детали мелкосерийное, а сама деталь крупногабаритная.

затем заготовку обрабатывали точением (токарной обработкой). Этот способ использовался в связи с тем, что в обозначении шероховатости поверхности детали был применен знак, который означает, что поверхность должна быть получена удалением слоя материала. А также на выбор способа повлияла геометрия детали. Деталь является телом вращения. Обработка производилась на токарно-карусельном станке, так как деталь крупногабаритная.

четыре отверстия получаем на радиально-сверлильном станке. Выбор этого станка основывается на том, что деталь тяжелая, большая и изменение положения детали довольно трудоемкая работа. А на этом станке перемещается шпиндельная головка и устанавливается непосредственно над местом, где надо получить отверстие.

Сегодня ОАО «Чебоксарский агрегатный завод» является безусловным лидером отечественного машиностроения в производстве запасных частей к ходовым системам промышленной, сельскохозяйственной и трелевочной гусеничной технике, а также узлов и деталей сцепления для тракторов, комбайнов и автомобилей. Широко известны в стране и за рубежом товары народного потребления, производимые на агрегатном: замочные изделия и радиаторы отопительных систем.

Ежегодно предприятием производится продукции на сумму более чем 2 млрд. рублей.

Немалая часть выпускаемой продукции поставляется на сборочные конвейеры ведущих тракторостроительных, экскаваторных, моторостроительных и автомобилестроительных предприятий России и СНГ. Агрегатный обеспечивает работу сборочных конвейеров ОАО «Промтрактор», ОАО «ЧТЗ», экскаваторных заводов Воронежа, Твери, Иванова и Коврова, ОАО «УАЗ», ОАО «Алтайдизель», и др. предприятий.

Выпускаемая продукция - гусеничные цепи, колеса ведущие поставляются на экспорт для таких мировых гигантов машиностроения, как «САТЕRPILLAR» и «FIAT». У завода существуют многолетние прямые связи с зарубежными фирмами Италии, Китая, Польши, Литвы, Латвии и стран СНГ.

Высокая конкурентоспособность продукции Чебоксарского агрегатного завода обеспечивается глубоким и всесторонним изучением конъюнктуры рынка и потребностей клиента, наличием высококвалифицированных инженерно-технических работников, современным высокоточным оборудованием. Прежде чем попасть к конечному потребителю продукция завода подвергается жесткому контролю качества на всех стадиях производства - от входящего контроля поступающего сырья и материалов до выхода готовых изделий. Заводская система качества сертифицирована на соответствие требованиям Международных стандартов качества серии ИСО - 9000. В настоящее время идет работа по сертификации производства на соответствие требованиям Международных стандартов качества серии ИСО 9001 версии 2000 года.

Список литературы


1. Ансеров, Ю.М. Машины и оборудование машиностроительных предприятий. / В.А. Салтыков, В.Г. Семин. - Ленинград: Политехник, 1991. - 365 с.

2.      Артамонов, Б.А. Электрофизические и электрохимические методы обработки материалов / Ю.С. Водков - М.: Высшая школа, 1983.

.        Васильев, В.Н. Организационно-экономические основы производства: учебное пособие для машиностроительных спец. вузов. - М.: Высшая школа, 1988. - 277 с.

.        Колесов, И.М. Основы технологии машиностроения: учебник для машиностроительных вузов. - М.: Машиностроение, 1997. - 591 с.

.        Малеева, С.Б. / Экономические основы технологического развития: конспект лекций. - СПб.: Политехника. 2000. - 41 с.

.        Маталин, А.А. Технология машиностроения: учебник. - Л.: Машиностроение. 1985. 412 с.

.        Машины и оборудование машиностроительных предприятий. / по ред. Ю.М. Ансерова, В.А. Салтыкова, В.Г. Семина - Ленинград: 1991. - 365 с.

.        Мельников, Г.Н. Проектирование механосборочных цехов / Под ред. А.М. Дальского - М.: Машиностроение, 1990. - 380 с.

.        Мурашкин, С.А. Технология машиностроения: кн. 1. Производство деталей машин: уч. пособие для вузов / Э.Л. Жуков, И.И. Козарь, С.Л. Мурашкин и др. - М.: Высшая школа, 2005. - 278 с.

.        Никифоров, А.Д. Процессы управления объектами машиностроения: учебное пособие для машиностроительных спец. вузов / А.Д. Никифоров, Ю.В. Назаров. - М.: Высшая школа, 2001. - 455 с.

.        Организация и оперативное управление машиностроительным производством: учебник / под ред. Н.С. Сачко. - Мн.: Новое знание, 2009. - 636 с.

.        Основы автоматизации машиностроительного производства: учебник для вузов. / Под. ред. Е.Р. Ковальчук, М.Г. Косов, В.Г. Косов. - М.: Высшая школа, 1991. - 312 с.

.        Проектирование машиностроительного производства: учебник для вузов / В.П. Вороненко, Ю.М. Соломенцев, А.Г. Схиртладзе; по ред. чл.-корр. РАН Ю.М. Соломенцева. - 2-е изд., стереотип. - М.: Дрофа, 2006. - 380 с.

.        Рыбаков, В.М. Сварка и резка металлов. - М.: Высшая школа, 1977.

.        Туровец, О.Г. Организация производством на предприятии. - М.: ИНФРА-М, 2007. - 207 с.

.        Управление организацией: учебник / под ред. А.Г. Поршнева, Н.Л. Румянцевой, Н.А. Саламотина. - 2-е изд, перераб. и доп. - М.: ИНФРА-М, 2009.

Похожие работы на - Производственная деятельность предприятия ОАО 'Чебоксарский агрегатный завод'

 

Не нашли материал для своей работы?
Поможем написать уникальную работу
Без плагиата!
Без нейросетей!