Проектирование схемы управления станком-качалкой
Введение
Тема курсовой работы - проектирование схемы
управления станком-качалкой.
Из всех отраслей хозяйственной деятельности
человека энергетика оказывает самое большое влияние на нашу жизнь. Просчеты в
этой области имеют серьезные последствия. Тепло и свет в домах, транспортные
потоки и работа промышленности - все это требует затрат энергии. Основой
энергетики сегодняшнего дня являются топливные запасы угля, нефти и газа,
которые удовлетворяют примерно девяносто процентов энергетических потребностей
человечества. Нефтегазодобывающая отрасль в экономике России занимает одну из
ведущих позиции, являясь бюджетообразующей. Поэтому малейший простой
нефтепромыслового оборудования влечет за собой большие экономические потери.
Эффективность станка-качалки зависит от многих
факторов. Главный из них это правильный выбор электрического оборудования,
которое должно находиться в полной совместимости.
Цель курсовой работы: спроектировать схему
управления станком-качалкой.
Задачи:
. Разработать электрическую схему управления
станком-качалкой;
. Выбрать необходимое оборудование в
соответствии с требованиями;
. Расчитать токи короткого замыкания;
. Выбрать и рассчитать заземляющие
устройства в соответствии с требованиями;
. Составить смету затрат;
. Сделать вывод.
1. ТЕОРЕТИЧЕСКАЯ ЧАСТЬ
.1 Разработка схемы
управления станком-качалкой
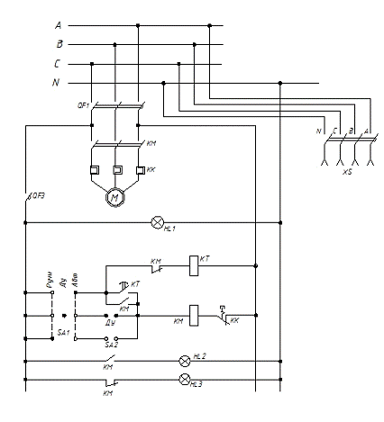
Рис 1
- схема управления СК
Станок-качалка управляется
несколькими способами: с помощью ручного управления, автоматического и
дистанционного. Рассмотрим способ ручного управления.
Ручное управление.
При включении автомата QF1
и QF3 ток пойдет по
цепи:
Фаза С-QF1-QF3-конт.
ручного управл. (ручн)-SA2-
КМ-КК-фаза А;
Контактор КМ замкнет свои
контакты и двигатель СК включится. При отключении автомата QF1
контактор перестанет получать питание, в результате чего разомкнутся его
контакты.
Автоматическое
управление. При включении автомата ток пойдет
по цепи:
Фаза С-QF3-QF1-конт.авт.управл.(Авт)-контакт
КМ-реле времени РВП-фаза А;
РВП получит питание и через
выдержку времени замкнет свой контакт и ток пойдет по цепи:
Фаза С-QF1-QF3-конт.авт.управл.(Авт)-контакт
РВП-КМ-КК-фаза А;
Контактор КМ замкнет свой
контакт в цепи:
Фаза С-QF3-QF1-конт.авт.управл.(Авт)-контакт
КМ-КМ-КК-фаза А;
И разомкнет контакт в цепи:
Фаза С-QF3-QF1-конт.авт.управл.(Авт)-контакт
КМ-РВП-фаза А;
Двигатель получает питание. Так
же предусмотрены контакты ДУ, для подключения устройств осуществляющих
дистанционное управление станком-качалкой.
1.2 Монтажная схема щита управления
Станок-качалка устанавливается
на специально подготовленном фундаменте (обычно бетонном), на котором
устанавливаются: платформа, стойка и щит управления.
На платформу
устанавливается редуктор и электродвигатель. Иногда электродвигатель расположен
под платформой. Последний вариант имеет повышенную опасность, поэтому
встречается редко.
Щит управления
представляет собой коробочный блок, в котором расположено электрическое
оборудование.
Для проведения монтажных работ
необходима монтажная схема, которая обеспечит наглядность и доступность схемы.
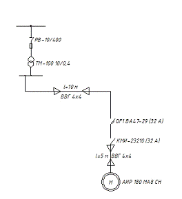
Рис 2
- монтажная схема СК
Обозначения
A,
B, C
- фазы;
N
- нулевая жила кабеля;
QF
- автоматический выключатель;
HL
- лампы сигнализации;
KK
- тепловое реле;
KT
- реле времени;
KM
- контактор малогабаритный;
SA
- переключатель;
ДУ - контакты для подключения
устройств дистанционного управления;
XS
- штепсельный разъем (разборное соединение).
.3 Выбор исполнительного
механизма
Так как объекты нефтепромысла
являются пожаро- и взрывоопасными, в качестве исполнительного механизма выбран
двигатель АИР 180 МА8 СН.
Двигатель полностью отвечает
требованиям безопасности.
Таблица 1 - Технические характеристики
электродвигателя
|
Марка
|
Мощность,
кВт
|
Частота
вращения, об/мин
|
Коэффициент
мощности cosφ
|
КПД
|
Масса,
кг
|
|
АИР
180 МА8 СН
|
15
|
750
|
0,8
|
70%
|
180
|
2.
РАСЧЕТНАЯ ЧАСТЬ
.1 Выбор автоматических
выключателей
Автоматические выключатели служат для защиты
цепей от токов короткого замыкания и перегрузок. Их выбор осуществляется по
номинальному току и напряжению.
Iном.ав ≥
Iр,
где Iном.ав-ток
номинальный автомата, А;
Iр-расчетный
ток двигателя, находится по формуле:

[А],
=
;
Выбираем трехполюсной автоматический
выключатель ВА47-29 фирмы ИЭК.
Таблица 2 - Технические
характеристики ВА47-29
|
Марка
|
Обозначение
по схеме
|
Uном,В
|
Iном,
А
|
|
ВА
47-29 3Р
|
QF1
|
400
|
32
|
|
ВА
47-29 3Р
|
QF2
|
400
|
32
|
Проверим выбранный автомат по току:
Iном.ав ≥
Iр;
Iном.ав
= 32 А, Iр
= 27 А
А ≥ 27 А - условие выполняется.
Проверим выбранные автоматы по напряжению:
Uном.ав
≥ Uуст;
Uном.ав
= 0,4 кВ, Uуст,
= 0,4 кВ
,4 кВ ≥ 0,4 кВ - условие выполняется.
Для защиты цепей
управления выберем однополюсной автоматический выключатель исходя из следующих
условий: в цепях управления установлен один малогабаритный контактор КМИ-23210.
Мощность катушки
управления составляет 60 ВА. Таким образом,
Iр =
(1*0,06)/0,4=0,15
А
Выбираем однополюсной автоматический выключатель
ВА47-29 фирмы ИЭК.
Таблица 3 - Технические характеристики ВА47-29
|
Марка
|
Обозначение
по схеме
|
Uном,В
|
Iном,
А
|
|
ВА
47-29 1Р
|
QF3
|
400
|
1
|
Проверим выбранный автомат по току:
Iном.ав ≥
Iр;
Iном.ав
= 1 А, Iр
= 0,15 А
А≥ 0,15 А - условие выполняется.
Проверим выбранные автоматы по напряжению:
Uном.ав
≥ Uуст;
Uном.ав
= 0,4 кВ, Uуст,
= 0,4 кВ
,4 кВ ≥ 0,4 кВ - условие выполняется.
2.2 Выбор малогабаритных
контакторов для силовой цепи и цепи управления
Контакторы служат для дистанционного управления
двигателями. Их выбор осуществляется по номинальному току и напряжению.
Выберем контактор КМИ-23210 для
цепи управления.
Iном.мп
≥ Iр,
32 А ≥ 27 А-условие выполняется;
Uном.мп
≥ Uуст,
400 В ≥ 400 В - условие выполняется.
Таблица 4 - Технические
характеристики контактора
|
Марка
|
Обозначение
по схеме
|
Uном,В
|
Iном,
А
|
Uупр, В
|
Наличие
блок-контакта
|
|
КМИ-23210
|
КМ
|
400
|
32
|
400
|
1Р
|
Поскольку определяющим для
цепей управления является наличие определенного числа нормально замкнутых и
разомкнутых контактов, то выбираем контакторы КМИ первой величины с цепями
управления Uупр=400 В. Для обеспечения коммутационной способности
достаточно применить контакторы с номинальным током главных цепей 32 А.
2.3 Выбор светосигнальной арматуры
В качестве
сигнальных ламп выбираем светодиодные индикаторы красного и
зеленого цвета AD’22DS.
Uном.HL
≥
Uуст;
230 В ≥ 230 В-условие выполняется.
Таблица 5 - Технические характеристики
индикаторов
|
Марка
|
Обозначение
по схеме
|
Uном,В
|
Цвет
|
Диаметр,
мм
|
|
AD'22DS
|
HL1
|
зеленый
|
22
|
|
AD'22DS
|
HL2
|
230
|
красный
|
22
|
|
AD'22DS
|
HL3
|
230
|
красный
|
22
|
2.4 Выбор переключателей
Выбираем универсальный переключатель
режимов работы типа ALCLR'22 на три фиксированных
положения «I-II-III»,
и переключатель того же типа на два положения «I-О».
Uном.SA
≥
Uуст;
400 В ≥ 400 В - условие выполняется.
Таблица 6 - Технические характеристики
переключателя
|
Марка
|
Обозначение
по схеме
|
Uном,В
|
Iном,
А
|
Цвет
|
Диаметр,
мм
|
|
ALCLR'22
|
SA1
|
400
|
7,5
|
черный
|
22
|
|
ALCLR'22
|
SA2
|
400
|
7,5
|
черный
|
22
|
2.5 Выбор штепсельных разъемов
Выбираем
штепсельный разъем марки РШК 4х60, для обеспечения надежной коммутации цепей
управления и автоматики 0,4 кВ.
Таблица 7 - Технические характеристики
|
Марка
|
Обозначение
по схеме
|
Uном,В
|
Iном,
А
|
Количество
контактов
|
|
РШК
4х60
|
XS
|
400
|
60
|
4
|
2.6 Выбор проводов и кабелей
а) Определяем длину монтажного провода по
монтажной схеме и выбираем провод по допустимому току.
Выберем провод ПВ 1×2,5
Iк.доп =
33 А (на воздухе). Так как нагрузка силовой части составляет 27 А, то провод
выбран верно.
Таблица 8 - Технические характеристики провода
ПВ 1х2,5
|
Марка
|
Iк.доп,
А
|
Iр,
А
|
Uном,В
|
Особенности
|
|
ПВ
1х2,5
|
33
|
27
|
400
|
Однопроволочный,
для монтажа силовых цепей и цепей управления
|
Расчитаем активное и реактивное сопротивление
провода:
r = r0
* l - активное
сопротивление;
х= х0 * l
- реактивное сопротивление;
P,Q
- активное и реактивное сопротивление;
l - длина;
r0
= 12,3 мОм/м;
х0 = 0,126 мОм/м;
l = 10 м;
r = r0*l
= 12,3*10 = 123 мОм;
б) Питающий кабель для щита управления и
двигателя СК ВВГ 4×4. Длина
провода 10 и 5 м. Iк.доп=34
А (на воздухе). Проверим выбранный провод по допустимому току.
Так как нагрузка силовой части составляет 27 А,
то кабель выбран верно.
Таблица 9 - Технические характеристики провода
ВВГ 4х4
|
Марка
|
Iк.доп,
А
|
Iр,
А
|
Uном,В
|
Особенности
|
|
ВВГ
4х4
|
34
|
27
|
400
|
Многопроволочная медная жила для подачи питания
|
Проверим ВВГ 4х4 по потере напряжения

,
где r
= r0 * l
- активное сопротивление кабеля;
х= х0 * l
- реактивное сопротивление кабеля;
P,Q
- активное и реактивное сопротивление кабеля;
l - длина;
(отрезок кабеля ТП - щит 10м)
r0
= 4,63 мОм/м;
х0 = 0,107 мОм/м;
l = 15 м;
r = r0*l
= 4,63*10 = 46,3 мОм;
х = х0*l
= 0,107*10 = 1,07 мОм;
Pном=
15 кВт;

= 0,8;
Qн = Рн*tg*
= 
= 15 * 
= 11,25 кВАр

= 
=
= 1,76 В



;
19 ≥ 1,76 В - условие выполняется.
(отрезок кабеля щит-двигатель 5м)
r0 = 4,63
мОм/м;
х0 = 0,107 мОм/м;
l = 15 м;
r = r0*l = 4,63*5 =
23,15 мОм;
х = х0*l = 0,107*5
= 0,53 мОм;
Pном= 15 кВт;

= 0,8;
Qн = Рн*tg*
= 
= 15 * 
= 11,25 кВАр

= 
=
= 0,88 В



;
19 ≥ 0,88 В - условие
выполняется.
Таблица 10 - Потери напряжения в
силовых кабелях ВВГ 4х4
|
Трасса
|
Марка
кабеля
|
Iк.доп, А
|
Iр, А
|
Р,
кВт
|
Q,
кВАр
|
Длина,
м
|
x0, мОм/м
|
r0, мОм/м
|
x, мОм
|
r, мОм
|
ΔU,
В
|
|
ТП-щит
|
ВВГ
4×4
|
34
|
27
|
15
|
11,25
|
10
|
0,107
|
4,63
|
1,07
|
46,3
|
1,76
|
ВВГ
4×4
|
34
|
27
|
15
|
11,25
|
5
|
0,107
|
4,63
|
0,53
|
23,15
|
0,88
|
2.7 Расчёт токов короткого замыкания
Произведем расчет тока трехфазного короткого
замыкания.
. Зарисуем расчетную схему (рис 3).
станок оборудование ток замыкание
Рис 3 - расчетная схема
. По расчетной схеме начертим схему замещения
(рис 4).
Рис 4 - Схема замещения
.Определим сопротивление до точки КЗ
Сопротивления шины ТП:
r0
= 0,31 мОм/м;
х0 = 0,18 мОм/м;
Тогда r
= r0 * l
= 0,31 * 1 = 0,31 мОм (l-длина,
l=1м);
х= х0*l
= 0,18 * 1 = 0,18 мОм.
Определим суммарное сопротивление до точки КЗ
хк1= хтр + хштп
=
64,7+0,18+4,5+1,07+0,53=70,98 мОм;
rк1=
rтр +
rруб +
rштп +
31,5+0,4+0,31+5,5+5,5+44,3
+ +23,15 =110,66 мОм;
Определим полное сопротивление до точки КЗ
Zкз=
= 
=131,46 мОм;
Определим ток трехфазного короткого
замыкания
Таблица 11 - Расчёт токов короткого
замыкания
|
Точка
|
Результирующее сопротивление xk, мОм
|
Результирующее сопротивление rk, мОм
|
Результирующее сопротивление zk, мОм
|
Ток трехфазного КЗ, кА
|
|
Точка КЗ
|
70,98
|
110,66
|
131,46
|
1,75
|
2.8 Расчет заземления
1. Определим сопротивление
грунта. Грунт в районе ТП - глина, следовательно,
Ом*м (по таблице 1.13.3);
. Определим коэффициент
сезонности (по таблице 1.13.2)
Примем
, для вертикального вида заземлителя и второй климатической зоны.
. Определим сопротивление
вертикального заземлителя:
Ом;
. Определим количество
вертикальных заземлителей:
,
где
нормируемое сопротивление заземляющих устройств;
. Определим количество
вертикальных электродов с учетом их экранирования:
где
- коэффициент использования электродов (таблица 1.13.5);
. Определим сопротивление
вертикальных заземлителей при принятом количестве:
;
. Определим длину
соединительной полосы:
,
где а - расстояние между
электродами;
. Определим сопротивление
соединительной полосы:
,
где b - ширина соединительной полосы
(0,04м);
t - глубина заложения (0,8м).
. Общее сопротивление
заземляющего устройства:
.
3.
ЭКОНОМИЧЕСКАЯ ЧАСТЬ
Для сборки щита управления
станком-качалкой выбрано необходимое оборудование и составлена смета затрат
|
№ п/п
|
Наименование
|
Цена, руб
|
Кол-во, шт
|
Стоимость, руб
|
|
1
|
Эл.двигатель АИР 180 МА8 СН
|
22000
|
1
|
22000
|
|
2
|
Контактор малогабаритный КМИ-23210 ИЭК
|
370
|
1
|
370
|
|
3
|
Автоматический выключатель ВА 47-29 3Р С32 ИЭК
|
350
|
1
|
350
|
|
4
|
Автоматический выключатель ВА 47-29 1Р С1 ИЭК
|
87
|
1
|
87
|
|
6
|
Реле тепловое РТИ-2355 ИЭК
|
400
|
1
|
400
|
|
7
|
Переключатель ALCLR22 ИЭК
|
137
|
1
|
137
|
|
8
|
Лампа сигнализации AD22DS ИЭК
|
43
|
3
|
129
|
|
9
|
Щит с монтажной панелью ЩМП-3 ИЭК (550х500х220) YKM40-03-31
|
4000
|
1
|
4000
|
|
10
|
Кабель ВВГ 4х4
|
47
|
20
|
940
|
|
11
|
Розетка щитовая ШЩ 4х60-Р
|
1067
|
1
|
1067
|
|
12
|
Провод ПВ1 1х4
|
15
|
10
|
150
|
|
13
|
Универсальный переключатель УП
|
600
|
1
|
600
|
|
14
|
Контактор малогабаритный КМИ-23210 ИЭК
|
370
|
1
|
370
|
Приставка выдержки времени ПВИ-12 ИЭК
|
62
|
1
|
62
|
|
16
|
Приставка ПКИ-22 ИЭК
|
62
|
1
|
62
|
|
1
|
Стоимость оборудования:
|
30724
|
|
2
|
Монтаж (50% от стоимости материалов), руб.
|
15362
|
|
3
|
Расходы на транспортировку (1% от стоимости материалов), руб.
|
307,24
|
|
4
|
Капитальные затраты, руб.
|
46393,24
|
Заключение
Цель работы достигнута - схема управления
станком качалкой спроектирована.
При выполнении данной работы были произведены
расчет электрической схемы, выбрано оборудование, аппараты управления и защиты,
провода и кабели. Разработана электрическая и монтажная схема в среде программы
Автодеск Автокад.
Был изучен и описан принцип работы элементов
схемы, а так изучен принцип действия двуплечих СК нефтепромысла.
Был составлен перечень используемых элементов и
рассчитана стоимость изделий и аппаратов.
Список
использованных источников
1 Алиев
И.И. Справочник по электротехнике и электрооборудованию: Учебное пособие для
вузов. -2-е изд., доп. - М.: Высшая школа., 2000.
2 Каталог
продукции ИЭК 2009 СК-ПРОМСЕРВИС.
3 Расчет
и проектирование схем электроснабжения. Методика курсового проектирования. -
М.: ФОРУМ: ИНФРА-М, 2010.-214с., ил.-Профессиональное образование;
4 Правила
устройства электроустановок 7-е издание
5 http://ru.wikipedia.org/