Проектирование насосной станции системы водоснабжения

  • Вид работы:
    Контрольная работа
  • Предмет:
    Другое
  • Язык:
    Русский
    ,
    Формат файла:
    MS Word
    62,53 Кб
  • Опубликовано:
    2015-05-29
Вы можете узнать стоимость помощи в написании студенческой работы.
Помощь в написании работы, которую точно примут!

Проектирование насосной станции системы водоснабжения

Исходные данные

1.      Число жителей - 65000 чел.

2.      Суточная подача-53000 м3/сут.

.        Длина напорных водоводов - 2500 м

.        Общий коэффициент неравномерности -1,6

.        Расчетные отметки:

.1 Отметка минимального уровня воды в РЧВ (дно)- 72,000 м

.2 Отметки поверхности земли у насосной станции - 74,000 м

.3 Отметки поверхности земли в конце водовода- 100 м

. Свободный напор - 15 м

. Расчетный расход на наружное пожаротушение - 25 л/с

. Уровень грунтовых вод - 71,000 м

1. Определение расчетных расходов

Чтобы подобрать оборудование необходимо определить расчетные расходы и полный напор насосов при различных режимах работы.

. Определение расчетных расходов

а) Средний расход:

Qср. = 4,17% от Qсут= Qсут./24=53000:24=2208,3 м3/ч=613,4 л/с

б) Максимальный расход:

Qмах = Qср. Кч=1,6*2208,3 м3/ч=3533,3:3,6=981,5 л/с

в) Минимальный расход:

Qмin =1,55% от Qсут = Qсут: 100·1,55= 1007,5 м3/ч= 280 л/с

г) Максимальный расход в период пожаротушения:

Qмакс.пож.= Qмакс. + Qпож. =981+25=1006л/с

Результаты расчетов сводим в таблицу №1

. Определение диаметров водоводов и потерь напора в нем

Насосная станция подает воду в город по двум параллельным водоводам, т.к. по требованиям СНиП мы должны обеспечить бесперебойную работу насосной станции.

Для определения диаметра водовода и потерь напора в нем необходимо пользоваться таблицами А.Ф.Шевелева, в которых экономические диаметры выделены рамками.

Таблица №1. Расчетные расходы при различных режимах работы насосной станции в часы: минимального, среднего, максимального, а также в часы пожаротушения, водопотребления


Режим работы (расход в % от Q сут.)

Q1 (л/с)

Qвод. 3/с)

Q2вод. 62)

Sвод= AT х lвод (с25)

hвод.=SQ21·1,1 (м)

Нг+hвс'+hn (м)

Н=Нг+∑hw (м)

1.

Минимальный расход % от Q сут.

280

0,14

0,0196

103,84

2,2

30,5

33,2

2.

Средний 4,17% от Q сут.

613,4

0,307

0,0942


10,75


41,75

3

Максимальный расход Kч.Qср

981,5

0,491

0,241


27,5


58,5

4

Макс.при пожаре

1006,5

0,503

0,25


28,5


59,5


Н =Нг + ∑h

По числу жителей и суточной подаче относим НС ко второй категории надежности действия, поэтому согласно п.5.8. СНиП 2.04.03-85 принимаем два водовода.

Исходя из экономически найвыгодных скоростей (п.7.9. СНиП 2.04.02.84) назначаем диаметр напорных водоводов по формуле:

dвод = √ (4·Qвод)/( π·Vэк)= √4∙0,491/3,14∙1,5= 0,645м

Принимаем диаметр труб 600 мм,

Материал - чугунные трубы.

При этом V = 1,73 м/с

i = 6,26 м

Ат = 0,02596 с26;

Где Ат- удельное сопротивление труб.

Потери напора в водоводе составят:

hвод = 1,1·1000 i·Lвод = 6,26х1,1х 4=27,5м

hвод = SQ2 =103,84·(0,491)2= 27,5м

Sвод = Aт·l = 0,02596·4000= 103,84с25;

. Определение полного напора насоса

Полный напор насоса при максимальной подаче равен

Н = Нг + ∑h = 27,5+26,3+2,5 = 56,3м

где: Hг - геометрический напор,

(hсв + hн) - сумма потерь напора в коммуникациях насосной станции,

hвод - потери напора по длине водовода;

Hг =(Zкон- Zмин) + Нсв = (100-72) + 15 = 28м

Сумма потерь (hсв + hн) во всасывающих и напорных соединительных линиях предварительно принимаем равными 2,5м.

(Эти потери в дальнейшем расчете уточняются).

Нп = Нг+∑h = 56,3м

По максимальному расходу 981,5 л/с и полному напору 56,3 м по каталогу насосов подбираем насос марки Д800-57 в количестве 4 штук.

Согласно п.5.4.СниП 2.04.03 - 85 на НС 1 категории при числе рабочих агрегатов до 6 и более 6следует принимать 2 резервных агрегата.

Итого к установке принято 6 насосных агрегата.

Характеристика насоса приведена на рисунке 1.

. Гидравлический расчёт всасывающих и напорных трубопроводов

Для определения внутристанционных потерь напора вычерчиваем аксонометрическую схему (см. рисунок 4) трубопроводов.

На схеме указываем диаметры, арматуру, фасонные части определяем самый невыгодный для расчёта потерь путь движения воды.

Вычисление потерь сводим в таблицу 2.

Диаметры всасывающих и напорных труб определяем по формулам:

dвс = √ (4∙Qbc)/(π∙Vэк) = √(4 ·0,245)/3,14·1,0=0,56м

dн = √ (4∙Qн)/(3,14∙2,0) = √4·0,245/3,14·2=0,4м

dвс кол.= √ (4∙Qbc)/(π∙Vэк) = √(4 ·0,491)/3,14·1,2= 0,79м

Внутристанционные трубопроводы принимаем из стальных труб.

dвс= 800мм dн = 400мм dвс =600мм

Потери напора определяем по формулам:

hвс= Sвс ∙Q2 = 3(0,245)2 = 0,18м hн= Sн ∙Q2 = (0,245)2 = 0,71м

Полученное значение суммы ∑0,18+71= 0,89м (hсв + hн) < 2,5 м, принятой предварительно при подборе насоса

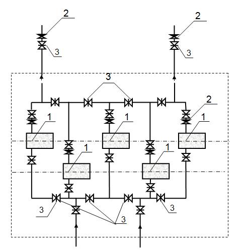
. Компоновка гидромеханического оборудования

Компоновку оборудования выполняем на миллиметровке формата А4. Если количество насосов превышает пяти, целесообразно размещать оборудование в шахматном порядке, как показано на рисунке. При размещении необходимо соблюдать все требования, которые предъявляются к компоновке оборудования.

Рис. 1. Двухрядная компоновка горизонтальных насосов двустороннего входа типа Д800-57: 1- насосы; 2- клапаны обратные поворотные; 3-задвижки.

трубопровод насос электродвигатель трансформатор

Таблица №2. Для построения характеристики водовода

Наименование ь сопротивление

Схема

Кол-во n

Диаметр, d, мм

Ас или Ат

Ζ или l

S=Ас·ζ n S= Ат·l

1. Всасывающая линия

1

Входная воронка


1

800

0,202

0,2

0,0404

2

Колено


1

800

0,202

0,6

0,1212

3

Задвижка


5/1

800/600

0,2

0,202 /0,127

4

Переход сужив-щий


1

300

5,49

0,1

0,0637

5

Прямой участок

---

1

800

0,0055

20

0,11

6

Тройник с поворот.


1/1

800/600

0,202/0,637

1,5

0,303/0,955

7

Тройник транзит


4

800

0,202

0,1

0,0808

2. Напорная линия ∑Sвс= 3,0с25

1

Переход расширяющий


1

400

3,23

0,25

0,81

2

Обратный клапан


1

400

3,23

1,7

5,49

3

Задвижка


1

400

3,23

0,2

0,646

5

Задвижка


5

600

0,637

0,2

0,637

6

Тройник с поворот.


2

600

0,637

1,5

1,91

7

Тройник транзит.


3

0,637

0,1

0,191

8

Прямой участок

---

1

600

0,02262

20

0,4524

9

Обратный клапан


1

600

0,637

1,7

1,08

10

Расходомер


1

600

0,637

1

0,637

∑Sн=11,85с25


. Построение графика совместной работы насосов и водоводов

Характеристику трубопровода строим методом подбора, задаваясь расходом Q1, Q2, Qn и определяя соответствующий напор по уравнению

Н = Нг + ∑hw

где: Нг - геометрический подъём насосов;

S - общие потери напора в системе (водопроводы, всасывающие и соединительные напорные линии внутри насосной станции), с25

Расчёты целесообразнее вести в табличной формуле(см табл.3).

S = Sвод + Sвс + Sн = 103,84+3,0+11,85 =118,7с25

где: Sвод= Ат·l =103,84с25

Sвс = 3,0с25 Sн = 11,85с25 (из табл. 2)

Таблица 3.

Расход

Q2вод м3

S  с25

hw= SQ2 М

Нг м

Нполн = Нг + +∑hw  м


Qвод л/с

Q м3






1

200

0,2

0,04

118,7

4,7

28

32,7

2

300

0,3

0,09


10,7


38,7

3

491

0,491

0,241


28,6


56,6

4

6600

0,6

0,36


42,7

5

700

0,7

0,49


58,2


86,0


. Определение отметки оси насоса

Для нормальной работы насоса его корпус располагают под заливом, т.е. на 0,3-0,5 м ниже минимального уровня воды в РЧВ. Это облегчает их запуск и упрощает схему автоматизации. Для объединенной хозяйственно-противопожарной группы насосов за минимальный уровень воды принимается уровень пожарного запаса.

Тогда ОН= ▼пож.зап. - 0,5 - hагр. до оси, =(72,0+1,3)-0,5-0,5 = 72,3м,

где: hагр. до оси - высота насоса до оси (принимается по каталогу или установочному чертежу)

Рис. 2

8. Определение глубины машинного зала и высоты надземной части здания насосной станции

Отметка пола машзала определена по формуле:

▼ пола = ОН - hагрдо низа - hф =72,3-1,1= 71,2м

где: hагрдо низа = 0,70м -- высота насоса до оси; (принимаем по установочному чертежу ).

hф -- высота фундамента не менее 0,4 м,

Принимаем глубину машзала (▼ пов.земли + 0,15 ) - ▼ пола =

,15 - 71,2= 2,95м

Глубина машинного зала равна Hм.з. = 2,95м

Значит, насосная станция относится к полузаглубленным зданиям, т.е. над машинным залом не надо устраивать перекрытие. Монтаж и демонтаж оборудования будет производиться одним краном электрическим подвесным, грузоподъемностью 3,2т.

Тогда высоту верхнего строения можно определить по формуле:

Нверх. = hтр+ hп + hгр + hс+ (H1+ h)= 1,2+0,5+1,2+0,7+1,955 = 5,56 м

. Определение мощности электродвигателей и подбор трансформаторов

Мощность электродвигателей определяем по формуле:

Nдв. = Кз · Nвал ;

Nвал = Q1 · H1/(102 · η1) =305*39,8/102·0,65= 183кВт

Рисунок 3

Nдв. = 183·1,1= 201кВт

где: Q, H1, η1 -- параметры, принятые по графику совместной работы, при работе 1-го насоса на два водовода.

Кз -- коэффициент запаса.

при: N до 100 кВт Кз = 1,2

N > 100 кВт Кз = 1,1

Принимаем электродвигатель марки 4А355S4У3 N = 250 кВт

. Мощность трансформаторов

Мощность трансформаторов определяем по формуле:

Р = (Кс · ∑Nсут)/( ηдв · cos φ) + 10 = 0,8·4·250/0,85·0,93+10= 1022кВА

где: ∑N -- мощность электродвигателей без резервных

Кс -- коэффициент спроса по мощности;

при двух электродвигателях - Кс = 0,9;

–          при трёх электродвигателях - Кс = 0,85;

–       при четырёх - Кс = 0,8;

Значение ηдв.,cos φ -- берутся из технических характеристик электродвигателей:

ηдв = 0,93

cos φ = 0,85

К установке принимаются 3 трансформатора понижающих напряжение с 6кВ до 0,38В мощностью 750кВА каждый

При работе двух трансформатора на всю нагрузку, перегрузка составит:

Кпер = 1022/750=1,36<1,4. что является в пределах нормы.

. Определение ёмкости РЧВ

Насосная станция второго подъема расположена на площадке станции обработки воды. Очищенная вода после обработки самотеком поступает равномерно в резервуары чистой воды. Насосами второго подъема она подается непосредственно в сеть по двум напорным водоводам диаметром 600 мм длиной 4 км. Емкость резервуаров чистой воды при насосной станции второго подъема - W, определяется как сумма регулирующей емкости - Wрег и запасной емкости для пожаротушения Wпож., то есть

W = Wрег + Wпож,

Регулирующую емкость резервуаров можно определять, по формуле П.9.2. СНиП 2.04.02-84:

Wрег = Qсут [1 - Kн + ( Kч - 1) (K н / K ч )Кч /Kч-1],

где Кч - коэффициент часовой неравномерности водопотребления;

Кн - отношение максимальной часовой подачи в резервуары к среднему часовому расходу водопотребления.

Принимая Кн = 1, определим по этой формуле Wрег, в рассматриваемом примере Кч = 1,5 Qсут = 53000 м3/сут.

Причем эту емкость Wрег следует увеличить на 3-5 % на нужды станции, например на промывку фильтров.

Тогда

Wрег = К ·Qсут [1 - Kн + ( Kч - 1) (K н / K ч )Кч /Kч-1]=53000(1-1+(1,6-1)(1/1,6)1,6/1,6-1) = 9116м3

К= 1,03-1,05;

Запасная емкость резервуаров чистой воды для пожаротушения определяется по следующей формуле:

Wпож = 3 (Qмакс - Qср + Qпож) =3(3533-2208+90) = 4245м3,

Где Qпож - общий пожарный расход в м3/ч, Qмакс, Qср- соответственно максимальный и средний расходы водопотребления в м3/ч.= 9116+4245=13361м3

Количество РЧВ должно быть не менее двух. Резервуары могут быть круглыми или прямоугольными в плане. Круглые проектируют для малых объемов, до 2000м3.

Наиболее экономичными являются прямоугольные резервуары глубиной рез = 4 - 5м. Общая площадь резервуаров определяется так:

Fрез= W / hрез=3340м2

Глубина пожарного запаса, определяющая расчетный минимальный уровень воды в резервуарах, это

hпож = Wпож/ Fрез= 4245/ 3340= 1,3м

. Составление спецификации оборудования и трубопроводной арматуры

В спецификацию включается основное насосное оборудование и электротехническое оборудование, подъемно-транспортное оборудование, контрольно - измерительные приборы, а также вспомогательное оборудование, к которому относятся дренажные насосы, насосы технического водоснабжения и трубопроводная арматура 9задвижки, затворы, обратные поворотные клапаны, клапаны приемные с сеткой, гасители гидравлического удара и др.).

Вначале указывают все насосы, затем грузоподъемное оборудование и после этого все задвижки в порядке убывания размера диаметра. После задвижек приводят клапаны и в заключении контрольно-измерительные приборы.

Задвижки подбираем по диаметру и давлению: на всасывающей линии принимаем задвижки с электроприводом на минимальное давление 0,25 МПа, а на напорной линии задвижки подбираем на давление в зависимости от напора насоса. Так как напор насоса в данном проекте равен 56 м в рабочей точке, необходимо проверить напор при нулевой подаче, т.к. он обычно больше, чем напор в режимной точке. После этого по каталогу принимаем задвижки на давление не менее 1,0 МПа. Если в каталоге нет задвижки на это давление, можно принять задвижку на большее давление, но ни в коем случае не меньше.

Похожие работы на - Проектирование насосной станции системы водоснабжения

 

Не нашли материал для своей работы?
Поможем написать уникальную работу
Без плагиата!
Без нейросетей!