Привод к смесителю кормов
МИНИСТЕРСТВО
СЕЛЬСКОГО ХОЗЯЙСТВА РОССИЙСКОЙ ФЕДЕРАЦИИ
ФЕДЕРАЛЬНОЕ
ГОСУДАРСТВЕННОЕ БЮДЖЕТНОЕ ОБРАЗОВАТЕЛЬНОЕ УЧРЕЖДЕНИЕ ВЫСШЕГО ПРОФЕССИОНАЛЬНОГО
ОБРАЗОВАНИЯ
Азово-Черноморская
государственная агроинженерная академия
Факультет
Агротехнологический Кафедра Т и ПМ
КУРСОВОЙ
ПРОЕКТ
Тема:
Привод к смесителю кормов
Выполнил Никитин А.А.
Руководитель Скворцов В.П.
Зерноград
2013 г.
Аннотация
В общей расчетной части проекта произведен
кинематический расчет привода, расчет клиноременной передачи, расчет закрытой
конической передачи, расчет валов.
Содержание
Введение
. Схема
и описание привода
. Выбор
электродвигателя и кинематический расчет привода
.1 Выбор
электродвигателя
.2 Кинематический
расчет привода
. Расчет
передач
.1
Расчет клиноременной передачи
.2
Расчет закрытой конической передачи
.
Расчет валов
.1
Проектный расчет валов
.2
Проверочный расчет вала на статическую прочность
.
Выбор и проверка подшипников
.
Выбор и проверка прочности шпоночных соединений
.Проверочный
расчет вала на усталость
.
Расчет и конструирование шкивов
.
Смазывание редуктора
.
Выбор муфты для постоянного соединения валов
Литература
Введение
Курсовой проект по «ДМ и ОК» выполняется с целью
усвоение учебного материала и овладения методами расчета, проектирования и основ
конструирования.
Проектирование и конструирование представляют
собой творческий поиск оптимального варианта строительного синтеза механизма,
материалов, форм и размеров деталей, а также установление взаимосвязи различных
элементов для реализации требований технического задания с учетом достижений
науки и техники и возможностей промышленности.
Важное место при решении вопросов механизации
процессов в полеводстве, животноводстве, перерабатывающем производстве
отводится средствам малой механизации, а в частности приводам.
Ускорение научно-технического прогресса в
сельском хозяйстве, разработке и внедрению высокоэффективных машин,
способствует улучшению теории, принципа работы, устройства машин и механизмов.
1. Схема и описание привода
Рисунок 1. Привод к смесителю кормов
. Электродвигатель
. Клиноременная передача
. Редуктор
. Муфта
Мощность на валу смесителя -
Угловая скорость вала смесителя -
Опоры - подшипники качения,
Срок службы -
2. Выбор электродвигателя и кинематический
расчет привода
.1 Выбор электродвигателя
Мощность двигателя определяется по формуле:
, (1.1)
где
- мощность на выходном валу
привода;
;
- коэффициент полезного действия
привода, определяемый по формуле:
(1.2)
где
- коэффициент полезного действия
муфты;
, /2/;
- коэффициент полезного действия
клиноременной передачи;
, /2/;
- коэффициент полезного действия
конического редуктора;
, /2/;
-
коэффициент полезного действия подшипника;
, /2/;
-
количество пар подшипников;
=2.
Подставив значения в формулу (1.2),
получим:
Подставив полученное значение в
формулу (1.1), получим:
По /2/ принимаем электродвигатель
4А132М6У3, для которого
,
.
Частота вращения выходного вала
привода определяется по формуле:
, (1.3)
где
- угловая скорость выходного вала;
.
Тогда
1.2 Кинематический расчет привода
Общее передаточное отношение привода
определяется по формуле:
, (1.4)
где
Подставив данные значения в формулу
(1.4), получим:
Принимаем передаточное отношение
закрытой зубчатой передачи
, /2/ Тогда передаточное отношение клиноременной
передачи составит:
(1.5)
.
3. Расчет передач
.1 Расчет клиноременной передачи
) Исходные данные:
2) Схема передачи
Рисунок 2. Клиноременная передача
) Для
принимаем
ремень нормального сечения типа Б (
) с кордтканевым сердечником, /2/.
) Расчет диаметра шкивов:
· Диаметр ведущего шкива определяется
по формуле:
, (1.6)
где
- вращающий момент на валу ведущего
шкива;
Подставив данное значение в формулу
(1.6), получим:
Сравнивая полученный интервал
значений
с
, /2/,
принимаем по ГОСТ 17383-73
.
· Диаметр ведомого шкива определяется
по формуле:
, (1.7)
где
;
- относительное скольжение ремня;
, /1/.
Подставив данные значения в формулу
(1.7), получим:
По ГОСТ 17383-73 принимаем
5) Уточним передаточное отношение:
Сравним данное передаточное
отношение с найденным ранее:
Следовательно, окончательно
принимаем диаметры шкивов
6) Определим межосевое расстояние по
формулам:
, (1.8)
где
- высота сечения клинового ремня;
;
Тогда
Принимаем значение
.
7) Определим расчетную длину ремня по
формуле:
, (1.9)
Тогда
По ГОСТ 1284.1-80 принимаем
.
8) Уточненное межосевое расстояние с учетом
стандартной длины ремня определяем по формуле:
, (1.10)
где
Подставив данные значения в формулу
(1.10), получим:
9) Определим угол обхвата ремнем ведущего
шкива по формуле:
, (1.11)
где
Подставив данные значения в формулу
(1.11), получим:
10) Определим фактическую скорость ремня по формуле:
, (1.12)
где
Подставив данные значения в формулу
(1.11), получим:
11) Проверим ремень по числу пробегов по
формуле:
, (1.13)
где
Подставив данные значения в формулу
(1.13), получим:
12) Определим допускаемую мощность,
передаваемую одним клиновым ремнем в проектируемых условиях по формуле:
, (1.14)
где
- допускаемая мощность,
передаваемая ремнем в средних условиях эксплуатации;
, /2/;
- коэффициент режима работы;
- работа
односменная, /2/;
- коэффициент угла обхвата;
- угол
обхвата
, /2/;
- коэффициент влияния центробежной
силы;
, /2/;
- коэффициент угла наклона
передачи; 
=1- угол наклона
, /2/;
- коэффициент числа ремней в
передаче; принимаем
, тогда
=0,95;
- коэффициент, учитывающий
отклонение принятой длины ремня от базовой;
, /2/.
Подставив данные значения в формулу
(1.14), получим:
13) Определим число ремней, необходимое для
передачи заданной мощности по формуле:
(1.15)
где
Подставив данные значения в формулу
(1.15), получим:
Принимаем число ремней
14) Определим силу предварительного натяжения
одного ремня по формуле:
(1.16)
где
- площадь сечения ремня;
;
- напряжение от предварительного
натяжения ремня;
/2/.
Подставив данные значения в формулу
(1.16), получим:
15) Определим окружную силу, приходящуюся на
один ремень по формуле:
(1.17)
где
Подставив данные значения в формулу
(1.17) получим:
16) Определим силу натяжения ведущей ветви
одного ремня по формуле:
(1.19)
где
Подставив данные значения в формулу
(1.19), получим:
17) Определим силу, действующую на валы в
ременной передачи по формуле:
(1.20)
где
Подставив данные значения в формулу
(1.20), получим:
18) Выполним проверочный расчет принятой
ременной передачи по максимальным напряжениям в ремне по формуле:
(1.21)
где
/2/,
- полезное напряжение от окружной
силы:
, (1.22)
где
Подставив данные значения в формулу
(1.22), получим:
- напряжение от центробежной силы:
(1.23)
где
- плотность материала;
,/2/;
Подставив данные значения в формулу
(1.23), получим:
- напряжение в ремне от его изгиба
на ведущем шкиве:
(1.24)
где
- модуль продольной упругости;
/2/;
Подставив данные значения в формулу
(1.24), получим:
Подставив полученные значения в
формулу (1.21). получим:
Прочность принятых двух ремней
сечения Б обеспечена.
привод вал подшипник редуктор
3.2 Расчет закрытой конической передачи
Рисунок 3 . Закрытая коническая
передача
1) Исходные данные:
2) Так кА в задании нет особых требований в
отношении габаритов передачи, предполагая мелкосерийное производство, выбираем
материалы со средними механическими характеристиками по /2/:
· Для шестерни сталь 40Х, твердость
НВ=270;
· Для колеса сталь 40Х, твердость
НВ=245.
) Определим допускаемые контактные
напряжения по формуле:
(1.25)
где
- предел контактной выносливости
при базовом числе циклов:
- коэффициент долговечности:
(1.26)
где
- базовое число циклов;
- при
НВ=245, /2/;
- эквивалентное число циклов при
постоянной нагрузке:
(1.27)
где
;
- число нагружений за один оборот;
, /2/;
Подставив данные значения в формулу
(1.27), получим:
Так как число циклов нагружения
больше базового (
), то
согласно формуле (1.26) получаем
, поэтому принимаем
- коэффициент безопасности;
, /2/.
Подставив полученные значения в
формулу (1.25), получим:
4) Определим внешний делительный диаметр
колеса по формуле:
(1.28)
где
;
- коэффициент, учитывающий
распределение нагрузки по ширине венца;
, /2/;
- приведенный модуль упругости для
стальных колес;
, /2/;
;
;
- опытный коэффициент,
характеризующий понижение прочности конической прямозубой передачи по сравнению
с цилиндрической;
, /2/;
- коэффициент ширины венца по
отношению к внешнему конусному расстоянию;
, /2/.
Подставив данные значения в формулу
(1.28), получим:
Принимаем по ГОСТ 12289-76
Сравниваем принятое стандартное
значение
с ранее
полученным:
.
) Принимаем число зубьев
шестерни
) Число зубьев колеса
определяем по формуле:
(1.29)
где
Тогда
Принимаем число зубьев колеса
7) Уточняем передаточное отношение закрытой
конической передачи по формуле:
Сравнивая полученное значение
с заданным,
получаем:
.
8) Определим внешний окружной модуль по
формуле:
(1.30)
где
Подставив данные значения в формулу
(1.30), получим:
) Уточняем значение
по формуле:
,
.
Сравнивая полученное значение
с ранее
найденным, получим:
10) Определяем основные размеры шестерни и
колеса:
· Определим внешнее конусное
расстояние по формуле:
(1.31)
где
Подставив данные значения в формулу
(1.31), получим:
· Определяем углы делительных конусов
по формуле:
, (1.32)
где
Подставив данное значение в формулу
(1.32), получим:
.
· Определим длину зуба по формуле:
(1.33)
где
,
Подставив данные значения в формулу
(1.33), получим:
Принимаем
· Определяем внешний делительный
диаметр шестерни по формуле:
(1.34)
где
Подставив данные значения в формулу
(1.34), получим:
· Определяем внешнюю высоту головки
зуба:
· Определяем внешнюю высоту ножки
зуба:
· Определяем внешнюю высоту зуба:
· Определяем среднее конусное
расстояние:
(1.35)
где
Подставив данные значения в формулу
(1.35), получим:
· Определим средний делительный диаметр шестерни:
(1.36)
где
Подставив данное значение в формулу
(1.36), получим:
· Определим внешние диаметры шестерни
и колеса по вершинам зубьев:
, (1.37)
где
Подставив данные значения в формулу
(1.37), получим:
.
· Определим средний окружной модуль:
, (1.38)
где
Подставив данные значения в формулу
(1.38), получим:
· Определим среднюю окружную скорость
колес:
(1.39)
где
.
Для этой скорости принимаем 9-ю
степень точности изготовления колес, /2/.
11) Проверим зубья по контактным напряжениям
по формуле:
(1.40)
где
- коэффициент нагрузки:
,
где
- коэффициент, учитывающий
распределение нагрузки по длине зуба,
(при
), /2/.
- коэффициент, учитывающий динамическую
нагрузку в зацеплении,
,/2/.
Тогда
.
,
Подставив данные значения в формулу
(1.40), получим:
12) Определим силы, действующие в зацеплении:
· Определим окружную силу по формуле:
(1.41)
где
Подставив данные значения в формулу
(1.41), получим:
· Определим радиальную силу для
шестерни и осевую для колеса по формуле:
(1.42)
где
,
Подставив данные значения в формулу
(1.42), получим:

(1.43)
где
,
Подставив данные значения в формулу
(1.43), получим:
13) Проверим зубья на выносливость по
напряжениям изгиба по формуле:
(1.44)
где
- коэффициент нагрузки,:
где
- учитывает неравномерность
распределения нагрузки по длине зубьев,
, /2/;
- учитывает динамическое действие
нагрузки,
, /2/.
Подставив данные значения, получим:
- коэффициент формы зуба,
выбираемый в зависимости от эквивалентного числа зуба:
- для шестерни:
При
, /1/.
- для колеса:
При
, /1/.
- допускаемое напряжение при
изгибе:
, (1.45)
где
- предел выносливости по
напряжениям изгиба:
;
- коэффициент запаса прочности по
напряжениям изгиба:
,
где
- учитывает нестабильность свойств
материала,
, /2/;
- учитывает способ получения
заготовки,
. /2/.
Подставив данные значения, получим:
- коэффициент, учитывающий влияние
двухстороннего приложения нагрузки,
- нагружение в одну сторону, /2/;
- коэффициент долговечности,
, /2/.
- для шестерни:
.
Тогда
.
- для колеса:
.
Тогда
Отношение
для
шестерни
и для
колеса
.
Далее проверочный расчет проводим
для зубьев колеса, так как
Подставив данные значения в формулу
(1.44) получим:
Условие выполняется.
4. Расчет валов
.1 Проектный расчет валов
) Исходные данные:
Принимаем материал валов сталь
-
допускаемые напряжения при кручении, /2/.
Определим диаметры наиболее тонкой
части валов по формуле:
- для шестерни:
.
Принимаем по стандартному ряду
, /2/.
Остальные диаметры вала принимаем, /2/: под уплотнение
; под
подшипник
; под
шестерню конструктивно
;
промежуточный диаметр
.
Рисунок 4. Ведущий вал редуктора
для колеса:
Принимаем по стандартному ряду
, /2/.
Остальные диаметры вала принимаем, /2/: под уплотнение
; под
подшипник
; под колесо
конструктивно
;
.
Рисунок 5. Ведомый вал редуктора
.2 Проверочный расчет вала на
статическую прочность
1) Исходные данные:
2) Определяем длины участков вала:
где
- ширина шкива,
;
- расстояние под лабиринтовое
уплотнение,
/2/;
- ширина подшипника:
.
)
Принимаем
- расстояние между боковой
поверхностью шестерни и внутренней стенкой корпуса,
(определяется замером).
;
Определим реакции в опорах в
вертикальной плоскости:
Проверка:

Условие выполняется.
Определим изгибающие моменты в
сечениях вертикальной плоскости:
Определим реакции в опорах в
горизонтальной плоскости:
Проверка:
Условие выполняется.
Определим изгибающие моменты в
сечениях горизонтальной плоскости:
Определим суммарные изгибающие
моменты:
Определим расчетные моменты:
Определение диаметров вала в опасных
сечениях проводим из условия прочности:
где
- допускаемые напряжения для
материала вала,
, /2/.
В сечении «А»
Принимаем
В сечении «В»
Принимаем
В сечении «D»
Принимаем
5. Выбор и проверка подшипников
Рисунок 6. Подшипник качения
1) Исходные данные:
Суммарная величина реакций опор (нагрузка на
подшипники) равна:
2) Расчет проводим по наиболее нагруженной
опоре В.
При
принимаем подшипники качения и
проверяем их по динамической грузоподъёмности С.
Так как отношение
, выбираем
радиальные шариковые подшипники.
Принимаем шариковые радиальные
подшипники 4тяжелой серии при
№ 409, для которого:
/2/.
Определим расчетную долговечность
принятого подшипника по формуле:
, (1.49)
где
- эквивалентная нагрузка:
, (1.50)
где
- коэффициент радиальной нагрузки,
,/2/;
- коэффициент, учитывающий, какое
кольцо подшипника вращается,
,/2/;
- коэффициент динамичности нагрузки
воспринимаемой приводом,
, /2/;
- температурный коэффициент,
, /2/.
Подставив данные значения в формулу
(1.47), получим:
Тогда

Расчетная долговечность:
Для ведомого вала назначаем подшипники
такого же типа тяжелой серии.
6. Выбор и проверка прочности шпоночных
соединений
Принимаем призматические шпонки. Размеры сечений
шпонок, пазов длины шпонок по ГОСТ 23360 - 78.
Материал шпонок - сталь 45 нормализованная.
Действительные напряжения смятия определяем из условия прочности:
, (1.51)
Допускаемые напряжения смятия при
стальной ступице
Выбираем размеры шпонок и проверяем
их на смятие, /2/:
a) соединение шкива ременной передачи
свалом:
диаметр вала
; сечение
шпонки
; глубина
паза вала
; глубина
паза втулки
; длина
шпонки
; момент
.
Подставив данные значения в формулу
(1.51), получим:
b) соединение шестерни конической передачи
с валом:
диаметр вала
; сечение
шпонки
; глубина
паза вала
; глубина
паза втулки
; длина
шпонки
; момент
.
Подставив данные значения в формулу
(1.51), получим:
) соединение колеса конической
передачи с валом: диаметр вала
; сечение шпонки
; глубина
паза вала
; глубина
паза втулки
; длина
шпонки
; момент
.
Подставив данные значения в формулу (1.51),
получим:
d) проверяем шпонку под муфтой:
диаметр вала
; сечение
шпонки
; глубина
паза вала
; глубина
паза втулки
; длина
шпонки
; момент
.
Подставив данные значения в формулу
(1.51), получим:
7. Проверочный расчет вала на
усталость
) Предел прочности Ст. 45
. Предел
выносливости при симметричном цикле изгиба
. Принимаем
.
Предел выносливости при симметричном
цикле касательных напряжений
. Принимаем
.
В соответствии с эпюрами моментов и
концентраторами напряжений определяем, что опасными сечениями являются сечения
«А» и «В».
В сечении «А»
Коэффициент запаса прочности по
нормальным напряжениям находим по формуле:
, (1.46)
где
- масштабный фактор для нормальных
напряжений,
,/2/;
- коэффициент, учитывающий влияние
шероховатости поверхности,
, /2/;
- амплитуда цикла нормальных
напряжений:
, (1.47)
где
;
- осевой момент сопротивления:
- эффективный коэффициент
концентрации нормальных напряжений,
, /2/;
- коэффициент, характеризующий
чувствительность материала к асимметрии цикла напряжений,
, /2/;
- среднее напряжение цикла
нормальных напряжений, для сечения, нагруженного осевой силой:
Подставив полученные значения в
формулу (1.46), получим:
Определим коэффициент запаса
прочности по касательным напряжениям по формуле:
, (1.48)
где
- эффективный коэффициент
концентрации касательных напряжений,
, /2/;
- коэффициент, характеризующий
чувствительность материала к асимметрии цикла напряжений,
, /2/;
- масштабный фактор для касательных
напряжений,
,/2/;
- амплитуда цикла нормальных
напряжений:
,
где
;
- момент сопротивления кручению:
.
Подставив данные значения в формулу
(1.48), получим:
.
Результирующий коэффициент запаса
прочности для сечения «А»:
Условие прочности выполняется. В
сечении «В»
Коэффициент запаса прочности по
нормальным напряжениям находим по формуле:
,
где
- масштабный фактор для нормальных
напряжений,
,/2/;
- коэффициент, учитывающий влияние
шероховатости поверхности,
, /2/;
- амплитуда цикла нормальных
напряжений:
,
где
.
- эффективный коэффициент
концентрации нормальных напряжений,
, /2/;
- коэффициент, характеризующий
чувствительность материала к асимметрии цикла напряжений,
, /2/;
- среднее напряжение цикла
нормальных напряжений, для сечения, нагруженного осевой силой:
Подставив полученные значения,
получим:
Определим коэффициент запаса
прочности по касательным напряжениям по формуле:
,
где
;
- коэффициент, характеризующий
чувствительность материала к асимметрии цикла напряжений,
, /2/;
- амплитуда цикла нормальных
напряжений:
,
где
;
Подставив данные значения в формулу
(1.48), получим:
.
Результирующий коэффициент запаса
прочности для сечения «А»:
Маленький коэффициент запаса
прочности объясняется тем, что диаметр под подшипник не намного больше
рассчитанного.
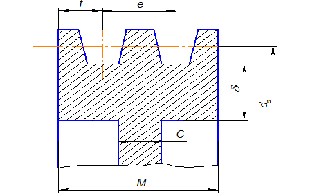
8. Расчет и конструирование шкивов
Рисунок 7. Шкив клиноременной
передачи.
- ширина
шкива:
где
- число ремней;
;
/2/;
, /2/;
Подставив данные значения в формулу
, получим:
- толщина диска:
где
- толщина обода чугунных шкивов
передач:
где
, /2/.
Подставив данное значение в формулу
, получим:
Принимаем
Подставив данное значение в формулу
, получим:
Принимаем
9. Смазывание редуктора
Смазывание зубчатого зацепления производится
окунанием зубчатого колеса в масло, заливаемое внутрь корпуса до погружения
колеса на всю длину зуба.
При контактных напряжениях
и средней
скорости
вязкость
масла должна быть приблизительно равна
, /1/. Принимаем масло
индустриальное И - 30А ( по ГОСТ 20799 - 75*), /1/.
При смазывании окунанием объем
масляной ванны редуктора принимаем из расчета -
масла на 1 кВт предаваемой
мощности.
Тогда при
Подшипники смазываем пластичным
смазочным материалом, закладываемым в подшипниковые камеры при монтаже. Сорт
мази принимаем - солидол марки УС - 2, /1/.
10. Выбор муфты для постоянного соединения валов
Типоразмер муфты выбирают по диаметру вала и по
величине расчетного вращающего момента:
При
;
Принимаем муфту:
.
Выбираем: Муфта фланцевая 2500 - 75
- 1 ГОСТ 20761 - 80
Литература
1. Н.И.
Шабанов. Расчет механических приводов мобильных машин и стационарного
оборудования сельскохозяйственного назначения. Учебное пособие. - Зерноград:
ФГОУ ВПО АЧГАА, 2004.- 189 с.
. С.А.
Чернавский. Курсовое проектирование деталей машин: Учебное пособие. - 3-е изд.,
стереотипное. Перепечатка с издания 1987 г. - М.: ООО ТИД «Альянс», 2005. - 416
с.