Автоматизация технологического процесса уборки навоза в телятнике на 300 голов

  • Вид работы:
    Курсовая работа (т)
  • Предмет:
    Сельское хозяйство
  • Язык:
    Русский
    ,
    Формат файла:
    MS Word
    527,44 Кб
  • Опубликовано:
    2013-07-28
Вы можете узнать стоимость помощи в написании студенческой работы.
Помощь в написании работы, которую точно примут!

Автоматизация технологического процесса уборки навоза в телятнике на 300 голов















Курсовой проект

АТП навоза уборки в телятнике на 300 голов. Автоматизация технологических процессов

Введение

В животноводческих помещениях, фермах должно быть достаточно чисто и не иметь вредных газов, которые выделяются в результате неубранного навоза. Для поддержания параметров внутренних условий чистоты на требуемом уровне. Произведем своевременное удаление навоза из помещения в навозную яму - это будет основной задачей навозотрансформаторов.

Навозоудаление представляет собой ряд мероприятий и устройств для обеспечения чистоты в помещениях и используется несколько технологий по уборке навоза, поэтому нужно правильно выбрать способ уборки навоза и это будет зависеть от многих факторов, и в первую очередь от способов содержания и кормления животных суточного выхода навоза, его физико-механических свойств, конструктивных характеристик помещения, климатических, гидрологических и др. условий.

Все средства механизации навозоуборки могут быть классифицированы как на мобильные, так и на стационарные.

Мобильные механизмы применяют не столько для удаления навоза, но и для транспортировки его в новозохранилище или открытую навозную яму. В эту группу механизмов входят скреперы, бульдозеры, прицепные тракторные тележки и электрифицированные монорельсовые вагонетки. Специальные системы управления имеют только вагонетки, так как их объем автоматизации ограничивается конечными выключателями, в отличие от электронных двигателей в крайних положениях вагонетки.

В данной курсовой работе рассматриваются автоматизация навозоудаления на 300 голов, что позволяет работать данному процессу более качественно и это влияет на продуктивность и предотвращение болезней животных.

В данной технологии предусмотрены:

трансформатор горизонтальный и имеющий металлическую цепь со скрепками наклонный ленточный трансформатор

Для более надежной работы схемы дополнительно устанавливаем информирующий датчик натяжения ленты наклонного трансформатора, тем самым способствуя предотвращения аварий в работе ,с помощью которого будет производиться отключение приводов горизонтального трансформатора и наклонного трансформатора, если будет обрыв ленты.

1. Характеристика объекта

Данный объект расположен в коровнике в Красногорском районе в селе Красногорское в 140 км от столицы Удмуртии города Ижевска и в 52 км от города Глазова. Данный комплекс предназначен для содержания коров на 300 голов. В здании коровника имеются несколько электрифицированных объектов, таких как воздушная вентиляция, подогрев питьевой воды и навозоудаление скребковым трансформатором.

Данный объект автоматизации навозоудаления предназначен для создания чистоты и благоприятных условий в помещении.

Электроснабжение в коровнике предусматривается от внутриплощадных сетей напряжением 380/220В комплекса электропомещения коровника относятся ко второй степени надежности электроснабжения.

Питание навозоудаления предусмотрено от вводного щита, расположенного в помещении щитовой. Ввод выполнен кабельный нишей.

Таблица 1 Технические показатели рабочих машин технологического процесса

Наименование рабочей машины

Технические данные электрического двигателя

Условия работы, режим работы


данные

Тип эл.дв.

Рн (кВт)

N Об/мин

Iн А

Ki


Горизонтальный трансформатор


АИР160ВЧУ3

5,5

710

13,6

6

Согласно ТП

Наклонный трансформатор


АИР 80ВЧУ3

1,5

1395

3,5

5,5

Согласно ТП


Таблица 2 - Классификация технологического процесса

Операция

оборудование

Объект автоматизации

Алгоритм работы оборудования

Уборка навоза

Скребковый тр-р, привод тр-ра горизонтального

 nos №2

Навоз поступает на горизонтальный тр-р и после чего убирают тр-ром с приводом №2

Уборка  навоза

Наклонный тр-р, привод наклонного тр-ра

 nos №1

Навоз с помощью горизонтального тр-ра №1 поступает на наклонный тр-р №2 и далее попадает в навозную яму

2. Разработка системы автоматизации

.1 Составление технологической схемы. Описание технологического процесса

Технологическая схема - графическое изображение оборудования, участвующее в действии над продуктом. Данная схема даёт представление об устройстве всей системы автоматизации, является основанием для разработки других схем.

Рисунок 1 Схема технологическая кормораздачи в свинарнике.

Технологическое описание.

Корм подается в бункер, где при помощи смесителя с приводом поз. М1 начинает смешиваться. Кормораздатчик с приводом поз. М2, начинает движение при срабатывании датчика верхнего уровня поз. SL2, при достижении конечной кормушки, срабатывает конечный выключатель поз. SQ2, и кормораздатчик начинает движение в обратном направлении. Корм из бункера, при помощи приводов шнека поз. М3 и М4 поступают в кормушки. При достижении первоначального положения срабатывает конечный выключатель поз. SQ1 , и кормораздатчик останавливается. Функциональная схема автоматизации технологического процесса является основным техническим документом, определяющим структуру и характер систем автоматизации технологических процессов, а также оснащение их приборами и средствами автоматизации

2.2 Составление схемы автоматизации функциональной технологического процесса

Рисунок 2 - Схема функциональная кормораздатчика в свинарнике

2.3 Выбор и обоснование элементов автоматизации

.3.1 Выбор и обоснование элементов защиты, как силовой цепи, так и цепи управления

Выбираю автоматический выключатель QF:

Uн.а≥Uн.с

ΣIН=IН.Д1+IН.Д2

Номинальный ток уставки:

Iн.д. = 1,25 * Iн = 1,25 * 24,5 = 30,6 А


Iпуск = K * Iн.д. = 1,5 * 30,6 = 45,9 А

Ток электромагнитногорасцепителя:

Iэ.р. = 1,25 *45,9 = 57,3 А

Ток тепловогорасцепителя:

Iт.р. = 1,5 * 45,9 = 68,8 А

Выбираю тип «D» электромагнитного расцепителя, так как 10*Iн.а=800А, 800≥57,3 т.е. автоматический выключатель при пуске двигателя не сработает.

Выбираю автоматический выключатель ВА47-100 3Р 80А «D»

Выбираю дифференциальный выключатель ВД1-63 4Р 80А 30 mA

Выбираю однофазный автоматический выключатель для цепи управления SF:

Вычисляем ток цепи управления

Iц.у1=ΣIKM1-КМ4+ΣIBL

где ΣIKM1-КМ4-ток катушек магнитных пускателей, А;

ΣIBД- ток катушки регулятора, А;

ц.у=0,55(позKM1-KM4)+0,1(поз ВL)=0,65А

Выбираю автоматический выключатель ВА47-29 1Р 1А «С»

Выбор магнитных пускателей

КМ1: РН = 3,2 кВт, IН = 6,5 А, Ki =3,5

Сила номинального тока пускателя:

Iн.п. ≥Iн.д.

Iн.п. ≥ 6,5 А

Предварительно выбираю контактор первой величины, у которого номинальный ток равен 12 А.

Iпуск.дв. = К * Iн.д. = 1,25 * 6,5 = 8,1 А

Iн.п. ≥Iпуск.дв./6

≥8,1/6 = 1,35 А

Условие нормальной коммутации выполняется. Выбираю контактор КМИ-1121012А230В У3.

КМ2: РН = 2,8 кВт, IН = 6 А, Ki =3

Предварительно выбираю реверсивный контактор первой величины, у которого номинальный ток равен 12 А.

Iпуск.дв. = К * Iн.д. = 1,25 * 6 = 7,5 А

Iн.п. ≥Iпуск.дв./6

≥7,5/6 = 1,25 А

Условие нормальной коммутации выполняется. Выбираю реверсивный контактор КМИ-1123112А230В У3.

КМ3: РН = 2,6 кВт, IН = 6 А, Ki =3

Предварительно выбираю контактор первой величины, у которого номинальный ток равен 12 А.

Iпуск.дв. = К * Iн.д. = 1,25 * 6 = 7,5 А

Iн.п. ≥Iпуск.дв./6

≥7,5/6 = 1,25 А

Условие нормальной коммутации выполняется. Выбираю контактор КМИ-1121012А230В У3.

КМ4: РН = 2,6 кВт, IН = 6 А, Ki =3

Предварительно выбираю контактор первой величины, у которого номинальный ток равен 12 А.

уборка навоз телятник автоматизация

Iпуск.дв. = К * Iн.д. = 1,25 * 6 = 7,5 А

Iн.п. ≥Iпуск.дв./6

≥7,5/6 = 1,25 А

Условие нормальной коммутации выполняется. Выбираю контактор КМИ-1121012А230В У3.

2.3.2 Выбор и обоснование элементов схемы управления.

SA (пакетный переключатель), марка ПКУ3-211-3090-У3.

Выбор осуществляется по режимам работы в схеме: автоматический, нейтральный и ручной, затем в каждом режиме рассматриваем объекты управления и элементы автоматизации по которым разбивается цепь управления, смотрим сколько нужно пакетов в ручном и автоматическом режимах, делаем выбор полагаясь на диаграмму включения, поставляемая с паспортом на пакетный переключатель. В автоматическом- 3 пакета, в ручном-4 пакета.

Выбор сигнальной арматуры.

Сигнальная арматура поз.HL2, HL3, HL4, маркаAD-14011

Выбор осуществляется по напряжению питания в цепи управления, цвету свечения лампы согласно технологии: красный- управление объектами автоматизации.

Сигнальная арматура поз.HL1, HL5,HL6маркаAD-14013

Выбор осуществляется по напряжению питания в цепи управления, цвету свечения лампы согласно технологии: зеленый- управление объектами автоматизации.

Выбор кнопок управления.

Кнопки управления “стоп”, толкатель красный поз. SB1, SB3, SB5, SB7.

Кнопки управления “пуск” толкатель синий поз. SB2, SB4.1, SB4.2, SB6, SB8.

Выбор ведется по напряжению питания (220В), по частоте 50 Гц, по количеству пусковых и стоповых кнопок.

2.3.3    Выбор и обоснование элементов автоматизации

Выбор датчика-реле уровня поз. BL марки РОС 102-171 УХЛ в комплекте с двумя первичными преобразователями марки ПП-171.

Выбор ведется по следующим параметрам: в зависимости от технологического процесса и закона регулирования( ПИД-закон), учитывается напряжение питания регулятора (12…250 В), типы подключаемых датчиков (датчики емкостные бесконтактные марокПП-171), число каналов управления ( до 2 каналов), типы выходных каналов (релейные).

поз.SL1, поз. SL2 (информационные датчики уровня), марки ПП-171.

Среда для измерения: сыпучие, кусковые, порошкообразные вещества;;

Выбор конечных выключателей поз. SQ1, SQ2марки ВП16ПЕ23А141-55У2.2

Выбор осуществляю по Uн=220В, f=50 Гц, по месту монтажа, по виду контакта и по защищенности.

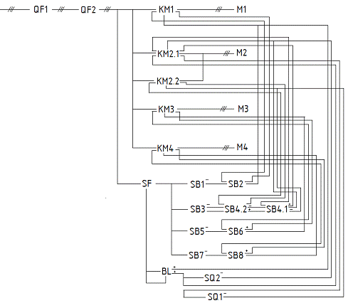
.4 Составление схемы электрической принципиальной

Алгоритм действия элементов схемы.

Техническое описание схемы.

Принципиальная схема, а также алгоритм действия элементов схемы представлены в графической части проекта- лист №1.

Техническое описание.

Система мобильная электрическая, контактная

Схема работает в двух режимах: «Р» и «А». Переключение осуществляется переключателями поз. SA.

Устанавливаем переключатель поз. SA в положение «А». Питание получает регулятор уровня поз. BL. При достижении кормом в бункере нижнего уровня, срабатывает датчик уровня поз.SL1, тем самым замыкается контакт регулятора поз.BL.1, тем самым питание получает магнитный пускатель поз. КМ1, включается двигатель поз. М1. Началась работа смесителя. При достижении верхнего уровня в бункере, срабатывает датчик поз. SK2, тем самым замыкается контакт регулятора поз.BL.2, и через замкнутый контакт конечного выключателя поз.SQ2, питание поступает на магнитный пускатель поз. КМ2, включается двигатель поз. М2. Тележка с бункером начала движение вперед. При достижении тележкой последней кормушки, срабатывает конечный выключатель поз. SQ2, питание теряет магнитный пускатель поз. КМ2, тем самым отключая привод тележки поз. М2. После того, как питание потерял магнитный пускатель поз. КМ2, его контакт поз. КМ2.3 замыкается и через замкнутый контакт конечного выключателя поз. SQ1, питание получает магнитный пускатель поз. КМ3, включается реверс, питание получает двигатель поз. М2, и тележка начинает движение в обратном направлении. В зависимости на какую сторону надо начать раздачу корма, оператор управляет приводами шнеков №1 и №2, поз. М3 и М4 соответственно. Двигатель, поз. М3, включается магнитным пускателем поз КМ4, который управляется кнопкой пуск поз. SB6, кнопкой стоп поз.SB5. Начинает работу шнек №1, происходит раздача корма на правую сторону кормушек. Двигатель, поз. М4, включается магнитным пускателем поз. КМ5, который управляется кнопкой пуск поз. SB8, кнопкой стоп поз.SB7. Начинает работу шнек №2, происходит раздача корма на левую сторону кормушек. При достижении кормораздатчиком первоначального положения, срабатывает конечный выключатель поз. SQ1, тем самым отключая привод тележки поз. М2.

Предусмотрена световая сигнализация:

Поз. HL1- сигнализация о наличии питания

Поз. HL2-сигнализация работы смесителя

Поз. HL3-сигнализация движения кормораздатчика вперед

Поз. HL4-сигнализация движения кормораздатчика в обратном направлении

Поз. HL5-сигнализация работы шнека №1

Поз. HL6-сигнализация работы шнека №2

Предусмотрена защита силовой цепи автоматическим выключателем

поз. QF1, предусмотрена защита дифференциальным выключателем поз.QF2, предусматривается защита цепи управления автоматическим выключателем поз.SF, имеется тепловая защита двигателей поз. КК1, КК2, КК3, КК4.

2.5 Выбор щита управления

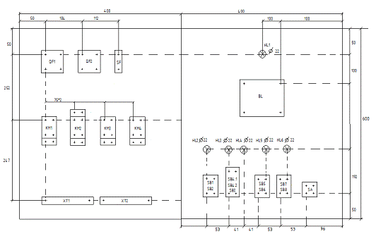
Щит управления размещаю в помещении с оборудованием кормораздатчик КС-1,5. Класс помещения и пожарной безопасности типа «В». Выбираю щит управления марки типа ЩШМУ-ПД-2.473.41.000-04 У4 размер щита (600х400х250) со степенью защиты IP54, установлен непосредственно в основном помещении свинарника.

.5.1 Разработка схемы электрической соединения

Схемы соединений разрабатываются на один щит или пульт или станцию управления. Все приборы, аппараты и арматура, предусмотренные принципиальной электрической схемой должны быть полностью отражены на схеме соединений. Схемаэлектрическая соединений представлена в графической части курсового проекта (лист 2).

2.5.2 Выбор и обоснование клеммных зажимов

Выбор клемника поз. ХТ1

Выбор ведется по следующим параметрам:

Uн.к = Uн.с = 380 В

Iн.к≥ΣIн

количеству зажимов,

IНОМ.=ΣIН.Д+ΣIЦ.У

IНОМ.=6,5(М1)+6(М2)+0,65=13,15А

Исходя из расчетов выбираюклемник на номинальный ток 25А с 12 зажимами марки ЭВИ-30.

Выбор клемника поз. ХТ2

Выбор ведется по следующим параметрам:

IНОМ.=6(М3)+6(М4)+0,65=12,65А

Исходя из расчетов выбираюклемник на номинальный ток 25А с 12 зажимами марки ЭВИ-30.

.6 Выбор и обоснование проводов для внутрищитового монтажа

Провод для цепи управления.

IРАСЧ.=ΣIЦ.У=0,65А, IТАБЛ.=17А выбираю провод ПВ-3х0,75

Провода для силовой цепи (маркировки А, В, С).

IРАСЧ.=ΣIН.Д+IЦ.У=6,5(М1)+6(М2)+6(М3)+6(М4)+0,65=25,15А

Выбираю провод марки ПВ-3х4 IТАБЛ.=35А

2.7      Разработка схемы электрической подключений

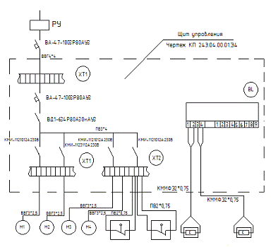
Схема подключения показывает внешние подключения всех средств автоматизации. На схеме должны быть изображены изделия, его входные и выходные элементы (зажимы) и подводимые к ним концы проводов и кабелей внешнего монтажа, около которых помещают данные о подключении изделия.Схема представлена в графической части курсового проекта (лист 3).

2.8       Разработка схемы электрической расположения

2.8.1    Выбор проводов и кабелей

Выбор проводов ведётся по условию

Iтабл.≥Iрасч.

Выбор кабеля для ввода в щит управления:

IРАСЧ.=ΣIН.Д+IЦ.У=6,5(М1)+6(М2)+6(М3)+6(М4)+0,65=25,15А

Исходя из расчётов выбираю кабель марки кабель ВВГ-4х4 (в трубе), Iтабл.=35А.

Кабель для привода смесителя поз. М1: IН.Д.=6,5А

выбираю кабель марки ВВГ-3х2,5 (в трубе), IТАБЛ.=16А

Кабель для привода тележки поз. М2: IН.Д.=6А

выбираю кабель марки ВВГ-3х2.5 (в трубе) IТАБЛ.=16А

Кабель для привода выгрузного шнека поз. М3: IН.Д.=6А

выбираю кабель марки ВВГ-3х2.5 (в трубе) IТАБЛ.=16А

Кабель для привода выгрузного шнека поз. М4: IН.Д.=6А

выбираю кабель марки ВВГ-3х2.5 (в трубе) IТАБЛ.=16А

Для конечных выключателей поз. SQ1, SQ2 выбираю провод марки ПВ-2*0,75 (в трубе).

Для датчиков уровня поз. SL1, SL2выбираю экранированные провода типа КММФЭ2*0,75.

2.8.2         Составление таблицы электроснабжения для САУ

Вводной щит




Автома- тический выключатель

Тип


Ток, А


Электро- проводка

Марка



Сечение, мм



Способ прокладки



Длина, м


Щит управления


Автома- тический выключатель

Тип



Ток, А


Электро-монтаж

Марка



Способ прокладки



Длина, м


Пускатели

Тип



Ток, А


Щит управления


Электро-проводка

Марка



Сечение, мм



Способ прокладки



Длина


Электо-приемник, датчики

Обозначение



Мощность,кВт

3,2

2,8

2,6

2,6

 -


 -

-

-


Ток, А

6,5

6

6

6

 -

 -

-

-


Наименование

 Привод смесителя

Привод тележки

Привод выгрузного шнека

Привод выгрузного шнека

Конечный выключатель

Конечный выключатель

Информационный датчик уровня

Информационный датчик уровня

.8.3 Схема электрическая расположения


Примечание: Датчик уровня информационный поз. SL1 установлен в нижней части бункера, контролирует уровень корма на нижнем уровне.

Датчик уровня информационный поз. SL2 установлен в верхней части бункера, контролирует наличие корма на верхнем уровне.

Конечный выключатель поз. SQ1установлен в начале, в первоначальном состоянии тележки, контролирует наличие тележки.

Конечный выключатель поз. SQ2установлен в конце движения тележки, контролирует наличие тележки.

3. Организация эксплуатации средств автоматизации

При организации эксплуатации средств автоматизации необходимо выделить следующие этапы: подготовительный, основной, наладки и заключительный.

Подготовительный этап: планируют работу, ставят задачи перед исполнителями и обучают обслуживающий персонал (знакомят с инструкциями, техническими описаниями, правилами и мерами безопасности), готовят устройства к обслуживанию, проводят организационные мероприятия (контролируют знания обслуживающего персонала, проверяют состояние приборов).

Основной этап: в соответствии с планом (сетевым графиком, техническими картами) проводят все работы по обслуживанию и контролируют его полноту и качество.

Наладка: регулируют параметры средств автоматизации в соответствии с заданными режимами работы. Сначала производится наладка отдельных устройств и затем всей системы в целом. Если устройство монтируют впервые, то предварительно проводят контрольные испытания (предмонтажная проверка).

Провожу наладку конечного выключателя поз. SQ2, установленного вначале движения тележки, так чтобы при достижении тележки, оно

воздействовало на чувствительный элемент и отключало питание магнитного пускателя поз. КМ2.1. При нормальной работе схемы, контакт поз. SQ2 замкнут. Проверяю его на срабатывание, запускаю систему, механически воздействую на его элемент (усилием, когда тележка достигла крайнего положения), его контакт размыкается и питание теряет магнитный пускатель поз. КМ2.1

Провожу наладку конечного выключателя поз. SQ1, установленного вначале движения тележки, так чтобы при достижении тележки начального положения, оно воздействовало на чувствительный элемент и отключало питание магнитного пускателя КМ2.2. При нормальной работе схемы, контакт поз. SQ1замкнут. Проверяю его на срабатывание, запускаю систему, механически воздействую на его элемент (усилием, когда тележка достигла начальное положение), его контакт размыкается и питание теряет магнитный пускатель поз. КМ2.2.

Провожу наладку датчика-реле уровня поз. BL. Марки РОС-102-171-УХЛ.

Устанавливаю информационные датчики уровня поз. SL1, SL2 в бункере кормораздатчика. Датчик поз. SL1 устанавливается на нижнем уровне бункера на высоте 0,1…0,2 м, датчик поз. SL2 устанавливается на высоте 1,2….1,3 м. Датчики соединяются к регулятору поз. BL. при помощи экранированного кабеля КММФЭ2*0,75.

Подаю питание на катушку регулятора поз. BL. Захожу в главное меню пи помощи кнопки «Прог». На световом индикаторе отображается меню наладок, выбираем папку нужную для изменения параметров и задаем параметры, настраиваем регулятор под данный процесс.

Выбираем тип подключаемых датчиков, для каждого датчика выбираем параметр управления (4…20 мА), задаем период опроса (3 сек.), программируем ограничение выходной мощности. Определяем формулу вычисления и задаем режим работы регулятора.

4. Технико-экономическая эффективность автоматизации

Технико-экономическая эффективность автоматизации рассмотрена в курсовой работе по дисциплине «экономика отрасли».

5. Ввод в эксплуатацию

Смонтированные или реконструируемые электроустановки и пусковые комплексы должны быть приняты в эксплуатацию в порядке установленными действующими правилами.

Перед приемкой должны быть проведены приемно-сдаточные испытания и пуско-наладочные испытания отдельных частей электроустановок.

Приемно-сдаточные испытания должны быть проведены подрядчиком по проектным схемам после окончание всех работ по сдаваемой электроустановке.

Перед испытанием должны быть проведены выполнения требований ПУЭ, СНиП, ГОСТ, ТБ, промышленной санитарии, правила пожарной безопасности, инструкции по монтажу электрооборудования.

Перед приемкой должны быть подготовлены условия для надежной и безопасной эксплуатации электроустановок:

укомплектован, обучен эксплуатационный персонал;

разработаны эксплуатационные инструкции и оперативные схемы,

подготовлены и испытаны защитные средства, инструмент, запасные части и материалы;

введены в действие средства связи, сигнализации, пожаротушения.

Приемка в эксплуатацию с дефектами запрещается.

Подключение новых электроустановок, после приемок их в эксплуатацию, производится в соответствии с действующими правилами пользования электрической энергии.

Заключение

Целью курсового проектирования по дисциплине «Автоматизация технологических процессов и систем автоматического управления» для меня является систематизация и закрепление полученных теоретических знаний и практических умений по общепрофессиональным и специальным дисциплинам; повышение уровня своих знаний для подготовки к преддипломной практики, государственной итоговой аттестации; проявление самостоятельности и творческой инициативы для обеспечения качеств техника-электрика; ознакомление и освоение работы со справочной литературой и технической документацией. Также целью моего курсового проектирования являлось уменьшение затрат при установке системы путём правильного выбора оборудования и объектов автоматизации.

Рисунок 6 - Уравнение взаимодействия

Литература

1.   Бородин И.Ф., Судник Ю.А. Автоматизация технологических процессов. - М.: Колос, 2004. - 344 с.

2.      Белорусов Н. И. Справочник. Электрические кабели, провода и шнуры. Москва «Энергоатомиздат» 1998-530 с.

.        Кудрявцев И.Ф. Электрооборудование и автоматизация сельскохозяйственных агрегатов и установок.- Москва «Агропромиздат» 2008-480 с.

.        Мельников С. В. Технологическое оборудование животноводческих ферм и комплексов. - Москва «Агропромиздат» 1985 - 640 с.

.        Методическое пособие по выполнению курсового проектирования

.        Папка 9.1

.        АТП-2

.        АТП-5

.        Папка 20.1

10. Правила технической эксплуатации электроустановок потребителей СПб.: Издательство ДЕАН, 2003 - 304 с.

11. Нормативная документация.

ГОСТ 8.417-81 ГСИ. Единицы физических величин.

ГОСТ 2.105-95 ЕСКД. Общие требования к тестовым документам.

ГОСТ 2.702-75 ЕСКД. Правила выполнения электрических схем.

ГОСТ 2.721-74 ЕСКД. Обозначения условные графические в схемах.

ГОСТ 14254-80. Изделия электротехнические. Оболочки. Степени защиты.

ЕСКД Справочник. Выполнение электрических схем. Москва. Издательство стандартов 1999.

Похожие работы на - Автоматизация технологического процесса уборки навоза в телятнике на 300 голов

 

Не нашли материал для своей работы?
Поможем написать уникальную работу
Без плагиата!
Без нейросетей!