Печи для сварки

  • Вид работы:
    Контрольная работа
  • Предмет:
    Другое
  • Язык:
    Русский
    ,
    Формат файла:
    MS Word
    132,26 Кб
  • Опубликовано:
    2015-01-02
Вы можете узнать стоимость помощи в написании студенческой работы.
Помощь в написании работы, которую точно примут!

Печи для сварки

1. Конструкция и принцип действия дуговой сталеплавильной печи


Дуговые сталеплавильные печи работают на трехфазном токе частотой 50 Гц. Они имеют чашеобразную форму; стенки печи выполнены из огнеупорного кирпича - магнезитового, если применяется, основной шлак, и динасового, если шлак кислый (некоторые печи для фасонного литья). Дно ванны печи выполняют набивным из огнеупорного порошка, смешанного с каменноугольной смолой или жидким стеклом, чтобы создать слой, не проницаемый для жидкого металла. Сверху печь перекрывается сферическим огнеупорным сводом с тремя расположенными по вершинам правильного треугольника отверстиями, через которые в печь входят три графитовых электрода. Электроды зажаты в бронзовых или стальных электрододержателях, рукава которых закреплены на стойках, могущих перемещаться вверх и вниз в направляющих при помощи электродвигателей или гидравлических механизмов. Ток подводится к электрододержателям от специального трехфазного понижающего трансформатора с помощью медных шин, трубошин и гибких кабелей. Дуги горят между концами электродов и металлом ванны, который электрически является нулем трехфазной звезды нагрузки. Перемещением электродов вверх и вниз можно регулировать длину дуги, а с ней ток и мощность каждой фазы печи, устраняя колебания тока, короткие замыкания и обрывы дуги. Кроме того, для регулирования режима печи применяют изменение питающего печь напряжения, для чего обмотка электропечного трансформатора снабжается большим числом отводов. Переключение с одной ступени напряжения на другую на печах небольшой емкости производят при выключенном трансформаторе, а на мощных печах - с помощью специального переключателя ступеней без отключения печи от сети.

Футеровка печи находится в прочном стальном кожухе, в котором прорезаны одно рабочее окно, прикрываемое подъемной дверцей, и отверстие для летки со сливным носком, через которое производят по окончании плавки слив металла в ковш. Рабочее окно служит для наблюдения за состоянием ванны и футеровки, для заправки (исправления) подины и стен, для заброса в печь образующих шлак материалов и легирующих добавок и взятия пробы металла. Кроме того, через рабочее окно, находящееся против сливного носка, осуществляют скачивание шлака в шлаковницу, при этом печь наклоняют в сторону окна.

К нижним конструкциям печи прикреплена шахта с направляющими роликами, в которых перемещаются вертикально стойки печи, несущие электрододержатели с зажатыми в них электродами. Внизу кожух печи покоится на двух секторах, которыми он опирается на горизонтальные площадки или систему роликов. Механизм наклона печи осуществляет качение секторов по площадкам или роликам, тем самым, наклоняя всю печь со стойками и электродами на 40-45° в сторону слива металла в ковш и на 15° в сторону рабочего окна (при скачивании шлака). Привод механизма наклона печи может быть электромеханическим или гидравлическим.

Для загрузки печи свод ее приподнимают и отворачивают вместе с электродами специальными механизмами в сторону, оставляя ванну печи открытой. Шихту загружают в загрузочную бадью, она устанавливается краном над печью, дно бадьи раскрывается, и шихта падает в печь.

Крупные ДСП снабжают устройствами для электромагнитного перемешивания металла в ванне. Для этой цели под дном печи (днище выполняется при этом из немагнитной стали) устанавливают статор, создающий бегущее магнитное поле. Увлекаемый полем металл перемешивается, что обеспечивает выравнивание состава и температуры ванны. Кроме того, вызванное устройством движение верхнего слоя металла в сторону рабочего окна облегчает скачивание шлака. Для увеличения глубины проникновения магнитного поля в металл и увеличения эффективности движения последнего статор питают током пониженной частоты от специального электромашинного или полупроводникового преобразователя. Таким образом, ДСП является большим и сложным плавильным агрегатом, снабженным рядом механизмов и быстродействующей системой автоматического регулирования электрического режима.

Первым периодом плавки является расплавление шихты. Электроды опускают, они касаются шихты и приподнимаются; между их концами и металлом зажигаются дуги. Металл под электродами нагревается, начинает плавиться и каплями стекать на дно ванны. В шихте образуется выемка, а затем «колодец», в который по мере его проплавления опускается электрод. Этот процесс длится, пока электрод не доходит до лужи расплавленного металла на подине; затем шихта стенок колодцев начинает подплавляться, колодцы расширяются, уровень расплавленного металла в ванне, а с ним и электроды начинают подниматься, пока вся шихта не расплавится. Это очень беспокойный, неустойчивый период плавки, так как окруженная холодной шихтой дуга очень коротка (2-3 см) и неустойчива, подплавляемые дугой стенки колодцев обрушиваются, падают на электрод и вызывают короткие замыкания. В то же время период расплавления желательно провести как можно быстрее, на максимальной мощности, так как от времени расплавления зависит как производительность ДСП, так и ее КПД. Этот период можно проводить на максимальном напряжении, так как дуги окружены холодным металлом, защищающим футеровку стен и свода от их излучения.

В период окисления металл расплавлен и покрыт шлаком, дуга длиннее (5-10 см), режим спокойнее, но излучение дуг на футеровку больше, и поэтому приходится снижать мощность и напряжение на 15-20%.

В период рафинирования металл и стены очень горячие, дуги еще более удлиняются (до 20-30 см) и сильно излучают теплоту на футеровку, которая нагревается до предельной для материала температуры, поэтому напряжение снижают до 50-60% номинального. Потребность в энергии также сильно падает, мощность печи снижают до 30-50% номинальной.

Из изложенного следует, что необходимо иметь возможность регулировать в широких пределах мощность печи и ее напряжение, а ее электрооборудование должно выдерживать частые короткие замыкания и толчки нагрузки.

Кроме того, следует отметить, что ДСП является крупным и весьма неприятным для энергосистемы потребителем. Она, как правило, работает с низким коэффициентом: мощности (0,8-0,7); дуга генерирует высокочастотные колебания, нежелательные для других потребителей; мощность, потребляемая из сети, меняется в течение плавки в широких пределах; электрический режим печи, особенно в начальный период, беспокоен, с частыми короткими замыканиями и обрывами дуги.

На рис. 1.1 показана схема питания ДСП. Так как напряжение питания печи при ее работе требуется изменять в довольно широких пределах, каждую печь снабжают своим регулируемым электропечным трансформатором, имеющим несколько ступеней вторичного напряжения. Электропечной трансформатор является одновременно и понижающим, так как питание малых печей осуществляется от подстанций 6-10 кВ, а крупных-35 и даже 110 кВ. Так как дуговые печи, мощность которых достигает нескольких десятков тысяч киловатт, работают при сравнительно низких напряжениях и больших токах, электропечные трансформаторы располагают возможно ближе к печам. Поэтому в сталеплавильных цехах с дуговыми печами рядом с последними строят внутрицеховые подстанции, в которых располагают трансформаторы и остальное электрооборудование.

В дуговой печи короткое замыкание (КЗ) электродов на металл - нормальное эксплуатационное явление; в период расплавления число КЗ доходит до 5-10 в минуту. Поэтому необходимо ограничить ток КЗ приемлемым для надежной работы электрооборудования значением. Обычно стараются, чтобы кратность тока КЗ к номинальному току не превосходила 3-4. Это достигается введением последовательно с дугами дополнительных индуктивностей. В мощных печах для этой цели достаточно индуктивности трансформатора и короткой сети - токоподвода от электропечного трансформатора к электрододержателям: эти естественные индуктивности настолько велики, что ограничивают ток КЗ у самых крупных печей до двукратного номинального значения. Поэтому в мощных печах приходится заботиться об уменьшении, насколько это возможно, индуктивности контура из-за снижения коэффициента мощности установки, а также о согласовании параметров трансформатора и вторичного токоподвода.

Рис. 1.1. Электрическая схема питания ДСП.

1 - печь; 2 - печной трансформатор; 3 - встроенный реактор; 4 - трансформатор тока; 5 - трансформатор напряжения; 6-высоковольтный выключатель; 7 - разъединители; 8 - ввод высокого напряжения; 9 - реле защиты от перегрузки.

Наоборот, у малых печей естественной индуктивности не хватает (трансформатор 6-10%, короткая сеть 5-10%, что соответствует 5-6-кратному значению тока КЗ), и приходится последовательно с трансформатором включать со стороны высокого напряжения дополнительную индуктивность - реактор с магнитопроводом и масляным охлаждением, имеющий относительное реактивное сопротивление 15-25%. Так как индуктивность реактора не должна зависеть от тока, его сердечник работает в режиме, далеком от насыщения.

Ограничение толчков тока при КЗ и стабилизация режима дуги нужны только в период расплавления; в остальные периоды плавки дуга горит вполне устойчиво без дополнительной индуктивности, толчки тока меньше (из-за снижения напряжения), КЗ редки. Поэтому, как правило, параллельно реактору включают контакты, позволяющие закоротить его, когда он не нужен.

Электрооборудование установки ДСП работает в более тяжелых условиях, чем оборудование общепромышленных электроустановок, так как оно должно выдерживать многочисленные 2-3-кратные перегрузки по току. Это относится к электропечному трансформатору, реактору, трансформатору тока; их конструкция должна быть усиленной в механическом и тепловом отношениях. В особенно тяжелых условиях работает коммутационная аппаратура, так как число отключений печи, в том числе при КЗ, доходит до нескольких десятков в сутки. Это ставит в особо тяжелые условия размыкающие контакты и масло высоковольтных выключателей и требует частых (до двух раз в месяц) ревизий и замен масла. В частности, маломасляные горшковые выключатели совершенно непригодны для коммутации дуговых печей; здесь применяют только баковые вакуумные или воздушные выключатели. Всю коммутационную аппаратуру (выключатели, переключатели ступеней напряжения электропечных трансформаторов) устанавливают на стороне ВН, так как на стороне НН, где токи достигают нескольких десятков тысяч ампер, никакие переключения невозможны.

В установках ДСП необходима защита от перегрузки и от аварийных КЗ. Первую обеспечивают обычно на стороне НН электропечного трансформатора, а вторую - с помощью максимальных реле мгновенного действия, подключаемых к трансформаторам тока на стороне ВН. Уставку реле мгновенного действия выбирают так, чтобы реле не реагировали на эксплуатационные КЗ, которые должны ликвидироваться не отключением печи, а поднятием электродов с помощью быстродействующей системы автоматического регулирования мощности печи.

2. Источники питания для ручной дуговой сварки на переменном токе


Технико-экономическое сопоставление электрической сварки на постоянном и переменном токе говорит о том, что в тех случаях, когда сварка на переменном токе обеспечивает необходимое качество соединения, она обладает существенным преимуществом перед сваркой на постоянном токе. Основными причинами этого

1.      Меньшая стоимость источника сварочного тока, питаемого непосредственно от сети переменного тока, и соответственно меньшие амортизационные затраты на единицу свариваемой продукции.

2.      Простота устройства и высокая степень надежности работы сварочного оборудования переменного тока обусловливают меньшие эксплуатационные расходы на его обслуживание и ремонт.

.        Меньший расход электроэнергии на единицу свариваемой продукции.

Источниками питания при дуговой сварке на переменном токе являются специальные сварочные трансформаторы, обычно подключаемые к сети переменного тока напряжением 220 или 380 В. Для обычной ручной дуговой сварки, а также для полуавтоматической и автоматической дуговой сварки под слоем флюса однопостовые сварочные трансформаторы должны иметь круто падающую характеристику. Такую характеристику можно получить, обеспечивая:

) исполнение трансформатора с нормальным магнитным рассеянием и дополнительной реактивной катушкой (дросселем), которая может выполняться либо в виде отдельной единицы (рис. 2.1), либо встроенной в общий магнитопровод трансформатора (рис. 2.2);

) исполнение трансформатора с повышенным магнитным рассеянием.

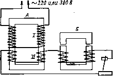
Рис. 2.1. Схема сварочного аппарата с отдельным регулятором.

А - трансформатор; Б - регулятор (дроссель); Й-первичная обмотка; ЙЙ - вторичная обмотка

Рис. 2.2. Электромагнитная схема трансформатора СТН со встроенным регулятором

Сварочные трансформаторы с отдельными дросселями в настоящее время отечественной электропромышленностью не выпускаются, однако в эксплуатации еще имеется значительное количество таких трансформаторов четырех типоразмеров: СТЭ-22, СТЭ-23, СТЭ-32 и СТЭ-34 на максимальные сварочные токи (при ПР = 65%) соответственно 250, 300, 450 и 500 А с первичным напряжением 220 или 380 В. Регулирование сварочного тока в этих трансформаторах осуществляется за счет изменения воздушного зазора в магнитопроводе дросселя, причем максимальный сварочный ток достигается при наибольшем воздушном зазоре.

У сварочного трансформатора типа СТН, разработанного проф. В.П. Никитиным (см. рис. 2.2), на общем магнитопроводе размещается, помимо обычной вторичной обмотки II, реактивная катушка IIк, включаемая последовательно с вторичной обмоткой. Вторичное напряжение трансформатора определяется суммарной ЭДС обмоток II и IIк.

При согласном включении обмоток в режиме холостого хода магнитный поток трансформатора создается только током первичной обмотки и разветвляется между средним и верхним стержнями магнитопровода. ЭДС во вторичной цепи складывается из ЭДС обмоток II и IIк.

В режиме нагрузки магнитный поток трансформатора создается током первичной обмотки, а также током, протекающим во вторичной и реактивной обмотках.

Магнитный поток, создаваемый реактивной обмоткой Фк, разветвляется между средним и нижним стержнями магнитопровода.

Регулирование сварочного тока в трансформаторе СТН осуществляется изменением воздушного зазора верхнего стержня магнитопровода. Для получения больших сварочных токов воздушный зазор необходимо увеличивать.

При настройке на большие токи трансформатор имеет пониженное напряжение холостого хода; при настройке на малые токи напряжение холостого хода повышается.

Такая система весьма целесобразна, так как при малых сварочных токах для поддержания устойчивой дуги в условиях значительной деионизации дугового промежутка необходимо повышенное напряжение зажигания.

 


3. Электрооборудование и схемы питания индукционных тигельных печей

индукционный печь сталеплавильный сварка

Регулирование электрического режима индукционной тигельной печи

Индукционные тигельные печи по частоте источника питания подразделяются на три вида:

. Печи средней (повышенной) частоты (150 - 10000 Гц) с питанием от умножителей частоты, вращающихся машинных генераторов и статических преобразователей.

. Печи низкой (промышленной) частоты (50-60 Гц).

По конструкции печи выполняются открытыми - для плавки металлов и сплавов в воздушной атмосфере и герметически закрытыми - для плавки в вакууме или в среде нейтральных газов (вакуумно-компрессионные печи).

Индукционные тигельные печи получили распространение в основном для выплавки высококачественных сталей и чугунов специальных марок, т.е. сплавов на основе железа, так как при плавке черных металлов тигельные печи имеют более высокий КПД, чем при плавке цветных металлов. Несмотря на это, индукционные тигельные печи в настоящее время получают все большее развитие и для выплавки цветных металлов и сплавов благодаря другим преимуществам, которые оказываются решающими при выборе типа печи.

Индукционная тигельная печь (рис. 3.1) состоит из следующих основных элементов: индуктора 1, подключаемого к источнику переменного тока; нагреваемого металла 2; огнеупорного тигля 3 для размещения расплавляемого металла; внешнего магнитопровода 4, применяемого в некоторых печах средней частоты и в печах большой емкости промышленной частоты для экранировки кожуха печи (для уменьшения потерь энергии); устройства для слива металла; токоподводов.

Принцип работы печи основан на поглощении электромагнитной энергии материалом загрузки, размещенной в тигле печи. Нагрев и расплавление металлической шихты происходят вследствие наведения электрического тока путем электромагнитной индукции от магнитного поля, создаваемого индуктором, подключенным к источнику переменной ЭДС. При прохождении тока в кусках шихты происходит разогрев их до оплавления и образования жидкой ванны. При получении жидкой ванны наибольшая плотность тока имеет место на периферии металлической загрузки в слое, прилегающем к стенкам тигля, а наименьшая-в центральной части загрузки. Почти вся поглощаемая энергия выделяется в слое металла, толщина которого равна глубине проникновения тока Дэ,гор. Выделение энергии зависит от частоты тока, геометрических соотношений диаметра тигля и диаметра индуктора, размеров и электрофизических свойств шихтового материала. Поскольку при изменении температуры изменяются как геометрические размеры сплавляемых друг с другом кусков металла, так и их магнитная проницаемость и удельное электрическое сопротивление, то частота тока выбирается из условий оптимального режима плавки, при которых процесс расплавления идет наиболее быстро.

Ориентировочно минимальную частоту тока fmin, Гц, определяют в зависимости от диаметра тигля d0, м, с учетом удельного электрического сопротивления сгор, Ом-м, горячего металла, доведенного до расплавления:

 (3.1)

Это выражение получено из соотношения , где  и , м, при котором для цилиндрической загрузки обеспечен достаточно высокий КПД нагрева.

Рис. 3.1. Индукционная тигельная печь с наружным магнитопроводом

Как видно из (3.1), частота источника питания зависит от геометрических размеров печи или диаметра тигля d0. При больших размерах тигля, т.е. при большой емкости, требуется низкая частота (50 Гц); практически - это печи емкостью более 2-3 т (для плавки черных металлов). Средняя и высокая частоты необходимы для печей средней и малой емкости (для плавки стали, чугуна, меди, алюминия).

Определение емкости печи Vт, м3, и потребной мощности Pп, кВт, производят по массе расплавляемого металла Мт, кг, или по заданной суточной или часовой производительности Nчас = Nсут/24, кг/ч.

Естественный коэффициент мощности индукционных тигельных печей . Для его повышения используют конденсаторы.

Рассмотрим конструкцию основных элементов тигельных печей. Индуктор выполняют из медной водо-охлаждаемой трубки круглого, квадратного или прямоугольного сечения. Толщина стенок трубок не должна быть меньше 1.3Дэ,и, где Дэ,и - глубина проникновения тока в медь при рабочей частоте печи.

Для печей промышленной частоты 50 Гц индуктор выполняют из неравностенных трубок, утолщенная сторона которых должна быть направлена к тиглю с металлом.

Обычно индукторы выполняют однослойными из нескольких катушек, имеющих раздельное водяное охлаждение. При необходимости увеличения высоты витка индуктора либо выполняют намотку из двух спаянных между собой трубок, либо делают две параллельно соединенные катушки, установленные одна под другой по высоте тигля. В последнем случае катушки выполняются: одна - левой, а другая - правой намотки, т.е. чтобы катушки имели согласное включение при подсоединении их к источнику питания. Токоподводы подключают к виткам в центральной части индуктора и к параллельно соединенным крайним виткам (нижнему и верхнему виткам) индуктора.

Вода для охлаждения секций индуктора должна подаваться через гибкие резинотканевые шланги достаточной длины для обеспечения поворота печи. Температура входящей воды не должна быть ниже 10° С во избежание отпотевания индуктора, а выходящей - не выше 50° С, так как при более высокой температуре происходит отложение солей на стенках трубки, что приводит к уменьшению сечения отверстия для прохода воды. Систему водоохлаждения рассчитывают так, чтобы падение давления в каждой из секций индуктора не превышало 2 кПа. Электропечи большой мощности (для плавки никеля, чугуна) и емкости имеют до 10-16 секций водоохлаждения. Для контроля температуры воды и давления устанавливают электроконтактные термометры и реле давления, а также реле протока, обеспечивающие своевременную сигнализацию и отключение установки при нарушении охлаждения.

Крепление витков индуктора может быть выполнено либо с помощью припаянных шпилек, закрепленных в деревянных стойках в четырех диаметрально противоположных местах по окружности витка индуктора, либо стяжками (с изоляцией витков с помощью многослойной изоляционной ленты или изоляционных прокладок), а также путем заливки жаростойким бетоном. Индукторы, изготовленные последним способом, являются вибростойкими, хорошо противостоят электродинамическим усилиям и механическим воздействиям при наклоне печи, но в случае пробоя изоляции не могут быть отремонтированы и подлежат полной замене.

Токоподводы к индуктору осуществляют шинопроводами с разъемным соединением в виде контактного ножа и губок или гибким водоохлаждаемым кабелем. Для уменьшения сечения жил кабель помещают в водоохлаждаемый рукав. Сечение шинопроводов выбирают с учетом поверхностного эффекта.

Воротник печи (верхняя часть тигля) выполняют из шамотовых или магнезитовых кирпичей и обмазывают составом, содержащим глину и другой связующий материал. Сливной носок изготавливают из шамотовых или магнезитовых блоков или кирпичей и также обмазывают. Крышки печей футеруют огнеупорным фасонным кирпичом. При загрузке печи крышку снимают или отодвигают с помощью крана, гидравлического или электромеханического привода.

Тигли устанавливают на подину из асбестоцементных плит или на кирпичные блоки из шамота. Современные печи для плавки алюминиевых сплавов имеют подину из жаропрочного бетона. Между индуктором и огнеупорным тиглем прокладывают асбестовый картон.

Магнитопроводы применяют для экранировки магнитных полей с целью уменьшения электрических потерь в кожухе или каркасе печи. Магнитопроводы представляют собой пакеты прямоугольной формы, набранные из листов электротехнической стали марок 1511, 1512 или 3411 с толщиной листов 0,5 или 0,35 мм и скрепленных между собой болтами с изоляционными втулками. Иногда пакеты магнитопроводов служат и для крепления индуктора в радиальном направлении. Пакеты сжимают индуктор по радиусу в нескольких местах по окружности витков индуктора. Магнитная индукция в магнитопроводе равна 0,9-1,2 Тл для частоты 50 Гц и 0,2-0,5 Тл для частоты 500 и 1000 Гц. Применение магнитопроводов для печей на частоту более 1000 Гц нерентабельно, так как их масса возрастает из-за необходимости снижения магнитной индукции. В этом случае применяют электромагнитные экраны, состоящие из медных листов, окружающих индуктор с наружной стороны. Пакеты магнитопроводов закрепляют с помощью упорных болтов или винтов в каркасе печи. Магнитопроводы могут быть жестко скреплены с каркасом печи, или входить в так называемый узел установки индуктора, и могут быть выемными вместе с индуктором. Это делается для ускорения замены футеровки печи в аварийном случае или плановой замены, предусмотренной графиком планово-предупредительных ремонтов печи. Электромагнитные экраны устанавливаются в вакуумных печах, работающих на повышенной частоте, где особенно важным является уменьшение массы и габаритов отдельных элементов печи.

Кожух (корпус) печи предназначен для крепления индуктора и тигля. Для небольших печей (емкостью 0,1-0,5 т) применяют кожухи из неметаллических материалов-дерева (рис. 3.16), асбестоцементных плит, брусков текстолита и т.п., а также из немагнитной стали и цветного металла (бронзы, латуни). При применении металлических деталей каркас выполняют с разъемами по окружности во избежание наведения замкнутых токов от электромагнитного поля индуктора. Места разъема соединяют через изолирующие прокладки с помощью болтов и шпилек со втулками и шайбами из изолирующего материала.

Печи промышленной частоты большой емкости (свыше 3 т) имеют замкнутый сварной или литой кожух из низкоуглеродистой стали или чугуна. Печи емкостью 10-40 т снабжены поясами жесткости, расположенными в средней части кожуха, а также поперечными и продольными ребрами жесткости из профильной стали углового и таврового сечений. В кожухе предусматривают окна для отвода нагретого воздуха и проемы для присоединения токоподводов.

Механизмы наклона печи выполняют с электромеханическим или гидравлическим приводом. Поворот печи обычно осуществляется вокруг оси, расположенной под сливным носком для уменьшения перемещения ковша для слива металла; в этом случае изменение траектории струи металла будет наименьшим.

Во избежание опрокидывания печи предусматривают установку конечных выключателей, срабатывающих при достижении предельных положений печи и выключающих механизм наклона. Наклон печей периодического действия ведут при выключенном электропитании. Электропитание может не выключаться только у миксеров, работающих в непрерывном режиме.

4. Метод электрохимической (анодно-гидравлической) размерной обработки

В случаях, когда нужно снять значительное количество металла, изменить его форму, препятствием к ускорению процесса обработки является выделение на поверхности анода продуктов прианодных реакции, препятствующих проникновению тока в изделие. Для того чтобы преодолеть этот недостаток и обеспечить высокую производительность процесса, необходимо непрерывно удалять с поверхности обрабатываемого изделия - анода указанные продукты реакций - проводить так называемую депассивацию изделий. Депассивация может осуществляться либо чисто механически, либо сильной струёй электролита при работе в проточном электролите, вымывающем непрерывно продукты пассивации из межэлектродного пространства. Такого рода процесс носит название анодно-гидравлической размерной обработки изделий (рис. 4.1).

Рис. 4.1. Схема анодно-гидравлической размерной обработки изделий: копирование профиля (а); воспроизведение профиля катода в аноде (прошивание) путем электрохимической обработки в проточном электролите (б).

1 - анод; 2 - электролит; 3 - катод; 4 - профиль катода, воспроизводимый в аноде.

В промежуток между медным инструментом (катодом) и заготовкой изделий (анодом) подается под давлением электролит. Если инструмент фасонный, то, так как плотность тока наибольшая у выступов инструмента, там, где межэлектродный зазор минимальный (линейная скорость растворения пропорциональна зазору), будет сосредоточена наибольшая скорость растворения анода. В результате против выступов инструмента образуются на изделии впадины, и в конечном счете изделие принимает форму оттиска с инструмента (рис. 4.1, а). По этому же принципу может быть осуществлено воспроизведение профиля катода в аноде (рис. 4. 1,6) и прошивание в последнем отверстий. При движении электролита в межэлектродном пространстве можно не только удалять образующиеся гидроокиси, но и выполнять обработку при повышенных плотностях тока (до сотен А/см2), если обеспечить интенсивное охлаждение электролита, нагреваемого большими токами.

Электрохимическая обработка в проточном электролите позволяет поэтому получить очень высокую производительность (десятки тысяч мм3/мин растворяемого металла) при полном отсутствии износа рабочего инструмента (катода) и при возможности получения высокой точности обработки и чистоты поверхности. Электрохимическая обработка в стационарном электролите дает малую производительность, но позволяет обрабатывать сложнопрофилированные изделия с высокими классами чистоты и не требует специального инструмента. Поэтому ее основная область применения - электролитическое шлифование или полирование. Наоборот, электрохимическая обработка в проточном электролите применяется там, где с заготовки надо снять много металла, причем производительность ее тем выше, чем больше размеры изделий. Ее основные области применения следующие.

. Доводка поверхностей штампов, пресс-форм, литейных форм после грубой, например электроискровой, обработки.

. Затачивание режущего инструмента, оснащенного твердым сплавом.

. Профилирование изделий сложной формы, например турбинных лопаток (рис. 4.2, а).

. Профилирование деталей типа тел вращения, обтачивание цилиндрических и конических деталей (рис. 4. 2,6).

. Прошивание сквозных отверстий - круглых, прямоугольных и фасонных, крупных и очень малых (рис. 4.2, г).

. Разрезание заготовок и деталей с получением чистого реза (рис. 4.2, г).

. Сглаживание в узких каналах и фасонных полостях, удаление заусенцев.

Рис. 4.2. Схемы некоторых применений анодно-гидравлической размерной обработки.

а - профилирование перьев турбинных лопаток (пунктиром показан профиль готового изделия); б-профилирование деталей типа тел вращения; о-прошивание отверстий; г - разрезание заготовок; 1 - электрод; 2 - заготовка;

SЭ-направление перемещения электродов; SИ - направление перемещения изделия; остальными стрелками показано движение электролита.

Особенно эффективной является электрохимическая размерная обработка изделий из твердых сплавов, с трудом поддающихся механической обработке. Существенным преимуществом размерной анодно-гидравлической обработки является также отсутствие наклепа и вообще изменений структуры обрабатываемого материала.

Анодно-гидравлическая размерная обработка осуществляется в станках, универсальных или специализированных (например, для обработки турбинных лопаток, обработки штампов и пресс-форм, прошивки отверстий, обработки внутренних цилиндрических поверхностей, резки материалов, шлифования, снятия заусенцев и т.п.). Каждый такой станок содержит рабочую камеру, обычно закрытую прозрачным щитком для наблюдения за ходом процесса, в которую введены шпиндели с держателями инструмента (катода) и изделия. Шпиндели могут получать поступательные (подача) и вращательные движения от суппортов с электромеханическими приводами, находящихся вне рабочей камеры на станине станка. В рабочую камеру вводят электролит, вспрыскиваемый под давлением в межэлектродный зазор. Последний весьма мал: расстояния между электродами в зависимости от процесса составляют от 0,1 до 0,5 мм. В зазорах скорость электролита достигает 5 - 40 м/с. В состав станка входят также насос, источник питания, баки для хранения и приготовления электролита и устройство для очистки последнего.

В качестве электролита при обработке обычных сталей применяют 15-25%-ный раствор поваренной соли; при обработке высоколегированных сталей, твердых сплавов и других металлов и сплавов применяют также растворы других солей: NаNО2, NаNО3, NаСО2. Обычно анодный выход по току при применении раствора поваренной соли достаточно велик (от 60 до 99%) и лишь для чугуна, свинца и молибдена намного меньше. Рабочие электроды выполняются из меди и латуни; нерабочая часть их поверхности изолируется эмалями. Съем металла составляет обычно от 8 до 16 см3/(кВт×ч), энергоемкость для сталей от 6 до 25 (кВт×ч)/кг. Плотность тока также изменяется в широких пределах: от 0.5-0,2 А/см2 (шлифование) до 50-200 А/см2. Напряжение на электродах составляет 10-30 В.

Источники питания для анодно-гидравлической размерной обработки ранее представляли собой вращающиеся преобразователи на токи 250-10000 А. Сегодня они почти вытеснены полупроводниковыми выпрямителями на напряжения постоянного тока от 3 до 12 В или от 9 до 24 В. Максимальный рабочий ток достигает 30000 А.

В некоторых случаях для питания станков анодно-гидравлической размерной обработки применяют источники, дающие униполярные или несимметричные биполярные импульсы синусоидальной, прямоугольной или пилообразной формы.

Регулирование режима процесса заключается в поддержании постоянного зазора (устанавливается периодически при выключенном рабочем токе), постоянных значений рабочего тока или напряжения на электродах, плотности тока, заданной скорости подачи электрода. В мощных станках в последнее время применяют стабилизацию рабочего тока при заданном напряжении.

Список литературы


1. Болотов А.В. Электротехнологические установки. - М.: Высш. шк., 1988.

. Свенчанский А.Д. Электротехнические промышленные установки. - М.: Энергоиздат, 1982.

. Свенчанский А.Д., Трейзон З.Л. Автоматизация электротехнических установок. - М.: Энергия, 1968.

Похожие работы на - Печи для сварки

 

Не нашли материал для своей работы?
Поможем написать уникальную работу
Без плагиата!
Без нейросетей!