Математические модели типовых технологических процессов

  • Вид работы:
    Курсовая работа (т)
  • Предмет:
    Другое
  • Язык:
    Русский
    ,
    Формат файла:
    MS Word
    435,46 Кб
  • Опубликовано:
    2014-11-02
Вы можете узнать стоимость помощи в написании студенческой работы.
Помощь в написании работы, которую точно примут!

Математические модели типовых технологических процессов

Содержание

1. Краткая характеристика процесса регенерации ДЭГ

. Обзор и анализ методов построения математических моделей, применяемых для получения описания заданной системы

3. Построение математической модели

4. Построение динамической характеристики

. Построение статических характеристик

Вывод

Приложение

Список литературы

1. Краткая характеристика процесса регенерации ДЭГ


Абсорбционные установки применяются для осушки природного газа до точки росы. В качестве абсорбента используют в основном растворы диэтиленгликоля (ДЭГ) и триэтиленгликоля (ТЭГ). Степень осушки газа на абсорбционных установках определяется главным образом концентрацией подаваемого в абсорбер раствора, а концентрация раствора, в свою очередь, зависит от используемого на установке метода регенерации отработанного абсорбента. Для глубокой регенерации раствора и получения низких (-20…..-30° С) точек росы осушенного газа, регенерацию диэтиленгликоля проводят под вакуумом. В качестве абсорберов применяются тарельчатые массообменные аппараты с числом тарелок от 6 до 16. Насыщенный влагой диэтиленгликоль с растворенным газом под высоким давлением вводится в емкость разгазирования. Выделившийся в результате снижения давления газ отводится в газопровод собственных нужд промысла, а насыщенный раствор диэтиленгликоля насосом подается на установку регенерации.

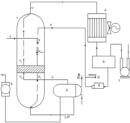
Установка регенерации (Рис.1.) представляет собой систему взаимосвязанных технологических аппаратов тепловой подготовки и массообмена, в состав которой входят: теплообменник, регенерационная колонна 1, испаритель 2, насос откачки регенерированного раствора 3, холодильник 4, сборник флегмы 5, насос откачки флегмы 6 и вакуум-насос 7.

Абсорбент регенерируется в регенерационной тарельчатой колонне 1 под вакуумом, который создается в результате откачки из нее паров вакуум-насосом 7. Нагретый в теплообменнике, насыщенный раствор ДЭГ поступает на тарелку питания. Паровая фаза нагретого насыщенного раствора суммируется с паром, поступающим из испарителя, проходит через тарелки верхней (концентрационной) секции колонны и выводится из нее в холодильник 4. Сконденсированный в холодильнике пар отводится в виде орошения флегмы, из которой одна часть подается в колонну в видеорошения (для повышения коэффициента разделения и уменьшения уноса гликоля), а другая выводится в канализацию. Поток насыщенного ДЭГ смешивается на тарелке питания с жидкостью, поступающей из верхней части колонны, и стекает по тарелкам нижней (отгонной) секции колонны в испаритель.

Рис. 1. Схема установки регенерации ДЭГ на основе бинарной ректификации.

Здесь вода окончательно выпаривается. В качестве теплоносителя используется пар (иногда применяется огневой подогрев природным газом). Из испарителя паровая фаза направляется в колонну, а регенерированный раствор, нагретый до температуры кипения, насосом 3 через теплообменник и холодильник подается в емкость.

В регенерационной колонне жидкая фаза, стекающая по тарелкам вниз колонны, контактирует с паровой, поднимающейся вверх. При этом из паровой фазы конденсируется преимущественно высококипящий компонент ДЭГ, а из жидкой испаряется преимущественно низкокипящий компонент (вода).

Пары воды отбираются с верха колонны, а жидкая фаза из осушенного гликоля - с низа десорбционной колонны (десорбера).

регенерация диэтиленгликоль ректификация дифференциальный

2. Обзор и анализ методов построения математических моделей, применяемых для получения описания заданной системы


Для анализа заданного объекта регенерация ДЭГ имеется большое количество методов. Все методы можно разделить на три группы: включающие:

1. эксперимент на реальном объекте

2. эксперимент на модели той же физической модели

3. применение метода аналогий

По точности решения можно выделить точные и приближенные методы. Рассмотрим некоторые методы:

Методы приближения функций основаны на разложении функции в ряд, определении численными методами величины интегралов или подбора аналитических выражений для описания экспериментальных зависимостей и решают задачи приближения одних функций другими, которые для нас более "удобны" по каким- либо критериям. Другими словами, при решении всех этих задач мы строим модели исходных зависимостей, которые сохраняют их основные свойства и в то же время они наиболее удобны для анализа и последующего применения.

Номографический метод расчета основан на графическом представлении (преимущественно на плоскости) функциональных зависимостей от нескольких переменных (формул, уравнений, систем уравнений). Получающиеся при этом графические представления (геометрические модели) называются номограммами. В отличие от других геометрических моделей, номограмма является счетным прибором, на котором вычислительная операция заменяется выполнением простых геометрических операций (наложение линейки, проведение окружности, измерение отрезка и т.п.). Кроме этого, номограмма может быть использована для анализа номографированной зависимости, выявления взаимного влияния переменных, изучения экстремальных свойств и т.п.

Эмпирические методы приспособлены только для автоматизации и оптимизации конкретных действующих установок. Они позволяют осуществить только условную оптимизацию, определяемую конструкцией установки. При этом они не дают возможность оценить, насколько далек найденный оптимум от потенциально возможного для этого процесса. Аналитические методы легко решают последнюю задачу путем сравнения потенциальных возможностей процесса с данными его реальной эксплуатации.

Аналитические методы используются на стадии проектирования технологического процесса для его расчета, оценки допустимой области изменения технологических параметров, разработки структурных схем многосвязного регулирования, а также для его конструктивной реализации.

3. Построение математической модели

Рис. 2 Схематическое изображение тарельчатой ректификационной колонны

Установка регенерации диэтиленгликоля включает в себя три основных аппарата: тарельчатую колонну 1, имеющую N тарелок; испаритель 2, в котором испаряется часть жидкости за счет подвода тепла, и холодильник - конденсатор 3, в котором конденсируются пары жидкости, выходящей из колонны (часть из них подаются на острое орошение на верхнюю тарелку колонны).

На верхнюю тарелку колонны подается флегма в количестве F моль/с. На тарелку f подается насыщенный раствор ДЭГ (НДЭГ) в количестве L моль/с с содержанием воды Xi моль H2O/моль ДЭГ. Выведем исходные дифференциальные уравнения процесса регенерации, используя материальный баланс низкокипящего компонента. Примем следующие допущения:

.        Колонна имеет идеальные теоретические тарелки, следовательно, пары, покидающие любую тарелку, находятся в состоянии равновесия с жидкостью; КПД тарелок равен 100%;

.        Все тарелки имею одинаковую (неизменную во времени) задержку жидкости;

.        Задержкой паров между тарелками пренебрегаем как величиной высшего порядка малости;

.        В рассматриваемом полном конденсаторе не происходит дополнительного разделения; задержка жидкости и паров в конденсаторе принимается несущественной;

.        Скорости потоков жидкости и пара постоянны в нижней и верхней частях колонны, таким образом, подразумевается, что колонна работает адиабатически, компоненты смеси имеют одинаковую теплоту испарения и не дают теплового эффекта при смешивании;

.        Гидравлическое запаздывание потоков жидкости и паров не рассматривается.

.        Количество пара и жидкости в потоках не изменяется по высоте колонны, что соответствует разделению компонентов, имеющих близкие температуры кипения и теплоты испарения.

.        Жидкость на тарелках находится при температуре кипения, а пар - при температуре конденсации. Питание в колонну также подается при температуре кипения.

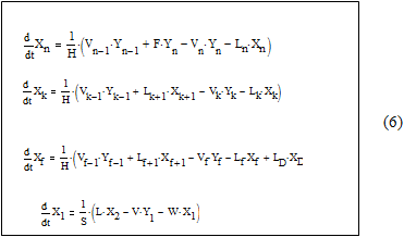
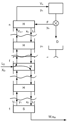
Для математического описания переходного процесса ректификационную колонну разделим на элементарные звенья с одной степенью свободы. Каждое звено эквивалентно теоретической тарелке колонны. Жидкость концентрируется на теоретических тарелках и в низу колонны. Колонна для принятых допущений представлена на рисунке 3. Уравнения для материального баланса верхней n-й тарелки следующие. За промежуток Δt тарелка получит молей низкокипящего компонента


и потеряет  молей.

где V - скорость потока паров (моль/с);

L - скорость потока жидкости (моль/с);

F-скорость потока флегмы (моль/с);концентрация низкокипящего компонента в парах в % мол.;

X- концентрация низкокипящего компонента в жидкости в % мол.

В течение переходного периода происходит накопление или исчерпывание низкокипящего компонента на n-й тарелке.

Рис. 3 Схема материальных потоков в ректификационной колонне

Уменьшая до бесконечности промежуток времени Δt, перейдем от уравнения в конечных разностях (1)


(H - задержка жидкости на тарелке в моль)

к дифференциальному уравнению (2):

(2)

Аналогично напишем материальный баланс низкокипящего компонента для промежуточной k-й тарелки:

(3)

Для тарелки питания f материальный баланс выражается уравнением

 (4)

где L - скорость потока смеси (НДЭГ), подаваемой на тарелку питания (моль/с)D - концентрация низкокипящего компонента в питающей смеси в %мол.

Материальный баланс низкокипящего компонента в нижней части колонны

 (5)

где S - количество задержанной жидкости в нижней части колонны в моль;- скорость потока остаточного продукта ( моль/с);W- концентрация низкокипящего компонента в остаточном продукте в % мол.

Согласно допущению 5 можно принять, что


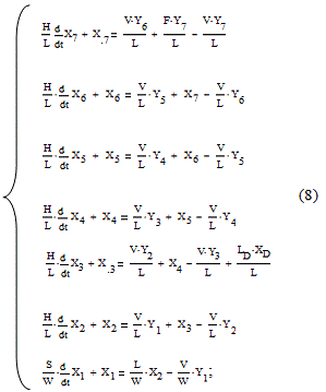
Тогда система дифференциальных уравнений примет вид:


Приведем к стандартному виду полученную систему дифференциальных уравнений:


Рассмотрим ректификационную колонну, состоящую из:

1 - й тарелки питания;

- х тарелок укрепляющей (отпарной) секции (выше тарелки питания);

Тогда система уравнений (7) примет вид:


Рис. 4 Схема материальных потоков для семи тарельчатой ректификационной колонны

Построение динамической характеристике сводиться к решению системы уравнений (8) . Каждое уравнение содержит два неизвестных X и Y, решение уравнений возможно только при известной аналитической зависимости между ними.

По принятому допущению пары, покидающие тарелку, находятся в состоянии равновесия с жидкостью, стекающей с тарелки. При этом условии имеется соотношение

       (9)

где α - относительная летучесть легкого компонента абсорбента (воды) к тяжелому (ДЭГ). Для условий, рассматриваемых в данной работе α=1,2.

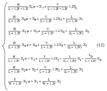
Уравнение (9) нелинейно, поэтому решить систему уравнений классическими методами трудно, если не невозможно, поэтому, с учетом порядка Yk, зависимость между концентрациями НКК в парах и жидкости можно считать линейной: .

Подставляем эту зависимость в систему (8) и получаем:


Преобразуем:


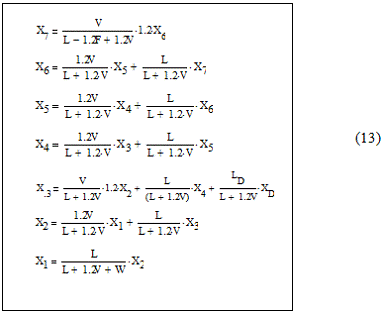
Так решить эту систему классическими методами трудно, как указывалось раннее, то будем решать данную систему уравнений с помощью преобразования Лапласа, используя значения технологических параметров из приложения.


Получаем следующие решения:


Тогда передаточные функции для каждой из тарелок будут иметь вид:


На основании полученных передаточных функций и анализа технологического режима проведенного ранее получим следующую структурную схему, представленную на рис. 5

4. Построение динамической характеристики

На основании полученной передаточной функции, используя обратное преобразование Лапласа, можно получить уравнение динамической         характеристики для первой тарелки.

Рассмотрим динамику изменения концентрации воды на выходе в растворе РДЭГ при различных значениях задержки жидкости на тарелке S (рис 6.):

1)S=1.5 моль; 2)S=3моль; 3) S=5моль.

Из графиков видно, что быстродействие на выходе зависит от количества задержанной жидкости в нижней части колонны: чем больше количество, задержанной жидкости на тарелке, тем медленнее протекает процесс.

Рис. 6. Динамическая характеристика зависимости концентрации воды в растворе РДЭГ

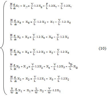
5. Построение статических характеристик

В статическом режиме изменения концентрации во времени не происходит. Таким образом, система уравнений примет вид:


На основании системы (13) можно получить зависимость концентрации воды в растворе РДЭГ от концентрации воды в питающей смеси (см. рис.7).

Прямо пропорциональная зависимость показывает, что, чем больше концентрация воды в питающей смеси, тем больше концентрация воды в регенерированном ДЭГ.

Рис. 7. Статическая зависимость концентрации воды в растворе РДЭГ от концентрации воды в питающей смеси

Вывод

Идеализирование системы (в результате внесения множества допущений) позволило описать переходный процесс массобмена в ректификационной колонне системой нелинейных ДУ первого порядка с постоянными коэффициентами. Точность результата будет наибольшей, если величины, которыми мы пренебрегаем в расчете, высшего порядка малости.

К грубым допущениям можно отнести:

ü  пренебрежение гидравлическими запаздываниями потоков в колонне;

ü  допущение о идеальных тарелках;

ü  допущение о адиабтичности процесса.

В результате которых возникает погрешность расчетов относительно реальной колонны ректификации.

Приложение


Основные технологические характеристики ректификации ДЭГ, необходимые для проведения расчётов

Параметр

Значение

Размерность

 Питание колонны, LD

2

моль/с

 Поток пара по колонне, L

1.2

моль/с

 Поток жидкости по колонне, V

1

моль/с

 Дистиллят (продукт перегонки, идущий на орошение),

0.6

моль/с

 Остаточный продукт, W

1.9

моль/с

 Задержка жидкости на тарелке, H

2

моль

 Задержка жидкости в нижней части колонны, S

2

моль

 Число тарелок в колонне

7

 Тип тарелок

Колпачковые

-

 Материал изготовления колонны

нержавейка+ углеродистая сталь

-


Список литературы

1. Исакович Р.Я., Логинов В.И., Попадько В.Е."Автоматизация производственных процессов нефтяной и газовой промышленности" Москва,1983 г.

2. Анисимов И.В. "Автоматическое регулирование процесса ректификации". Гостоптехиздат, 1961 г.

3. Тараненко Б.Ф., Герман В.Т. "Автоматческое управление газопромысловыми объектами", Москва, 1976 г.

4. Платонов В.М., Берго Б.Г., Разделение многокомпонентных смесей, "Химия", 1965г.

5. Скобло А.И., Молоканов Ю.К., Владимиров А.И., "Процессы и аппараты нефтегазопереработки и нефтехимии". "Недра", 2000г.

Похожие работы на - Математические модели типовых технологических процессов

 

Не нашли материал для своей работы?
Поможем написать уникальную работу
Без плагиата!
Без нейросетей!