Изготовление ствола
Курсовая работа
на тему: "Изготовление
ствола"
Оглавление
Введение
1. Техническое задание
2. Выбор материала
3. Выбор метода получения заготовки
4. Расчёт сечения нарезов
5. Проектирование заготовки
6. Обоснование способа получения нарезов и проектирование
инструмента под нарезы
7. Маршрутный технологический процесс изготовления детали
Заключение
Литература
Введение
Целью курсовой работы является разработка технологического
процесса на изготовление трубы с нарезами (далее ствол, либо деталь) - частный
случай без патронника.
Ствол - основная деталь стрелкового и артиллерийского оружия.
Он служит каморой для превращения потенциальной энергии какого-либо вещества
(твёрдого, жидкого, газообразного) или физического эффекта (лазерного,
электромагнитного и др.) в кинетическую энергию движения пули (снаряда). Ствол
выполняет важнейшие функции в системе средств доставки, являясь двигателем и
трансмиссией, обеспечивая строго ориентированное в пространстве положение
вектора начальной скорости снаряда и, в большинстве видов современного оружия,
придавая снаряду вращательное движение, обеспечивающее ему гироскопическую
устойчивость в полёте.
Поскольку ствол в процессе эксплуатации испытывает сложные
высокоскоростные термо-силовые нагрузки, то к нему предъявляли определённые
требования по надёжности, в частности - безотказности и долговечности
(живучести). Безотказность обеспечивается прочностью стенок ствола,
способностью его выдерживать давление до 500 Мпа и более. Долговечность ствола
обеспечивается износостойкостью и жаропрочностью канала ствола.
Прочность, безотказность, долговечность и другие требования,
предъявляемые к стволам, обеспечиваются технологией изготовления ствола.
Обеспечение технологичности изделия - сложная и трудоёмкая
функция технологической подготовки производства. Согласно ГОСТ 14.205-83 под
технологичностью понимается совокупность свойств конструкции изделия,
определяющих её приспособленность к достижению оптимальных затрат при
производстве, эксплуатации и ремонте для заданных показателей качества, объёма
выпуска и условий выполнения работ.
Следует иметь в виду, что все стволы автоматического оружия
являются нетехнологичными, так как при их производстве требуется применение
специальных методов обработки, оборудования и технологического оснащения.
ствол деталь нарез канал
1.
Техническое задание
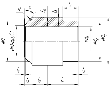
Чертёж детали
Основные параметры отверстия детали:
1. внутренний диаметр ствола по полям нарезов 
;
. количество нарезов 
;
. форма нарезов - трапецеидальная с увеличенными полями.
Условия эксплуатации и производства:
1. дульная скорость 
;
. максимальное давление 
;
. температура пороховых газов 
;
. скорострельность 
;
. длина очереди 75 выстрелов;
. температура эксплуатации 
;
. тип производства - серийное.
Основные размеры детали:
1. внутренний диаметр ствола по нарезам 
;
. наружный диаметр ствола 
;
. длина ствола 
;
. шаг нарезов 
;
. направление нарезов правое.
Технические требования:
. точность поверхности отверстия соответствует 8
квалитету по ГОСТ 25347-82;
2. шероховатость поверхности - Ra=0,16 мкм по ГОСТ
2789-73.
Задание:
. обосновать выбор материала;
2. назначить метод получения заготовки;
. составить маршрутный технологический процесс
изготовления детали;
. исходя из анализа формы нарезов, условий работы
детали и технологии её производства, предложить размеры нарезов и рациональную
технологию их изготовления;
. спроектировать технологическую наладку на способ
изготовления нарезов;
. спроектировать инструмент для формирования нарезов.
2. Выбор
материала
Исходя из условий и режима работы, а также технологичности
изготовления, к стволам современных стрелковых артиллерийских систем
предъявляют высокие требования.
Требования к стволам вытекают из основных условий работы
ствола:
. значительная величина давления пороховых газов,
действие которых носит циклический характер;
2. нагревание в процессе стрельбы стенок ствола до
высоких температур;
. эрозийное и коррозионное действие пороховых газов на
материал ствола;
. механическое истирание канала ствола пулей или
снарядом.
К материалу стволов также предъявляют высокие требования.
Наиболее важные из них: трудоёмкость, стоимость и качество процесса обработки
материала заготовки ствола. Следовательно, выбранная сталь в качестве исходного
материала, должна обладать высокой прочностью, износостойкостью, коррозионной
стойкостью, жаростойкостью и жаропрочностью.
Для предохранения деталей оружия от коррозии и повышения
износостойкости производят специальные покрытия поверхностей деталей. Наружные
поверхности стволов и многих других деталей, не подвергаемых в процессе работы
истиранию, обычно оксидируют. А детали, подвергаемые истиранию, фосфатируют или
кадмируют. Каналы стволов автоматического оружия подвергают хромированию.
Хромирование может быть тонким (толщина слоя менее 50 мкм), либо толстым
(толщина слоя более 50 мкм).
Материалы, применяемые при изготовлении стволов:
Наиболее распространёнными сталями для изготовления стволов,
являются:
. 50РА;
2. 30ХН2МФА;
. ОХН3МФА.
Эти стали, в качестве легирующих элементов содержат: хром,
никель, молибден, ванадий, вольфрам. Легирующие элементы, в зависимости от
процентного содержания, придают материалу требуемые физико-химические
характеристики:
Таблица 1. Химический состав ствольных сталей (%).
|
Марка материала
|
Химический
элемент
|
Si
|
Mn
|
S
|
P
|
Cr
|
Ni
|
Mo
|
Fe
|
V
|
B
|
Cu
|
|
|
|
|
не более
|
|
|
|
|
|
|
|
|
50РА
|
0,5
|
0,37
|
0,76
|
0,023
|
0,016
|
0,27
|
0,11
|
-
|
ост.
|
-
|
0,002
|
0,02
|
|
30ХН2МФА
|
0,33
|
0,26
|
0,45
|
0,008
|
0,010
|
0,76
|
2,1
|
0,22
|
ост.
|
0,17
|
-
|
0,03
|
|
ОХН3МФА
|
0,38
|
0,27
|
0,53
|
0,16
|
0,012
|
1,42
|
3,15
|
0,36
|
ост.
|
0,18
|
-
|
0,03
|
Таблица 2. Механические свойства сталей (после закалки и
высокого отпуска).
|
Марка стали
|
Механические
характеристики
|
|
|
|
|
|
|
KCV
|
KCT
|
|
|
|
МПа
|
%
|
|
мм
|
|
|
50РА
|
940
|
820
|
14,2
|
44,9
|
1,6
|
0,81
|
0,123
|
24
|
|
30ХН2МФА
|
1020
|
940
|
820
|
12,9
|
50,9
|
1,5
|
0,92
|
0, 192
|
26
|
|
ОХН2МФА
|
1260
|
1120
|
1030
|
17,7
|
63,6
|
1,29
|
0,9
|
0, 19
|
35
|
Исходя из поставленной задачи, проанализируем каждый тип
приведённых сталей в аспекте применяемости для изготовления ствола заданных
параметров:
· Сталь 50РА: Эта сталь является
сравнительно дешёвым материалом, и она хорошо изучена в плане производства.
Данная сталь после термообработки имеет сравнительно невысокие механические
свойства, к тому же обладает, недостаточной прокаливаемостью. В связи с этим,
сталь применяется для изготовления стволов, не требующих высоких характеристик
в силу низких баллистических параметров. Такую сталь применяют для стволов
калибром до 9 мм, темпом стрельбы до 600 выстрелов в минуту, и максимальным
давление, внутри канала ствола до 500 МПа.
· Сталь 30ХН2МФА: Сталь полумартенситного
класса. После термообработки она обладает достаточно высокими механическими
свойствами. Для обеспечения этих свойств в качестве легирующих элементов
используются: хром, никель, молибден и ванадий, что приводит к удорожанию
металла, но это оправданно повышение живучести ствола. Данную сталь применяют
для стволов калибром до 23 мм и темпом стрельбы до 1500 выстрелов в минуту.
· Сталь ОХН3МФА: Буква "О" в
маркировке стали, означает что она орудийная. Это сталь мартенситного класса.
После термообработки она имеет высокие механические свойства. В качестве
легирующих элементов в данной стали, как и в стали 30ХН2МФА, используется:
хром, никель, молибден и ванадий, что приводит к удорожанию металла, но это
оправданно повышением живучести ствола. Эта сталь применяется для стволов
калибром свыше 30 мм и темпом стрельбы более 1500 выстрелов в минуту.
Следовательно, для получения требуемого нам ствола, мы
выбираем сталь ОХН3МФА после закалки и высокого отпуска, так как она отвечает
всем нашим требованиям.
3. Выбор
метода получения заготовки
При выборе заготовки следует исходить из требования
технологичности, т.е. в качестве исходной следует выбирать заготовку, которая
обеспечивает минимальную трудоёмкость, себестоимость её обработки и
максимальный КИМ.
Существуют следующие методы получения заготовок:
· Высадка на ГКМ: относится к особому
виду штамповки. Она может быть соединена со сквозной прошивкой, ГКМ отличается
высокой производительностью и даёт возможность получать разнообразные формы.
Высадка может происходить в холодном, полугорячем и горячем состоянии.
Коэффициент использования материала равен 60%. В зависимости от состояния, в
котором обрабатывается заготовка, необходимы устройства для нагрева заготовки.
· Поперечно-винтовой прокат: периодический прокат
изготавливают на станках поперечно-винтовой прокатки. Прокатывание может
сочетаться с прошивкой. Для нарезки заготовок из проката применяют лазерную или
плазменную резку для увеличения КИМ до 55%.
· Прошивка трубных заготовок винтовой
прокаткой:
осуществляется на стане винтовой прокатки с последующей калибровкой. В процессе
прошивки заготовки вращается и обжимается валками. При этом в центральной части
заготовки образуются большие растягивающие напряжения, в результате чего металл
разрушается (трещины, пустоты) и за счёт этого облегчается прошивка отверстия
оправкой. Диаметр обрабатываемого отверстия ограничен прочностью прошивки. Для
облегчения процесса требуется нагрев в индукционных печах. Максимальный
наружный диаметр заготовки - 100 мм, а её минимальный внутренний диаметр - 15
мм, КИМ=75%.
· Центробежное литьё: применяется для крупных
заготовок диаметром внутреннего отверстия более 30 мм. Возможно горизонтальное
и вертикальное литьё. При вертикальном литье качество получаемых заготовок
выше. Центробежное литье - это дорогостоящий процесс из-за сложности и
специфичности оборудования.
Независимо от метода получения заготовки к ней предъявляются
следующие требования: прямолинейность; концентричность; однородность и качество
структуры по длине и сечению. Так как требуется получить заготовку с отверстием
25 мм, то наиболее рационально будет использовать метод получения высокоточных
трубных заготовок с прошивкой трубных заготовок винтовой прокаткой.
Преимуществом выбранного способа является высокий КИМ=75%.
4. Расчёт
сечения нарезов

- угол, охватывающий один нарез и одно поле, где n - число нарезов, a -
ширина нареза, b - ширина поля нареза.
Для нарезов трапецеидальной формы с увеличенными полями принято
соотношение 
. Следовательно, поле нареза занимает 
, а сам нарез - 
.
Для калибра 25 мм примем угол трапеции 
.
Угол крутизны нарезов 
найдём исходя из калибра и шага нарезов:
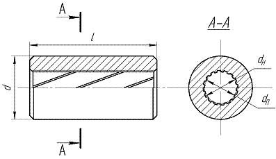
Поперечный разрез нарезной части ствола
5.
Проектирование заготовки
Расчёт заготовки под радиальное обжатие
Степень деформации заготовки:
Исходя из данного выражения, определим начальные размеры
заготовки:
где D - наружный диаметр ствола, d - внутренний диаметр ствола.
где D0 - наружный диаметр заготовки, d0 -
внутренний диаметр заготовки. Длина деформируемой части заготовки:
Длина заходной части заготовки:
Форма заходной части заготовки при 
приведена на рисунке.
При данной форме головной части 
:
Примем 
При 
принимаем 
Прочие расчёты:

Длина поводковой части заготовки:
Форма поводковой части заготовки при 
приведена на рисунке.
При 
принимается 
При 
принимается 
где 
- угол заходной части бойка.
Общая длина заготовки:
6.
Обоснование способа получения нарезов и проектирование инструмента под нарезы
Нарезы в канале ствола могут быть образованы путём снятия
стружки (шпалерами, нарезными головками, протяжками, фрезерными
приспособлениями), путём пластической деформации, дорнованием, радиальным
обжатием и электро-химической обработкой).
Для образования нарезов с целью получения высокой точности и
низкой шероховатости поверхности применяется холодное радиальное обжатие. Оно
применяется с целью снижения трудоёмкости изготовления стволов за счёт
совмещения операций, а также повышения производительности и качества
выпускаемых деталей. Следовательно, для образования нарезов в канале стволов
диаметром 25 мм, с точностью отверстия по 8-му квалитету и шероховатости
поверхности Ra=0,16 мкм будем применять холодное радиальное обжатие. При
использовании данного метода получим ствол с постоянным шагом нарезов, при этом
трудоёмкость его изготовления, по сравнению с другими способами получения
нарезов, наименьшая.
Инструментом для радиального обжатия являются бойки и оправка.
Боёк имеет основание и рабочую полость. Форма основания определяется
конструкцией узла крепления в машине. Профиль рабочей полости бойка в
продольном сечении состоит из заходной части, характеризующейся углами: 
участка калибровки длинной 
и выходного участка с углами: 
. Величины углов принимаются в пределах: 
. Допускаются бойки с профилем заходной части в виде участка с
одним углом 
или двумя углами 
и 
, а выходного участка - с одним углом 
. В данном случае примем боёк с одним заходным углом 
и радиусной формой в поперечном сечении, что позволяет назначить
скорость вращения заготовки максимальной для выбранного оборудования.
Оправка применяется составной в виде рабочей части из твёрдого
сплава ВК20 или ВК15 по ГОСТ 3882-74 и хвостовика из стали 45 или 50 по ГОСТ
1050-74, соединённых между собой при помощи высокотемпературной пайки латунью
типа Л62. Рабочая часть оправки проектируется исходя из требуемых окончательных
размеров канала ствола и патронника до хромирования. Она является их зеркальным
отражением. Рабочая часть оправки делается конусной (конусность = 1: 1000) с
целью обеспечения настройки операции на требуемый размер канала ствола по полям
и нарезам.
7. Маршрутный
технологический процесс изготовления детали
В зависимости от организации структуры предприятия между
операциями термической обработки и покрытиями могут присутствовать операции
транспортировки в соответствующий цех для выполнения этих операций.
Переход внутренней поверхности канала ствола к дульному и
казённому срезам, как правило, выполняется по радиусу, так как на острых
кромках в процессе хромирования образуются наросты хрома (дендриды),
препятствующие нормальному функционированию ствола. После хромирования, как
правило, производится оксидирование ствола, что обеспечивает межоперационную
защиту не хромированных поверхностей от коррозии и позволяет проверить
сплошность хромового покрытия. Участки канала ствола не покрытые хромом
окисляются и приобретают контрастный хорошо видимый чёрный цвет.
Заключение
По условиям технического задания спроектирована конструкция
внутренней поверхности канала ствола, выбран материал - сталь ОХН3МФА, спроектирована
заготовка и выбран метод её получения, назначен метод получения внутренней
поверхности детали (с помощью холодного радиального обжатия), составлен маршрут
технологического процесса изготовления детали.
В графической части работы представлены: чертёж заготовки,
чертёж детали, оправка для получения нарезов в канале ствола, эскиз наладки на
операцию получения нарезов, технологическая схема процесса получения нарезов.
Литература
[1]
Крекнин Л.Т. "Производство автоматического оружия: Ч.1" - Ижевск, 2012.
[2]
Туканов А.Г. "Технология производства стрелково-пушечного и
артиллерийского оружия." - М.: Машиностроение, 2010.
[3]
Соловьёв С.Д., Дементьев В.Б. "Кинетика образования межатомных связей в
биметаллах." - Ижевск: Изд-во ИПМ УроРАН, 2009. - 152с.
[4]
Соловьёв С.Д., Дементьев В.Б., Шаврин О.И. "Основы технологии изготовления
биметаллических цилиндрических деталей." - Ижевск: Изд-во ИПМ УроРАН,
2011. - 238с.