Расчет обмотки статора трехфазного асинхронного двигателя при наличии магнитопровода

  • Вид работы:
    Курсовая работа (т)
  • Предмет:
    Физика
  • Язык:
    Русский
    ,
    Формат файла:
    MS Word
    668,27 Кб
  • Опубликовано:
    2014-08-03
Вы можете узнать стоимость помощи в написании студенческой работы.
Помощь в написании работы, которую точно примут!

Расчет обмотки статора трехфазного асинхронного двигателя при наличии магнитопровода

Министерство сельского хозяйства Республики Беларусь

Учреждение образования

Белорусский государственный аграрный технический университет

Агроэнергетический факультет

Кафедра электроснабжения








Расчетно-пояснительная записка к курсовому проекту

Расчет обмотки статора трехфазного асинхронного двигателя при наличии магнитопровода


Выполнил: Мороз Р.С. 34 эпт

Шифр 1226185

Руководитель: Сыч А.Д.




Минск 2014

Задание на курсовое проектирование

Выполнить расчет трехфазного асинхронного двигателя при ремонте по данным обмера магнитопровода и его паза, техническим условиям заказчика.

Исходные данные к курсовому проекту

асинхронный двигатель обмотка магнитный

. Основной расчёт

D, мм

Dа, мм

L, мм

z, шт

Толщина листов стали, мм

Изоляция листов стали

b, мм

b', мм

bш, мм

h, мм

e, мм

n, мин-1

Uф, В

f, Гц

Схема соединения

211

313

145

48

0,5

ОП

11

8,2

3,7

24

1,0

1500

220

50

Δ/Y



. Задание на пересчёт

n’ ,мин-1

U’ф , B

750

380


Размеры магнитопровода и его паза:- внутренний диаметр сердечника статора, мм.- внешний диаметр сердечника статора, мм.- полная длина сердечника статора, мм.число пазов, шт.- большой размер ширины паза, мм.' - меньший размер ширины паза, мм.ш - ширина шлица паза, мм.- полная высота паза, мм.- высота усика паза, мм.

δ - толщина листов стали, мм.

Технические условия заказчика:- частота вращения магнитного поля статора, об/мин.ф - фазное напряжение обмотки статора, В.

Δ/U - схема соединения обмоток фаз, звезда/треугольник.- частота тока, Гц.

Рисунок 1. Эскиз сердечника статора асинхронного двигателя и контур паза.

Аннотация

Курсовой проект выполнен в объеме: расчетно-пояснительная записка на 36 страницах печатного текста, таблиц - 3, рисунков - 4 , графическая часть на 2 листах, в том числе формата А1 - 1 лист, формата А4 - 1 лист.

Ключевые слова: расчет, асинхронный двигатель, секция, катушечная группа, обмоточные данные, магнитная нагрузка, номинальные данные.

В работе выполнен расчет обмотки трехфазного асинхронного двигателя, определены обмоточные данные, на которые выполнены развернутые схемы обмоток. Приведены перерасчеты обмоток на другие данные (фазное напряжение и частоту вращения магнитного поля статора). Определены все основные параметры обмотки, установлены номинальные данные электродвигателя.

Курсовой проект оформлен в соответствии с СТП БГАТУ 01.12-06, был оформлен на текстовом редакторе MS WORD 2010.

Содержание

Введение

1. Подготовка данных обмера магнитопровода

.1 Определение площади полюса в воздушном зазоре

.2 Определение площади полюса в зубцовой зоне статора

.3 Площадь поперечного сечения магнитопровода в спинке статора

.4 Площадь паза в свету

. Выбор типа обмотки

. Расчет обмоточных данных

.1 Шаг обмотки

.2 Число пазов на полюс и фазу

.3 Число катушечных групп

.4 Число электрических градусов на один паз

.5 Число параллельных ветвей

. Построение двухслойной обмотки трехфазного асинхронного двигателя

. Расчет числа витков в обмотке одной фазы

. Расчет числа витков в одной секции

. Выбор изоляции паза и лобовых частей обмотки

. Выбор марки и расчет сечения обмоточного провода

. Расчет размеров секции (длины витка)

. Расчет массы обмотки

. Электрическое сопротивлени обмотки одной фазы постоянному току в холодном состоянии

. Расчет номинальных данных

.1 Номинальный ток

.2 Номинальная мощность

. Задание обмотчику по выполнению обмотки

14. Расчет однослойной обмотки

. Перерасчет трехфазного асинхронного двигателя на другие параметры

Вывод

Литература

Введение

Асинхронные машины распространены в виде трехфазных асинхронных двигателей, наиболее массовых в мировой практике.

В электрификации сельского хозяйства трехфазный асинхронный двигатель является основным и практически единственным типом электродвигателя для сельских электроустановок. В сельской электрификации используются главным образом трехфазные асинхронные двигатели серий общепромышленного назначения (4А, АИР). На современном уровне развития техники, как показывает мировая практика, серии асинхронных двигателей заменяются новыми, более совершенными, через каждые 5-10 лет (5А, 6А).

Асинхронные двигатели потребляют 40% вырабатываемой в Республике Беларусь электроэнергии, но на их изготовление расходуется большое количество дефицитных материалов: обмоточной меди, электротехнической стали. Поэтому создание высоко экономических серий асинхронных двигателей является важнейшей задачей при их проектировании.

При проектировании асинхронного двигателя для эксплуатации в сельском хозяйстве, необходимо, чтобы двигатель был надёжным и в тоже время простым в эксплуатации, имел химовлагоморозостойкую изоляцию, допускал надежную работу при понижении напряжения в сети.

1. Подготовка данных обмера магнитопровода

Для дальнейшего удобства расчетов целесообразно обработать данные обмера магнитопровода, т.е. определить площади необходимые в дальнейших расчетах.

.1 Определение площади полюса в воздушном зазоре

(1)

где  - расчетная длина магнитопровода, м;

 - полюсное деление (ширина полюса в воздушном зазоре), м.

Допускаем, что магнитопровод не имеет дополнительных каналов на охлаждение, значит расчетная длина магнитопровода равна полной длине магнитопровода ().

Определяем полюсное деление:

(2)

где  - количество пар полюсов, шт.

(3)

1.2 Определение площади полюса в зубцовой зоне статора

В зубцовой зоне статора магнитный поток протекает только по листам электротехнической стали, так как ее магнитная проницаемость много больше, чем изоляции листов. Следовательно, длина магнитопровода , а значит и площадь полюса , сократятся (на площадь занимаемую изоляцией).

Отсюда  будет равна произведению активной площади зубца на их количество в полюсе, .

(4)

где  - число зубцов под одним полюсом, шт.;

 - площадь одного зуба, .

(5)

(6)

где  - расчетная средняя ширина зуба, м;

 - активная длина магнитопровода (без изоляции листов), м.


где  - коэффициент, зависящий от толщины листа электротехнической стали и рода изоляции (принимаем ).

 (7)

(8)

где  - больший размер зубца, м;  - меньший размер зубца, м.

(9)

(10)


.3 Площадь поперечного сечения магнитопровода в спинке статора

Площадь спинки, перпендикулярная магнитному потоку Ф, равна:

(11)

где  - высота спинки статора, м.

(12)

1.4 Площадь паза в свету

Площадь паза в свету требуется для расчёта сечения обмоточного провода.

(13)

где  - площадь трапеции основаниями  и  и высотой ,мм;

, - площади полуокружностей с диаметрами, соответственно  и , .

(14)

(15)

(16)

.

2. Выбор типа обмотки

На практике применяются различного рода типы обмотки (однослойные и двухслойные; с полным и укороченным шагом; односкоростные и многоскоростные; с одинаковым и различным числом секций в пазу), и для того чтобы сделать выбор нужно рассмотреть: экономическую целесообразность, достоинства и недостатки, технические возможности выполнения.

Основные достоинства однослойной обмотки:

. Отсутствие межслоевой изоляции, что повышает коэффициент заполнения паза, а следовательно, ток и мощность двигателя.

. Простота изготовления.

. Большая возможность применения автоматизации при укладке обмоток.

Недостатки:

.        Повышенный расход проводникового материала.

.        Сложность укорочения шага, а следовательно, компенсации высших гармоник магнитного потока.

.        Ограничение возможности построения обмоток дробным числом пазов на полюс и фазу.

.        Более трудоёмкое изготовление и монтаж катушек для крупных электродвигателей высокого напряжения.

Двухслойные обмотки в основном выполняются с одинаковыми секциями: петлевые и цепные, реже принимают концентрические.

Основные достоинства двухслойной обмотки по сравнению с однослойной:

. Возможность любого укорочения шага, что позволяет:

а) снизить расход обмоточного провода за счет уменьшения длины лобовой части секции;

б) уменьшить высшие гармонические составляющие магнитного потока, то есть снизить потери в магнитопроводе двигателя.

. Простота технологического процесса изготовления катушек (многие операции можно механизировать).

. Возможность выполнения обмотки почти с любой дробностью q, что обеспечивает изготовление обмотки при ремонте асинхронных двигателей с изменением частоты вращения ротора. Кроме того, это является одним из способов приближения формы поля к синусоиде.

. Возможность образования большего числа параллельных ветвей.

К недостаткам двухслойных обмоток следует отнести:

.        Меньший коэффициент заполнения паза (вследствие наличия межслоевой изоляции).

.        Некоторая сложность при укладке последних секций обмотки.

необходимость поднимать целый шаг обмотки при повреждении нижней стороны секции.

По приведенным соображениям, в настоящее время, в ремонтной практике машин переменного тока двухслойные обмотки получили наибольшее применение. Следовательно, выбираем двухслойную петлевую обмотку.

3. Расчет обмоточных данных

Расчет обмоточных данных состоит в определении основных данных:- число катушечных групп;- шаг обмотки;- число пазов на полюс и фазу;

α - число электрических градусов, приходящихся на один паз;

а - число параллельных ветвей.

.1 Шаг обмотки

Шаг обмотки (у) - это расстояние выраженное в зубцах (или пазах), между активными сторонами одной и той же секции:

(17)

где  - расчетный шаг (равен полюсному делению, выраженному в зубцах);

 - произвольное число меньше 1, доводящее расчётный шаг () до целого числа.

На практике принято шаг определять в пазах, поэтому при раскладке вторая сторона секции ложится в паз у+1.


Двухслойные обмотки выполняют с укорочением шага.

(18)

где  - коэффициент укорочения шага обмотки (на практике и расчётами установлено, что наиболее благоприятная кривая изменения магнитного потока получается при укорочении диаметрального (расчётного) шага на ).


Принимаем  пазов.

.2 Число пазов на полюс и фазу

(19)

где  - число фаз.


Так как , то обмотка называется рассредоточенной, при этом фазные катушки должны быть разделены на секции, число которых равно .

.3 Число катушечных групп

В двухслойных обмотках число катушечных групп механически увеличивается в два раза, однако, по сравнению с однослойной обмоткой, с числом витков в каждой секции меньшим в два раза, тогда:

 (20)

где  - число катушечных групп в одной фазе двухслойной обмотки.


Так как каждую пару полюсов создают все три фазы переменного тока, следовательно:

(21)


.4 Число электрических градусов на один паз

В расточке статора асинхронного двигателя одна пара полюсов составляет 360 электрических градусов. Это наглядно видно на рисунке 2.

Рисунок 2. Изменение ЭДС под полюсами.

При прохождении проводника под одной парой полюсов в расточке статора полностью за один оборот ЭДС в нём (возникает) изменяется по синусоиде. При этом происходит полный цикл изменения, который составляет 360 электрических градусов (рисунок. 2).

Число электрических градусов, приходящихся на паз, или угловой сдвиг между рядом лежащими пазами:

(22)


.5 Число параллельных ветвей

Параллельные ветви в обмотке асинхронного двигателя делаются для сокращения сечения обычного провода, кроме того, это даёт возможность лучше загрузить магнитную систему машины.

Катушечные группы фаз можно соединять последовательно (а=1), параллельно (а=q)и комбинированно (1<а<q).

Для нашего случая применяем, а=1.

4. Построение двухслойной обмотки трехфазного асинхронного двигателя

Для получения вращающегося магнитного поля трёхфазного асинхронного двигателя, при любой схеме обмотки, требуется:

. Смещение в пространстве расточки статора асинхронного двигателя фазных обмоток, одна относительно другой на 1200эл.

. Смещение во времени токов, протекающих по этим обмоткам, на  периода.

Первое условие выполняется соответствующей укладкой катушечных групп трёхфазной обмотки, второе - подключением асинхронного двигателя к сети трёхфазного тока. При построении схемы, обмотка первой фазы может, в общем, начинаться с любого паза. Поэтому первую активную сторону секции помещаем в первый паз. Вторую активную сторону секции помещаем через 8 зубцов в 9 паз. В однослойной обмотке первая катушечная группа участвует в создании первой пары полюсов, вторая - должна создавать вторую пару полюсов, следовательно, расстояние между ними должно быть равно одной паре полюсов, т. е. 360 электрических градусов.

В отличие от однослойных в двухслойных обмотках катушечные группы одной и той же фазы сдвигаются не на 360 электрических градусов, а на 180, поэтому:


Следовательно, вторая катушка фазы "А" начинается с 13-го паза.

Обмотки фаз "В" и "С" выполняется аналогично, но они сдвинуты соответственно на 120 и 240 электрических градусов относительно обмотки фазы "А", т. е.



5. Расчет числа витков в обмотке одной фазы

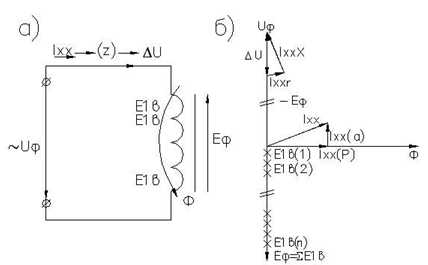
Рисунок 3 - а) принципиальная схема работы асинхронного двигателя; б) упрощенная векторная диаграмма асинхронного двигателя.

При подаче напряжения Uф на обмотку, по ней потечёт ток холостого хода (рисунок 3). Так как напряжение изменяется по синусоидальному закону, ток будет переменным. В свою очередь создаст в магнитной системе машины магнитный поток Ф, который также будет переменный.

Переменный магнитный поток Ф индуцируется в витках обмотки, которая его создала ЭДС (ЕФ), направленную встречно приложенному напряжению (закон электромагнитной индукции). ЭДС фазной обмотки ЕФ будет слагаться из суммы ЭДС отдельных витков E1.

Кроме того, ток Iхх создаёт на активном и реактивном сопротивлении обмотки падение напряжения DU.

Таким образом, приложенное к обмотке напряжение Uф уравновешивается ЭДС ЕФ и падение напряжение в обмотке DU. Всё это в векторной форме приведено в упрощённой векторной диаграмме (рисунок 3).

Расчет оптимального числа витков в обмотке одой фазы выполняем методом подбора, условие которого: получить рациональное число витков в равносекционной обмотке, при оптимальных магнитных нагрузках на всех участках магнитной цепи.

Для уравновешивания напряжения приложенного к обмотке необходимо, чтобы ЭДС, индуцируемая в ее витках равнялась этому напряжению, т.е.:

 (23)

где 0,97 - коэффициент, учитывающий падение напряжения в обмотке;

 - фазное напряжение, приложенное к обмотке, В;

 - ЭДС одного витка, В.

Учитывая это выражение и то что:

(24)

где  - магнитный поток под полюсом, Вб;

 - обмоточный коэффициент.

(25)

где  - коэффициент распределения магнитного потока;

 - коэффициент укорочения.


Обмоточный коэффициент:


Получим:


Определим величину магнитного потока:

 (26)

Определяем интервал мощностей для выбора магнитной индукции из Приложения 14 /1/. Принимаем

 (27)

По таблице10.1 /1/ задаемся значением магнитной индукции в воздушном зазоре  Тл.


Принимаем  витка, но это число предварительное, так как требуется выполнение условия равносекционности, которое вытекает из выражения числа активных проводников в пазу.

(28)

Принимаем =10 шт.

Пересчитываем количество витков в одной фазе:


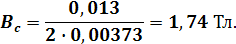
Определяем расчётный магнитный поток:


Находим магнитные индукции участков магнитной цепи. Так как магнитный поток  на всех участках постоянный, значения магнитных нагрузок на них зависят лишь от площадей.

Магнитная индукция в воздушном зазоре:



Магнитная индукция в зубцовой зоне статора:

Магнитная индукция в спинке статора:


Сравниваем их с предельно допустимыми значениями. Все варианты расчёта магнитных индукций сводим в таблицу 1.

Таблица 1 - Нагрузка магнитной цепи.

Наименование

Ед. изм

Расчётная формула

Варианты расчёта

Допустимые пределы




1

2

3


Число проводников в пазу,

шт

10

12

14

-

Число витков в обмотке одной фазы,

шт

80

96

112

-

Величина магнитного потока  при

Вб

0,013

0,011

0,0093

-

Индукция в воздушном зазоре,

Тл

0,85

0,72

0,61

0,7 - 0,9

Индукция в зубцах,

Тл

2,22

1,88

1,59

1,4 - 1,8

Индукция в спинке статора,

Тл

1,74

1,47

1,25

1,3 - 1,6



По результатам расчёта, из таблицы видно, что наиболее оптимальный вариант 3, при котором рассчитываемый двигатель будет отдавать максимальную для его магнитной системы мощность. Если максимальная нагрузка в норме, то это и будет, оптимальный вариант. Если магнитная индукция на каком-то участке ниже нормы, то есть участок не догружен и в этом случае будет недоиспользована сталь магнитопровода асинхронного двигателя, занижена его мощность.

Если магнитные нагрузки выше нормы индукции, на каком либо участке, то этот участок перегружен и двигатель перегревается, этот вариант не допустим.

6. Расчет числа витков в одной секции

Определяем число витков в одной секции.

В одном пазу лежат проводники двух секций, следовательно, число витков в секции равно половине числа активных проводников в пазу.

(34)



7. Выбор изоляции паза и лобовых частей обмотки

Целью главной изоляции является обеспечение требуемой электрической прочности между обмотками разных фаз, а также обмотками и магнитопроводом (корпусом) асинхронного двигателя. Кроме того, она должна отвечать требованиям нагревостойкости, химической стойкости, влагостойкости и пр.

Рисунок 4. Изоляция паза двухслойной обмотки.

Изоляция паза (рисунок 4) состоит из пазовой коробки 1, межслойной прокладки 2 (если обмотка двухслойная), прокладки под клин 3 и пазового клина 4. Также устанавливаются межфазовые прокладки в лобовых частях секций или катушечных групп, изоляции внутри машинных соединений, а также под бандаж в пазовых и лобовых частях обмоток.

Электроизоляционные материалы для всех деталей обмоток выбираются в зависимости от номинального напряжения машины, класса нагревостойкости, условий работы, наличия диэлектрических материалов и по экономическим соображениям.

Исходя из номинальной мощности машины, в пределах 10-100 кВт и номинального напряжения 220/380 В, целесообразно отнести ее к классу нагревостойкости F(155◦C). Также учитывая то, что проектируемый асинхронный двигатель будет эксплуатироваться в сельском хозяйстве, выбираем для изоляции пазов и лобовых частей следующие материалы.

Для защиты второго слоя от повреждения листами стали и обеспечения высокой механической прочности применяем для первого слоя изоляции электрокартон марки ЭВП: 0,15 мм,  кВ/мм.

Поверхность электрокартона марки ЭВП имеет повышенный коэффициент трения.

Полиэтилентерефталатная (лавсановая) пленка ПЭТФ позволяет значительно сократить толщину изоляции вследствие ее высокой электрической, а нередко и механической прочности, что повышает коэффициент заполнения паза.

В качестве третьего слоя применяем электрокартон марки ЭВП: 0,15 мм,  кВ/мм.

Проверяем выбранные диэлектрики на электрическую прочность изоляции паза.

Электрическая прочность первого слоя:


Электрическая прочность второго слоя:

.

Электрическая прочность третьего слоя:


Суммарная электрическая прочность пазовой изоляционной коробки:


Проверка электрической прочности гильзы:


где  - испытательное напряжение для проверки изоляции, кВ.


Изоляция удовлетворяет поставленным условиям, более того, диэлектрики можно взять меньшей толщины. Однако, учитывая необходимость обеспечения нужной механической прочности изоляции, выбранные материалы можно утвердить.

8. Выбор марки и расчет сечения обмоточного провода

Исходя из номинальной мощность машины в пределах 10-100 кВт и номинального напряжения 220/380 В, целесообразно отнести ее к классу по нагревостойкости F. Выбираем обмоточный провод марки ПСД-Т.

Выполняем расчет параметров обмоточного провода.

Определяем расчётное сечение провода с изоляцией:

(38)

где  - коэффициент заполнения паза (принимаем равным 0,5).


Определяем расчетный диаметр провода с изоляцией.


Выполняем проверку возможности укладки провода в паз, условие 3,03 мм< -1.5=3,7 - 1,5 = 2,2 мм не выполняется.

Поэтому выбираем число параллельных сечений а=2

Расчетный диаметр провода с изоляцией:

Выбираем провод стандартного диаметра с изоляцией и без изоляции . Стандартное сечение провода:

Выполняем проверку возможности укладки провода в паз, условие =2,15 мм< -1.5=3,7 - 1,5 = 2,2 мм выполняется.

Принимаем для изготовления секции один провод марки:



9. Расчет размеров секции (длины витка)

Определение длины витка необходимо для наладки шаблона при изготовлении секции катушечных групп, а также для последующих расчетов.

Виток состоит из двух активных и двух лобовых частей, следовательно, длина витка равна:

(40)

где  - длина лобовой части витка, м;

- активная длина витка, м;

При отсутствии поперечных каналов на охлаждение в магнитопроводе принимаем

Определяем длину лобовой части витка:

(41)

где  - поправочный коэффициент, зависящий от метода изготовления обмотки и количества полюсов (принимаем );

- коэффициент запаса (принимаем ),м;

- средняя ширина секции, м.

Определяем среднюю длину секции:

(42)



Таблица 2 - Значения поправочного коэффициента и коэффициента запаса.

Сердечник статора, намотанный отдельно

Сердечник статора, намотанный непосредственно в корпусе


, м

, м

2

1,25

0,02

1,30

0,03

4

1,30

0,02

1,35

0,03

6

1,40

0,02

1,50

0,03

8

1,50

0,02

1,55

0,03



10. Расчет массы обмотки

Расчет массы обмотки, в частности, необходим для получения обмоточного провода со склада.

Масса металла обмотки определяется путем умножения плотности материала жилы на объем провода.

(43)

где  - плотность проводникового материала (для меди - 8900 кг/м3), кг/м3.


Масса провода обмотки с изоляцией и учета " срезок " (обрезок обмоточного провода, образующихся при выполнении технологических процессов пайки и сварки), ориентировочно берется на 5% больше.



11. Электрическое сопротивлени обмотки одной фазы постоянному току в холодном состоянии

Определяется для сравнения (выявления дефектов) при контрольных и типовых испытаниях.

Электрическое сопротивление одной фазы обмотки постоянному току в холодном состоянии (R) определяется из выражения, Ом:

(44)

где  - удельное сопротивление проводника (для меди  при 20єС), Ом·мм2 /м.



12. Расчет номинальных данных

Номинальными данными называют оптимальные величины параметров, на которые рассчитана нормальная работа электрической машины.

Для двигателя таковыми являются:Н - напряжение, В;Н - ток, А;Н - мощность, кВт;Н - частота тока, Гц;Н - частота вращения ротора, мин-1;

cos φН - коэффициент мощности;

ηН - коэффициент полезного действия (КПД);

Δ/Υ - схема соединения обмотки.

.1 Номинальный ток

Номинальный фазный ток двигателя равен произведению плотности тока на активную площадь обмоточного провода, с учетом параллельных ветвей и сечений.

(45)

где  - плотность тока (принимаем  из таблицы 10.1), А/мм2.


Проверяем найденную величину фазного тока по величине линейной нагрузки.

Линейная нагрузка двигателя представляет собой произведение тока на число активных проводников во всех пазах электромашины, приходящихся на 1 м длины окружности внутренней расточки статора машины.

(46)


Сравниваем с допустимым значением линейной нагрузки. Вычисленное значение удовлетворяет табличным пределам: 32,5⋅ - 40⋅ А/м.

.2 Номинальная мощность

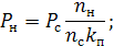
Расчетная номинальная мощность трехфазного асинхронного двигателя определяется по выражению.

(47)

Принимаем коэффициент мощности сos j=0,9 и коэффициент полезного действия h=0,91.


Округляем полученное значение мощности до ближайшего стандартного и находим его номинальный ток. Ближайший стандартный двигатель марки АИР160М4У3 с Рн ГОСТ = 18,5 кВт, сos jн=0,89, hн=0,905.


Еще раз проверяем ток по линейной нагрузке.


Сравниваем значение линейной нагрузки с допустимыми значениями 32,5⋅ - 40⋅ А/м.

Определяем фактическую плотность тока.

(48)



13. Задание обмотчику по выполнению обмотки

Все рассчитанные и необходимые данные для выполнения обмотчиком обмотки сводим в таблицу 2.

Таблица 3 - Задание обмотчику.

Наименование

Статор

1

Тип двигателя

АИР160М4У3

2

Номинальная мощность, кВт

18,5

3

Номинальное напряжение, В

220

4

Номинальный ток, А

34,8

5

Номинальная частота вращения, мин-1

1500

6

Частота тока, Гц

50

7

Схема соединения обмоток

D/U

8

соsj

0,89

9

h, %

90,5

10

Тип обмотки

Петлевая, двухслойная

11

Масса провода, кг

13,7

12

Марка и сечение провода

13

Число параллельных сечений, шт

2

14

Число витков в секции, шт

7

15

Число секций в катушке, шт

4

16

Длина витка, м

0,77

17

Количество катушек, шт

12

18

Шаг обмотки, шт

10

19

Число параллельных ветвей, шт

1


Составил студент 3-го курса 34ЭПТ

Мороз Роман Сергеевич

.05.2014

14. Расчет однослойной обмотки

Расчет обмоточных данных состоит в определении основных данных:- число катушечных групп;- шаг обмотки;- число пазов на полюс и фазу;

α - число электрических градусов, приходящихся на один паз;

а - число параллельных ветвей.

Определяем число пар полюсов:


Определяем шаг обмотки:


Определяем число пазов на полюс и фазу:


Так как обмотка концентрическая, то определяем необходимые значения для шага обмотки:


Определяем число катушечных групп для однослойной обмотки:

 (49)

где N1ф(1) - число катушечных групп в одной фазе однослойной обмотке.


Количество катушечных групп в трех фазах:

 (50)


Определяем число электрических градусов на один паз:


Принимаем число параллельных ветвей

При построении схемы, обмотка первой фазы может в общем начинаться с любого паза. Поэтому первую активную сторону секции помещаем в первый паз. Вторую активную сторону секции помещаем через семь пазов в восьмой паз.

В однослойной обмотке первая катушечная группа участвует в создании первой пары полюсов, вторая - должна создавать вторую пару полюсов, следовательно, расстояние между ними должно быть равно одной паре полюсов, т. е. 360 электрических градусов. В данном случае у нас четыре катушечных группы и они участвуют в создании четырех пар полюсов.

Обмотка фаз "В" и "С" выполняется аналогично, но они сдвинуты, соответственно, на 120 и 240 электрических градусов относительно обмотки фазы

"А", т. е. в пазах это будет:



15. Перерасчет трехфазного асинхронного двигателя на другие параметры

Для проведения перерасчета используем упрощенные формулы, с использованием уже рассчитанных данных. Старые данные будем обозначать индексом "с", а новые - "н".

Перерасчет асинхронного двигателя на другое напряжение.

Из уравнения (26) с учетом постоянства ЭДС одного витка можно получить новое количество витков в фазе.

(51)

Округляем до ближайшего целого и четного, т.е. шт.

Изменение числа витков в фазе пропорционально меняет число активных проводников в пазу.

(52)

Округляем до

Уточняем количество витков в фазе по формуле (29):



Число витков в одной секции равно половине активных проводников пазу (34).


Выбираем обмоточный провод для новой машины. Марку провода оставляем прежней, а диаметр рассчитываем. Диаметр провода с изоляцией.

(53)

Выбираем провод стандартного диаметра с изоляцией  и без изоляции  и сечением .

Принимаем для изготовления секции один провод марки:


Проверка прохода провода через шлиц паза


Учитывая, что изменений в количестве полюсов при новой обмотке нет, все обмоточные данные (, у, q,  и ) берутся по данным старой обмотки, следовательно, и схема обмотки в электродвигателе остается неизменной. Остаются прежними: размер витка , масса обмоточного провода G' (потому что изменение  пропорционально изменению сечения провода П), без изменения остается и номинальная мощность машины PН (т.к. изменение номинального тока IН пропорционально номинальному напряжению UН).

Целесообразно провести проверку только сопротивления обмотки одной фазы постоянному току в холодном состоянии - R, по формуле (44).


Перерасчет асинхронного двигателя на другую частоту вращения.

При пересчете на другую частоту вращения вначале следует уточнять допустимость такого пересчета. Так как при изменении частоты после ремонта может иметь место: "залипание" - ротор не проворачивается при включении машины в сеть, "застревание" - ротор вращается на значительно пониженных оборотах, наблюдается "повышенный шум".

Причины - в содержании высших гармонических составляющих в магнитном потоке электромашины, а они связаны с нарушением соотношений между числами зубцов статора (Z1) и ротора (Z2) магнитопровода.

Для предупреждения "залипание" ротора в момент пуска требуется, чтобы выполнялось условие:

 (54)

где  - любое целое число;

 - число пар полюсов.

Для предупреждения "застревания" ротора на пониженной частоте вращения, требуется выполнения условий:

 (55)

Для предупреждения "повышенного шума" электродвигателя требуется выполнения:

 (56)

Так как количество зубцов в роторе  не задано, то считаем, что все условия выполняются и перерасчет на новую частоту nН=750 об/мин возможен.

Определяем количество пар полюсов:


Число витков в одной секции:

(57)

где  - поправочный коэффициент пересчета, принимаем .


Округляем до целого  шт, тогда количество активных проводников в пазу двухслойной обмотки будет равно  шт, и число витков в обмотке одной фазы равно (29):


Изменение числа витков изменит сечение провода обмотки и мощность машины.

Определим новое сечение провода:

(58)

Выполняем проверку возможности укладки провода в паз, условие 1,1 мм< -1.5=3,7- 1,5 = 2,2 мм выполняется.

Выбираем провод стандартного диаметра с изоляцией и без изоляции . Стандартное сечение провода:


Выбираем новый обмоточный провод той же марки:


Проверка прохода провода через шлиц паза

Новая мощность машины:

(59)

Определим новые обмоточные данные.

Шаг обмотки:

(60)


Определяем укороченный шаг:

Принимаем

Число пазов на полюс и фазу (число секций в фазной катушке):

(61)

Число катушечных групп (фазных катушек):


Длина витка секции новой обмотки:


Найдем массу провода новой обмотки:


Сопротивление новой обмотки одной фазы постоянному току в холодном состоянии:



Вывод

Изменение частоты вращения магнитного поля влияет следующим образом на величины магнитных индукций:

магнитная индукция изменяется незначительно потому что задаёмся оптимальными значениями

магнитная индукция в зубцовой зоне статора изменяется так же незначительно, потому что изменяется сечение зубцовой зоны пропорционально изменению сечения воздушного зазора

магнитная индукция в спинке статора с уменьшение вращения магнитного поля уменьшается потому что сечение спинке статора постоянно.

Изменение фазного напряжения влечёт изменение:

числа витков в фазе

сечение провода

Изменение частоты влечёт изменение:

числа витков в фазе

ЭДС витка

Выбор типа обмотки отражается на следующих параметрах: однослойная имеет больший коэффициента заполнения паза, что ведёт к повышению сечения провода и следовательно к повышению мощности двигателя. Однако требует большего количества обмоточного провода, так как шаг нельзя укорачивать. Двухслойная имеет возможность укорочения, что экономит провод и уничтожает высшие гармоники.

Наиболее рациональная статорная обмотка магнитопровода двухслойная с укороченным шагом. Фазное напряжение 220В, частота вращения 1500 мин-1, частота тока 50 Гц.

Литература

1.      Сердешнов А.П. Ремонт электрооборудования в 2 частях. Часть 1. Ремонт электрических машин: учебное пособие для студентов энергетических специальностей учреждений, обеспечивающих получение высшего образования / А.П. Сердешнов. - Мн.: ИВЦ Минфина, 2006. - 293с.

.        Кокорев А.С. Справочник молодого обмотчика электрических машин. - М.: Высшая школа, 1985. - 207 с.

.        Жерве Г.К. Обмотки электрических машин. - Л.: Энергоатомиздат, 1989. - 400 с.

.        Пястолов А.А. Практикум по технологии монтажа и ремонта элек-трооборудования. - М.: Агропромиздат, 1990. - 179 с.

.        Александров Н.Н. Электрические машины и микромашины - М.: Колос, 1983. - 384 с.

Похожие работы на - Расчет обмотки статора трехфазного асинхронного двигателя при наличии магнитопровода

 

Не нашли материал для своей работы?
Поможем написать уникальную работу
Без плагиата!
Без нейросетей!