Разработка системы электроснабжения термического цеха
Содержание
Введение
1. Характеристика потребителей
2. Расчет силовых и осветительных нагрузок
2.1 Расчет силовых нагрузок
2.2 Расчет осветительных нагрузок
3. Выбор цеховых трансформаторов
3.1 Расчет числа и мощности цеховых трансформаторов
3.2 Технико-экономический расчет
4. Выбор схемы распределения электрической энергии
4.1 Выбор сечения проводов и кабелей
4.2 Выбор выбор шинопроводов
5. Расчет токов короткого замыкания
6. Выбор защитной и коммутационной аппаратуры
Заключение
Список литературы
Введение
Целью данного курсового проекта является разработка системы
электроснабжения термического цеха. При проектировании нужно произвести расчет
электрических и осветительных нагрузок, выбрать мощность, число и тип цеховых
трансформаторов, рассмотреть вопросы выбора и проверки коммутационной и
защитной аппаратуры 0,4 кВ, выбрать сечения и длины кабельных линий, произвести
расчет токов короткого замыкания, расчет автоматики, построить карту
селективности.
1.
Характеристика потребителей
По категории надежности часть приёмников цеха являются
потребителями II категории - 75%, а все остальные - потребители III категории.
Питание электроприемников обеспечивается от двух независимых, взаимно
резервирующих, источников питания.
Все потребители электрической энергии являются потребителями
трехфазного напряжения 380В переменного тока с частотой 50Гц. Потребители имеют
разные режимы работы. Вся осветительная нагрузка цеха однофазная.
Таблица 1.1 - Характеристика потребителей
|
№ по рисунку
|
Наименование
потребителя
|
n, шт
|
Uном, В
|
Pном,
кВт
|
Ки
|
cosφ
|
Режим работы
|
|
1. Механическое
отделение Н=6м
|
|
1,2 4,5
6,7,8,9,10
|
Токарные станки
|
2 2 5
|
380 380 380
|
16,2 12,5 4,8
|
0,16 0,16 0,16
|
0,6 0,6 0,6
|
КР КР КР
|
|
11,12,13,14,15
16,17
|
Строгальные
станки
|
5 2
|
380 380
|
4,2 3,1
|
0,16 0,16
|
0,6 0,6
|
КР КР
|
|
18 19, 20,21 22
23 31,32
|
Фрезерные
станки
|
1 3 1 1 2
|
380 380 380 380 380
|
15,7 12,5 7,1
4,5 1,5
|
0,16 0,16 0,16
0,16 0,16
|
0,6 0,6 0,6 0,6
0,6
|
КР КР КР КР КР
|
|
24 3
|
Карусельные
станки
|
1 1
|
380 380
|
35,5 28,5
|
0,16 0,16
|
0,6 0,6
|
КР КР
|
|
27,28 33
|
Сверлильные
станки
|
2 1
|
380 380
|
7,5 2,9
|
0,16 0,16
|
0,6 0,6
|
КР КР
|
|
25,26 29,30
|
Шлифовальные
станки
|
2 2
|
380 380
|
21,5 13,6
|
0,16 0,16
|
0,6 0,6
|
КР КР
|
|
2.
Слесарно-сборочное отделение Н=12 м
|
|
47,48,49
|
Отрезные станки
|
3
|
380
|
2,5
|
0,14
|
0,5
|
КР
|
|
40
|
Ножницы
|
1
|
380
|
7
|
0,16
|
0,6
|
ПКР
|
|
35,36
|
Пресс
|
2
|
380
|
17
|
0,25
|
0,65
|
ДР
|
|
41,42
|
Обдирочно-шлифовальные
станки
|
2
|
380
|
3,5
|
0,3
|
0,65
|
КР
|
|
43,44,45,46
|
Трубоотрезные
станки
|
4
|
380
|
3,1
|
0,14
|
0,5
|
КР
|
|
37,38,51
|
Преобразователь
сварочный
|
3
|
380
|
28
|
0,3
|
0,6
|
|
|
34,50
|
Трансформатор
сварочный
|
2
|
380
|
35
|
0,3
|
0,4
|
КР
|
|
39
|
Кран мостовой
ПВ=25%
|
1
|
380
|
29
|
0,06
|
0,5
|
ПКР
|
|
52,53
|
Машины
электросварочные
|
2
|
380
|
25
|
0,3
|
0,6
|
КР
|
|
3.
Электроремонтное отделение Н=6 м
|
|
54
|
Строгальные
станки
|
1
|
380
|
5,6
|
0,16
|
0,6
|
КР
|
|
55,56,57
|
Точильные
станки
|
3
|
380
|
4,5
|
0,16
|
0,6
|
КР
|
|
58,59,60
|
Сушильные шкафы
|
3
|
380
|
4
|
0,5
|
0,95
|
ДР
|
|
61,63,64
|
Токарные станки
|
3
|
380
|
15,1
|
0,16
|
0,6
|
КР
|
|
65,66,67
|
Обдирочные
станки
|
3
|
380
|
4,5
|
0,16
|
0,6
|
КР
|
|
62
|
Машины
электросварочные
|
1
|
380
|
20,5
|
0,3
|
0,6
|
КР
|
|
4.
Гальваническое отделение Н=6 м
|
|
69,70,71,75
|
Выпрямители
|
4
|
380
|
22
|
0,5
|
0,8
|
ДР
|
|
72,73 74,76
|
Сушильные шкафы
|
2 2
|
380 380
|
10 6
|
0,5 0,5
|
0,95 0,95
|
ДР ДР
|
|
77
|
Полировочные
станки
|
1
|
380
|
3,2
|
0,3
|
0,65
|
КР
|
|
5. Кузнечное
отделение Н=12 м
|
|
79
|
Молоты
|
1
|
380
|
15
|
0,3
|
0,65
|
КР
|
|
80,81,84
|
Горны
|
3
|
380
|
1
|
0,5
|
0,95
|
ДР
|
|
85,86,87
|
Обдирочные
станки
|
3
|
380
|
2,8
|
0,16
|
0,6
|
КР
|
|
78,83
|
Печи
сопротивления
|
2
|
380
|
45,8
|
0,5
|
0,95
|
ДР
|
|
82
|
Тельферы ПВ=25%
|
1
|
380
|
15
|
0,06
|
0,5
|
ПКР
|
|
6. Термическое
отделение Н=6 м
|
|
88 89,90
91,92,93 95,96,97,98,99 94,100,101,102,103 104
|
Печи
сопротивления
|
1 2 3 5 5 1
|
380 380 380 380 380 380
|
35 24 22 19 2,2
1,1
|
0,5 0,5 0,5 0,5
0,5 0,5
|
0,95 0,95 0,95
0,95 0,95 0,95
|
ДР ДР ДР ДР ДР
ДР
|
|
107,106,105
|
Вентиляторы
|
3
|
380
|
5,0
|
0,7
|
0,8
|
ДР
|
|
7.
Инструментальная Площадь 30 м2 (5х6), Руд=6 кВТ/м
|
|
8. Склад
Площадь 100м2 (10х10), Руд=0,4 кВТ/м
|
|
9. Бытовые
помещения Площадь 100 м2 (10х10), Руд=0,3 кВТ/м
|
электроснабжение короткое замыкание цех
2. Расчет
силовых и осветительных нагрузок
2.1 Расчет
силовых нагрузок
Основными исходными данными для определения расчетных силовых
нагрузок служит перечень потребителей электрической энергии с указанием их
номинальной мощности, количества и режима работы.
Расчет производится по методу упорядоченных диаграмм.
Среднесменная активная и реактивная мощности электроприемника
определяются по формулам:
, (2.1)
, (2.2)
где
- коэффициент использования ЭП;
- номинальная мощность электроприемника, кВт.
Коэффициент использования для группы электроприемников:
, (2.3)
Эффективное число электроприемников определяется по формуле:
(2.4)
Расчетная нагрузка группы потребителей электроэнергии определяется
по формуле:
, (2.5)
где Кр - коэффициент расчетный.
Расчетная реактивная мощность группы потребителей
определяется в зависимости от
эффективного числа электроприемников по выражениям:
При:
:
, (2.6)
при:
, (2.7)
где
- соответствует cos ц,
принятому для данного потребителя.
Полную расчетную мощность определяем по выражению:
(2.8)
Расчетный ток для группы потребителей определяется по выражению:
(2.9)
где Uном=0,4 кВ - номинальное напряжение сети.
Произведем расчет нагрузок для цеха:
Найдем Рсм для трехфазных электроприемников по (2.1):
Для потребителей работающих в ПКР
(2.10)
гр.
гр.
гр.
гр.
гр.
гр.
гр.
Т.к. нет однофазных потребителей, то суммарная среднесменная
мощность:
(2.11)
гр.
гр.
гр.
гр.
гр.
гр.
гр.
Т.к. нет однофазных потребителей, то суммарная номинальная
нагрузка:
(2.12)
гр.
гр.
гр.
гр.
гр.
гр.
гр.
Эффективное число электроприемников определяется по (2.4):
гр.
шт. Кр=1,3
гр.
шт. Кр=1,52
гр.
шт. Кр=1,69
гр.
шт. Кр=1,05
гр.
шт. Кр=1
гр.
шт. Кр=1,01, 7гр.
шт. Кр=8,71
Найдем суммарную расчетную активную и реактивную мощности по
формулам (2.5) и (2.6):
гр.
;
гр.
;
гр.
; 
гр.
;
гр.
;
гр.
;
Инструментальная:
Вт;
квар.
Склад:
кВт;
квар.
Бытовые помещения:
кВт;
квар.
Суммарная расчетная активная мощность:
Рр=84,9+4,26+14,4+78,65+241,35+10,6+11,5+180+40+30=695,66
кВт
Суммарная расчетная реактивная мощность:
Qр=86,9+4,8+10,94+99,6+79,65+7,2+2,51+144+32+24=491,6
квар
Полная мощность, согласно (2.8), составляет:
кВА,
Определим расчетный ток по формуле (2.9):
А.
2.2 Расчет
осветительных нагрузок
Расчет осветительных нагрузок цеха производим по методу
удельных мощностей.
Устанавливаем VI разряд
зрительных работ. Освещенность Е=100 лк. Освещение выполним люминесцентными
лампами, тип светильника ЛБ-80, cosц=0,93.
Коэффициенты отражения от потолка, стен и рабочей поверхности:
,
,
. Коэффициент спроса:
. Коэффициент пускорегулировочной
аппаратуры для ЛЛ
.
Высота подвеса светильников над полом:
м. Находим удельную мощность осветительной
установки:
. Площадь участка:
.
Вт;
кВт;
квар.
3. Выбор
цеховых трансформаторов
3.1 Расчет
числа и мощности цеховых трансформаторов
При выборе числа и мощности трансформаторов учитывается категория
надёжности электроснабжения потребителей и их коэффициент загрузки
, который зависит от системы охлаждения
трансформатора:
Для I категории -
(сухие) и
(масляные);
для II категории -
(сухие) и
(масляные);
и для III категории -
(сухие) и
(масляные).
Принимаем
.
Найдём суммарную мощность, потребляемую цехом с учётом
осветительной нагрузки:
(3.1)
(3.2)
(3.3)
кВт;
квар;
кВА.
Количество трансформаторов определяется по выражению:
, (3.4)
где
- номинальная мощность трансформатора;
Рассмотрим возможность применения КТП с силовыми трансформаторами
типа ТМ - 400/10/0,4 или ТМ - 630/10/0,4.
;
.
Реактивная мощность, передаваемая через трансформаторы из сети ВН
в сеть НН, определяется по выражению:
(3.5)
квар;
квар.
Определяем реактивную мощность, которую необходимо скомпенсировать
по выражению:
(3.6)
квар;
квар.
Т.к.
, то компенсирующее устройство не
требуется.
Уточняем коэффициент загрузки трансформатора по выражению:
(3.7)
;
.
Уточняем коэффициент загрузки трансформатора в аварийном режиме по
выражению:
(3.8)
;
.
В обоих случаях коэффициент загрузки удовлетворяет условиям ПУЭ.
Для окончательного выбора числа и мощности трансформаторов
производим технико-экономический расчет.
3.2
Технико-экономический расчет
Полные затраты на обслуживание трансформатора определяются по
выражению:
, (3.9)
где E - норма дисконта (
);
- полные капитальные затраты с учётом стоимости КТП;
- стоимость потерь в трансформаторе;
- затраты на обслуживание ремонт и амортизацию.
, (3.10)
где
- цена КТП,
тыс. руб,
тыс. руб;
- индекс цен оборудования;
- коэффициент, учитывающий транспортно заготовительные расходы,
связанные с приобретением оборудования;
- коэффициент учитывающий затраты на строительные работы;
- коэффициент учитывающий затраты на монтаж и отладку
оборудования.
тыс. руб.;
тыс. руб.
, (3.11)
где
- стоимость 1кВт/ч электроэнергии,
;
- годовое число часов работы трансформатора,
;
- потери холостого хода,
кВт,
кВт;
- потери короткого замыкания,
кВт,
кВт;
- время максимальных потерь,
тыс. руб;
тыс. руб.
, (3.12)
где
норма амортизационных отчислений;
- норма обслуживания оборудования;
- норма ремонта оборудования.
тыс. руб.;
тыс. руб.
тыс. руб.;
тыс. руб.
Вариант КТП с двумя трансформаторами мощностью
кВА на основе технико-экономического
расчета оказался выгоднее, его и принимаем за основной.
4. Выбор
схемы распределения электрической энергии
Цеховые сети распределения электроэнергии должны обеспечивать
необходимую надёжность электроснабжения приёмников электроэнергии в зависимости
от их категории надёжности, быть удобными и безопасными в эксплуатации, иметь
оптимальные технико-экономические показатели, и конструктивное исполнение,
обеспечивающее применение индустриальных и скоростных методов монтажа. Схемы
могут быть: радиальными, магистральными и смешанными, с односторонним и
двухсторонним питанием.
В данном случае применяется магистральная схема.
Магистральная схема-это такая схема, когда питание к отдельным узлам нагрузки
передается по отдельной линии.
Магистральные схемы выполненные шинопроводами относятся к
высоконадежным элементам систем электроснабжения, их можно применять для
питания потребителей любой категории. Если требуется резервирование, то
применяют двух трансформаторные подстанции с установкой АВР на секционном выключателе.
Достоинства: высокая гибкость сети, дающая возможность
перестановки технологического оборудования.
Питание распределительных пунктов от ТП и отдельных
потребителей от распределительных пунктов выполним при помощи кабелей.
Необходимо рассчитать сечения кабелей и выбрать распределительные пункты.
4.1 Выбор
сечения проводов и кабелей
Для выбора кабелей необходимо знать номинальные токи
электроприемников, которые рассчитываются по формуле:
(4.1)
Проверяем выбранный кабель по нагреву расчетным током:
, (4.2)
где
- длительно допустимый ток, А;
- поправочный коэффициент, учитывающий отличие температуры в цехе
от температуры, при которой задан
,
;
- расчетный ток потребителя, для одиночного электроприемника
;
- поправочный коэффициент, учитывающий снижение допустимой
токовой нагрузки для кабелей при их многослойной прокладке в коробах,
.
Выбранные кабели необходимо проверить на потери напряжения:
(4.3)
где
,
- активное и реактивное удельные сопротивления линии, мОм/м;
- длинна линии, км;
- угол сдвига между напряжением и током в линии.
Согласно ПУЭ потеря напряжения должна удовлетворять условию:
. (4.4)
Приведем расчет для 1-го потребителя:
А;
Выбираем кабель марки АПВ4 (1x16) Iдоп=55 А.
Таблица 4.1 - Выбор кабелей, питающих электроприемники
|
№ станка
|
Pном, кВт
|
cosφ
|
sinφ
|
η
|
U ном, В
|
I ном, А
|
Iдоп, А
|
Провод
|
L, м
|
r0, мОм/м
|
x0, мОм/м
|
∆U, %
|
|
1
|
16,2
|
0,6
|
0,8
|
0,9
|
380
|
45,6
|
55
|
АПВ 4 (1´16)
|
23,2
|
1,94
|
0,0675
|
0,59
|
|
2
|
16,2
|
0,6
|
0,8
|
0,9
|
380
|
45,6
|
55
|
АПВ 4 (1´16)
|
19
|
1,94
|
0,0675
|
0,48
|
|
4
|
12,5
|
0,6
|
0,8
|
0,9
|
380
|
35,2
|
37
|
АПВ 4 (1´8)
|
17,4
|
4,135
|
0,0815
|
0,71
|
|
5
|
12,5
|
0,6
|
0,8
|
0,9
|
380
|
35,2
|
37
|
АПВ 4 (1´8)
|
15,9
|
4,135
|
0,0815
|
0,65
|
|
6
|
4,8
|
0,6
|
0,8
|
0,9
|
380
|
13,5
|
15
|
АПВ 4 (1´2)
|
15,8
|
18,5
|
0,121
|
1,09
|
|
7
|
4,8
|
0,6
|
0,8
|
0,9
|
380
|
13,5
|
15
|
АПВ 4 (1´2)
|
19,6
|
18,5
|
0,121
|
1,35
|
|
8
|
4,8
|
0,6
|
0,8
|
0,9
|
380
|
13,5
|
15
|
АПВ 4 (1´2)
|
19,3
|
18,5
|
0,121
|
1,33
|
|
9
|
4,8
|
0,6
|
0,8
|
0,9
|
380
|
13,5
|
15
|
АПВ 4 (1´2)
|
14,8
|
18,5
|
0,121
|
1,02
|
|
10
|
4,8
|
0,6
|
0,8
|
0,9
|
380
|
13,5
|
15
|
АПВ 4 (1´2)
|
13,5
|
18,5
|
0,121
|
0,93
|
|
11
|
4,2
|
0,6
|
0,8
|
0,9
|
380
|
11,8
|
15
|
АПВ 4 (1´2)
|
12,9
|
18,5
|
0,121
|
0,78
|
|
12
|
4,2
|
0,6
|
0,8
|
0,9
|
380
|
11,8
|
15
|
АПВ 4 (1´2)
|
10,3
|
18,5
|
0,121
|
0,62
|
|
13
|
4,2
|
0,6
|
0,8
|
0,9
|
380
|
11,8
|
15
|
АПВ 4 (1´2)
|
12
|
18,5
|
0,121
|
0,72
|
|
14
|
4,2
|
0,6
|
0,8
|
0,9
|
380
|
11,8
|
15
|
АПВ 4(1´2)
|
13,1
|
18,5
|
0,121
|
0,79
|
|
15
|
4,2
|
0,6
|
0,8
|
0,9
|
380
|
11,8
|
15
|
АПВ 4(1´2)
|
15,8
|
18,5
|
0,121
|
0,95
|
|
16
|
3,1
|
0,6
|
0,8
|
0,9
|
380
|
8,7
|
15
|
АПВ 4(1´2)
|
13,7
|
18,5
|
0,121
|
0,61
|
|
17
|
3,1
|
0,6
|
0,8
|
0,9
|
380
|
8,7
|
15
|
АПВ 4(1´2)
|
9,6
|
18,5
|
0,121
|
0,43
|
|
18
|
15,7
|
0,6
|
0,8
|
0,9
|
380
|
44,2
|
55
|
АПВ 4(1´16)
|
8,1
|
0,0675
|
0,20
|
|
19
|
12,5
|
0,6
|
0,8
|
0,9
|
380
|
35,2
|
37
|
АПВ 4(1´8)
|
8
|
4,135
|
0,0815
|
0,33
|
|
20
|
12,5
|
0,6
|
0,8
|
0,9
|
380
|
35,2
|
37
|
АПВ 4(1´8)
|
5,8
|
4,135
|
0,0815
|
0,24
|
|
21
|
12,5
|
0,6
|
0,8
|
0,9
|
380
|
35,2
|
37
|
АПВ 4(1´8)
|
6
|
4,135
|
0,0815
|
0,24
|
|
22
|
7,1
|
0,6
|
0,8
|
0,9
|
380
|
20,0
|
23
|
АПВ 4(1´4)
|
9,1
|
7,74
|
0,095
|
0,39
|
|
23
|
4,5
|
0,6
|
0,8
|
0,9
|
380
|
12,7
|
15
|
АПВ 4(1´2)
|
13,4
|
18,5
|
0,121
|
0,87
|
|
31
|
1,5
|
0,6
|
0,8
|
0,9
|
380
|
4,2
|
15
|
АПВ 4(1´2)
|
9,1
|
18,5
|
0,073
|
0,20
|
|
32
|
1,5
|
0,6
|
0,8
|
0,9
|
380
|
4,2
|
15
|
АПВ 4(1´2)
|
19,5
|
18,5
|
0,0662
|
0,42
|
|
24
|
35,5
|
0,6
|
0,8
|
0,9
|
380
|
99,9
|
120
|
АПВ 4(1´50)
|
8,8
|
0,625
|
0,0625
|
0,17
|
|
3
|
28,5
|
0,6
|
0,8
|
0,9
|
380
|
80,2
|
85
|
АПВ 4(1´35)
|
19,9
|
0,89
|
0,0637
|
0,43
|
|
27
|
7,5
|
0,6
|
0,8
|
0,9
|
380
|
21,1
|
23
|
АПВ 4(1´4)
|
1,3
|
7,74
|
0,095
|
0,06
|
|
28
|
7,5
|
0,6
|
0,8
|
0,9
|
380
|
21,1
|
23
|
АПВ 4(1´4)
|
2,1
|
7,74
|
0,095
|
0,10
|
|
33
|
2,9
|
0,6
|
0,8
|
0,9
|
380
|
8,2
|
15
|
АПВ 4(1´2)
|
23,3
|
18,5
|
0,121
|
0,97
|
|
25
|
21,5
|
0,6
|
0,8
|
0,9
|
380
|
60,5
|
70
|
АПВ 4(1´25)
|
3,5
|
1,24
|
0,0662
|
0,08
|
|
26
|
21,5
|
0,6
|
0,8
|
0,9
|
380
|
60,5
|
70
|
АПВ 4(1´25)
|
0,8
|
1,24
|
0,0662
|
0,02
|
|
29
|
13,6
|
0,6
|
0,8
|
0,9
|
380
|
38,3
|
39
|
АПВ 4(1´10)
|
1,3
|
3,1
|
0,073
|
0,04
|
|
30
|
13,6
|
0,6
|
0,8
|
0,9
|
380
|
38,3
|
39
|
АПВ 4(1´10)
|
4,9
|
3,1
|
0,073
|
0,16
|
|
47
|
2,5
|
0,5
|
0,87
|
0,9
|
380
|
8,4
|
15
|
АПВ 4(1´2)
|
11,1
|
18,5
|
0,121
|
0,40
|
|
48
|
2,5
|
0,5
|
0,87
|
0,9
|
380
|
8,4
|
15
|
АПВ 4(1´2)
|
7,6
|
18,5
|
0,121
|
0,27
|
|
49
|
2,5
|
0,5
|
0,87
|
0,9
|
380
|
8,4
|
15
|
АПВ 4(1´2)
|
3,9
|
18,5
|
0,121
|
0,14
|
|
40
|
7
|
0,6
|
0,8
|
0,9
|
380
|
19,7
|
23
|
АПВ 4(1´4)
|
19
|
7,74
|
0,095
|
0,81
|
|
35
|
17
|
0,65
|
0,76
|
0,9
|
380
|
44,2
|
55
|
АПВ 4(1´16)
|
18,2
|
1,94
|
0,0675
|
0,48
|
|
36
|
17
|
0,65
|
0,76
|
0,9
|
380
|
44,2
|
55
|
АПВ 4(1´16)
|
12,7
|
1,94
|
0,0675
|
0,34
|
|
41
|
3,5
|
0,65
|
0,76
|
0,9
|
380
|
9,1
|
15
|
АПВ 4(1´2)
|
15
|
18,5
|
0,121
|
0,75
|
|
42
|
3,5
|
0,65
|
0,76
|
0,9
|
380
|
9,1
|
15
|
АПВ 4(1´2)
|
10,8
|
18,5
|
0,121
|
0,54
|
|
43
|
3,1
|
0,5
|
0,87
|
0,9
|
380
|
10,5
|
15
|
АПВ 4(1´2)
|
6,7
|
18,5
|
0,121
|
0,30
|
|
44
|
3,1
|
0,5
|
0,87
|
0,9
|
380
|
10,5
|
15
|
АПВ 4(1´2)
|
2,6
|
18,5
|
0,121
|
0,12
|
|
45
|
3,1
|
0,5
|
0,87
|
0,9
|
380
|
10,5
|
15
|
АПВ 4(1´2)
|
19
|
0,121
|
0,85
|
|
46
|
3,1
|
0,5
|
0,87
|
0,9
|
380
|
10,5
|
15
|
АПВ 4(1´2)
|
14,3
|
18,5
|
0,121
|
0,64
|
|
37
|
28
|
0,6
|
0,8
|
0,9
|
380
|
78,8
|
85
|
АПВ 4(1´35)
|
7,1
|
0,89
|
0,0637
|
0,15
|
|
38
|
28
|
0,6
|
0,8
|
0,9
|
380
|
78,8
|
85
|
АПВ 4(1´35)
|
1,5
|
0,89
|
0,0637
|
0,03
|
|
51
|
28
|
0,6
|
0,8
|
0,9
|
380
|
78,8
|
85
|
АПВ 4(1´35)
|
17,6
|
0,89
|
0,0637
|
0,37
|
|
34
|
35
|
0,4
|
0,92
|
0,9
|
380
|
147,7
|
175
|
АПВ 4(1´95)
|
23
|
0,329
|
0,0602
|
0,29
|
|
50
|
35
|
0,4
|
0,92
|
0,9
|
380
|
147,7
|
175
|
АПВ 4(1´95)
|
23
|
0,329
|
0,0602
|
0,29
|
|
39
|
29
|
0,5
|
0,87
|
0,9
|
380
|
97,9
|
120
|
АПВ 4(1´50)
|
26
|
0,625
|
0,0625
|
0,43
|
|
53
|
25
|
0,6
|
0,8
|
0,9
|
380
|
70,3
|
85
|
АПВ 4(1´35)
|
6,6
|
0,89
|
0,0637
|
0,12
|
|
52
|
25
|
0,6
|
0,8
|
0,9
|
380
|
70,3
|
85
|
АПВ 4(1´35)
|
12,1
|
0,89
|
0,0637
|
0,23
|
|
69
|
22
|
0,8
|
0,6
|
0,9
|
380
|
46,4
|
55
|
АПВ 4(1´16)
|
5,9
|
1,94
|
0,0675
|
0,20
|
|
70
|
22
|
0,8
|
0,6
|
0,9
|
380
|
46,4
|
55
|
АПВ 4(1´16)
|
11,6
|
1,94
|
0,0675
|
0,39
|
|
71
|
22
|
0,8
|
0,6
|
0,9
|
380
|
46,4
|
55
|
АПВ 4(1´16)
|
16,8
|
1,94
|
0,0675
|
0,57
|
|
75
|
22
|
0,8
|
0,6
|
0,9
|
380
|
46,4
|
55
|
АПВ 4(1´16)
|
11,3
|
1,94
|
0,0675
|
0,38
|
|
72
|
10
|
0,95
|
0,31
|
0,9
|
380
|
17,8
|
23
|
АПВ 4(1´4)
|
2,1
|
7,74
|
0,095
|
0,13
|
|
73
|
10
|
0,95
|
0,31
|
0,9
|
380
|
17,8
|
23
|
АПВ 4(1´4)
|
8,5
|
7,74
|
0,095
|
0,51
|
|
74
|
6
|
0,95
|
0,31
|
0,9
|
380
|
10,7
|
15
|
АПВ 4(1´2)
|
13
|
18,5
|
0,121
|
1,11
|
|
76
|
6
|
0,95
|
0,31
|
0,9
|
380
|
10,7
|
15
|
АПВ 4(1´2)
|
11,2
|
18,5
|
0,121
|
0,96
|
|
77
|
3,2
|
0,65
|
0,76
|
0,9
|
380
|
8,3
|
15
|
АПВ 4(1´2)
|
15
|
18,5
|
0,121
|
0,69
|
|
54
|
5,6
|
0,6
|
0,8
|
0,9
|
380
|
15,8
|
19
|
АПВ 4(1´2,5)
|
12,8
|
12,5
|
0,116
|
0,70
|
|
55
|
4,5
|
0,6
|
0,8
|
0,9
|
380
|
12,7
|
15
|
АПВ 4(1´2)
|
12,8
|
18,5
|
0,121
|
0,83
|
|
56
|
4,5
|
0,6
|
0,8
|
0,9
|
380
|
12,7
|
15
|
АПВ 4(1´2)
|
15,6
|
18,5
|
0,121
|
1,01
|
|
57
|
4,5
|
0,6
|
0,8
|
0,9
|
380
|
12,7
|
15
|
АПВ 4(1´2)
|
12,6
|
18,5
|
0,121
|
0,81
|
|
58
|
4
|
0,95
|
0,31
|
0,9
|
380
|
7,1
|
15
|
АПВ 4(1´2)
|
6,8
|
18,5
|
0,121
|
0,39
|
|
59
|
4
|
0,95
|
0,31
|
0,9
|
380
|
7,1
|
15
|
АПВ 4(1´2)
|
8,3
|
18,5
|
0,121
|
0,47
|
|
60
|
4
|
0,95
|
0,31
|
0,9
|
380
|
7,1
|
15
|
АПВ 4(1´2)
|
12,4
|
18,5
|
0,121
|
0,71
|
|
61
|
15,1
|
0,6
|
0,8
|
0,9
|
380
|
42,5
|
55
|
АПВ 4(1´16)
|
15,5
|
1,94
|
0,0675
|
0,37
|
|
63
|
15,1
|
0,6
|
0,8
|
0,9
|
380
|
42,5
|
55
|
АПВ 4(1´16)
|
4,5
|
0,0675
|
0,11
|
|
64
|
15,1
|
0,6
|
0,8
|
0,9
|
380
|
42,5
|
55
|
АПВ 4(1´16)
|
0,8
|
1,94
|
0,0675
|
0,02
|
|
65
|
4,5
|
0,6
|
0,8
|
0,9
|
380
|
12,7
|
15
|
АПВ 4(1´2)
|
0,8
|
18,5
|
0,121
|
0,05
|
|
66
|
4,5
|
0,6
|
0,8
|
0,9
|
380
|
12,7
|
15
|
АПВ 4(1´2)
|
4,8
|
18,5
|
0,121
|
0,31
|
|
67
|
4,5
|
0,6
|
0,8
|
0,9
|
380
|
12,7
|
15
|
АПВ 4(1´2)
|
9,9
|
18,5
|
0,121
|
0,64
|
|
62
|
20,5
|
0,6
|
0,8
|
0,9
|
380
|
57,7
|
70
|
АПВ 4(1´25)
|
8,4
|
1,24
|
0,0662
|
0,18
|
|
88
|
35
|
0,95
|
0,31
|
0,9
|
380
|
62,2
|
70
|
АПВ 4(1´25)
|
6,9
|
1,24
|
0,0662
|
0,23
|
|
89
|
24
|
0,95
|
0,31
|
0,9
|
380
|
42,6
|
55
|
АПВ 4(1´16)
|
0,5
|
1,94
|
0,0675
|
0,02
|
|
90
|
24
|
0,95
|
0,31
|
0,9
|
380
|
42,6
|
55
|
АПВ 4(1´16)
|
0,5
|
1,94
|
0,0675
|
0,02
|
|
91
|
22
|
0,95
|
0,31
|
0,9
|
380
|
39,1
|
55
|
АПВ 4(1´16)
|
5,6
|
1,94
|
0,0675
|
0,19
|
|
92
|
22
|
0,95
|
0,31
|
0,9
|
380
|
39,1
|
55
|
АПВ 4(1´16)
|
5,7
|
1,94
|
0,0675
|
0,19
|
|
93
|
22
|
0,95
|
0,31
|
0,9
|
380
|
39,1
|
55
|
АПВ 4(1´16)
|
0,5
|
1,94
|
0,0675
|
0,02
|
|
95
|
19
|
0,95
|
0,31
|
0,9
|
380
|
33,8
|
39
|
АПВ 4(1´10)
|
11,3
|
3,1
|
0,073
|
0,52
|
|
96
|
19
|
0,95
|
0,31
|
0,9
|
380
|
33,8
|
39
|
АПВ 4(1´10)
|
9,4
|
3,1
|
0,073
|
0,43
|
|
97
|
19
|
0,95
|
0,31
|
0,9
|
380
|
33,8
|
39
|
АПВ 4(1´10)
|
5,8
|
3,1
|
0,073
|
0,26
|
|
98
|
19
|
0,95
|
0,31
|
0,9
|
380
|
33,8
|
39
|
АПВ 4(1´10)
|
11,6
|
3,1
|
0,073
|
0,53
|
|
99
|
19
|
0,95
|
0,31
|
0,9
|
380
|
33,8
|
39
|
АПВ 4(1´10)
|
16,3
|
3,1
|
0,073
|
0,74
|
|
94
|
2,2
|
0,95
|
0,31
|
0,9
|
380
|
3,9
|
15
|
АПВ 4(1´2)
|
0,5
|
18,5
|
0,121
|
0,02
|
|
100
|
2,2
|
0,95
|
0,31
|
0,9
|
380
|
3,9
|
15
|
АПВ 4(1´2)
|
12,5
|
18,5
|
0,121
|
0,39
|
|
101
|
2,2
|
0,95
|
0,31
|
0,9
|
380
|
3,9
|
15
|
АПВ 4(1´2)
|
8,8
|
18,5
|
0,121
|
0,28
|
|
102
|
2,2
|
0,95
|
0,31
|
0,9
|
380
|
3,9
|
15
|
АПВ 4(1´2)
|
6
|
18,5
|
0,121
|
0,19
|
|
103
|
2,2
|
0,95
|
0,31
|
0,9
|
380
|
3,9
|
15
|
АПВ 4(1´2)
|
12
|
18,5
|
0,121
|
0,38
|
|
104
|
1,1
|
0,95
|
0,31
|
0,9
|
380
|
2,0
|
15
|
АПВ 4(1´2)
|
8,6
|
18,5
|
0,121
|
0,13
|
|
105
|
5
|
0,8
|
0,6
|
0,9
|
380
|
10,6
|
15
|
АПВ 4(1´2)
|
8,6
|
18,5
|
0,121
|
0,62
|
|
106
|
5
|
0,8
|
0,6
|
0,9
|
380
|
10,6
|
15
|
АПВ 4(1´2)
|
7,1
|
18,5
|
0,121
|
0,51
|
|
107
|
5
|
0,8
|
0,6
|
0,9
|
380
|
10,6
|
15
|
АПВ 4(1´2)
|
7
|
18,5
|
0,121
|
0,50
|
|
79
|
15
|
0,65
|
0,76
|
0,9
|
380
|
39,0
|
55
|
АПВ 4(1´16)
|
13
|
1,94
|
0,0675
|
0,30
|
|
80
|
1
|
0,95
|
0,31
|
0,9
|
380
|
1,8
|
15
|
АПВ 4(1´2)
|
6,4
|
0,121
|
0,09
|
|
81
|
1
|
0,95
|
0,31
|
0,9
|
380
|
1,8
|
15
|
АПВ 4(1´2)
|
2,1
|
18,5
|
0,121
|
0,03
|
|
84
|
1
|
0,95
|
0,31
|
0,9
|
380
|
1,8
|
15
|
АПВ 4(1´2)
|
13,9
|
18,5
|
0,121
|
0,20
|
|
85
|
2,8
|
0,6
|
0,8
|
0,9
|
380
|
7,9
|
15
|
АПВ 4(1´2)
|
10,5
|
18,5
|
0,121
|
0,42
|
|
86
|
2,8
|
0,6
|
0,8
|
0,9
|
380
|
7,9
|
15
|
АПВ 4(1´2)
|
6,3
|
18,5
|
0,121
|
0,25
|
|
87
|
2,8
|
0,6
|
0,8
|
0,9
|
380
|
7,9
|
15
|
АПВ 4(1´2)
|
2,2
|
18,5
|
0,121
|
0,09
|
|
78
|
45,8
|
0,95
|
0,31
|
0,9
|
380
|
81,4
|
85
|
АПВ 4(1´35)
|
17,5
|
0,89
|
0,0637
|
0,56
|
|
83
|
45,8
|
0,95
|
0,31
|
0,9
|
380
|
81,4
|
85
|
АПВ 4(1´35)
|
18,8
|
0,89
|
0,0637
|
0,60
|
|
82
|
15
|
0,5
|
0,87
|
0,9
|
380
|
50,6
|
55
|
АПВ 4(1´16)
|
18,4
|
1,94
|
0,0675
|
0,44
|
Кабели для питания распределительных пунктов выбираются по
нагреву номинальным током нагрузки РП, т.к. потребители, подключенные к РП,
работают совместно.
, (4.5)
где
- суммарная номинальная мощность
потребителей подключенных к РП.
А
Таблица 4.2 - Выбор кабелей, питающих РП
|
№ ШРА
|
SШРА,
кВА
|
cos
|
sin
|
Uном,
В
|
Iр. ШРА,
А
|
Iном. ШРА,
А
|
Тип
|
L, м
|
r0,
мОм/м
|
x0,
мОм/м
|
U, %
|
|
|
|
|
|
|
|
|
|
|
|
|
|
1
|
147,2
|
0,6
|
0,8
|
380
|
223,65
|
225
|
ПВ 4 (1)
|
51,5
|
0,2
|
0,0602
|
1,55
|
|
2
|
106,1
|
0,6
|
0,8
|
380
|
161, 20
|
175
|
АПВ 4 (1)
|
41,7
|
0,329
|
0, 195
|
1,07
|
|
3
|
75,2
|
0,6
|
0,8
|
380
|
114,25
|
120
|
АПВ 4 (1)
|
47,4
|
0,625
|
0,0625
|
1,16
|
|
4
|
174,2
|
0,5
|
0,87
|
380
|
264,67
|
290
|
ПВ 4 (1)
|
10,8
|
0,158
|
0,0602
|
0,36
|
|
5
|
126,7
|
0,5
|
0,87
|
380
|
192,50
|
200
|
АПВ 4 (1)
|
1,7
|
0,27
|
0,0602
|
0,05
|
|
6
|
69,3
|
0,6
|
0,8
|
380
|
105,29
|
120
|
АПВ 4 (1)
|
9,8
|
0,625
|
0,0625
|
0, 20
|
|
7
|
41,1
|
0,95
|
0,31
|
380
|
62,44
|
75
|
АПВ 4 (1)
|
14,2
|
1,24
|
0,0662
|
0,21
|
|
8
|
133
|
0,95
|
0,31
|
380
|
202,07
|
225
|
ПВ 4 (1)
|
49,6
|
0,2
|
0,0602
|
1,22
|
|
9
|
210
|
0,95
|
0,31
|
380
|
319,06
|
330
|
ПВ 4 (1)
|
34,4
|
0,123
|
0,0596
|
1,30
|
|
10
|
61,1
|
0,95
|
0,31
|
380
|
92,83
|
120
|
АПВ 4 (1)
|
13,8
|
0,625
|
0,0625
|
0,22
|
|
11
|
123,2
|
0,8
|
0,6
|
380
|
187,18
|
200
|
АПВ 4 (1)
|
11,3
|
0,27
|
0,0602
|
0,32
|
4.2 Выбор
выбор шинопроводов
Выбираем шинопровод ШМА4-1250
А
4.3 Выбор силовых распределительных пунктов
Выполним расчет нагрузок по отдельным узлам схемы
Расчет выполним аналогично пункту 2.1.
Питание потребителей осуществляется от одиннадцати
распределительных пунктов.
Расчет нагрузки, приходящейся на 1-й РП:
шт,
;
;
кВА.
A.
Расчет нагрузки, приходящейся на 2-й РП:
кВт;
Kи = 0,16
шт,
;
кВт;
квар;
кВА.
A.
Расчет нагрузки, приходящейся на 3-й РП:
Kи = 0,16
шт,
;
кВт;
кВА.
A.
Расчет нагрузки, приходящейся на 4-й РП:
шт,
;
;
кВА.
A.
Расчет нагрузки, приходящейся на 5-й РП:
кВт;
Kи = 0,25
шт,
;
кВт;
квар;
кВА.,
A.
Расчет нагрузки, приходящейся на 6-й РП:
шт,
;
;
кВА.
A.
Расчет нагрузки, приходящейся на 7-й РП:
шт,
;
;
кВА.
A.
Расчет нагрузки, приходящейся на 8-й РП:
шт,
;
;
кВА.
A.
Расчет нагрузки, приходящейся на 9-й РП:
шт,
;
;
кВА.
A.
Расчет нагрузки, приходящейся на 10-й РП:
шт,
;
;
кВА.
A.
Расчет нагрузки, приходящейся на 11-й РП:
шт,
;
;
кВА.
A.
Выбор силовых шкафов и пунктов осуществляется по степени защиты в
зависимости от характера среды в цехе, по его комплектации предохранителями или
автоматическими выключателями.
Условия выбора силовых пунктов:
Номинальный ток силового пункта
должен быть больше расчетного тока Iр группы
приемников
(4.6)
Число присоединений к силовому пункту не должно превышать
количества отходящих от силового пункта линий
. (4.7)
Таблица 4.3 - Выбор распределительных пунктов
|
№ РП
|
Sр, кВА
|
Iр, А
|
NПРИС
|
Тип СП
|
Iн. СП, А
|
NДОП
|
|
1
|
53,18
|
11
|
ПР8513-33-00-1Х2-54
|
160
|
12
|
|
2
|
77,76
|
112,24
|
10
|
ПР8513-33-00-1Х2-54
|
160
|
12
|
|
3
|
25,22
|
36,4
|
12
|
ПР8513-33-00-1Х2-54
|
160
|
12
|
|
4
|
69,8
|
100,76
|
11
|
ПР8513-33-00-1Х2-54
|
160
|
12
|
|
5
|
83,64
|
120,73
|
9
|
ПР8513-33-00-1Х2-54
|
160
|
12
|
|
6
|
36,39
|
52,53
|
7
|
ПР8513-29-00-1Х2-54
|
63
|
10
|
|
7
|
22,82
|
32,94
|
7
|
ПР8513-29-00-1Х2-54
|
63
|
10
|
|
8
|
91,08
|
131,47
|
10
|
ПР8513-33-00-1Х2-54
|
160
|
12
|
|
9
|
115,68
|
166,96
|
11
|
ПР8513-35-00-1Х2-54
|
250
|
12
|
|
10
|
36,79
|
53,1
|
9
|
ПР8513-29-00-1Х2-54
|
63
|
10
|
|
11
|
77,67
|
112,11
|
9
|
ПР8513-33-00-1Х2-54
|
160
|
12
|
5. Расчет
токов короткого замыкания
Расчет токов КЗ выполняется с целью проверки коммутационной
аппаратуры на динамическую стойкость, чувствительность и селективность действия
защит.
Расчет произведем для потребителя № 78, т.к. он является самым
мощным электроприемником, и для потребителя № 39, т.к. он является самым
удаленным.
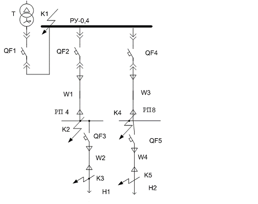
Исходная схема для расчета токов короткого замыкания
Рисунок 5.1 - Исходная схема
Исходные данные для расчета:
Система С:
;
.
Трансформатор Т: Sн. тр=630 кВА; Uк=5,5%; ДPк=7,6кВт.
Линия W1: ПВ 4 (1x120);
;
;
.
Линия W2:: АПВ 4 (1Ч50);
;
;
.
Линия W3: ПВ 4 (1x95);
;
;
.
Линия W4: АПВ 4 (1x35);
;
;
.
Выключатель QF1: Iн=600А.
Выключатель QF2: Iн=300 А.
Выключатель QF3: Iн=125 А.
Выключатель QF4: Iн=250 А.
Выключатель QF5: Iн=100 А.
Кран мостовой Н1: Pн=29 кВт; Iн=97,9 А; cosц=0,5; ПВ=25%;.
Печи сопротивления Н2: Pн=45,8 кВт; Iн=42,6 А; cosц=0,95.
Рисунок 5.2 - Схема замещения
Найдем параметры схемы замещения.
Индуктивное сопротивление системы:
, (5.1)
где
- номинальный ток отключения выключателя
на стороне ВН.
мОм.
Сопротивления трансформатора:
; (5.2)
. (5.3)
мОм;
мОм.
Сопротивления линий:
; (5.4)
. (5.5)
мОм;
мОм;
мОм;
мОм;
мОм;
мОм;
мОм;
мОм.
Сопротивления автоматических выключателей:
RQF1=0,41 мОм; XQF1=0,13
мОм;
RQF2=0,95 мОм; XQF2=0,3 мОм;
RQF3=1,75 мОм; XQF3=0,9 мОм;
RQF4=1 мОм; XQF4=0,6 мОм;
RQF5=2,15 мОм; XQF5=1,2 мОм.
Переходные сопротивления неподвижных контактных соединений:
Rк1=0,0037
мОм;
Rк2=0,024
мОм.
Rк3=0,027
мОм.
(5.6)
мОм.
мОм.
Сопротивление дуги:
, (5.7)
где
- падение напряжения на дуге, кВ;
- максимальный ток КЗ, А.
, (5.8)
где
- напряженность в стволе дуги, при
;
- длина дуги.
, (5.9)
где
;
- суммарные индуктивное и активное сопротивления прямой
последовательности до точки КЗ со стороны системы.
Минимальный ток КЗ определяется по выражению:
. (5.10)
Ударный ток определяется по выражению:
, (5.11)
где
- ударный коэффициент.
(5.12)
, (5.13)
где
- частота сети,
.
Для точки К1:
, (5.14)
. (5.15)
мОм;
мОм;
кА.
Расстояние между фазами проводника а для КТП с трансформаторами на
630 кВА составляет
, т.к. а > 50 мм, то LД = а = 60 мм.
В;
мОм;
кА;
Найдем ударный ток:
с;
;
кА.
Для точки К2:
, (5.16)
. (5.17)
мОм;
мОм;
кА.
Расстояние между фазами проводника а в сетях напряжением до 1 кВ
составляет 2,8 мм, т.к. а < 5 мм, то LД = 4а =
11,2 мм.
;
мОм;
кА;
Найдем ударный ток:
с;
;
кА.
Для точки К3:
, (5.18)
. (5.19)
мОм;
мОм;
кА.
Расстояние между фазами проводника а в сетях напряжением до 1 кВ
составляет 2,8 мм, т.к. а < 5 мм, то LД = 4а =
11,2 мм.
;
мОм;
кА;
Найдем ударный ток:
с;
;
кА.
Для точки К4:
, (5.20)
. (5.21)
мОм;
мОм;
кА.
Расстояние между фазами проводника а в сетях напряжением до 1 кВ
составляет 2,8 мм, т.к. а < 5 мм, то LД = 4а =
11,2 мм.
В;
мОм;
кА;
Найдем ударный ток:
с;
;
кА.
Для точки К5:
, (5.22)
. (5.23)
мОм;
мОм;
кА.
Расстояние между фазами проводника а в сетях напряжением до 1 кВ
составляет 2,8 мм, т.к. а < 5 мм, то LД = 4а =
11,2 мм.
В;
мОм;
кА;
Найдем ударный ток:
с;
;
кА.
Токи однофазного КЗ в сетях с напряжением до 1кВ, как правило,
являются минимальными. По их величине проверяется чувствительность защитной
аппаратуры.
Действующее значение периодической составляющей тока однофазного
КЗ
определяется по формуле:
, (5.24)
где
- полное сопротивление питающей системы,
трансформатора, а также переходных контактов точки однофазного КЗ;
- полное сопротивление петли фаза-ноль от трансформатора до точки
КЗ.
, (5.25)
Где
,
,
,
- соответственно индуктивные и активные
сопротивления прямой и обратной последовательности силового трансформатора;
,
- соответственно индуктивное и активное
сопротивления нулевой последовательности силового трансформатора.
мОм.
, (5.26)
где
- удельное сопротивление петли фаза-нуль
элемента;
- длина элемента.
Значение тока однофазного КЗ в точке К2:
мОм;
кА.
Значение тока однофазного КЗ в точке К3:
мОм;
кА.
Значение тока однофазного КЗ в точке К4:
мОм;
кА.
Значение тока однофазного КЗ в точке К5:
мОм;
кА.
6. Выбор
защитной и коммутационной аппаратуры
Условия выбора и проверки автоматических выключателей:
По напряжению:
. (6.1)
По номинальному току:
. (6.2)
По отстройке от пиковых токов:
, (6.3)
где
- ток срабатывания отсечки;
- коэффициент надежности;
- пиковый ток.
) По условию защиты от перегрузки:
. (6.4)
По времени срабатывания:
, (6.5)
Где
- собственное время отключения выключателя;
- ступень селективности.
По условию стойкости к токам КЗ:
, (6.6)
Где ПКС - предельная коммутационная способность.
) По условию чувствительности:
, (6.7)
где
- коэффициент разброса срабатывания
отсечки,
.
Кран мостовой: Sн=58 кВА; Iн=97,9 А; cosц=0,5; ПВ=25%;.
Кран мостовой подключен к шкафу РП 4 проводом АПВ 4 (1Ч50) длиной
26 м.
В качестве выключателя QF3 выбираем автоматический выключатель
марки ВА52Г31:
А;
А;
14А;
кА.
) 660 В > 380 В;
)
,
;
)
,
;
)
)
)
)
Все условия выполняются.
Печь сопротивления: Pн=45,8 кВт; Iн=42,6 А; cosц=0,95.
Печь сопротивления подключена к шкафу РП 8 проводом АПВ 4 (1x35)
длиной 17,5 м.
В качестве выключателя QF5 выбираем автоматический выключатель
марки ВА52Г31:
А;
А;
;
кА. К нему подключена печь сопротивления с
.
) 660 В > 380 В;
)
;
)
,
;
)
)
)
)
Все условия выполняются
Шкаф РП 4 подключен к РУ 0,4 проводом ПВ 4 (1x120) длиной 10,8 м.
ПР8513-33-00-1Х2-54
, Sр=69,8 кВА
В качестве выключателя QF2 выбираем автоматический выключатель
марки ВА52-33:
А;
А;
;
кА.
) 660 В > 380 В;
)
;
)
;
)
,
)
)
)
Все условия выполняются
Шкаф РП 8 подключен к РУ 0,4 проводом ПВ 4 (1x95) длиной 49,6 м.
ПР8513-33-00-1Х2-54
, Sр=91,08 кВА
В качестве выключателя QF4 выбираем автоматический выключатель
марки ВА52-33:
А;
А;
А;
кА.
) 660 В > 380 В;
)
;
)
;
)
)
)
)
Все условия выполняются
Вводной автоматический выключатель выбирается на номинальный ток
трансформатора с учетом коэффициента перегрузки 1,4 двухтрансформаторной
подстанции.
А.
Выбираем автоматический выключатель ВА53-41:
А;
А;
;
кА.
) 660 В > 380 В;
)
;
)
,
;
)
)
)
)
Карта селективности представляет собой совокупность защитных
характеристик, построенных в логарифмическом масштабе, в осях тока и времени.
На карту нанесены значения пиковых токов нагрузки в характерных точках сети, а
также значения токов КЗ
Карта селективности защит участка сети
Заключение
В ходе выполнения контрольной работы были приобретены навыки
расчета токов симметричного короткого замыкания, выбора схем электроснабжения
предприятия. Были произведены расчет токов короткого замыкания, силовой и
осветительной нагрузки, выбор числа и мощности цеховых трансформаторов на
основе технико-экономического сопоставления вариантов.
Список
литературы
1.
Внутризаводское электроснабжение и режимы: методические указания к курсовому
проекту. - Вологда: ВоГТУ, 2006. - 16 с.
.
Внутризаводское электроснабжение и режимы: методические указания для выполнения
контрольных работ. Часть 1. Расчет токов короткого замыкания на стороне выше 1
кВ. - Вологда: ВоГТУ, 2007. - 47 с.
.
Старкова Л.Е., Орлов В.В. Проектирование цехового электроснабжения: учеб.
Пособие. - 2-е изд. Испр. И доп. - Вологда. ВоГТУ, 2001. - 172с.