Проектирование электрической части КЭС мощностью 2400 МВт
Министерство
образования Российской федерации
Казанский
государственный энергетический университет
Дипломный
проект
по
дисциплине: Электрическая часть электростанций и подстанций
Тема:
Проектирование
электрической части КЭС мощностью 2400 МВт
Казань 2015
Содержание
1.
Выбор типов и конструкции синхронных генераторов
2.
Разработка вариантов структурных схем
3.
Выбор силовых трансформаторов и автотрансформаторов
4.
Технико-экономическое сравнение схем
5.
Выбор схем РУ
6.
Разработка схем СН
.
Расчет токов трехфазного КЗ
8.
Выбор аппаратов и проводников
Заключение
Литература
Паспорт станции:
Тип и мощность станции: КЭС-2400 МВт
Связь с энергосистемой на напряжении 500 кВ по
двум воздушным линиям. Параметры системы: мощность 6000 МВА, сопротивление
0,93. От шин 220 кВ отходят 4 воздушные линии в районную сеть, на 10 кВ
получает питание местная нагрузка.
Расположение: Республика Татарстан
Топливо: основное - газ, резервное - мазут
Система технического водоснабжения: прямоточная
река
Турбины: 8 x К-300
Турбогенераторы типа ТГВ-300-2У3. Генераторы
имеют высокочастотную систему возбуждения, водородную систему охлаждения.
Блочные силовые трансформаторы типа
ТДЦ-400000/220 и ТДЦ-400000/500 и автотрансформаторы связи типа
АОДЦТН-267000/500/220.
1. Выбор типа и конструкции
синхронных генераторов
Для выработки электроэнергии на КЭС
используют синхронные турбогенераторы трехфазного переменного тока. Номинальная
мощность турбогенераторов
выбирается в
соответствии с номинальной мощностью турбин
, исходя из условия:

На проектируемой КЭС установлено 8
турбин:
·
8
турбин К-300- конденсационная, без промышленных отборов ,мощ. 300МВт
Для турбин К-300 выбираем генераторы типа
ТГВ-300-2УЗ.
Основные данные выбранных генераторов занесены в
табл. 1.
Таблица
1
Основные параметры генераторов
|
Тип
генератора
|
Sном.,
МВА
|
Сos
φ
|
Iном., кА
|
Uном., кВ
|
Ном.
частота вращения, об/мин
|
, о.е.
|
|
ТГВ-300-2У3
|
353
|
0,85
|
10.2
|
15.75
|
3000
|
0,195
|
ТГВ-300-2УЗ - турбогенератор с водородным
форсированным охлаждением. Генератора статор имеет косвенное водородное
охлаждение, а ротор - непосредственное водородное, когда водород подается
внутрь полых проводников со стороны торцевой части ротора.
Система возбуждения - высокочастотная,
возбуждение от машинного возбудителя переменного тока повышенной частоты,
соединенного непосредственно с валом генератора через отдельно стоящее
выпрямительное устройство.
Переводим графики нагрузок из относительных
единиц в абсолютные (МВт):
Рис. 1. Суточный график выработки Рис. 2.
Суточный график потребления активной мощности генераторами активной мощности по
сети КЭС.220 кВ
Определим долю выработки электроэнергии каждым
генератором КЭС:
Рис. 3. Суточный график выработки активной
мощности турбиной К-300
2. Разработка вариантов структурных
схем КЭС
Общие принципы при разработке
структурной схемы
Структурная схема теплоэлектроцентрали зависит
от единичной и суммарной мощности агрегатов и от соотношения суммарной
генераторной мощности и минимальной мощности местной нагрузки.
При наличии местной нагрузки не только на
генераторном, но и на среднем напряжении (220 кВ) структурная схема выполняется
с автотрансформаторами связи.
Исходя из требований надежности теплоснабжения
потребителей, применяют только единичные блоки: отказ элементов объединенного
или укрупненного блока привел бы к потере двух теплофикационных блоков и
возможному при этом ограничению теплоснабжения потребителей. Это условие
справедливо для современных мощных КЭС с агрегатами 500 МВт, которые
сооружаются для электроснабжения больших городов и крупных промышленных
предприятий.
Питание близлежащих районов нагрузки может
осуществляться ответвлением от генераторов нескольких блоков через реактор
(генераторное напряжение 10,5 кВ). Ответвление выполняют между генераторным
выключателями блочным трансформатором. Это повышает надежность электроснабжения
местных потребителей, так как при наиболее вероятных повреждениях в
технологической части блока отключается генераторный выключатель, а питание
местной нагрузки сохраняется через блочный трансформатор.
Нагрузка потребителей электроэнергии,
генераторов станции и С.Н. при проектировании ТЭЦ может задаваться двумя
способами. При первом способе нагрузка задается суточными графиками (зимним и
летним), при втором способе - параметрами, характеризующими графики нагрузки.
Для КЭС предпочтительнее характеризовать нагрузку соответствующими графиками
известных потребителей электроэнергии
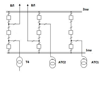
Рис. 1. Структурная схема КЭС (1 вариант)
Рис. 2. Структурная схема КЭС (2 вариант)
Рис. 5. Структурная схема КЭС (4 вариант)
Рис. 6. Структурная схема КЭС (5 вариант)
Рис. 7. Структурная схема КЭС (6 вариант)
Рис. 8. Структурная схема КЭС (7 вариант)
Рис. 9. Структурная схема КЭС (8 вариант)
Рис. 10. Структурная схема КЭС (9 вариант)
Рис. 11. Структурная схема КЭС (10вариант)
Разработаны 10 вариантов схем. Во всех вариантах
принята блочная схема подключения генераторов к сборным шинам высокого и
среднего напряжения: генератор, повышающий трансформатор. Во всех вариантах
связь между РУ высокого и среднего напряжения выполнена 2-мя
автотрансформаторными связи.
Во 2-м варианте к автотрансформаторном связи и
обмотки низкого напряжения подключен генератор, т.е. связь осуществляется
блочным автотрансформаторами. Распределение блоков по шинам высокого напряжения
след-я: в 1-м варианте к шинам высокого напряжения подключен 1 блок, низкого -
3 блока во 2-м: на ген-м напряжениями во всех вариантах установлены ген-е
выключатели.
Вывод: на основании тех. анализа вариантов схем
для дальнейшего рассмотрения принимаем варианты 1 и 3.
3. Выбор силовых трансформаторов и
автотрансформаторов
Выбор трансформаторов блочных
Выбор трансформаторов для схемы 1:
,
МВА (2)
Для
:
МВА
(Для газовой станции на СН сост-т
5%.
на высокое (500) ТДЦ 400000/500
на среднее (220) ТДЦ 400000/220
Выбор автотрансформаторов связи для
схемы 1:
Автотрансформаторы связи
выбираются
по 4 расчетным режимам:
Нормальный режим зимой:
Нормальный режим летом:
Авария в системе летом:
Отключение одного блока зимой от РУ:
ф. напряжения (220кВ)
По максимальной мощности
аварии в
системе летом выбираем автотрансформаторную группу из 3-х однофазных
автотрансформаторов АОДЦН-267000/500/220
Выбор автотрансформаторов для схемы
1:

(3)
) Нормальный режим зимой:
2) Нормальный режим летом:
3) Авария в системе летом:
4) Отключение одного блока зимой от
РУ ср. напряжения
По максимальному перетоку
норм.
режиме зимой выбираем группу автотрансформаторов типа:3 АOДЦNН-167000/500/220
Основные параметры трансформаторов
приведены в табл. 2.
Таблица
2
Основные параметры трансформаторов
|
Тип
трансформатора
|
Sном.,
МВ А
|
Напряжения
обм., кВ
|
Потери,
кВт
|
, %Iхх,
%Стои-мость
|
|
|
|
|
ВН
|
СН
|
НН
|
Рхх
|
Рк
|
ВН-СН
|
ВН-НН
|
СН-НН
|
|
|
|
ТДЦ-400000/500
|
400
|
525
|
|
13,8;15,75;20
|
315
|
790
|
|
13
|
|
0,45
|
|
|
ТДЦ
-400000/220
|
400
|
242
|
-
|
15,75:13,8;20;21
|
330
|
880
|
-
|
11
|
-
|
0,4
|
|
|
3*АОДЦТН
167000/500/220
|
167
|
500/3
|
220/3
|
10,5;13,,8;15,95;20
|
90
|
315
|
11
|
35
|
21,5
|
0,25
|
|
|
3*АОДЦТН
267000/500/220
|
267
|
500/3
|
220/3
|
10,5;13,,8;15,95;20
|
125
|
470;115;95
|
11,5
|
37
|
23
|
0,25
|
|
Типы выбранных трансформаторов и
автотрансформаторов по вариантам сведем в табл. 3.
Таблица
3
Типы выбранных трансформаторов и
автотрансформаторов по вариантам
|
Вариант
1
|
Вариант
2
|
|
ТДЦ-
400000/500
|
Т5,Т6,Т7,Т8
|
Т4,Т5,Т6,Т7,Т8
|
|
ТДЦ
-400000/220
|
Т1,Т2,Т3,Т4
|
Т1,Т2,Т3
|
|
3*АОДЦТН-267000/500/220
|
АТC1 , АТC2
|
|
|
3*АОДЦТН
167000/500/220
|
|
АТC1
, АТC2
|
Вывод
В проекте рассмотрено 2 схемы для дальнейшего
рассмотрения в которых все генераторы подключены по блочной схеме с
распределение блоков: к ОРУ среднего 2 блока, с ОРУ высокого блока. В обоих
вариантов для связи РУ ВН и СН установлены 2 АТС. Вариантах на шинах среднего
напряжения значительный избыток мощности; дефицит мощности что приводит к
значительному перетоку мощности и необходимости выбора мощных АТС; в варианте к
АТС - обмотки НН подключен генератор. Данный вариант исключаем, поскольку
значительно перегружается обмотка ВН АТС такой вариант не желательный;
применение укрупненного блока снижает стоимость силовых трансформаторов и их
количество и упрощает схему РУ но такая структурная схема целесообразна при
большом количестве блоков.
4. Технико-экономическое сравнение
вариантов схем
Для каждого варианта структурной схемы
проектируемой электростанции определяют: капиталовложения в ту часть
проектируемого объекта, которая связана с варьируемыми присоединениями
структурной схемы; потери энергии в трансформаторах за расчетный год; математическое
ожидание недоотпущенной генераторами в систему электроэнергии M(∆Wг)
из-за отказов в элементах структурной схемы и ущерб. Затем на основании этих
основных показателей по формуле вычисляют значение целевой функции приведенных
затрат 3, которая дает комплексную количественную оценку экономичности и
надежности сопоставляемых вариантов структурной схемы.
Расчетная стоимость трансформатора характеризует
полные капитальные затраты - ее определяют умножением заводской стоимости
трансформатора на коэффициент γ, учитывающий
дополнительные расходы на его доставку, строительную часть и монтаж. Значение
этого коэффициента зависит от уровня высшего напряжения, мощности и исполнения
трансформатора и лежит в диапазоне от 1,3 до 2,0. В расчетную стоимость ячейки
входит не только стоимость электрических аппаратов присоединения (выключателя,
разъединителей, трансформатора тока, ошиновки), но и стоимость
строительно-монтажных работ.
Надежность сравниваемых вариантов структурной
схемы обычно неодинакова. Поэтому приведенные затраты надо рассчитывать по
полной форме включая ущерб от ненадежности структурной схемы.
Для каждого варианта структурной схемы районной
электростанции рассчитываются недоотпуск электроэнергии в систему и
соответствующий ущерб от отказов трансформаторов (автотрансформаторов) блоков.
Последствия от нарушения связи между РУ ВН и РУ СН учитывают лишь в тех
случаях, когда они выражаются в аварийном снижении мощности энергоблоков или
нарушении электроснабжения потребителей сети СН.
Технико-экономический расчет заключается в
нахождении расчетных приведенных затрат:
З =
К+И+У (тыс. руб.),
где К - капиталовложения в
трансформаторы, автотрансформаторы и ячейуи РУ; И - издержки на обслуживание и
амортизацию и потери в силовых трансформаторах; У - ущерб от недоотпуска
электроэнергии.
Расчет капиталовложений для схемы 1:
Рис. 12. Структурная схема КЭС (1
вариант)
Рассчитаем капиталовложения в
трансформаторы и в автотрансформаторы:
с учетом инфляции
Рассчитаем капиталовложения в РУ:
14808000 тыс. руб.
Расчет издержек для схемы 1:
- издержки на обслуживание КЭС.
- амортизационные издержки.
- издержки на потерю электроэнергии
в трансформаторах и автотрансформаторах.
296160 тыс. руб.
947712 тыс. руб.
, тыс. руб.
Рассчитаем
для
автотрансформаторов:
Рассчитаем
для
трансформаторов
:
Рис. 13. Графики нагрузок
трансформаторов
Рассчитаем
для
трансформаторов
:
Потери во всех трансформаторах:
Суммарные издержки:
537314 тыс. руб./год.
Ущерб от недоотпуска электроэнергии:
Для
:
Для
:
Для
:
ч.
Тогда:
З= 0,12К+И+У=
Расчет капиталовложений для схемы 2:
Рис. 14. Структурная схема КЭС (2
вариант)
Капиталовложения в трансформаторы и в
автотрансформаторы:
Капиталовложения в РУ:
8560000 тыс. руб.
Расчет издержек для схемы 2:
- издержки на обслуживание КЭС.
- амортизационные издержки.
- издержки на потерю электроэнергии
в трансформаторах и автотрансформаторах.
171200тыс. руб.
547840тыс. руб.
, тыс. руб.
Рассчитаем
для
автотрансформаторов:
Рассчитаем
для
трансформаторов
:
Рис. 15. Графики нагрузок
трансформаторов
Рассчитаем
для
трансформаторов
:
Потери во всех трансформаторах:
Суммарные издержки:
750412тыс. руб/год.
Ущерб от недоотпуска электроэнергии:
Для
Для
:
Для
:
ч.
Тогда:
Таблица
4
Результаты технико-экономического расчета
|
|
Вариант
1
|
Вариант
2
|
|
Капиталовложения
К, тыс. руб.
|
148080000
|
8560000
|
|
Ущерб
тыс. руб.
|
26974.49
|
36782.267
|
|
Издержки,
тыс. руб./год
|
35834
|
750412
|
|
Приведенные
затраты, тыс. руб./год, %
|
1180804.51
|
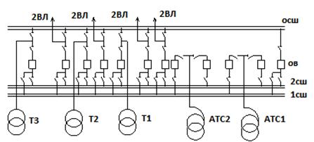
5. Выбор схем распределительных
устройств
Тех. проектировании выбираем схемы РУ на стороне
ВН 500кВ выбираем 2 варианта схем: схема с двумя системами шин и тремя
выключателями схем и четыре выключателями. В РУ 500 кВ количество
присоединений:
ВЛ+2АТ+1Т = 6 присоединений
Рассмотрим два варианта схем:
Рис. 16. схема на 500 кВ РУ 3/2
Рис. 17. схема на 500 кВ РУ 4/3
Для дальнейшего рассмотрения выбираем более
экономичную схему 4/3(на 1 выключатель меньше). На напряжении 220кВ выбираем
схемы:
одна рабочая СШ с обходной шиной;
две рабочие СШ с обходной шиной.
В схеме РУ 220 кВ количество присоединений:
ВЛ+2АТ+3 Т=13 присоединений.
Рис. 18. Схема РУ 220кв 1сш с обх.
Рис. 19. Схема РУ 220кв 2сш с обх.
Анализируя схемы РУ 220кВ выбираем для дальнейшего
рассмотрения 2 сш с обходной как более надежнее в эксплуатации.
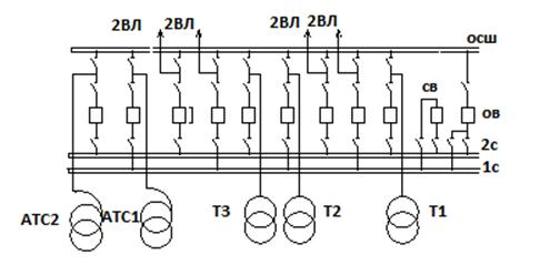
В РУ с двумя системами сборных шин каждое
присоединение содержит выключатель и два шинных разъединителя. Последний служит
для изоляции выключателей от сборных шин при их ремонте, а также для
переключения цепей с одной системы шин для переключения цепей с одной системы
шин на другую без перерыва в их работе. Линейные разъединители предусмотрены в
присоединения, где это необходимо для безопасного ремонта выключателей.
Шиносоединительный выключатель в нормальном режиме замкнут. Исключения из этого
правила могут быть сделаны только в целях ограничения тока КЗ.
Для защиты сборных шин применяют
дифференциальную токовую защиту, обеспечивающую селективное отключение
повреждений ее системы. При этом вторая система шин с соответствующими
источниками энергии и нагрузкой остается в работе. Работа на одной системе
сборных шин допускается только временно при ремонте другой системы. В это
относительно короткое время надежность РУ снижается.
Достоинство рассматриваемой схемы с двумя
системами сборных шин заключается в следующем:
- возможность периодического ремонта сборных шин
без перерыва в работе присоединений;
- возможность деления системы на две части в
целях повышения надежности электроснабжения или ограничения тока КЗ;
Второй вариант схемы более надежен, так как
функцию ШСВ играют два последовательно включенных выключателя. Таким образом,
подключаются два блока, что исключает недостаток схемы а, где при отказе ШСВ
гасится все распределительное устройство.
Вывод: выбираем первый вариант схемы т.к. в
схеме с присоединением блока через два выключателя увеличиваются капитальные
затраты и так как предусматривается установка элегазовых выключателей, которые
обладают высокой надежностью.
конденсационный электрический
генератор трансформатор
6. Разработка схемы собственных нужд
Рабочие ТСН, количество по 1 на
блок(4), мощность ТСН исходя из станции КЭС и вида топлива (газ), мин. нагрузка
СН на газомазутной 3-5% от мощности станции на 1 блок нагрузки СН составляет
Выбираем
трансформатор трехфазный с расщепленной обмоткой для ограничения тока КЗ
27,9МВА на ВН, генераторная 20кВ и низкое 6,3кВ ТРДНС-63000/35. Данные
трансформаторов приведены в таблице. Выбираем трансформатор на 6.3кВ с
мощностью 1кВА ТМС-1000/10. Поскольку установлены генераторные выключатели,
количество резервных тр 1 (4 блока). Мощность РТСН при номин. выкл. генератор
выбран работу РТСН.
Выбираем РТСН-1 подключенный к шинам
220кВ с мощностью, что и в 20 кВ и СН 6,3кВ данные трансформатора приведены в
таблице ТРДН-32000/220.Данные сведены в одну таблицу.
Основным потребителем электрической
энергии в системе С.Н. электростанций являются электродвигатели - привод
рабочих машин и механизмов (насосов, вентиляторов, мельниц и т.д.). Применяются
в основном асинхронные двигатели трехфазного переменного тока, которые
составляют ориентировочно 90% всей нагрузки СН электростанции. Могут
применяться также асинхронные электродвигатели с фазным ротором, синхронные
электродвигатели и регулируемый электропривод, когда это необходимо по условиям
технологического процесса. Другими потребителями электрической энергии на
станции являются электросветильники, обогревательные устройства, сварочные
агрегаты и пр.
Рабочее питание всех видов
электроприемников СН, включая и особо ответственные, осуществляют путем отбора
мощности на генераторном напряжении главной электрической схемы с помощью
понижающих трансформаторов.
Для электроснабжения СН тепловых
электростанций, как правило, применяют напряжение 6; 0,4 кВ, причем от РУ 6 кВ
питают электродвигатели мощностью 200кВт и более. При распределении
электродвигателей между напряжениями 6 и 0,4кВ учитывают, что:
двигатели мощностью менее 200кВт на
6кВ в 1,5-2,3 раза дороже двигателей на 0,4кВ при прочих одинаковых
параметрах);
применение электродвигателей
мощностью более 200 кВт на напряжение 0,4 кВ потребовало бы нерационально
больших сечений кабелей.
Для питания электроприемников СН в
большинстве случаев используют два уровня напряжения:
- для
питания мощных электродвигателей и
- для питания мелких двигателей,
электросветильников и прочие нагрузки.
Распределительное устройство СН
выполняют с одной секционной системой шин с одним выключателем на
присоединение.
Резервное питание ответвленных и не
ответвленных электроприемников СН обеспечивают также отбором мощности от
главной электрической схемы при соблюдении условия, что места присоединения
цепей резервного питания должны быть независимы от мест присоединения цепей
рабочего питания. Для особо ответственных потребителей СН предусматривают
дополнительный, независимый источник энергии.
Выбираем схему подключения ТСН - по
одному рабочему ТСН, подключенному к ответвлению от генератора. Резервные ТСН
подключаем к РУСН и НН автотрансформатора.
Номинальную мощность рабочих
трансформаторов собственных нужд (ТСН) выбирают в соответствии с их расчетной
нагрузкой. С учетом повышения требований надежности, предъявляемых к системе СН
электростанций, перегрузка рабочих ТСН не допускается. Расчетная мощность ТСН определяется
суммой мощностей всех электроприемников, которые присоединены к данному
трансформатору.
Выбор мощности ТСН определяется по формуле:
В цепи генератора ТГВ-500-2У3:
Для ТГВ-500-2У3 выбираем
трансформаторы марки: ТРДНС-32000/35
При наличии генераторных
выключателей, РТСН выбирается такой же мощности как и ТСН. Выбираем РТСН марки:
ТРДН-10000/220.
Число пускорезервных трансформаторов
выбирают в зависимости от числа энергоблоков: при шести (как у нас) - 2
трансформатора. Один подключим к ОРУ- 220 кВ, а второй - к НН
автотрансформатора.
Основные данные трансформаторов
приведены в таблице 5.
Таблица
5
Основные данные трансформаторов собственных нужд
|
Тип
трансформатора
|
Sном, кВА
|
Uвн, кВ
|
Uнн, кВ
|
Рх,
кВт
|
Рк,
кВт
|
Uк, %
|
|
ТРДНС
|
32000
|
20
|
6,3
|
29
|
145
|
12,7
|
|
ТМС
|
1000
|
10,5
|
0,4
|
2,2
|
12,2
|
8
|
|
ТРДН
|
32000
|
230
|
6,3
|
45
|
150
|
11,5
|
7. Расчет токов трехфазного
короткого замыкания
Рисунок 20. Расчетная схема электроустановки
Рис. 21. Схема замещения электроустановки
Производим расчет сопротивлений в
о.е., относительно базовой мощности
:
Расчет токов КЗ относительно т. К 1 500 кВ:
Рис. 22
Таблица
6
|
Точка
КЗ
|
К1
|
|
Базовая
мощность, 1000
|
|
|
Uср,
кВ
|
515
|
|
Источники
|
С
|
4G
|
|
Рез.
сопротивление, о.е.
|
3,4
|
0,32
|
|
1,14
|
|
|
Е
|
1,00
|
1,13
|
|
8,77
|
3,14
|
|
|
4,8
|
|
|
1,87
|
0,65
|
|
|
0,03
|
|
|
1,00
|
0,90
|
|
|
8,77
|
0,59
|
|
|
1,850
|
1,971
|
|
|
0,6
|
0,05
|
|
|
22,88
|
8,73
|
|
|
0,95
|
0,91
|
|
|
11,75
|
4,03
|
|
Расчет токов КЗ относительно т. К2:
Рис. 23
Таблица
7
|
Точка
КЗ
|
К2
|
|
Базовая
мощность, 1000
|
|
|
Uср,
кВ
|
220
|
|
Источники
|
С+3G
|
3G
|
|
Рез.
Сопротивление, о.е
|
2,05
|
0,43
|
|
2,6
|
|
|
Е
|
1,0
|
1,13
|
|
1,27
|
0,98
|
|
|
4,8
|
|
|
0,26
|
0,2
|
|
|
0,045
|
|
|
1,00
|
0,80
|
|
|
1,27
|
0,78
|
|
|
1,85
|
1,971
|
|
|
0,6
|
0,34
|
|
|
3,3
|
2,7
|
|
|
0,93
|
0,88
|
|
|
1,67
|
1,2
|
|
Расчет токов КЗ относительно т. К3:
Рис. 24
Таблица
8
|
Точка
КЗ
|
К3
|
|
Базовая
мощность, 1000
|
|
|
Uср,
кВ
|
515
|
|
Источники
|
С+5G
|
1G
|
|
Рез.
Сопротивление, о.е
|
0,41
|
5,45
|
|
36,7
|
|
|
Е
|
1,0
|
1,13
|
|
89,5
|
7,6
|
|
|
4,8
|
|
|
18,65
|
1,58
|
|
|
0,16
|
|
|
1,00
|
0,80
|
|
|
89,5
|
6,08
|
|
|
1,85
|
1,976
|
|
|
0,6
|
0,34
|
|
|
233
|
21,17
|
|
|
0,77
|
0,62
|
|
|
97,17
|
6,64
|
|
Расчет токов КЗ относительно т. К4:
Рис. 24
Таблица
9
|
Точка
КЗ
|
К4
|
|
Базовая
мощность, 1000
|
|
|
Uср,
кВ
|
6,3
|
|
Источники
|
С+G
|
|
Рез.
Сопротивление, о.е
|
3,1
|
|
93,4
|
|
|
Е
|
1,0
|
|
5,12
|
|
|
|
|
|
|
|
|
0,16
|
|
|
1,00
|
|
|
3,1
|
|
|
1,85
|
|
|
0,6
|
|
|
25,5
|
|
|
0,77
|
|
|
3,7
|
|
Итоговая таблица результатов расчетов токов
трехфазного КЗ
Таблица
10
|
Точка
КЗ
|
Uср, кВ
|
Источник
|
Токи
трехфазного КЗ, кА
|
|
|
|
Iп0, кА
|
Iпτ, кА
|
iаτ, кА
|
iу, кА
|
√2·Iпτ +
iаτ, кА
|
|
К
- 1
|
500
|
ΣС, Г1-4
|
11,91
|
9,36
|
15,78
|
31,61
|
28,98
|
|
К
- 2
|
220
|
ΣС,Г1-4
|
2,25
|
2,05
|
2,87
|
6
|
5,76
|
|
К
- 3
|
500
|
Г1
|
89,5
|
89,5
|
97,17
|
233
|
223,4
|
|
|
ΣС,Г2-4
|
7,6
|
6,08
|
6,64
|
21,17
|
15,21
|
|
К-4
|
6,3
|
С
|
5,12
|
3,1
|
3,7
|
25,5
|
8,1
|
|
|
Двигатели
|
|
|
|
|
|
8. Выбор аппаратов и проводников
Выбор коммутационных аппаратов
Рис. 26
Выбор выключателя В1 и разъединителя Р1 в цепи
высокого напряжения 500 кВ блока с генератором ТГВ-500-2УЗ
Расчетные токи продолжительного режима в цепи
блока генератор-трансформатор определяются по наибольшей электрической мощности
генератора ТГВ-500-2УЗ
IНОРМ
= IMAX = SНГ/
(√3*UВН)
=588*103/(√3*500) = 691А
Расчетные токи КЗ принимаются по пункту 3, точка
КЗ-1 с учетом того, что все цепи на стороне ВН проверяются по суммарному току
КЗ на шинах:
IП0
=11,91 кА; iУД
= 31,61 кА; Iпτ
= 9,36 кА; iаτ
= 15,78 кА.
Тепловой импульс:
ВК= IП02*(tОТКЛ+ТА)=
11,912*(0,15+0,32)= 67кА2с,
где tОТКЛ=
0,1+tСВ =
0,1+0,05 = 0,15 сек.
Выбран по [13] выключатель для наружной
установки типа ВГУ-500У1 (Выключатель элегазовый баковый усиленный по скорости
восстанавливающегося напряжения на UH=500
кВ, IОТКЛ =
50 кА для умеренного климата). Гидропривод.
Выбран по [11] разъединитель для наружной
установки типа РНД-500/3200У1 (Разъединитель наружной установки двухколонковый
с одним комплектом заземляющих ножей на UH=
500 кВ, IН=3200А
умеренного климата).
Расчетные и справочные данные приведены в
таблице 11
Таблица
11
Расчетные и справочные данные
|
Расчетные
данные
|
Справочные
данные
|
|
ВГБУ-500Б-
40У1
|
РНД-500/3200У1
|
|
UУСТ=500 кВ
|
UH=500 кВ
|
UH=500 кВ
|
|
IMAX =691А
|
IН=3150А
|
IН=3200А
|
|
Iпτ = 9,36 кА
|
IОТКЛ=50 кА
|
-
|
|
iаτ = 15,78
кА
|
iан =√2*
IОТКЛ*β/100 = √2*50*47/100=
33,2 кА
|
-
|
|
IП0 =11,91 кА
|
IДИН
= 45
кА
|
-
|
|
iУД = 31,61
кА
|
-
|
iДИН
= 160
кА
|
|
ВК=
67 кА2с
|
IT2*tT=502*3=7500 кА2с
|
IT2*tT=632*3=7938 кА2с
|
|
Условия
выполняются
|
Выбор выключателя В2 и разъединителя Р2 в цепи
среднего напряжения 220 кВ блока с генератором ТГВ-500-2УЗ
Расчетные токи продолжительного режима в цепи
блока генератор-трансформатор определяются по наибольшей электрической мощности
генератора ТГВ-500-2УЗ (588МВА):
IНОРМ
= IMAX = SНГ/
(√3*Uсн)
=588*103/(√3*220) = 1571А
Расчетные токи КЗ принимаются по пункту 3, точка
КЗ-2 с учетом того, что все цепи на стороне СН проверяются по суммарному току
КЗ на шинах:
IП0
=2,25; iУД
= 6 кА; Iпτ
= 2,05кА; iаτ
= 2,87 кА.
Тепловой импульс:
ВК= IП02*(tОТКЛ+ТА)=
2,25*(0,155+0,03)= 0,93 кА2с,
где tОТКЛ=
0,1+tСВ =
0,1+0,055 = 0,155 сек.
Выбран по [] выключатель для наружной установки
типа ВГУ-220-45У1 (Выключатель элегазовый усиленный по скорости восстанавливающегося
напряжения на UH=220
кВ, IОТКЛ=
45 кА для умеренного климата). Привод: пружинное включение, пневматическое
отключение.
Выбран по [Н] разъединитель для наружной
установки типа РНДЗ.1-220/1000У1 (Разъединитель наружной установки двухколонковый
с одним комплектом заземляющих ножей на UH=220
кВ, IН=1000А
умеренного климата).
Таблица
12
Расчетные и справочные данные
|
Расчетные
данные
|
Справочные
данные
|
|
ВГУ-220-45У1
|
РНДЗ.1-220/1000У1
|
|
UУСТ=220 кВ
|
UH= 220 кВ
|
UH= 220 кВ
|
|
IMAX =927А
|
IН= 3150А
|
IН= 1000А
|
|
Iпτ = 2,05 кА
|
IОТКЛ= 45 кА
|
-
|
|
iаτ = 2,87 кА
|
iан =√2*
IОТКЛ*β/100 = √2*45*47/100=29,8
кА
|
-
|
|
IП0 =2,25 кА
|
IДИН
= 45
кА
|
-
|
|
iУД = 6 кА
|
iДИН
= 150
кА
|
iДИН
= 100
кА
|
|
ВК=
0,93 кА2с
|
IT2*tT=502*2=5000 кА2с
|
IT2*tT=402*3=4800 кА2с
|
|
Условия
выполняются
|
Выбор выключателя В3 и разъединителя Р3 в цепи
генераторного напряжения 20 кВ блока с генератором ТВГ-500
Расчетные токи продолжительного режима в цепи
блока генератор-трансформатор определяются по наибольшей электрической мощности
генератора ТВГ-500-2У3 (588МВА):
IНОРМ
= IMAX = SНГ/
(√3*UГН)
= 588*103/(√3*20) = 17294А
Расчетные токи КЗ принимаются по пункту 3, точка
КЗ-3 с учетом того, что в цепи генератора аппараты выбираются по наибольшему
току КЗ:
IП0
=89,5кА; iУД
=233 кА; Iпτ
89,5кА; iаτ
= 97,17 кА.
Тепловой импульс:
ВК= IП02*(tОТКЛ+ТА)=
89,52*(0,25+0,02)= 2162 кА2с,
где tОТКЛ=
0,1+tСВ =
0,1+0,15 = 0,25 сек.
Выбран по [11] выключатель для внутренней
установки типа ВГГ-20 (Выключатель элегазовый на UH=20
кВ, IОТКЛ=90
кА для умеренного климата). Гидропривод.
Выбран по [Н] разъединитель для внутренней
установки типа РВПЗ-1-20/12500У3 (Разъединитель внутренней установки с
поступательным движением главных ножей с одним комплектом заземляющих ножей на UH=20
кВ, IН=12500А
умеренного климата).
Расчетные и справочные данные приведены в
таблице
Таблица
13
Расчетные и справочные данные
|
Расчетные
данные
|
Справочные
данные
|
|
ВГГ-20
|
РВПЗ-1-20/12500У3
|
|
UУСТ=20 кВ
|
UH= 20 кВ
|
UH= 20 кВ
|
|
IMAX =10202А
|
IН= 10000А
|
IН= 12500А
|
|
Iпτ = 89,5 кА
|
IОТКЛ= 90 кА
|
-
|
|
iаτ = 97,17
кА
|
iан =√2*
IОТКЛ*β/100 = √2*90*20/100=
25,4 кА
|
-
|
|
IП0 =72,39 кА
|
IДИН
= 125
кА
|
-
|
|
iУД = 89,5 кА
|
iДИН
= 230
кА
|
iДИН
= 490
кА
|
|
ВК=
2162кА2с
|
IT2*tT=1052*4=44100 кА2с
|
IT2*tT=1802*4=129600 кА2с
|
|
Условия
выполняются
|
Выбор выключателя В4 в цепи ТРДНС- 32000/35
Расчетные токи продолжительного режима в цепи
трансформатора определяются по наибольшей электрической мощности трансформатора
ТРДНС-32000/35 (32МВА):
IНОРМ
= IMAX = SНГ/
(√3*UГН)
= 32*103/(√3*6,3) = 2987,8А
Расчетные токи КЗ принимаются по пункту 4:
IП0
= 5,12 кА; iУД
= 25,5 кА; Iпτ
= 3,1 кА; iаτ
= 3,7 кА.
Тепловой импульс:
ВК= IП02*(tОТКЛ+ТА)=
5,122*(0,12+0,02)= 3,67 кА2с,
где tОТКЛ=
0,1+tСВ =
0,1+0,02 = 0,12 сек.
Выбран по [] выключатель для внутренней
установки типа ВГБХ-35-12,5УХЛ1 (Выключатель элегазовый на UH=35
кВ, IОТКЛ=35
кА для умеренного климата). Гидропривод.
Расчетные и справочные данные приведены в
таблице
Таблица
14
Расчетные и справочные данные
|
Расчетные
данные
|
Справочные
данные
|
|
ВВ/ТЕL10
|
|
UУСТ= 6,3 кВ
|
UH= 35 кВ
|
|
IMAX =2293,8А
|
IН= 630А
|
|
Iпτ = 3,1 кА
|
IОТКЛ= 12,5кА
|
|
iаτ = 3,7 кА
|
iан =√2*
IОТКЛ*β/100= √2*12,5*50/100=8,8
кА
|
|
IП0 =5,12 кА
|
IДИН
= 32
кА
|
|
iУД = 25,5 кА
|
iДИН
= 35
кА
|
|
ВК=
3,67 кА2с
|
IT2*tT=32*3=3072 кА2с
|
|
Условия
выполняются
|
Выбор проводников и изоляторов
Выбор сборных шин и ошиновки на напряжение 500
кВ и токоведущих частей в цепи генератора ТГВ-500-2УЗ
Таблица15
Выбор сборных шин и ошиновки на напряжение 500
кВ и в цепи генератора
|
Условия
выбора и проверки
|
Сборные
шины 500 кВ и токоведущие части от трансформатора ТЦ-630 до сборных шин 500
кВ
|
Токоведущие
части от генератора ТГВ-500-2УЗ до трансформатора ТДЦ-630
|
|
Условие
выбора IMAX<IДОП
|
По
току наиболее мощного присоединения - в трансформаторе ТЦ-630 в блоке с генератором
ТГВ-500-2УЗ (588МВА) IMAX
=
IНОРМ = SНГ/ (√3*UНОМ)= 588*103/(√3*500)=
691А
|
По
типу генератора ТГВ-500-2УЗ, UНОМ = 20 кВ IMAX
=
SНГ/ (√3*UНОМ*0,95)=
588*103/(√3*20*0,85)= 20346А
|
|
Тип
проводника, его параметры [Н]
|
один
провод в фазе: АС-600/72; IДОП= 710А d= 24 мм
|
три
провода в фазе; 3АС-600/72 IДОП= 2130А
|
ТЭКН-П-24-24000-560
UНОМ = 24 кВ; IНОМ = 21 400А
iДИН= 560 кА
|
|
Проверка
на схлестывание, электродинамическую стойкость
|
не
производится, т.к. IП0 = 11,91
кА < 20 кА
|
iУ < iДИН; 231,61кА
< 400 кА Условие выполняется
|
|
Проверка
шин на термическое действие токов КЗ
|
не
производится, т.к. шины выполнены голыми проводами на открытом воздухе.
|
не
производится
|
|
Проверка
по условиям коронирования 1,07Е<0,9Е0 ДСР = 1,26Д =
1,26*300 = 378 мм.
|
Е0
= 30,3m*[1+(0,299/√r0)]; m=0,82 Е0
= 30,3*0,82*[1+(0,299/√1,66)]= 30,56 кВ/см Для одного провода в
фазе: Е = 0,354*1,1UНОМ / [r0*lg(ДСР
/ r0)]=
0,354*1,1*500 / [1,66*lg(378/1,66)]= 78,6 кВ/см.
Для трех проводах в фазе: Е = k*0,354*1,1UНОМ / [n*r0*lg(ДСР
/ rЭК)]=
1,14*0,354*1,1*500 / [2*1,66*lg(378/13,85)]= 25,6 кВ/см k=1+2*
r0/a= 1+2*1,66/40= 1,14 rЭК = (r0*a2)⅓
= (1,66*40)⅓ = 13,85см. 1,07Е<0,9Е0
1,07*25,6 < 0,9*30,56 27,3 кВ/см < 27,54 кВ/см
|
не
производится
|
|
Тип
токопровода
|
Тип
генератора
|
Uном, кВ
|
|
ТЭКН-П-24-24000-560
|
ТГВ-500-2УЗ
|
20
|
Iном, А
|
iдин, кА
|
Тип
опорных изоляторов
|
Тип
ТТ
|
Тип
ТН
|
|
|
|
|
|
|
|
|
|
Выбор сборных шин и ошиновки на напряжение 220
кВ
Таблица
16
Выбор сборных шин и ошиновки на напряжение 220
кВ
|
Условия
выбора и проверки
|
Сборные
шины 220 кВ и токоведущие части от трансформатора ТЦ-630 до сборных шин 220
кВ
|
|
Условие
выбора IMAX<IДОП
|
По
току наиболее мощного присоединения - в трансформаторе ТЦ-630 в блоке с
генератором ТГВ-500-2УЗ (588МВА) IMAX
=
IНОРМ = SНГ/ (√3*UНОМ)= 588*103/(√3*220)=
1572А
|
|
Тип
проводника, его параметры [11]
|
два
провода в фазе АС-400/22; IДОП= 830А; d= 26,6 мм;
r0= 1,47 см
|
|
Проверка
на схлестывание, электродинамическую стойкость
|
не
производится, т.к. IП0 = 2,25 кА
< 20 кА
|
|
Проверка
шин на термическое действие токов КЗ
|
не
производится, т.к. шины выполнены голыми проводами на открытом воздухе.
|
|
Проверка
по условиям коронирования 1,07Е<0,9Е0; ДСР=1,26Д =
1,26*400 = 504 мм.
|
Е0
= 30,3m*[1+(0,299/√r0)]; m=0,82 Е0
= 30,3*0,82*[1+(0,299/√1,47)]= 30,98 кВ/см Е= 0,354*1,1UНОМ / [r0*lg(ДСР
/ r0)]= 0,354*1,1*220
/ [0,84*lg(504/1,47)]=
22,94 кВ/см; 1,07Е<0,9Е0; 1,07*22,94 < 0,9*30,98; 24,54
кВ/см < 27,88 кВ/см
|
Выбор сборных шин на секции собственных нужд 6
кВ
Таблица
17
|
ТРДНС
32000/35 - секция 6 кВ
|
|
|
|
ША
100х8; Iдоп =1625
А; в=8мм, h=100 мм, q=800 мм²
|
|
С
учетом поправки на температуру окружающего воздуха отличную от номинальной на
25º
Примем
tокр=30ºС
|
|
165·
0,943 = 156 А; Условие выполняется
|
Проверка
на термическую стойкость
|
|
|
Условие
выполняется
|
|
Проверка
шин на электродинамическую стойкость σрасч≤ σдоп для
алюминевых шин σдоп =700
кг/см²
|
кг·см
|
689≤800;
Условие выполняется
|
Выбор контрольно-измерительных
приборов, измерительных трансформаторов и щитов управления
Выбор контрольно-измерительных приборов
Таблица
18
Контрольно-измерительные приборы
|
Цепь
|
Место
установки приборов
|
Перечень
приборов
|
|
Турбогенератор
|
Статор
|
Амперметр
в каждой фазе, вольтметр, ваттметр, счетчик активной энергии, датчики
активной и реактивной мощности. Регистрирующие приборы: ваттметр, амперметр,
вольтметр.
|
|
Ротор
|
Амперметр,
вольтметр; вольтметр в цепи основного и резервного возбудителей. Регистрирующий
амперметр.
|
|
Блочного
трансформатор
|
ВН
|
Амперметр
|
|
НН
|
-
|
|
Автотрансформатора
связи
|
ВН
|
-
|
|
НН
|
Амперметр,
ваттметр и варметр с двусторонней шкалой
|
|
Трансформатора
собственных нужд
|
На
одну секцию
|
Со
стороны питания: амперметр, ваттметр, счетчик активной энергии
|
|
Сборных
шин собственных нужд
|
На
каждой секции
|
Вольтметр
для измерения междуфазного напряжения, вольтметр с переключением для
измерения трех фазных напряжений, частотомер, приборы синхронизации: два
частотомера, два вольтметра и синхроноскоп
|
|
Общие
приборы с переключением на любую секцию
|
Два
регистрирующих вольтметра для измерения междуфазных напряжений, два
частотомера
|
|
Шиносоединительного
выключателя
|
-------
|
Амперметр.
|
|
Обходного
выключателя
|
-------
|
Амперметр,
ваттметри варметр с двухсторонней шкалой, расчетные счетчики и фиксирующий
прибор.
|
|
Линии
220 кВ
|
-------
|
Амперметр,
ваттметр, варметр, фиксирующий прибор для определения места КЗ, счетчики
активной и реактивной мощности
|
|
Сборных
шин высшего напряжения
|
На
каждой шине
|
Вольтметр
с переключением для измерения трех фазных напряжений; регистрирующие приборы:
частотомер, суммирующий ваттметр; приборы синхронизации: два частотомера, два
вольтметра, синхроноскоп, осциллограф
|
|
Секционный
выключатель
|
-------
|
Амперметр
|
Рис. 27 Измерительные приборы в основных цепях
КЭС
Выбор трансформаторов тока
В цепи генератора ТГВ-500-2УЗ
Iпрод.расч. =
Т.к. участок от выводов генератора
до вводов трансформатора выполнен комплектным токопроводом типа
ТЭКН-П-24-24000-560выбираем встроенные трансформаторы тока ТШВ-24-30000/5
Таблица
19
Вторичная нагрузка трансформатора тока
|
Прибор
|
Тип
прибора
|
Нагрузка
от измерительных приборов в фазах, В·А
|
|
|
А
|
В
|
С
|
|
Вольтметр
показывающий, Варметр, Амперметр показывающий Расчетный счетчик Ваттметр
регистрирующий Амперметр регистрирующий Датчик активной мощности Датчик
реактивной мощности
|
Д
335 Д 335 Э 335 ЦЭ 6807Б-1 Н 3180 Н 344 Е 829 Е 830
|
0,5
0,5 0,5 2,5 10,0 5,0 ---
|
---
--- 0,5 --- --- 10 --- 5,0
|
0,5
0,5 0,5 2,5 10,0 --- 5,0 ---
|
|
Итого:
|
|
19,0
|
15,5
|
19,0
|
Вторичная номинальная нагрузка в классе точности
0,5 составляет Z2ном.=1,2
Ом.
Таблица
20
Сравнение данных
|
Расчетные
данные
|
Каталожные
данные
|
|
Uуст.=20кВ Imax.=
18211,6А iу.=88.2 кА
Вк =987,84 кА2×с
|
Uном. =20кВ Iном.
=30000А не проверяется
|
Общее сопротивление приборов:
rприб. = Sприб. ⁄
І²2
= 19,0 ⁄ 25 = 0,76 Ом
сопротивление контактов примем 0,1 Ом, тогда
сопротивление соединительных проводов:
Zпр.= Z2ном.
- Zприб. - rкон.
= 1,2 - 0,76 - 0,1 = 0,34 Ом
Принимая длину соединительных проводов с медными
жилами 40 м;
q = ρ · lрасч.
∕ rпр. = 0,0175 ∙ 40 ∕ 0,34 = 2,06 мм²
принимаем контрольный кабель КРВГ с жилами
сечением 2,5 мм².
Выбор трансформаторов напряжения
В цепи генератора
трансформаторы напряжения предназначены для
подключения измерительных приборов, для подключения колонки синхронизации и
приборов контроля состояния изоляции. Приборы синхронизации и контроля
состояния изоляции подключаются к трансформатору напряжения кратковременно,
поэтому их можно не учитывать при подсчете нагрузки
Таблица
21
Вторичная нагрузка трансформатора напряжения
|
Прибор
|
Тип
прибора
|
Нагрузка
ТН, ВА, включенная между фазами,
|
|
|
АВ
|
ВС
|
СА
|
|
Вольтметр
показывающий Ваттметр показывающий Ваттметр показывающий Частотомер
показывающий Вольтметр регистрирующий Ваттметр регистрирующий Счетчик Датчик
активной мощности Датчик реактивной мощности
|
Э
- 335; Д - 335; Д - 335; Э - 371; Н - 344; Н - 3180; ЦЭ 6807Б-1 Е -829; Е -
830;
|
---
1,5 1,5 --- --- 10,0 2,0 5,0 ---
|
---
1,5 1,5 --- --- 10,0 2,0 --- 5,0
|
2,0
--- --- 3,0 10,0 --- --- 5,0 ---
|
|
Итого:
|
20,0
|
20,0
|
20,0
|
В цепи генератора ТГВ-500 выбираем трансформатор
напряжения типа ЗНОЛ.06-24.
Таблица
22
Сравнение данных
|
Расчетные
данные.
|
Каталожные
данные.
|
|
Uсети ном. = 20 кВ; S2 расч. =
20 ВА;
|
Uном. = 24 кВ; S2 ном. =
75 ВА;
|
Для остальных ступеней напряжения принимаем к
установке ТН:
кВ марки НКФ - 500
кВ марки НКФ-220
Рис. 28. Схема рабочих и резервных
трансформаторов СН
Заключение
В соответствии с заданием выполнен курсовой
проект, представленный на 51 страницах пояснительной записки (включает 29
рисунков, 22 таблиц) и 2 листах графической части формата А1.
В курсовом проекте произведен расчет
конденсационной электрической станции мощностью 2000 МВт. Станция предназначена
для электроснабжения крупного промышленного центра.
На станции установлены 4 конденсационных турбины
с промышленным отбором пара типа К-500. Топливо - газ. Резервное мазут. Место
строительства: Республика Татарстан, г. Набережные Челны. Система технического
водоснабжения: река Кама.
Для заданного типа турбин были выбраны
турбогенераторы: для турбин К-500 выбираем генераторы типа ТГВ-500-2У3.
Связь с энергосистемой на напряжении 500 кВ по
двум воздушным линиям. Параметры системы: мощность 7200 МВА, сопротивление
0,93. От шин 220 кВ отходят 8воздушные линии в районную сеть.
В проекте выбраны турбогенераторы типа ТГВ-500-2У3.
Генераторы имеют высокочастотную систему возбуждения, водородную систему
охлаждения. Система отмоток статора, обмоток ротора.
Разработаны 10 варианта структурных схем
станции. Выбраны блочные силовые трансформаторы типа ТЦ-630000/220 и ТЦ-630000/500
и автотрансформаторы связи типа АОДЦТН-167000/500/220. Для расчета выбраны 2
схемы.
Произведен расчет приведенных затрат по
капитальным затратам, издержкам на обслуживание, амортизацию и потери в силовых
трансформаторах и ущербу от недоотпуска электроэнергии. Выбрана схема с
минимальными приведенными затратами (второй вариант). Разница 6%.
В соответствии с рекомендациями НТП выбраны
схемы РУ 4/3 и 2 ш с обх. На высокое напряжение 500 кВ выбрана схема 4/3. На
среднее напряжение 220 кВ выбрана схема с двумя рабочими и обходной системами
шин с отдельными шиносоединительным и обходным выключателями. В соответствии с
НТП разработана схема собственных нужд станции. Выбраны рабочие и резервные
трансформаторы собственных нужд типа ТРДН-32000/220.
Произведен расчет токов трехфазного короткого
замыкания для 4 точек: на шинах 500 кВ, шинах 220 кВ, генераторном напряжении
20 кВ, секции собственных нужд 6 кВ.
Выбраны электрические аппараты и проводники
напряжением выше 1кВ:
элегазовые выключатели: ВГБУ-220- 45У1, ВГБУ-500-45У1,ВГГ-20,ВВ/ТЕL10
разъединители: для наружной установки
РНДЗ-2-220/1000У1, РНДЗ-2-500/1000У1, внутренней установки РВП-20/12500УЗ;
проводники: гибкие сталеалюминиевые провода
АС-600/72, комплектный пофазно-экранированный токопровод ТЭКН-24-24000-560;
жесткие шины ША 100х8;
измерительные трансформаторы: тока: наружной
установки ТФЗМ-500-УI, встроенные
ТШЛ-24;
напряжения: наружной установки НКФ-500,
внутренней установки ЗНОЛ-24 ЗОМ-1/24ЗНОЛ.06-24;
Выбраны контрольно-измерительные приборы для
основных цепей станции.
Распределительные устройства 500 и 220 кВ
выполнены открытого типа, собственных нужд 6 кВ - комплектного типа внутренней
установки с шкафами типа К-104 М.
Все технические решения приведены в графической
части: лист 1,2.
Список литературы
1.
ПУЭ «Правила устройства электроустановок. Издание 7» Минэнерго России, ОАО
«ВНИИЭ». 2003 г.
2.
"Нормы технологического проектирования тепловых электрических
станций", Министерство энергетики и электрификации СССР (Минэнерго СССР)
Нормы технологического проектирования тепловых электрических станцийВНТП-81
3.
Теплотехническое и электротехническое оборудование: Справочные материалы для
курсового и дипломного проектирования. Для студентов всех форм обучения /
Сост.: О.Г. Губаева, Ю.Н. Зацаринная, Е.А. Миронова, А.М. Семененко, Е.А.
Федотов. - Казань: Казан. гос. энерг. ун-т, 2012. - 75 с.