Сравнительный анализ конструкций распределительного устройства высокого напряжения на газомазутной ГРЭС (8К-300)
Министерство
образования Российской Федерации
Казанский
государственный энергетический университет
Дипломный
проект
Сравнительный
анализ конструкций распределительного устройства высокого напряжения на
газомазутной ГРЭС (8К-300)
Казань
2015
Содержание
Введение
Паспорт
станции
.
Тепловая часть
.1
Расчет принципиальной тепловой схемы К-300-240
.2
Выбор основного и вспомогательного оборудования КЭС
.
Электротехническая часть
.1
Выбор типа и конструкции синхронных генераторов
.2
Разработка вариантов структурных схем КЭС
.2.1
Общие принципы при разработке структурной схемы
.2.2
Характеристика предлагаемых вариантов схемы проектируемой электроустановки
.2.3
Выбор силовых трансформаторов и автотрансформаторов
.2.4
Технико-экономическое сравнение вариантов схем
.3
Выбор схем распределительных устройств
.4
Разработка схемы собственных нужд
.5
Расчет токов трехфазного короткого замыкания
.6
Выбор аппаратов и проводников
.6.1
Выбор коммутационных аппаратов
.6.2
Выбор проводников и изоляторов
.6.3
Выбор измерительных трансформаторов тока и напряжения
.7
Выбор режимов работы нейтрали в электроустановках
.8
Разработка генерального плана проектируемой электроустановки
.9
Разработка конструкции РУ
.
Релейная защита и автоматика блока 300 МВт
.
Экономическая часть
Заключение
Список
литературы
Введение
Теплоэлектростанции являются основными
источниками энергии и тепла. Для получения электроэнергии и тепла используют
химическую энергию органического топлива. Теплоэнергетика в мировом масштабе
преобладает среди традиционных видов, и составляет 90% от общей выработки всех
электростанций мира. Теплоэлектростанции применяются для обеспечения
электроэнергией и теплом жилых домов, общественных зданий и промышленных
предприятий. Топливом для электрических станций служит уголь, газ, мазут, торф.
Рядом с КЭС должен находиться огромный ресурс
воды так как она является носителем тепла. В котлах сгорает огромное количество
топлива передавая свою кинетическую энергию воде и превращая ее в пар, в
последствии перегретый пар давит на лопатки турбины и вращает ее. На одном валу
с турбиной стоит генератор который и вырабатывает электроэнергию. А часть же
пара отбирается из турбины для теплоснабжения либо для предприятий, которым для
производства необходим пар соответствующий температуры.
В отечественной энергетике на долю
конденсационных электростанций (КЭС) приходится до 60% выработки
электроэнергии. Основными особенностями КЭС являются: значительная удаленность
от непосредственных потребителей электроэнергии, что определяет в основном
выдачу мощности на высоких и сверхвысоких напряжениях, и блочный принцип
построения электростанции.
Мощность современных КЭС обычно такова, что
каждая из них может обеспечить электроэнергией крупный район страны. Отсюда еще
одно название электростанций этого типа - государственная районная
электростанция (ГРЭС).
При проектировании новых КЭС используют самое
современное оборудование, отвечающее нынешним мерам надежности и безопасности.
На уже существующих станциях устаревшее оборудования выводят из эксплуатации,
заменяя его более новым, обладающим меньшими потерями.
Паспорт станции
Тип и мощность станции: ГРЭС-2400
Связь с энергосистемой на напряжение 500 кВ по
двум воздушным линиям.
Параметры системы 1: мощность 6000 МВА,
сопротивление 0,85 о. ед. длина ЛЭП 150 км, резервная мощность 500 МВт.
Параметры системы 2: мощность 4000 МВА,
сопротивление 1,1 о. ед. длина ЛЭП 120 км, резервная мощность 400 МВт. От шин
220 кВ отходят
линий в районную сеть.
Расположение: РФ, Коми-Пермяцкий автономный
округ.
Топливо: газ, резервное мазут.
Система технического водоснабжения: из реки.
Турбины: 8×К-300-240.
Турбогенераторы типа ТГВ-300-2УЗ.
Блочные силовые трансформаторы типа
ТДЦ-400000/500,
ТДЦ-400000/220 и автотрансформаторы связи типа
3*АОДЦТН-167000/500/220.
Трансформаторы собственных нужд: ТРДНС-32000/35,
ТРДНС-32000/220.
Распределительные устройства:
На высокое напряжение 500 кВ - КРУЭ схема три
вторых 3/2. На среднее напряжение 220 кВ - КРУЭ две системы сборных шин
Электрические аппараты и проводники напряжением
выше 1 кВ:
Элегазовые ячейки ЯЭУ-500, ЯЭГ-220.
Выключатели: ВГГ-20, BB/TEL-10. Разъединитель
РВПЗ-1-20/12500УЗ.
− Проводники: гибкие сталеалюминевые
провода 3АС-600/72, 2АС-400/22, комплектный пофазно-экранированый токопровод
ТЭКН-Е-20-12500-400, жесткие шины ША 100х8.
− Измерительные трансформаторы тока:
встроенные ТШ-20-12000/5.
− Измерительные трансформаторы напряжения:
для наружной установки НКФ-500, НКФ-220, встроенные ЗНОЛ-20.
Распределительные устройства 500 и 220 кВ
выполнены типа КРУЭ, собственных нужд 6 кВ - комплектного типа внутренней
установки с шкафами типа К-104 М.
1. Тепловая часть
.1 Расчет принципиальной тепловой схемы
К-300-240
Краткая характеристика турбоустановки К-300-240
Конденсационная паровая турбина К-300-240
производственного объединения турбостроения "Ленинградский металлический
завод" (ПОТ ЛМЗ), номинальной мощностью 300 МВт, с начальным давлением
пара 23,5 МПа предназначена для непосредственного привода генератора
переменного тока типа ТГВ-300-2УЗ, для работы в блоке с прямоточным котлом.
Таблица 1.1. Номинальное значение основных
параметров турбиныК-300-240-3.
|
Турбина
|
Мощность
номинальная, МВт
|
Частота
вращения,1/с
|
Параметры
свежего пара: давление, Мпа/ температура, С.
|
Параметры
пара промерегрева: давление, Мпа/ температура, С.
|
Число
отборов пара на регенерацию
|
Температура
питательной воды, С
|
Номинальная
температура охлаждающей воды, С
|
|
К-300-240-3
|
300
|
50
|
23,5/540
|
3,65/540
|
8
|
275
|
12
|
Таблица 1.2. Характеристика отборов
|
Потребители
пара
|
Подогреватель
|
Давление
Мпа (кгс/см3)
|
Темпера-
тура, С
|
Количество
отбираемого пара, кг/с(т/ч)
|
|
1
|
пвд1
|
6,12(62,4)
|
375
|
15,97(57,5)
|
|
2
|
пвд2
|
3,92(40,0)
|
315
|
23,5(84,6)
|
|
3
|
пвд3
|
1,559(15,9)
|
450
|
7,16(25,8)
|
|
|
Турбопривод
|
1,559(15,9)
|
450
|
24,72(89,0)
|
|
4
|
Деаэратор
|
1,039(10,6)
|
395
|
5,0(18,0)
|
|
5
|
пнд4
|
0,505(5,15)
|
300
|
9,72(35)
|
|
6
|
пнд3
|
0,235(2,4)
|
240
|
8,33(30)
|
|
7
|
пнд2
|
0,087(0,895)
|
14
|
8,77(31,6)
|
|
8
|
пнд1
|
0,017(0,172)
|
56
|
6,3(22,7)
|
Расчет
Для заданной ПТС определяем параметры пара
(энтальпию, температуру, давление).
Давление пара выписываем из справочника Ривкина,
энтальпию i определяем из табл. Ривкина.- давление пара в отборах турбины;-
температура пара в отборах турбины;н - давление пара насыщения в
подогревателях;н - температура пара насыщения в подогревателях;н - энтальпия
пара насыщения в подогревателях;в - давление воды после каждого подогрева;в -
температура воды после каждого подогрева;в - энтальпия воды после каждого
подогрева;др - температура дренажа;др - энтальпия дренажа.
- точка параметра пара на входе;
- отбор пара на ПВД1;
Пока часть пара идет на подогревание из отбора
турбины пар теряет 7% давления на гидравлическое сопротивление.
Давление в отборе-потери
давления=давление насыщенного пара в подогревателе
Все деаэраторы рассчитаны на 6 ¸ 7ата
Зная Pн из табл. Ривкина определяем
tн и iн.
Принимаем недогрев
Для ПВД принимаем недогрев 1%
Потери давления ΔPпвд составляет
0,5 Мпа, потери в ΔPпнд
составляет 0,1 Мпа.
Отнимая от давления питательного
насоса Pпн потери в ПВД, получаем давление питательной воды:
Чтобы определить энтальпию воды iв
нужно знать Pв и tв.
Для ПНД, в которые не втекают
дренажи из других подогревателей tдр=tнасыщ. пара в этом ПНД.
Для остальных подогревателей
температура дренажа=температуре на входе в этот подогреватель+100С.
Зная температуру дренажа, по таблице
Ривкина определяем энтальпию.
Все значения заносим в таблицу 1.3.
Таблица 1.3
|
Подогрев
|
Давление,
Р Мпа
|
Температура
t
|
Энтальпия
i
|
Давление
насыщения пара, Рн
|
Температура
насыщения пара, tн
|
Энтальпия
насыщения iн
|
Ɵ
|
Рв
|
tв
|
iв
|
tдр
|
iдр
|
|
23,5
|
23,5
|
540
|
3323
|
21,85
|
-
|
-
|
-
|
-
|
-
|
-
|
-
|
-
|
|
ПВД1
|
6,12
|
375
|
3110,6
|
5,7
|
272,23
|
1196,8
|
1
|
29,65
|
271,23
|
1181,8
|
271,23
|
1181,9
|
|
ПВД2
|
3,92
|
315
|
2978,3
|
3,64
|
244,8
|
1061
|
1
|
30,15
|
243,8
|
1042,9
|
205,4
|
865,34
|
|
ПВД3
|
1,559
|
450
|
3363,02
|
1,44
|
196,4
|
836,1
|
1
|
30,55
|
195,4
|
845
|
174,96
|
757
|
|
Д
|
1,039
|
395
|
3252,7
|
0,7
|
164,96
|
697,1
|
0
|
0,7
|
164,96
|
675,5
|
156,53
|
647,29
|
|
ПНД4
|
0,505
|
300
|
3064,2
|
0,47
|
149,53
|
630,1
|
3
|
2,3
|
146,55
|
633,3
|
146,53
|
618,4
|
|
ПНД3
|
0,235
|
240
|
2949,55
|
0,22
|
123,37
|
516,6
|
3
|
2,4
|
120,27
|
506,4
|
100,82
|
424
|
|
ПНД2
|
0,087
|
140
|
2757,56
|
0,081
|
93,82
|
393
|
3
|
2,5
|
90,82
|
382,3
|
62,34
|
263
|
|
ПНД1
|
0,017
|
56
|
2604
|
0,016
|
55,34
|
236,93
|
3
|
2,6
|
52,34
|
221,3
|
52,34
|
219,04
|
|
К
|
0,0034
|
26,2
|
2549
|
0,00316
|
25,178
|
105,5
|
0
|
0,0034
|
28,178
|
109,78
|
-
|
-
|
Расчёт тепловой схемы
Составляем уравнения тепловых балансов ПВД,
последовательное решение которых позволяет определить расходы пара
регенеративных отборов на ПВД.
. Расход пара D1 на ПВД1.
. Расход пара D2 на ПВД2.
3. Расход пара D3 на ПВД3.
. Расход пара Dд на деаэратор.
. Расход пара D5 на ПНД5.
. Расход пара D6 на ПНД6.
электрический станция
распределительный генератор
7. Расход пара D7 на ПНД7.
. Расход пара D8 на ПНД8.
Проверка материального баланса по
пару и воде:
Пропуск пара в конденсатор турбины:
Погрешность материального баланса:
Так как расхождение не более 5%
баланс сошелся.
Расчет электрической мощности
турбоустановки.
Определим использованные
теплоперепады в отсеках турбин:
где
состояние пара на входе в отсек;
состояние пара на выходе из отсека.

Расходы пара через отсеки турбины:
270,8 кг/с;
270,8-19,64=251,16 кг/с;
251,16-17,9=233,26 кг/с;
233,26-19,17=214,09 кг/с;
217,09-1,66=212,43кг/с;
212,43-9,43=203 кг/с;
203-10,03=182,94 кг/с;
182,94-10,9=172,04 кг/с;
172,04-8,82=163,22 кг/с.
Внутренняя мощность, развиваемая
потоком пара в отсеках турбины:
212,4 ×270,8=57,5 МВт;
132,3×251,16=33,2 МВт;
181,8× 233,26=42,4 МВт;
110,32× 214,09=23,6МВт;
188,5×212,43=40,0 МВт;
114,65×203=23,3 МВт;
191,99×182,94=35,12 МВт;
153,56 ×172,04=26,42
МВт;
55 × 163,22=8,9 МВт.
Внутренняя мощность турбоагрегата
, МВт:
.
Электрическая мощность
турбогенератора
, МВт:
=292,8 × 0,98 × 0,98=281,2.
1.2 Выбор основного и вспомогательного
оборудования КЭС
Выбор парового котла.
Паропроизводительность парового котла, т/ч:
По параметрам пара и виду топлива
принимаем к установке котел типа: Пп-1000-255ГМ.
|
Маркировка
по ГОСТу
|
Маркировка
заводская
|
Паропроизводительность,
т/ч
|
Температура
пара свежего / вторичного перегретого, °С
|
Топливо
|
|
Пп-1000-255ГМ
|
ТГМП-344СО
|
1000
|
545/545
|
Газ
и мазут
|
Выбор питательного насоса.
Питательные насосы выбираем на подачу
питательной воды при максимальной мощности установки с запасом 5 %:
Типоразмер питательного электронасоса выбираем
по производительности и напору.
Выбираем марку ПЭ 600-300-, количество 2 штуки.
|
Марка
|
Перекачиваемая
среда, °C
|
Подача,
м3/ч
|
Напор,
м
|
Частота
вращения, об/мин
|
Мощность
двигателя, кВт
|
КПД,
%
|
|
ПЭ
600-300
|
вода,
до 165
|
580
|
2030
|
2985
|
5000
|
81
|
Питательный турбонасос выбираем марки ПТНА
1100-350-24-3, количество 1 штука.
|
Типоразмер
|
Давление
на входе в насос, кгс/см2, не менее
|
Частота
вращения, об/мин
|
Мощность
двигателя, кВт
|
Давление
пара в котле, кгс/см2
|
|
ПТНА
1100-350-24-3
|
15
|
6000
|
12500
|
255
|
Выбор конденсатного насоса.
Конденсаторные насосы выбираем по напору и
производительности:
Выбираем конденсатный насос 1 подъема марки
КсВ500-85-1 (3 шт.).
Выбираем конденсатный насос 2 подъема марки
КсВ500-220 (3 шт.).
|
Марка
насоса
|
Подача,
м³/ч
|
Напор,
м
|
Мощность,
кВт
|
Частота,
об/мин
|
|
КсВ500-85-1
|
500
|
85
|
200
|
985
|
|
КсВ500-220
|
500
|
220
|
500
|
1480
|
Выбор циркуляционного насоса.
Циркуляционный насос выбирается по расходу
охлаждающей воды на один блок:
|
Типоразмер
|
Подача
м3/ч
|
Напор,
м
|
Частота
вращения, об./мин
|
Мощность
насоса, кВт
|
КПД
%
|
|
ОПВ10-145
|
33500
|
17
|
365
|
2150
|
86
|
Выбор деаэратора.
Типоразмер деаэратора питательной воды
определяем по давлению греющего пара и максимальному расходу питательной воды
на электростанции. Необходимый объем деаэраторного бака Vб, который способен
обеспечивать 5-10-минутнию работу паротурбинной установки определяем из
выражения, м3:
Выбираем деаэратор марки ДП-1000/65
(1шт).
|
Марка
деаэратора
|
Производи-тельность,
т/ч
|
Давление,
МПа
|
Полезная
вместимость, м3
|
Среда
|
|
ДП-1000/65
|
1000
|
0,7
|
65
|
Вода,
пар
|
Выбор вентилятора и дымососа.
Производительность вентилятора:
|
Газопровод
|
Объем
воздуха, ,
м3/м3Объем продуктов сгорания, , м3/м3Удельная теплота сгорания, , кДж/кг
|
|
|
|
Бухара
- Урал
|
9,54
|
10,72
|
36170
|
Выбираем вентилятор марки ВДН-25-2 2 штуки.
|
Типоразмер
|
Производительность
тыс. м3/ч
|
Давление,
кПа
|
Мощность
двигателя кВт
|
Частота
вращения об/мин
|
Масса
без эл. двиг., т
|
Максимальный
КПД
|
|
ВДН-25-2
|
520
|
8
|
1320
|
1000
|
268
|
86
|
- Выбор дымососа
Выбраны два дымососа типа ДОД-31,5 2
штуки.
|
Типоразмер
|
Производительность
тыс. м3/ч
|
Давление,
кПа
|
Мощность
двигателя кВт
|
Частота
вращения об/мин
|
Масса
без эл. двиг., т
|
Максимальный
КПД
|
|
ДОД-31,5
|
750
|
3
|
790
|
500
|
50,7
|
82,5
|
Высота дымовых труб.
Высота дымовых труб ведется по расходу топлива
при максимальной электрической и тепловой нагрузке электростанции при средней
температуре наиболее холодного месяца.
2. Электрическая часть
.1 Выбор типа и конструкции синхронных
генераторов
На электростанции для выработки электроэнергии
используются трехфазные синхронные генераторы. Мощность генераторов выбирается
в соответствии мощности турбин, установленных на станции.
Исходя из условия:
Рнг ≥Рнт
где Рнг - номинальная активная мощность
генератора, МВт;
Рнт - номинальная активная мощность турбины,
МВт.
В соответствии с заданием на станции устанавливаются
турбины:
тип 8×К-300-240
Параметры: турбина К-300-240 - конденсационная,
Рном=300 МВт.
Выбираем для турбины турбогенераторы: для К-800
- ТГВ-300-2УЗ.
Основные данные выбранных генераторов занесены в
табл. 1.
Таблица 1. Основные параметры генераторов
|
Тип
генератора
|
Sном.,
МВА
|
Сos
φ
|
Iном,
кА
|
Uном.,
кВ
|
Ном.
частота вращения, об/мин
|
, о.е.Iст,
кАU ст, кВСистема возбужденияОхлаждение обмоток статораОхлаждение обмоток
ротора
|
|
|
|
|
|
|
ТГВ-300-2У3
|
353
|
0,85
|
10.2
|
15.75
|
3000
|
0,195
|
10.2
|
20
|
ТН,ТС,
БЩ
|
НВ
|
НВ
|
ТГВ-300-2УЗ - турбогенератор с водородным
форсированным охлаждением. Генератора статор имеет косвенное водородное
охлаждение, а ротор - непосредственное водородное, когда водород подается
внутрь полых проводников со стороны торцевой части ротора.
Переводим графики нагрузок из относительных
единиц в абсолютные (МВт):
Рис. 1. Суточный график выработки активной
мощности генераторами КЭС
Рис. 2. Суточный график потребления активной
мощности по сети 220 Кв
Определим долю выработки электроэнергии каждым
генератором КЭС:
Рис. 3. Суточный график выработки активной
мощности турбиной К-300
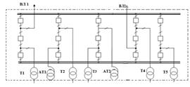
2.2 Разработка вариантов структурных схем КЭС
.2.1 Общие принципы при разработке структурной
схемы
Структурная схема ГРЭС зависит от единичной и
суммарной мощности агрегатов и от соотношения суммарной генераторной мощности и
минимальной мощности местной нагрузки.
При наличии нагрузки структурная схема
выполняется с автотрансформаторами связи.
.2.2 Характеристика предлагаемых вариантов схемы
проектируемой электроустановки
Рис. 4. Структурная схема КЭС (1 вариант).
Рис. 5. Структурная схема КЭС (2 вариант).
Рис. 6. Структурная схема КЭС (3вариант).
Рис. 6. Структурная схема КЭС (4 вариант).
Рис. 7. Структурная схема КЭС (5 вариант).
Рис. 8. Структурная схема КЭС (6 вариант).
Рис. 9. Структурная схема КЭС (7 вариант).
Рис. 10. Структурная схема КЭС (8 вариант).
Рис. 11. Структурная схема КЭС (9 вариант).
Рис. 12. Структурная схема КЭС (10 вариант).
Разработаны 10 вариантов схем. Во всех вариантах
принята блочная схема подключения генераторов к сборным шинам высокого и
среднего напряжения: генератор- повышающий трансформатор. во всех вариантах
связь между РУ высокого и среднего напряжения выполнена 2-мя
автотрансформаторными связи.
Распределение блоков по шинам высокого
напряжения следующая:
В 1 варианте к шинам высокого напряжения
подключены 4 блока отходящих линий 2, к шинам среднего напряжения 4 блока
отходящих линий 6.
Во 2 варианте к шинам высокого напряжения
подключены 5 блоков отходящих линий 2, к шинам среднего напряжения 3 блока
отходящих линий 6.
В 3 варианте к шинам высокого напряжения
подключены 6 блоков отходящих линий 2, к шинам среднего напряжения 2 блока
отходящих линий 3. Дефицит мощности что приводит к значительному перетоку
мощности и необходимости выбора мощных АТС.
В 4 варианте к шинам высокого напряжения
подключены 3 блока отходящих линий 2, к шинам среднего напряжения 5 блока
отходящих линий 6.На шинах среднего напряжения значительный избыток мощности.
В 5 варианте к шинам высокого напряжения
подключены 2 блока отходящих линий 2, к шинам среднего напряжения 6 блока
отходящих линий 9.
В 6 варианте к шинам высокого напряжения
подключены 2 укрупненных блока отходящих линий 2, к шинам среднего напряжения 2
укрупненных блока отходящих линий 6. На шинах среднего напряжения значительный
избыток мощности.
В 7 варианте к шинам высокого напряжения
подключен 1 укрупненный блок отходящих линий 2, к шинам среднего напряжения 3
укрупненных блока отходящих линий 9.Применение укрупненных блоков снижает
стоимость силовых трансформаторах и их количество, и упрощает схему РУ, но
такая структурная схема целесообразна при большом количестве блоков (10-12).
В 8 варианте к шинам высокого напряжения
подключены 3 укрупненных блока отходящих линий 2, к шинам среднего напряжения 1
укрупненный блок отходящих линий 1. Применение укрупненных блоков снижает
стоимость силовых трансформаторах и их количество, и упрощает схему РУ, но
такая структурная схема целесообразна при большом количестве блоков (10-12).
В 9 варианте к шинам высокого напряжения
подключены 2 укрупненных блока отходящих линий 2, к шинам среднего напряжения 2
укрупненных и 2 блока отходящих линий 6. Применение укрупненных блоков снижает
стоимость силовых трансформаторах и их количество, и упрощает схему РУ, но
такая структурная схема целесообразна при большом количестве блоков (10-12).
В 10 варианте к шинам высокого напряжения
подключены 2 блока и 2 укрупненных блока отходящих линий 2, к шинам среднего
напряжения 2 укрупненных блока отходящих линий 6. Применение укрупненных блоков
снижает стоимость силовых трансформаторах и их количество, и упрощает схему РУ,
но такая структурная схема целесообразна при большом количестве блоков (10-12).
Вывод: на основании технического анализа
вариантов схем для дальнейшего рассмотрения принимаем варианты 1 и 2.
.2.3 Выбор силовых трансформаторов и
автотрансформаторов
Выбор трансформаторов для схемы 1:
,
МВА (2)
Для
:
МВА
(Для газовой станции на СН сост-т
5%.
на высокое (500) ТДЦ 400000/500
на среднее (220) ТДЦ 400000/220
Выбор автотрансформаторов связи для
схемы 1:
Автотрансформаторы связи
выбираются
по 4 расчетным режимам:
Нормальный
режим зимой:
МВА
МВА
МВА
МВА
МВА
Нормальный
режим летом:
МВА
МВА
МВА
МВА
МВА
Авария
в системе летом:
МВА
МВА
МВА
МВА
МВА
Отключение
одного блока зимой от РУ: ф. напряжения (220кВ)
МВА
МВА
МВА
МВА
МВА
По максимальной мощности
(аварии в
системе летом) выбираем автотрансформаторную группу из 3-х однофазных
автотрансформаторов АОДЦН-267000/500/220
Выбор автотрансформаторов для схемы
2:

(3)
) Нормальный режим
зимой:
МВА
МВА
МВА
МВА
МВА
)
Нормальный режим летом:
МВА
МВА
МВА
МВА
МВА
)
Авария в системе летом:
МВА
МВА
МВА
МВА
МВА
)
Отключение одного блока зимой от РУ ср. напряжения
МВА
МВА
МВА
МВА
МВА
По максимальному перетоку
авария
система летом выбираем группу автотрансформаторов типа:3 АOДЦТН-167000/500/220
Основные параметры трансформаторов
приведены в табл. 2.
Таблица 2. Основные параметры трансформаторов
|
Тип
трансформатора
|
Sном.,
МВ А
|
Напряжения
обм., кВ
|
Потери,
кВт
|
, %Iхх , %
|
|
|
|
ВН
|
СН
|
НН
|
Рхх
|
Рк
|
ВН-СН
|
ВН-НН
|
СН-НН
|
|
|
ТДЦ-400000/500
|
400
|
525
|
|
13,8;15,75;20
|
315
|
790
|
|
13
|
|
0,45
|
|
ТДЦ
-400000/220
|
400
|
242
|
-
|
15,75:13,8;20;21
|
330
|
880
|
-
|
11
|
-
|
0,4
|
|
3*АОДЦТН
167000/500/220
|
500/3
|
220/3
|
10,5;13,,8;15,95;20
|
90
|
315
|
11
|
35
|
21,5
|
0,25
|
|
3*АОДЦТН
267000/500/220
|
267
|
500/3
|
220/3
|
10,5;13,,8;15,95;20
|
125
|
470;115;95
|
11,5
|
37
|
23
|
0,25
|
Типы выбранных трансформаторов и
автотрансформаторов по вариантам сведем в табл. 3.
Таблица 3. Типы выбранных трансформаторов и
автотрансформаторов по вариантам
|
Вариант
1
|
Вариант
2
|
|
ТДЦ-
400000/500
|
Т5,Т6,Т7,Т8
|
Т4,Т5,Т6,Т7,Т8
|
|
ТДЦ
-400000/220
|
Т1,Т2,Т3,Т4
|
Т1,Т2,Т3
|
|
3*АОДЦТН-267000/500/220
|
АТC1
, АТC2
|
-
|
|
3*АОДЦТН
167000/500/220
|
-
|
АТC1
, АТC2
|
.2.4 Технико-экономическое сравнение вариантов
схем
Для каждого варианта структурной схемы
проектируемой электростанции определяют: капиталовложения, потери энергии в
трансформаторах, и ущерб. Затем на основании этих основных показателей
вычисляют значение приведенных затрат З, по которому мы можем дать оценку
экономичности и надежности сопоставляемых вариантов структурной схемы.
Технико-экономический расчет заключается в
нахождении расчетных приведенных затрат:
З=
К+И+У (тыс. руб.),
где К - капиталовложения в
трансформаторы, автотрансформаторы и ячейки РУ;
И - издержки на обслуживание и
амортизацию и потери в силовых трансформаторах;
У - ущерб от недоотпуска
электроэнергии.
Расчет капиталовложений для схемы 1:
Рис. 12. Структурная схема КЭС (1 вариант).
Рассчитаем капиталовложения в трансформаторы и в
автотрансформаторы:
тыс. руб.
с учетом инфляции
Рассчитаем капиталовложения в РУ:
тыс. руб.
тыс. руб.
8768000 тыс. руб.
Расчет издержек для схемы 1:
- издержки на обслуживание КЭС.
- амортизационные издержки.
- издержки на потерю электроэнергии
в трансформаторах и автотрансформаторах.
175360 тыс. руб.
561152 тыс. руб.
, тыс. руб.
Рассчитаем
для
автотрансформаторов:
Рассчитаем
для
трансформаторов
:
Рис. 13. Графики нагрузок
трансформаторов
Рассчитаем
для
трансформаторов
:
Потери во всех трансформаторах:
Суммарные издержки:
790812тыс. руб.
Ущерб от недоотпуска электроэнергии:
Для
:
Для
:
Для
:
ч.
Тогда:
З= 0,12К+И+У
Расчет капиталовложений для схемы 2:
Рис. 14. Структурная схема КЭС (2 вариант)
Капиталовложения в трансформаторы и в
автотрансформаторы:
тыс. руб.
тыс. руб.
Капиталовложения в РУ:
тыс. руб.
тыс. руб.
8560000 тыс. руб.
Расчет издержек для схемы 2:
- издержки на обслуживание КЭС.
- амортизационные издержки.
- издержки на потерю электроэнергии
в трансформаторах и автотрансформаторах.
171200тыс. руб.
547840тыс. руб.
, тыс. руб.
Рассчитаем
для
автотрансформаторов:
Рассчитаем
для
трансформаторов
:
Рис. 15. Графики нагрузок
трансформаторов
Рассчитаем
для
трансформаторов
:
Потери во всех трансформаторах:
Суммарные издержки:
271900тыс. руб.
Ущерб от недоотпуска электроэнергии:
Для
Для
:
Для
:
ч.
Тогда:
Таблица 4. Результаты технико-экономического
расчета.
|
Вариант
1
|
Вариант
2
|
|
Капиталовложения
К, тыс.руб
|
8768000
|
8560000
|
|
Ущерб
тыс.руб
|
26974
|
27760
|
|
Издержки,
тыс.руб/год
|
790812
|
764960
|
|
Приведенные
затраты, тыс.руб/год, %
|
1869946
103%
|
1819420
100%
|
Вывод: Для дальнейшего расчета выбираем схему
2,потому что экономичнее на 3%.
2.3 Выбор схем распределительных устройств
В соответствии с нормами технологического
проектирования выбираем схемы РУ на стороне ВН 500кВ 2 варианта схем: схема
КРУЭ 3/2 и КРУЭ 4/3. В РУ 500кВ количество присоединений: 2ВЛ+2АТ+5Т=9
присоединений.
Рассмотрим два варианта схем:
Рис. 16. схема на 500 кВ КРУЭ 3/2
Рис. 17. схема на 500 кВ РУ 4/3
Для дальнейшего рассмотрения выбираем более
экономичную схему...
На напряжении 220кВ выбираем схемы:
КРУЭ две рабочие СШ.
В схеме РУ 220 кВ количество присоединений:
ВЛ+2АТ+3 Т=11 присоединений.
.4 Разработка схемы собственных нужд
Основные напряжения в системе собственных нужд
составляют 6,3 и 0,4 кВ. Нагрузка собственных нужд газомазутного блока 300 МВт.
Подсчет блочной нагрузки С.Н. 6 кВ РЭС 8х300 МВт
(на газе)
|
Назначение
механизмов и понижающих трансформаторов
|
Расчетная
мощность на валу механизмов, кВт
|
Всего
на блок300 МВт, шт
|
Нагрузка
в норм. Режиме, кВт
|
Нагрузка
при пуске с ТПН, кВт
|
|
|
присоединение
|
длительно
работает
|
секции
|
количество
присоединени
|
Расчетная
мощность
|
секции
|
|
|
|
|
А
|
Б
|
|
|
А
|
Б
|
|
Бустерный
насос
|
352
|
4
|
3
|
704
|
704
|
1
|
360
|
360
|
-
|
|
Конденсатный
насос турбины 1 ступени
|
385
|
2
|
1
|
585
|
585
|
1
|
373
|
-
|
373
|
|
Конденсатный
насос турбины 2 ступени
|
1160
|
2
|
1
|
1160
|
1160
|
1
|
745
|
745
|
-
|
|
Сливной
насос ПНД
|
145
|
2
|
1
|
145
|
145
|
-
|
-
|
-
|
-
|
|
Насос
системы регулирования
|
168
|
1
|
-
|
168
|
-
|
-
|
-
|
-
|
-
|
|
циркуляционный
насос
|
1250
|
2
|
2
|
1250
|
1250
|
1
|
1300
|
-
|
1300
|
|
Дутьевой
вентилятор
|
1670
|
4
|
4
|
1670
|
1670
|
1
|
705
|
-
|
705
|
|
дымосос
|
2250
|
4
|
4
|
2250
|
2250
|
1
|
1000
|
1000
|
-
|
|
Питательный
насос(ПЭН)
|
7600
|
1
|
1
|
-
|
-
|
-
|
-
|
-
|
-
|
|
Трансформатор
главного корпуса
|
1000
|
4
|
3
|
2000
|
2000
|
2
|
2000
|
1000
|
1000
|
|
Трансформатор
электрофильтров
|
1000
|
2
|
2
|
1000
|
1000
|
-
|
-
|
-
|
-
|
|
Итого.
|
-
|
-
|
-
|
10932
|
10764
|
-
|
-
|
-
|
-
|
Подсчет общестанционной нагрузки с.н. (ОСН) 6 кВ
РЭС 8х300 Мвт (на газе)
|
Оборудование
|
Расчетная
мощность на валу механизмов и понижающих трансформаторов, кВт
|
Всего
на блок300 МВт, шт
|
Общая
мощность, кВт
|
Нагрузка
при наличии одного первого блока
|
|
|
присоединение
|
длительно
работает
|
|
количество
присоединени
|
Расчетная
мощность
|
|
|
|
|
|
|
|
|
Противопажарный
насос
|
250
|
2
|
1
|
500
|
2
|
1000
|
|
Багерный
насос
|
270
|
8
|
4
|
2160
|
2
|
540
|
|
Трансформатор
ОСН
|
630
|
4
|
2520
|
2
|
1260
|
|
Трансформатор
ОРУ
|
630
|
3
|
2
|
1890
|
2
|
1260
|
|
Трансформатор
ЦРМ и материального склада
|
1000
|
3
|
3
|
3000
|
1
|
1000
|
|
Трансформатор
топливоподачи
|
1000
|
6
|
4
|
6000
|
2
|
2000
|
|
Трансформатор
ХВО
|
1000
|
3
|
2
|
3000
|
2
|
2000
|
|
Насос
сетевой воды
|
275
|
4
|
3
|
1100
|
2
|
550
|
|
Насос
смывной воды низконапорный
|
250
|
4
|
2
|
11000
|
2
|
500
|
|
Насос
кислотной промывки (работает переодически)
|
3150
|
2
|
-
|
6300
|
2
|
6300
|
|
Мазутонасос
второго подъема
|
350
|
2
|
1
|
700
|
2
|
700
|
|
Насос
осветленной воды
|
710
|
3
|
2
|
2130
|
2
|
1420
|
|
Итого
Р9, кВт
|
-
|
-
|
-
|
40300
|
-
|
18530
|
|
Расчетная
нагрузка Р10= 0,9Р9 кВА
|
-
|
-
|
-
|
36270
|
-
|
-
|
|
Расчетная
нагрузка Р11= 0,4Р9 кВА
|
-
|
-
|
-
|
-
|
-
|
7412
|
|
|
|
|
|
|
|
|
Рабочее питание собственных нужд осуществляется
с выводов генераторов блоков. Количество рабочих ТСН - по 1 на блок (8 ТСН),
мощность ТСН выбирается исходя из нагрузки собственных нужд (блочной и
общестанционной), нагрузка составляет 29,8 МВА Выбираем трансформатор
трехфазный с расщепленной обмоткой низкого напряжения (для ограничения тока КЗ)
на генераторное напряжение 20кВ и низкое 6,3кВ ТРДНС-32000/35. Данные
трансформаторов приведены в таблице. Выбираем трансформатор второй ступени на
6,3кВ мощностью 1кВА ТМ-1000/10. Для резервного питания выбираем РТСН
(поскольку установлены генераторные выключатели), количество резервных
трансформаторов 2 (по 2 на 4 блока). Резервные трансформаторы подключены: один
на сборные шины 220 кВ, второй к обмотке низкого напряжения автотрансформаторов
связи. Мощность РТСН при наличии генераторного выключателя, берется равной
рабочему ТСН 32 МВА, выбираем трансформаторы ТРДН-32000/220 подключенный к
шинам 220 кВ и низким напряжением 6,3кВ. Второй РТСН-2 ТРДН-32000/35 подключаем
к обмотке НН автотрансформаторам связи.
Основные данные трансформаторов приведены в
таблице 5.
Таблица 5. Основные данные трансформаторов
собственных нужд
|
Тип
трансформатора
|
Sном,
кВА
|
Uвн,
кВ
|
Uнн,
кВ
|
Рх,
кВт
|
Рк,
кВт
|
Uк,
%
|
|
ТРДНС
32000/35
|
32000
|
20
|
6,3
|
29
|
145
|
12,7
|
|
ТМ
1000/10
|
1000
|
6
|
0,4
|
2,45
|
11
|
5,5
|
|
ТРДН
32000/220
|
32000
|
230
|
6,3
|
45
|
150
|
11,5
|
Схема собственных нужд.
2.5 Расчет токов трехфазного короткого замыкания
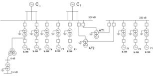
Рис. 20 Расчетная схема электроустановки
Рис. 21 Схема замещения электроустановки
Производим расчет сопротивлений в
о.е., относительно базовой мощности
:
Расчет токов КЗ относительно т. К 1 500 кВ:
Рис. 22
Таблица 6
|
Точка
КЗ
|
К1
|
|
Базовая
мощность, 1000
|
|
|
Uср,
кВ
|
515
|
|
Источники
|
С1,2
|
8G
|
|
Рез.
сопротивление, о.е.
|
0,13
|
0.12
|
|
1,12
|
|
|
Е
|
1,00
|
1,13
|
|
8,7710.73
|
|
|
|
11,22,69
|
|
|
|
0,783.98
|
|
|
|
0,06
|
|
|
0,850,9
|
|
|
|
7,459.65
|
|
|
|
1,851,974
|
|
|
|
0,060,388
|
|
|
|
19,4914.78
|
|
|
|
0,360,86
|
|
|
|
4,4213.05
|
|
|
Расчет токов КЗ относительно т. К2:
Рис. 23
Таблица 7
|
Точка
КЗ
|
К2
|
|
Базовая
мощность, 1000
|
|
|
Uср,
кВ
|
220
|
|
Источники
|
С+5G
|
3G
|
|
Рез.
Сопротивление, о.е
|
0.34
|
0.17
|
|
2,62
|
|
|
Е
|
1,0
|
1,13
|
|
7.717.4
|
|
|
|
30,742,4
|
|
|
|
0,257.25
|
|
|
|
0,054
|
|
|
1,000,80
|
|
|
|
7.713.92
|
|
|
|
1,7171,974
|
|
|
|
0,030,388
|
|
|
|
18.7 48.5
|
|
|
|
0,220,89
|
|
|
|
2.3721.6
|
|
|
Расчет токов КЗ относительно т. К3:
Рис. 24
Таблица 8
|
Точка
КЗ
|
К3
|
|
Базовая
мощность, 1000
|
|
|
Uср,
кВ
|
20
|
|
Источники
|
С+7G
|
1G
|
|
Рез.
Сопротивление, о.е
|
0,40
|
0.55
|
|
36.7
|
|
|
Е
|
1,0
|
1,13
|
|
91.575.4
|
|
|
|
355,88.8
|
|
|
|
0,258.56
|
|
|
|
0,03
|
|
|
1,000,90
|
|
|
|
91.561.07
|
|
|
|
1,6081,974
|
|
|
|
0,020,388
|
|
|
|
205.9208.37
|
|
|
|
0,170,91
|
|
|
|
2296.06
|
|
|
Расчет токов КЗ относительно т. К4:
Рис. 24
Таблица 9
|
Точка
КЗ
|
К4
|
|
Базовая
мощность, 1000
|
|
|
Uср,
кВ
|
6,3
|
|
Источники
|
С+G
|
|
Рез.
Сопротивление, о.е
|
9,46
|
|
93,4
|
|
|
Е
|
1,0
|
|
9,8
|
|
|
1157.7
|
|
|
0,008
|
|
|
0,035
|
|
|
1,00
|
|
|
9,8
|
|
|
1,82
|
|
|
0,05
|
|
|
24,97
|
|
|
0,49
|
|
|
6,72
|
|
Ток подпитки от двигателя.
Таблица 10. Итоговая таблица результатов
расчетов токов трехфазного КЗ
|
Точка
КЗ
|
Uср,
кВ
|
Источник
|
Токи
трехфазного КЗ, кА
|
|
|
|
Iп0,
кА
|
Iпτ, кА
|
iаτ, кА
|
iу,
кА
|
√2·Iпτ + iаτ, кА
|
|
К
- 1
|
500
|
ΣС, Г1-8
|
19.5
|
17.1
|
17.47
|
24.27
|
41.41
|
|
К
- 2
|
220
|
ΣС,Г1-8
|
25.7
|
21.6
|
67.2
|
23.97
|
97.74
|
|
К
- 3
|
20
|
Г1
|
75.4
|
61.07
|
96.06
|
208.37
|
181.5
|
|
|
ΣС,Г2-8
|
91.5
|
91.5
|
22
|
205.9
|
151.4
|
|
К-4
|
6,3
|
С
|
9,8
|
9,8
|
6,72
|
24,97
|
20,44
|
|
|
Двигатели
|
10,15
|
2,43
|
1,16
|
23,44
|
4,46
|
2.6 Выбор аппаратов и проводников
.6.1 Выбор коммутационных аппаратов
Рис. 26
Выбор выключателя В1 и разъединителя Р1 в цепи
высокого напряжения 500 кВ блока с генератором ТГВ-300-2УЗ
Расчетные токи продолжительного режима в цепи
блока генератор-трансформатор определяются по наибольшей электрической мощности
генератора ТГВ-300-2УЗ
НОРМ = IMAX = SНГ/ (√3*UВН) =353*103/(√3*500)
= 415,3А
Расчетные токи КЗ принимаются по пункту 3, точка
КЗ-1 с учетом того, что все цепи на стороне ВН проверяются по суммарному току
КЗ на шинах:
П0 =19.5 кА; iУД = 19,9 кА; Iпτ
=7,85
кА; iаτ
= 4,46
кА.
Тепловой импульс:
ВК= IП02*(tОТКЛ+ТА)= 19.52*(0,15+0,45)=
228.15кА2с,
где tОТКЛ= 0,1+tСВ = 0,1+0,05 = 0,15 сек.
Выбран по справочнику элегазовая ячейка ЯЭУ-500
Расчетные и справочные данные приведены в
таблице.
Таблица 11. Расчетные и справочные данные
|
Расчетные
данные
|
Справочные
данные
|
|
ЯЭУ-500
|
|
UУСТ=500
кВ
|
UH=500
кВ
|
|
IMAX
=415,3А
|
IН=3150А
|
|
Iпτ = 17.1 кА
|
IОТКЛ=50
кА
|
iан
=√2* IОТКЛ*β/100
= √2*50*50/100=
35 кА
|
|
IП0
=19.5 кА
|
IДИН
= 50 кА
|
|
iУД
= 24.27 кА
|
-
|
|
ВК=
228.15 кА2с
|
IT2*tT=502*3=7500
кА2с
|
|
Условия
выполняются
|
Выбор выключателя В2 и разъединителя Р2 в цепи
среднего напряжения 220 кВ блока с генератором ТГВ-300-2УЗ. Расчетные токи
продолжительного режима в цепи блока генератор-трансформатор определяются по
наибольшей электрической мощности генератора ТГВ-300-2УЗ (353МВА):
НОРМ = IMAX = SНГ/ (√3*Uсн) =353*103/(√3*220)
= 943,85А
Расчетные токи КЗ принимаются по пункту 3, точка
КЗ-2 с учетом того, что все цепи на стороне СН проверяются по суммарному току
КЗ на шинах:
П0 =25.1; iУД =67.2 кА; Iпτ
=21.6кА; iаτ =23.97 кА.
Тепловой импульс:
ВК= IП02*(tОТКЛ+ТА)= 20.4*(0,155+0,41)= 352.8
кА2с,
где tОТКЛ= 0,1+tСВ = 0,1+0,055 = 0,155 сек.
Выбран по справочнику элегазовая ячейка ЯЭГ-220.
Расчетные и справочные данные приведены в
таблице .
Таблица 12. Расчетные и справочные данные
|
Расчетные
данные
|
Справочные
данные
|
|
ЯЭГ-220
|
|
UУСТ=220
кВ
|
UH=
220 кВ
|
|
IMAX
=943,15А
|
IН=
3150А
|
|
Iпτ = 21.6 кА
|
IОТКЛ=
50 кА
|
|
iаτ = 23.97кА
|
iан
=√2* IОТКЛ*β/100
= √2*50*50/100=35
кА
|
|
IП0
=25.1 кА
|
IДИН
= 50 кА
|
|
iУД
= 67.2 кА
|
iДИН
= 125 кА
|
|
ВК=
352.8кА2с
|
IT2*tT=502*3=7500
кА2с
|
|
Условия
выполняются
|
Выбор выключателя В3 и разъединителя Р3 в цепи
генераторного напряжения 20 кВ блока с генератором ТГВ-300-2УЗ
Расчетные токи продолжительного режима в цепи
блока генератор-трансформатор определяются по наибольшей электрической мощности
генератора ТВГ-300-2У3 (353МВА):
НОРМ = IMAX = SНГ/ (√3*UГН) = 353*103/(√3*20)
= 10382,35А
Расчетные токи КЗ принимаются по пункту 3, точка
КЗ-3 с учетом того, что в цепи генератора аппараты выбираются по наибольшему
току КЗ:
П0 =91.5кА; iУД =205.9 кА; Iпτ
=91.5кА; iаτ = 96.08 кА.
Тепловой импульс:
ВК= IП02*(tОТКЛ+ТА)= 481.42*(0,25+0,38)= 5274.5
кА2с,
где tОТКЛ= 0,1+tСВ = 0,1+0,15 = 0,25 сек.
Выбран по [11] выключатель для внутренней
установки типа ВГГ-20(Выключатель элегазовый на UH=20 кВ, IОТКЛ=90 кА для
умеренного климата). Гидропривод.
Выбран по [Н] разъединитель для внутренней
установки типа РВПЗ-1-20/12500У3 (Разъединитель внутренней установки с
поступательным движением главных ножей с одним комплектом заземляющих ножей на
UH=20 кВ, IН=12500А умеренного климата).
Расчетные и справочные данные приведены в
таблице .
Таблица 13. Расчетные и справочные данные
|
Расчетные
данные
|
Справочные
данные
|
|
ВГГ-20
|
РВПЗ-1-20/12500У3
|
|
UУСТ=20
кВ
|
UH=
20 кВ
|
UH=
20 кВ
|
|
IMAX
=10382,35А
|
IН=
12000А
|
IН=
12500А
|
|
Iпτ = 61.07кА
|
IОТКЛ=
90 кА
|
-
|
|
iаτ = 22кА
|
iан
=√2* IОТКЛ*β/100
= √2*90*20/100=
25,4 кА
|
-
|
|
IП0
=91.5 кА
|
IДИН
= 125 кА
|
-
|
|
iУД
= 205.9 кА
|
iДИН
= 230 кА
|
iДИН
= 490 кА
|
|
ВК=
69523.27кА2с
|
IT2*tT=1052*4=
44100 кА2с
|
IT2*tT=1802*4=
129600 кА2с
|
|
Условия
выполняются
|
Выбор выключателя В4 в цепи ТРДНС- 32000/35
Расчетные токи продолжительного режима в цепи
трансформатора определяются по наибольшей электрической мощности трансформатора
ТРДНС- 32000/35 (32МВА):
НОРМ = IMAX = SНГ/ (√3*UГН) = 32/(√3*6,3)
= 116,1А
Расчетные токи КЗ принимаются по пункту 4:
П0 = 9,8 кА; iУД = 24,97 кА; Iпτ
=9,8 кА; iаτ =6,72 кА.
Тепловой импульс:
ВК= IП02*(tОТКЛ+ТА)= 9,82*(0,12+0,05)= 16,33
кА2с,
где tОТКЛ= 0,1+tСВ = 0,1+0,02 = 0,12 сек.
Выбран по [ ] выключатель для внутренней
установки типа ВВ/ТЕL10. Гидропривод.
Расчетные и справочные данные приведены в
таблице.
Таблица 14. Расчетные и справочные данные
|
Расчетные
данные
|
Справочные
данные
|
|
ВВ/ТЕL10
|
|
UУСТ=
6,3 кВ
|
UH=
35 кВ
|
|
IMAX
=116,1А
|
IН=
630А
|
|
Iпτ = 9,8 кА
|
IОТКЛ=
12,5кА
|
|
iаτ = 6,72кА
|
iан
=√2* IОТКЛ*β/100=
√2*12,5*50/100=8,8
кА
|
|
IП0
=9,8кА
|
IДИН
= 32 кА
|
|
iУД
= 24,97кА
|
iДИН
= 35 кА
|
|
ВК=
16,33кА2с
|
IT2*tT=32*3=3072
кА2с
|
|
Условия
выполняются
|
.6.2 Выбор проводников и изоляторов
Выбор сборных шин и ошиновки на напряжение 500
кВ и токоведущих частей в цепи генератора ТГВ-300-2УЗ
Таблица 15. Выбор ошиновки на напряжение 500 кВ
и в цепи генератора.
|
Условия
выбора и проверки
|
|
|
|
Условие
выбора IMAX<IДОП
|
По
току наиболее мощного присоединения - в трансформаторе ТЦ-400 в блоке с
генератором ТГВ-300-2УЗ (353МВА) IMAX = IНОРМ = SНГ/ (√3*UНОМ)=
353*103/(√3*500)= 407,6А
|
По
типу генератора ТГВ-300-2УЗ, UНОМ = 20 кВ IMAX = SНГ/ (√3*UНОМ*0,95)=
353*103/(√3*20*0,85)= 11988,5А
|
|
Тип
проводника, его параметры [Н]
|
три
провода в фазе 3АС-600/72 IДОП= 2130А d= 24 мм
|
ТЭКН-Е-20-12500-400
UНОМ = 20 кВ IНОМ = 10200А iДИН= 400 кА
|
|
Проверка
на схлестывание, электро-динамическую стойкость
|
не
производится, т.к. IП0 = 19.5 кА < 20 кА
|
iУ
< iДИН 24.27кА < 400 кА Условие выполняется
|
|
Проверка
шин на термическое действие токов КЗ
|
не
производится, т.к. шины выполнены голыми проводами на открытом воздухе.
|
не
производится
|
|
Проверка
по условиям коронирования 1,07Е<0,9Е0 ДСР=1,26Д= 1,26*300 = 378 мм.
|
Е0
= 30,3m*[1+(0,299/√r0)]; m=0,82 Е0 = 30,3*0,82*[1+(0,299/√1,66)]=
30,56 кВ/см Для трех проводах в фазе: Е= k*0,354*1,1UНОМ / /[n*r0*lg(ДСР /
rЭК)]= 1,14*0,354*1,1*500 / [2*1,66*lg(378/13,85)]= 25,6 кВ/см k=1+2*
r0/a= 1+2*1,66/40= 1,14 rЭК = (r0*a2)⅓ =
(1,66*40)⅓ = 13,85см. 1,07Е<0,9Е0
1,07*25,6 < 0,9*30,56 27,3 кВ/см < 27,54 кВ/см
|
не
производится
|
Таблица 16 Выбор ошиновки на напряжение 220 кВ
|
Тип
токопровода
|
Тип
генератора
|
Uном,
кВ
|
Iном,
А
|
iд,
кА
|
Тип
опорных изоляторов
|
Тип
ТТ
|
Тип
ТН
|
|
ТЭКН-Е-20-12500-400
|
ТГВ-300-2УЗ
|
20
|
10200
|
400
|
ОФР-20-500,
ШАГ-3000
|
ТШ-20-12000-5
|
ЗНОЛ-20
ЗНОЛ-1/20
|
Таблица 17. Выбор сборных шин на секции
собственных нужд 6 кВ
|
Условия
выбора и проверки
|
|
|
Условие
выбора IMAX<IДОП
|
По
току наиболее мощного присоединения - в трансформаторе ТДЦ-400 в блоке с
генератором ТГВ-300-2УЗ (353МВА) IMAX = IНОРМ = SНГ/ (√3*UНОМ)=
353*103/(√3*220)= 926,38А
|
|
Тип
проводника, его параметры [11]
|
два
провода в фазе АС-400/22 IДОП= 830А d= 26,6 мм r0= 1,47 см
|
|
Проверка
на схлестывание, электро-динамическую стойкость
|
не
производится, т.к. IП0 = 19.74кА < 20 кА
|
|
Проверка
шин на термическое действие токов КЗ
|
-
|
|
Проверка
по условиям коронирования 1,07Е<0,9Е0 ДСР=1,26Д= 1,26*400 = 504 мм.
|
Е0
= 30,3m*[1+(0,299/√r0)]; m=0,82 Е0 = 30,3*0,82*[1+(0,299/√1,47)]=
30,98 кВ/см Е= 0,354*1,1UНОМ / [r0*lg(ДСР / r0)]= 0,354*1,1*220 /
[0,84*lg(504/1,47)]= 22,94 кВ/см 1,07Е<0,9Е0 1,07*22,94 < 0,9*30,98
24,54 кВ/см < 27,88 кВ/см
|
ТРДНС 32000/35 - секция 6 кВ
ША 100х8, Iдоп =1625 А
в=8мм, h=100 мм, q=800 мм²
С учетом поправки на температуру
окружающего воздуха отличную от номинальной на 25º
Примем tокр=30ºС
· 0,943 = 156 А
Условие выполняется
Проверка на термическую стойкость
Условие выполняется
Проверка шин на электродинамическую
стойкость σрасч≤ σдоп
для алюминевых шин σдоп =700 кг/см²
кг·см
≤800
Условие выполняется
.6.3 Выбор измерительных трансформаторов тока и
напряжения
Выбор контрольно-измерительных приборов
Таблица 18. Контрольно-измерительные приборы.
|
Цепь
|
Место
установки приборов
|
Перечень
приборов
|
|
Турбогенератор
|
Статор
|
Амперметр
в каждой фазе, вольтметр, ваттметр, счетчик активной энергии, датчики
активной и реактивной мощности. Регистрирующие приборы: ваттметр, амперметр,
вольтметр.
|
|
Ротор
|
Амперметр,
вольтметр; вольтметр в цепи основного и резервного возбудителей.
Регистрирующий амперметр.
|
|
Блочного
трансформатор
|
ВН
|
Амперметр
|
|
НН
|
-
|
|
Автотрансформатора
связи
|
ВН
|
-
|
|
НН
|
Амперметр,
ваттметр и варметр с двусторонней шкалой
|
|
Трансформатора
собственных нужд
|
На
одну секцию
|
Со
стороны питания: амперметр, ваттметр, счетчик активной энергии
|
|
Сборных
шин собственных нужд
|
На
каждой секции
|
Вольтметр
для измерения междуфазного напряжения, вольтметр с переключением для
измерения трех фазных напряжений, частотомер, приборы синхронизации: два
частотомера, два вольтметра и синхроноскоп
|
|
Общие
приборы с переключением на любую секцию
|
Два
регистрирующих вольтметра для измерения междуфазных напряжений, два
частотомера
|
|
Шиносоединительного
выключателя
|
-------
|
Амперметр.
|
|
Обходного
выключателя
|
-------
|
Амперметр,
ваттметри варметр с двухсторонней шкалой, расчетные счетчики и фиксирующий
прибор.
|
|
Линии
220 кВ
|
-------
|
Амперметр,
ваттметр, варметр, фиксирующий прибор для определения места КЗ, счетчики
активной и реактивной мощности
|
|
Сборных
шин высшего напряжения
|
На
каждой шине
|
Вольтметр
с переключением для измерения трех фазных напряжений; регистрирующие приборы:
частотомер, суммирующий ваттметр; приборы синхронизации: два частотомера, два
вольтметра, синхроноскоп, осциллограф
|
|
Секционный
выкл.
|
-------
|
Амперметр
|
Рис. 27 Измерительные приборы в основных цепях
КЭС
Выбор трансформаторов тока.
В цепи генератора ТГВ-300-2УЗ
Iпрод.расч. =
Т.к. участок от выводов генератора
до вводов трансформатора выполнен комплектным токопроводом типа
ТЭКН-Е-20-12500-400выбираем встроенные трансформаторы тока ТШ-20-12000/5
Таблица 19.
Вторичная нагрузка трансформатора тока
|
Прибор
|
Тип
прибора
|
Нагрузка
от измерительных приборов в фазах, В·А
|
|
|
А
|
В
|
С
|
|
Вольтметр
показывающий, Варметр, Амперметр показывающий Расчетный счетчик Ваттметр
регистрирующий Амперметр регистрирующий Датчик активной мощности Датчик
реактивной мощности
|
Д
335 Д 335 Э 335 ЦЭ 6807Б-1 Н 3180 Н 344 Е 829 Е 830
|
0,5
0,5 0,5 2,5 10,0 --- 5,0 ---
|
---
--- 0,5 --- --- 10 --- 5,0
|
0,5
0,5 0,5 2,5 10,0 --- 5,0 ---
|
|
Итого:
|
|
19,0
|
15,5
|
19,0
|
Вторичная номинальная нагрузка в классе точности
0,5 составляет Z2ном.=1,2 Ом.
Таблица 20.Сравнение данных.
|
Расчетные
данные
|
Каталожные
данные
|
|
Uуст.=20кВ
Imax.= 10926,71А iу.=160,65 кА Вк =3683,4 кА2×с
|
Uном.
=20кВ Iном. =30000А не проверяется
|
Общее сопротивление приборов:
приб. = Sприб. ⁄ І²2
= 19,0 ⁄
25 = 0,76 Ом
сопротивление контактов примем 0,1 Ом, тогда
сопротивление соединительных проводов:
пр.= Z2ном. - Zприб. - rкон. = 1,2 - 0,76 - 0,1
= 0,34 Ом
Принимая длину соединительных проводов с медными
жилами 40 м;
q = ρ · lрасч. ∕
rпр. = 0,0175 ∙ 40 ∕ 0,34 = 2,06 мм²
принимаем контрольный кабель КРВГ с жилами
сечением 2,5 мм².
Приборы синхронизации и контроля состояния
изоляции подключаются к трансформатору напряжения кратковременно, поэтому их
можно не учитывать при подсчете нагрузки.
Таблица 21
Вторичная нагрузка трансформатора напряжения
|
Прибор
|
Тип
прибора
|
Нагрузка
ТН, ВА, включенная между фазами,
|
|
|
АВ
|
ВС
|
СА
|
|
Вольтметр
показывающий, Ваттметр показывающий, Ваттметр показывающий, Частотомер
показывающий, Вольтметр регистрирующий, Ваттметр регистрирующий, Счетчик,
Датчик активной мощности, Датчик реактивной мощности.
|
Э
- 335; Д - 335; Д - 335; Э - 371; Н - 344; Н - 3180; ЦЭ 6807Б-1 Е
-829; Е - 830;
|
---
1,5 1,5 --- --- 10,0 2,0 5,0 ---
|
---
1,5 1,5 --- --- 10,0 2,0 --- 5,0
|
2,0
--- --- 3,0 10,0 --- --- 5,0 ---
|
|
Итого:
|
20,0
|
20,0
|
20,0
|
В цепи генератора ТГВ-300-240 выбираем
трансформатор напряжения типа ЗНОЛ-20.
Таблица 22. Сравнение данных
|
Расчетные
данные.
|
Каталожные
данные.
|
|
Uсети
ном. = 20 кВ; S2 расч. = 20 ВА;
|
Uном.
= 24 кВ; S2 ном. = 75 ВА;
|
Для остальных ступеней напряжения принимаем к
установке ТН :
кВ марки НКФ - 500
кВ марки НКФ-220
2.7 Выбор режимов работы нейтрали в
электроустановках
В соответствии с ПУЭ на станции выбраны
следующие режимы работы нейтралей:
• В сетях 110 кВ и выше с глухим заземлением
нейтрали.
• В сетях 6 - 35 кВ применяются не заземляющие
нейтрали, сеть генераторного напряжения и трансформаторы собственных нужд
10,5/6,3.
• В сетях 0,4 кВ применяется глухо-заземленная
нейтраль.
.8 Разработка генерального плана проектируемой
электроустановки
Генеральный план (генплан) электростанции
представляет собой план размещения на основной производственной площадке
электростанции ее основных и вспомогательных сооружений.
Генплан электростанции включает следующие
производственные и подсобные здания, сооружения и устройства:
главный корпус с размещаемыми на открытом
воздухе , дымососами, дымовыми трубами, повышающими трансформаторами;
электрический щит управления, электрические
распределительные устройства закрытого и открытого типа;
устройства водоснабжения, топливного хозяйства ;
химическую очистку добавочной воды;
масляное хозяйство;
лаборатории и мастерские, склады оборудования и
материалов;
служебные помещения и др.
Районы сооружения тепловых электростанций
определяются народнохозяйственными планами, схемами развития энергосистем и
теплоснабжения.
Площадку для тепловой электростанции выбирают по
возможности ближе к потребителям электрической энергии, к месту добычи топлива
и источнику водоснабжения. Площадку электростанции располагают на землях, не
содержащих ценных ископаемых, малопригодных для сельского хозяйства, не
затапливаемых паводковыми водами реки, используемой для водоснабжения
электростанции. Площадка электростанции должна иметь достаточные размеры для
размещения всех необходимых ее сооружений и устройств. В зависимости от
мощности электростанции, ее агрегатов и энергоблоков требуемая площадь
составляет 0,04-0,06 га/МВт. Рельеф площадки (территории) электростанции должен
быть по возможности ровным; разность высот в отдельных ее местах не должна
превышать 2-4 м, обеспечивающим удобный отвод поверхностных вод. Грунтовые воды
по химическому составу не должны быть агрессивны и не должны вызывать коррозию
подземных частей зданий и сооружений.
Расположение площадки электростанции должно быть
по возможности близким к железнодорожным магистралям, по которым предполагается
подвоз топлива, а также оборудования, строительных конструкций и материалов.
При выборе района сооружения электростанции учитывают также наличие местных
строительных материалов (лес, песок, кирпич и т.д.). Должно быть также
обеспечено: удобный вывод линий электропередачи высокого напряжения и
электрических кабелей, трубопроводов пара, горячей воды (теплопроводов);
технической, санитарной и ливневой канализации и т. д.; отсутствие близко
расположенных аэродромов и трассы низко летящих самолетов; возможность
сооружения дымовых труб необходимой высоты - до 300 м и выше.
При составлении вариантов компоновок
электростанций руководствуются следующими общими принципами:
оптимальная ориентация относительно естественных
водоемов, при которой достигается экономия в строительстве гидротехнических
сооружений и каналов;
удобство внешних инженерных коммуникаций -
подъездных дорог, линий электропередачи;
удобство внутренних инженерных коммуникаций:
а) транспортной сети и подъемно-транспортного
оборудования;
б) технологических (транспортеров,
трубопроводов, водоводов и т.п.) и электрических (токопроводов разных
конструкций) связей.
размещение зданий вспомогательных хозяйств
(ремонтных служб и мастерских, масляного хозяйства, пожарного депо, гаража и
т.д.) в соответствии с их назначением. Это дает возможность осуществить более
короткие технологические и транспортные связи с цехами, которые эти
вспомогательные хозяйства обслуживают;
наименьшие размеры площадки, занимаемой
проектируемой электростанцией;
возможность дальнейшего расширения станции до
конечной мощности при минимально необходимом отчуждении земель.
2.9 Разработка конструкции РУ
Комплектные распределительные устройства с
элегазовой изоляцией (КРУЭ), благодаря занимаемыми ими малым площадям и
объемам, а также высоким уровнем надежности и готовности, стали неизменной
особенностью современных систем электропередачи.
КРУЭ предоставляют наилучший выбор, особенно при
использовании в районах, требующих концентрации мощностей, например, в больших
городах и индустриальных центрах, обеспечивая низкий уровень шумов при невысоких
фактических издержках.
КРУЭ в зависимости от схемы заполнения
представляет собой комплекс аппаратов (ячеек, отдельных модулей и изделий,
необходимых для подсоединения воздушных и кабельных линий). Ячейки и модули
состоят из отдельных элементов, заключенных в герметичную металлическую
оболочку цилиндрической или шаровой формы, заполненной элегазом. Для сочленения
между собой оболочки элементов имеют фланцы и патрубки, контакты и уплотнения.
По функциональному назначению ячейки КРУЭ могут быть линейные,
шиносоединительные, трансформаторов напряжения и секционные, с одной или двумя
системами сборных шин.
Ячейки, отдельные модули и элементы допускают
возможность компоновки КРУЭ по различным электрическим схемам. Ячейки состоят
из трех полюсов, шкафов и сборных шин.
В шкафах размещена аппаратура цепей
сигнализации, блокировки, дистанционного электрического управления, контроля
давления элегаза и подачи его в ячейку, питания приводов сжатым воздухом.
Ячейки на номинальное напряжение 110-220 кВ
имеют трехполюсное или пополюсное управление, а ячейки на 500 кВ - только
пополюсное управление. Полюс ячейки содержит набор элементов необходимых для
работы распределительного устройства.
3. Релейная защита и автоматика блока 300 МВт
Основные защиты.
. Продольная дифференциальная защита
генератора.
Назначение: от междуфазных КЗ внутри и на
выводах генератора.
Защита выполняется трехфазной, трехрелейной на
реле ДЗТ-11/5 с процентным торможением, обеспечивающим отстройку от
максимального тока небаланса при токе срабатывания, меньшем номинального тока
генератора.
Защита действует на отключение выключателя
генератора, на гашение поля, на останов котла и турбины мгновенно.
Расчет уставок защиты: вторичный ток
срабатывания защиты
гдеср = 100 Ав - МДС срабатывания
реле;раб = 144 витка - число витков рабочей обмотки со стороны линейных
выводов.
Необходимое торможение определяется
по условию отстройки защиты от тока небаланса при внешнем КЗ
,
Где Кодн = 0,5 - коэффициент
однотипности;
- относительная погрешность
трансформаторов тока.
Намагничивающая сила, создаваемая
током небаланса в рабочей обмотке реле в режиме внешнего КЗ.
Ав,
где КI= 12000/5
Котс = 1,6 - коэффициент отстройки;
КI = 8000/5 - коэффициент
трансформации, трансформаторов тока линейных выводов генератора.
Расчетное число витков тормозной
обмотки
вит.
Принятое число витков тормозной
обмотки
торм = 16 в (3 + 13)
Чувствительность защиты оценивается
коэффициентом чувствительности при двухфазном КЗ на выводах генератора в режиме
холостого хода генератора.
. Поперечная дифференциальная
защита генератора.
Ток срабатывания защиты выбирается
на основании опыта эксплуатации с учетом отстройки от максимального тока
небаланса при внешних КЗ
сз = 0,2 ·Iном = 0,2 · 10200 = 2040
А
Ток срабатывания реле и его уставка
Принимаем Iуст = 6,8 А и выбираем
III диапазон уставок, зажимы 4-6.
. Защита от замыканий на
землю в обмотке статора.
На генераторах энергоблоков
устанавливается блок-реле БРЭ 1301, состоящее из органов напряжения первой и
третьей гармоник и охватывающее всю обмотку статора без зоны
нечувствительности.
Орган третьей гармоники в защите БРЭ
1301.01 реагирует на относительное результирующее сопротивление третьей
гармоники обмотки статора со стороны нейтрали на землю и называется "реле
сопротивления" или "реле с торможением". Уставки относительного
сопротивления срабатывания (в относительных единицах) могут изменяться в
пределах 0,3-3.
К органам защиты подается напряжение
нулевой последовательности от трансформаторов напряжения соответственно через
фильтры первой и третьей гармоник.
В защите БРЭ 1301.01 реле напряжения
включается на трансформатор. Напряжения со стороны нейтрали, а к реле
сопротивления (реле с торможением) подается выпрямленная сумма напряжений
третьей гармоники от трансформатора напряжения в нейтрали, и на выводах
генератора - рабочее напряжение
и тормозное выпрямленное напряжение
третьей гармоники со стороны нейтрали
, при этом
и Кт = 1/Zcp
Уставки защиты: Уставка органа первой гармоники
в обоих исполнениях защиты по условию отстройки от непродолжительных снижений
уровня изоляции в процессе эксплуатации должна быть не менее 10 В
(рекомендуется 10 - 15 В).
Для отстройки от возможных кратковременных
срабатываний защиты в переходных режимах на её выходе должна быть выдержка
времени порядка 0,5с.
. Защита от замыканий на землю обмотки ротора.
Предусматривается защита для обнаружения
замыкания на землю в одной точке цепи возбуждения генератора путем замера
сопротивления изоляции обмотки ротора относительно земли. Защита выполняется с
наложением на цепь возбуждения переменного тока с частотой 17,5 Гц, который
подводится от отдельного источника.
Защита от замыканий на землю в одной точке цепи
возбуждения должна иметь две уставки:
при снижении сопротивления цепи
возбуждения до 10 кОм с действием на сигнал;
при снижении сопротивления цепи
возбуждения до 4 кОм с действием на отключение.
Защита выполняется с помощью двух блоков:
контроля сопротивления изоляции типа БЭ 1104Б.04 и частотного фильтра типа БЭ
1105Б.04, подключенных к цепям возбуждения генератора.
5. 5. Продольная дифференциальная
защита трансформатора блока.
|
Наименование
величин
|
Обозн.
|
Расчетная
формула
|
Един.
изм.
|
Результаты
расчета
|
|
|
|
|
Сторона
220 кВ
|
Сторона
20 кВ
|
Сторона20
кВ отнесенная к СН
|
|
1
|
2
|
3
|
4
|
5
|
6
|
7
|
|
Первичные
токи на сторонах трансформатора блока, соответствующие его ном. мощности
|
 А 
|
|
|
|
|
|
|
Соединение
обмоток силового трансформатора
|
|
|
|
Y
|
D
|
D
|
|
Соединение
вторичных обмоток трансформаторов тока
|
|
|
|
D
|
Y
|
Y
|
|
Коэффициент
схемы соединения трансформаторов тока
|
 11
|
|
|
|
|
|
Коэффициент
трансформации трансформаторов тока 
Расч.
уточн
/5
/5
|
1000/5
|
|
|
|
|
|
|
|
Вторичные
токи в плечах защиты
|
 А
|
|
|
|
|
|
|
|
|
|
Основная
сторона
|
Неосновная
сторона
|
|
Выбор
ответвлений трансреактора реле 
А
А
|
А4,25
(отв.3) 4,25
(отв.3)
|
|
|
|
|
|
|
|
Для
необходимой отстройки от внешних КЗ в защите используются две цепи
торможения, включенные на токи высшего и низшего напряжения блочного
трансформатора
|
Выбор
ответвлений промежуточных трансформаторов то- ка (ТТ1,ТТ2) цепи торможения 
A
А
|
А4,55
5 (отв. 1)4,82 5 (отв.1)
|
|
|
|
|
|
Первичный
ток со стороны 230 кВ, соответствующий "началу торможения" с учетом
принятых ответвлений промежуточных трансформаторов тока цепи торможения реле 
=
Первичный
ток срабатывания защиты: 1.по условию отстройки от тока небаланса в режиме,
соответствующем "началу торможения" 2.по условию отстройки от броска
тока намагничивания 
А
А
А
Коэффициент
торможения при внешнем трехфазном КЗ на стороне 20 кВ трансформатора
где:
ток
от системы, приведенный к напряжению основной стороны 230 кВ.
|
ток от
системы, приведенный к напряжению 20 кВ.
|
|
|
Выбор
первичного тока срабатывания дифференциальной отсечки по условию отстройки от
броска тока намагничивания трансформатора
|
 А
|
|
|
|
Чувствительность
защиты: 1.при двухфазном КЗ на стороне 20 кВ трансформатора блока в режиме
холостого хода 2.при двухфазном КЗ на стороне 20 кВ трансформатора блока (ток
от системы)

где
где:

. Расчет резервной продольной защиты
блока.
|
Режим,
вид и место КЗ
|
Ток
КЗ, А
|
|
Ток
трехфазного КЗ на стороне 220 кВ в режиме холостого хода блока
|
I(3)K1
G=11080
|
|
Ток
трехфазного КЗ за трансформатором собственных нужд
|
I(3)K3
max= =857,35
|
|
Ток
трехфазного КЗ на стороне 20 кВ: от системы от генератора
|
I(3)K2
S=6908,7 I(3)K2 G=9307
|
Расчет защиты сведен в таблицу 2.
Таблица 2
|
Наименование
величины и расчетные выражения
|
Единицы
измерения
|
Исходные
и расчетные величины Сторона 110 кВ Сторона 10,5 кВ
|
|
1
|
2
|
3
|
4
|
|
Первичные
токи, приведенные к номинальной мощности трансформатора Sт. ном Iт.ном =
-------------- Ö3 Uт.ном
Схема и группа соединения обмоток силового трансформатора
|
А
|
Y
|
D
|
|
1
|
2
|
3
|
4
|
|
Тип
трансформатора тока Схема соединения и коэффициент схемы Расчетный
коэффициент трансформации Ö3
Iт.ном КI р = ------------ Iвт Принятый коэффициент трансформации
|
|
ТФЗМ
110 D Ксх = Ö3 2000/5
|
ТШВ
10 Y Ксх = 1 12000/5
|
|
Расчет
тока небаланса Iнб расч = I¢нб
расч + I¢¢нб расч +
I¢¢¢нб расч = =
Кодн Ка e I¢¢(3)max
+ DUa Ia КЗ
max Кодн
= 1; Ка = 1; e = 0,1; DUa = +2х2,5% / 100 = 0,05 I¢¢¢нб расч -
определяется после расчета витков реле
|
А
|
1,0
· 1,0 · 0,1 · 11080 + 0,05· 11080 = 1662
|
|
Первичный
ток срабатывания защиты: а) по условию отстройки от броска тока
намагничивания при включении блока под напряжение (холостой ход) Iсз = Котс
Iт.ном, где Котс = 1,3 б) по условию отстройки от расчетного максимального
тока небаланса при внешнем КЗ в точке К1 Iсз = Котс Iнб расч max в) по
условию отстройки от расчетного максимального тока КЗ за трансформатором собственных
нужд (К3) Iсз
= Котс
I¢¢(3)КЗ
max
|
А
А А
|
1,3
· 1051 = 1366,3 1,3· 1662 = 2160,6 1,3 · 857,35 = 1114,56 принимаем Iсз =
2160,6 А
|
|
Проверка
возможности применения реле РНТ-565: от системы I(2)КЗ min Кч = ----------
> 2 Iсз От генератора I(2)К min G Кч
= ----------- > 2 Iсз Защита
удовлетворяет требованию чувствительности. Поэтому расчет продолжаем с
использованием РНТ-565
|
|
|
|
Расчет
тока срабатывания реле. Вторичные токи в плечах защиты Ксх Iт.ном I2 =
---------------- КI Ток срабатывания реле на основной стороне Ксх Iсз iр осн
= ---------- КI
|
А
А
|
|
|
|
|
Основная
сторона
|
Неосновная
сторона
|
|
Расчет
числа витков реле (AW)ср о Wосн расч = ------------ Iср осн (AW)ср о = 100 Ав
Принятое число витков дифференциальной обмотки Wд.уст
|
Витки
Витки
|
|
Wд.уст =
10
|
|
Расчетное
число витков для неосновной стороны I2 осн Wнеосн.расч = Wд.уст -----------
I2 неосн Принятое число витков в том числе уравнительных
|
Витки
Витки витки
|
W220 уст
= 11 Wур 1 = 11 - 10 = 1
|
|
|
Расчет
тока небаласа и уточненного тока срабатывания защиты Wрасч - Wприн I¢¢¢нб расч =
------------------ I(3)КЗ max Wрасч Iнб уточн = I¢нб расч +
I¢¢нб расч +
I¢¢¢нб расч
Iсз уточн = Котс Iнб max уточн Котс = 1,3 Т.к. принятый Iсз = 776 А больше
Iсз уточн после выбора витков реле, расчет числа витков остается без
изменения
|
А
А А
|
1108 +
554 + 418,1 = 2080,1 1,3 · 2080,1 = 2704,13
|
|
Действительный
ток срабатывания реле (AW)cp o icp = ------------ Wд.уст Первичный ток
срабатывания уточненный icp KI K Iсз = ------------ Kcх Минимальный
коэффициент чувствитель-ности: от системы I(2)КЗ min Кч1 = ----------- > 2
Icp От генератора I(2)RP ьшт Кч2
= ---------- > 2 Iсз
|
A
A
|
|
|
|
|
|
|
Вывод: защита удовлетворяет требованиям
чувствительности.
. Газовая защита блочного трансформатора.
Назначение: от замыканий внутри бака
трансформатора, сопровождающихся выделением газа, который образуется в
результате разложения масла или разрушения изоляции под действием значительного
повышения температуры.
Газовая защита бака трансформатора выполняется с
двумя ступенями, действующими на сигнал и на отключение выключателей
трансформатора соответственно.
Защита выполняется на реле типа РГТ-80.
Реле типа РГТ-80 имеет два поплавка верхний 6.1
и нижний 6.2, на которых установлены постоянные магниты, управляющие герконами.
Поплавки реагируют на изменение уровня масла в корпусе реле. Кнопка проверки 7
служит для проверки работы поплавков 6.1 и 6.2 и напорной пластины 5.
В нормальном состоянии газового реле поплавки
6.1 и 6.2 находятся в крайних верхних положениях, а напорная пластина 5 - в
исходном положении.
При снижении уровня масла в корпусе реле
опускается сначала верхний поплавок 6.1. При его опускании происходит
срабатывание верхней (сигнальной) контактной системы. При дальнейшем снижении
уровня масла в корпусе реле опускается нижний поплавок 6.2. и происходит
срабатывание нижней (отключающей) контактной системы. При восстановлении уровня
масла поплавки 6.1 и 6.2 поднимаются до своего начального положения, а контакты
контактных систем возвращаются в исходное состояние.
При превышении скорости потока масла из бака в
расширитель значения уставки срабатывания реле напорная пластина перемещается,
и срабатывают контакты нижней (отключающей) контактной системы. При прекращении
потока масла напорная пластина возвращается в исходное положение.
Уставки реле по скорости потока масла: 0,65; 1,0
и 1,5 м/с.
Принимаем уставку 1,0 м/с.
Резервные защиты
1. Защита от внешних симметричных коротких
замыканий.
Большая эллиптическая ось характеристики реле
=
где угол нагрузки jнагр
определяется из выражения
Малая ось эллипса
¢мал = Кэ Z¢уст max = 0,5·1,1 =
0,55 Ом
Изменение параметров осей эллиптической
характеристики реле с учетом смещения в III квадрант. Величина смещения большой
оси:
DZ = 0,12 Z¢уст max = 0,12 ·
1,1 = 0,132 Ом
Сопротивление срабатывания защиты
уст max = Z¢уст max - DZ
= 1,1 - 0,132 = 0,968 Ом
Сопротивление срабатывания реле
Проверка чувствительности защиты:
- по замеряемому сопротивлению при КЗ на
шинах высшего напряжения трансформатора блока
- по току точной работы при КЗ на шинах
110 кВ
где Iт.р. = 2 А
2. Защита от несимметричных КЗ и перегрузок.
Ток срабатывания пускового органа защиты в
относительных единицах
х2 ср.по = Котс Ix2 min; Котс = 1,05min = 0,082
при А = (5-10)х2 ср.по = 1,05 · 0,082 = 0,09
Допустимая длительность перегрузки током
обратной последовательности
Ток и время срабатывания сигнального органа
х2ср.со = 0,05; tcp.co = 10 c.
Ток срабатывания отсечки выбирается исходя из
условия обеспечения необходимой чувствительности при двухфазном КЗ на шинах ВН
блока в сверхпереходном режиме (в относительных единицах).
где Кч = 1,3 или
Выдержка времени отсечки выбирается на ступень
селективности Dt = 0,3 с превышающей выдержку времени той
ступени дистанционной защиты, с которой согласована отсечка.
3. Защита от симметричных перегрузок.
Уставка пускового органа
хср.по = 1,1; I ср.по = 1,1 · Iном.G
Уставка сигнального органа
х ср.со = 1,05; Iср.со = 1,05 · Iном G
Характеристика интегрального органа защиты от
перегрузок
где С и В - коэффициенты, зависящие от
характеристики срабатывания
относительный ток статора;ст, Iном G - ток одной
фазы статора генератора и номинальный ток генератора соответственно в первичной
цепи.
Расчет коэффициентов В и С характеристик срабатывания
интегрального органа защиты для генератора ТВФ-110-2Е.
Из технических условий на генератор:
Согласно техническим условиям на блок-реле БЭ
1103 В = (0,8 - 1,0), принимаем В = 0,8. Тогда
С = 240 · (1,3 - 0,8)2 = 60
Согласно техническим условиям на блок-реле С =
(3 - 50), принимаем С = 50.
В этом случае
При В = 0,8; С = 50; Iх = 1,3 tср.ио < tдоп =
240 с.
4. Защита от внешних КЗ на землю.
Iном.G = 10,2 кА; I2 сз = 0,6 ·Iном.G = 6120 А;
КI = 1000/5; m = 4; n = 2.
Расчет грубого комплекта. Расчетным режимом для
согласования чувствительности является КЗ на ЛЭП, отключаемой с другого конца
быстродействующей защитой. При этом
b0 = 1/n = ½ = 0,5;
b2
= 1/m = ¼ = 0,25, где
- число блоков станции; n - число блоков с
заземленной нейтралью.сз = 768 А - из расчета защиты от токов обратной
последовательности.
выбираем реле РТ-140/20
КI 1000/5сз 1 = 4,5 с - на отключение
выключателя ВНсз 2 = 5 с - на отключение блока;з 3 = 4 c - на отключение
выключателя при разземленной нейтрали.
Расчет чувствительного комплекта.
а) по условию обеспечения срабатывания при
самопроизвольном неполнофазном отключении блока при минимальной нагрузке
б) по согласованию с грубым комплектом
Принимаем Iср = 1,75 А, выбираем реле типа
РТ-140/2.
5. Защита от асинхронного режима при потере
возбуждения.
Диаметр окружности характеристики реле
сопротивления
защ = 1,1 Xd = 1,1·2,49 = 2,74 Ом
Смещение характеристики
смещ = 0,4 · Х¢d
= 0,4 · 3,4 = 1,36 Ом
Вторичные сопротивления
6. Защита от повышения напряжения.
Напряжение срабатывания пускового органа
сз = 1,2 · Uн.г. = 1,2 · 20 = 24 кВ
Ток срабатывания блокирующего реле
сз = 0,1 · Iн.тр = 0,1 · 1051 = 105,1 А
Выдержка времени tсз = 3 с.
7. Защита от перегрузки ротора
турбогенератора током возбуждения.
Сигнальный орган - принимается Iх сз со = 1,05;
сз со = 1,05 · 3050 = 3202,5 А. Выдержка времени
tсо = 10 с.
Пусковой орган - принимается Iх сз по = 1,1;
сз по = 1,1 · 3050 = 3355 А.
Определяется выдержка времени интегрального
органа
Решая эти уравнения, получим Врасч = 0,9.
Согласно техническим условиям на блок-реле В =
(0,8 - 1,0). Принимаем В = 0,9.
Тогда Срасч = 240·(1,2 - 0,9)2 = 21,6
Согласно заводским данным С = (3 - 40).
Принимаем С = 21,6.
8. Дополнительная резервная токовая защита
на стороне высшего напряжения.
Ток срабатывания защиты выбирается по условию
отстройки от номинального тока защищаемого трансформатора
Ток срабатывания реле
9. Автоматический пуск пожаротушения
трансформатора.
Пуск автоматики пожаротушения производится от
дифференциальной защиты, защиты ошиновки и газовой защиты трансформатора.
Зона повреждения при пуске пожаротушения от
дифференциальных реле ограничивается баком трансформатора с помощью реле тока,
включенного в провод, заземляющий бак трансформатора. Это реле реагирует на
внутренние КЗ на землю на стороне ВН и разрешает пуск пожаротушения от дифференциальных
защит трансформатора и его ошиновки на стороне ВН. При этом обеспечивается
работа цепи пуска в случае повреждения вводов высшего напряжения высокого
напряжения трансформатора, наиболее часто сопровождающихся пожаром.
При внутренних повреждениях на стороне НН пуск
пожаротушения от дифференциальной защиты разрешается лишь при одновременном
срабатывании газовой защиты, даже если действие ее отключающего элемента
переведено на сигнал.
Первичный ток срабатывания защиты нулевой
последовательности в схеме пуска устройства пожаротушения выбирается по условию
обеспечения надежной работы этого реле при замыканиях на корпус трансформатора
блока
где KT - коэффициент токораспределения; Кч = 2 -
коэффициентч чувствительности
I0 мин - минимальный ток в месте КЗ при
отключенном от системы энергоблоке.
Реле тока нулевой последовательности включается
на трансформатор тока с коэффициентом трансформации KI = (300/5 - 600/5) и
ориентировочно принимается типа РТ-140/2.
4. Экономическая часть
Исходные данные
Таблица 1.Справочные данные по турбинам и котлам
|
Тип
и количество установленных турбин
|
8xК-300
|
|
Установленная
мощность станции
|
Nу
=2400МВт
|
|
Число
часов использования установленной мощности
|
hу
= 6a000ч.
|
|
Вид
топлива
|
Газ-
мазут.
|
|
Система
технического водоснабжения
|
прямоточная
|
Расчёт абсолютных и удельных вложений капитала в
новое строительство станции
Абсолютные вложения капитала в строительство
станции с поперечными связями при разнотипном оборудовании.
Кст = [ Кблг + åКблп
] Крс · К1· Кu тыс.руб.
где Кблг ПТ- капиталовложения в головной блок
(К-300-240), тыс.руб.
åКблп - суммарные капиталовложения в
каждые последующие блоки, тыс.руб.
Крс - поправочный коэффициент на территориальный
район строительства,
К1 - коэффициент учитывающий вид системы
технического водоснабжения
К1 = 0,9 - при прямоточной системе водоснабжения
Кu - коэффициент индекса цен капитала по данным
Госкомстата РФ на 01. 02. 14 г.
Кст = (7611100+7∙4124725)·1,1·0,9·1,74
=62847639,8 тыс.руб.
Удельные вложения капитала
Энергетические показатели работы электростанции.
Выработка и отпуск электроэнергии с шин станции.
Годовая выработка электроэнергии
электростанцией.
В = Nу · hу · 10-3 тыс.МВт ч/год
где hу - число часов использования установленной
мощности.
В = 2400·6000·10-3 =14400 тыс.МВт ч/год
Годовой расход электроэнергии на собственные
нужды в целом по КЭС.
Удельный расход электроэнергии на
собственные нужды, отнесённый на отпуск электроэнергии.
Годовой отпуск электроэнергии с шин
станции.
Wо = Wв - Wсн , тыс.МВт чо = 14400-356 =14044
тыс.МВт ч/год
Годовой расход условного топлива.
Нормативный удельный расход условного топлива на
отпуск электроэнергии.
Определяется для каждого типа турбины в
зависимости от числа часов использования установленной мощности, использования
отборов в течение года.
Удельный расход условного топлива на
отпуск электроэнергии.
Годовой расход натурального топлива
энергетическими котлами.
Издержки производства электрической и тепловой
энергии по кономическим элементам затрат на энергию.
Материальные затраты.
Топливо на технологические цели.
По этому пункту учитывается топливо, которое
расходуется непосредственно на производстве электроэнергии. Топливо оценивается
с учетом транспортных затрат.
Цтвпот=5000 руб/м3
Примем цену газа равной 5000 руб/м3
Итопл=Цдог
Внг=5000·3513,6=17565600 тыс.руб/год
Затраты на вспомогательные
материалы.
Нвм - норматив затрат на
вспомогательные материалы.
Иу - установленная мощность станции
Ки- коэфф-т инфляции.
Затраты на подготовку питательной
воды
Ппв=1,08∙D0∙нбл∙hу∙Цв∙10-3=1,08∙270,8∙3.6∙8∙
6000∙55∙10-3=
=2779577.8 тыс. руб. год.
Плата за пользование водными
объектами
Число
часов использования установленной мощности:
Расход
свежего пара на турбины:
Птв=1,08∙Wохл∙к ив∙нбл∙hу∙Тв∙(30%/100)∙10-3=
=1,08∙36∙8∙6000∙276∙1,74∙(30%/100)∙10-3
=268872,9 тыс.руб.год
Материальные затраты без учёта топлива.
Оплата труда.
Среднемесячная заработная плата одного
работника.
В элементе " Затраты на оплату труда "
отражаются затраты на оплату труда промышленно-производственного персонала
энергопредприятия. В состав затрат на оплату труда включаются выплата
заработной платы за фактически выполненную работу, исходя из расценок, тарифных
ставок, все виды затрат, премий, оплаты очередных и дополнительных отпусков.
ЗПсрмес = Ст1· Кtср ·Кррсс · Кпрср ·Крзп руб/мес
где Ст1 - месячная тарифная ставка рабочего
первого разряда.
Кtср - средний тарифный коэффициент по
промышленно- производственному персоналу электростанции.
Кррсс - средний коэффициент, учитывающий доплаты
за многосменный режим работы, условия труда и другие компенсационные выплаты.
Кпрср - средний коэффициент, учитывающий
стимулирующие виды доплат текущие премирование, премирование за выполнение
заданий по рабочей мощности, за экономию топлива, индивидуальные
вознаграждения, за выслугу лет, по итогам работы за год и др.
Крзп - районный коэффициент к заработной плате.
ЗПсрмес = 8000·2,2 · 1,16 · 1,7 · 1 = 52060,8
руб/мес
Годовой фонд оплаты труда на одного человека.
ФОТчелг = ЗПсрмес · 12 · 10-3 тыс. руб/год
ФОТчелг = 52060,8 · 12 · 10-3 = 624,7 тыс.
руб/год
Затраты на оплату труда учитываемые в
себестоимость продукции
Иот = Чппп · ФОТчелг тыс. руб/год
где Чппп - численность
промышленно-производственного персонала=780, чел;
Иот = 1096 · 624,7 =684703,642 тыс. руб/год
Коэффициент обслуживания:


Отчисления на социальные нужды
В элементах "Отчисления на социальные
нужды" отражаются обязательные отчисления по установленным
законодательством норма органам социального страхования, пенсионного фонда
(34,2%), медицинского страхования (0,2%).
Отчисления в пенсионный фонд
=
· Иот =
·
684703,642 =237592,2 тыс. руб/год
Отчисления на социальное страхование от
несчастных случаев и профессиональных заболеваний:
=
· Иот =
·
684703,642 =649,72 тыс. руб/год
Отчисления на социальные нужды:
тыс. руб/год
Амортизация основных фондов (средств).
В элементах " Амортизация основных фондов
" отражается сумма амортизационных отчислений на полное восстановление
основных средств, рассчитанная по балансовой стоимости и утверждённым в
установленном порядке нормам амортизации на реновацию.
Стоимость основных фондов (основных средств)
электростанции.
Сф = 0,9 ·62847639,8 =56562875,8 тыс. руб
Иа=(Нарен/100)∙Сф =(3,2/100)∙
56562875,8 =1810012,03 тыс.руб/год
Нарен-средняя норма амортизации на реновацию в
целом по станции (табл. 6)
Отчисления в ремонтный фонд.
где Нрфср - средний норматив
отчислений в ремонтный фонд в целом по РФ электростанции %,
Плата за землю
Для определения платы за землю
необходимо знать площадь земли, отчуждаемую под строительство электростанции с
учётом всех необходимых сооружений, и ставку земельного налога.
Площадь земли под производственную
площадку
= f1 Nу ·10-2 га
где f1- удельная площадь застройки
производственной площадки в зависимости от установленной мощности станции, с
учетом градирен:
= 300 · 2400·10-2 =4800 м2
Общий отвод земли под
строительство КЭС F=F1=4800га
Определение ставки земельного
налога на производственную площадь:
Ставка земельного налога
зависит от места строительства электростанции. Если электростанция строится в
черте города или пригородной зоне, то ставка на землю устанавливается для
городских земель.
Средняя ставка земельного
налога за производственную площадь:
для электростанций, построенных
вне населенного пункта
изводственную площадь, руб./м2.-
коэффициент увеличении средней ставки земельного налога за счет статуса города,
развития социально-культурного потенциала.
Изем=Сзн1∙F∙10-3=34,69∙4800∙10-3=166,37
тыс.руб/год
F-общая площадь земли отводимая под эл/ст
Сзн1-средняя ставка земельного налога для эл/ст
Прочие отчисления
Учитываются налоги в составе
себестоимости, плата за сточные воды, сбрасываемые в водные объекты, проценты
но кредитам банков в пределах учетных ставок, командировочные и подъемные,
представительские расходы в пределах нормативов, вознаграждения за изобретения
и рационализаторские предложения и прочие отчисления и платежи, предусмотренные
законодательством в составе себестоимости.
где НДР% - норматив других (прочих)
отчислений в зависимости от вида сжигаемого топлива.
Прочие затраты
Ипроч = Ирем +Изем +Идр тыс. руб/год
Ипроч = 791880,3+166,37+301668,6=1093715,3 тыс.
руб/год
Годовые издержки электростанции по экономическим
элементам затрат (общие)
И = Итопл +Имз + Иот + Исн + Иа + Ипроч тыс.
руб/год
И=17565600+3060561.2+684703,642+237592,2+1810012,03+1093715,3=
=24452184.3 тыс. руб/год
Калькуляция проектной себестоимости
электрической энергии
Себестоимость производства электроэнергии.
в том числе:
|
Наименование
|
Годовые
издержки, тыс. руб/год
|
Структура
затрат, %
|
Себестоимость
производства электроэнергии, руб./МВт·ч
|
|
1.Топливо
|
17565600
|
71.85
|
1250.7
|
|
2.Матер.затраты
|
3060561.2
|
12.51
|
217.9
|
|
3.Оплата
труда
|
684703,64
|
2.8
|
48,75
|
|
4.От.соц.нужды
|
237592,2
|
0.97
|
16,92
|
|
5.Армотизация
|
1810012,03
|
7.4
|
128,9
|
|
6.Прочие
затраты
|
1093715,3
|
4.47
|
77,87
|
|
Итого
|
21391623
|
100
|
1741.11
|
Заключение
В соответствии с заданием выполнен дипломный
проект, представленный на страницах пояснительной записки аблиц) и 8 листах
графической части формата А1.
В дипломном проекте произведен расчет
конденсационной электрической станции мощностью 2400 МВт. Станция предназначена
для электроснабжения крупного промышленного центра.
На станции установлена конденсационная турбина
типа К-300. Топливо - газ, резервное - мазут. Место строительства: Коми-
Пермяцкий АО. Система технического водоснабжения: из реки.
Для заданного типа турбин были выбраны
турбогенераторы: для турбины К-300, выбираем генератор типа ТГВ-300-2У3.
Связь с энергосистемой на напряжении 500 кВ по
двум воздушным линиям.
Параметры системы 1: мощность 6000 МВА,
сопротивление 0,85 о. ед. длина ЛЭП 150 км, резервная мощность 500 МВт.
Параметры системы 2: мощность 4000 МВА,
сопротивление 1,1 о. ед. длина ЛЭП 120 км, резервная мощность 400 МВт. От шин
220 кВ отходят 6 воздушных линии в районную сеть.
В проекте выбраны турбогенераторы типа ТГВ-300. Генераторы
имеют высокочастотную систему возбуждения, водородно-водяное охлаждение
обмоток, обмотка статора - трехфазная, двухслойная, стержневая, с укороченным
шагом, обмотка ротора с газовым охлаждением выполняется из медных полос
специального профиля.
Разработаны 10 вариантов структурных схем
станции. Выбраны блочные силовые трансформаторы типа ТДЦ-400000/500 и
ТДЦ-400000/220 и автотрансформаторы связи типа 3*АОДЦТН-167000/500/220.
Произведен расчет приведенных затрат по
капитальным затратам, издержкам на обслуживание, амортизацию и потери в силовых
трансформаторах и ущербу от недоотпуска электроэнергии. Выбрана схема с
минимальными приведенными затратами (второй вариант). Разница 3%.
В соответствии с рекомендациями НТП выбрана
схема распределительных устройств. На высокое напряжение 500 кВ выбрана схема
КРУЭ 3/2. На среднее напряжение 220 кВ выбрана схема КРУЭ с двумя системами
сборных шин. Выбраны рабочие и резервные трансформаторы собственных нужд типа
ТРДН-32000/220
В соответствии с НТП разработана схема
собственных нужд станции. Выбраны рабочие и резервные трансформаторы
собственных нужд типа ТРДН-32000/220, ТРДНС - 3200/35; ТМ-1000/6,3/0,4.
Произведен расчет токов трехфазного короткого
замыкания для 4 точек: на шинах 500 кВ, шинах 110 кВ, генераторном напряжении
15,75 кВ, секции собственных нужд 6 кВ.
Выбраны электрические аппараты и проводники
напряжением выше 1кВ:
Элегазовые ячейки ЯЭУ-500, ЯЭГ-220.
Выключатели: ВГГ-20, BB/TEL-10. Разъединитель
РВПЗ-1-20/12500УЗ.
− Проводники: гибкие сталеалюминевые провода
3АС-600/72, 2АС-400/22, комплектный пофазно-экранированый токопровод
ТЭКН-Е-20-12500-400, жесткие шины ША 100х8.
− Измерительные трансформаторы тока:
встроенные ТШ-20-12000/5 .
− Измерительные трансформаторы напряжения:
для наружной установки НКФ-500, НКФ-220, встроенные ЗНОЛ-20.
Распределительные устройства 500 и 220 кВ
выполнены типа КРУЭ, собственных нужд 6 кВ - комплектного типа внутренней
установки с шкафами типа К-104 М.
Так же был посчитан экономический расчет
станций, определены затраты на различные составляющие производства
электрической тепловой энергии.
Определены себестоимость единицы электрической и
тепловой энергии отпускаемой со станции. Был произведен теплотехнический расчет
турбины К-300. Выбраны основные и вспомогательные оборудования. В разделе
релейной защиты и автоматики представлен расчет основных и вспомогательных
защит блока с генератор - трансформатор ТГВ-300. В разделе охрана труда был
разработан вопрос "Обходы и осмотры ВЛ".
Список литературы
1.
Крючков И.П., Неклепаев Б.Н. Электрическая часть электростанций и подстанций:
Справочные материалы для курсового и дипломного проектирования. - М.
Энергоатомиздат,1989 г.
.
Рожкова Л.Д. Электрооборудование электрических станций и подстанций: Учебник
для сред. проф. образования / Л.Д. Рожкова, Л.К. Карнеева, Т.В. Чиркова. - 2-е
изд. стер. - М.: Издательский центр "Академия",2005.-448 стр.
.
Справочник по проектированию электрических сетей / Под ред. Д.Л.
Файбисовича.-2-е изд. перераб. и доп. - Изд-во НЦ ЭНАС, 2006. - 352 с.: ил.
.
Нормы технологического проектирования тепловых электрических станций и тепловых
сетей: ВНТП-81, 1981. - 122 страницы.
.
Правила устройства электроустановок - 7 издание, 2001. - 640 страниц.
.
Справочник по проектированию электроэнергетических систем / В.В. Ершевич, А.Н.
Зейлигер, Г.А. Илларионов и др.; Под ред. С.С. Рокотяна и И.М. Шапиро. 3-е
изд., перераб. и доп. М.: Энергоатомиздат, 1985. 352 с.
.
Рожкова Л.Д., Козулин В.С. Электорооборудование станций и подстанций. 2-е изд.,
- М.: Энергия, 1980 г.
.
Гук Ю.Б. и др. Электрическая часть электростанций и подстанций: Учебное пособие
для вузов. - Л.: Энергоатомиздат, 1986 г.
.
Методические указания для курсового проектирования по курсу "Электрические
станции и подстанции систем электроснабжения".
.
Справочные данные элегазовых выключателей фирмы АВВ http://www.abb.ru.
.
Электротехнический справочник: В 3-х т. Т. 2. Электротехнические изделия и
устройства / Под общ. ред. профессоров МЭИ (гл. ред. И.Н. Орлов). 3-е изд.,
испр. и дои. Москва: Энергоатомиздат, 1986.
.
Электрическая часть станций и подстанций / Под ред. А.А. Васильева. Москва:
Энергия, 1980.
.
Неклепаев Б.Н. Электрическая часть электростанций и подстанций: Учебник для
вузов. - 2-е изд., перераб. и доп. Москва: Энергоатомиздат, 1986.
.
Двоскин Л.И. Схемы и конструкции распределительных устройств. 3-е изд.,
перераб. и дон. Москва: Энергоатомиздат, 1985.
.
Кудрявцев Е.П., Долин А.П. Расчет жесткой ошиновки распределительных устройств.
Москва: Энергия, 1981.
.
Справочник по строительству подстанций 110-750 кВ / Под ред. М.А. Реута.
Москва: Энергоиздат, 1982.
.
Иванов Н.А., Лернер Н.М., Рябцев Ю.И. Справочник по монтажу распределительных
устройств выше 1000 В на электростанциях и подстанциях / Под ред. Н.А. Иванова,
Н.Г. Этуса. М.: Энергоатомиздат, 1987.
.
Кошкин А.А., Шаталов Г.Г., Штеренфельд Н.С. Разработка и внедрение блочных
подстанций 35-220 кВ заводского изготовления // Энергетическое строительство. 1980.
С.
32-35.
.
Siemens-Zeitschrift. 1967. №10. S. 847-854.
.
Siemens-Zeitschrift. 1970. №1. S. 15- 22.
.
Mier G. Rohrstromschienen fur Freiluftschaltanlagen // Elektrotechniche
Zeitschrift. 1980. Bd 101. №6. S. 390-394.
.
Григорьев Ю.E. Арочные конструкции шин в распределительных устройствах 400 кВ
Англии // Энергетическое хозяйство за рубежом. 1969. №1. С. 35, 36.
.
Двоскин Л.И. Схемы и конструкции распределительных устройств. Москва: Энергия,
1974.
.
Двоскин Л.И. Компоновки и конструкции распределительных устройств высокого
напряжения. Москва: Госэнергоиздат. 1960.
.
Электрические изоляторы / Н.С. Костюков, Н.В. Минаков, В.А. Князев и др.; Под
ред. Н.С. Костюкова. Москва: Энергоатомиздат, 1984