Проект строительства ТЭЦ 500 МВт
Федеральное
агентство по образованию
Федеральное
государственное образовательное учреждение
высшего
профессионального образования
"Сибирский федеральный
университет"
Политехнический
институт (СФУ)
Кафедра
"Тепловые электрические станции"
Утверждаю
Заведующий кафедрой
С.А. Михайленко
Пояснительная записка к дипломному
проекту
Проект
строительства ТЭЦ 500 МВт
Разработал студент
А.А. Янченко
Руководитель
В.А.
Дубровский
Консультант
по экономической части
И.А. Астраханцева
Консультант
по безопасности
и экологии производства
В.В. Колот
Задание по дипломному проектированию
станция турбина тепловой водоснабжение
1. Тема Проект строительства ТЭЦ 500 МВт
. Утвержден приказом по университету №330 от 4 февраля 2007 г.
. Срок сдачи студентом законченного проекта 26 мая 2007 г.
. Исходные данные к проекту Отопительная нагрузка 60 МВт, топливо
Ирша-бородинский уголь
. Содержание расчетно-пояснительной записки (перечень подлежащих
разработке вопросов) Введение, конструирование тепловой схемы выбранной
турбины, расчет тепловой схемы, выбор оборудования в пределах тепловой схемы,
генплан и компоновка, разработка схем топливоподачи, золоудаления и
водоснабжения, охрана окружающей среды, безопасность проекта, экономическая
часть, заключение.
. Перечень графического материала (с точным указанием обязательных
чертежей)
Лист 1. -Принципиальная тепловая схема
Лист 2. - Поперечный разрез главного корпуса
Лист 3.- Генеральный план
Лист 4.-Схема водоснабжения
Лист 5.-Схема топливоподачи
Лист 6.-Система гидрозолошлакоудаления
Календарный график
.03 Получение задания_______________________________________
.03-25.03 Экономическое обоснование, выбор основного оборудования___
.03-30.03 Расчёт тепловой схемы турбины К-150-130 __________
.04-4.04 Выбор вспомогательного оборудования______________
.04-8.04 Охрана труда______________________________________
.04-9.04 Расчет технического водоснабжения_________________
.04-11.04 Топливное хозяйство _____________________
.04-21.04 Выбор и расчет системы золоулавливания и гидрошлакоудаления
.04-25.04 Оформление задания по охране труда________________
.04-28.04 Описание генплана, компоновки главного корпуса_____
.04-02.05 Оформление графической части проекта________________
.05-10.05 Оформление записки______________________
.05-30.05 Сбор подписей консультантов____________________
Аннотация
Дипломный проект "Строительство ТЭЦ 500 МВт"
страниц печатного текста
таблиц
рисунков
Ключевые слова
Турбоагрегат, расчет тепловой схемы, теплофикационная установка,
паропровод, гидрозолоудаление.
Объектом строительства является ТЭЦ 500 МВТ.
Технико-экономическое обоснование, расчет принципиальной тепловой схемы,
выбор вспомогательного оборудования, расчет топливного хозяйства и схемы
гидрозолоудаления, безопасность проектируемого объекта, охрана окружающей
среды, экономическая часть.
Проектирование проводилось расчетным путем.
Цель работы состоит в расчете объекта, а также его экономической
целесообразности.
Содержание
Введение
.
Технико-экономическое обоснование проектируемой ТЭЦ
.1
Обоснование строительства станции
.
Конструирование и расчет тепловой схемы выбранной турбины. Выбор оборудования в
пределах тепловой схемы
.1 Разработка
принципиальной тепловой схемы
.1.1
Построение процесса расширения пара на i-s диаграмме
.1.2
Определение параметров по элементам схемы
.1.3 Расчет
сетевой подогревательной установки
.1.4
Определение расходов пара на турбину
.1.5 Расчет
сепараторов непрерывной продувки
.1.6 Расчет
регенеративной схемы ПВД
.1.7 Расчет
деаэратора
.1.8 Расчет
регенеративной схемы ПНД
.2 Расчет
показателей тепловой экономичности ТЭЦ
.3 Выбор
вспомогательного оборудования
.3.1
Регенеративные подогреватели
.3.2
Деаэратор
.3.3 Сетевые
подогреватели
.3.4 Выбор
питательных насосов
.3.5 Выбор
конденсатных насосов
.3.6 Выбор
циркуляционных насосов
.3.7 Выбор
сетевых насосов
. Генплан и
компоновка главного корпуса. Разработка схем топливоподачи, пылеприготовления,
золошлакоудаления, водоснабжения
.1
Проектирования топливного хозяйства
.1.1
Определение расходов топлива на ТЭЦ
.1.2 Приемно-разгрузочное устройство
.1.3
Ленточные конвейеры
.1.4 Дробилки
.1.5
Топливные склады
.2 Выбор
механизмов системы пылеприготовления
.2.1 Дутьевые
вентиляторы и дымососы
.3
Золоулавливание
.4
Золоудаление
.5 Расчет
выбросов и выбор дымовой трубы
.6
Генеральный план
.7 Выбор и
описание компоновки главного корпуса
.8 Выбор
системы водоснабжения
. Защита
окружающей среды
.1 Расчет
выбросов вредных веществ
.2 Защита
водоемов от загрязнения сточными водами
.
Безопасность проектируемого проекта
.1 Общая
характеристика проектируемого объекта с точки зрения безопасности и безвредных
условий труда
.2 Анализ и
устранение потенциальных опасностей и вредностей технологического процесса
.2.1
Опасность поражения электрическим током
5.2.2 Опасность травмирования движущимися частями машин и механизмов
.2.3 Тепловые выделения и опасность термического ожога
5.3
Производственная санитария
5.3.1 Микроклимат производственных помещений
.3.2 Освещение
.3.3 Вредные вещества в воздухе рабочей зоны
.3.4 Шум, ультразвук и инфразвук
.3.5 Вибрация
5.4
Предотвращение аварийных ситуаций
5.4.1 Техническое освидетельствование сосудов, работающих под давлением
.4.2 Техническое освидетельствование грузоподъемных машин и механизмов
.4.3 Техническое освидетельствование котлов
.4.4 Обеспечение взрывопожарной безопасности производства
.5 Обеспечение устойчивости объекта в чрезвычайных ситуациях
.6 Индивидуальное задание
. Экономическая часть
.1 Экономическое обоснование состава основного оборудования на основе
народнохозяйственного подхода
.2 Экономическое обоснование на основе хозрасчетного подхода
.3 Расчет срока окупаемости инвестиций по рекомендуемому составу
основного оборудования
Список использованных источников
Введение
Энергетика - сектор экономики, охватывающий сложную совокупность
процессов преобразования и передачи энергии от источников природных
энергетических ресурсов до приемников энергии включительно и представляет собой
сложный развивающийся объект, исследование которого возможно только на основе
системного подхода.
Энергетика сегодня занимает в жизни общества такое место, что не возможно
оценить отказ от его благ. Вмести с тем и очень высока цена энергии: ее
производство и транспорт.
Энергия является важнейшим фактором производства и жизнеобеспечения
современного общества. Действительно, энергетическая составляющая на
производство промышленной продукции и транспортные услуги в России превышает в
настоящее время 17%, сельскохозяйственной продукции - 11%.
Топливно-энергетический (ТЭК) комплекс России - крупнейший
инфраструктурный комплекс народного хозяйства.
Устойчивое и эффективное функционирование и развитие энергетики
необходимо для обеспечения большинства компонентов национальной безопасности -
экономической, финансовой, внешнеэкономической, технологической и др.
Электроэнергетика является важнейшим компонентом топливно-энергетического
комплекса, его узловой, интегрирующей подсистемой. [7]
1. Технико-экономическое обоснование проектируемой ТЭЦ
.1 Обоснование строительства станции
Актуальность темы дипломного проекта обосновывается целями и приоритетами
энергетической стратегии России на период 2020 года. Развитие электроэнергетики
должно обеспечить необходимыми энергетическими ресурсами начавшийся
экономический рост во всех отраслях народного хозяйства.
Для обеспечения прогнозируемых уровней электро- и теплопотребления при
оптимистическом варианте развития необходимо создание генерирующих мощностей на
электрических станциях России (с учётом замены и модернизации) в 2005-2020 г.г.
не менее 177 млн. кВт, в том числе на гидро- и гидроаккумулирующих
электростанциях 11,2 млн. кВт, на атомных 23 млн. кВт и на тепловых 143 млн.
кВт (из них с парогазовыми и газотурбинными установками 37 млн. кВт). При
умеренном варианте развития планируется ввод в действие генерирующих мощностей
121 млн. кВт, в том числе на тепловых электрических станциях (ТЭС) 97 млн. кВт.
Таким образом, согласно энергетической стратегии ввод новых мощностей не
изменит структуру установленной мощности электрических станций, в которой
наибольший удельный вес занимают ТЭС.
Проект строительства ТЭС в целом отвечает основным
приоритетным направлениям развития электроэнергетики, согласно которым
выработка электроэнергии на ТЭС к 2020 г. возрастёт в 1,4 раза по сравнению с
2000 г. Масштабы сооружения ГРЭС и ТЭЦ будут определяться сокращением
строительства атомных и гидравлических электростанций, возможностями развития
топливной базы и соответствующим расширением транспортной сети.
Сооружение ТЭЦ в городе вызвано, прежде всего,
необходимостью покрытия тепловых нагрузок коммунально-бытовых потребителей. Все
это вызывает необходимость строительства мощного централизованного источника
теплоснабжения.
Заданием предусматривается проектирование ТЭЦ с
заданной электрической мощностью в 500 МВт и расчетной тепловой нагрузкой
потребителей в горячей воде 60 ГДж.
2. Конструирование и расчет тепловой схемы выбранной
турбины. Выбор оборудования в пределах тепловой схемы
.1 Разработка принципиальной тепловой схемы
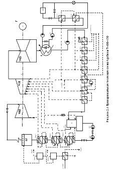
Принципиальная тепловая схема с турбиной Т-100-130 представлена на
рисунок 2.1. Как видно из схемы турбина двухцилиндровая с двухпоточной ЧНД и
одним регулируемым отбором.
Система регенерации состоит из четырех подогревателей низкого давления,
деаэратора и трех подогревателей высокого давления. Слив дренажа из
подогревателей высокого давления - каскадный (без использования дренажных
насосов) в предвключённый деаэратор. Слив дренажа из подогревателей низкого
давления ПНД 4 и ПНД 5 - каскадный в подогреватель низкого давления ПНД 6 и из
него дренажным насосом в линию основного конденсата. Из подогревателя низкого
давления ПНД 7 слив каскадный в конденсатор.
Отпуск тепла осуществляется следующим образом. Пар из теплофикационного
регулируемого отбора подаётся на сетевую подогревательную установку. Горячая
вода на отопление подогревается в двух сетевых подогревателях. Дренаж из
подогревателей сливается каскадно в линию основного конденсата.
В схеме используется котёл барабанного типа. Из котла организована
непрерывная продувка. Для уменьшения потерь тепла продувочная вода направляется
в двухступенчатый расширитель непрерывной продувки, а затем - в регенеративный
подогреватель химически очищенной воды из химводоочистки (ХВО) и сбрасывается в
канализацию.
Пар с уплотнений поступает в сальниковый подогреватель (ОУ), а из
основных эжекторов конденсатора - в охладитель эжекторного пара (ОЭП), что
способствует дополнительному обогреву основного конденсата.
По заводским данным для турбины Т-100-130 [1]:
|
Электрическая мощность
|
Wэ = 100 МВт
|
|
Начальные параметры пара
|
|
|
Давление
|
P0 = 12,75 МПа
|
|
Температура
|
t0 = 555 °С;
|
|
Температура ПП
|
t0 = 555 °С;
|
|
Давление в конденсаторе турбины
|
Pк = 0,0054 МПа;
|
|
Число отборов пара на регенерацию
|
7
|
Давление в отборах, МПа
|
Pот1
|
= 3,36
|
|
Pот2
|
= 2,275
|
|
Pот3
|
= 1,13
|
|
Pот4
|
= 0,545
|
|
Pот5
|
= 0,278
|
|
Pот6
|
= 0,178
|
|
Pот7
|
= 0,091
|
.1.1 Построение процесса расширения пара на i-s диаграмме
Процесс построен с учетом потерь в регулирующих клапанах цилиндров
турбины в соответствии с начальными и конечными параметрами. Из характеристики
турбины имеем начальное давление пара 130 бар, температура острого пара 5450С.
Находим на i-s диаграмме точку (А0') (рисунок 2.2.) Давление пара с учетом
потерь в регулирующих клапанах ЦВД составляет, бар.
Р0'=Р0· ηдрЦВД=127,5·0,95=121,125
Находим по i-s диаграмме точку (А0). Определяем энтальпию пара в точке
Ао. Далее из точки (А0) проводим прямую, до пересечения с изобарой,
соответствующей давлению пара за ЦВД. Отмечаем точку (В'0).
Теоретический процесс расширения пара в ЦВД изображается линией (А0-В'0).
Находим действительный процесс расширения пара в ЦВД, зная относительный
внутренний КПД части высокого давления. При действительном процессе расширения,
энтальпию пара в точке (В), можно определить, кДж/кг
= iА0-( iА0- iB) ηoiЦВД=3511,46-(3511,46-3131,92)·0,83=3195,98
где iB - энтальпия пара в конце теоретического процесса расширения пара в
ЦВД, кДж/кг
Зная энтальпию iB0, можно найти точку (В0) на изобаре Ротб1.
Давление в точке (В) определяем с учетом дросселирования в регулирующих
клапанах ЦСД, бар.
РB= Ротб1· ηдрЦВД
РВ=33,6·0,95=31,92
Из точки (В)- проводим прямую линию, до пересечения с изобарой, что
соответствует давлению пара за ЦСД. Действительный процесс расширения
пара в ЦСД находим, зная относительный внутренний КПД части среднего давления.
Энтальпия пара в точке С0, кДж/кг.
С0= iВ0-( iВ0'- iС) ηoiЦСДС0=3195,98-(395,98-2515,25)0,852=2616,0
где iс- энтальпия пара
в конце теоретического процесса расширения пара в ЦСД, кДж/кг.
Зная энтальпию iС0, можно определить точку С0 на изобаре Ротб7.
Точку С найдем с учётом потери давления в регулирующих клапанах ЦНД, бар.
РС= Ротб7· ηдрЦНД
РС= 0,91·0,95=0,86
Из точки (С) - проводим прямую линию, до пересечения с изобарой, что
соответствует давлению пара за ЦНД. Действительный процесс расширения пара в
ЦНД, находим, зная относительный внутренний КПД части низкого давления.
Энтальпия пара в точке D0, кДж/кг.
= iC0'-( iC0'- iк) ηoiЦHД= 2616-(2616-2198.5)·0.8=2282
где iк - энтальпия пара в конце теоретического процесса расширения пара в
ЦНД. Зная iD0 можно определить точку D0 на изобаре Рк.
Используя значения давлений в отборах, находим по диаграмме энтальпии
пара в этих отборах.
На рисунке 2.2. построен процесс расширения пара в турбине.
2.1.2
Определение параметров по элементам схемы
Определение параметров по элементам схемы покажем на примере ПВД-1.
Потерю давления в паропроводах на пути от отбора турбины до подогревателя
принимаем 5%.
Давление пара у подогревателя ПВД-1 с учетом потерь, бар.
РПВД1=Ротб1·0,95=33,6·0,95=31,92,
Где Ротб1 - давление пара в отборе, бар.
Температура конденсата греющего пара за ПВД-1, С..
ПВД1= 237,3 [3]
Энтальпия конденсата греющего пара за ПВД-1, кДж/кг.
tПВД1= 993,34 [3]
Температура питательной воды за ПВД-1 с учетом недогрева, С.
ПВД1пв= tПВД1- QПВД1ПВД1пв =237,3-2=235,3.
Энтальпия питательной воды за подогревателем, кДж/кг
ПВД1пв=984,97 [3]
Энтальпия греющего пара из отбора по i-s диаграмме, кДж/кг.
отб1=3195,98 [3]
Использованный теплоперепад,кДж/кг.
ПВД1=i0-iотб1
где iо - энтальпия острого пара, кДж/кг.
hПВД1=3511,46-3195,98=315,48
Аналогичным образом рассчитываем другие элементы схемы.
Результаты расчета сводим в таблицу 2.1.
2.1.3 Расчет сетевой подогревательной установки
Рисунок 2.3 - Установка по подогреву сетевой воды
Тепловая мощность блока, МВт.
блmax =1330/5=266
Тепловая нагрузка отборов турбины составит, МВт.отбтур=150
Тепловая нагрузка ПВК, МВт.
пвк= Qблmax - Qотбтур=266-150 =116
Расход сетевой воды, кг/с.
с.в.= Qотбmax/C·∆tс.в =266000/4.186·(150-70)=793.56
Где С - теплоемкость сетевой воды, кДж/кг,
∆t- разность температур прямой и обратной сетевой воды, С.
Доля максимальной нагрузки, покрываемая отборами турбины.
αтэц= Qотбтур/ Qотбmax
αтэц =150/266=0,56
Энтальпия сетевой воды за (СП2) составляет, кДж/кг.
сп2=tос+ Qотбтур/Gc.в.сп2=293,02+150000/793,56=454,88
где tос - энтальпия обратной сетевой воды, кДж/кг.
ос=70ºС=> tос=70·4,186=293,02
Температура сетевой воды, ˚С
сп2= tсп2/4,186=454,88/4,186=109˚
Температура конденсата пара из СП2 с учетом недогрева сетевой воды
составит, ˚С.
сп2н= tсп2+ Qсп2=109+5=114
находим что давление в СП-2 РСП2'=1,64 бар
Давление отборного пара, с учетом потерь на транспорт, бар
Ротб6=Р отб сп2/0,92=1,64/0,92=1,78
Приняв равномерный нагрев сетевой воды в сетевых нагревателях. Определяем
величину нагрева в каждом из них, С
∆t =
∆t =
=89.5-70=19,5
Температура воды за нижним сетевым подогревателем СП1, С
СП1=tОС+Δt
tСП1=70+19,5=89,5
Температура конденсата пара из СП 1 с учетом недогрева сетевой воды
составит, С
сп1н= tсп1+ Qспсп1н =89,5+5=94,5
находим давление в СП 1 РСП1'=0,84 бар
С учетом потери давления пара в трубопроводах давление в первом и втором
теплофикационных отборах составит, бар
Рт1=
Рт1=0,84/0,92=0,91
Рт2=
Рт2=1,64/0,92=1,78
Энтальпия сетевой воды за нижним сетевым подогревателем СП 1:
СП1=tСП1·ССП1=89,5·4,186=376,74 кДж/кг
2.1.4 Определение расходов пара на турбину
Определив энтальпию пара в отборах, рассчитываем значения расходов пара
на подогревателе сетевой воды.
Расход пара на СП 2 составляет, кг/с
пс2=Gсв (tпс2-tпс1)/(iпс2-tк2)0,98пс2=793,56
(454,88-376,74)/(2686,6-454,88)0,98 = 31,4
Расход пара на СП 1 составляет, кг/с
пс1= Gсв (tпс1-tос1)-Дпс2(tпс2-tпс1)0.98/(iпс1-tк1) 0,98пс1=793,56
(376,74-293,3)-31,4(478,5-398.0)0,98/(2616,0-398,0)0,98 =30,46
Коэффициент недоиспользования мощности отопительных отборов:
Для первого ут1= =Нi-hотб7/Hi
ут1=1229,46-867,86/1229,46=0,294
Для второго ут2=Нi-hотб6/Hi
ут2= 1229.46-825,46/1229.46=0,328
где Нi- теплоперепад срабатываемый турбиной, кДж/кг;ОТБ7 и hОТБ6-
теплоперепады, срабатываемые до первого и второго теплофикационных отборов
соответственно, кДж/кг
Принимаем
коэффициент регенерации
Крег=1,19 с последующим уточнением
Расход пара на турбину, кг/с.
т= Крег·(
+ Ут1 Dпс1+ Ут2Dпс2)
где Nэ - электрическая мощность турбоагрегата, кВт;пс1 и Dпс2- расходы
пара на тепло, кг/с.
т=1,19·(
+0,294·31,4+0,328·30,4)=121,62
.1.5 Расчет сепараторов непрерывной продувки
Рисунок 2.4 - Схема сепараторов непрерывной продувки
Расход пара на собственные нужды машинного зала, кг/с
м3сн= hм3сн· Dтм3сн =0,01·121,62=1,22
Где hм3сн -
коэффициент расхода пара на собственные нужды машинного зала.
Производительность парогенератора нетто, кг/с
DПГн= Dт+Dснм3ПГн =121,62+1,22=122,84
Производительность парогенератора брутто, кг/с
ПГбр= Dпг/(1- hсн)ПГбр = 122,84/(1-0,012)=124,33
где hсн - коэффициент
расхода пара на собственны нужды котельного оборудования.
Расход пара на собственные нужды котельного отделения, кг/с
снко= DПГбр- DПГнснко =124,33-122,84=1,49
Расход продувочной воды, кг/с
ПР= DПГбр· hПРПР =124,33·0,015=1,86
где hпр - коэффициент
расхода продувочной воды
Расход питательной воды, кг/с
П.В.= DПГбр+ DПРП.В.=124,33+1,86=126,19
Выпар из расширителя первой ступени, кг/с
DРНП1= GПР(tпр-t’пр)/ i рнп1РНП1= 1,86 (1640,4-670.4)/ 2086,57= 0,86
где tпр - энтальпия
продувочной воды из барабана котла при давлении 130 бар, кДж/кг;’пр - энтальпия продувочной воды из РНП1
при давлении в деаэраторе 6 бар, кДж/кг;РПН1 - теплота парообразования при давлении Pg=6 бар,
кДж/кг.
Расход продувочной воды в расширитель второй ступени, кг/с
пр'=Gпр-ДРПН1пр'=1,86-0,86=1,00
Выпар из расширителя второй ступени, кг/с
РНП2= G"пр. (t’пр-t''пр)/ i рнп2РНП2=
1,00(670,4-496,64)/2206,37=0,08
где t"пр -
энтальпия продувочной воды из РНП2 при давлении в ПНД6 равному 1,96 бар,
кДж/кг;РПН2 - теплота
парообразования при давлении Ротб6=1,96 бар, кДж/кг.
Количество воды сливаемой в техническую канализацию, кг/с
пр"=Gпр'-DРПН1пр"=1,00-0,08=0,92
Внутристанционные потери конденсата, кг/с
Gут =hут ·Dтут =0,015·121,62=1,82
ут=1,5% - коэффициент,
учитывающий потери конденсата.
Расход химически очищенной воды, кг/с
хов=Gпр"+Gут+ Dснкохов =0,92+1,82+1,49=4,23
Энтальпия химически очищенной воды после охладителя непрерывной продувки,
кДж/кг
доб= tхов+ G’’пр.(t’’пр-tсл)/ Gховдоб
=4,186·30+0,92(496.64-251,4)/4,23=178,78
где tхов=tхов·С=30·4,186=125,58 кДж/кг - энтальпия воды сливаемой в техническую канализацию.
.1.6 Расчет регенеративной схемы ПВД
Регенеративная схема с подогревателем высокого давления представлена на
рисунке 2.5
Рисунок 2.5 - Схема включения ПВД в регенеративную схему
Расход пара на ПВД-1 из уравнения теплового баланса, кг/с
= Gп.в.·(tпвд1- tпвд2)/ (iотб1- tотб1)· ηто= 126,19 (984,97-
897,14)/(3195,9-993,34) 0,98=5,73
где ηТО -
КПД теплообменника;пвд1. - энтальпия питательной воды за ПВД 1, кДж/кг;пвд2. -
энтальпия питательной воды за ПВД 2, кДж/кг;отб1 - энтальпия пара из первого отбора , кДж/кг;отб1 - энтальпия конденсата пара из первого
отбора, кДж/кг.
Уравнение теплового баланса для ПВД 2
( tотб1- tотб2)· ηто+ D2.·(iотб2- tотб2)· ηто= Gп.в.·(tпвд2- tпвд3)
Отсюда расход пара на ПВД2 составит, кг/с
= Gп.в.·(tпвд2- tпвд3)- D1( tотб1- tотб2)· ηто./(iотб2- tотб2)· ηто=126,19(897,14-751,71)-5,73(993,34-905,52)0,98/(3104,9-905,52)0,98=8,7
где tпвд3 -
энтальпия питательной воды за ПВД3, кДж/кг;отб2 - энтальпия пара из второго отбора, кДж/кг;отб2 - энтальпия конденсата из второго
отбора, кДж/кг.
Тепловой баланс для ПВД 3
(D1+ D2)·(tотб2- tотб3)· ηто+ D3·(iотб3- tотб3)· ηто= Gп.в.·(tпвд3- tпв)
Энтальпию питательной воды на входе в ПВД3 определяем с учетом нагрева её
в питательном насосе, кДж/кг
tпэн = tпв+∆tпэн
∆tпэн -
повышение энтальпии питательной воды в питательном насосе:
∆tпэн=
=
∆tпэн =22590Дж/кг=22,59кДж/кг
∆Рпн =Рб-Рд
где ∆Рпн = (160-6+1)=153- перепад давления в питательном насосе,
бар;
ηПЭН - КПД питательного насоса;ср - удельный объем воды, при
температуре 158С, м/кг.
Энтальпия воды за питательным насосом, кДж/кг
пвпэн=664,86+22,59=687,45
Расход пара на ПВД3, кг/с
= 126,19 (751,71- 687,45) - (5,73 + 8,7) (905,52 - 766,08) 0,98 / (2966,8
-766,08) 0,98 = 2,91
отб3 - энтальпия пара
из третьего отбора, кДж/кг;отб3 - энтальпия конденсата пара из третьего отбора, кДж/кг.
2.1.7 Расчет деаэратора
Рисунок 2.6 - Схема деаэратора
Материальный баланс для деаэратора:
ПВД + DРНП1+ DД+ Gок+ Gдоб= Gп.в.+ Gут
где Dпвд=D1+D2+D3 - дренажи конденсата греющего пара ПВД 1,ПВД 2,ПВД 3
соответственно, кг/с;рнп - выпар из РНП1, кг/с;д - расход пара,из отбора на
деаэратор,кг/с;ок - расход деаэрируемого конденсата из ПНД, кг/с;доб - расход
добавочной воды, кг/с;пв - расход питательной воды, кг/с;ут - потери
питательной воды с утечками, кг/с.
.34+0.86+Dд+Gок+4.23=126,19+1.82ок+Dд=106,58
Тепловой баланс для деаэратора:
ПВД· tотб3+DРНП1· iРНП1+ Дд· iотб3+ Gок·tпнд4 + Gдоб·tдоб=(Gп.в.+Gут)
tп.в.
где tотб3 - энтальпия конденсата третьего отбора, кДж/кг;РНП1 - энтальпия
выпара из РНП1, кДж/кг;отб3 - энтальпия греющего пара из третьего отбора ,
кДж/кг;пнд4 - энтальпия конденсата за ПНД-4, кДж/кг;доб- - энтальпия
химочищенной воды, кДж/кг;пв - энтальпия питательной воды после деаэратора,
кДж/кг.
Решая эту систему, находим расходы пара и конденсата в деаэратор, кг/с.
Соответственно:
д =1,83 и Gок =105,05
.1.8 Расчет регенеративной схемы ПНД
Рисунок 2.7 - схема включения групп ПНД
Уравнение теплового баланса для ПНД 4:
(iотб4- tотб4)· ηто=Gок·(tпнд4- tпнд5) (2.1)
Отсюда находим расход пара на ПНД 4, кг/с.
= (Gок·(tпнд4- tпнд5)/ (iотб4- tотб4)· ηто (2.2)
Где
ηто-КПД теплообменникапнд4 -энтальпия основного конденсата за ПНД 4,кДж/кг;пнд5 -энтальпия основного конденсата за ПНД
5, кДж/кг;отб4 -
энтальпия пара из 4-го отбора, кДж/кг;отб4-энтальпия конденсата из 4-го отбора, кДж/кг;ок - расход
основного конденсата в деаэратор, кДж/кг.
= 105,05(623,55-524,21)/(2831,6-640,2900,98=4,86
Уравнение теплового баланса для ПНД5:
·(tотб4- tотб5)· ηто+ D5·(iотб5- tотб5)·ηто=Gок( tпвд5- tсм1) (2.3)
В этом уравнении неизвестны две величины:
Расход пара из отбора на ПНД5=>D5 и энтальпия основного конденсата
после первой точки смешения tсм1
Составим уравнения материального и теплового балансов для первой точки
смешения и запишем все три уравнения в системе:
·(tотб4- tотб5)· ηто+ D5·(iотб5- tотб5)·ηто=Gок( tпвд5- tсм1)
(2.4)ок=Gок'+Dрнп2+ D4+ D5+ D6 (2.5)ок· tсм1= Gок.'·tпнд5+(Dрнп2+ D4+ D5+ D6)·
tпнд6 (2.6)
В этой системе неизвестны 4 величины D5, tсм1, расход основного
конденсата через ПНД6 Gок' и расход пара из отбора на ПНД6.
Добавим систему уравнение теплового баланса для ПНД6:
( tотб4- tотб5)·ηто+ D5.·(iотб5- tотб5)· ηто= Gок.·(tпнд5- tсм1) (2.7)
Gок=Gок'+Dрнп2+ D4+ D5+ D6 (2.8)
Gок· tсм1= Gок.'·tпнд5+(Dрнп2+ D4+ D5+ D6)· tпнд6 (2.9)
[D6·(iотб6- tотб6)+Dрнп2·(iрнп2-tотб6)+(D4+ D5)·(tотб5- tотб6)]·ηто=Gок.'·(tпнд6- tсм2) (2.10)
В этой системе неизвестны 5 величин: D5, tсм1, Gок', D4 и энтальпия
основного конденсата после второй точки смешения tсм2.
Добавим в систему уравнений уравнения материального и теплового балансов
для второй точки смешения:
-( tотб4-tотб5)· ηто+ D5.·(iотб5- tотб5)· ηто= Gок.·(tпндl5- tсм1)
(2.11)ок=Gок'+Dрнп2+D4+D5+ D6 (2.12)ок·tсм1=Gок.'·tпнд5+(Dрнп2+ D4+ D5+ D6)·
tпнд6 (2.13)
[D6·(iотб6- tотб6)+ Dрнп2·(iрнп2- tотб6)+(D4+ D5)·(tотб5- tотб6)]·ηто=Gок.'·(tпнд6-
tсм2)ок'·tсм2Gок.·tпнд+(Dт1+Dт2)· tсм1'
(2.15)ок'·tсм2=Gок."·tокпнд7+(Dт1+Dт2)·tпс (2.16)
В получившейся системе имеем 6 неизвестных величин: D5, tсм1, Gок', D6,
tсм2, Gок"
Предварительно оцениваем энтальпию основного конденсата после первой
точки смешения tсм1 =483 кДж/кг с последующей проверкой по балансу. Определяем
расход пара на ПВД-5, кг/с:
= D4·(tотб4-tотб5)·ηто -Gок.·(tпнд5- tсм1)/.·(iотб5- tотб5)· ηто (2.17)=
4,86(640,29-540,96)0.98-105,05(524-483)/(2726-540.96)=1,786
где iотб5-энтальпия
пара из пятого отбора, кДж/кг;отб5-энтальпия конденсата пара из пятого отбора, кДж/кг.
Выразим из уравнения (2.12) расход пара из отбора на ПНД6, кг/с
=Gок- Gок- Dрнп2-D4- D5 (2.18)
Подставив полученное выражение в уравнение (2.14)
ок·(tпвд6- tсм2)=[(Gок- Gок'-Dрнп2- D4- D5)· (iотб6- tотб6)+
Dрнп2·(iотб2- tотб2)+
(D4+D5)·(tотб5- tотб6)]· ηто (2.19)
где tпвд6 -энтальпия основного конденсата после ПНД-6, кДж/кг;см2
-энтальпия основного конденсата в точке смешения, кДж/кг;ок' - расход основного
конденсата через ПНД-6, кг/с.
Выразим из него энтальпию основного конденсата после второй точки
смешения:
см2=tпнд6[(Gок-G’ок-Dрнп2-D4-D5) (iотб6- tотб6)+ Dрнп2·(iотб2- tотб2)+ /
G’ок
(D4+D5)·(tотб5- tотб6)]· η / G’ок (2.20)
Полученное выражение подставим в уравнение (2.16)
ок (tпнд6[(Gок-G’ок-Dрнп2-D4-D5) (iотб6- tотб6)+ Dрнп2·(iотб2- tотб2)+ /
G’ок= Gок."·tпнд7+(Dт1 Dт2)· tсм1 (2.21)
Упростим выражение, раскрыв скобки из первой части
Gок'·tпнд6+[(Gок- Gок'-Dрнп2-D4- D5)·(iотб6- tотб6)+ Dрнп2·(iрнп2-
tотб6)+(D4+D5)·(tотб5-tотб6)]·ηто= Gок"· tпнд7+(Dт1+Dт2)· tсм1
(2.22)
Из этого уравнения выразим расход основного конденсата через ПНД-7, кг/с
ок"= Gок'·tпнд6+[(Gок- Gок'-Dрнп2-D4- D5)·(iотб6- tотб6)+
Dрнп2·(iрнп2- tотб6)+(D4+ D5)·(tотб5- tотб6)]·ηто -(Dт1-Dт2)· tсм1 / tпнд7 (2.23)
Таким образом мы получим уравнение в котором неизвестна только одна
величина-расход основного конденсата через
ПНД6.
Подставляя численные значения в уравнение (2.23) находим методом подбора
расход основного конденсата через ПНД-6, кг/сок'=84,32
Подставив это значение в уравнение (2.18) найдем расход пара из отбора на
ПНД-6, кг/с
=Gок-Gок'-Dрнп2-D4-D5=105,05-84,32-0,08-4,86-1,786=14,00
Уточним значение энтальпии основного конденсата после первой точки
смешения, подставив численные значения Gок', D5 и D6 в уравнение системы (2.13)
см1= Gок.'·tпнд5+(Dрнп2+ D4+ D5+ D6)· tпнд6 / tсм 1
Итого энтальпия в точке смешения равна, кДж/кг
tсм1= 84,32 479,72+(0,08+4,86+1,786+14,00)496,46/105,05 =483,00
Ошибки расхождения между принятым tсм1=483 кДж/кг и получившимся нет.
Расхождений с предварительно оцененным значением нет, поэтому нет
необходимости повторно рассчитывать ранее найденные значения расходов Gок', D5
и D6.
Расход основного конденсата через ПНД7,кг/с
ок"= Gок'-Dт1-Dт2ок"=84,32-31,4-33,4=19,32
Уравнение теплового баланса для ПНД7:
ок"·(tпнд7- tк)= D7·(iотб7-tотб7)· ηто
где tк-энтальпия
основного конденсата после охладителей пара с
с уплотнения эжектора, кДж/кг
к= tн+∆tсп+эжк =147,6+50,16=197,76
где ∆tсп+эж=12°С - недогрев воды в сальниковых и эжекторном подогревателяхн - энтальпия
конденсата после коденсатора, кДж/кг
Расход пара из отбора на ПНД7, кг/с
D7= Gок"·(tпнд7- tк)/ (iотб7-tотб7)· ηто=
19,92(388,8-197,76)/(2616,6-396,83)0,98=1,6
где iотб7-
энтальпия пара из седьмого отбора, кДж/кг;отб7-энтальпия конденсата пара из седьмого отбора, кДж/кг.
Расход пара в конденсатор, кг/с
Рк= Gок"- D7
Рк =19,32-1,6=17,32
Проверка материального баланса пара на турбину, кг/с
т=Dк+D1+D2+D3+Dд+D4+D5+D6+D7+Dт1+Dт2т
=17,32+5,73+8,7+2,91+1,83+4,86++1,786+14,00+1,7+31,4+34,4=120,96
,96-121,62·100% /120,96= 0,54%
Проверка по балансу мощности
Внутренняя мощность турбины,МВт
=∑Di hi=5,73·315,48+8,7·406,55+(2,91+1,83)·544,57+(14,0+33,4)·679,77+1,786785,4+14,00·824,4+(1,6+31,4)·894,4+17,32·1229,46=103,039
Электрическая мощность турбоагрегата, МВт
э= Ni·ηэмэ =103,039·0,98=100,97
Небаланс мощности, МВт
∆N=Nэ-Nэном
∆N =100-100,97=0,97
Уточняем расход пара на турбину, кг/с
∆Dт= Крег·
∆Dт =1,19·100,97/1229,46 0,98=0,099
Уточнение расхода пара, кг/с
т'=Dт+ ∆Dтт'=121,62+0,099=121,719
Уточняем коэффициент регенерации:
Крег'= Крег·(Dт'/ Dт)
Крег'=1,19(121,719/120,62)=1,2008
Ошибка расхождений:
,2008-1.19·100% /1,19= 0,9075%
Ошибка не значительная, поэтому пересчета не требуется.
2.2 Расчет показателей тепловой экономичности ТЭЦ
Расход тепла на котёл, кВт:
где Qт- - тепловая мощность котла, МВт;т - производительность котла по
пару, кг/с;пр - расход продувочной воды, кг/с
Полный расход топлива, кг/с:
Полный расход тепла на турбоустановку, кВт:
=121,719(3511,46-984,97)+0,86(2756,55-984,37)+0,08(2704,84-984,97)-
,23(984,97-178,78)=305942,199
где Qту - расходуемая тепловая мощность,МВт;т - расход перегретого пара на
турбоустановку, кг/с;рнп - расход выпара из расширителей непрерывной продувки,
кг/с;хов - расход добавочной воды, кг/с;пв - энтальпия питательной воды,
кДж/кг;- энтальпия перегретого пара, кДж/кг;хов - энтальпия добавочной воды,
кДж/кг;
Тепло отдаваемое тепловому потребителю, кВт:
т=Dт1·( iотб7-tс.в)+Dт2·(iотб6- tс.в)т
=33,4(2616,6-293)+31,4(2686,6-293)=158224,906
где Qт - тепло отдаваемое тепловому потребителю, кВт;т1, Dт2 - расходы
пара на сетевые подогреватели, кг/с;св - энтальпия обратной сетевой воды,
кДж/кг.
Затраты тепла на выработку электроэнергии, кВт.
туэ=Qту-Qттуэ =305942,199-158224,906=147717,293
Расход топлива на выработку электроэнергии, кг/с:
где
кВт;
кВт;
где
Удельный расход топлива на выработку электроэнергии, кг/кВт·ч:
Расход топлива на выработку тепла, кг/с:
где
Удельный расход топлива на выработку тепла, кг/ГДж:
где
Пересчет на условное топливо:
2.3 Выбор вспомогательного оборудования
.3.1 Регенеративные подогреватели
Тип и мощность, устанавливаемой турбины, предопределяют типы отдельных
элементов вспомогательного оборудования, так как заводы изготовители турбин
поставляют их вместе со вспомогательным оборудованием по типовой спецификации
для каждой турбины.
Подогреватели высокого и низкого давления выбираем по заводским данным,
для турбины Т-100/120-130-3 так их характеристики удовлетворяют значениям,
полученным в ходе расчета ПТС.
ПВД 1: ПВ425-230-37,
где 425-площадь
нагрева, м2;
-максимальное давление в трубной системе, бар;
-максимальное давление в корпусе, бар.
ПВД 2: ПВ425-230-25;
ПВД 3: ПВ425-230-13:
Подогреватели низкого давления выбираем по [5]
ПНД 4: ПН-250-16-7-IV;
ПНД 5: ПН-250-16-7-IV;
ПНД 6: ПН-250-16-7-IV;
ПНД 7: ПН-250-16-7-III;
2.3.2 Деаэратор
Деаэраторы выбирают по пропускной способности деаэрационной колонки /3/.
Объем баков рассчитывается на пятиминутный запас воды.
Выбираем деаэратор смешивающего типа повышенного давления ДСП-500-М с характеристиками:
емкость -10,5 м3;
давление -6
бар;
производительность -500
т/ч;
аккумуляторный бак:
емкость -100 м3;
давление -7
бар.
.3.3 Сетевые подогреватели
Сетевые подогреватели устанавливаются без резерва. Выбор ведется по
пропускной способности пара и воды с учетом их давлений. Выбор производим по
/3/.
Нижний сетевой подогреватель:
ПСГ-2300-2-8-1
Где
ПСГ - подогреватель сетевой горизонтальный;
- площадь поверхности теплообмена, м;
2- давление пара, бар;
- давление сетевой воды, бар;
номинальный расход сетевой воды - G = 972,2 кг/с;
номинальный расход пара - D = 47,2 кг/с;
давление пара Рп = 0,03-0,2 Мпа;
давление воды Рв - 0,88 Мпа;
максимальная температура сетевой воды на входе t =115С
Верхний сетевой подогреватель:
ПСГ-2300-3-8-2
где ПСГ - подогреватель сетевой горизонтальный;
- площадь поверхности теплообмена, м;
3- давление пара ,бар;
- давление сетевой воды, бар;
номинальный расход сетевой воды - G = 972,2 кг/с;
номинальный расход пара - D = 47,2 кг/с;
давление пара Рп = 0,06-0,25 Мпа;
давление воды Рв - 0,88 Мпа;
максимальная температура сетевой воды на входе t = 120С
.3.4 Выбор питательных насосов
Питательный насос выбираем по производительности (с запасом 7%) и напору,
м/ч
=G·1,07·3,6=121,62·1,07·3,6=509,7=1,4· Р0=1,4·127,5=178,51 м.вод.ст.
Для блоков с давлением пара 15Мпа и мощностью до 200МВт устанавливают
один насос с электроприводом и гидромуфтой.
Выбираем питательный электронасос ПЭ 580-185 с характеристиками:
где производительность-580 м/ч;
напор-2030 м вод.ст.;
частота вращения -2904
об./мин;
КПД-80%
Мощность электродвигателя ПЭН
Рн=1,05·
Рн =
=3,82
где D-производительность,
м3/с;
Рн- мощность электродвигателя ПЭН, МВт;
γ-плотность питательной воды [3], кг/м3
.3.5 Выбор конденсатных насосов
Устанавливаем два конденсатных насоса, по 100% производительности каждый.
Насосы выбираются по производительности (расход конденсата в летний период) без
отопительного отбора, но с учетом регенерации и напора.
=Dк+Dт1+Dт2=(17,32+33,4+31,4)3,6=304,8
где D - производительность насоса, т/ч
Не имея точных данных, для определения напора КН, принимаем, равным 80
м.вод.ст.
Выбираем конденсатные насосы КсВ 320-160 с характеристиками:
подача -320 м3/4;
напор -160 м.вод.ст.;
частота вращения -1500
об/мин;
мощность -185
кВт;
КПД -75%.
.3.6 Выбор циркуляционных насосов
Расход циркуляционной воды на одну турбину по заводским данным
составляет: 16000 м3/ч.
Число блоков на станции - 5. Насосы размещаем в центральной береговой
насосной (четыре штуки), так как их установка в машинном зале, из расчета два
насоса на один блок, потребует большего количества насосов.
Расчетный расход цирк. воды на ТЭЦ составит:
=5·16000=80 м3/ч
Выбираем насосы типа ОП2-110 с характеристиками:
производительность Q =21960 м3/4;
полный напор -
16,2 м.вод.ст.;
число оборотов -485
об/мин;
КПД-80-87%;
Необходимое количество насосов на береговой, шт
П=Qр/Q=80000/21960=4
Мощность электродвигателя, кВт
Р=
.3.7 Выбор сетевых насосов
Выбор производится по производительности и напору. Сетевые насосы
устанавливаем из расчета два штуки на турбину, рассчитывая их на 50%
производительность.
Производительность СН, м3
=Gсв/2 3,6=793,56/2 3,6=1428,4
Не имея точных данных, для определения напора СН принимаем равным 60
м.вод.ст. выбираем СН СЭ 1800-70 с характеристиками:
подача -1800 м3/4;
напор -70 м.вод.ст.;
частота вращения -1500
об/мин;
мощность -295
кВт;
КПД -82%.
3. Генплан и компоновка главного корпуса. Разработка схем топливоподачи,
пылеприготовления, золошлакоудаления, водоснабжения
.1 Проектирование топливного хозяйства
В качестве топлива на ТЭЦ по заданию используется бурый уголь Б2.
Ирша-Бородинского месторождения со следующими характеристиками.
Таблица 4.1 -Характеристики
угля
|
W1р, %
|
А1р, %
|
Sк+4р, %
|
С1р, %
|
Н1р, %
|
N1р, %
|
O1р, %
|
|
33
|
6
|
0,2
|
43,7
|
3
|
0,6
|
13,5
|
|
Qнр,кДж/кг
|
V1р, %
|
t1, ˚C
|
t2, ˚C
|
t3, ˚C
|
V10, м3/кг
|
Vр0, м3/кг
|
|
15700
|
48
|
1180
|
1210
|
1230
|
3,62
|
4,39
|
По t3=1230˚C выбираем на устанавливаемом котлоагрегате твердый тип
шлакоудаления [3].
.1.1 Определение расходов топлива на ТЭЦ
Расчетный расход топлива на работу парогенератора определяются из
следующего соотношения:
Врас = Dпе·(iпе- tп.в.)+Dпр(tпр- tп.в.)/ Qр
Врас=121,719(3511,46-984,97)+1,86(1640,4-984,97)/15700 0,912=21,55
где Врос - расчетный расход топлива, кг/с;пе - производительность котла
по пару, кг/с;пр - расход продувочной воды, кг/с;р - низшая теплота сгорания
топлива, кДж/кг
Часовой расход топлива на ТЭЦ составляет, т/ч.
В∑= Врас·n
В∑= 21,55·5=107,79 · 3,6 =387,9
где n-число котлов на
ТЭЦ.
.1.2 Приемно-разгрузочное
устройство
По расходу топлива на станции используем два вагоноопрокидывателя
роторного трех опорного типа, один из которых - резервный. Характеристики
вагоноопрокидывателя:
число опрокидываний за 1 ч-30;
теоретическая производительность 2790/1800 м/ч (при разгрузке 90 т, 60т
вагонов, соответственно);
мощность электродвигателя 2х36 кВт.
Применение вагоноопрокидывателей экономически целесообразно на тепловых
электростанциях с расходом топлива свыше 150 т/ч. Разгрузочное устройства с
вагоноопрокидывателями позволяют снизить количество эксплуатационного персонала,
занятого на разгрузке, уменьшить длительность простоя ж/д полувагонов на
территории ТЭЦ, разгружать большое количество топлива в минимально короткие
сроки.
В России разработаны и применяют следующие типы вагоноопрокидывателей:
роторный (круговой) - разгружает вагоны поворотом их вокруг продольной
оси на угол до 175˚;
боковой - разгружает вагоны подъемом и опрокидыванием их поворотом на
консольной платформе;
торцевой - разгружает вагоны наклоном их в сторону одного из торцов.
Для разгрузки вагонов грузоподъемностью до 125 т применяют разгрузочные
устройства с роторными вагоноопрокидывателями. Производительность таких
вагоноопрокидывателей принимается исходя из 10 циклов в час, т.е. 10 вагонов
грузоподъемностью 93 и 125 т, и 12 циклов в час для вагонов грузоподъемностью
60 т. При поступлении вагонов различной грузоподъемности за расчетный вагон
условно принимается вагон средневзвешенной грузоподъемности.
Топливо (уголь, сланец) разгружается из вагонов в приемный бункер,
расположенный под вагоноопрокидывателем. Для предотвращения налипания и
зависания топлива, стенки бункера обогреваются. Верхняя часть бункера перекрыта
решетками, размер ячейки которых зависит от крупности поступающего топлива.
Для мелкого топлива размер ячейки принимается 350х350 мм, для крупнокускового-550х550 мм. Угол наклона стенок
бункера должен быть не менее 55˚. Из бункеров топливо подается ленточными
питателями. Если после питателей для предварительного дробления крупнокускового
топлива устанавливают дискозубчатые дробилки, то для предотвращения их поломок
от случайных металлических предметов, попавших в топливо, в качестве приводного
барабана питателей применяют шкивной магнитный сепаратор. Надвиг груженных
вагонов в вагоноопрокидыватель и откатка порожних - механизированы. Управление
вагоноопрокидывателем и механизмами по надвигу и откатке вагонов осуществляется
оператором со щита управления, расположенного в разгрузочном устройстве.
Для дробления крупных кусков и смерзшихся глыб топлива на решетках
бункеров устанавливают дробильно - фрезерные машины, а для зачистки вагонов от остатков топлива
на вогоноопрокидывателе установлены вибраторы.
.1.3 Ленточные конвейеры
Суточный расход топлива на станции составляет, т
Всут= В∑·24
Всут =387,9·24=9309,6
Топливо подается в котельный цех двумя параллельными линиями (нитками)
ленточных конвейеров, одна из которых рабочая, другая резервная.
Расчетная производительность (часовая) каждой нити, т/ч.
Врас= Всут/Т
Врас =9309,6/21=443,3
где Т - число часов
работы топливоподачи, ч.
Производительность ленточного конвейера (Т/4) приближенно определяется,
т/ч
Вл= в2·с·γ· КL
где в - ширина ленты;
с - скорость ленты, м/с;
γ - рассыпной вес топлива, т/ м3;
Кα
- коэффициент, учитывающий угол
естественного откоса топлива на ленте.
Принимаем в =1000 мм; с =2 м/с [7]; γ =0,85 т/ м3 [3]
Кα
- [3] (при использовании
ленты конвейера желобного типа и значении угла естественного откоса для бурого
угля 45˚ [3])
Вл= 1·2·0,85·375=657,5
Мощность на вал проводного барабана ленточного конвейера без
сбрасывающего устройства, кВт определяем по формуле:
Wб=
где z-длина конвейера
между центрами приводного и концевого барабанов, м;
Н-высота подъема по вертикали между
центрами приводного и концевого барабанов, м;
Кz-коэффициент, зависящий от длины лент;
К1- коэффициент, зависящий от ширины
лент;
Принимаем длину конвейера z =50 м;
высота подъема Н =5 м; Кz=1; К1=515 [3].
Мощность на валу приводного барабана:
б=[(515 х 50 х2 +2 х 657,5 х 50 +37 х 657,5х5) /(1000 х 1,36)] х1 =175,65
где Вл -
производительность конвейера, т/ч.
Мощность, потребляемая электродвигателем приводного станции, кВт:
эл=
эл=1,25 х175,65/0,95 х 0,96 = 240,75
где К3 - коэффициент запаса [3];
ηэд - КПД электродвигателя [3];
ηд - КПД редуктора [3].
.1.4 Дробилки
Принимаем на проектируемой станции двухступенчатое дробление. Ввиду
высокой влажности топлива, используем молотковые мельницы, с подвижной
дробильной и отбойной плитами и с очистными устройствами. По расходу топлива на
котлоагрегат Врас=77,4 т/ч выбираем производительность 67÷105
т/ч дробление типа СМ-19А с характеристиками:
производительность - 67÷105 т/ч;
диаметр ротора -1000 мм;
длина ротора -800 мм;
частота вращения -1000 об/мин;
мощность электродвигателя -125 кВт.
Емкость бункера сырого угля, м3
б=
б =21,55 х 5/0,85 0,8=158,45
где К3 - коэффициент
заполнения примесей [3];
ч - число часов работы котлоагрегата на
топливе, занесенном в бункере.
Для передачи угля из бункера использует ленточный питатель с шириной
ленты 400 мм, длиной 3,2 м. Производительность при высоте слоя 0,2 м-35-80 м3/ч;
требуемая мощность-1кВт.
.1.5 Топливные склады
Для обеспечения электростанции топливом создают резервные его запасы:
оперативный резерв - в
бункерах главного корпуса и в расходном складе, долговремнный резерв - на резервном складе.
Для ГРЭС и ТЭЦ емкость склада угля принимается в расчете на месячный
расход, исчисляемый исходя из 20-часовой работы в сутки всех рабочих
парогенераторов.
Топливо на складе укладывают в штабеля. Форма штабелей угля на плане
зависит от занимаемой складом территории и от типа применяемых на складе
основных механизмов. Высота штабелей для этого топлива не ограничивается, и
обуславливается лишь техническими возможностями складских механизмов.
Площадь, непосредственно занятую топливным складом, рассчитываем по
формуле, м2
=
где n-число суток
запаса топлива на складе;-высота
штабеля, м;
φ-коэффициент учитывающий угол
естественного сползания топлива в штабеле;
Принимаем: n=30 сут; h=15 м; φ=0,85.
=(24 х 387,9 х30)/ (15 х0,85 х 0,85) =25770,5
.2 Выбор механизмов системы пылеприготовления
Для Ирша-Бородинского бурого угля принимаем схему пылеприготовления с
прямым вдуванием с молотковыми мельницами. Устанавливаем по 3 мельницы на
котел, при этом расчетная производительность каждой из них составляет 135%.
Расчетная производительность мельницы, т/ч.
где Кло-коэффициент
размолоспособности [3];число мельниц, шт.
Принимаем молотковые тангенциальные мельницы ММТ-2000/2590/590 с характеристиками:
Производительность -40
т/ч;
диаметр ротора -2000
м;
длина ротора -2590
м;
частота вращения -590
об/мин;
мощность электродвигателя - 630 кВт.
.2.1 Дутьевые вентиляторы и дымососы
Устанавливаем один дымосос и один вентилятор. Дутьевой вентилятор и
дымосос выбираются по производительности и напору, м3/с
внсб=1,05·Вр·V0(αт·∆ αт-∆ αпп+∆ αввп)·
;
Где-теоретическое
количество воздуха по табл. 2.1;
αт -коэффициент избытка воздуха в топке [3];
∆ αпп -присос
воздуха в систему пылеприготовления;
∆ αввп -относительная
утечка воздуха [3];хв -температура
холодного воздуха, С;
внсб=1,05·20,68·3,62·(1,2-0,08-0+0,05)·
=102,07
Расчетная производительность дымососа:
VД= Вр·[Vр0+(αg-1)·V0·
]
г0 -теоретический
объем продуктов сгорания [табл.2];
αD -коэффициент избытка воздуха перед
дымососом;-температура
газов у дымососа, ˚С;
Д= 21.55·[4.39+(1.5-1)·3.62·
] =208,87
Расчетный напор РВ и дымососа, кПа
Н=1,1∑ Нпот,
где Нпот -суммарный
перепад давления по воздушному и газопроводному тракту с учетом самотяги
вертикальных участков.
Принимаем суммарный перепад давления по воздушному тракту Нпот=4кПа [3].
Расчетный напор дутьевого вентилятора:
Н=1,1·4=4,4
Выбираем дутьевой вентилятор типа ВДН-18 11у с характеристиками:
производительность -117/88 м3/с;
полное давление - 3500/2000 Па;
температура газа - 30˚С
КПД -85%;
частота вращения -980/740 об/мин;
мощность - 200/85 кВт.
Принимаем суммарный перепад давления по газопроводному тракту Нпот=3 кПа
[3].
Тогда расчетный напор дымососа, кПа
Н=1,1·3=3,3
Выбираем дымосос типа ДН-22х2 с характеристиками:
производительность-285
м3/с;
полное давление -3300
Па;
температура газа -200˚С
КПД -83%;
частота вращения -744
об/мин;
мощность -345
кВт.
Рисунок 3.1 Схема топливоподачи пылеугольной ТЭЦ
- размораживающее устройство; 2 - электротележка - толкатель; 3 -
разгрузочное устройство; 4 - конвейеры от разгрузочного устройства; 5 - узел
пересыпки; 6 - конвейеры в дробильный корпус; 7 - дробильный корпус; 8 -
конвейеры в главный корпус; 9 - главный корпус; 10 - конвейер на склад; 11 -
конвейер со склада; 12 - загрузочный бункер; 13 - узел пересыпки; 14 - конвейер
в узел пересыпки; 15 - погрузочная машина; 16 - склад топлива
3.3 Золоулавливание
Улавливание твердых частиц из потока дымовых газов осуществляется
электрофильтрами, четырехпольными горизонтальными ПГД-4х50, при этом скорость газов в
активном сечении составит 1,3 м/с, что позволяет электрофильтрам работать с КПД
около 98% [3].
Выбор в качестве золоулавливающего устройства электрофильтров обусловлен
следующими причинами:
Высокое содержание свободной извести в золе (CaO-32%) не позволяет использовать мокрые
золоуловители, а проектирование станции в промышленном городе обязывает
использовать золоулавливающие устройства с максимальной степенью очистки.
Расход летучей золы на входе в фильтр кг/ч:
Мзолвх=0,01·В·Qун Ар+0,01·В·qн·Qн/32700=0,01· 77580·0,95 ·
6+0,01·77580·0,5·15700/32700=4422,25
где В -часовой расход
сжигаемого топлива, кг/ч;ун -доля золы, уносимая газами [10];н -потеря тепла с механическим недожогом [3].
Расход летучей золы в дымовую трубу, кг/ч
Мзолвх= Мзолвх·
Мзолвх =4422,25·
=88,136
где ηзу-КПД
золоуловителей.
Расход золы удаляемой гидрозолоудалением, кг/ч
Мзол= Мзолвх- Мзолвых
Мзол =4422,25-88,136=4334,114
Выбираем электрофильтры три /3/ типа:
ПГД - 4 х 50;
габариты - 20,2х10х15,
число секций -2шт;
вес механического оборудования -148,1 т;
с горизонтальным ходом газов.
.4 Золоудаление
Удаление шлака из под топок, устанавливаемых котлоагрегатов,
осуществляется непрерывно, с помощью шнекового транспортера, передвигающегося в
заполненной водой ванне. С транспортера шлак сбрасывается на шлакодробилку, где
дробится на куски не более 50 мм, затем поступает в самотечный канал. Для
транспортирования золы и шлака за пределы станции применяются багерные насосы.
Транспортирование шлака и золы на золоотвал осуществляется по общему
трубопроводу [4].
Сжигание на электростанциях твердого топлива приводит к большому выходу
золошлаковых материалов, требующих утилизации. Для сбора золы и шлака котельных
установок, отпуска их потребителю, транспорта золошлаковых материалов внутри
здания главного корпуса, на площадке ТЭЦ и за ее пределами, для складирования
их в золоотвалах и предотвращения вредного воздействия последних на окружающую
среду создают системы золошлакоудаления, образующие золовое хозяйство станции.
Показатели системы ГЗШУ должны быть допустимыми в экономическом и эффективном
отношении. После гидротранспорта шлак складируется на поверхности земли в
золоотвалах.
В системе гидрозолошлакоудаления для подачи воды используют следующие
группы насосов: смывные насосы-для подачи воды к побудительным соплам в каналах. В насосах осветленной
воды устанавливают два рабочих и один резервный насос.
Для осветления сточной воды золоотвалов до состояния, позволяющего
использовать в оборотном водоснабжении системы ГЗУ, на золоотвалах оборудуют
отстойные пруды.
Суммарное количество золы и шлака, удаляемого со станции, кг/ч
Мшл.з.=0,01·В·(Ар+qн·
=0,01·77580·(6+0,5·15700/32700) [1-0,95(1-98/100)]=4528,07
Расход воды,кг/ч
Мв= 12· Мшл.з
Мв =12·4528,07=54336,84
Расчетный расход пульпы ,м3/ч
= Мшл.з / γшл,зол. +Мв / γв=4,528/0,5+54,336/1=62,852
Где γшл, зол, γв-соответственно удельный вес шлака, золы, воды, т/м3.
Диаметр шлакопровода, м.
=
=4х62,852/3600х3,14х1,7=0,115
Расчетный расход пульпы для пяти котлов,м/ч
=62,852х5=314.26
где V -расчетная
скорость потока пульпы [3], м/с.
По расчетному расходу пульпы выбираем багерный насос типа Гру-12;
Производительность -250-500
м3/ч;
давление на выходе из насоса - 0,21-0,17Мпа;
мощность на валу насоса - 26,4- 46,2 кВт;
мощность -55
кВт;
число оборотов -985
об/мин.
В багерной насосной устанавливаем 3 насоса: один рабочий, один резервный,
один в ремонте.
В системе ГЗШУ для подачи воды используются следующие группы насосов:
Смывные насосы - для подачи воды к побудительным соплам в каналах. В
насосах осветленной воды устанавливают один рабочий и один резервный насос. Для
осветления сточной воды золоотвалов до состояния, позволяющего использовать в
оборотном водоснабжении системы ГЗШУ,на золоотвалах оборудуются отстойные
пруды.
.5 Расчет выбросов и выбор дымовой трубы
Выбор высоты и количество устанавливаемых труб производятся таким
образом, чтобы загрязнение слоя воздуха выбросами из труб не превышает ПДК
вредных примесей.
Выбросы золы, г/с.
Мзол=
Мзол =38700х 0,36·
[(
)·
·0.95++
]=63,8
Выбросы оксидов серы, г/с.
МSO2=
0,02 х 38700х 0,36··0,2=413,6
Выбросы оксидов азота, г/с.
МNO2=0.34· 10-7·K·B· Qнр·(1- q4/100)·B·(1- E1·r)· В2·В3·Ес=
=0,34·10-7·4,771·107750·15700(1-0,5/100)·10775·(1-0,005·0,3)·0,85·1·0,75=61
где К -
коэффициент,характеризующий выход оксидов азота [10];
В - расход топлива, г/с;
В1 - коэффициент,
учитывающий влияние на выход оксидов азота качества сжигания топлива [10], ;
У1 - коэффициент,
характеризующийэффективность воздействия рецеркули-руемых газов [10];- степень рецеркуляции дымовых газов
[10];
В2 - коэффициент,
учитывающий конструкцию горелок [10];
В3 - коэффициент,
характеризующий снижение выбросов.
Приведенная масса вредных примесей, г/с.
М=MSO2+· MNO2+ Мзол =413,6+61+63,8=538,4
Суммарная масса вредных примесей пересчитывается на выбросы оксидов серы.
Отношение среднесуточных ПДК в этой формуле является коэффициентом, учитывающим
вредность золы и оксидов азота по сравнению с оксидами серы.
Минимально допустимая высота дымовой трубы, м.
Н=
где А - коэффициент,
учитывающий условия вертикального и горизонтального рассеяния (конвентивной
диффузии) примеси в воздухе, принимаем равным [3];-коэффициент, учитывающий характер
выбрасываемых загрязнений, принимаем [3];- коэффициент, учитывающий влияние скорости выхода газов из
устья трубы, по высоте предварительно выбранной трубы, принимаем [3];-число труб;-суммарный объем дымовых газов,
выбрасываемых из труб равен, м3/с
=5·Vg=3·150,2=753
∆t-разность
температур выходящих из трубы дымовых газов и окружающего воздуха, принимаем;
Н=
=90 м;
Эффективная высота выброса дымовых газов, м.
Hэф= H+ΔН=Н+1,9·
;
где d6-диаметр устья
трубы;-скорость газов в устье трубы по
высоте выбранной трубы, м/с [3];-скорость ветра на высоте 10 м над уровнем земли, принимаем,
м/с [3];
φ- коэффициент, учитывающий возрастание
скорости ветра с высотой трубы, по высоте выбираемой дымовой трубы, принимаем
[3];
эф= 90+1,9·
=125 ,9
Устанавливаем одну железобетонную дымовую трубу высотой 120 метров с
диаметром устья 7,2 метра /3/.
Выбор одной дымовой трубы обусловлен необходимостью увеличения объема
выбрасываемых, одной трубой газов, что приводит к увеличению подъема факела над
трубой, а следовательно и к увеличению эффекта рассеивания ниже ПДК вредных
веществ в приземном слое воздуха.
.6 Генеральный план
Город Канск является местом строительства проектируемой ТЭЦ.
На станции предусмотрено снабжение потребителей горячей водой.
Станция располагается вблизи города. Ирша-Бородинское месторождение
является топливной базой для ТЭЦ. Уголь доставляется по железной дороге.
Предварительно местность исследована на наличие полезных ископаемых.
Почва-суглинок.
На станции применяется прямоточная система водоснабжения.
Недопустимо соседство близких подземных вод, до 25 м в глубь.
Золоотвал располагается в пойме реки, отделенный дамбой. Запас в сроке
накопления золы 25 лет и более.
Естественный уклон почвы в сторону реки 0,5-1˚.
Грунтовые воды не агрессивные.
Источник водоснабжения обладает достаточно чистой водой. Для обеспечения
всех требований проведено изыскание:
топографические - со
съемкой необходимых карт различных вариантов площадок, с нанесением на карты
горизонталий;
геологические - с
определением качества грунтов;
гидрологические -
для определения характеристик источников водоснабжения;
гидрогеологические -
исследующие свойства грунтовых вод;
климатические -
служащие для определения температур воздуха;
метеорологические-устанавливающие
преобладающее направление и силу ветра в районе электростанции, влажность
воздуха.
Генеральный план станции представляет собой план размещения на основной
производственной площадке ТЭЦ ее основных и вспомогательных сооружений.
Генплан изображает следующие сооружения и пути:
уголь поступает по примыкающим к ТЭЦ железнодорожным путям. Два
вагоноопрокидывателя обеспечивают разгрузку. Для гарантийного снабжения углем
создается угольный склад с нормативным месячным запасом. Со склада уголь
подается бульдозерами. По линии углеподачи уголь поступает в угледробилку для
размельчения. Далее по линии углеподачи топливо через башню пересыпки поступает
в главный корпус. Вдоль фасада главного корпуса размещены трансформаторы, шины
и далее ЛЭП. Также предусматривают различные мастерские, хранилища мазута и
масла, бытовой корпус, гараж для автотранспорта. Вся территория обнесена
забором.
3.7 Выбор и описание компоновки главного корпуса
Главным корпусом тепловой станции называется главное здание, внутри
которого размещаются основные и связанные с ним вспомогательное оборудование.
Рассмотрим подробно компоновку главного корпуса.
В соответствии с установкой основного энергетического оборудования
главный корпус делится на машинное и котельное отделения, между ними
располагается промежуточное помещение. Наличие его способствует увеличению
устойчивости строительных конструкций главного корпуса, включающих в себя
колоны наружных (фасадных) стен машинного зала и котельного отделения.
В промежуточном отделении находятся БРОУ, деаэраторы, пылеугольные
мельницы, бункеры сырого угля.
Уголь подается по транспортерам топливоподачи для приготовления в бункер
сырого угля. Далее по питателям угля топливо поступает в молотковые мельницы,
там измельчается и оттуда подается в топку для сжигания.
В котельном отделении находятся парогенераторы, где вода превращается в
пар при тепловыделении в топке и поверхностях нагрева. Под потолком котельного
зала работает кран.
Пар поступает в машинный зал по паропроводам к турбинам. Турбины
располагаются поперек зала. Рядом с ними расположены площадка для ремонта и
обслуживания.
Под турбинами расположены регенеративные подогреватели, насосы
питательные, конденсационные, сетевые, масляные, эжекторы и конденсаторы.
Имеется главный щит управления. В машинном зале также работает кран под
потолком.
Вдоль фасада машинного зала расположены трансформаторы.
Дымовые газы выходя из котлов проходят очистку в электрофильтрах, которые
находятся между главным корпусом и дымовыми трубами. Тяга создается дымососами,
и далее по газоходам дым направляется в дымовую трубу.
Турбины устанавлены на отдельном фундаменте, чтобы максимально гасить
вибрацию.
Пожароопасные вещества (масло, мазут) надежно изолируют и удаляют от
горячих элементов. Так для масла предусмотрен аварийный слив (при случае
пожара).
Газопроводы расположены вверху котельного отделения.
.8 Выбор системы водоснабжения
Наиболее распространенный источник водоснабжения электростанций - реки.
В данном проекте в г. Канске, где протекает река Кан.
При применении прямоточного водоснабжения, главный корпус электростанции
размещают вблизи берега реки на территории не затапливаемой во время
максимального уровня воды в реке. В виду значительного колебания уровня в реке
в течение года насосы охлаждающей воды как правило размещают в береговой
насосной. Перед поступлением воды в насос вода проходит 2 стадии очистки от
крупных предметов при помощи фильтрации. От насосной станции вода подается по
магистральным трубопроводам к которым присоединены трубопроводы подающие воду к
конденсаторам.
В нашем случае турбина имеет один конденсатор - значит к магистральному
трубопроводу присоединен один конденсатор. После конденсатора вода поступает в
сливные каналы, закрытые на территории электростанции и открытые за ее
пределами. В реку вода сливается через водосброс, предохраняющий русло и берег
реки от размыва. Водоприемное устройство совмещают со зданием багерной
насосной.
На рисунке 3.2 изображена схема прямоточного водоснабжения.
Четыре насоса работают параллельно на общую сеть.
В зимнее время к водоприемному устройству по трубопроводу (7) подводится
часть нагретой технической воды для предохранения водных окон забора от
обледенения.
Рисунок 3.2 Схема прямоточного водоснабжения
- главный корпус; 2 - конденсатор; 3 - береговая насосная; 4 - центральный
водовод; 5 - циркуляционный насос; 6 - водозаборный ковш; 7 - трубопровод
обогрева водозабора; 8 - переключательный колодец; 9- закрытый отводящий канал;
10 - открытый водоотводящий канал; 11 - водосброс.
4. Защита окружающей среды
.1 Расчет выбросов вредных веществ
Выбор высоты и количества устанавливаемых труб производится таким
образом, чтобы загрязнение приземного слоя воздуха выбросами из труб не
превышало предельно-допустимых вредных примесей.
Выбросы золы
Выбросы оксидов серы
Выбросы оксидов азота
где К = 4,771 - коэффициент, характеризующий выход оксидов азота;
В = 109,96 кг/с - расход топлива;
β1 = 0,366 - коэффициент, учитывающий влияние на
выход оксидов азота качества сжигаемого топлива;
ε1 = коэффициент, характеризующий
эффективность воздействия рециркулируемых газов;
г = 0,3 - степень рециркуляции дымовых газов;
β2 = 0.85 - коэфилщнеит. Учитывающий конструкцию
горелок;
β3 = коэффициент, учитывающий тип
шлакоудаления;
ε2 = 0,75 - коэффициент, характеризующий снижение
выбросов.
Приведенная масса вредных примесей
Таблица 5.1
Результаты расчета выбросов вредных
веществ энергетическим котлом (количество выбросов)
|
№
|
Вещество
|
Количество выбросов
|
|
|
г/с
|
мг /м3
|
|
1
|
Оксиды азота
|
55,02
|
492,3
|
|
2
|
Оксиды серы
|
43,98
|
552,4
|
|
3
|
Золовые частицы
|
67,86
|
180,3
|
|
4
|
Оксиды углерода
|
0
|
0
|
|
5
|
Пентаоксид
|
0
|
0
|
Таблица 5.2
Результаты расчета выбросов вредных
веществ энергетическим котлом (концентрации выбросов)
|
№
|
Вещество
|
Концентрация выбросов
|
|
|
м3/мг
|
ПДК, м3/мг
|
|
1
|
Оксиды азота
|
0,2041
|
0,085
|
|
2
|
Оксиды серы
|
0,229
|
0,50
|
|
3
|
Золовые частицы
|
0,0747
|
0,50
|
|
4
|
Оксиды углерода
|
0
|
1,0
|
Примечание: концентрация выбросов определена на уровне дыхания человека
(1,5 м)
Результаты расчета выбросов, представленные в табл. 5.1-5.2, показывают,
что концентрация выбросов оксидов серы примерно вдвое, а золовых частиц в
десять раз ниже предельно допустимых значений, что свидетельствует об
эффективной работе электрофильтров. Концентрация выбросов оксидов азота
превышает предельно допустимую примерно в два с половиной раза, что требует
проведения специальных мероприятий по их снижению.
.2 Защита водоемов от загрязнения сточными водами
Тепловые электростанции оказывают существенное влияние на состояние
воздушного и водного бассейнов в районе их расположения.
Главными компонентами, определяющими загрязнение атмосферы являются
сернистый ангидрид SO2 и оксиды азота NO и NO2. Также в воздушный бассейн
попадают шумы в основном от источников, расположенных на открытом воздухе.
Основными компонентами загрязняющими водный бассейн являются сточные
воды. К числу сточных вод, сбрасываемых ТЭЦ, относится: воды, содержащие
нефтепродукты в виде примеси масла и мазута; воды после обмывки поверхностей
нагрева котлоагрегатов; сбросные воды после установок химической очистки воды;
сбросные воды после консервации и химических промывок теплового оборудования, а
также воды, сбрасываемые с системами гидрозолоудаления.
Производство тепла и электричества в результате сжигания твердых топлив
является водоемным процессом. Основная масса на ТЭЦ используется на охлаждение
конденсаторов паровых турбин. Поэтому в энергетике количество воды,
потребляемой на нужды охлаждения конденсаторов турбин, принимается 100%. Все
остальные потребности в воде не превышают 7%.
Стоки всех ТЭЦ содержат вредные вещества органического и минерального
происхождения, многие из них обладают токсичностью. Поэтому они нуждаются в
механической, физико-химической
и биологической очистке. При выборе метода очистки сточных вод от определенной
примеси важно знать: в каком виде примесь будет выделена, как ее можно
утилизировать или обезвредить.
Все методы очистки сточных вод подразделяются на четыре группы:
1. метод непосредственного выделения примесей;
2. выделение примесей с изменением фазового состава воды или
примеси;
. превращение примесей;
. биохимические методы.
Применение методов первой и второй группы приводит к выделению примесей
из воды без изменения их химического состава. На ТЭЦ наибольшее практическое
значение при очистки стоков имеют методы первой группы (отстаивание, флотация,
фильтрование). Из методов второй группы наиболее часто применяются коагуляции и
сорбиции, в том числе и ионный обмен. В третьей группе наиболее употребительные
методы осаждения: известкование, процессы разложения и окисления веществ.
Для очистки стоков от нефтепродуктов применяют методы отстаивания,
флотации и фильтрации. Специальные сооружения для такой очистки имеются на
многих ТЭЦ. Для очистки нефтесодержащих стоков ВТИ и АТЭП применяли временную
схему очистки, включающих два приемных резервуара-усреднителя, две двухсекционные нефтеловушки,
флотационную и двухступенчатую установки. Остаточное содержание нефтепродуктов
в сточной воде обычно находится в пределах 0,5-2 мг/л (таблица 5.3).
Таблица 5.3. Эффективность различных методов очистки вод от
нефтепродуктов.
|
Метод очистки
|
Концентрация нфп, мг/л
|
|
до очистки
|
после очистки
|
|
Биохимическая Озонирование Нефтеловушки Напорная флотация
Коагуляция сернистым алюминием Фильтрация через дробленый антрацит Фильтрация
через антивированный уголь БАУ-20 или ДАК
|
10-100
20-80 5-100 3-100 2-100
3-20 2-20
|
2-10
2-4 3,5-45 2-25 1,5-20 1-3 0,5-2,0
|
Современное решение проблемы охраны водоемов от нефтепродуктов в
энергетике осуществляется включением стоков, содержащих эту примесь, в
водооборотную систему для технических нужд ТЭЦ. Оказалось что вода прошедшая
возможную очистку от нефтепродуктов, вполне успешно используется для охлаждения
конденсаторов турбин. Стендовые, а затем и практические испытания установили
отсутствие влияния этих вод на процессы теплопередачи. Установлено, что
экономическая работа конденсаторных установок может быть обеспечена даже при
концентрации масла в охлаждающей воде до 30 мг/л.
На пылеугольных ТЭЦ целесообразно использование стоков, содержащих
нефтепродукты, для смыва золы в ГЗУ, а при наличии мокрых золоулавливающих
аппаратов-для их
орошения, т.к. высокодисперсные золовые частицы сорбируют нефтепродукты из
воды. При этом установлено десорбиция их с золовых частичек при длительном
отстаивании пульпы практически отсутствуют. Современные проекты ТЭЦ
предусматривают использование таких сточных вод в системах ГЗУ. В оборотных
системах ГЗУ практикуется устройство индивидуального бассейна для осветления
воды, которые играют двоякую роль: является буфером, компенсирующим
неравномерность естественных потерь воды в системе, и предотвращает пресыщение
осветленной воды солями (в первую очередь-сульфатами) за счет выдержки ее в течение 200-300 ч. Пересыщение воды минеральными
солями ведет к образованию отложений на стенках трубопроводов и насосов. Эта
причина даже при оборотной системе ГЗУ требует постоянного сброса из системы в
водоем 30-40% общего
расхода воды, что для природоохранения не может явиться удовлетворительным. В
связи с этим в системах ГЗУ необходим контроль за обеспечением баланса между
поступлением и потерями.
Очистка стоков от химической промывки всех видов технологического
оборудования происходит в три этапа:
- сброс всех отработавших растворов и обмывочных вод в усреднитель;
- выведение из полученного усредненного раствора токсичных веществ
неорганического характера (соли металлов, фтор соединение, гидразин, мышьяк) с
последующей утилизацией полученного осадка;
- разрушение органических соединений и очистка от аммонийных солей,
нитритов, сульфидов.
Выделение неорганических токсичных веществ из стоков производится в баках
нейтролизатора (объем каждого 500 м3) при помощи обработки воды известью и
другими реагентами при соответственно подобранном значении РН.
Таблица 5.4. Сосав примесей сточных вод от химических промывок
оборудования на ТЭЦ.
|
Концентрация в мг/л при разных методах промывки
|
|
1
|
2
|
3
|
4
|
5
|
|
Хлориды Сульфаты Железо Медь Цинк Фтор ОП-7, ОП-10 Кантакс Формальдегид Ионы аммония Нитраты
Гидразин Мин. вещества Орг. вещества: по БПК по ХПК
|
2000 -
300 50 50 250 40 -
200 300 270 - 2500 400
200
|
- 300 250 30 30 200 40 5 - 300 270 - 1500 800 200
|
- 300 230 - - - 40 5 - 150 - 25 1800 1700 1200
|
- 300 300 - - - - - - 150 - 30 2000 - -
|
- 300 230 - - - 40 5 - 150 - 25 1700 1400 1100
|
Примечание: метод 1 - солянокислый; 2 -
комплексный; 3 -
адипиново-кислотный; 4 - гидрозинно-кислотный; 5 - дикарбо-кислотный.
Процесс нейтролизации и осаждения шлама 7-8-часовой цикл. Осевший шлам подается в шламоотвал.
Остветленная вода имеет высокое значение рН и содержит органику. После
доведения рН воды до 7,5-8,5
эти стоки поступают на биохимическую очистку.
Очистка от органических соединений аммонийных солей, сульфидов, нитритов,
общим для которых является способность к окислению до безвредных продуктов
(углекислота, нитраты, сульфаты, фосфаты) за счет поглощения из воды
растворенного кислорода, производится различными методами. Наиболее надежной и
эффективной является биологическая очистка.
Сточная вода предочисток отводится обычно в систему ГЗУ или (при рН=9) на
нейтрализацию кислотных стоков ВПУ, либо на шлакоотвал для отстаивания с
возвратом осветленной воды для повторного использования при промывке
механических фильтров.
Современные исследования показывают, что выделяется три основных уровня
экологической защиты гидросферы от солевых загрязнении.
Первый уровень-защита
водоемов от локальных залповых солевых нагрузок. Этот уровень защиты
реализуется разбавлением и рассредоточением сточных вод, хотя общее количество
сбрасываемых солей в итоге остается без изменений. Для большинства водоемов
защита по этому уровню может оказываться достаточной, т.к. ПДК по хлоридам и
сульфатам весьма велики. Эта же задача решается при использовании
минерализированных стоков для смыва золы и шлаков и транспортировке их по
системам ГЗУ на золоотвалы. Эффективность этого мероприятия будет высокой при
эксплуатации системы ГЗУ по оборотному циклу. В этом случае экологические
проблемы могут решаться без затрат на переработку и утилизацию сточных вод. К
этому же уровню защиты следует отнести возможность передачи в теплосеть не
только собственных, но и в некоторых схемах водоподготовки дополнительных
солей, а также рассеивания солей брызгоуносом бессточных гразирен.
Второй уровень защиты водоемов заключается в максимальном ограничении
сброса дополнительных солей, осуществляется совершенствование технологии
водоприготовления и внедрения технологических процессов с минимальным расходом
реагентов. Это достигается использованием установок ионного обмена,
электродиализа, обратного осмоса, термических методов на аппаратах,
использующих воду ухудшенного качества. На этом уровне предусматривается
возможность восстановления и повторного использования реагентов в схемах
известкования, натрий- и
водородонатионирования. В этих схемах предотвращается сброс не только
дополнительных слей, но и осаждаемой части собственных солей, содержащихся в
воде.
Третий уровень экологической защиты предусматривает полное прекращение
сброса минеральных солей (включая и собственные) в водоемы. Этот уровень
реализуется в практике в строго регламентированных случаях после осуществления
всех мероприятий второго уровня. Технология эта, основанная на выпаривании
сточных од до образования насыщенных концентратов или сухого остатка, дорогая.
Широкое применение этого способа тормозится и сложностью утилизации
концентратов и сухих солей.
За последние два десятилетия в энергетике нашей страны проведена
значительная работа по сокращению водопотребления за счет внедрения оборотных
систем водопользования и улучшения качественного состава стоков. Реализация
полностью бессточных ТЭЦ связана с решением ряда сложных технических,
организационных и экономических проблем. Создание ТЭЦ, не загрязняющих
природные водоемы, возможно двумя путями: глубокой очисткой всех стоков до
предельно допустимых концентраций или организацией систем повторного
использования стоков. Первый путь малоперспективен, поскольку требования к
качеству стоков постоянно повышаются. Более перспективным является создание
оборотных систем с многократным использованием воды. При этом глубокой очистки
стоков уже не требуется, достаточно довести их качество до уровня, приемлемого
для осуществления технологических процессов. Этот путь одновременно дает
существенное сокращение водопотребления, но требует пристального контроля за
качеством части стоков, которая сбрасывается в водоемы.
5. Безопасность проектируемого проекта
Правовую основу охраны труда составляют нормативные акты, имеющие
различную юридическую силу. В группу законодательных актов о труде и об охране
труда входят:
·
Трудовой кодекс
от 30.12.2001 №197-ФЗ;
·
Федеральный закон
"Об обязательном социальном страховании от несчастных случаев на
производстве и профессиональных заболеваний" от 24 июля 1998 г. №116-ФЗ и
др.
Важнейшими подзаконными актами являются:
·
постановление
Министерства труда и социального развития РФ от 8 февраля 2000 г. №4 "Об
утверждении Рекомендаций по организации работы службы охраны труда в
организации";
·
приказ
Министерства здравоохранения РФ от 17 августа 1999 г. №322 "Об утверждении
схемы определения тяжести несчастных случаев на производстве";
·
Постановление от
24.10.02 №73 "Об особенностях расчётов чрезвычайных ситуаций".
перечень видов нормативных правовых актов, содержащих государственные
нормативные требования охраны труда, утвержден постановлением Правительства
Российской Федерации от 23 мая 2000 г. №399.
5.1 Общая
характеристика проектируемого объекта с точки зрения безопасности и безвредных
условий труда
Технологический процесс производства электрической и тепловой энергии на
проектируемой ГРЭС относится к производствам повышенной опасности. В качестве
основного оборудования на станции используются котлоагрегаты Пп-1800-320 и
турбоагрегаты К-800-320.Топливом служит Иршабородинский бурый уголь.
Котло- и турбоагрегаты, а также трубопроводы перегретого пара и
питательной воды работают под высоким давлением и температурой, испытывая
большие механические нагрузки. Вспомогательное оборудование котлотурбинного
цеха (насосы, вентиляторы, дымососы, мельницы) работают под высоким
электрическим напряжением. Все перечисленные особенности работы оборудования
требуют строжайшего соблюдения ПТБ и охраны труда.
Источники вредных воздействий на человека предусматривается размещать в
отдельных помещениях. Площадь производственного помещения на одного работающего
превышает 4,5 м2, а объем - 15 м3. Здание котлотурбинного
цеха перекрывается железобетонными блоками. Стены цеха сборные из
железобетонных плит толщиной 300 мм. Для удобства обслуживания предусмотрены
специальные площадки и лестницы с ограждениями.
Нормированные характеристики по ПБ 10-574-03 приведены в таблице 5.1
Таблица 5.1 - Нормируемые расстояния в цехе по ПБ 10-574-03
|
Нормируемые расстояния
|
Величина
|
|
Расстояние от фронта котла или от выступающих частей топок,
м
|
3
|
|
Ширина свободных проходов вдоль фронта котла, м
|
1,5
|
|
Ширина прохода между задней стенкой обмуровки котла и
задней стеной, м
|
1
|
|
Ширина боковых проходов между крайними котлами и стеной
котельной, м
|
1,3
|
|
Ширина лестничного прохода, м
|
0,6
|
.2 Анализ и устранение потенциальных опасностей и вредностей
технологического процесса
.2.1 Опасность поражения электрическим током
По ГОСТ 12.1.019.ССБТ "Электробезопасность. Общие требования" и
ГОСТ 12.1.030-90.ССБТ "Электробезопасность. Защитное заземление.
Зануление" помещение котельного цеха на ТЭС по степени опасности поражения
человека электрическим током выделяется в класс с повышенной опасностью, так
как в нем имеются следующие уровни опасности:
высокая температура воздуха (t=350C и выше);
возможность одновременного прикосновения человека к металлоконструкциям,
имеющим соединения с землей и металлическим корпусом электрооборудования.
Величина малого напряжения для питания ручного электрифицированного
инструмента и переносных светильников до 12 В. Рабочее напряжение оборудования
- 6 кВ и 0,4 кВ. Освещение - 220 В.
Допустимое напряжение на корпусе "пробитого"
электрооборудования при переменном токе с частотой 50 Гц при продолжительности
воздействия на человека более одной секунды составляет 20 В.
При номинальном напряжении от 42 В до 380 В переменного тока и от 110 В
до 440 В постоянного тока при работах в условиях с повышенной опасностью и
особо опасных по ГОСТ 12.1.030-81 применяем защитное заземление с изолированной
нейтралью.
.2.2 Опасность травмирования движущимися частями машин и механизмов
В котельном цехе движущиеся части энергетического оборудования, к
которому возможен доступ рабочих, имеют механические защитные ограждения по
ГОСТ 12.2.062. ССБТ "Оборудование производственное. Ограждения
защитные".
Ограждения, дверцы и крышки снабжены приспособлениями для надежного
удержания их в закрытом (рабочем положении). Ограждения, препятствующие доступу
к элементам оборудования, требующим особого внимания, имеют автоматическую
блокировку, обеспечивающую работу оборудования только при защитном положении
ограждения.
5.2.3 Тепловые выделения и опасность термического ожога
В котельном цехе в результате технологического процесса имеет место
тепловое излучение от обмуровки котельных агрегатов и трубопроводов.
Для снижения величины интенсивности теплового облучения рабочих в
помещении котельного цеха до 100 Вт/м2 согласно СанПиН 2.2.4.548-96
"Гигиенические требования к микроклимату производственных помещений",
опасности термических ожогов, в соответствии с ГОСТ 12.4.123-83
предусматриваются следующие меры безопасности:
наличие тепловой изоляции на трубопроводах и других горячих поверхностях
с температурой наружной поверхности более 45 оС;
специальная сигнальная окраска для предохранения работающих от ожогов о
горячие элементы оборудования и трубопроводов;
ограждение мест, в районе которых наблюдается сильное выделение тепла;
применение воздушно-душирующих установок при температуре воздуха выше
плюс 33оС;
использование средств индивидуальной защиты, в том числе средств защиты
лица и глаз.
Таблица 5.2 - Допустимые величины интенсивности теплового облучения
поверхности тела работающих от производственных источников
|
Облучаемая поверхность тела, %
|
Интенсивность теплового облучения, Вт/м2, не более
|
|
50 и более
|
35
|
|
25-50
|
70
|
|
Не более 25
|
100
|
.3 Производственная санитария
.3.1 Микроклимат производственных помещений
Помещение котельного цеха характеризуется наличием теплового излучения,
что создает неблагоприятные условия обслуживающего персонала. Для создания
нормального климата согласно ГОСТ 12.1.005.ССБТ "Санитарно-гигиеническое
нормирование воздуха рабочей зоны", СНиП 41-01-2003 "Отопление,
вентиляция и кондиционирование воздуха" предусматривается:
вентиляции помещения приточная и вытяжная;
К категории IIа относятся работы с интенсивностью энергозатрат 151-200
ккал/ч (175-232 Вт), связанные с постоянной ходьбой, перемещением мелких (до 1
кг) изделий или предметов в положении стоя или сидя и требующие определенного
физического напряжения. Температура наружного окружающего воздуха не превышает
28-310С, и скорость движения воздуха не более 0.7 м/с.
Показатель термической нагрузки среды (ТНС-индекс) является интегральным
показателем микроклимата, определяемым на основе показаний температуры влажного
термометра и температуры внутри черного шара по формуле:
|
|
(6.1)
|
где
- температура влажного термометра, измеренная аспирационным
психрометром, °С;
- температура сухого термометра внутри зачерненного шара, °С.
-индекс следует использовать для интегральной оценки
термической нагрузки среды при скорости движения воздуха, не превышающей 1 м/с,
и интенсивности теплового облучения до 1200 Вт/м
.
Величины
- индекса не должны превышать верхнюю границу значений,
указанных в таблице применительно к конкретной продолжительности пребывания на
рабочем месте.
Среднесменные значения
-индекса не должны выходить за верхнюю границу рекомендуемых
величин для 8 ч. рабочей смены в соответствии с СанПиН 2.2.4.548-96
"Гигиеническими требованиями к микроклимату производственных
помещений", который составляет для категории работ IIа ТНС=22.5-23.90С
Таблица 5.3 - Оптимальные величины показателей микроклимата на рабочих
местах производственных помещений
|
Период года
|
Категория работ
|
Температура воздуха, оС
|
Температура поверхностей, °С
|
Относительная влажность воздуха, %
|
Скорость движения воздуха, м/с
|
|
Холодный
|
IIа
|
18-20
|
18-22
|
60-40
|
0,2
|
|
Тёплый
|
IIа
|
21-23
|
19-23
|
60-40
|
0,3
|
Таблица 5.4 -Допустимые величины показателей микроклимата на рабочих
местах производственных помещений
|
Период годаКатегория работТемпература воздуха,
оСТемпература поверхностей, °СОтносительная влажность воздуха, %Скорость
движения воздуха, м/с
|
|
|
|
|
|
|
Холодный
|
IIа
|
15-24
|
16-24
|
15-75
|
Не более 0,3
|
|
Тёплый
|
IIа
|
17-29
|
17-28
|
15-75
|
0,2-0,4
|
.3.2 Освещение
В помещении котельного цеха предусмотрено освещение по СНиП 23-05-95
"Естественное и искусственное освещение":
естественное, через боковые проемы;
искусственное;
Искусственными источниками являются:
лампы газоразрядные;
лампы накаливания.
Предусмотренное освещение разделяется на:
рабочее, в соответствии с характером выполняемых работ;
аварийное - запитанное от независимого источника энергии;
дежурное и охранное - вдоль границ территории;
эвакуационное - по основным проходам и лестничным клеткам.
Нормы освещения рабочих мест представлены в таблице 5.5.
Таблица 5.5 - Нормы освещенности рабочих мест согласно СанПиН
2.2.1/2.1.1.1278-03 "Гигиенические требования к естественному,
искусственному и совмещенному освещению жилых и общественных зданий"
|
Наименование объекта
|
Характер работы
|
Разряд
|
Размер объекта различения, мм
|
Коэффициент естественной освещённости, %
|
Нормируемая освещённость при искусственном освещении, лк
|
Тип светильника, тип питания светильника
|
|
|
|
|
Комбинированное
|
Боковое
|
Комбинированное
|
Общее
|
|
|
Помещение котельного цеха
|
Наблюдение за технологическим процесс-сом
|
VI
|
Более 5
|
3.3
|
1.1
|
300
|
100
|
ЛДЦ 80 ПВЛМ
|
|
Шкалы измерительных приборов
|
Наблюдение за показаниями приборов
|
IV
|
Свыше 0,5 до 1
|
2.0
|
0.5
|
350
|
150-300
|
ЛДЦ 80 ПВЛМ
|
.3.3 Вредные вещества в воздухе рабочей зоны
Вредные вещества ускоряют развитие утомляемости человека, увеличивают число
ошибок, совершаемых им на производстве, и является причиной профессиональных
заболеваний.
Источниками вредных веществ в помещении котельного цеха ТЭС являются
продукты сгорания топлива, а также угольная пыль. В целях профилактики
неблагоприятного воздействия вредных веществ на организм человека и
нормализации санитарно-гигиенического состояния воздушной среды согласно ГОСТ
12.1.005-88 ССБТ "Общие санитарно-гигиенические требования к воздуху
рабочей зоны", СНиП 41-01-2003 "Отопление, вентиляция и кондиционирование
воздуха" используем:
максимально возможную герметизацию источников выделения вредных веществ;
вентиляцию;
уборка помещений и оборудования от осевшей пыли;
контроль содержания вредных веществ в воздухе;
средства индивидуальной защиты.
Таблица 5.6 - Предельно допустимые концентрации (ПДК) вредных веществ в
воздухе рабочей зоны по ГН 2.2.5.1313-03.
|
Наименование вещества
|
Формула
|
Величина ПДК, мг/м3
|
Преимущественное агрегатное состояние в воздухе в условиях
производства
|
Класс опасности
|
Особенности действия на организм
|
|
Углерод оксид
|
CO
|
20
|
пары
|
4
|
О
|
|
Азота диоксид
|
NO2
|
2
|
пары
|
3
|
О
|
|
Оксиды серы
|
SO2
|
10
|
пары
|
3
|
О
|
|
Угольная пыль
|
|
10
|
аэрозоль
|
4
|
Ф
|
.3.4 Шум, ультразвук и инфразвук
Источником шума в котельном цехе являются:
котлоагрегат;
трубопроводы;
электродвигатели вспомогательного оборудования.
В соответствии с ГОСТ 12.1.003.ССБТ "Шум. Общие требования
безопасности" и СН 2.2.4/2.1.8.562-96 "Шум на рабочих местах, в
помещениях жилых, общественных зданий и на территории жилой застройки"
приводим допустимые уровни шума в октавных полосах в производственных
помещениях.
Таблица 5.7 - Предельно допустимые уровни звукового давления, уровни
звука и эквивалентные уровни звука для рабочих мест в производственном
помещении котельного цеха по СНиП 23-03-2003
|
Вид трудовой деятельности, рабочее место
|
Уровни звукового давления, дБ, в октавных полосах со
среднегеометрическими частотами, Гц
|
Уровни звука и эквивалентные уровни звука (в дБА)
|
|
31,5
|
63
|
125
|
250
|
500
|
1000
|
2000
|
4000
|
8000
|
|
|
Рабочие места в помещениях диспетчерской службы, кабинетах
и помещениях наблюдения и дистанционного управления с речевой связью по
телефону, машинописных бюро, на участках точной сборки, на телефонных и
телеграфных станциях, в помещениях мастеров, в залах обработки информации на
вычислительных машинах
|
96
|
83
|
74
|
68
|
63
|
60
|
57
|
55
|
54
|
65
|
|
Выполнение всех видов работ на постоянных рабочих местах в
производственных помещениях и на территории предприятий.
|
107
|
95
|
87
|
82
|
78
|
75
|
73
|
71
|
69
|
80
|
Для защиты от шума по СН 2.2.4/2.1.8.562-96 "Шум на рабочих местах,
в помещениях жилых, общественных зданиях и на территории жилой застройки"
предусматриваем:
звукоизоляцию;
звукопоглощающую облицовку;
индивидуальные средства защиты.
Двойные стены или перегородки проектируем с жесткой связью между
элементами по контуру или в отдельных точках. Величина промежутка между
элементами конструкций должна быть не менее 4 см.
Звукоизолирующие кабины применяем в промышленных цехах и на территориях,
где допустимые уровни превышены, для защиты от шума рабочих и обслуживающего
персонала. В звукоизолирующих располагаем пульты контроля и управления
технологическими процессами и оборудованием, рабочие места мастеров и
начальников цехов.
Звукопоглощающие конструкции (подвесные потолки, облицовка стен, кулисные
и штучные поглотители) применяем для снижения уровней шума на рабочих местах и
в зонах постоянного пребывания людей в производственных и общественных зданиях.
Площадь звукопоглощающих облицовок и количество штучных поглотителей определяем
расчетом.
Штучные поглотители применяем, если облицовок недостаточно для получения
требуемого снижения шума, а также вместо звукопоглощающего подвесного потолка,
когда его устройство невозможно или малоэффективно (большая высота
производственного помещения, наличие мостовых кранов, наличие световых и аэрационных
фонарей).
Экраны необходимо применять для снижения уровней звукового давления на
рабочих местах в зоне действия прямого звука и в промежуточной зоне.
Устанавливать экраны следует по возможности ближе к источнику шума.
5.3.5 Вибрация
Источниками вибрации в котельном цехе являются:
мельницы;
дымососы и вентиляторы;
сосуды, работающие под давлением;
вспомогательное оборудование.
Вибрация возникает при работе машин и механизмов с
вибрационно-поступательным движением деталей, неуравновешенными вращающимися
массами.
Вибрация, воздействующая на человека, нормируется отдельно для каждого
установленного направления в каждой октавной полосе по СН 2.2.4/2.1.8.566-96
"Вибрация в помещениях жилых и общественных зданий. Методы и средства
защиты". Зависимость вибрации на рабочем месте от частоты представлены в
таблице 5.8.
Таблица 5.8
Предельно допустимые величины нормируемых параметров производственной
локальной вибрации при длительности вибрационного воздействия 480 мин (8 ч) по
СН 2.2.4/2.1.8.566-96
|
Среднегеометрические частоты октавных полос, Гц
|
*Предельно допустимые значения по осям ХЛ, YЛ, ZЛ
|
|
виброускорения
|
виброскорости
|
|
м/с2
|
дБ
|
м/с×10-2
|
дБ
|
|
1
|
1,4
|
123
|
1,4
|
109
|
|
2
|
1,4
|
123
|
1,4
|
109
|
|
4
|
1,4
|
123
|
1,4
|
109
|
|
8
|
1,4
|
123
|
2,8
|
115
|
|
16
|
1,4
|
123
|
1,4
|
109
|
|
31,5
|
2,8
|
129
|
1,4
|
109
|
|
63
|
5,6
|
135
|
1,4
|
109
|
|
Корректированные и эквивалентные корректированные значения
и их уровни
|
2,0
|
126
|
2,0
|
112
|
* Работа в условиях воздействия вибрации с уровнями, превышающими
настоящие санитарные нормы более чем на 12 дБ (в 4 раза) по интегральной оценке
или в какой-либо октавной полосе, не допускается.
Устранение вредного воздействия вибрации на человека в производственных
условиях, в соответствии с ГОСТ 12.1.012-91.ССБТ "Вибрационная
безопасность. Общие требования", достигаются путём применения:
виброизоляции;
вибродемпфирования;
средств индивидуальной защиты.
.4 Предотвращение аварийных ситуаций
.4.1 Техническое освидетельствование сосудов, работающих под давлением
На электростанции используются легко воспламеняющиеся и
взрывоопасные вещества, а также в производственном процессе участвуют
сосуды, работающие под давлением (СРД), рабочей средой в которых является пар и
горячая вода. Все сосуды оборудованы необходимыми приборами для контроля
технологических параметров и предохранительными устройствами.
Эксплуатация сосудов, работающих под давлением, начинается только после
освидетельствования, которое проводится Госгортехнадзором России в согласовании
с ПБ 03-576-03 на основании:
проекта и технических условий,
лицензирования на право ведения работ,
соответствия (сертификации) материалов, применяемых при изготовлении с
учетом максимальных нагрузок, коррозии, способы изготовления.
Любые СРД подвергают техническому освидетельствованию после монтажа до
пуска в работу, а также периодически в процессе эксплуатации.
Первичное и внеочередное техническое освидетельствование сосудов
регистрируемых в органах Госгортехнадзора РФ, проводится инспектором
Госгортехнадзора.
При поставке сосудов в собранном и законсервированном виде и выполнение
требований безопасности эксплуатации условий и сроков хранения, указанных в
паспорте и инструкции по монтажу гидравлические испытания не проводят, а
выполняют только наружный и внутренний осмотр.
Наружный и внутренний осмотр имеют цель: при первичном
освидетельствовании проверить, что сосуд остановлен и оборудован в соответствии
с настоящими правилами и предоставляемыми при регистрации документами, а также,
что сосуд и его элементы не имеют повреждений.
Цель гидравлических испытаний: проверка точности элементов сосуда и
плотности соединений. Сосуды подвергаются гидравлическому испытанию с
установленной на них арматурой. Гидравлические испытания сосудов проводятся
пробным давлением, МПа:
|
|
(6.2)
|
Таблица 6.9 - Периодичность технического освидетельствования СРД,
регистрируемых в органах Госгортехнадзора, работающих с агрессивной средой
|
Скорость коррозии, мм/год
|
Периодичность освидетельствования
|
|
Ответственный на предприятии (наружный и внутренний осмотр)
|
Инспектором Госгортехнадзора
|
|
|
Наружный и внутренний осмотр
|
Гидравлическое испытание пробным давлением
|
|
Не более 0,1
|
2 года
|
4 года
|
8 лет
|
|
Более 0,1
|
12 мес.
|
4 года
|
8 лет
|
|
Регенеративные подогреватели
|
После каждого капитального ремонта
|
После двух капитальных ремонтов, но не реже одного раза в
12 лет
|
Результаты технического освидетельствования записывают в паспорт сосуда с
указанием рекомендуемых значений параметров эксплуатации и сроков следующих
освидетельствований. Если при освидетельствовании обнаружены дефекты, снижающие
прочность сосуда, можно разрешить его эксплуатацию при пониженных параметрах
(давление, температура), подтвержденных расчетом на прочность. При выявлении
дефектов, причины и последствия которых установить невозможно, необходимо
проведение специальных исследований или заключение специализированных
организаций.
Техническое освидетельствование сосудов, для которых невозможно
проведение внутреннего осмотра или гидравлического испытания, проводится
согласно разработанной в проекте инструкции по монтажу и эксплуатации сосуда, в
которой указаны методика, периодичность и объекта контроля.
Испытания проводятся на прочность и герметичность, первый этап при сборке
- различные методы изотопной дефектоскопии, второй этап - готовое изделие:
гидравлические испытания.
Цельнолитые сосуды выдерживают под избыточным давлением на 50% больше
рабочего давления в течение не менее 60 минут. Для основных сосудов - выдержка
при давлении на 25% больше рабочего давления и в течение 10-60 минут.
Сосуд считается прошедшим гидравлические испытания, если не обнаружено:
течи, трещин, слезок, потения в сворных соединениях и на основном
металле;
течи в разъемных соединениях;
видимых деформаций, падение давления по манометру.
Внеочередное освидетельствование сосудов, находящихся в эксплуатации,
проводят в следующих случаях:
если сосуд не эксплуатировался более 12 месяцев;
если сосуд был демонтирован и установлен на новом месте;
если проведены ремонтные работы сосуда с применением пайки и сварки;
по требованию инспектора;
после аварии сосуда или элементов.
.4.2 Техническое освидетельствование грузоподъемных машин и механизмов
Краны в течение нормативного срока службы подвергаются периодическому
техническому освидетельствованию согласно ПБ 10-382-00:
а) частичному - не реже одного раза в 12 месяцев;
б) полному - не реже одного раза в 3 года, за исключением редко
используемых кранов (краны для обслуживания машинных залов, электрических и
насосных станций и т.д.). Редко используемые грузоподъемные краны подвергаются
полному техническому освидетельствованию не реже одного раза в 5 лет.
При полном техническом освидетельствовании кран подвергается:
а) осмотру;
б) статическим испытаниям;
в) динамическим испытаниям.
При частичном техническом освидетельствовании статические и динамические
испытания крана не проводятся.
Статические испытания крана проводятся нагрузкой, на 25 % превышающей его
паспортную грузоподъемность.
Статические испытания мостового крана проводятся следующим образом. Кран
устанавливается над опорами кранового пути, а его тележка (тележки) - в
положение, отвечающее наибольшему прогибу моста. Контрольный груз поднимается
краном на высоту 100-200 мм и выдерживается в таком положении в течение 10
минут.
Статические испытания козлового крана и мостового перегружателя
проводятся так же, как испытания мостового крана; при этом у крана с консолями
каждая консоль испытывается отдельно.
По истечении 10 минут груз опускается, после чего проверяется отсутствие
остаточной деформации моста крана. При наличии остаточной деформации, явившейся
следствием испытания крана грузом, кран не допускается к работе до выяснения
специализированной организацией причин деформации и определения возможности
дальнейшей работы крана.
Статические испытания крана стрелового типа, имеющего одну или несколько
грузовых характеристик, при периодическом или внеочередном техническом
освидетельствовании проводятся в положении, соответствующем наибольшей
грузоподъемности крана и (или) наибольшему грузовому моменту.
Динамические испытания крана проводятся грузом, масса которого на 10%
превышает его паспортную грузоподъемность, и имеют целью проверку действия ее
механизмов и тормозов.
При динамических испытаниях кранов (кроме кранов кабельного типа)
проводятся многократные (не менее трех раз) подъем и опускание груза, а также
проверка действия всех других механизмов при совмещении рабочих движений,
предусмотренных руководством по эксплуатации крана.
Результаты технического освидетельствования крана записываются в его
паспорт инженерно-техническим работником по надзору за безопасной эксплуатацией
грузоподъемных кранов, проводившим освидетельствование, с указанием срока
следующего освидетельствования. При освидетельствовании вновь смонтированного
крана запись в паспорте подтверждает, что кран выдержал испытания.
.4.3 Техническое освидетельствование котлов
В проектируемом объекте каждый котел подвергается техническому
освидетельствованию до пуска в работу, периодически в процессе эксплуатации и в
необходимых случаях - внеочередному освидетельствованию.
Техническое освидетельствование котла осуществляется специалистом
специализированной организации, имеющей лицензию Госгортехнадзора России на
осуществление деятельности по экспертизе промышленной безопасности технических
устройств, применяемых на опасном производственном объекте.
Освидетельствование пароперегревателей и экономайзеров проводится
одновременно с котлом. Техническое освидетельствование котла состоит из
наружного, внутреннего осмотров и гидравлического испытания. При техническом
освидетельствовании допускается использовать методы неразрушающего контроля, в
том числе метод акустической эмиссии.
Монтируемые котлы обмуровываться до предъявления к техническому
освидетельствованию при этом все монтажные блоки тщательно осмотрены до
нанесения на них обмуровки.
Во время осмотра проверяется соблюдение допусков на взаимное расположение
деталей и сборочных единиц, смещение кромок и излом осей стыкуемых труб,
конструктивные элементы сварных соединений, наличие на элементах котлов
заводской маркировки и соответствие ее паспортным данным, отсутствие
повреждения деталей и сборочных единиц при транспортировке.
При положительных результатах осмотра и проверки соответствия
выполненного контроля сварных соединений (заводских и монтажных) требованиям
Правил комиссией на каждый монтажный блок составляется акт и утверждается главным
инженером электростанции. Этот акт является неотъемлемой частью удостоверения о
качестве монтажа котла и основанием для выполнения обмуровки до технического
освидетельствования котла.
Полностью смонтированный котел предъявляется для внутреннего осмотра (в
доступных местах) и гидравлического испытания.
Если при осмотре котла будут обнаружены повреждения обмуровки, вызывающие
подозрения в том, что блоки в процессе монтажа подвергались ударам, то
обмуровка должна быть частично вскрыта для проверки состояния труб и устранения
повреждения.
Гидравлическое испытание котлов проводится только при удовлетворительных
результатах наружного и внутреннего осмотров.
На тепловых электрических станциях допускается проведение внутренних
осмотров котлов в период их капитального ремонта, но не реже одного раза в 4
года.
Металлоконструкции котлов (каркаса), монтируемые на месте эксплуатации,
подвергаются первичному техническому освидетельствованию до пуска котла в
работу, периодическому в процессе эксплуатации и внеочередному в необходимых
случаях. Техническое освидетельствование проводится в соответствии с НД,
утвержденной Госгортехнадзором России.
.4.4 Обеспечение взрывопожарной безопасности производства
Котельный цех по пожарной безопасности относится к категории Г (HПБ-105-03),
по степени огнестойкости II. Максимальные пределы огнестойкости конструкций для
II степени огнестойкости представлены в таблице 5.10.
Таблица 5.10 - Максимальные пределы огнестойкости конструкций по СНиП
21-01-97
|
Степень Огнестойкости здания
|
Предел огнестойкости строительных конструкций, не менее
|
|
Несущие элементы здания
|
Наружные ненесущие стены
|
Перекрытия междуэтажные (в том числе чердачные и над
подвалами)
|
Элементы бесчердачных покрытий
|
Лестничные клетки
|
|
|
|
|
Настилы
|
Фермы, балки, прогоны
|
Внутренние стены
|
Марши и площадки лестниц
|
|
II
|
R 90
|
Е 15
|
RЕI 45
|
RЕ 15
|
R 15
|
RЕI 90
|
R 60
|
Источником возникновения пожара может явиться угольная пыль. Ее
характеристика приведена в таблице 6.9.
Таблица 6.11 - Пожароопасные свойства веществ
|
Наименование вещества
|
Агрегатное состояние
|
Плотность, г/м3
|
Нижний концентрационный предел распространения пламени
(НКПР), %
|
Верхний концентрационный предел распространения Пламени
(ВКПР),%
|
Температура само воспламенения, º
С
|
|
Угольная пыль
|
Аэрозоль
|
890
|
80
|
-
|
370
|
Для пожарной безопасности предусматривается по ГОСТ 12.1.004 ССБТ:
эвакуационные выходы;
первичные средства пожаротушения: огнетушители (ОВП, ОП, ОУ), пожарный
щит;
пожарные лестницы для выхода наружу;
сигнализация;
вводный и первичный инструктаж о мерах пожарной безопасности всех
работников при поступлении на работу.
.5 Обеспечение устойчивости объекта в чрезвычайных ситуациях
Устойчивость работы котельного цеха в чрезвычайных ситуациях
обеспечивается путем:
регулярное проведение противопожарных и противоаварийных тренировок
оперативного персонала;
указания в инструкциях по эксплуатации оборудования возможных
чрезвычайных ситуаций, регламентирующих действия работников при их
возникновении;
технические мероприятия, позволяющие не допустить возникновения
чрезвычайных ситуаций, а при их возникновении не допустить развития и
максимально быстро ликвидировать последствия.
Зарегистрированные в органах Госгортехнадзора трубопроводы должны
подвергаться: инспектором Госгортехнадзора - наружному осмотру и
гидравлическому испытанию - перед пуском вновь смонтированного трубопровода;
специалистом организации, имеющей разрешение (лицензию) органов
Госгортехнадзора на проведение технического освидетельствования трубопроводов
пара и горячей воды, - наружному осмотру не реже одного раза в три года,
наружному осмотру и гидравлическому испытанию после ремонта, связанного со
сваркой, и при пуске трубопровода после нахождения его в состоянии консервации
свыше двух лет.
Вновь смонтированные трубопроводы подвергаются наружному осмотру и
гидравлическому испытанию до наложения изоляции.
При техническом освидетельствовании трубопровода обязательно присутствие
лица, ответственного за исправное состояние и безопасную эксплуатацию
трубопровода.
Результаты технического освидетельствования и заключение о возможности
эксплуатация трубопровода с указанием разрешенного давления и сроков следующего
освидетельствования должны быть записаны в паспорт трубопровода лицом,
производившим освидетельствование.
Если при освидетельствовании трубопровода окажется, что он находится в
аварийном состоянии или имеет серьезные дефекты, вызывающие сомнение в его
прочности, то дальнейшая эксплуатация трубопровода должна быть запрещена, а в
паспорте сделана соответствующая мотивированная запись.
.6 Индивидуальное задание
Расчет зануления
Зануление применяется в четырехпроводных сетях напряжением до 1 кВ с
заземленной нейтралью. Зануление осуществляет защиту путем автоматического
отключения поврежденного участка электроустановки от сети и снижение напряжения
на корпусах зануленного электрооборудования до безопасного на время
срабатывания защиты. Из всего выше сказанного делаем вывод, что основное
назначение зануления - обеспечить срабатывание максимальной токовой защиты при
замыкании на корпус. Для этого ток короткого замыкания должен значительно
превышать установку защиты или номинальный ток плавких вставок. Далее приведем
принципиальную схему зануления на рис. 5.1:
Рис. 5.1. Схема зануления.- сопротивление заземления нейтрали- расчетное
сопротивление человека;
- магистраль зануления;
- повторное заземление магистрали;
- аппарат отключения;
- электроустановка;
- трансформатор.
Спроектировать зануление электрооборудование с номинальным напряжением 220
В и номинальным током 106 А.
Для питания электрооборудования от цеховой силовой сборки используется
провод, прокладываемый в стальной трубе. Выбираем сечение алюминиевого провода
S=2.5 мм. Потребитель подключен к третьему участку питающей магистрали.
Первый участок магистрали выполнен четырехжильным кабелем с алюминиевыми
жилами сечением (3*50+1*25) мм в полихлорвиниловой оболочке. Длина первого
участка - 0,25 км. Второй участок проложен кабелем (3*25+1*10) мм длиной 0,075
км.
Магистраль зануления на первых двух участках выполнена четвертой жилой
питающего кабеля, на третьем участке - стальной трубой.
Рис. 5.2. Схема питания оборудования- трансформатор
ТП - трансформаторная подстанция
РП - распределительный пункт
СП - силовой пункт.
Для защиты используется предохранитель. Ток предохранителя:
(5.3)
где Кп - пусковой коэффициент = 0,5-4,0
Значение коэффициента К принимается в зависимости от типа электрических
установок:
. Если защита осуществляется автоматическими выключателями, имеющими
только электромагнитные расцепители, т.е. срабатывающие без выдержки времени,
то К выбирается в пределах 1,25 1,4
. Если защита осуществляется плавкими предохранителями, время перегорания
которых зависит от величины тока (уменьшается с ростом тока), то в целях
ускорения отключения К принимают 3.
. Если установка защищена автоматами выключения с обратно зависимой от
тока характеристикой, подобной характеристике предохранителей, то так же К3.
Выбираем стандартный предохранитель на 150 А.
Расчетная проверка зануления
Определим расчетное значение сопротивления трансформатора:
Рассчитаем активное сопротивление фазного провода для каждого из
участков:
(5.4)
где l - длина провода- сечение провода
r - удельное сопротивление материала (для алюминия r=0,028 0м*мм2/км).
Рассчитаем активное сопротивление фазных проводов для трех участков:
Ом (5.5)
Ом (5.6)
Ом (5.7)
Ф1=0,14 0м; RФ2=0,084 0м; RФ3= 0,336 0м:
Полное активное сопротивление фазного провода: RФ =О, 56 0м;
Рассчитаем активное сопротивление фазного провода с учетом температурной
поправки, считая нагрев проводов на всех участках равным Т=55 С.
Ом, (5.8)
Где
град - температурный коэффициент сопротивления алюминия.
Активное сопротивление нулевого защитного проводника:
Ом (5.9)
Ом (5.10)
Для трубы из стали: r=1,8 Ом/км
Ом (5.11)
Таким образом, суммарное сопротивление магистрали зануления равно:
RM3 =RM3 1+RМЗ
2+RM3 3=0,544 Oм (5.12)
Определяем внешние индуктивные сопротивления. Для фазового провода:
Х'Ф= Х'ФМ - ХФL (5.13)
Для магистрали зануления:
Х'М3= Х'М3 М - ХМ3 L (5.14)
Где Х'М3 и Х'ФМ - индуктивные сопротивления, обусловленные
взаимоиндукцией фазового провода и магистрали зануления;
ХМ3 и ХФ1 - внешние индуктивные сопротивления самоиндукции.
Индуктивные сопротивления, обусловленные взаимоиндукцией фазового провода
и магистрали зануления определяются по формуле:
Х'ФМ = Х'М3 М =0145 lg(dФМ3) (6.15)
где d - расстояние между фазным и нулевым проводом (для 1 и 2 d=15 мм,
для 3 d=9.5 мм)
Х’ФМ1=Х’М3М=0,145 lg15=0,17 Ом. (5.16)
Х’ФМ2=Х’М3М=0,145 lg15=0,17 Ом. (5.17)
Х’ФМ3=Х’М3М=0,145 lg9,5=0,142 Ом. (5.18)
Суммарное сопротивление на всех участках:
Х’ФМ =Х’М3М =3*0,145=0,482 Ом (5.19)
Внешние индуктивные сопротивления определяются по формуле:
ФL = X'L* L,
где X'L- удельное сопротивление самоиндукции, Ом/м.
'L1 =0,09*0,25=0,023 Oм'L2=0,068*0,075=0,005 Oм'L3 =0,03*0,03=0,0009 Oм
Суммарное внешнее индуктивное сопротивление фазового провода:
ХФL=0,029 OмL1 =0,068*0,25=0,017 OмL2 =0,03*0,075=0,0025
OмL3=0,138*0,03=0,004 Oм.
Суммарное внешнее индуктивное сопротивление магистрали зануления:
L=0,024 Oм
Суммарное внешнее индуктивное сопротивление:
ХФ'=0,435-0,0314=0,453 Ом
ХМ3'=0,435-0,0244=0,458 Ом
Определяем внутреннее индуктивное сопротивление:
ХФ"1-2= XM3"1-2=0,057*0,075=0,001 Ом
ХФ"3=0,0157*0,03=0,0005 Oм
Полное сопротивление фазного провода и магистрали зануления:
Ф=0,78 Ом=0,79 Oм
Ток однофазного КЗ определим по формуле:
КЗ
=220/(0,78+0,79)=132 А (6.20)
Сравним расчетные параметры с допустимыми:
КЗ=132>127,2 А
Кроме того, должно выполняться условие:
< 2 * ZФ
Условие выполняется.
6. Экономическая часть
.1 Экономическое обоснование состава основного
оборудования на основе народнохозяйственного подхода
Техническое решение по составу основного оборудования
может приниматься в результате экономической оценки, исходя из
народнохозяйственного подхода, обеспечивающего взаимоувязку отраслевых
интересов топливно-энергетического комплекса и народного хозяйства в целом.
Данный подход реализуется посредством применения
показателя приведенных затрат, который рассчитывается по каждому из конкурсных
вариантов в соответствии с методическими рекомендациями, разработанными в КГТУ,
Расчет выполняется с помощью табличного процессора Суперкалк (SC 4).
При сравнении вариантов по минимуму приведенных затрат
необходимо выполнение следующих условий:
1. Сравниваемые варианты должны быть технически
сопоставимы и взаимозаменяемы.
2. Варианты должны обеспечивать одинаковый
энергетический эффект, т.е. они должны уравниваться по полезному отпуску
энергии и мощности на основе использования системы замыкающих затрат и
установок.
3. Все проектируемые мероприятия финансируются из
одного источника.
Экономическое обоснование предполагает расчет
потенциального народнохозяйственного эффекта в результате экономии приведенных
затрат по рекомендуемому варианту состава основного оборудования (Зр.тэц.с.) по
сравнению с сопоставляемым вариантом (Зс.тэц.с.)
Для определения оптимального состава основного
оборудования в качестве конкурсных вариантов принимаем две турбины Т-100-130
(вариант 1) и три турбины Т-80-130 (вариант 2).
Исходные данные к расчету находятся в таблице 6.1
Таблица 6.1 Исходные данные к расчету выбора основного
оборудования
|
Наименование показателей
|
Значения
|
|
|
|
Место проектирования ТЭЦ
|
("Восточная-Сибирь")
|
|
Вид топлива
|
б.уголь
|
|
Тепловые нагрузки потребителей:
|
|
|
a) в паре, Гкал/час.
|
0
|
|
б) в горячей воде, Гкал/час.
|
1144
|
|
Годовой коэф-т теплофикации по пару
|
0
|
|
Год. коэф-т теплофикации по гор. воде
|
0,56
|
|
Число час.исп. максимума тепловой нагрузки:
|
|
|
a) в паре, час./год
|
0
|
|
б) в горячей воде, час./год
|
3800
|
|
Электрическая нагрузка потребителей, МВт
|
500
|
|
Число час.исп. максимума эл.нагрузки, час./год
|
6100
|
|
Число час.исп. номинал.уст.мощности ТЭЦ, час./год
|
6200
|
|
Производительность энергетического котла, т/час.
|
500
|
|
Коэффициент полезного действия котла, %
|
92
|
|
Число часов работы турбин, час./год
|
7200
|
|
Замыкающие затраты на топливо, руб/т у.т.
|
485
|
|
Замыкающие затраты на э/энергию, руб./кВт·ч.
|
1,35
|
|
Коэффициент удорожания капитальных вложений
|
51,95
|
|
Среднегодовой фонд оплаты труда 1 работающего, руб./год
|
192000
|
|
Районный коэффициент
|
1,3
|
|
Отчисления в социальные фонды (в % к ФОТ)
|
26
|
Результаты расчетов находятся в таблице 6.2.
Таблица 6.2 результаты расчета выбора основного
оборудования
|
№ варианта
|
Связь по эл. Энергии млн.кВт*ч.
|
Затраты на перетоки эл. Энергии Млн.р.
|
Связь с системой по мощности
|
Приведенные затраты по ТЭЦ Зтэц Млн.р.
|
|
|
|
Установленная номинальная мощность ТЭЦ Nу МВт
|
Мощность собственных нужд Nсн %
|
Полезно выдаваемая мощность %
|
передача: в систему (-), из системы(+) МВт
|
|
|
полезный отпуск эл. эн. с ТЭЦ Этэц(отп.)
|
передача: в систему (-), из системы(+)
|
|
|
|
|
|
|
|
1
|
3197
|
-147
|
-198,28
|
500
|
5,00
|
523
|
-23
|
2530,15
|
|
2
|
3255
|
-205
|
-276,75
|
560
|
5,00
|
532
|
-32
|
2930,63
|
Приведенные затраты оценивают единовременные и текущие
затраты на производство энергетической продукции
ЗПР=ЕН·К-U∑ (6.1)
Где ЕН - нормативный коэффициент эффективности
капитальных вложений
К - капитальные вложения в проект ТЭЦ∑ -
эксплуатационные текущие расходы
ЭН/Х = ЗС - ЗР, (6.2)
где ЗР - приведенные затраты по первому варианту (млн.
руб.);
ЗС - приведенные затраты по второму варианту (млн.
руб.).
Народно-хозяйственный эффект рассчитывается:
ЭН/Х = 2930,63 - 2530,15 = 400,48
Определим расхождение между вторым и первым
вариантами:
(7.3)
Так как приведенные затраты по первому
(рекомендуемому) варианту состава основного оборудования (5хТ100) меньше
приведенных затрат по второму (сопоставляемому) (8хТ80) на 13,76%, то качестве
основного оборудования ТЭЦ выбираем рекомендуемый вариант, потому что он
является экономически выгодным. Результаты расчетов приведены в таблицах А1-А13
в приложении А.
6.2 Экономическое обоснование на основе хозрасчетного
подхода
(6.4)
Таблица 7.3 - Исходные данные к расчету себестоимости
|
Показатели состава оборудования
|
Условные обозначения
|
1 рекомендуемый 5 х Т100
|
2 сопоставляемый 7 х Т80
|
|
Полезный отпуск электроэнергии с ТЭЦ млн. кВт / ч
|
ЭOTП
|
3196,88
|
3255
|
|
Годовое производство тепла на ТЭЦ, тыс.Гкал
|
QГВ ГОД
|
4347
|
4347
|
|
Годовой расход топлива по ТЭЦ, тыс. т.у.т.
|
BТЭЦ
|
1583,45
|
1628,17
|
|
Расход топлива на производство э /э
|
ВЭ
|
889,67
|
932,48
|
|
На производство т / э
|
ВТ
|
693,78
|
695,69
|
|
Эксплуатационные расходы (полная себестоимость), млн.руб.
|
U
|
1738,15
|
1741,24
|
|
Затраты на топливо, млн.руб
|
UT
|
767,97
|
789,66
|
|
Амортизация, млн.руб
|
UAM
|
547,09
|
659,75
|
|
Расходы на оплату труда, млн.руб.
|
U3/n
|
212,28
|
297,20
|
|
Расход на текущий ремонт, млн.руб.
|
UTP
|
109,42
|
131,95
|
|
Прочие расходы, млн.руб.
|
UПР
|
260,64
|
326,67
|
Данный подход основывается на учете экономических
интересов предприятий и учитывает изменение его основных хозрасчетных
показателей.
Экономическое обоснование предполагает расчет
потенциального внутрихозяйственного эффекта по предприятию в результате
снижения себестоимости производства электро- и теплоэнергии по рекомендуемому
варианту.
Проектная себестоимость рассчитывается по каждому
варианту.
Таблица 6.4 - Калькуляция себестоимости электрической
и тепловой энергии (рекомендуемый вариант)
|
Стадия производства
|
Элементы затрат (млн.руб.)
|
Всего затрат (млн. руб.)
|
В том числе (млн.руб.)
|
|
UТ
|
UАМ
|
UРЕМ
|
UЗП
|
UПР
|
|
э/э
|
т/э
|
|
ТТЦ и КЦ
|
767,97
|
273,55
|
54,71
|
74,30
|
-
|
1170,52
|
657,66
|
512,86
|
|
|
|
|
|
|
|
|
|
|
Машинный зал, ЭЦ
|
-
|
246,19
|
49,24
|
74,30
|
-
|
369,73
|
369,73
|
-
|
|
Общестанционные расходы
|
-
|
27,35
|
5,47
|
63,68
|
260,64
|
357,15
|
238,23
|
118,92
|
|
Всего по ТЭЦ
|
767,97
|
547,09
|
109,42
|
212,28
|
260,64
|
1897,40
|
1265,62
|
631,78
|
|
Себестоимость единицы электроэнергии руб/кВт∙ч
|
0,40
|
|
|
|
Единицы теплоэнергии руб/Гкал
|
145,34
|
|
|
а) Затраты по каждой стадии распределяются на два вида
энергии по физическому методу, т.е. пропорционально расходу топлива, млн. руб.:
, (6.5)
,
, (6.6)
б) Общестанционные расходы на два вида энергии
распределяются пропорционально затратам по двум предыдущим стадиям, млн. руб.:
, (6.7)
в) Расчет себестоимости единицы энергии с учетом
результата по пункту 5 и отпуска энергии из таблицы исходных данных (таблица
6.1).

, (6.8)

Таблица 6.5 - Калькуляция себестоимости электрической
и тепловой энергии (сопоставляемый вариант)
|
Стадия производства
|
Элементы затрат (млн.руб.)
|
Всего
|
В том числе (млн.руб.)
|
|
UТ
|
UАМ
|
UРЕМ
|
UЗП
|
UПР
|
затрат (млн. руб.)
|
э/э
|
т/э
|
|
ТТЦ и КЦ
|
789,66
|
329,88
|
65,98
|
104,02
|
-
|
1289,53
|
738,54
|
550,99
|
|
|
|
|
|
|
|
|
|
|
Машинный зал, ЭЦ
|
-
|
296,89
|
59,38
|
104,02
|
-
|
460,29
|
-
|
|
Общестанционные расходы
|
-
|
32,99
|
6,60
|
89,16
|
326,67
|
455,42
|
312,01
|
143,40
|
|
Всего по ТЭЦ
|
789,66
|
659,75
|
131,95
|
297,20
|
326,67
|
2205,23
|
1510,83
|
694,40
|
|
Себестоимость единицы электроэнергии руб/кВт∙ч
|
0,46
|
|
|
|
Единицы теплоэнергии руб/Гкал
|
159,74
|
|
|
а) Затраты по каждой стадии распределяются на два вида
энергии по физическому методу, т.е. пропорционально расходу топлива, млн.руб.:
, (6.9)
,
, (6.10)
б) Общестанционные расходы на два вида энергии распределяются
пропорционально затратам по двум предыдущим стадиям, млн. руб.:
, (6.11)
в) Расчет себестоимости единицы энергии с учетом
результата по пункту 5 и отпуска энергии из таблицы исходных данных (таблица
6.1).

, (6.12)

Как показывают расчеты в качестве основного
оборудования выбираем рекомендуемый вариант (5 х Т100).
6.3 Расчет срока окупаемости инвестиций по
рекомендуемому составу основного оборудования
Срок окупаемости - это период (измеряемый в месяцах, кварталах или
годах), начиная с которого первоначальные затраты покрываются суммарными
результатами. Другими словами, это интервал времени, в течение которого общий
объём капитальных затрат остаётся большим суммы амортизационных отчислений и
прироста прибыли предприятия.
Соотношение между доходами и расходами по реализации проекта определяется
показателем чистого дисконтированного дохода (ЧДД). Если ЧДД больше нуля то все
затраты по проекту окупаются доходами, т.е. данный проект инвестиций можно
рекомендовать к практической реализации.
Чистый дисконтированный доход, млн. руб.:
, (6.13)
где К - стоимость строительства станции, млн. руб.;ЭОТП - себестоимость
отпущенной энергии, руб./кВт ч.;ОТП - годовой отпуск энергии с шин станции,
МВт;- текущий год;
Т - тариф на отпущенный кВт ч с учётом планируемой рентабельности,
руб./кВт ч.
Доход по электроэнергии считаем с рентабельностью 10%, млн. руб. в год:
Дэ/э=(1,2∙0,40-0,40)∙3196,88=255,75
Доход по теплоэнергии с рентабельностью 40%, млн. руб. в год:
Дт/э=(1,4∙145,34-145,34)∙4347=422,25
Таблица 6.6 - Срок окупаемости капитальных вложений
|
Показатели
|
Расчётный период
|
|
0
|
1
|
2
|
3
|
4
|
5
|
6
|
7
|
8
|
9
|
10
|
|
1) Денежный поток по инвестиционной деятельности
|
-6925,19
|
-
|
-
|
-
|
-
|
-
|
-
|
-
|
-
|
-
|
-
|
|
2) Денежный поток по основой деятельности: -
амортизационные отчисления - доход от реализации э/э - доход от реализации
т/э
|
-
|
422,25 255,75 547,09 1245,1
|
422,25 255,75 547,09 1245,1
|
422,25 255,75 547,09 1245,1
|
422,25 255,75 547,09 1245,1
|
422,25 255,75 547,09 1245,1
|
422,25 255,75 547,09 1245,1
|
422,25 255,75 547,09 1245,1
|
422,25 255,75 547,09 1245,1
|
422,25 255,75 547,09 1245,1
|
422,25 255,75 547,09 1245,1
|
|
3) Денежный поток, чистый доход
|
-6925,19
|
1245,10
|
1245,10
|
1245,10
|
1245,10
|
1245,10
|
1245,10
|
1245,10
|
1245,10
|
1245,10
|
1245,10
|
|
4) Коэффициент дисконтирования
|
1
|
0,91
|
0,83
|
0,75
|
0,68
|
0,62
|
0,56
|
0,51
|
0,47
|
0,42
|
0,39
|
|
5) Чистый дисконтированный доход
|
-6925,19
|
1131,79
|
1028,45
|
935,07
|
850,40
|
773,20
|
702,23
|
638,73
|
580,21
|
527,92
|
479,36
|
|
6) ЧДД нарастающим итогом
|
-6925,19
|
-5793,40
|
-4764,95
|
-3829,88
|
-2979,48
|
-2206,28
|
-1504,04
|
-865,31
|
-285,10
|
242,82
|
722,19
|
Срок окупаемости станции с пятью блоками Т-100-130 осуществляется на
восьмом году эксплуатации станции.
Список использованных источников
1. Астраханцева,
И.А. Вопросы экономики в дипломных проектах: Методические указания по
дипломному проектированию для студентов заочной формы обучения специальности
100500 "Тепловые электрические станции / И.А. Астраханцева, КГТУ.
Красноярск, 2001. - 28 с.
2. Ривкин
С.А. Теплофизические свойства воды и водяного пара: Справочник / С.А. Ривкин,
А.А. Александров - М.: Энергоатомиздат, 1984. - 80 с.
. Цыганок
А.П. Проектирование тепловых электрических станций: Учебное пособие / А.П.
Цыганок, С.А. Михайленко; КГТУ. - Красноярск, 1991. - 119 с.
. Рыжкин
В.Я. Тепловые электрические станции: Учеб. для вузов / В.Я. Рыжкин. - М.:
Энергоатомиздат., 1987. - 328 с.
. Григорьев
В.А. Тепловые и атомные электрические станции: Справочник / В.А. Григорьев,
В.М. Зорин. - М.: Энергоиздат, 1982. - 624 с.
6. Вахтель
А.К. Топливно-транспортное хозяйство ТЭС: Учеб. пособие / А.К. Вахтель, КГТУ.
Красноярск, 1996. - 64 с.
. Дубровский
В.А. Введение в специальность: Учеб. пособие / В.А. Дубровский, КГТУ.
Красноярск, 2001. - 168 с.
8. Беспалова
С.У. Охрана воздушного бассейна от выбросов ТЭС: Учеб. пособие / С.У.
Беспалова, Томск, 1985. - 98 с.
9. Смирнов А.Д., Антипов К.М. Справочная книжка энергетика. - М.:
Энергоатомиздат, 1987 - 276 с.
. Соловьёв Ю.П. Вспомогательное оборудование паротурбинных
электростанций. - М.: Энергоатомиздат, 1983. - 198 с.
. Качан А.Д., Муковозчик Н.В. Технико-экономические основы
проектирования тепловых электрических станций: / Учеб. Пособие для вузов по
спец. 0305 "Тепловые электрические станции" / - Мн.: Выш. школа,
1983. - 159 с.
. Кондрасенко В.Я., Жуков А.И. Безопасность жизнедеятельности.
Красноярск, КГТУ, 1999 - 198 с.
. Емелина Д.Г. Безопасность жизнедеятельности: Учеб. пособие. /
Емелина Д.Г., Емелина Д.В. Красноярск: ИПЦКГТУ, 2000. 183 с.
. Стандарт предприятия. Общие требования к оформлению текстовых и
графических студенческих работ. Текстовые материалы и иллюстрации. СТПКГТУ
01-02