Устройства систем управления

  • Вид работы:
    Курсовая работа (т)
  • Предмет:
    Информатика, ВТ, телекоммуникации
  • Язык:
    Русский
    ,
    Формат файла:
    MS Word
    597,46 Кб
  • Опубликовано:
    2014-10-16
Вы можете узнать стоимость помощи в написании студенческой работы.
Помощь в написании работы, которую точно примут!

Устройства систем управления

Исходные данные курсового проектирования

Тип непосредственного преобразователя постоянного напряжения:

инвертирующий

Максимальное выходное напряжение [В]..........................................24

Минимальное выходное напряжение [В]...........................................10

Частота преобразования [кГц].....................................................…....33

Сопротивление нагрузки [Ом].....................................................…... 4

КПД, не менее.............................................................………...............0,80

Отклонение напряжения питания [%]...........................................…...10%

Переменная составляющая выхода напряжения

(от пика до пика) [В].................................................................……... 5

Напряжение питания [В]........ ..................................................……...27

Ход выполнения курсового проектирования

Дата




Проект допускается к защите " __" _______ (подпись руковод. )

Процент выполнения






Введение

преобразователь индуктивность импульс транзистор

В настоящее время наблюдается бурное развитие преобразовательной техники устройств электропитания для систем автоматики, вычислительной техники и радиотехнических комплексов.

Обеспечение высокой надёжности, экономичности и большого срока службы электронных устройств при сравнительно малых массах и габаритах обусловлено переходом на полупроводниковую элементную базу и разработкой широкого класса полупроводниковых преобразовательных устройств, не имеющих прототипов среди ранее известных. В последнее время повышенный интерес инженеров и учёных вызывают вопросы преобразования постоянного тока, что обусловлено резким расширением функциональных задач, подвижными объектами различного назначения, в частности в системах электропитания и управления, которые имеют автономные первичные источники постоянного тока: аккумуляторные или солнечные батареи, топливные элементы, ядерные источники и т.п. Для стабилизации выходного напряжения устройств электропитания применяются различные типы импульсных регуляторов и стабилизаторов, в ряде практических применений функции регулирования и преобразования совмещаются в более сложных функциональных узлах - регулируемых инверторах или регулируемых выпрямителях. В итоге плодотворной деятельности широкого круга специалистов в нашей стране и за рубежом удалось найти большое число оригинальных и эффективных технических решений в рассматриваемой области техники. Обилие технических решений в свою очередь вызвало необходимость проведения глубоких научных и экспериментальных исследований и привело к созданию совершенно новых разделов в теории преобразователей напряжения. В настоящее время решен обширный комплекс вопросов, связанных с исследованием характерных процессов в основных функциональных узлах устройств электропитания, изучено их взаимное влияние друг на друга, исследованы особенности их работы при повышенных частотах преобразования. Большое внимание уделяется изучению динамических характеристик систем стабилизации устройств электропитания.

Однако новейшие достижения электронной техники сегодня пока ещё мало затронули преобразовательные устройства бытовой РЭА. Например, блоки электропитания составляют ощутимую долю массы серийных радиоустройств. Так, в некоторых телевизорах эта доля составляет не менее 14% всей массы (включая футляр и кинескоп). А, например, для стереофонического усилителя с выходной мощностью 2·50 Вт она ещё больше (25 - 30%). Решение проблемы снижения материалоемкости и энергосбережения бытовой РЭА связано с широким использованием импульсных источников вторичного электропитания (ИИЭ). Их преимущества по сравнению с традиционными источниками электропитания обеспечиваются заменой силового трансформатора, работающего на частоте промышленной сети 50 Гц, малогабаритным импульсным трансформатором, работающем на частотах 20 - 200 кГц и более, а также использованием импульсных методов стабилизации напряжений взамен компенсационных. Это приводит к снижению материалоемкости в 2 -3 раза и повышению КПД до 80 - 85%. Переход на выпуск, например, телевизоров с ИИЭ может дать экономию не только высококачественной трансформаторной стали и обмоточного медного провода, но и обеспечит ежегодную экономию электроэнергии.

1. Описание и сравнительный анализ НППН всех типов

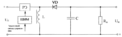
Непосредственные преобразователи постоянного напряжения (НППН) понижающего типа выполняются по структурной схеме, приведённой на рис.1, в которой регулирующий элемент РЭ и дроссель фильтра L включены последовательно с нагрузкой RH

Рис.1. Структурная схема ШИШ (понижающего типа).

В качестве РЭ используется транзистор, работающий в режиме переключения, при котором он поочерёдно находится в режиме насыщения (когда он полностью открыт) или в режиме отсечки (когда он полностью закрыт). При открытом транзисторе в течение времени импульса 1И энергия . от входного источника постоянного тока Un (или выпрямителя с выходным напряжением uq) передаётся в нагрузку через дроссель L, в котором накапливается избыточная энергия. При закрытом транзисторе в течение времени паузы tn накопленная в дросселе энергия через диод VD передаётся в нагрузку. Период коммутации (преобразования) равен:

Тп =tи +tп

Частота коммутации (преобразования):

Отношение длительности открытого состояния транзистора, при котором генерируется импульс напряжения длительностью (" к периоду коммутации Тп называется коэффициентом заполнения:


Иногда при расчётах удобно пользоваться скважностью:


В НППН регулирующий элемент РЭ преобразует (модулирует) входное постоянное напряжение Un (Uo) в серию последовательных импульсов определённой длительности и частоты, поступающую от широтно-импульсного модулятора (НИМ) и модулированных по закону аналогового управления. Сглаживающий фильтр, состоящий из диода VD, дросселя L и конденсатора С демодулирует их и восстанавливает форму аналогового сигнала управления. Импульсный режим работы позволяет значительно уменьшить мощность потерь в регулирующем элементе и тем самым повысить КПД модулятора, уменьшить его массу и габариты.

НППН, в зависимости от способа управления регулирующим тран-зистором, могут выполняться с широтно-импульсной модуляцией (ШИМ), частотно-импульсной модуляцией (ЧИМ) или релейного типа. В НППН с широтно-импульсной модуляцией в процессе работы изменяется длительность импульса tи, а частота коммутации остаётся неизменной, в НШШ с частотно-импульсной модуляцией изменяется частота коммутаций, а длительность импульса tи остаётся постоянной, в НППН релейного типа в процессе регулирования напряжения изменяется и длительность импульса и частота: это является их основным недостатком, ограничивающим применение.

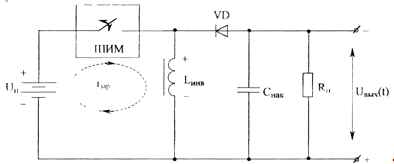
НШШ повышающего типа выполняется по структурной схеме, приведённой на рис.2, в которой регулирующий элемент регулирующий элемент РЭ (транзистор) подключён параллельно нагрузке RH и также работает в импульсном режиме.

Рис.2. Структурная схема ШИШ повышающего типа

Диод VD блокирует нагрузку Rн и конденсатор фильтра С от регулирующего элемента РЭ. Когда регулирующий транзистор открыт, ток от источника питания Uп протекает через дроссель L, запасая в нём энергию. Диод VD при этом осекает (блокирует) и не позволяет конденсатору С разрядиться через открытый регулирующий транзистор. Ток в нагрузку в этот промежуток времени поступает только от конденсатора С. В следующий момент времени, когда регулирующий транзистор закрыт, ЭДС самоиндукции дросселя L суммируется с входным напряжением и энергия дросселя отдаётся в нагрузку; при этом выходное напряжение оказывается больше входного напряжения питания Un (Uo). В отличие от схемы на рис. 1 здесь дроссель не является элементом фильтра, а выходное напряжение становится больше входного на величину, определяемую индуктивностью дросселя L, и скважностью работы регулирующего транзистора.

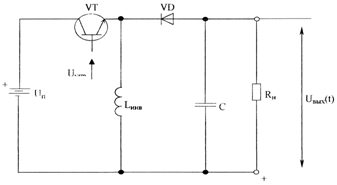
НППН инвертирующего типа выполняется по структурной схеме, приведённой на рис.3.

Рис.3. Структурная схема НППН инвертирующего типа.

В отличие от предыдущей схемы здесь параллельно нагрузке RH включён дроссель L, а регулирующий элемент РЭ включён последовательно с нагрузкой. Блокирующий диод отделяет конденсатор фильтра С и нагрузку RH от регулирующего элемента. НГШН обладает свойством инвертирования полярности выходного напряжения UH относительно полярности входного напряжения питания. Когда регулирующий транзистор открыт, ток (iзар) от источника питания Un протекает через дроссель L, запасая в нём энергию. Диод VD при этом закрыт и не позволяет току зарядки (iзар) "пройти" через нагрузку. Ток в нагрузку в этот промежуток времени поступает только от конденсатора С за счёт его разряда. В следующий момент, когда регулирующий транзистор закрыт, возникает ЭДС самоиндукции дросселя, которая имеет обратную полярность по отношению к входному напряжению Uп и энергия дросселя отдаётся как в нагрузку, так и на заряд конденсатора. При этом выходное напряжение может быть и больше и меньше входного напряжения питания Uп (U0)

. Краткие теоретические сведения

При замыкании выходного ключа ШИМ (т.е. при переходе транзистора в режим насыщения) происходит зарядка индуктивности lинв током зарядки 1зар от источника питания. Причем со следующей полярностью: сверху "+", снизу "-". Происходит накопление магнитной энергии:


При этом диод VD заперт, т. к. к нему приложено обратное напряжение.

При размыкании выходного ключа ШИМ на катушке индуктивности появляется ЭДС самоиндукции и происходит разрядка индуктивности на конденсатор С и нагрузку RH. При этом открывается диод VD и замыкается цепь тока разрядки Ipазр. Емкость заряжается со следующей полярностью: сверху "-", снизу "+".

Рис.4. НППН инвертирующего типа. Процесс заряда индуктивности.

Рис . 5. HППH инвертирующего типа. Процесс разряда индуктивности.

При повторном замыкании выходного ключа ШИМ диод запирается суммарным напряжением.


В этот момент ток в нагрузку поступает от разряда конденсатора, Таким образом, происходит перекачка энергии заряда индуктивности в энергию разряда.


Управление величиной энергии заряда - разряда производится через ШИМ изменением коэффициента заполнения импульсов:


Зависимость отношения выходного напряжения к питающему напряжению от коэффициента заполнения импульсов имеет следующий вид:

Рис.6.Передаточная характеристика ШИШ инвертирующего типа.

Рис.7.НППН инвертирующего типа с биполярным транзистором.

Рис.8.Режим прерывистых токов.

Рис.9.Режим непрерывных токов.

. Электрический расчёт ННПН инвертирующего типа

1. Определение минимальной и максимальной величин коэффициента заполнения импульсов:

,


2. Из условия обеспечения неразрывности тока через индуктивность определяется ее минимальное - критическое значение:


3. Определение среднего, минимального и максимального значении токов через индуктивность инвертирования:


4. Выбор выходного ключевого элемента ШИМ - модулятора биполярного транзистора:


Выбираем биполярный транзистор КТ819ВМ с параметрами:

Uкэmax(В)

Uкэнас(В)

Ikmax(A)

Iб(А)

tвкл (мкс)

Tвыкл(мкс)

70

2

20

5

0,5

1,0


. Выбираем силовой диод, используя следующие соотношения:


Выбирается диод типа КД213А со следующими параметрами:

Uобрmax(В)

Uпр(В)

Iпрmax(А)

Iобрmax (мА)

tвосст,мкс

60

1.27

20

4

0,2


6. Определение мощности потерь на выходном транзисторном ключе:

,


7. Определение мощности потерь на диоде:


8. КПД инвертирующего НППН:


где Рвых - выходная мощность


Тогда:


4. Результаты моделирования с помощью Micro-Cap 6.0

Суть моделирования заключается в разработке модели, адекватной реальному объекту. Для этого необходимо, чтобы процессы, происходящие в электрических цепях моделей полностью отражали процессы, происходящие в физических объектах с высокой точностью.

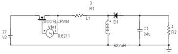
Схема моделирования НПГШ инвертирующего типа представлена на рис.5 и 6. При моделировании использовано свойство источника импульсов VPULSE, который после выдачи импульса напряжения становится короткозамкнутым. В схеме моделирования резистор R2 учитывает активное сопротивление индуктивности Lинв.

1. На первом этапе моделирования необходимо найти Lкрмод, которая, возможно, будет отличаться от расчётной Lкррас=682 мГн. На этом этапе моделирования используется схема, представленная на рис.5. Поскольку Lкр рассчитывалась при Uпmax, то значение источника питания берётся Uпmax = Un + Δ Un = 32 В. Результаты моделирования представлены на риc.7. Согласно результатам моделирования Lкр.мод=682 мГн, что ниже расчетного значения. Значение емкости С1 можно определить из следующего соотношения:


откуда С1 находится следующим образом:


. На втором этапе моделирования, при номинальном Un=27 В, изменяя коэффициент заполнения импульсов добиваемся получения на

выходе Uвыхmах=24 В, по ТЗ.. Далее, для обеспечения пульсации от пика до пика U~BbIX = 4 В по ТЗ, увеличиваем емкость конденсатора С1. Схема моделирования представлена на рис.6 В результате моделирования было установлено, что для обеспечения Uвыхmах=24 В и U~BbIX = 4 В необходимо установить емкость конденсатора, С1=84 мкФ, а коэффициент заполнения импульсов γ=0,6211.

Рис. 10.Схема моделирования НППН инвертирующего типа (первый этап).

Рис. 11.Действующее значение напряжений схемы (первый этап)

Рис. 12. График одного периода работы НППН при (первый этап).

Рис.13.Схема моделирования НППН инвертирующего типа (второй этап).

Рис. 14.Действующие значения напряжений схемы (второй этап)

Рис.15 .Пульсация выходного напряжения за один период при γ=0,6211и С1=84мкФ.

Переменная составляющая примерно равна 3,5 В.

Выводы

1. Выбран и обоснован модулятор на базе НППН инвертирующего типа, работающий на частоте 33 кГц.

. Повышенная' рабочая частота модулятора, дает возможность

существенно уменьшить габариты и массу реактивных элементов (индуктивностей и емкостей).

3. Импульсный характер работы модулятора, даёт возможность уменьшить габариты: и массу самого НППН за. счёт отказа от громоздких теплоотводящих средств и повысить КПД всего устройства, в целом..

Список литературы

1. Разевиг В.Д. Система проектирования OCAI) 9.2",М. СОЛОН-Р,2001г.

. Разевиг В.Д. "Система сквозного проектирования электронных устройств", М. СОЛОН-Р,1999г.

. Брускин Д.З., Зорохович А.С., Хвостов B.C. "Электрические машины и микромашины'\ М. Высшая школа, 19МО г.

4. Ромаш Э.М. и др. "Высокочастотные транзисторные преобразователи"1', М,, Радио и Связь, 1988 г.

Источники электропитания РЭА, Справочник, М, Радио и Связь.

Похожие работы на - Устройства систем управления

 

Не нашли материал для своей работы?
Поможем написать уникальную работу
Без плагиата!
Без нейросетей!