Универсальное охранное устройство
Содержание
плата охранный
устройство
Введение
.
Техническое задание
.
Патентный поиск
.
Анализ исходных данных и основных технических требований к разрабатываемой
конструкции
.1
Анализ схемы электрической принципиальной
.2
Анализ условий эксплуатации и дестабилизирующих факторов
.
Выбор и обоснование элементной базы, унифицированных узлов, установочных
изделий и материалов конструкции
.
Выбор и обоснование компоновочной схемы и метода конструирования
.
Выбор и обоснование способов и средств обеспечения теплового режима,
герметизации, виброзащиты и электромагнитной совместимости
.
Расчёт конструктивно-технологических параметров проектируемого устройства
.1
Компоновочный расчёт печатной платы
.2
Компоновочный расчёт устройства
.3
Расчёт конструктивно-технологических параметров печатной платы. Выбор и
обоснование метода изготовления печатной платы
.4
Оценка теплового режима и выбор способа охлаждения
.5
Расчёт механической прочности и системы виброударной защиты
.6
Обеспечение электромагнитной совместимости
.7
Расчёт надёжности
.
Обоснование выбора САПР при проектировании устройства
Заключение
Список
использованных источников
Введение
В данном курсовом проекте необходимо разработать
с применением САПР конструкцию универсального охранного устройства. В ходе
курсового проектирования решаются следующие задачи:
проводится разработка технического задания с
точки зрения конструктора РЭС;
обосновываются элементная база и материалы
проектируемого изделия;
производится конструктивный расчет;
анализируется тепловой режим;
оценивается виброзащищенность и устойчивость
конструкции в отношении механических воздействий;
проводится расчет надежности;
разрабатывается комплект конструкторской
документации.
В курсовом проекте учтём все требования
поставленные в техническом задании.
Инструментальным средством конструирования в
данном курсовом проекте выступают системы автоматизированного проектирования
современного уровня P-CAD 2006 и AutoCAD 2007.
1. Техническое задание
Наименование и шифр работы
.1 Наименование ОКР - «Разработать и изготовить
опытные образцы универсального охранного устройства», шифр
"Сигнализация".
Основание для выполнения ОКР
.1 Настоящая работа выполняется на основании
государственной научно-технической программы «Разработать и внедрить методы и
аппаратурные средства для разработки охранного устройства», п. , и договора №
от 2012 г.
.2 Государственный заказчик - Министерство
промышленности РБ.
Сроки выполнения
.1 Начало и окончание выполнения ОКР в
соответствии с договором - II кв. 2012 г. - II кв. 2013 г.
Предприятие-исполнитель ОКР
.1 Предприятие-исполнитель ОКР -
научно-производственное предприятие «НИИЭВМ» (ОАО «НИИЭВМ»).
Соискатели:
ОАО «МНИПИ» г. Минск;
Предприятие-изготовитель
.1 Предприятие-изготовитель - ОАО «НИИЭВМ».
Источник финансирования
.1 Источник финансирования - бюджет ОАО
«НИИЭВМ».
Цель, задачи, назначение ОКР
.1 Целью работы является создание опытных
образцов охранного устройства.
Основные требования
.1 Охранное устройство должно удовлетворять
требованиям настоящего ТЗ.
.2 Конструкторская документация должна
соответствовать требованиям ЕСКД.
Состав изделия
.1 Состав охранного устройства уточняется на
этапе разработки опытного образца.
Технические требования
.1 Требования к конструкции
.1.1 Охранное устройство должно разрабатываться
как базовое для обеспечения модификаций прибора с учетом требований
взаимо-заменяемости.
.1.2 Конструкция охранного устройства должна
обеспечивать возможность автоматизации регулировочных и контрольных операций.
.1.3 Конструкция охранного устройства должна
предусматривать возможность нанесения поверочного клейма или пломбы.
.1.4 Материалы и полуфабрикаты, комплектующие
изделия охранного устройства должны применяться по действующим стандартам и
техническим условиям на них.
.1.5 Масса охранного устройства должна быть не
более 0,5 кг.
.2 Показатели назначения
.2.1 Напряжение питания: +15В
.2.2 Потребляемый ток: 150 мА
.3 Требования к надежности
.3.1 Средняя наработка на отказ должна быть не
менее 5000 ч.
.3.2 Средний ресурс должен быть не ниже 5000 ч.
.3.3 Средний срок службы должен быть не менее 5
лет.
Примечание. Показатели надежности определяются
расчетным путем.
.4 Требования к технологичности
.4.1 Должны быть разработаны и изготовлены
технологическая оснастка и нестандартизованные средства измерения.
.5 Требования к уровню унификации и
стандартизации
.5.1 При разработке охранного устройства должны
по возможности максимально использоваться стандартные и унифицированные
устройства, узлы и детали.
.6 Требования к безопасности и экологии
.6.1 Охранное устройство должно соответствовать
требованиям безопасности, установленным ГОСТ 27451-87, ГОСТ 26104-89.
.6.2 Обслуживание и эксплуатация охранного
устройства должны проводиться в соответствии с «Нормами радиационной
безопасности» НРБ-76/87 и «Основными санитарными правилами» ОСП-72/87.
.7 Эстетические и эргономические требования
.7.1 Форма, компоновка и внешний вид охранного
устройства должны соответствовать его функциональному назначению и обеспечивать
удобство обслуживания при настройке, ремонте и эксплуатации.
.8 Требования к метрологическому обеспечению
.8.1 Охранное устройство должно быть обеспечено
методами и средствами поверки при разработке, производстве и эксплуатации.
.8.2 Метрологическая экспертиза конструкторской
документации должна производиться службой нормоконтроля
предприятия-разработчика.
.9 Требования к патентной чистоте
.9.1 По схемным и конструкторским решениям
охранное устройство должно обладать патентной чистотой. Возможные страны
экспорта уточняются на этапе разработки рабочей документации.
.10 Требования к упаковке и маркировке
.10.1 Маркировка и упаковка охранного устройства
должны соответствовать требованиям ГОСТ 27451-87.
.11 Требования к транспортированию,
эксплуатации, хранению
.11.1 Охранное устройство в упакованном виде
должно допускать транспортирование в закрытых транспортных средствах любого
вида наземного транспорта и в отапливаемых герметизированных отсеках самолета
при температуре окружающего воздуха от минус 15 до плюс 40°С
и относительной влажности (95±3)% при температуре 35°С.
.11.2 Охранное устройство должно быть устойчив к
воздействию:
температуры окружающего воздуха от 10 до 40°С;
относительной влажности воздуха от 10 до 79%;
атмосферного давления от 84 до 106,7 кПа.
.11.3 Охранное устройство в упакованном виде
должно допускать хранение при температуре окружающего воздуха от 5 до 40°С
и относительной влажности не более 80% при температуре 25°С.
Этапы ОКР
.1 Этапы ОКР определяются календарным планом.
Порядок рассмотрения, сдачи и приемки
результатов ОКР
.1 Перечень конструкторской документации,
предъявляемой на каждом этапе, должен соответствовать ГОСТ 2.102-68.
.2 Порядок разработки, согласования и
утверждения докумен-тов, предъявляемых по окончании отдельных этапов и работы в
целом, должен соответствовать СТБ 1080-97.
.3 Настоящее ТЗ в процессе выполнения работы
может уточняться и изменяться. Изменения в утвержденное ТЗ вносятся выпуском
дополнения, которое согласуется и утверждается в том же порядке, что и основной
документ, либо через акты приемки этапов работы при условии подписания актов на
том же уровне, что и ТЗ.
.4 На государственные приемочные испытания
предъявляют два опытных образца.
.5 Государственные приемочные испытания
проводятся в ОАО «НИИЭВМ».
.6 После завершения работы опытные образцы
используются в ОАО «НИИЭВМ» для испытаний на надежность, а также для пробной
эксплуатации у потребителей.
. Патентный поиск
В результате изучений патентов Республики
Беларусь подобных устройств найдено не было. Изделие не предназначено для
экспорта, поэтому изучать патенты других стран не имеет смысла.
3. Анализ исходных данных и основных технических
требований к разрабатываемой конструкции
.1 Анализ схемы электрической принципиальной
Это устройство является многофункциональным и
может использоваться для охраны автомобиля (рисунок 3.1), квартиры (рисунок
3.2) или гаража. При срабатывании сигнализации включается звуковой сигнал.
Устройство имеет встроенный источник питания и в аварийной ситуации является
энергонезависимым. Вся схема устройства вместе со звуковым сигналом выполнены в
одном корпусе.
Рисунок 1 - Подключение системы охраны к
автомобилю
При охране автомобиля устройство работает с
двумя типами внешних датчиков: а) для дверей (датчики открывания дверей или
датчик механических колебаний, см. статью "Датчики для охранной
сигнализации") - включает звуковой сигнал с задержкой 6 секунд; б) для
закрытого капота и багажника - мгновенное включение звукового сигнала.
Владелец автосторожа при срабатывании
сигнализации по звуку легко может определить группу датчиков, сработавших во
время охраны.
Схема автосторожа обеспечивает после включения
охраны задержку 12±2 секунд для выхода из машины и 6±1 секунд при входе в
автомобиль для отключения сигнализации скрытно установленным тумблером S1 до
срабатывания звукового сигнала.
Рисунок 2 - Подключение системы охраны в
квартире
плата охранный устройство автосторож
Схема подключения автосторожа (см. рисунок 3.1)
обеспечивает блокировку системы зажигания (второй парой контактов тумблера S1)
на все время охраны вне зависимости от срабатывания датчиков.
В охранном устройстве предусмотрена светодиодная
индикация режима срабатывания датчиков сигнализации, что удобно при установке и
эксплуатации, так как является индикатором нормальной работы всей схемы.
Устройство питается от аккумулятора автомобиля,
но в случае аварийной ситуации (при его отключении) схема автоматически
переключается на встроенный резервный источник питания, при этом потребляемый
ток в режиме ОХРАНА не превышает 0,5 мА.
При охране квартиры или гаража электропитание
устройства осуществляется от встроенного источника питания, которым является
блок из шести элементов А316 или аккумуляторов НКГЦ-0,45, при этом ток
потребления в режиме ОХРАНА не превышает 0,5 мА и элементы питания обеспечат
работу устройства в режиме ОХРАНА не менее одного года (если не срабатывал
звуковой сигнал).
Работает устройство с двумя линиями от датчиков:
а) датчик двери - включает звуковой сигнал с
задержкой 6 секунд;
б) датчик закрытого окна или вторых дверей -
включение звукового сигнала мгновенно.
Схема сторожа обеспечивает после включения
режима охраны задержку в 12 секунд для выхода из квартиры и 6 секунд при входе
- для отключения сигнализации до срабатывания звукового сигнала.
В схеме сигнализации имеется светодиодная
индикация режима срабатывания датчиков, что является показателем работы.
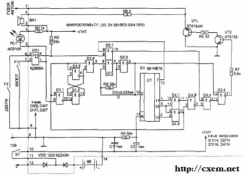
Электрическая схема (рисунок 3.3) собрана на
четырех микросхемах КМОП серии, что обеспечивает малое потребление тока, и состоит
из триггера на элементах D1.1...D1.3, генератора на частоту около 500 Гц - D2.2
и D2.3, счетчика тактовой частоты D3 и схемы селекции временных интервалов на
микросхеме D4. Транзисторы VT1 и VT2 позволяют усилить ток в нагрузке, которой
является внутренний малогабаритный динамик (ЗГДШ-14-4), а также может
подключаться внешний источник сигнала - гудок автомобиля.
В момент включения питания схемы на выходах
счетчика D3 устанавливается (цепью СЗ, R4) лог. "0". Это обеспечивает
появление лог. "1" на выводе D4/10 и лог. "0" на D1/3. При
этом будет работать автогенератор и связанный с ним счетчик до момента времени,
пока на выводе D3/2 не появится "1". Если ни один из датчиков не
сработал, то через 12 секунд появится лог. "1" на выводе D1/3 -
генератор остановится. С этого момента устройство будет находиться в режиме
ОХРАНА, и срабатывание датчиков приведет к переключению триггера на элементах
D1.1...D1.3 (на выводе D1/4 появится лог. "1", а на выводе D1/3 -
"0"), что приведет к продолжению работы генератора и счетчика, а на
выходной нагрузке через 6 секунд появится звуковой сигнал.
Рисунок 3.3 - Принципиальная схема устройства
Применяемые резисторы и конденсаторы можно
использовать любого типа. Все элементы схемы, кроме светодиода HL1, тумблера
S1, динамика ВА1, резистора R5, элементов питания и датчиков, размещены на
односторонней печатной плате размером 110х45 мм (рис. 3.4). При этом
потребуется сделать шесть объемных перемычек (если использовать двухстороннюю
печатную плату, то эти перемычки удобно выполнить печатными проводниками).
Транзистор VT1 крепится к теплорассеивающей
пластине (радиатору). В качестве переключателя S1 применен тумблер ТЗ или любой
аналогичный с двумя переключающими контактами.
При правильной сборке и исправных деталях схема
не требует настройки. Общие габариты всего устройства, при использовании
малогабаритного источника звука, не превышают 155х100х32 мм .
3.2 Анализ условий эксплуатации и
дестабилизирующих факторов
Разрабатываемое устройство эксплуатируется в
помещениях. При эксплуатации оно подвергаются воздействием внешних и внутренних
дестабилизирующих факторов.
Устойчивость РЭА к механическим вибрациям
характеризуется вибропрочностью и виброустойчивостью. Под вибропрочностью
понимают способность аппаратуры противостоять разрушающему действию вибрации в
заданных диапазонах частот и при возникающих ускорениях в течение срока службы,
а под виброустойчивостью аппаратуры - способность выполнения всех функций в
условиях вибрации в заданных диапазонах частот и возникающих при этом
ускорений.
Что касается ударов, которые возникают при
падении оборудования, то при этом возможно самопроизвольное срабатывание
подвижных и неуравновешенных вращающихся частей механических систем (реле,
муфты, фиксаторы), а также самоотвинчивание крепежных деталей, нарушение
регулировки, поломка несущей конструкции и т.д.
Одним из основных и наиболее эффективных методов
повышения устойчивости конструкций, как транспортируемой, так и стационарной, к
воздействию вибраций, а также ударных и линейных нагрузок является установка ее
на упругие опоры. В качестве таких опор используют резиновые, металлорезиновые
или металлопружинные амортизаторы. Они просты конструктивно, дешёвы и обладают
достаточной вибропрочностью. Действие амортизаторов основано на демпфировании
резонансных частот, т.е. поглощении части колебательной энергии. Физическая
сущность такой защиты заключается в разнице собственной резонансной частоты
амортизатора и частоты возмущающей силы. Амортизаторы используют также и для
звуковой изоляции оснований от шумящих объектов. При этом изоляция звуковых
колебаний широкого диапазона частот иногда требует последовательного соединения
амортизаторов с различными жестокостями.
. Выбор и обоснование элементной базы,
унифицированных узлов, установочных изделий и материалов конструкции
Критерием выбора элементной базы в любом
радиоэлектронном устройстве является соответствие технологических и
эксплуатационных характеристик ЭРЭ заданным условиям работы и условиям
эксплуатации.
Основными параметрами при выборе ЭРЭ являются
технические и эксплуатационные параметры.
К техническим параметрам относятся номинальные
значения согласно принципиальной электрической схеме устройства, допустимые
отклонения параметров ЭРЭ, допустимые рабочие напряжения, допустимые
рассеиваемые мощности, диапазон рабочих частот, коэффициент электрической
нагрузки ЭРЭ.
К эксплуатационным параметрам относятся диапазон
рабочих температур, относительная влажность воздуха, давление окружающей среды,
вибрационные нагрузки и другие специальные показатели, в пределах которых
элемент будет работать с достаточной степенью точности и надежности.
Дополнительными критериями при выборе ЭРЭ
являются унификация элементов, их масса и габариты, наименьшая стоимость,
надежность, а так же технологичность их использования при изготовлении и сборке
конструкции. Применение вышеперечисленных критериев, а так же принципов
стандартизации и унификации при выборе ЭРЭ, а так же при конструировании
изделия в целом позволяет получить следующие преимущества:
а) сократить сроки и стоимость проектирования;
б) сократить на предприятии номенклатуру
применяемых деталей и сборочных единиц;
в) исключить разработку специальной оснастки,
упростить подготовку производства;
г) создать специализированные производства
стандартных и унифицированных сборочных единиц для централизованного
обеспечения предприятий;
д) улучшить производственную и эксплуатационную
технологичность;
е) снизить себестоимость выпускаемого изделия.
Для проектируемого устройства выбираем следующие
резисторы:
) постоянные резисторы типа С1-4:
диапазон номинальных значений: 0 - 30 Мом;
допустимое отклонение от номинала: 5%;
номинальная мощность: 0,125Вт;
максимально допустимое напряжение: 400В;
рабочий диапазон температур: от -55ºС
до +125ºС;
срок хранения: 15 лет.
Для проектируемого устройства выбираем следующие
конденсаторы:
) импортные постоянные керамические
конденсаторы:
рабочий диапазон температур: от -40ºС
до +85ºС.
допустимое отклонение от номинала: 10%;
срок хранения: 15 лет;
Для проектируемого устройства выбираем следующие
транзисторы:
) n-p-n транзистор КТ315Б:
рабочая частота: 250МГц;
максимально допустимый ток коллектора: 100мА;
максимально допустимая постоянная рассеиваемая
мощность на коллекторе: 0,15Вт;
обратный ток коллектора: 0,5мкА;
) отечественные p-n-p транзисторы КТ318АМ:
рабочая частота: 250МГц;
максимально допустимый ток коллектора: 100мА;
максимально допустимая постоянная рассеиваемая
мощность на коллекторе: 0,15Вт;
обратный ток коллектора: 0,5мкА;
Для проектируемого устройства выбираем следующие
микросхемы:
) 4 элемента 2 ИЛИ-НЕ К561ЛЕ5:
напряжение питания: 3…15В;
время задержки: 50нс;
мощность потребления: 0,4мкВт;
корпус: DIP16;
) 2 D-триггера К561ТМ2:
напряжение питания: 3…15В;
время задержки: 50нс;
мощность потребления: 0,4мкВт;
корпус: DIP16;
Выбор материалов конструкции разрабатываемого
изделия проводим согласно требованиям, изложенным в техническом задании.
Материалы конструкции должны обладать следующими
свойствами: иметь малую стоимость, легко обрабатываться, обладать достаточной
прочностью и жесткостью, внешний вид лицевой и задней панелей должен отвечать
требованиям технической эстетики.
При выборе материала печатной платы необходимо
иметь ввиду следующее: материал, из которого предполагается выполнить печатную
плату, должен обладать высокими электроизоляционными показателями в заданных
условиях эксплуатации усилителя мощности, т.е. иметь большую электрическую
прочность, малые диэлектрические потери, быть химически стойким к действию
растворов, используемых при изготовлении печатных плат, допускать штамповку,
выдерживать кратковременные воздействия температуры до 240°С в процессе пайки
электрорадиоэлементов, иметь высокую влагостойкость, быть дешевым.
Для изготовления печатной платы источника
питания химическим (или комбинированным) методом необходимо иметь листовой
материал в виде изолированного основания с приклеенной к нему фольгой. В
качестве изоляционного основания выбран фольгированный стеклотекстолит (СТФ),
марки СТФ-2, обладающий рядом преимуществ по сравнению с фольгированным
генитаксом:
а) прочность сцепления фольги с основанием у
стеклотекстолита не менее 10 Н/см, а у генитакса 9 Н/см;
) после выдержки в течение 24 часов при
температуре 40°С и относительной влажности до 98%;
в) удельное объемное сопротивление
ГФ 1
ГОм*см, а СТФ 5000 ГОм*см;
г) тангенс угла диэлектрических
потерь ГФ 0.07, а СТФ 0.03.
Одним из достоинств
стеклотекстолита, определившим применение его в качестве платы усилителя
мощности ИФ, является повышенная стойкость к температуре. Фольгированный
стеклотекстолит марки СТФ-2 может работать при температуре 180° С около 100
часов, а также выдерживает и более высокие температуры на короткий промежуток
времени. Это свойство необходимо для исключения вероятности распространения
огня печатной платой при возникновении пожара.
В качестве материала фольги
использована медь, так как она обладает хорошими проводящими свойствами.
В качестве конструкционных
материалов для изготовления деталей используются металлы. К металлам, из
которых будут изготавливаться детали такими высокопроизводительными методами
как литье, штамповка, прессование, предъявляются требования:
) высокая текучесть при небольшом
перегреве;
) малая усадка;
) достаточная прочность при высоких
температурах.
Контур платы печатной,
технологические отверстия и всевозможные вырезы под устанавливаемые на нее
детали (экраны, радиаторы и т.д.) выполнены при помощи вырубки на специально
сконструированных штампах.
С целью обеспечения хорошей
смачиваемости печатной платы припоем, для защиты поверхности меди от окисления,
а, следовательно, и для достижения хорошей пайки сформированный рисунок
проводников покрыт сплавом КОУТС 501 ТСМ. Покрытие способствует также снижению
суммарного сопротивления печатных проводников электрическому току.
При выборе материала печатной платы
необходимо руководствоваться документами: ГОСТ 10316-78, 23751-86, 23752-86 и
др.
В результате сопоставления условий
эксплуатации охранного устройства и условий эксплуатации применяемых в нем
электрорадиоэлементов произведен выбор элементной базы, которая в большинстве
своем является унифицированной.
5. Выбор и обоснование компоновочной
схемы и метода конструирования
Для ускорения разработки РЭС,
повышения надежности и качества аппаратуры разрабатывают компоновочные схемы и
определяют численные значения компоновочных характеристик.
Компоновка представляет собой
размещение элементов РЭС в пространстве или на плоскости. Задача компоновки -
выбор форм, основных геометрических размеров, ориентировочное определение массы
и расположения в пространстве составных элементов изделия.
Имея компоновочный эскиз изделия и
схему электрическую принципиальную, можно до разработки рабочих чертежей и
изготовления макета оценить возможный характер и уровень паразитных связей,
оценить тепловые режимы и т.д. При внутренней компоновки следует учитывать
следующие требования:
отсутствие между отдельными
элементами, узлами и блоками существенных паразитных электрических и магнитных
взаимосвязей, влияющих на технические характеристики изделия;
минимизация влияния тепловых и
механических воздействий на изменение технических характеристик изделия;
взаимное расположение элементов
конструкции, обеспечивающие технологичность сборки и монтажа с учетом
использования автоматического и полуавтоматического оборудования, легкий доступ
к деталям для контроля, ремонта и обслуживания;
расположение и конструкция органов
управления и настройки, обеспечивающие максимальные удобства для оператора;
изделия должны удовлетворять
требованиям технической эстетики;
габариты и масса изделия должны быть
минимальными.
В отношении последнего требования
следует отметить, что габариты и масса изделия в значительной мере зависят от
принятых схемных решений и используемых радиоэлементов. Мерой эффективности мероприятий
по уменьшению габаритов аппаратуры является плотность монтажа - среднее
количество ЭРЭ, полупроводниковых приборов, умещающихся в единице объема.
Удовлетворить одновременно всем
перечисленным требованиям в большинстве случаев не удается. Поэтому процесс
компоновки, как и всякий процесс конструирования, сводится к нахождению
компромиссного оптимального решения. Для компоновки широко используются САПР.
Процесс же трассировки печатных плат полностью автоматизирован.
Высокая сложность разрабатываемой в
настоящее время РЭА, построенной с применением различного типа микросхем,
микросборок и других современных ЭРЭ, вызвала необходимость поиска таких
конструкций и компоновочных решений, которые позволили бы удовлетворять
следующим требованиям:
а) высокая степень
микроминиатюризации аппаратуры в целом;
б) широкая унификация элементов
конструкции;
в) возможность параллельной сборки и
регулировки составных частей РЭА;
г) обеспечение высокой
эксплуатационной надежности аппаратуры многоразового действия за счет быстрой
замены вышедших из строя составных частей;
д) возможность проведения
модернизации отдельных частей при сохранении неизменными других.
Указанные требования в значительной
степени удается выполнить, применяя функционально-модульный метод конструирования
в сочетании с упорядоченной структурой деления аппаратуры на составные части.
На основе проведенного анализа
электрической схемы и анализа существующих конструкций выбирается метод
конструирования устройства в целом и его частей. Существующие методы конструирования
РЭС подразделяются на три взаимосвязанные группы:
а) по видам связей между элементами;
б) по способу выявления и
организации структуры связей между элементами;
в) по степени автоматизации
конструирования РЭС - зависит от назначения аппаратуры и ее функций,
преобладающего вида связей, уровня унификации, автоматизации и т.д.
Для проектируемого устройства
наиболее оптимальным является выбор базового метода конструирования. В основу
этого метода положен модульный принцип проектирования. Базовый метод является
основным при проектировании современной РЭА, он имеет много преимуществ по
сравнению с другими методами:
а) на этапе разработки позволяет
одновременно вести работу над многими узлами и блоками, что сокращает сроки
проведения разработок;
б) упрощает отладку и сопряжение
узлов в лаборатории, так как работа любого функционального узла определяется
работой известных модулей, резко упрощается конструирование и макетирование;
в) сокращает объем оригинальной
конструкторской документации, дает возможность непрерывно совершенствовать
аппаратуру без коренных изменений конструкции;
г) упрощает и ускоряет внесение
изменений в схему, конструкцию и конструкторскую документацию;
д) на этапе производства сокращает
сроки освоения серийного производства аппаратуры;
е) снижает стоимость аппаратуры
благодаря широкой механизации и автоматизации производства;
ж) повышает степень специализации
производства;
з) при эксплуатации повышает
эксплуатационную надежность РЭА, облегчает обслуживание, улучшает
ремонтопригодность аппаратуры.
6. Выбор и обоснование способов и
средств обеспечения теплового режима, герметизации, виброзащиты и
электромагнитной совместимости
Выбор способов охлаждения
При обеспечении необходимого
теплового режима СМЭ основные трудности связаны с отводом тепла, т.е.
охлаждением. Учитывая тип и состояния теплоносителя, а также причину, вызвавшую
его движение, способы охлаждения СМЭ можно разделить на следующие основные
классы: газовое (воздушное), жидкостное, испарительное, а также естественное и
принудительное.
Способ охлаждения во многом
определяет конструкцию СМЭ. Поэтому уже на ранней стадии проектирования, т.е.
на стадии технического предложения или эскизного проекта, необходимо выбрать
способ охлаждения СМЭ, после чего можно приступить к предварительной проработке
конструкции. Выбранный способ охлаждения должен обеспечить заданный по ТЗ
тепловой режим СМЭ, что можно проверить расчетным путем детальной проработки
конструкции аппарата либо опытным путем после испытания макета или опытного
образца. Следовательно, если на ранней стадии конструирования мы неправильно
выберем способ охлаждения, то это обнаружится только на более поздних стадиях
конструирования, в результате чего проделанная работа будет напрасна, а сроки
создания СМЭ значительно увеличатся. Если к этому добавить, что на ранней
стадии конструирования мы располагаем минимальной информацией о конструкции
СМЭ, то станет очевидным, сколь ответственна и сложна задача выбора способа
охлаждения.
Для выбора способа охлаждения прежде
всего требуются следующие данные:
а) суммарная мощность
,
рассеиваемая в блоке;
б) диапазон возможного изменения
температуры окружающей среды
;
в) пределы изменения давления
окружающей среды
;
г) время непрерывной работы
;
д) допустимые температуры элементов
;
е) коэффициент заполнения по объему
.
Эти исходные данные недостаточны для
детального расчета теплового режима, но их можно использовать для
предварительной оценки. Выбор способа охлаждения на ранней стадии конструирования
часто имеет вероятностный характер, т.е. дает возможность оценить вероятность
обеспечения заданного по ТЗ теплового режима СМЭ при выбранном способе
охлаждения, а также усилия, которые необходимо затратить при разработке будущей
конструкции СМЭ с учетом обеспечения теплового режима.
Выбор способа охлаждения можно
выполнить с помощью графиков, характеризующих области целесообразного
применения различных способов охлаждения. Эти области строятся по результатам
обработки статистических данных для реальных конструкций, тепловых расчетов и
данных испытания макетов.
Выбор способов герметизации
Основная цель герметизации -
предотвращение воздействия внешних климатических факторов.
Выбор способа герметизации
обуславливается совокупностью требований к конструкции: условиями реализации
нормального теплового режима, ремонтопригодностью, элементоемкостью реализуемой
схемы, плотностью компоновки, рядом эксплуатационных требований (изменение
барометрического давления, механические воздействия, перепады температур) и
надежностью.
Различные методы герметизации
отличаются как методом исполнения, так и сложностью и стоимостью. Известны
способы герметизации с помощью:
а) изоляционных материалов;
б) непроницаемых для газов оболочек.
В конструируемом изделии специальные
способы герметизации прибора не предусмотрены. Это обусловлено следующими
условиями его эксплуатации: прибор предназначен для работы в специальных
помещениях с регулируемым климатом, где созданы условия, обеспечивающие
надёжную работу. Исходя из вышеперечисленного и принимая во внимание
использование естественного охлаждения в качестве способа теплозащиты,
необходимость в специальных способах герметизации прибора отсутствует.
Обоснование необходимости защиты от
механических воздействий
СМЭ эксплуатируются в помещениях, на
открытом воздухе, на различных подвижных объектах и т.д. При эксплуатации они
подвергаются воздействием внешних и внутренних дестабилизирующих факторов.
Устойчивость РЭА, в том числе и СМЭ,
к механическим вибрациям характеризуется вибропрочностью и виброустойчивостью.
Под вибро-прочностью понимают способность аппаратуры противостоять разрушающему
действию вибрации в заданных диапазонах частот и при возникающих ускорениях в
течение срока службы, а под виброустойчивостью аппаратуры - способность
выполнения всех функций в условиях вибрации в заданных диапазонах частот и
возникающих при этом ускорений.
Что касается ударов, которые
возникают при падении оборудования, то при этом возможно самопроизвольное
срабатывание подвижных и неуравновешенных вращающихся частей механических
систем (реле, муфты, фиксаторы), а также самоотвинчивание крепежных деталей,
нарушение регулировки, поломка несущей конструкции и т.д.
Одним из основных и наиболее
эффективных методов повышения устойчивости конструкций медицинской электроники,
как транспортируемой, так и стационарной, к воздействию вибраций, а также
ударных и линейных нагрузок является установка ее на упругие опоры. В качестве
таких опор используют резиновые, металлорезиновые или металлопружинные
амортизаторы. Они просты конструктивно, дешёвы и обладают достаточной
вибропрочностью. Действие амортизаторов основано на демпфировании резонансных
частот, т.е. поглощении части колебательной энергии. Физическая сущность такой
защиты заключается в разнице собственной резонансной частоты амортизатора и
частоты возмущающей силы. Амортизаторы используют также и для звуковой изоляции
оснований от шумящих объектов. При этом изоляция звуковых колебаний широкого
диапазона частот иногда требует последовательного соединения амортизаторов с
различными жестокостями.
7. Расчёт
конструктивно-технологических параметров проектируемого устройства
.1 Компоновочный расчёт печатной
платы
Для проектирования печатной платы
необходимо иметь электрическую принципиальную схему с перечнем элементов и
данные о размерах и форме каждого элемента.
Необходимые типоразмеры и
установочные размеры ЭРЭ: представлены в таблице 7.1.
Таблица 7.1 - Необходимые
типоразмеры и установочные размеры ЭРЭ
|
Тип
элемента
|
Установочная
площадь Sуст, мм2
|
Масса,
г
|
Кол-во
|
|
С1-4
|
60
|
0,5
|
7
|
|
К10-17
|
80
|
1,5
|
3
|
|
КТ315Б
|
40
|
0,5
|
1
|
|
КТ818АМ
|
250
|
4
|
1
|
|
К561ЛЕ5
|
250
|
2
|
3
|
|
К561ТМ2
|
250
|
2
|
1
|
|
КД906А
|
400
|
3
|
1
|
|
КД235А
|
40
|
1,5
|
2
|
Суммарная площадь поверхности платы (учитывая 4
отверстия крепления платы):
Выбираем коэффициент заполнения
объема корпуса равным 0,5.
Ориентировочно определяем размеры
платы:
мм2
где
- суммарный объем, занимаемый ЭРЭ;
- коэффициент заполнения.
Исходя из проведенных расчетов
выбираем следующие окончательные габариты платы: длина - 100 мм, ширина - 50
мм.
При размещении элементов необходимо
учитывать, что площадь, на которой можно размещать элементы и печатный монтаж,
должна быть меньше площади всей платы, чтобы иметь технологические закраины.
.2 Компоновочный расчёт устройства
Выбираем корпус устройства размерами
155х100х32 мм.
.3 Расчёт
конструктивно-технологических параметров печатной платы. Выбор и обоснование
метода изготовления печатной платы
Выбор типа печатной платы.
Печатные платы классифицируются:
По числу проводящих слоев на:
Односторонние печатные платы (ОПП),
Двусторонние печатные платы (ДПП),
Многосторонние печатные платы (МПП).
По конструктивному исполнению на:
Жесткие печатные платы,
Гибкие печатные платы.
Для проектирования платы наиболее
оптимальным будет использование односторонней печатной платы жесткой
конструкции.
Выбор группы жесткости печатной
платы устройства.
Определяем условия эксплуатации,
хранения и транспортировки устройства, условия сборки узлов, требования по
ремонтопригодности, технологичности, стоимости и т.д.
По ГОСТ 23752 - 79 выделяют 4 группы
жесткости:
Таблица 7.2 - Группы жесткости
печатных плат
|
Воздействующий
фактор
|
Группа
жесткости
|
|
1
|
2
|
3
|
4
|
|
Температура
окр. среды, ОС
|
-25-55
|
-40-85
|
-60-100
|
-60-120
|
|
Относительная
влажность, %
|
75
|
93
|
98
|
98
|
|
Давление
кПа
|
N
|
53,6
|
53,6
|
0,67
|
Изучив климатические условия нашей республики,
приходим к выводу, что наиболее оптимальным по стоимости и качеству будет выбор
3-ей группы жесткости с соблюдением параметров, приведенных в таблице 1.
Выбор класса точности печатной платы.
По ГОСТ 23751-86 выделяют 5 классов точности. В
нашем случае, анализируя используемую элементную базу, приходим к выводу, что
плата будет реализована по 3 классу точности.
Ширина печатного проводника - 0,15 мм;
Расстояние между краями соседних элементов
проводящего рисунка - 0,15 мм.;
Ширина гарантийного пояска - 0,05 мм;
Отношение номинального значение диаметра
наименьшего из металлизированных отверстий к толщине печатной платы - 0.25;
Выбор размеров и конфигурации печатной платы.
Размеры печатных плат регламентированы ГОСТ
10317 - 79. Печатные платы рекомендуется выполнять прямоугольной формы, с
соотношением сторон до 3:1 и при длине сторон не более 470 мм.
Размеры печатных плат должны быть:
При длине сторон до 100 мм - кратны 2.5;
При длине сторон от 100 до 350 мм - кратны 5;
При длине сторон свыше 350 мм - кратны 10.
Установлены следующие стандартные значения
диаметров переходных отверстий: 0.4; 0,5; 0.6; 0.7; 0.8; 0.9; 1.0; 1.1; 1.2;
1.3; 1.4; 1.5; 1.6; 1.7; 1.8; 2.0; 2.1; 2.2; 2.3; 2.4; 2.5; 2.6; 2.7; 2.8; 3.0.
Исходя из выбранного класса точности, выберем
минимальное значение диаметра переходного отверстия равным 0,8 мм.
Рекомендуемые значения толщины печатной платы по
ГОСТ 10317-79 - 1; 1.5; 2 мм, поэтому выберем толщину печатной платы, равную
1,5 мм (плюс толщина фольги, в нашем случае - 35 мкм).
Выбор и обоснование метода изготовления
электронного модуля
Выберем комбинированный позитивный метод
изготовления печатной платы.
Для изготовления печатной платы комбинированным
методом необходимо иметь листовой материал в виде изолированного основания с
приклеенной к нему фольгой. В качестве изоляционного основания выбран
фольгированный стеклотекстолит (СТФ), марки СТФ-2, обладающий рядом преимуществ
по сравнению с фольгированным гетинаксом:
а) прочность сцепления фольги с основанием у
стеклотекстолита не менее 10 Н/см, а у генитакса 9 Н/см;
) после выдержки в течение 24 часов при
температуре 40°С и относительной влажности до 98%;
в) удельное объемное сопротивление
ГФ 1
ГОм*см, а СТФ 5000 ГОм·см;
г) тангенс угла диэлектрических
потерь ГФ 0.07, а СТФ 0.03.
Одним из достоинств
стеклотекстолита, определившим применение его в качестве платы усилителя
мощности ИФ, является повышенная стойкость к температуре. Фольгированный
стеклотекстолит марки СТФ-2 может работать при температуре 180°С около 100
часов, а также выдерживает и более высокие температуры на короткий промежуток
времени. Это свойство необходимо для исключения вероятности распространения
огня печатной платой при возникновении пожара.
В качестве материала фольги
использована медь, так как она обладает хорошими проводящими свойствами.
В качестве конструкционных
материалов для изготовления деталей используются металлы. К металлам, из
которых будут изготавливаться детали такими высокопроизводительными методами
как литье, штамповка, прессование, предъявляются требования:
) высокая текучесть при небольшом
перегреве;
) малая усадка;
) достаточная прочность при высоких
температурах.
Контур платы печатной,
технологические отверстия и всевозможные вырезы под устанавливаемые на нее
детали (экраны, радиаторы и т.д.) выполнены при помощи вырубки на специально
сконструированных штампах.
С целью обеспечения хорошей
смачиваемости печатной платы припоем, для защиты поверхности меди от окисления,
а, следовательно, и для достижения хорошей пайки сформированный рисунок
проводников покрыт сплавом КОУТС 501 ТСМ. Покрытие способствует также снижению
суммарного сопротивления печатных проводников электрическому току.
.4 Оценка теплового режима и выбор
способа охлаждения
Расчет теплового режима РЭС
заключается в определении по исходным данным температуры нагретой зоны и
температур поверхностей теплонагруженных радиоэлементов и сравнения полученных
значений с допустимыми для каждого радиоэлемента в заданных условиях
эксплуатации.
Расчёт начинается с определения
средней температуры воздуха в блоке.
Исходными данными служат:
. Габаритные размеры: L1 = 0,155 м,
L2 = 0,1м, L3 = 0,032м.
. Давление окружающей среды:
Н1=84кПа,
. Так как корпус негерметичный, то
оно будет равно давлению внутри корпуса: Н1=Н2=84кПа
. Температура окружающей среды:
. Коэффициент заполнения:
. Мощность рассеиваемая в блоке:
мВт.
Средний перегрев нагретой зоны
герметичного корпуса блока с естественным воздушным охлаждением определяется по
следующей методике:
Рассчитывается поверхность корпуса
блока:
где L1, L2 - горизонтальные размеры
корпуса, м;- вертикальный размер, м.
Определяется условная поверхность
нагретой зоны:
Определяется удельная мощность
корпуса блока:
Определяется удельная мощность
нагретой зоны:
. Находится коэффициент Q1 в зависимости от удельной
мощности корпуса блока:
. Находится коэффициент Q2 в зависимости от удельной
мощности нагретой зоны:
. Определяется коэффициент КН :
,
. Рассчитывается перегрев корпуса
блока:
9. Определяется перегрев нагретой
зоны:
Определяется средний перегрев
воздуха в блоке:
Определяется температура корпуса
блока:
Определяется температура нагретой
зоны:
Находится средняя температура
воздуха в блоке:
Тогда получаем:
м2
м2
Вт/м2
Вт/м2
0С
0С
0С
Из анализа полученных результатов
заключаем, что при заданных условиях эксплуатации разрабатываемого прибора
обеспечивается нормальный тепловой режим применяемых в нем радиоэлементов в
процессе эксплуатации, т.е. рабочие температуры не превышают предельно
допустимых величин.
.5 Расчёт механической прочности и
системы виброударной защиты
В результате воздействия вибраций,
ударов и линейных ускорений имеют место следующие повреждения РЭА: нарушение
герметизации вследствие нарушения паяных, сварных и клеевых швов и появление
трещин в металлостеклянных спаях; полное разрушение корпуса РЭА или отдельных
его частей вследствие механического резонанса или усталости; обрыв монтажных
связей; отслаивание печатных проводников; выход из строя разъёмных и
неразъёмных электрических контактов; смещение положения органов настройки и
управления; выход из строя механических узлов.
Разрабатываемый блок электрокардиографа
принадлежит к наземной РЭС, поэтому при транспортировке и случайных падениях он
может подвергаться динамическим воздействиям. Изменения обобщенных параметров в
результате механических воздействий на наземную РЭА находятся в следующих
пределах:
- вибрации: (10...70) Гц;
- виброперегрузка: n=(1...4);
- ударные сотрясения: nу=(10...15)g;
- длительность: (5...10) мс;
- линейные перегрузки: n=(2...4)g.
Используя эти данные, проведем
проверочный расчет платы электрокардиографа на виброустойчивость.
Печатная плата должна обладать
значительной усталостной долговечностью при воздействии вибрации. Для этого
необходимо, чтобы минимальная частота собственных колебаний платы удовлетворяла
условию:
где
- вибрационные перегрузки в
единицах g;
- размер
короткой стороны платы, мм; γf0 - безразмерная постоянная,
числовое значение которой, зависит от значения частоты собственных колебаний и
воздействующих ускорений.
Собственную частоту платы (первую
гармонику)
вычислим по
формуле Рэлея-Ритца:
где: 
- поправочный коэффициент на
материал (
- модуль
Юнга для стали,
- плотность
стали; Е - модуль упругости материала платы,
- плотность материала платы);
- поправочный коэффициент на массу
(
- масса
элементов, равномерно размещенных на плате;
- масса платы);
- частотный коэффициент зависящий
от варианта закрепления пластины и соотношения сторон
; h -
толщина платы, мм; a - длина платы, мм.
Для разрабатываемой платы генератора
развертки конструктивные параметры следующие:
а) а=100мм; b=50мм; h=1,5мм
б) материал - фольгированный
стеклотекстолит СФ2-35
(
;
);
в) масса платы;
mп=0,455*0,240*1,5,10-3*2180=168г.
г) масса ЭРЭ, размещенных на плате
равна сумме масс всех ЭРЭ:
;
д) отношение
, поэтому
коэффициент
равен 80.
Вычислим поправочные коэффициенты:
; КЭРЭ=0,8
Подставляя значения величин в
соответствующую формулу, получим собственную частоту платы электрокардиографа:
Для проверки условия
выбираем
значение
при
:
Следовательно, условие выполнено
271>101. Это значит, что плата электрокардиографа обладает достаточной
усталостной долговечностью при воздействиях вибраций.
.6 Обеспечение электромагнитной
совместимости
При прохождении мощных сигналов по электрическим
цепям последние становятся источниками электромагнитных полей, которые,
пересекая другие цепи, могут наводить в них дополнительные помехи. Источниками
электромагнитных помех могут быть мощные промышленные установки, транспортные
коммуникации, двигатели и т.д. Для того чтобы локализовать, где это возможно,
действие источника полей или сам приемник помех, используют экранирование. По
принципу действия различают электростатическое, магнитостатическое и
электромагнитное экранирования.
Электростатическое экранирование
заключается в шунтировании на корпус большей части паразитной емкости,
имеющейся между источником и приемником наводок. В качестве металлического
листа, соединенного с корпусом, служат детали шасси, каркасов; обшивки стоек,
панелей, субблоков, кассет, специальные листовые металлические прокладки на
монтажной стороне плат, блоков, субблоков; экранные сплошные металлические слои
в многослойных печатных платах и т.д.
Магнитостатические экраны используют
для защиты чувствительных цепей, элементов и устройств от постоянного и
медленно изменяющегося переменного магнитного поля. В этом случае источник или
приемник наводки заключают в сплошной экран, изготовленный из ферромагнитных
материалов. Если в такой экран заключен источник наводки, то магнитные силовые
линии замыкаются в нем и далее не распространяются. Если в экран заключен
приемник наводки, то силовые линии магнитного поля не проникают в полость
экрана.
Наиболее распространен метод
электромагнитного экранирования, который был выбран и для конструируемого
изделия. Суть экранирования сводится к тому, что под действием источника
электромагнитной энергии на стороне экрана, обращенной к источнику, возникают
заряды, а в его стенах - токи, образующие во внешнем пространстве поля, по
напряженности близкие к полю источника, а по направлению - противоположные ему.
В результате внутри экрана происходит взаимная компенсация полей, а с снаружи
его - вытеснение внешнего поля полями вихревых токов.
Следует также отметить, что
экранирование проводников внутри прибора не желательно, т.к. может затруднить
их замену, и потому в проектируемом устройстве не используется.
.7 Расчёт надёжности
Алгоритм проведения расчета
следующий:
. На основе анализа электрической
схемы формируются группы однотипных элементов (признаком объединения элементов
в одну группу является функциональное назначение элемента и эксплуатационная
электрическая характеристика).
. Для элементов каждой группы по
справочникам определяется среднегрупповое значение интенсивности отказов.
Полученные данные вносятся в таблицу 7.3.
. Определяется значение суммарной
интенсивности отказов по формуле
, час-1
где
- количество элементов в
-ой группе
(всего
групп);
-среднегрупповое
значение интенсивности отказов
-ой группы элементов.
. Рассчитывается суммарная
интенсивность отказов элементов с учетом электрического режима и условий
эксплуатации
где
- обобщенный эксплуатационный
коэффициент, определяемый по виду РЭА и условий его эксплуатации. Для
проектируемого электростимулятора, который является прибором, эксплуатируемым в
наземных стационарных условиях,
.
. Рассчитывается наработка на отказ:
. Определяется значение вероятности
безотказной работы по формуле:
Полученные результаты сведены в
таблицу 7.3.
Таблица 7.3 - Ориентировочный расчет
показателей надежности генератора
|
Группа
элементов
|
Количество
элементов в группе
|
Интенсивность
отказов,
|
|
Транзисторы
|
2
|
0,02
|
|
Микросхемы
|
4
|
0,055
|
|
Резисторы
постоянные
|
7
|
0,04
|
|
Конденсаторы
|
3
|
0,25
|
|
Диоды
|
3
|
0,04
|
|
Суммарная
интенсивность отказов, 1,4
|
|
|
|
Суммарная
интенсивность отказов элементов с учетом электрического режима и условий
эксплуатации, 4,2
|
|
|
|
Наработка
на отказ, ч
|
60000
|
|
Вероятность
безотказной работы
|
0,98
|
8. Обоснование выбора САПР при проектировании
устройства
В ходе разработки конструкции ультразвукового
охранного устройства необходимо использовать систему автоматизированного
проектирования РЭС. В данном курсовом проекте будет использоваться система
P-CAD 2006.
Система P-CAD 2006 выполняет полный цикл
проектирования печатных плат, а именно:
− графический ввод электрических схем;
− смешанное аналого-цифровое моделирование
на основе ядра SPICE;
− упаковку схемы на печатную плату;
− интерактивное размещение компонентов;
− интерактивную и автоматическую
трассировку проводников;
− контроль ошибок в схеме и печатной
плате;
− выпуск документации;
− анализ целостности сигналов и
перекрестных искажений;
− подготовку библиотек символов,
топологических посадочных мест и моделей компонентов.CAD 2006 включает в себя
следующие программные модули:CAD Schematic - графический редактор электрических
схем. Позволя- ет создавать сложные многолистовые схемы, в том числе с
иерархической структурой. Может применяться для создания условных графических
обозначений (УГО) отдельных электрорадиоэлементов (ЭРЭ). CAD PCB - графический
редактор печатной платы (ПП). Предназначен для работы с односторонними,
двусторонними и многослойными печатными пла- тами. Осуществляет контроль за
соблюдением технологических норм и правил. Executive - менеджер библиотек.
Предназначен для работы с ин- тегрированными библиотеками, которые содержат
графическую информацию о символах и корпусах компонентов и текстовую
упаковочную информацию. CAD Autorouters - включает два автотрассировщика:
программу Quick Route для проектирования топологии несложных ПП и бессеточный
трассировщик Shape-Based Router, предназначенный для проектирования
многослойных ПП с высокой плотностью размещения элементов, особенно с
применением технологии поверхностного монтажа, а также для корпусов элементов,
выполненных в различных системах единиц. Editor - редактор символов элементов.
Предназначен для создания условных графических обозначений символов ЭРЭ. Editor
- редактор посадочных мест. Предназначен для разработки посадочных мест
(корпусов) ЭРЭ на ПП. - утилита для РСВ, представляющая собой интерактивное
средство размещения компонентов с учетом технологических требований. -
программа авторазмещения и трассировки проводников. Благодаря бессеточной
технологии является эффективным трассировщиком ПП высокой степени сложности и с
высокой плотностью размещения ЭРЭ.
Порядок разработки печатного узла
Создание или редактирование библиотечных
компонентов и сохранение их в библиотеке с помощью Library Executive, Symbol
Editor и Pattern Editor.
Проектирование электрической схемы с помощью
Schematic.
Проверка электрической схемы и создание списка
связей.
Загрузка списка связей в PCB и размещение
компонентов на печатной плате.
Трассировка печатной платы.
Проверка соблюдения
конструкторско-технологических ограничений.
Заключение
В ходе курсового проекта было разработано
техническое задание, проведен анализ схемы электрической принципиальной
устройства и основных технических требований к разрабатываемой конструкции,
выбор и обоснование элементной базы, унифицированных узлов, установочных
изделий и материалов. Проведен выбор и обоснование компоновочной схемы, методов
и принципов конструирования. Выбраны средства и способы термозащиты,
герметизации, виброзащиты и экранирования. Рассчитаны конструктивные параметры
изделия. Разработаны чертежи платы печатной генератора развертки, сборочный
чертеж изделия, чертежи сборочных единиц и нестандартных деталей, оформлена
сопутствующая конструкторская документация.
Список использованных источников
.
Образцов Н.С. Методическое пособие по дипломному проектированию для студентов
факультета компьютерного проектирования / Н.С. Образцов, В.А. Горохов и др. -
Минск: БГУИР, 2002. - 47 с.
.
Грачёв А.А. Конструирование электронной аппаратуры на основе поверхностного
монтажа компонентов / А.А. Грачев, А.А. Мельничук, Л.И. Панов - Москва:
НТПресс, 2006 - 384 с.
.
Волков А.А. Единая система конструкторской документации: Справочное пособие /
С.С. Борушек, А.А. Волков, М.Н. Ефимова и др.- Москва: Изд-во стандартов, 1989
- 280 с.
.
Варламов Р.Г. Справочник конструктора РЭА: Общие принципы конструирования /
Под. ред. Р. Г. Варламова. - Москва: Сов. Радио, 1980 - 480 с.
.
Образцов Н.С. Конструирование радиоэлектронных средств: Учебное пособие для
студентов специальности «Конструирование и технология радиоэлектронных
средств»/ Н.С. Образцов, В.Ф.Алексеев, С. Ф. Ковалевич и др.: Под ред. Н.С.
Образцова. - Минск: БГУИР, 1994 - 120 с.
.
ГОСТ 2.101-68 ЕСКД. Виды изделий.
.
ГОСТ 2.102-68 ЕСКД. Виды и комплектность конструкторской документации.
.
ГОСТ 2.105-95 ЕСКД. Общие требования к тестовым докментам.
.
ГОСТ 2.108-68 ЕСКД. Спецификация.
.
ГОСТ 2.109-73 ЕСКД. Основные требования к чертежам.
.
ГОСТ 2.305-68 ЕСКД. Изображения - виды, разрезы, сечения.
.
ГОСТ 2.307-68 ЕСКД. Нанесение размеров и предельных отклонений.
.
ГОСТ 2.309-73 ЕСКД. Шероховатость поверхностей. Параметры и характеристики.
.
ГОСТ 2.316-68 ЕСКД. Правила нанесения на чертежах надписей, технических
требований и таблиц.
.
ГОСТ 2.1417-91 ЕСКД. Правила выполнения чертежей печатных плат.
.
ГОСТ 2.701-84 ЕСКД. Схемы. Виды и типы. Общие требования к выполнению.
.
ГОСТ 3.1119-83 ЕСТД. Общие требования к комплектности и оформлению комплектов
на единичные процессы.
.
ГОСТ 10317-79. Платы печатные. Основные размеры.
.
ГОСТ 23751-86. Платы печатные. Основные параметры конструкций.
.
ГОСТ 23752-79. Платы печатные. Общие технические условия.