Разработка устройства, позволяющего в лабораторных условиях проверять реальную стойкость автомобильной охраны к взлому

  • Вид работы:
    Дипломная (ВКР)
  • Предмет:
    Информационное обеспечение, программирование
  • Язык:
    Русский
    ,
    Формат файла:
    MS Word
    702,15 Кб
  • Опубликовано:
    2013-01-22
Вы можете узнать стоимость помощи в написании студенческой работы.
Помощь в написании работы, которую точно примут!

Разработка устройства, позволяющего в лабораторных условиях проверять реальную стойкость автомобильной охраны к взлому

Введение


С появлением частной собственности появились лица, которые захотели ее получить незаконным путем. Среди множества материальных ценностей изобретённых человеком автомобиль занимает особое место. Являясь средством передвижения, он обладает значительной стоимостью и при этом очень часто бывает вне пределов видимости своего хозяина. Благодаря этому тенденция к хищению личных автотранспортных средств постоянно растет. Чтобы противостоять этому, необходимо устанавливать дополнительные устройства на автомобиль, которые затрудняют злоумышленнику его работу. Эффективным методом является использование систем охранной сигнализации. Как показывает статистика, автомашины, оборудованные системой сигнализации, менее подвергаются угону или раскомплектации.

Однако, при установке автомобильной сигнализации, резонно возникает вопрос - легко ли взломать данный электронный замок. Для того чтобы исключить возможность выключения сигнализации посторонними лицами применяется кодирование передатчиков. Уровень секретности кодов различных сигнализаций значительно отличается. В устаревших сигнализациях применялись коды с числом комбинаций до 512, подбор такого кода занимает менее 1 минуты. Количество комбинаций кодов в современных сигнализациях может достигать нескольких тысяч миллиардов. Для кодирования сигнала передатчика и последующего его декодирования используются комплекты специализированных микросхем, некоторые из которых представлены в таблице ниже или универсальные микроконтроллера с соответствующим программным обеспечением.

Следовательно, злоумышленники находят способы обхода электронных систем защиты и существует реальная необходимость проверки стойкости существующих автомобильных систем защиты к взлому.

Цель данного дипломного проекта разработать устройство, позволяющее в лабораторных условиях проверять реальную стойкость автомобильной охраны к взлому.

Для достижения поставленной цели необходимо выполнить следующие задачи:

.       Провести анализ основных принципов работы автомобильных сигнализаций, выявить слабые их слабые места и возможные способы электронного взлома;

.       Провести поиск аналогов проектируемого устройства;

.       Разработать структурную схему и сделать выбор электронных компонентов схемы;

.       Разработать алгоритм работы и программное обеспечение для работы контроллера.

1. Исследовательский раздел

1.1   Анализ аналогов программных и аппаратных средств


Современные охранные сигнализации это сложные электронные устройства, которые имеют дистанционное управление, некоторые функции иммобилайзера (в отдельных моделях есть и полноценные иммобилайзеры) а также выполняют множество сервисных функций. Включенная сигнализация контролирует ряд точек в автомобиле, и, в случае вторжения, включает звуковые и световые сигналы для привлечения внимания и иногда выполняет и некоторые другие функции. Количество контролируемых точек зависит от комплекта поставки и количества дополнительных датчиков, подключаемых к сигнализации.

Применение для оповещения лишь звуковой сигнализации и (или) мигания фар не всегда надёжно и удобно. С развитием средств связи более широко начали использовать радиоканал. С его же помощью возможно дистанционное управление аппаратурой автомобиля.

В качестве электронного ключа и пульта управления применяют кодовые брелки. Кодовый брелок - миниатюрный передатчик, работающий, как правило, в диапазоне дециметровых волн (200- 50 МГц).

Наиболее слабое звено автосигнализации - радиосигнал, передаваемый от брелока к основному блоку.

Набор нулей и единиц будет представлять из себя набор выбросов напряжения (импульсов), появляющихся на выходе устройства во время передачи какого-нибудь числа в двоичном коде. Этот код передается в виде импульсов. Такой способ передачи называется последовательным кодом, потому что импульсы передаются последовательно, друг за другом. Этот способ применяется практически во всех передающих устройствах автосигнализаций. Приемник пересылает принятый сигнал (код) в преобразователь, который преобразует последовательный код в параллельный. Затем из преобразователя код поступает в дешифратор, который определяет правильность кода, и , если он правильный - выдает сигнал постановки/снятия с охраны на элементы управления, а если код неправильный - просто игнорирует его. Параллельный код - это такой способ передачи, при котором все импульсы передаются одновременно по шине (набору проводов).

Самые первые брелоки имели 5-и и 10-и значный постоянный код, который выставлялся с помощью переключателей на брелоке и в центральном блоке автосигнализации. Любой знакомый с радиотехникой человек, был способен собрать схему на основе брелока от системы сигнализации, с помощью которой мог за несколько часов подобрать код к вашей системе охраны. Как только стало понятно, что примитивный код брелока не имеет будущего, появился антисканер. Так, например, фирмы пошли на увеличение разрядности кодов, передаваемых брелоками. Код стал иметь такое количество комбинаций, что стало бассмысленным заниматься его перебором, так как на это ушли бы столетия. Есть еще один способ отслеживать передаваемые коды и если эти коды (например 5 последовательно переданных кодов) не соответствуют коду брелоков системы, то центральный блок становился глухим к передаваемым сигналам на 15-20 минут, после чего снова переходил в режим приема, либо сразу подавал тревогу, сообщая хозяину о том, что эго автомобиль сканируют. Угонщики изготовили прибор, способный устанавливать частоту, на которой идет передача кода, записывать сам код, а потом передавать его, снимая автомобиль с охраны. Антисканер против этого бессилен. Новый прибор стали называть код-граббером.

Кодграббер (англ. code grabber) или алгоритмический кодграббер - это устройство для отключения сигнализации автомобиля, т.е средств охраны автомобиля. При применении данного устройства полностью выключается охранная система автомобиля, открывается центральный замок(т.е. открываются двери и багажник автомобиля), а также выключаются все блокировки, которые препятствуют запуску двигателя. В основе работы этот прибор использует оригинальные алгоритмы фирм, изготавливающих автосигнализацию. То есть он работает как родной брелок.

Предметом разработки дипломного проекта является программно-аппаратный комплекс, позволяющий тестировать автомобильные сигнализации с целью изучения степени их защищенности от взлома.

Рассмотрим основные разновидности подобных комплексов.

Алгоритмический (мануфактурный) кодграббер.

Это прибор для отключения охраны автомобиля. При его применении выключается охранная система авто, открываются двери и багажник, а также снимаются все блокировки на старт двигателя. В основе работы - заводские алгоритмы изготовителей автосигнализаций. Работает как родной брелок.

Он открывает сигнализации без создания помех в радиоэфире и ненужных блокировок родного брелка. Кодграббер перехватывает всего один запрос кода с родного брелка, даже при отсутствии самого авто рядом. После перехвата пакета, Алгоритмический кодграббер создает цифровой аналог брелка и сохраняет его во внутренний энергонезависимый EEPROM процессора.

Мануфактурный код-граббер обычно сделан в виде обычного брелока от сигнализации. Многие производители используют единый ключ шифрования для кодировки сигнала для всего модельного ряда автосигнализаций. Имея в памяти этот ключ шифрования, код-граббер распознает сигнализацию в эфире, отмечает код и в дальнейшем может управлять устройством несанкционированно.

Кодграббер с ретрансляцией

Ретрансляция - retransmission - прием сигналов на промежуточном пункте, их усиление и передача в прежнем или другом направлении. Ретрансляция предназначена для увеличения дальности связи. Подобное устройство применяется для систем автосигнализаций и иммобилайзеров, оборудованных сложными системами кодирования, такими как Диалоговый код. В этой ситуации происходит передача сигнала к объекту на большом расстоянии через вспомогательные электронные устройства. Взлому с помощью ретранслятора подвержены системы, которые имеют пассивный принцип действия брелока (метки). В таких системах реализован алгоритм автоматического снятия с охраны (открытие центрального замка и выключение блокировок) при приближении к автомобилю с брелоком (меткой).

Код-граббер с ретрансляцией может быть использован против систем, в которых отсутствует постоянный или периодический контроль наличия радиометки (штатной или дополнительной) после снятия с охраны, когда сигнал надо "доставить" только на момент запуска двигателя.

Замещающий код-граббер применяется для комплексов автосигнализаций и иммобилайзеров, оборудованных сложными системами кодирования. В момент передачи сигнала такой прибор излучает помеху, не давая охранной системе среагировать на посылку, и одновременно перехватывает код. Владелец автомобиля нажимает кнопку брелока второй раз. В эфире вновь возникает помеха, и системе посылается первая перехваченная команда. Автомобиль послушно встает на охрану, а в памяти граббера остается вторая, пригодная для отключения сигнализации кодовая посылка. Если постановка и снятие с охраны производятся разными кнопками брелока, граббер будет ждать момента, когда владелец машины в панике начнет нажимать все кнопки подряд - и улучит момент для рокировки кодов. Технология небезупречна, поскольку в процессе «радиоигры» внимательный автовладелец может обратить внимание на неадекватную реакцию охранной системы. Обычно это выглядит так: отсутствие срабатывания после первого нажатия кнопки брелока и запоздалая (около секунды) реакция на повторную команду. С помощью этого алгоритма угонщики научились обманывать систему KeeLoq - алгоритм динамической защиты радиоканала, разработанный южноафриканской фирмой Nanoteq. Этот алгоритм шифрования до сих пор является своеобразной крипто-графической иконой, поскольку математических способов подбора его ключевой комбинации не существует (на компьютерный перебор всех 18446744073709551616 вариантов уйдет 29247 лет). Нынешний владелец прав на технологию KeeLoq - американская компания Microchip.

Если есть диалоговый код, то происходит передача сигнала от объекта к объекту на большом расстоянии через вспомогательные электронные устройства, и в данном случае код-граббер перехватывает сигнал. Принцип диалоговый кода заключается в следующем. Получив сигнал, система убеждается, что он послан со "своего" брелка, причем это происходит не однократно, а в диалоге. В ответ на первый сигнал система посылает на брелок запрос в виде случайного числа, который обрабатывается брелком по специальному алгоритму и отсылается обратно. Автосигнализация обрабатывает свою посылку по тому же алгоритму, сравнивая полученный ответ со своими данными. Если они совпадают, команда выполняется, а на пульт отправляется подтверждение.

Проблема еще и в том, что даже схватив злоумышленника за руку и завладев прибором, распознать это оружие сможет далеко не каждый сотрудник милиции: замещающий код-граббер может быть вмонтирован в корпус игрушки Tetris, корпус радиостанции CB-диапазона, корпус ИК-пульта для телевизора или в корпус mp3-плеера, причем прибор остается полностью работоспособным, но внутри корпуса установлена «опция» в виде замещающего код-граббера.

Электронный брелок может быть односторонним и двусторонним (когда брелок-пейджер информирует о состоянии автомобиля). Наиболее защищена от взлома сигнализация с обратной связью.

1.2  
Техническое задание


В дипломной работе необходимо разработать устройство, функциями и характеристиками которого бы являлось:

1.     Перехват кода автомобильной сигнализации;

2.     Постановка помехи в выбранном диапазоне;

.       Автоматическое замещение перехваченного кода сгенерированным;

.       Излучение сгенерированного кода для воздействия на защищаемый автомобиль;

.       Диапазон сканирования - от 50Гц до 600Гц, шаг регулировки 50Гц;

.       Напряжение питания - 10-15 вольт

.       Ток потребления - не более 15 mA

.       Рабочая частота - 433,92 Мгц

.       Защита от использования устройства неавторизованным лицом;

.       Использование дисплея мобильного телефона;

.       Минимальные размеры;

.       Автономное питание.

2. Специальный раздел

 

.1 Разработка схемы электрической принципиальной

Перед разработкой принципиальной схемы устройства разработаем его структурную схему, исходя из необходимой функциональности устройства:

-      Прием и передача радиосигналов;

-      Вывод информации на дисплей для анализа ее пользователем;

-      Управление работой устройства.

Структурная схема устройства представлена на рисунке 2.1.

Рисунок 2.1-Структурная схема устройства

Анализируя задачи, возложенные на проектируемое устройство, можно определить некоторые технических характеристики, которыми должен располагать микроконтроллер:

) В своей структуре микроконтроллер должен иметь следующие аппаратные модули:

·   таймер, с помощью которого будет производиться измерение интервалов времени;

·   многоканальный аналогово-цифровой преобразователь для преобразования аналоговых сигналов в цифровую форму;

·   универсальный последовательный приемо-передатчик, для связи с другими компонентами схемы.

2) С точки зрения структуры команд микропроцессор должен обладать:

·   развитыми командами по работе с отдельными битами и проверок выполнения различных условий;

·   возможностью аппаратной и программной обработок прерывания от внутренних блоков.

Данные требования позволяют создать программу оптимальную по структуре и объему.

) Микроконтроллер должен обладать достаточным быстродействием для обработки полученных данных в реальном времени;

) В ОЗУ (RAM) будет сохраняться выборки, полученные с помощью АЦП, текущие данные, также часть ОЗУ будет использована в качестве стека.

Общее число различных микроконтроллеров с различными системами команд насчитывается более пятисот, и все они в силу своей специализации, имеют свои достоинства и недостатки.

Из этого большого разнообразия микроконтроллеров можно выбрать такие, которые будут удовлетворять всем вышеперечисленным требованиям. В России рынок микроконтроллеров представлен такими фирмами как: INTEL, ATMEL, Microchip, Motorola и др..

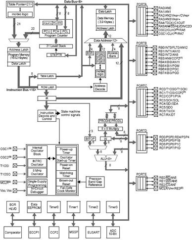
Микроконтроллеры серии PIC18F состоят из следующих блоков (см. рисунок 2.2):

-      высокопроизводительного 10разрядного процессора с малым потреблением;

-      внутренней памяти, включающей ОЗУ (256 байт) и многократнопрограммируемого ПЗУ (16 Кбайт);

-      параллельных и последовательных портов ввода/ вывода;

-      тактового генератора;

-      таймера;

-      встроенного аналогового компаратора.

Структурная схема микроконтроллера PIC18F2520 представлена на рисунке 2.2.

Рисунок 2.2-Структурная схема PIC18F2520

Для перепрограммирования микроконтроллеров в разрабатываемом устройстве предусмотрены штыри-разъемы.

Таким образом, рассмотренные выше микроконтроллеры серии PIC18F полностью удовлетворяют требованиям разрабатываемого блока анализатора и могут быть выбраны в качестве элементной базы.

Оптимальным выбором из всей линейки микроконтроллеров PIC для данного устройства станет контроллер PIC18F252.

Технические характеристики контроллера PIC18F252.

-      16 Кб программируемой Flash памяти программы;

-      256 байт EEPROM;

-      1536 байта встроенной SRAM памяти;

-      Один 8- разрядных таймера/счетчика с отдельным предделителем и режимом сравнения;

-      Три расширенных 16-разр. таймер-счетчик с отдельным предделителем, режимов сравнения и захвата;

-      8 канальный 10-ти разрядный АЦП последовательного приближения;

-      Встроенный откалиброванный генератор;

-      Внешние и внутренние источники прерывания;

-      Пять режимов пониженного потребления: Idle, ADC Noise Reduction, Power-Save, Power-down и Standby;

-      1/2 Последовательных приемо/передатчиков UART;

-      Последовательный интерфейс SPI с поддержкой режимов ведущий/подчиненный;

-      Программируемый сторожевой таймер со встроенным генератором;

-      Встроенный аналоговый компаратор;

-      Температурный диапазон: от - 40 до + 85 С°;

-      Напряжение питания от 2.7 до 5.5 В;

-      Тактовая частота до 20 МГц;

Выводы всех портов имеют внутренние резисторы, подтягивающие уровень выходного сигнала к напряжению питания. Выводы могут обеспечить ток 25 мА для одного вывода и 80 мА для всего порта. Ток, потребляемый микроконтроллером в активном режиме, равен 13 мА при частоте 40 МГц и напряжении питания 5 В.

Аналого-цифровой преобразователь должен быть десятиразрядным и иметь максимальную частоту преобразования не менее 1,6 кГц. Этим требованиям отвечает интегрированный в микроконтроллер АЦП последовательного приближения. Основные параметры приведены в таблице 2.1. печатный плата контроллер устройство

 

Таблица 2.1 Параметры АЦП контроллера PIC

Параметр

Условия

Мин

Типовое

Макс

Ед. измер.

Разрядность

Несимметричный вход

-

10

-

Бит


Дифференциальный вход (Кu= 1x и 20x)

-

8

-

Бит


Дифференциальный вход (Кu=200x)

-

7

-

Бит

Абсолютная погрешность

кГц, В

-

1

2

МЗР


МГц, В

-

4

-

МЗР

Интегральная нелинейность

В

-

0,5

-

МЗР

Дифференциальная нелинейность

В

-

-

МЗР

Ошибка смещения

В

-

0,75

-

МЗР

Время преобразования

Режим непрерывного преобразования

13

-

260

мкс

Тактовая частота


50

-

1000

кГц

Напряжение питания



В

Опорное напряжение


2,0

-

В

Входное сопротивление аналогового входа


-

100

-

МОм


В микроконтроллерах PIC имеется один 8-разрядный аналогово-цифровой преобразователь, преобразующий подаваемое на его вход напряжение в диапазоне от 0 до уровня опорного напряжения Vref в число в диапазоне от 0 до 255. В качестве источника опорного напряжения Vref используется внешнее опорное напряжение или напряжение питания микроконтроллера (+5 В).

Вход АЦП может быть программно скоммутирован с одним из восьми выводов портов PORTA или PORTE, поэтому иногда можно встретить утверждение, что АЦП в микроконтроллерах этого семейства восьмиканальный. На самом деле устройство аналогово-цифрового (АЦ) преобразования одно, но в конкретный момент времени оно работает с одним из 8 возможных входов.

При включении питания или поступлении сброса все выводы портов А и Е сконфигурированы как цифровые, модуль АЦП выключен, результат преобразования в регистре ADRES не определен.

АЦ-преобразование производится методом последовательного приближения и требует некоторого времени (порядка нескольких микросекунд), следовательно, время АЦ- преобразования как правило существенно превышает время выполнения одной команды микроконтроллера. Существует возможность производить быстрое АЦ-преобразование за более короткое время, при этом младшие биты результата оказываются недостоверными.

Для выполнения АЦ-преобразования необходимо путем изменения битов в управляющих регистрах АЦП настроить канал, источник опорного напряжения и другие параметры АЦП, затем запустить процесс АЦ-преобразования. Далее следует выполнить программную задержку на время преобразования или настроить обработчик прерывания на обработку события "окончание АЦ-преобразования". После того, как АЦ-преобразование завершено (время задержки истекло или произошло соответствующее прерывание), его результат можно считать в регистре ADRES. Для получения следующего отсчета необходимо снова запустить процесс АЦ-преобразования. Данный подход справедлив и для подавляющего большинства микроконтроллеров других семейств, имеющих встроенный АЦП.

На рисунке 2.3 изображена функциональная схема, иллюстрирующая связь управляющих сигналов встроенного АЦП и аналоговых выводов микроконтроллера. Входами АЦП могут являться все выводы порта A (RA0..RA5), за исключением вывода RA4, и все выводы порта Е (RE0..RE2). Вывод RA0 является нулевым входным каналом АЦП. вывод RE2 - последним, седьмым. С любого из этих входов путем установки соответствующих битов в управляющих регистрах сигнал может быть направлен на вход Vin АЦП.

Рисунок 2.3-Схема выводов АЦП микроконтроллера PIC

В качестве опорного напряжения, задающего максимальное входное напряжение, встроенный АЦП использует либо напряжение питания микроконтроллера , либо сигнал с вывода RA3. Выбор опорного напряжения также производится установкой определенных битов в управляющем регистре. Если RA3 используется как вход опорного напряжения, аналогово-цифровое преобразование с этого входа не производится.

Для приема сигналов с брелока сигнализации необходим приемник радиосигналов. Стандартная частота, на которой работают автомобильные сигнализации, составляет 433,92 МГц. В качестве приемника и передатчика были выбраны готовые устройства: TX-SAW-MID-3V - передатчик, и BC_NBK-приемник, производства компании Aurel. Данные устройства представляют собой приемник/передатчик с модуляцией АМ, смонтированные на отдельной плате и готовые к установке на плату конечного устройства.

На рисунке 2.4 представлен внешний вид приемника и передатчика.

Рисунок 2.4-Приемник и передатчик BC-NBK и TX-SAW-MID-3V соответственно

Технические характеристики приемника BC-NBK представлена в таблице 2.2.

 

Таблица 2.2 Технические характеристики приемника BC-NBK

Параметр

Типовое значение

Рабочая частота, МГц

433,92

Напряжение питания, В

4,5-5,5

Потребляемый ток, мА

2,7

Чувствительность, дБм

-97

Скорость передачи данных, бит/с

2400

Время включения, с

2


Это модули, предназначенные для приема цифровых сигналов. Чувствительность сверхрегенеративных модулей колеблется в диапазоне от -94 до -106 дБм при полосе пропускания БЧ тракта от 0.6 до 4 МГц. Необходимо отметить низкое потребление тока (2,7 мА) и рабочим напряжением (5 В). Время включения - время от подачи питания до выхода модуля на рабочие параметры. Лучшими характеристиками по чувствительности и полосе пропускания ВЧ тракта отличаются супергетеродинные радиоприемники.

Технические характеристики передатчика TX-SAW-MID-5V представлены в таблице 2.3.

Таблица 2.3 Технические характеристики TX-SAW-MID-5V

Параметр

Типовое значение

Рабочая частота, МГц

433,92

4,5-5,5

Потребляемый ток, мА

4

Мощность излучения, мВт

10

Время включения, с

1,2


Эти модули предназначены для формирования радиосигнала из поступающей на вход модуляции цифровых импульсов. Выходная мощность передатчиков до 10 мВт при напряжении питания от 4,5 до 5.5 В.

Диапазон рабочих температур: -20 ... +80 °С. Тип модуляции - АМ/ЧМ

Для стабилизации питающего напряжения и ограничения его уровня целесообразно использовать недорогое ИМС стабилизаторы напряжения.

Серия LM78XX из трех линейных регуляторов напряжения выпускаются в корпусах TO-220 с несколькими значениями выходного напряжения, что делает их полезными в широком спектре устройств. Каждый тип (lm7805) использует внутреннее ограничение тока, надежную тепловую защиту операционной области, что обеспечивает его надежную работу и предостерегает от выхода из строя. Выходной ток (lm7805) достигает 1А при условии нормального теплоотвода.

Стабилизатор 5В часто делают на одном из представителей интегральных стабилизаторов серии 78XX - 7805. Стабилизатор напряжения 5В 7805 это стабилизатор положительного напряжения 5 вольт в корпусе типа TO-220 с тремя выводами. Способность стабилизации такого популярного напряжения как 5 вольт делает его полезным в целой массе различных электронных устройств. Часто эти стабилизаторы применяются для питания какой-то локальной части схемы, когда невыгодно делать полноценный блок питания на 5 вольт, а проще применить 7805 просто понизив основное, более высокое напряжение питания основной схемы.

Технические характеристики микросхемы представлены в таблице 2.4.

 

Таблица 2.4 Технические характеристики стабилизатора LM7805

Общие сведения

Топология регулятора

Положительное постоянное напряжение

Число регуляторов

1

Выходное напряжение

5V

Входное напряжение

До 35V

Напряжение номинальное

2V при 1А

Нестабильность выходного напряжения

240mV

Нестабильность выходной нагрузки

240mV

Выходной ток

Минимальный предел тока

2.2А

Погрешность регулирования напряжения

± 4%

Температурный диапазон

-40°С - +125°С

Корпус

ТО-220-3


В 7805 стабилизаторе применяется внутренняя защита по току и защита от перегрева, делая блок питания на его основе практически неубиваемым. Если применяется достаточный теплоотвод (применяется достаточный радиатор), то 7805 стабилизатор может отдать в нагрузку ток до 1А. Максимальное напряжение на входе должно быть не меньше 6.2 вольт и не больше 35 вольт.

Для отображения полученной информации, а также удобного управления в проектируемом устройстве решено использовать жидкокристаллический дисплей. ЖК дисплей сочетает в себе невысокую стоимость и достаточные для выполнения поставленных задач технические характеристики. Для данного устройства была выбрана модель PCD8544 (см. рисунок 2.5), представляющая собой монохромный LCD дисплей разрешением 84х48 точек.

Технические характеристики дисплея

-      Генерация напряжения питания ЖК-дисплея (внешний блок также возможен);

-      Генерация промежуточного LCD напряжения смещения;

-      Генератор не требует внешних компонентов (внешняя синхронизация также возможна);

-      Внешний контакт сброса RES;

-      Последовательный интерфейс, максимальная скорость 4,0 Мбит/с

-      CMOS-совместимые входы

-      Mux скорости: 48

-      Диапазон напряжения питания логической схемы: 2,7 - 3,3 В

-      Диапазон напряжений питания дисплея VLCD 6,0 - 8,5 В .

-      Низкое энергопотребление, подходит для систем, работающих батарей

-      Температурная компенсация VLCD

-      Температурный диапазон: от -25 до 70 ° C.

Рисунок 2.5-Внешний вид дисплея

 

2.2 Разработка печатной платы


Процесс конструкторского и технологического проектирования печатных плат (компоновка и размещение элементов, трассировка межсоединений, изготовление фотошаблонов, получение конструкторской и технологической документации) в настоящее время реализовывается на достаточно большом количестве отечественных и зарубежных САПР печатных плат. Одной из наиболее мощных и распространенных в нашей стране САПР является русифицированная САПР PCAD версии 4 на ПЭВМ IBM PC.

Процесс разработки конструкции печатной платы, реализующей заданную принципиальную электрическую схему, заключается в создании базы данных, описывающих объект проектирования в формате САПР PCAD. В ЭВМ эта база данных вводится с помощью текстового файла, содержащего формализованное задание на проектирование печатной платы. В терминологии документации по сопровождению САПР PCAD этот текстовый файл называется ALT-файлом.

Создание ALT-файла начинается с описания радиоэлементов, или - в терминологии документации по сопровождению САПР PCAD - радиоэлектронных компонентов (РЭК), устанавливаемых на печатной плате. В процессе описания РЭК компоненты, имеющие одинаковое конструктивное исполнение, объединяют в группы.

Таким образом, перед началом подготовки ALT-файла необходимо убедиться, что все РЭК, задействованные в схеме проекта имеются в библиотеке элементов САПР PCAD. Элементы, которые отсутствуют в библиотеке, необходимо создать.

Похожие работы на - Разработка устройства, позволяющего в лабораторных условиях проверять реальную стойкость автомобильной охраны к взлому

 

Не нашли материал для своей работы?
Поможем написать уникальную работу
Без плагиата!
Без нейросетей!