Перетворення електричної енергії на тягових підстанціях постійного струму в умовах швидкісного руху
Зміст
1.
Швидкісний та високошвидкісний залізничний транспорт. Тенденції розвитку
.1
Збільшення швидкості на залізничному транспорті
.2
Вплив електричної тяги на розвиток швидкісного сполучення
.
Перетворення електричної енергії на тягових підстанціях постійного струму в
умовах швидкісного руху
.1
Особливості тягового енергетичного комплексу швидкісних магістралей
.2
Енергетична взаємодія системи перетворювального обладнання тягової підстанції
постійного струму із системою зовнішнього елктропостачання
.
Експериментальне дослідження перетворення електричної енергії на тягових
підстанціях за несиметричної живлячої напруги
.1
Фізичне та комп’ютерне моделювання випрямлення електричної енергії у
несиметричних режимах
.2
Зіставлення результаті фізичного та комп’ютерного моделювання
Список
бібліографічних джерел
. Швидкісний та високошвидкісний залізничний
транспорт. Тенденції розвитку
тягова підстанція
швидкісний енергія
1.1 Збільшення швидкості на залізничному
транспорті
Зростанню привабливості та конкурентоздатності у
сфері пасажирських перевезень сприяє зменшення тривалості поїздки на великі
відстані. У цьому випадку, володіючи значними перевагами порівняно з іншими
видами транспорту (економічність, високий рівень безпеки та комфорту),
швидкісні залізниці набувають усе більшого поширення. За визначенням
Міжнародного союзу залізниць (МСЗ) [1, 2], під високошвидкісним пасажирським
поїздом розуміється поїзд, який пересувається зі швидкістю понад 250 км/год
спеціальними коліями або зі швидкістю понад 200 км/год звичайними
модернізованими залізничними коліями. Відповідно застосовують таку класифікацію
високошвидкісних залізниць для перевезення пасажирів за трьома категоріями
максимальної швидкості руху поїздів: перша - 200-250 км/год; друга - 250-350
км/год; третя - понад 350 км/год. Залізничні лінії із швидкостями від 140-160
до 200 км/год прийнято відносити до швидкісних магістралей. Градація загалом
різняться у різних країнах світу. Наприклад, у Китаї [3] визнана наступна
класифікація: звичайні - 100-120 км/год; середньошвидкісні - 120-160 км/год;
швидкісні - 160-200 км/год; високошвидкісні - 200-400 км/год;
надвисокошвидкісні - більше 400 км/год. Загальна протяжність високошвидкісних
залізничний магістралей в світі в даний час складає 7000 км, у тому числі 3750 км
в Європі, причому високошвидкісні поїзди обслуговують також полігон протяжністю
близько 20 тис. км звичайних залізничних ліній, реконструйованих під швидкісний
рух. Але процес проектування і будівництва нових ліній високошвидкісного руху
не припиняється, так поряд з розвитком високошвидкісної залізничної мережі
Південної Європи, довжина якої до 2020 р. може скласти приблизно 10 тис. км,
передбачається зростання кількості високошвидкісних ліній в країнах Азії.
Тільки в Китаї до 2015 р. планується будівництво високошвидкісних ліній
залізниць протяжністю близько 45 тис. км.
Високошвидкісний транспорт, як результат
комплексного розвитку рухомого складу, інфраструктури, систем управління рухом,
електропостачання, телемеханіки та зв’язку, представляє собою складну,
трудомістку та витрату із позиції впровадження та експлуатації галузь
господарства. Рішення про будівництво високошвидкісних ліній - це важливий крок
у розвитку транспортної системи окремої держави, прийняття якого виправдано при
наявності високого економічного потенціалу країни, необхідної густини
населення, зростання його доходів. Цьому сприяє обмежена кількість транспортних
засобів або надмірна завантаженість транспортних шляхів інших видів транспорту,
урбанізація.
Саме поняття високошвидкісна залізниця
зародилось у 60-70 роках XX століття після ведення до експлуатації першої
спеціалізованої залізничної магістралі Токіо - Осака у Японії у 1964 році, що
стало новим етапом у розвитку залізничного транспорту. На протязі всієї його
історії, від поставленої Ричардом Тривітиком на рейки парової машини до
сучасних електропоїздів, триває боротьба за збільшення їхньої швидкості.
Швидкість перших локомотивів у на початку XIX-го століття досягала 6-8 км/год.
У 1825 році потяг Стефенсона «Locomotion», який був задіяний на першій
громадській залізниці, реалізував швидкість 25 км/год [4] при загальній масі
поїзду 90 т. Вже у 1829 році на паровозі «Ракета» була досягнута швидкість 46,6
км/год і одночасно зареєстрований перший рекорд швидкості на залізниці [5]. За
одиночного слідування цей локомотив наступного 1830 року досяг швидкості 56
км/год. У Великобританії 1850 року була подолана межа швидкості у 100
кілометрів на годину, максимальна швидкість отримана під час встановлена
рекорду 125,6 км/год. Потяг «Кремптон» із складом масою 157 т на лінії Париж -
Ліон 1890 розвинув швидкість 144 км/год.. Новий рекорд швидкості досягнутій на
паровозній тязі у 1935 році на паровозі «Silver Link», тоді, 29 вересня,
вийшовши із станції Кінг-Крос (Лондон) він досяг швидкості 112 миль на годину
або 180,3 км/год. Вже у наступному році німці перевершили англійців розігнавши
свій локомотив до 200,4 кілометрів на годину. Проте остаточний офіційно
зафіксований рекорд швидкості залишився за англійським паровозом «Mallard» 126
мили за годину (202.7 км/год). Рекордна швидкість була досягнута 3 липня 1938
на невеликому ухилі Стоук-Банк на південь від Гретема на Магістралі Східного
Узбережжя.
В СРСР абсолютний рекорд швидкості для парової
тяги становив 170 км/год та встановлений на ділянці Ленінград - Москва 1938
року потягом із заводським позначенням П12 більш відомим у літературі [6] як
потяг типу 2-3-2К. На той час у Радянському Союзі конструювали локомотиви серії
ФД із максимальною швидкістю 115 км/год. Однак конструктори ставили перед собою
завдання досягти рекорду швидкості. Працюючи над експериментальним локомотивом
інженери отримували неоціненний досвід у сфері швидкісного суху. Проте, Друга
світова війна перервала ці роботи, а по її закінченню увагу вчених була
направлена на інші види тяги.
Кінець XIX-го століття став періодом
експериментальних досліджень та використання альтернативних способів приведення
поїздів до руху. Виникли перші електровози та локомотиви із двигунам
внутрішнього згорання. У 1890 електричний струм, що подавався напругою 500 В
рушив із місця рухомий склад лондонського метрополітену [7]. Раніше, у 1881
Берліном пройшов перший трамвай на електричній тязі, а в 1887 у Штутгарт
<https://ru.wikipedia.org/wiki/%D0%A8%D1%82%D1%83%D1%82%D0%B3%D0%B0%D1%80%D1%82>і
(Німеччина) відбулась перша відома демонстрація тепловоза. На початку XIX-го
століття велись розробки рухомого складу із гвинтовою тягою та авіаційним
двигуном. Результатом такого проекту став аеровагон, що у 1931 році на ділянці
між Гамбургом та Берліном встановив рекорд швидкості у 230 км/год. Він був
25,85 метрів завдовжки і висотою 2,8 м. На ньому був встановлений
12-циліндровий бензиновий літаковий двигун потужністю 600 кінських сил (450
кВт), який приводив у рух повітряний гвинт встановлений у задній частині локомотиву.
Історія знала не більше десятка спроб розробити такий локомотив, приблизно
половина з них була втілена в металі. Але далі єдиного демонстраційного
екземпляра проект не розвивався.
На початку минулого століття
електрична та тепловозна тяга спромоглися подолати швидкісну межу у 100
кілометрів на годину. Експрес із назвою «Летючий Гамбуржець» (Німеччина) до
руху якого приводила автомотриса досяг у 1933 році швидкості 165 км/год. У 1939
під час дослідження дизель-поїзд досяг швидкості 215 км/год (Гамбург - Берлін).
У цей час у інших країнах Європи та у США створювали дизелі та автомотриси
здатні розвивати швидкість вище 120 км/год. Офіційний рекорд швидкості
тепловозній тязі зафіксований у Великобританії після Другої Світової війни, він
становив 201,1 км/год [5]. Відомо те, що під час дослідження тепловоза ТЭП80 у
1993 році, був встановлений рекорд швидкості у 271 кілометрів на годину, який
сьогодні вважається національним рекордом Росії.
Почавши свою історію з атракціону на
виставці у Берліні у 1879 році, електровози поступово, вбираючи досягнення
науково-технічного прогресу, витісняли автономний рухомий склад із обновних
напрямів руху. Поява трифазної системи змінного струму знаменувала новий етап у
розвитку електроенергетиці. Вона давала вагомі переваги у виробленні та
передачі електроенергії на значну відстань, можливість сконцентрувати виробничі
потужності, зробити виробництво електроенергії масовим. У 90-х. роках XIX ст.
на залізничному транспорті почали використовувати трифазні двигуни. Уперше
система трифазного струму була введена на трамвайній лінії в Лугано (Швейцарія)
[7] та на декількох гірських ділянках залізниці, потім на дорогах Італії та
Пруссії. У 1903 році на електрифікованій по системі із трьома контактними
проводами ділянці Маріфельд - Цоссен (Німеччина) пройшли випробування
швидкісного електрорухомого складу. Під час експерименту електровагон фірми
«Siemens & Halske <#"806090.files/image001.gif"> МВА.
Залізниці електрифіковані за системою 15 кВ частотою 16,7 Гц.
У Німеччині 1961 року опубліковано
план створення високошвидкісної залізничної мережі довжиною 3200 км для рухи із
швидкостями до 280 км/год напрямком Мангейм - Штутгарт, Ганновер - Вюрцбург,
Ганновер - Берлін. У 1965 році створений швидкісний (до 200 км/год) електровоз
серії Е03, який приводив у рух поїзд на лінії Мюнхен - Аусбург. Добрі
результати було досягнуто після вводу в експлуатацію у 1973 р.
чотирьохвагонного електропоїзду серії ЕТ403. Поїзди цієї серії володіли
невеликим осьовим навантаженням 14,7 т. Сумарна потужність тягових двигунів
складала 3790 кВт. Швидкість, обмежена станом колії, під час експлуатації
складала 160 км/год, хоча максимально досягнута цим поїздом швидкість була
близька до 200 км/год.
З 1981 до 1985 року розроблено
електропоїзд розрахований на швидкість 350 км/год, який отримав назву ICE V від
Inter City Express (англ. «міжміський експрес») та Versuch (нім. «експериментальний»).
Поїзд ICE V складався із двох кінцевих та трьох проміжних вагонів. Потужність
кожного моторного вагона складала 4200 кВт. У 1990 р. на залізницях Німеччини
увійшов до експлуатації поїзд ICE, який мав конструктивну швидкість 280 км/год,
сумарну потужність 9600 кВт; формувався із 14 проміжних та двох моторних
вагонів. У наступних роках 1997 та 2000 році відповідно введені до експлуатації
поїзди серії ICE2 та ICE3. Останній має два виконання - односистемний для
внутрішнього сполучення та чотирьохсистемний призначений для міжнародних
перевезень між Німеччиною, Францією, Австрією, Бельгією. Тяговий привод
німецьких високошвидкісних поїздів укомплектований на базі асинхронних
двигунів. Максимальна швидкість останньої моделей поїздів 330 кілометрами на
годину, до якої розганяють поїзд 16 тягових двигунів потужністю 500 кВт.
Перша ВСМ ФРН Мангейм - Штутгарт (99
км) була введена в експлуатацію в 1991 році, потім були побудовані ВСМ Ганновер
- Вюрцбург (326 км), Ганновер - Берлін (265 км); в процесі будівництва
знаходиться лінія Кельн - Франкфурт - на-Майні (215 км) і Нюрнберг - Лейпциг
(192 км).
У Європі провідну роль у розвитку
швидкісного та високошвидкісного руху відігравала Франція, що підтверджується
досягненнями залізничних компаній в конструюванні високошвидкісних ліній та
поїздів TGV (Train à Grande
Vitesse із фр. «поїзд високої швидкості»). У Франції для високошвидкісного руху
побудовані спеціальні магістралі. Оскільки ВСМ і мережа звичайних залізниць
мають одну і ту ж колію 1435 мм, високошвидкісні поїзди можуть виходити на
звичайні лінії, що збільшує зону обслуговування. Рухомий склад звичайних
залізниць ніколи не заходить на високошвидкісні лінії. У великих містах
високошвидкісні поїзди обслуговуються на існуючих вокзалах, які перед початком експлуатації
піддалися реконструкції. Мінімальний радіус кривих TGV у плані 4000 м,
піднесення рейки 180 мм, поздовжній ухил до 35‰. Висота земляного насипу від
його основи складає 14 м. В якості баласту використовують щебінь із розміром
фракцій 20-50 мм за середньої товщині шару баласту 32 см. Контактна мережа
виконана із ресорним тросом або із двома струнами у опорному вузлі. Натяг
контактного проводу та ресорного тросу становить 1400 даН. Довжина анкерної
ділянки 1400 м максимальна довжина прогону 63 м. Для тягового електропостачання
застосовуються системи
кВ, 25 кВ
50 Гц та 1,5 кВ постійного струму.
Спочатку ідея високошвидкісного руху
базувалася на застосуванні газотурбінного двигуна, яка дозволяла реалізувати
високошвидкісне сполучення без витрат на електрифікацію. Цьому сприяла відносно
низька ціна рідкого пального та технологія створення легких авіаційних
газотурбінних двигунів, якою володіла Франція. У 1972 р. поїздом TGV 001 під
час випробувань встановлений рекорд швидкості 318 км/год. Проте світова нафтова
криза 1973-1975 рр. повернула конструкторів до розвитку високошвидкісного
неавтономного рухомого складу.
У кінці 70-х у Франції розпочались
випробування електропоїздів TGV компанії «Alsthom». Восени 1980 перший поїзд
TGV Paris - Sud-est (TGV РSE) почав рухатись на маршруті Париж - Леон. У 1981
р. було рекорд 380 км/год. Серія TGV РSE формувалась із двох моторних та восьми
проміжних вагонів два із яких мають по одному візку із двигуном; розрахований
на напругу 25 кВ частотою 50 Гц та постійний струм при напрузі 1,5 кВ. Для
нової лінії від Парижу до Атлантичного узбережжя розроблений поїзд TGV
Atlantique (1988 р.). У травні 1990 р. модифікований TGV Atlantique № 325
встановив новий світовий рекорд швидкості - 515,3 км/год. Поїзд складався із
двох кінцевих моторних вагонів і десяти проміжних; розрахований на дві системи
живлення. Приводився до руху трифазними синхронними двигунами потужністю 1100
кВт. Загальна потужність для напруги 25 кВ та частоти 50 Гц - 8800 кВт.
Загалом створено понад 10
модифікацій високошвидкісних поїздів [11] для використання на маршрутах
всередині країни і на міжнародних лініях: TGV La Poste - для термінової
доставки пошти та дрібних вантажів; TGV Reseau - для обслуговування всієї
мережі ВСМ на південь і північ від Парижа; TGV Eurostar - для напрямку Париж -
Брюссель і Лондон; TGV Thalys для напрямку Париж - Брюссель - Кельн і
Амстердам; TGV Duplex - двоповерхові високошвидкісні поїзди, якими з 1996 року
замінювали морально застарілі TGV PSE; TGV KTX - високошвидкісний поїзди,
створений для Південної Кореї.
У 2007 році Франція поставила новій
рекорд. Експериментальний електропоїзд зібраний із двох моторних вагонів TGV La
Poste (7800 кВт) та трьох проміжних вагонів TGV Duplex (середній 4000 кВт).
Напруга була піднята до 31 кВ, а на рекордній ділянці до 32 кВ. На початку року
на лінії проводилися дослідні поїздки, під час яких 13 лютого встановлено
неофіційний рекорд в 554,3 км/год, а 3-го квітня при великій кількості
журналістів і кореспондентів поїзд розігнали до швидкості 574,8 км/год,
Рекорд середньої швидкості руху
305,5 км/год встановлено 26 травня 2001 р. поїздом TGV Reseau під час
проходження ділянки довжиною 1067,2 км за 3 год 29 хв 36 с. Миттєве значення
швидкості змінювалось від 200 до 367 км/год.
За перспективи зростання швидкості
руху залізничного транспорту набули актуальності проблеми зв’язані із
взаємодією рухомого складу та колії (зчеплення, динамічний знос). Нова
перспективна ідея розвитку швидкісного та високошвидкісного магістрального
наземного транспорту реалізувалась через відмову від традиційної системи
«колесо-рейка» на користь поїздів із магнітним підвішуванням або магнітною
левітацією (маглев).
Осатаній зафіксований офіційно
рекорд швидкості поїздів цієї системи у 2003 році становив 581 км/год. До
переваг маглев відносять відносно низький шум. У інтервалі швидкостей 200…400
км/год рівень шуму коливається від 75 до 90 дБ. За швидкості 350 км/год інші
поїзди строюють шум рівнем у 95 дБ. Пояснення таких результатів у аеродинамічних
якостях поїзду відсутності струмоприймачів та шум гойдання. У ряді робіт
[11,12] стверджується, що рівень безпеки при експлуатації транспорту із
магнітним підвішуванням у 250 разів більше, що обумовлено охопленням вагонів
колійної структури.
Система маглев громадського
користування була реалізована у Німеччині, Великій Британії, Японії, Китаї.
Розроблений проект на території СРСР. Найбільших успіхів у розвитку нового виду
транспорту досягла Японія, у 2027 р. планується введення до експлуатації лінії між
центральною частиною Токіо і портом Нагоя із магістральною із продекламованою
швидкістю 500 км/год.
Складність, яку доводиться долати у
зв’язку із провадженням магнітних магістралей комерційного призначення, великі
капітальні затрати на спорудження колійної інфраструктури, прокладання шляху
через населенні пункти, відмова рухомого складу чи інфраструктури блокує рух на
ділянці, у порівнянні великі поточні витрати на електроенергію, взаємодія із
мережею існуючих залізниць. Із цих обставин традиційна залізничний транспорт на
електричній тязі досі створює конкуренцію іншим його видам, підтверджуючи свою
високу надійність, економічність, комфортність для пасажирів, гарантуючи при
цьому збереження вантажів, найвищу безпеку та екологічність.
2. Перетворення електричної енергії на тягових
підстанціях постійного струму в умовах швидкісного руху
2.1 Особливості тягового енергетичного комплексу
швидкісних магістралей
Впровадження швидкісного
та
високошвидкісного
залізничного
сполучення
потребує
дотримання
низки
вимог
до
організації
руху,
підготовки
персоналу,
експлуатації
рухомого
складу
та
об’єктів
інфраструктури
залізничного
транспорту.
Слідування
встановленим правилам дозволяє забезпечити економічну ефективність,
екологічність, надійність, безперервність, якість обслуговування та безпеку
перевізного процесу. На етапі проектування залізниці та трасування лінії,
зростання швидкості зумовлює вдосконалення конструкції електропоїздів,
збільшення радіусу кривих та максимальних підйомів, посилення будову нижньої та
верхньої колії, що зв’язано із специфічним динамічним навантаженням, вібрацією
та шумом, передбачається автономність швидкісних ліній від звичайних,
будівництво нових станцій та збільшення габариту наближення споруд. У
європейських країнах продовжується введення нової системи сигналізації із
динамічно змінними блок-ділянками [13]. Детально висвітлені питання роботи
залізниці за умов високошвидкісного руху у літературі [5, 10, 14].
Залізничний транспорт, зберігши традиційні
принципи забезпечення перевізного процесу, став якісно новим у напрямку
наукоємності, утримання, надійності та безпеки руху. Властива усім сферам
суспільного виробництва тенденція до енергозбереження у контексті
високошвидкісного залізничного транспорту втілюється через зменшення маси поїздів,
покращення їх аеродинамічних показників та збільшенні ефективності перетворення
та передачі електричної енергії до рухомого складу. З цих причин є необхідним
проведення досліджень направлених на вдосконалення існуючих енергетичних
комплексів системи тягового електропостачання залізничного транспорту.
Ґрунтуючись на досвіді експлуатації
високошвидкісних та швидкісних магістралей визначимо особливості роботи
електротягового комплексу, основні вимоги та інновації, що використовуються під
час впровадження високошвидкісного залізничного руху.
Об’єм споживаної рухомим складом електроенергії
залежить від багатьох факторів, основними з яких є маса поїзду, швидкість та
пропорційний до неї опір руху, періодичність пуску електровозу, можливість
рекуперативного гальмування, план та профіль колії, характеристики мережі
тягового електропостачання. Останнє стосується до типу живлення, довжини
фідерної зони, опору тягової мережі, типів захисту. Потужність рухомого складу,
який застосовується на високошвидкісних та швидкісних магістралях, близько
10-12 МВт і більше (Синкансен 500 - 18,2 МВт). На залізницях, поїзди якими
рухаються із швидкістю до 160 км/год, витрати потужності на одиницю довжини
становлять 300-500 кВт/км. Установлено, що за умови високої інтенсивності руху із
невеликими інтервалами між поїздами (5-15 хв), питомі витрати потужності
досягають значень 1-1,3 МВт/км, а на двоколійних лініях із підвищеною
пропускною здатністю цей показник зростає до 1,7-2,5 МВт/км. Нормативами
Міжнародного союзу залізниць з метою розрахунку пристроїв тягового
електропостачання на ділянках залізниць із максимальною швидкістю руху 300-330
км/год рекомендовано за базисне значення витрат потужності на тягу поїздів
брати 3 МВт/км [15, 16]. Необхідно відмітити, що високошвидкісним магістралям
властивий виражений імпульсний характер струмового навантаження (рис. 2.1).
За цих умов збільшуються пікові навантаження на
тягових підстанціях, зростають втрати напруги у пристроях тягового
електропостачання, погіршується струмознімання та збільшується нагрівання
контактних проводів.
- міжпоїзний інтервал
Рисунок 2.1 - Струмові навантаження
тягового електропостачання у за проходження пакету поїздів із швидкістю 250
км/год та струмом 430 А за різних міжпоїзних інтервалів
Швидкість руху поїзда безпосередньо
залежить від рівня напруги на струмоприймачах електрорухомого складу. Правилами
технічної експлуатації залізниць [17] встановлюють допустимі відхилення напруги
від номінальних значень до 2,7 кВ за системи постійного струму 3 кВ та 21 кВ у
системі змінного струму 25 кВ. Європейський стандарт EN 50163 (Railway
applications - Supply voltages of traction systems), в якому визначенні вимоги
до систем електропостачання залізничного та міського рейкового транспорту,
дозоляє більший діапазон відхилень напругу. Названий нормативний документ
регламентує у системи тягового електропостачання постійного струму мінімально
допустиме значення напруги на струмоприймачі, що дорівнює 2000 В, а для системи
змінного струму 19 кВ. Таким чином можна говорити про відповідність вимогам до
рівня наруги у контактній мережі на Україні Європейським нормативам. У
результаті зменшення напруги із 3000 В до 2700 В втрати потужності електровозів
становлять 15%, а середньотехнічна швидкість руху на перегоні зменшуються на
7-8%, що є недопустимим за умов високошвидкісного та швидкісного руху, оскільки
веде до погіршення пропускної здатності лінії та порушення графіка руху
поїздів.
Необхідний рівень напруги на струмоприймачеві
може бути забезпечений посиленням системи тягового електропостачання. Останнє
допускається здійснювати шляхом збільшення площі поперечного перерізу
контактної підвіски, монтажу посилюючих проводів, стабілізацією та автоматичним
регулюванням напруги на шинах тягових підстанцій, застосуванням вузлової,
паралельної або розподіленої із поздовжніми живлячими лініями схеми живлення
контактної мережі, збільшення потужності тягової підстанції, перехід на
збільшення номінальної напруги контактної мережі, посилення схеми зовнішнього
електропостачання. Із метою посилення ефекту від технічних заходів, направлених
на зниження втрат електричної енергії у тяговій мережі, рекомендується
оптимізація графіка руху поїздів [16].
Із досвіду експлуатації встановлено,
що розрахунок параметрів пристроїв електропостачання повинен враховувати такі
фактори як напруга на струмоприймачі у різних експлуатаційних обставинах,
перевантажна здатність за струмом контактної підвіски, напруженість
електромагнітного поля вздовж колії, напруга між рейкою та землею, потужність
системи зовнішнього електропостачання. Розрахунок системи можливий на базі
фізико-математичного моделювання процесу руху поїздів. Необхідну потужність
визначають із об’єму перевезень, графіка руху і взаємодії електрорухомого
складу із інфраструктурою. Правильний вибір параметрів пристроїв тягового
електропостачання являється основою для надійної експлуатації залізничного
транспорту. Результатом моделювання тягового навантаження за заданим графіком
руху являється крива залежності струму або уявної потужності на шинах тягової
підстанції від часу. Аналіз графіків дозволяє отримати данні про максимальні
піки середнього значення, а також ефективні значення у довільно обраному
проміжку часу [17].
За проходження поїздом фідерної зони
значення напруги на його струмоприймачеві постійно змінюється. Відповідно
критерієм за яким оцінюється режим напруги у контактній мережі це реалізована
швидкість та тягове зусилля за даного рівня напруги. Показником, який найбільш
точно характеризує якість живлення високошвидкісного рухомого складу, є середнє
корисне значення напруги за час проходження електрорухомим складом або пакету
поїздів міжпідстанційної зони (2.1):
(2.1)
де
- середнє корисне значення напруги,
В;
- напруга на струмоприймачі поїзда,
В;
- струм поїзда, А;
- час ходу
-го поїзду
по міжпідстанційній зоні, с;
- кількість поїздів у пакеті за
розрахунковий період.
Фізична сутність виразу (2.1) являє
собою відношення середньої потужності, розрахованої для поїзду або пакету
поїздів, до відповідного середнього струму. Під час моделювання руху
визначаються головні параметри системи тягового електропостачання: потужність
підстанцій, схема живлення та секціонування, тип контактної підвіски.
Розрахунок термічних параметрів
елементів системи електропостачання повинен проводитись на основі очікуваного
навантаження. Для цього можуть бути може бути використана методика описана у
[16, 17]. Навантажувальна здатність за струмом контактної підвіски повинна бути
забезпечена узгодженим вибором перерізу проводів та часом дії струмового
захисту, отриманим у результаті аналізу перехідних теплових процесів.
Трансформатори для високошвидкісних ліній обирають із високою перевантажною
здатністю. Так на лінії Мадрид - Севілья трансформатори здатні витримувати
перевантаження у 2 рази більше за номінальне у продовж 6 хвилин.
Електромагнітні поля у зоні електрифікованих залізниць прямо пропорційні
величенні тягового струму, значення якого залежить від типу системи
електропостачання, У тяговій мережі високошвидкісних магістралей системи
змінного струму 25 кВ, 50 Гц можливі струми навантаження до 1,7 кА, на лініях
постійного струму 3 кВ - перевіюють 7 кА. Проведенні дослідження встановили, що
напруженість магнітного поля на висот 1 м від рівня головки рейки не перевищує
граничних значень та залишається безпечним для людини, але спроможне негативно
впливати на електронні та електромеханічні пристрої, що знаходиться поблизу
залізниці [18].
З метою забезпечення безперервності
руху поїздів із швидкостями, що перевищують 160 км/год, та збереження
пропускної здатності лінії міжнаціональними організаціями залізничного
транспорту, визначені рекомендації та вимоги до улаштування інфраструктури,
рухомого складу, сигналізації та інших основних компонентів залізниці від яких
залежить надійність її роботи у тому числі до системи тягового
електропостачання.
Відповідно [19] до системи
електротягового комплексу висунуті наступні технічні вимоги: не допускається
спорудження живлячих ліній до тягових підстанцій на дволанцюгових опорах,
вимушений режим (відключення підстанції) у період швидкісного руху поїздів,
підключення тягових підстанцій до системи автоматичного відключення
навантаження при перевантаженні енергосистеми. Схема тягового електропостачання
повинна передбачати двостороннє живлення контактної мережі з паралельним з'єднанням
підвісок головних колій за допомогою постів секціонування і пунктів
паралельного з'єднання. Кількість паралельних з'єднань визначається розрахунком
з урахуванням умов забезпечення працездатності захистів від струмів коротких
замикань.
При електричних розрахунках
здійснюється перевірка: нагрівання проводів тягової мережі, напруги на
струмоприймачах електрорухомого складу, потужність перетворювачів і
понижувальних трансформаторів тягових підстанцій, автотрансформаторів системи
2х25 кВ, комутаційного обладнання, уставок пристроїв захисту фідерів тягової
мережі, небезпечних та заважаючи магнітних впливів на лінії зв'язку і суміжні
комунікації, необхідні потужності пристроїв компенсації реактивної енергії.
Перевірка рівня напруги на струмоприймачах проводиться для нормальної схеми
живлення контактних підвісок, а нагрівання проводів тягової мережі - за
роздільного їх живлення.
Для живлення тягових підстанцій
швидкісних ліній можливо застосовувати лінії із номінальним значенням напруги
від 35 кВ. Значення напруги системи зовнішнього електропостачання та спосіб
приєднання з декількох допустимих обирають за умовою мінімізації капітальних
витрат на спорудження тягової підстанції і витрат на оплату технологічного
приєднання до мереж енергопостачальних організацій. Система керування
пристроями електропостачання швидкісних і високошвидкісних магістралей повинна
бути складовою частиною загальної системи автоматизованого управління
магістраллю і забезпечуватися єдиною системою передачі інформації. При
вимушених та аварійних режимах система управління повинна визначати місце
ушкодження і приймати оптимальні рішення для їх усунення та забезпечення
пропуску поїздів.
Окремої уваги при збільшенні
швидкості руху поїздів заслуговує механічна взаємодія рухомого складу із контактною
мережею. Контактна мережа є важливим підсистемою тягового електропостачання,
яка може бути резервованою. Вона призначена для передачі у ковзкому контакті
електричної від джерела живлення до струмоприймача електрорухомого складу.
Якісне струмознімання забезпечується при сталості натиску на контактний провід
та за прямолінійної траєкторії руху струмоприймача. Підйоми проводу та
контактні зусилля залежать від швидкості руху поїзда, кількості, їх
аеродинамічних характеристик та взаємного розташування пантографів у роботі.
Рухомий контакт викликає поперечні (вертикальні) імпульси, які поширюються
вздовж контактного проводу і відбиваються від точок із зосередженою масою. В
результаті взаємної дії мережі та струмоприймача може виникнути ефект
резонансу, що призводить до порушення електричного контакту, обмеженню
допустимої швидкості руху, скорочення терміну служби контактного проводу та
елементів струмоприймача. Підвищення швидкості руху на лініях нерідко
призводить до збільшення випадків виникнення електричної дуги. В якості однієї
з причин було визнано виникнення коливань контактного проводу. Крім того, на
інтенсивність виникнення дуги впливають сили натискання в контакті та величина
струму. Ці фактор викликають електромеханічну ерозію контактного проводу, яка
зменшує термін експлуатації підвіски викликає інтенсивне зношування
струмоприймачів, а також може призвести до обривів контактного проводу навіть
за робочого значення тягового струму.
Методом експериментальним
дослідженням були визначенні шляхи зниження інтенсивності появи електричної
дуги, серед яких зменшення хвилястості контактного проводу, забезпечення сили
натискання в контакті струмоприймача з проводом відповідно до регламентованих,
вдосконалення струмоприймачів. Зменшенню хвилястості контактного проводу сприяє
покрашення технологій виготовлення, метрологічний контроль під час виготовлення
та за положенням контактного проводу упродовж монтажу, удосконалення монтажного
обладнання, застосування пристроїв для правління.
Якість контакту залежить від ступеню
підняття контактного проводу. Збільшення швидкості разом із необхідністю
забезпечення якісного струмознімання змушує обмежувати підняття проводу и як
наслідок зменшення його еластичності. Загалом до контактної мережі
високошвидкісних залізниць встановленні наступні вимоги [19, 20]: максимально
рівномірна еластичність контактної підвіски та мінімальні відхилення висоти
розташування нижньої поверхні контактного проводу, висока стійкість до вібрацій
компонентів контактної підвіски, дотримання допусків до положення контактного
проводу як при монтажі, так і в експлуатації, перевірка нових контактних мереж
шляхом вимірювання висоти розташування та зигзагу контактного проводу та
визначення сил натискання струмоприймачів з використанням сучасної
вимірювальної техніки і технологій, використання засобів технічної діагностики,
що дозволяють своєчасно встановлювати будь-які відхилення від заданих
параметрів.
Діагностування швидкісних контактних
підвісок головних колій повинна здійснюватися швидкісними вимірювальними вагонами.
При цьому повинна біти передбачена можливе суміщення в одному вагоні функції
діагностики контактної мережі та колії. Пристрої діагностування повинні мати
можливість безконтактного, автоматичного вимірювання контрольованих параметрів
та повинні бути здатні до зберігання та порівняння отриманих даних із
нормативними.
Досягнення науково-технічного
прогресу, застосовані на залізничному транспорті, дозволяють оптимізувати
витрати людської праці під час будівництва та експлуатації, економити
матеріальні ресурси, зменшити час монтажу та габарити обладнання тягових
підстанцій, спростити схемні рішення, зменшити кількість елементів, що покращає
заказники надійності системи електропостачання.
Широке розповсюдження отримала
блочно-модульна технологія спорудження тягових підстанцій, яка полягає в
доставці на об'єкти будівництва налагоджених і випробуваних в заводських умовах
конструктивно завершених блоків із відповідними до виконуваних функцій
обладнанням. Функціональні блоки містять у собі збірки комірок, шаф, панелей,
окремих компонентів, мікропроцесорних контролерів, об'єднаних несучими
конструкціями, силовими та вторинними колами. Блоки швидко механічно
з’єднуються між собою. У проектах нових підстанцій, за рахунок надійності
сучасних комплектуючих елементів вдалося відмовитись від запасної шини та двох
послідовно включених вимикачів живлячої лінії у системі тягового
електропостачання постійного струму. Застосування комплектних розподільчих
пристроїв із елегазовою ізоляцією (КРПЕ) має низку переваг перед звичайними
комірками одностороннього обслуговування, так до них можна віднести менші
розміри, надійність, пожежну безпека, простий монтаж та демонтаж. На рисунку
2.2 зображено двополюсну комірку середньої напруги, виготовленої фірмою Siemens
для систем тягового електропостачання, струмопровідні частини, вимірювальні
трансформатори та комутаційне обладнання якої знаходиться у герметичних
ємкостях заповнених газом під тиском
- відділення низької напруги; 2 -
електронна панель управління цифровим захистом; 3 - привод блокування та
індикатор положення роз’єднувача; 4 - манометр; 5 - привод силового вимикача; 6
- система перевірки напруги.
Рисунок 2.2 - КРПЕ середньої напруги
типу 8DA12
Істотно збільшилася інформаційна складова обладнання
(у вигляді датчиків,
які повідомляють про поточний стан як системи електропостачання в цілому,
так і окремих вузлів),
що дозволило прогнозувати працездатність системи і планувати попереджувальні ремонти.
У системах електропостачання
залізниць змінного струму є проблемними питаннями компенсація реактивної
потужності, зниження несиметрії напруги живлення і фільтрація вищих гармонік,
що за умов швидкісного руху призводить до збільшення втрат у живлячій лінії та
пристроях тягового електропостачання. До основних засобів покрашення якості
електричної енергії відносять: встановлення фільтрокомпенсуючих пристроїв,
підключення тягової мережі до трифазно-двофазних трансформаторів за схемою
Скота, Леблана, Кюблера [23], чергування приєднань тягових підстанцій до
зовнішньої системи, підвищення напруги живлячої мережі. Всі існуючі на сьогодні
підходи потребують однакових розмірів руху, синхронної зміни струму тягових
підстанцій підключених до лінії та рівномірного завантаження фаз
трансформаторів, що у реальних умовах експлуатації неможливо.
З метою стабілізації та підвищення
зовнішньої характеристики тягової підстанції в умовах швидкісного руху на
тягових підстанціях постійного струму можуть бути застосовані регулюванні
вольтододатнього пристрої, увімкненні послідовно до основного випрямляча
підстанції. Він представляє собою мостовий випрямляч, що підключений до
трансформатора потужністю до 2-4 кВА, побудований на керованих елементах, та
увімкнений до зворотної лінії тягової підстанції. Міст за відключеного вольтододатнього
пристрою шпунтується, вентильним блоком. Складніший спосіб посилення передбачує
перетворення постійної напруги 8 кВ у постійну регульовану напругу контактної
мережі 3,3 кВ із застосуванням багатофазного перетворювача струму на
IGST-тиристорах. Активна стабілізація забезпечує необхідні параметри напруги в
контактній мережі, при цьому істотно знижує витрати електроенергії.
Доцільним заходом направленим на
зниження втрат у енергетиці є збільшення напруги передачі електричної енергії
до споживача. Такий підхід пояснює причини впровадження систем тягового
електропостачання змінного струму, які отримала широке розповсюдження у світі
[10] через збільшення вантажообігу та швидкості руху. Встановлений у наш час
рівень напруги у контактній мережі системи 3 кВ представляє собою компроміс між
експлуатаційними витратами на перекриття втрат електричної енергії у тяговій
системі електропостачання та вартістю її пристроїв. Загальний економічний
ефект, викликаний збільшенням напруги контактної мережі до 25 кВ та складніші
умови струмознімання, призводять до обмеження ходової швидкості на швидкісних
лініях електрифікованих системою постійного струму [19].
Для досягнення конкурентоздатної
позиції напруга передачі у системі постійного струму повинна досягати значень від
18 кВ. У минулому у країнах Радянського Союзу та Європи проводились
випробування систем із збільшеною постійною напругою передачі електричної
енергії. Проте спроби створити надійні та компактні перетворювачі не були
вдалими. Сучасний розвиток напівпровідникової техніки дає можливість до
проведення науково-дослідницьких робіт у напрямку вдосконалення системи тяги
постійного струму.
Загально відомі переваги системи 3
кВ: рівномірне завантаження фаз зовнішньої мережі, менший електромагнітний
вплив на суміжні об’єкти, покрашення енергетичних та швидкісних показників
рухомого складу. Крім того відсутність реактивного опору є причиною того, що за
рівнозначних умов (рівності значення постійного та змінного (діючого) струму)
втрати напруги у мережі постійного струму менші. Саме тому продовжується пошук
нових технічних рішень направлених на підвищення енегоефективності та
збільшення пропускної здатності ліній, необхідність якого визнається багатьма
інженерами-дослідниками.
Розглянемо два можливих варіанти
удосконалення системи тягового електропостачання постійного струму. Необхідно
відмітити, що вони лише узагальнюють відомі принципи побудови системи тягового
електропостачання, тому вказані елементи на схемах можуть при реалізації бути
іншими.
У першому випадку постійна напруга
12-24 кВ формується тяговою підстанцією та передається на електрорухомий склад
по тяговій мережі (рис.2.3). Таке рішення дозволить знизити витрати на
спорудження контактної мережі та поліпшити якість струмознімання у наслідок
зниження значення тягових струмів. Відстань між підстанціями буде збільшена до
40-80 км. До місця приєднання до тягової мережі підстанції, необхідність у якій
відпала, встановлюється пост секціонування.
ТП 1, ТП 2 - тягові підстанції; ПС -
пост секціонування контактної мережі; АІМ - автономні інвертори напруги; Т -
тяговий трансформатор; 4qS - чотириквадрантний перетворювач.
Рисунок 2.3 - Структура схема
системи тягового електропостачання постійного струму напруги 12(24) кВ у контактній
мережі із багатосистемним рухомим складом
На рисунку 2.4 представлена
розподілена схема тягового електропостачання із живлячою лінією 12-24 кВ, яка
змонтовано із польової сторони опор контактної мережі. За цього варіанту
напруга контактної мережі залишається на рівні 3 кВ. Від живлячої лінії через
автоматичні перетворювальні пункти, що розташовані на міжпідстанційній зоні,
здійснюється живлення контактної мережі.
ТП 1, ТП 2 - тягові підстанції; ПП
1, ПП 2, ПП N - перетворювальні пункти живлення; АІМ - автономні інвертори
напруги; Т - понижуючий перетворювальний трансформатор; В - випрямляч. Рисунок
2.4 - Структурна схема розподіленої системи тягового електропостачання
постійного струму 3 кВ у контактній мережі із живлячою лінією постійного струму
12(24) кВ.
Така концепція дозволяє зберегти
традиційний рухомий склад, забезпечує високі показники економічності, проте для
організації високошвидкісного руху необхідно збільшити переріз контактної
підвіски для забезпечення перевантажної здатності та надійного струмознімання.
Збільшення напруги передачі електричної енергії дозволить зменшити переріз
проводів або реалізувати передачу електричної енергії поїздам значно більшої
потужності, полегшить роботу дії захисту від струмі короткого замикання,
знизити потенціал рейки відносно землі, що зменшить гальванічний вплив системи
на суміжні споруди.
Головним питанням, що потребує
вирішення у двох варіантах, є розроблення перетворювача для електрорухомого
складу або для перетворювального пункту. Крім того у системах електропостачання
постійного струму доцільно відводитися від двоступеневої трансформації наруги,
що дозволить зменшити капітальні затрати на монтаж та обслуговування та втрати
потужності при трансформації. Застосування багатопульсних схем випрямлення (12-
та 24-пульсних), обумовлено потребою у забезпеченні якості електричної енергії,
зниженні значення спожитої реактивної потужності, дозволяє зменшити значення
гармонійних складових випрямленого струму. Мінімізація числа напівпровідникових
пристроїв у плесах випрямляча завдяки збільшенню якості вентилів, їхнього
ресурсу роботи. У наслідок зменшення масо-габаритних показників перетворювача,
спрощення кіл захисту та контролю стану.
.2 Енергетична взаємодія системи перетворювального обладнання тягової підстанції постійного струму із системою зовнішнього елктропостачання
Залізничний транспорт є однією з найважливіших галузей народного господарства України,
конкретними перевагами якого є:
енергоефективність,
низький рівень викидів в атмосферу,
безпека,
ефективне використання простору,
що дозволяє здійснювати перевезення з меншими витратами та більшою надійністю.
Перспективним
напрямком розвитку якого є впровадження високошвидкісного руху, що потребує
аналізу та побудови структурно-логістичних зв’язків, значних інвестицій у
будівництво та модернізацію існуючої інфраструктури, елементів систем
залізничного транспорту зокрема системи електропостачання. Ефективність роботи
тягового електропостачання також визначається станом інфраструктури передачі
енергії електроприймачам (електрорухомий склад та не тягові споживачі).
Сьогодні тягове електропостачання опинилось в умовах морального та фізичного
старіння енергетичного комплексу: контактної мережі та тягових підстанцій.
Вирішення цих питань потребує
проведення оновлення обкладення силових та низькоенергетичних систем,
технічного розвитку, пошуку оптимальних рішень з підвищення енергоефективності
та електромагнітної сумісності., що вмотивовано тенденцією до збільшення
кількості чутливих до кондуктивних та польових звад пристрої релейного захисту,
телемеханіки та автоматичного управління режимами роботи [24] побудованих на
електронній та мікропроцесорній базі. Кондуктивними завадами називають
перешкоди, що розповсюджуються у провідному середовищі, зокрема, по електричній
мережі., відповідно до польових, випромінювальних або індуктивних завад
відносяться ті, які передаються шляхом випромінювання електромагнітного поля,
через непровідне середовище [25, 26].
Успішне вирішення науково-технічних
проблем при впровадженні і експлуатації електрифікованих ліній постійного
струму, в тому числі і підвищеної напруги, неможливе без вирішення проблеми
електромагнітної сумісності від якої напряму залежать ефективність передачі та
перетворення електричної енергії. Під електромагнітною сумісністю розуміють
здатність електротехнічних пристроїв або їх елементів нормально функціонувати в
даному електромагнітному середовищі, не вносячи неприпустимих електромагнітних
завад і не отримуючи таких з її сторони. Якщо електромагнітна сумісність не
забезпечена, тобто окремі елементи електротехнічних приладів не володіють
заданою завадостійкістю до внутрішніх (між елементами) і зовнішніх (по
відношенню до пристрою) завад, то тим самим створюються умови для:
функціональних порушень з великими або меншими наслідками, пошкоджень засобів
захисту і безпеки людей, погіршення якості електроенергії, погіршення
електромагнітної обстановки в навколишньому середовищі, ураження обслуговуючого
персоналу.
Взаємодія системи тягового електропостачання
постійного струму представляє собою складний імовірнісний процес характеристика
якого змінюється у площинні простору та часу, та зумовлює непередбачувані зміни
електромагнітної стану суміжних пристроїв (кіл системи автоматики, ліній
зв’язку та інше). Основним пристроєм на сучасних тягових підстанціях,
застосування якого викликає низку негативних явищ, є тягові перетворювач.
Наявність потужних нелінійних навантажень призводить до додаткових втрат
електричної енергії та зниження терміну експлуатації електричних апаратів
швидкідкісного руху та розвиток транспортних коридорів, впровадження сучасних
технологій та обладнання, в тому числі нових типів електрорухомого складу,
призводить до збільшення споживання електричної енергії, а, значить, і до збільшення
споживання реактивної енергії, збільшення втрат активної енергії та погіршення
гармонічного складу струмів і напруг, як на стороні змінного, так і постійного
струму. Крім випрямлячів джерелом вищих гармонік струму у мережі являються
трансформатори. Змінна магнітних властивостей якого призводить до спотворення
кривої струму, що у трифазній системі, за симетричного навантаження симетричні
системи прямої, зворотної та нульової послідовності струму. Тягові двигуни та
перетворювачі сучасного рухомого складу також представляють собою нелінійне
навантаження, яке здатне генерувати у тягову мережу широкий спектр перешкод. У
більшості випадків гармонійний склад напруги на виході із тягової підстанції та
на струмоприймачах електровозів відрізняється між собою, що є наслідком
неоднорідності елементів тягової мережі. У результаті сумісної взаємодії
системи електропостачання та електрорухомого складу є імовірнісним виникнення
резонансних явищ на окремих частотах, які негативно впливають на роботу
пристроїв електропостачання та здатні вивести їх із ладу.
Звідси виділяють наступні типи
проблем електромагнітної сумісності напівпровідникових пристроїв: якість
електричної енергії у живлячій мережі та зворотній вплив перетворювача на
мережу; завадостійкість (резистентність) керівної частини вентильних
перетворювачів до кондуктивних та польових перешкод; емісія напівпровідникових
перетворювачів електромагнітних перешкод у навколишнє середовище.
Перше питання включає у собі
визначення та нормування показників, якості електричної енергії із метою
контролю, оцінки рівня електромагнітних завад та розрахунку збитків від
неякісного електропостачання, формулювання методів обліку негативного
зворотного впливу струмів навантаження на якість напруги у живлячій мережі та
виявлення споживачів, що чинять недопустимий вплив на якість напруги живлячої
напруги. Друга складова - проблема завадостійкості електротехнічних систем
(електронних, радіоелектронних) від кондуктивних та польових завад. Рівень
електромагнітних завад може досягти граничного значення, яке перевищуючи рівень
завадостійкості конкретного пристрою викличе порушення його функціонування.
Державними стандартам на електромагнітну завадостійкість, окремо на кожен із
видів перешкод, приведенні критерії якісності функціонування технічного засобу
на період дії перешкоди та час після припинення її впливу, які визначаються за
стандартизованою методикою. За емісії завад напівпровідниковим перетворювачем
кондуктивні характеризуються рівнями струми чи напруги, а польові рівнем
електромагнітного поля. Термінологія, сертифікація випробувань нормативи
приведенні у відповідних стандартах на електромагнітну сумісність.
Створена джерелами завад сукупність
електромагнітних явищ є наслідком дії пристроїв, що вступають у взаємодію, та
залежить від їх параметрів, особливостей електротехнічних пристроїв, заходів
направлених на забезпечення електромагнітної сумісності, а також від зовнішніх,
метрологічних, виробничих, механічних, факторів. Оцінка електромагнітної
обстановки здійснюється показниками визначених у державних стандартах на
спеціальні системи електропостачання, вимоги до якості електричної енергії
мережах загального призначення та окремих стандартах на електротехнічні засоби
[27-30]. Планування електромагнітної сумісності потребує дослідження існуючих
шляхів взаємовпливу елементів енергетичного комплексу та зовнішніх
електротехнічних суміжних до них систем. Аналіз отриманих у результаті
досліджень чутливості пристроїв, передаточних функцій, що формую механізм
взаємного впливу, значень напруги, струму, напруженості, частотного спектру,
магнітного поля та інших характеристик завад, дозволяють визначити принципи
захисту від перешкод, допустимі рівні завад та забезпечити завадостійкість до
них та як наслідок забезпечити енергоефективність перетворення електричної
енергії за всіх можливих умов експлуатації обладнання.
Впровадження швидкісного та
високошвидкісного залізничного сполучення, що супроводжується збільшенням
навантаження на живлячу мережу, застосування техніки чутливої до погіршення
електромагнітного стану середовища, зростання вартості електричної енергії
привертає увагу до проблеми електромагнітної сумісності. Таким чином
залишається актуальним питанням зниження витрат електричної енергії шляхом
покрашення технік-економічних показників системи тягового електропостачання,
зокрема випрямних агрегатів тягової підстанції. Суттєве зниження
експлуатаційних витрат у системі тягового електропостачання можливе шляхом
збільшення числа пульсацій випрямленої напруги, також втрати електроенергії у
живлячій мережі можуть бути знижені у зв’язку із зменшення впливу нелінійного
навантаження, також із збільшенням пульсації випрямленої напруги дозволяє
спрошувати конструкцію згладжуючи фільтрів, покращуючи їх масо-габаритні
показники та зменшується вплив на сумежні лінії. У зв’язку із вказаними
проблемами представляє широкий інтерес дослідження впливу негативних факторів,
що виникають при перетворенні електричної енергії, їх оцінка та пошук шляхів
зменшення їхнього впливу.
Живлення тягової мережі постійного
струму на Україні здійснюється від 211 підстанцій приєднаних до ліній
електропостачання напругою від 6-220 кВ. Якість електричної енергії, яка
транспортується мережею загального призначення, залежить від потужності та
параметрів електроприймачів, рівномірності завантаженості фаз, режиму роботи
нейтралі., рівня напруги живлячої лінії. Потужне однофазне навантаження,
повздовжня та поперечна неоднорідність електричних характеристик лінії
призводить до виникнення несиметрії живлячої напруги у трифазній системі. З досвіду
експлуатації системи тягового електропостачання відомо, що несиметрична напруга
є характерним проявом погіршення якості електричної енергії на вводах тягових
підстанцій постійного струму у зв’язку із підключенням останніх до мережі
загального користування. Суттєве погіршення несиметрії живлячої напруги
спостерігається у місцях приєднання до системи зовнішнього електропостачання
станцій стикування, де основною причиною виникнення асиметрії є тягове
навантаження змінного струму. З цих причин вкрай необхідним є аналіз впливу
ступеню несиметрії напруги живлячої мережі на процес випрямлення на тягових
підстанціях постійного струму.
Основним елементом, який визначає
електромагнітну сумісність тягової мережі постійного струму із системою
зовнішнього електропостачання, є тяговий агрегат, який представляє собою
перетворювальний трансформатор та мостовий трифазний випрямляч. На діючих
тягових підстанціях застосовують шестипульсні та дванадцятипульсні, із
з’єднаними послідовно мостами, схеми випрямлення (рис.2.5).
- напруга холостого ходу на виході
із випрямляча
Рисунок 2.5 - Принципова схема
шестипульсного (а) та дванадцятипульсного (б) випрямляча
Впровадження останніх вмотивовано зменшенням амплітуди пульсацій та реактивної потужності споживаної випрямлячем
[31] та вимогами
[19]. Конструкція
дванадцятипульсного випрямляча із паралельним з’єднанням мостів, як відомо,
передбачає застосування зрівняльного реактору, що являється небажаним оскільки
викликає додаткові втрати. Крім того, забезпечення номінальної напруги на шинах
підстанції потребує відповідного збільшення у двічі номінальної напруги секцій
випрямляча та обмоток трансформатора, що призводить до збільшує витрати на
ізоляцію та вартість тягового агрегату.
Трансформатор дванадцятипульсної
схеми повинен мати розщеплену вторинну обмотку поділену на електрино ізольовані
частини, розміщенні на одному стрижні магнітної системи трансформатора.
Вентильні обмотки з’єднанні за схемами зірка та трикутник для формування
змішення однойменних векторів лінійних напруг на 30 електричних градусів.
Миттєве значення випрямленої напруги на виході із дванадцятипульсного
випрямляча представляє собою суму миттєвих значень випрямленої напруги кожної
із мотових секцій (рис.2.6). Відповідно середнє значення випрямленої напруги за
режиму холостого ходу для шестипульсної та дванадцятипульсної схем знаходяться
за формули [32]
,(2.2)
.(2.3)
де
,
- середнє значення випрямленої
напруги 6-пульсної та 12-пульсноїсхеми випрямлення, В;
,
- амплітудні значення напруг у
фазах вентильних обмоток трансформатора з’єднаних відповідно за схемами зірка
та трикутник, В.
,
- миттєве та середнє значення
випрямленої напруги 12-пульсної схеми випрямлення;
,
- миттєве
значення напруг на виході із мостових секцій випрямляча.
Рисунок 2.6 - Часові діаграми
випрямленої напруги
Умови роботи вентильного плеча
характеризуються середнім та максимальним струмом у відкритому стані та
максимальною зворотною напругою. Вони знаходяться у залежності від значень
випрямленого струму та лінійної напруги вторинних (вентильних) обмоток
трансформаторів та визначаються за наступними виразами
,(2.4)
,(2.5)
,(2.6)
де
,
- середній та максимальний струм
вентильного плеча, А;
- випрямлений струм, А;
- максимальна зворотня напруга
вентильного плеча, В;
,
- лінійна напруга вентильних
обмоток зібраних відповідно у зірку та трикутник, В.
За струмом вентилі шестипульсних та
дванадцятипульсних перетворювачів знаходяться у рівних умовах, проте за
однокового значення випрямленої напруги на виході із перетворювача, зворотня
напруга на вентилях випрямлячів із послідовно з’єднаними мостами у двічі менше
по відношенню до відповідного показника на елементах шестипульсних схем.
Форма кривої струму мережі від якої
живиться перетворювальний агрегат залежить від низки факторів до яких можна
віднести параметри навантаження та перетворювального агрегату, кількість
пульсацій випрямленої напруги, схема з’єднання обмоток перетворювального
трансформатора, тип схеми випрямлення (нульова, мостова). У залежності від
значення параметрів навантаження знаходитися рівень потужності, яка передається
до споживача, та, власне, форма кривої струму. Наприклад, за умови безкінечного
значення індуктивності
навантаження
представляє собою ідеальну фетр-пробку й випрямлений струм та струм у мережі не
містить пульсацій (гармонік). Обмотки перетворювального трансформатора
шестипульсної схеми випрямлення з’єднанні за схемою «зірка-трикутник»
(див.рис.2.5), що обумовлено поліпшенням кривої напруги у мережі, зменшенням вартості
ізоляцію первинної обмотки та додаткових втрат у металевих конструкціях від
гармонік магнітного потоку кратних до трьох. У такій схемі лінійний вторинний
струм (між вентильною обмотую та плечем моста) має форму близьку до прямокутної
(див.рис.2.7, в). Проте у обмотках високої та низької напруги струму
навантаження набувають ступінчастої форми (див.рис.2.7, г).
Струми в обмотках трансформатора
підключених до мостових секцій випрямляча за період зміни живлячої наруги два
рази змінюють свій напрям, що визначає приналежність мостових схем трифазного
випрямлення до двухполуперіодних та сприяє зменшенню масо-габаритних показників
перетворювальних трансформаторів у зв’язку із відсутністю постійної складової
струму обмоток.
- миттєва лінійна напруга вторинної
обмотки;
- миттєвий
струм вентильного плеча;
- середній
струм вентильного плеча;
-
випрямлений струм;
- миттєвий
лінійний стум вторинного кола трансформатора;
- миттєвий струм вентильної
обмотки;
- миттєвий
струм первинної обмотки.
Рисунок 2.7 - Часові діаграми
напруги та струму мостового випрямляча у випадку з’єднання обмоток
трансформатору за схемою У/Д-1
Постійна складова у кожному із
стрижнів магнітної системи трансформатора викликає некомпенсований
однонаправлений потік примусового підмагнічування. Він зміщає положення робочої
точки на кривій намагнічування чим зменшує допустимий діапазон зміни індукції
магнітопроводу. Із метою збереження магнітного потоку на необхідному рівні при заданій
напрузі потребує збільшується поперечний переріз осердя, а, отже, й маса
трансформатора. Крім цього порушення магнітної рівноваги, сприяє виникненню
вищих гармонік у напрузі живлячої мережі.
Діючі зазначення струму у вентильних
обмотках трансформатора з’єднаних відповідно за схемами зірка та трикутник
,(2.7)
,(2.8)
де
,
- діючі значення струму у
вентильних обмотках трансформатора зібраних відповідно у зірку та трикутник, А.
Струми у фазах мережевої обмотки
перетворювального трансформатора можна визначити розв’язавши системи рівнянь
складених за аналогами законів Кірхгофа для магнітних колах. Нижче приведена
система рівнянь для перетворювального трансформатора із розчепленню вторинною
обмоткою (див. рис. 2.5,б) [31]
(2.9)
де
,
,
- струми первинних обмоток, А;
,
, - струми вентильних обмоток схеми
«зірка», А;
,
,
- струми вентильних обмоток схеми
«трикутник», А;
,
,
- кількість первинних обмоток та
вентильних обмоток відповідно за схеми «зірка», «трикутник».
Із рівнянь (2.9) отримаємо миттєве
значення струму фази А
,(2.10)
де
- коефіцієнт трансформації
трансформатора схеми з’єднання «зірка».
Система рівнянь для магнітної
системи трифазного двообмоткового трансформатора та її корені аналогічна до
(2.9) і (2.10), але без складових, що представляють магніторушійні сили та
струми однієї із частин вторинної обмотки.
Вираз (2.10) свідчить, що струм
первинної обмотки перетворювального трансформатора являє собою алгебричну суму струмів
вентильних обмоток поділених на відповідний коефіцієнт трансформації. Отримана
результуюча крива струму за формою наближається до синусоїдальної (рис.2.8), що
з позиції гармонійного аналізу означає зменшення кількості генерованих гармонік
у мережу джерела напруги по відношенню до шестипульсного перетворювача.
- миттєва фазна напруга вентильної
обмотки з’єднаної за схемою «зірка»;
- миттєва фазна напруга вентильної
обмотки з’єднаної за схемою «трикутник»;
- миттєві струму вентильних обмоток
з’єднаних за схемами «зірка» та «трикутник»;
- миттєва напруга та струм
первинної обмотки.
Рисунок 2.8 - Часові діаграми струму
та напруги дванадцятипульсної схеми випрямлення
Порядок гармонік відносно основної
частоти живлячої мережі визначається виразом [33]
,(2.11)
де
- порядок гармоніки струму;
- пульсність випрямляча;
.
За семеричної напруги живлення
мостового випрямляча у якого
, струм у живлячій мережі має
гармоніки порядком
. У спектрі
гармонік струму генерованих дванадцятипульсним випрямлячем до мережі відсутні
гармоніки порядок яких рівний 5, 7, 17, 19 і так далі. У результаті зменшується
зворотній вплив перетворювального обладнання на живлячу лінію, що проявляється
у нелінійному спаді напруги на імпедансі системи електропостачання та
спотворенні кривої змінної напруги на електроприймачах. Несиметрія напруги
живлення негативно впливає на процес перетворення електричної енергії, що
візуально можна оцінити деформацією кривих напруги та струму у колах постійного
та змінного струму випрямляча.
Виходячи із цього у роботі із метою
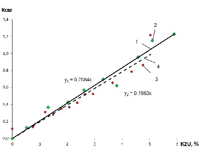
оцінки рівня несиметрії живлячої напруги було використано коефіцієнт несиметрії
напруги по зворотній послідовності
,(2.12)
де
- коефіцієнт несиметрії напруги по
зворотній послідовності, %;
- діюче значення напруги зворотної
послідовності основної частоти живлячої мережі, В;
- діюче значення напруги прямої
послідовності основної частоти живлячої мережі, В.
У стандартах на напівпровідникові
перетворювачі та спеціальні системи електропостачання [27-29] визначається
низка показників, якими проводиться оцінка якості випрямленої напруги.
Коефіцієнт поленої хвилястості
випрямленої напруги під час холостого ходу
,(2.13)
де
- коефіцієнт поленої хвилястості
випрямленої напруги;
- діюче значення n-ї гармоніки
випрямленої напруги, В;
- середнє значення випрямленої
напруги , В.
Коефіцієнт пульсації напруги
,(2.14)
де
- коефіцієнт пульсації напруги;
- амплітудне значення змінної
складової напруги, В;
- номінальне значення випрямленої
напруги, В.
Проте жоден із них не характеризує
конкретно вплив рівня несиметрії вхідної напруги на випрямлену. Для виявлення
цього впливу було запропоновано використати явище зміни частотного спектру
випрямленої напруги при виникненні несиметрії вхідної напруги випрямляча. При
симетричній живлячій напрузі на виході випрямляча присутні постійна складова та
гармоніки випрямленої напруги, порядок яких кратний кількості пульсацій схеми
випрямлення. Такі гармоніки прийнято називати канонічними. Несиметрична напруга
спричиняє появу неканонічних (аномальних) гармонік для схеми випрямлення, що
додатково спотворюють криву випрямленої напруги, збільшуючи або зменшуючи
окремі напівхвилі. Так, наприклад, для 6-пульсної схеми випрямлення канонічними
будуть гармонійні складові з порядком частот, який кратний до 6, тобто 6, 12,
18, 24, … . В загальному випадку формула ряду для канонічних гармонік цієї
схеми визначається як
, де
… . Неканонічними
гармоніками для 6-пульсної схеми будуть парні гармоніки з таким порядком - 2,
4, 8, 10, 14, 16, 20, 22, 26, 28, ... . Формула ряду для таких частот в
загальному випадку має вигляд
, де
… .
Канонічні гармоніки вихідної напруги
дванадцятипульсної отримують порядок частот кратний до 12, тобто 12, 24, 36,
48, … , а неканонічними вважаються всі інші парні гармоніки.
Відповідно запропоновано визначити
коефіцієнт співвідношення вищих гармонік, як відношення діючого значення
напруги неканонічних гармонік до напруги канонічних [26]. Нижче представленні
формули для визначення даного коефіцієнту для шестипульсної (2.15) та
дванадцятипульсної схеми випрямлення
(2.15)
(2.16)
де
- коефіцієнт співвідношення вищих
гармонік;
,
- діючі значення неканонічних та
канонічних гармонік напруги шестипульсної схеми випрямлення, В;

- діючі значення неканонічних та
канонічних гармонік напруги дванадцятипульсної схеми випрямлення, В.
. Експериментальне дослідження
перетворення електричної енергії на тягових підстанціях за несиметричної
живлячої напруги
.1 Фізичне та комп’ютерне
моделювання випрямлення електричної енергії у несиметричних режимах
Дослідження процесу випрямлення
напруги за умови роботи у не симетричних режимах потребує контрольованого
відтворення ступеню несиметрії живлячої перетворювальний агрегат напруги, що
представляє собою складну, небажану та збиткову задачу. Виходячи із цього
доцільним є проведення експерименту на подібному за властивостями об’єкті із тотожним
математичним описом основних процесів вивчення яких представляє мету
дослідження. Відповідним аналогами перетворювального агрегату тягової
підстанціє використаним у представленій роботі є фізична та комп’ютерна модель
випрямляча та перетворювального трансформатора.
Результати моделювання
розповсюджуються на реалій об’єкт через критерії подібності, що виражаються у
вигляді поправкових коефіцієнтів залежних від параметрів, які характеризують
досліджуване явище. Принцип подібності дозволяє брати до уваги відображення
фізичного явища, тим самим ставить завдання знаходження безрозмірних масштабних
коефіцієнтів за якими можливо привести результати моделювання до реальних
значень. У приведеній дослідницький роботі моделювання направлено на виявлення
показників якості та енергообміну електричної енергії, що вже є безрозмірними
величинами та не потребують приведення, що спрощує побудову моделі виключаючи
необхідність у точній відповідності параметрів моделі до параметрів реального
об’єкту.
Метод фізичного [35] моделювання
полягає в вивченні об'єкта чи явища у лабораторних умовах через дослідження
його моделі, фізика процесів у якій, при дії збуджуючого впливу, якісно або
повністю повторюють процеси у реальному об’єкті. Фізична модель дає змогу
провести досліди із метою вивчення фізичної сутності явища і отримання
практичних уявлень про характер здійснення процесу. У наслідок вдається
уникнути повного математичного опису оригіналу, що є перевагою фізичного
моделювання у порівнянні із математичним. Крім того під час фізичного
моделювання виникає більша кількість впливаючих на модель факторів, що не має
місце за інших типів моделювання. За результатами емпіричного експерименту
перевіряються данні отриманні теоретичним шляхом.
Із метою проведення експерименту
була побудована фізична модель перетворювального агрегату тягової підстанції,
яка включає у собі трифазний трансформатор із додатково намотаною третьою
обмоткою та дві мостові секції власноруч зібраний на одній платі у лабораторії.
У якості навантаження було використано двигун постійного струму. Рівень
несиметрії живлячої напруги встановлювався за допомогою однофазних лабораторних
автотрансформаторів підключених однойменними клемами до нейтральної точки
первинної обмотки трансформатора. Принципова схема фізичної моделі та її
реалізація у лабораторних умовах представлена на відповідно на рисунках 3.1 та
3.2.
Рисунок 3.1 - Принципова схема
фізичної моделі перетворювального агрегату (шестипульсного випрямлення)
- трифазний трансформатор 2,5 кВА; 2 -
дванадцятипульсний випрямляч; 3 - двигун постійного струму; 4 - лабораторні
автотрансформатори; 5 - узгоджувальний перетворювач; 6 - налагоджувальна плата
комплекту Atmega128RFA1-ЕК1 із радіоінтерфейсом.
Рисунок 3.2 - Фізична модель перетворювального
агрегату
Для одночасного
вимірювання
електричних
величин
у
колах
постійного
та
змінного
струму
фізичної
моделі
застосовано
АЦП
плати
комплекту
Atmega128RFA1-ЕК1 із
розпаяною
мікросхемою
Atmega128RFA1
(рис.3.3).
Рисунок 3.3 - налагоджувальна плата комплекту
Atmega128RFA1-ЕК1 із радіоінтерфейсом ZibBee
Плата працює у автономному режимі від джерела
напругою 3 В. Аналогово-цифровий перетворювач розбиває аналоговий вимірювальний
сигнал на 128 дискретних значень, що передаються через радіоінтерфейс ZibBee до
приймача встановленого через USB-порт у ЕОМ для реєстрації та обробки отриманих
у результаті моделювання даних. З метою узгодження параметрів вимірювальних кіл
з АЦП розроблено 8-канальний пристрій узгодження, з 3-ма входами змінної
напруги до 220 В, 3-ма входами змінного струму до 5 А, 1-м входом постійної
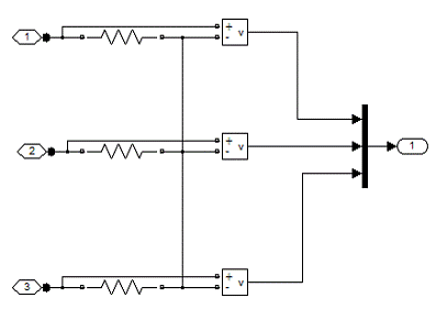
напруги до 100 В та 1-м входом постійного струму до 20 А (рис.3.4).
- канали постійного струму та постійної напруги;
2 - канал змінної напруги; 3 - канал змінної напруги.
Рисунок 3.4 - Узгоджувальний пристрій
З’єднанні за схемою «зірка» обмотки
автотрансформаторів були підключенні через лабораторний щит до загальної мережі
напругою 380 В. Переміщення роликового контакту з’єднаного із початком обмотки
високої напруги перетворювального трансформатора забезпечувало пофазне
регулювання напруги під час експерименту. Згідно паспортних даних за умови
з’єднання заводських обмоток трансформатора за схемою «зірка-трикутник»,
можливе зниження первинної лінійної напруги у 7,6 разів. Додаткові обмотки у
випадку дванадцятипульсного випрямлення з’єднувались у спільній точці, таким
чином при діючому значенні первинної напруги 380 В лінійні напруги вентильних
обмотках становили по 50 В.
Базове значення первинної напруги у ході
експерименту було встановлено на рівні 80 В у фазі трансформатора. Збільшення
ступеню несиметрії, який оцінювався коефіцієнтом несиметрії напруги по
зворотній послідовності, забезпечувалась зміною напруги однієї фази у межах від
50 В до 100 В. Встановлений діапазон зміни напруги враховував коливання фазної
напруги, що зустрічаються при експлуатації тягової підстанції.
Процес фізичного моделювання супроводжується
низкою недолік до яким можна віднести непередбачуваність дії сторонніх факторів
(електромагнітних завад живлячої мережі), навантажувальна обмеженість та
дефектність обладнання, виникнення похибок вимірювання та інше. Врахування цих
обставин значно ускладнює дослідження, збільшує витрати часу на побудову та
налагодження фізичної моделі, а звідси затримує отримання необхідного
результату. Комп’ютерне моделювання дозволяє усунути ці негативні чинники та
створити ідеалізовану середовище для вивчення конкретного явища без
застосування аналітичного дослідження.
Комп’ютерне моделювання процесу перетворення
електричної енергії під впливом несиметричної напруги живлення шестипульсного
та дванадцятипульсного перетворювального агрегату було виконано у програмному
середовищі «MATLAB/Simulink» [36-38]. Комп’ютерна модель, створена на базі
функціональних елементів вказаного програмного середовища, включає у собі:
вимірювально-розрахункові підсистеми для кіл постійної та змінного струму,
трифазне джерело напруги із змінним внутрішнім опором, перетворювальний
трансформатор, випрямний міст, навантаження кола постійного струм, яке, у
зв’язку із відсутністю потреби у аналізу впливу досліджуваного явища на
характеристики електричних машин, було представлено блоком «Series RLC Branch»,
що дозволило спростити процес та зменшити тривалість часу моделювання. На
рисунку (рис.3.5) представлене зображення комп’ютерної моделі перетворювального
агрегату дванадцятипульсного випрямлення або тягової підстанціє із
одноступеневою трансформацією напруги, про перспективність впровадження яких
повідомляється у другому розділі даної роботи. У таблиці 3.1 приведенні
параметри основних функціональних блоків комп’ютерної моделі.
1 - джерело трифазної напруги; 2 - вимірювально-розрахункова
підсистема живлячої мережі; 3 - перетворювальний трансформатор(блок
«Three-Phase Transformer »); 4 - вимірювально-розрахункова підсистема кола
змінного струму випрямляча; 5 - мостові секції дванадцятипульсного випрямляча
(блок «Universal Bridge»), 6 - вимірювально-розрахункова підсистема кола
постійного струму випрямляча; 7 - навантаження у колі постійного струму (блок
«Series RLC Branch»).
Рисунок 3.5 - Комп’ютерна модель
перетворювального агрегату дванадцятипульсного випрямлення
Таблиця 3.1 - Параметри функціональних блоків
|
Назва
блоку
|
Параметри
|
|
|
Потужність,
кВА
|
Напруга.
В
|
Активний
опір, Ом
|
Індуктивність,
мГн
|
|
|
1
|
2
|
3
|
4
|
5
|
|
|
Three-Phase
Transformer
|
2,5
|
ВН
|
380
|
ВН
|
0,94
|
ВН
|
0,22
|
|
|
|
НН
1
|
50
|
НН
1
|
0,052
|
НН
1
|
0,2
|
|
|
|
НН
2
|
50
|
НН
2
|
0,052
|
НН
2
|
0,48
|
|
|
|
|
|
магнітопровід
|
2710
|
магнітопровід
|
1150
|
|
|
Universal
Bridge (у відкритому стані)
|
-
|
0
|
0,01
|
0
|
|
Series
RLC Branch
|
-
|
-
|
20
|
1
|
|
|
|
|
|
|
|
|
|
|
Із цією метою у підсистемах (див. рис.3.4)
розробленні підсистеми другого рівня, що представленні на рисунках 3.6-3.8
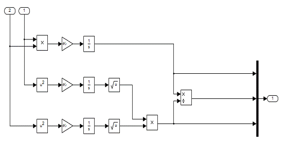
Підсистема (рис.3.6) реалізує формулу для визначення коефіцієнта несиметрії
напруги по зворотній послідовності (2.12). Головний елемент підсистеми блоки
«3-Phase Sequence Analyzer», на входи яких подається сигнал від «Three-Phase
V-I Measurement». Блок дозволяє виділити пряму та зворотною послідовність
основної частоти трифазної напруги. Блок «Divide» виконує ділення вихідних
сигналів із «3-Phase Sequence Analyzer», а «Slider Gain» збільшує отримане
відношення у сто разів, що відповідає розрахунку необхідного показника якості.
1 - блок
«3-Phase Sequence Anal»; 2 - блок
«Divide»; 3 - блок «Slider
Gain»;
4 - блок «Terminator»; 5 - вхідний та вихідний
порт підсистеми.
Рисунок 3.6 - Підсистема для визначення
коефіцієнту несиметрії напруг по зворотній послідовності
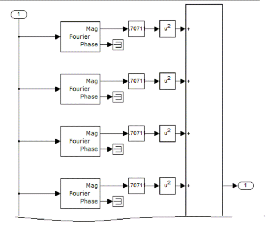
- блок «Fourier»; 2 - блок «Slider Gain»; 3 -
блок «Math Function»; 4 - блок «Add»; 6 - вхідний порт підсистеми; 7 - вихідний
порт підсистеми.
Рисунок 3.7 - Фрагмент підсистеми для визначення
коефіцієнту співвідношення вищих гармонік у колі постійного струму
При визначенні
коефіцієнта
співвідношення
вищих
гармонік
з
частотного
спектру
випрямленої
напруги
були
використані
неканонічні
гармоніки
від
100 до
2000 Гц
та
канонічні
від
300 до
2100 Гц.
Для
реалізує формулу (2.15 та 2.16) у комп’ютерній моделі була створена підсистема
фрагмент якої зображено на рисунку 3.7. Приведена частина підсистеми виконує
виділення квадрату діючого значення гармонічних складових із сигналу, що
поступає на від до блока «Fourier», та виводить на вихід їх суму корінь від
якої дорівнює діючому значенню канонічних або неканонічних гармонік в
залежності від порядку гармоніки відокремленій блоком «Fourier».
- блок «Divide»; 2 - блок «Gain»; 3 - блок
«Integrator»; 4 - блок «Math Function»; 5 - вхідні порти підсистеми; 6 -
вихідний порт підсистеми.
Рисунок 3.8 - Підсистема для визначення
енергетичних показників
Функціональні блоки визначення потужності із
бібліотеки «Measurement» налаштовані на конкретне значення частоти, крім того
вони видають точний результат за умови збалансованої трифазної напруги, яка не
буде виконуватись під час проведення експериментального моделювання. У цих
причин створені підсистеми для розрахунку енергетичних показників за
інтегральним підходом. Підсистема (див.рис.3.8) визначає умовну, активну
потужність та коефіцієнт потужності у фазі лінії. Перша (зверху) її ланка
виводить середнє значення добутку миттєвих значень струму та напруги за час
моделювання, що відповідає визначенню активної потужності. Дві наступні ланки
визначають середньокадратчне значення напруги та струму, а їх спільний добуток
дорівнює значенню повної потужності. Таким чином підхід реалізований у цій
підсистем забезпечує визначення вказаних показників у колі постійного та
змінного струму.
З метою вимірювання фазної потужності, яка
передається лініє із вентильної обмотки з’єднаної за схемою «трикутник» до
випрямляча була зібрана штучна нейтральна точка (рис.3.9). Отримана схема є
еквівалентною зіркою до вторинної обмотки трансформатора і дозволяє зняття
напруги із умовної фази при збільшенні рівня несиметрії живлячої мережі.
- блок «Series RLC Branch»; 2 - блок «Voltage
Measurement»; 3 - з’єднувальний порт; 4 - вихідний порт.
Рисунок 3.9 - Штучна нейтральна точка
Високе значення
активного
опору
(5 МОм)
блоків
«Voltage Measurement» обмежує
стум
витоку
мінімізуючи
цим
втрату
напруги
у
вентильних
обмотках
трансформатора
та
дозволяє
нехтувати
відхиленням
напруги
викликаним
нейтральною
точкою.
3.2 Зіставлення результаті фізичного та
комп’ютерного моделювання
У результаті проведених експериментальних
досліджень
Комп’ютерне 6п рабочий
|
Режим
холостого ходу
|
Режим
навантаження
|
|
Коефіцієнт
несиметрії по зворотній послідовності
|
Коефіцієнт
співвідношення вищих гармонік
|
Коефіцієнт
несиметрії по зворотній послідовності
|
Коефіцієнт
співвідношення вищих гармонік
|
|
Симетрична
напруга
|
|
0
|
0
|
0
|
0
|
|
Зниження
напруги однієї фази
|
|
0,005545
|
0,001739
|
0,0943
|
0,0147
|
|
0,299071
|
0,052852
|
0,219853
|
0,050253
|
|
0,758502
|
0,13344
|
0,677174
|
0,139469
|
|
1,533693
|
0,269387
|
1,450635
|
0,290461
|
|
1,847155
|
0,32457
|
1,765462
|
0,35205
|
|
2,320958
|
0,407901
|
2,249502
|
0,446847
|
|
3,120526
|
0,55016
|
3,04948
|
0,603444
|
|
3,443881
|
0,608035
|
3,373202
|
0,668119
|
|
3,769304
|
0,666669
|
3,704811
|
0,733963
|
|
3,932805
|
0,696242
|
3,867984
|
0,766702
|
|
4,757985
|
0,846984
|
4,698651
|
0,93272
|
|
5,091756
|
0,908684
|
5,031888
|
1,001635
|
|
5,717858
|
1,01055
|
5,761558
|
1,142653
|
|
Підвищення
напруги однієї фази
|
|
0,005545
|
0,001739
|
0,0943
|
0,0147
|
|
0,756714
|
0,132846
|
0,840063
|
0,158553
|
|
1,202381
|
0,21162
|
1,284942
|
0,246542
|
|
1,49724
|
0,263865
|
1,581212
|
0,305051
|
|
1,79037
|
0,316286
|
1,8742
|
0,3633
|
|
2,081811
|
2,165831
|
0,421409
|
|
2,371497
|
0,420649
|
2,452556
|
0,479286
|
|
2,659469
|
0,472777
|
2,742367
|
0,537297
|
|
2,945763
|
0,524965
|
3,026548
|
0,595424
|
|
3,653933
|
0,655625
|
3,725414
|
0,739795
|
|
4,351977
|
0,786975
|
4,416545
|
0,885005
|
|
4,765817
|
0,86589
|
4,819015
|
0,971435
|
|
5,039793
|
0,91896
|
5,090418
|
1,029748
|
|
5,717858
|
1,052355
|
5,761558
|
1,177753
|
12 п
|
Режим
холостого ходу
|
Режим
навантаження
|
|
Коефіцієнт
несиметрії по зворотній послідовності
|
Коефіцієнт
співвідношення вищих гармонік
|
Коефіцієнт
несиметрії по зворотній послідовності
|
Коефіцієнт
співвідношення вищих гармонік
|
|
Симетрична
напруга
|
|
0
|
0
|
0
|
0
|
|
Зниження
напруги однієї фази
|
|
0,75873
|
0,32085
|
0,195029
|
1,572138
|
|
1,53388
|
0,86086
|
0,65678
|
2,033662
|
|
1,84727
|
1,08344
|
1,415688
|
3,330667
|
|
2,32101
|
1,42795
|
1,727088
|
3,945984
|
|
3,12041
|
2,03142
|
2,205725
|
4,90931
|
|
3,44371
|
2,28793
|
3,004377
|
6,690841
|
|
3,76901
|
2,55559
|
3,333761
|
7,443835
|
|
3,93242
|
2,69187
|
3,656052
|
8,249136
|
|
4,75738
|
3,41232
|
3,826779
|
8,64213
|
|
5,09101
|
3,72052
|
4,653907
|
10,81128
|
|
5,71897
|
4,15150
|
4,999897
|
11,70231
|
|
Підвищення
напруги однієї фази
|
|
0,000703
|
0,02189
|
0,121832
|
1,515296
|
|
0,756529
|
0,517221
|
0,861818
|
2,227692
|
|
1,202197
|
0,826209
|
1,313697
|
2,971012
|
|
1,497164
|
1,033121
|
1,612868
|
3,511275
|
|
1,790355
|
1,241624
|
1,903222
|
4,115402
|
|
2,081858
|
1,450754
|
2,199501
|
4,700987
|
|
2,371593
|
1,661574
|
2,485119
|
5,330544
|
|
2,659613
|
1,876326
|
2,765846
|
5,952576
|
|
2,945814
|
2,093989
|
3,046749
|
6,658224
|
|
3,654244
|
2,659251
|
3,758169
|
8,524696
|
|
4,352515
|
3,24745
|
4,451679
|
10,6269
|
|
4,766658
|
3,619557
|
4,884729
|
11,70538
|
|
5,040643
|
3,873609
|
5,157346
|
12,52635
|
|
5,718967
|
4,534941
|
5,832087
|
15,08973
|
П
Холостой ход и нагрузка
Сравнение при нагрузке 6п физ и комп моделлей
|
Режим
холостого ходу
|
Режим
навантаження
|
|
Коефіцієнт
несиметрії по зворотній послідовності
|
Коефіцієнт
співвідношення вищих гармонік
|
Коефіцієнт
несиметрії по зворотній послідовності
|
Коефіцієнт
співвідношення вищих гармонік
|
|
0,02
|
0,225
|
0,00040877
|
0,112009
|
|
0,524254
|
0,125
|
0,75228437
|
0,132211
|
|
1,3054
|
0,36547
|
1,19798105
|
0,310869
|
|
2,0245
|
0,42467
|
1,78607773
|
0,353376
|
|
2,62152281
|
0,568464
|
2,07750521
|
0,367489
|
|
3,30239119
|
0,695444
|
2,3672296
|
0,419648
|
|
3,80471809
|
0,619696
|
2,94148996
|
0,523804
|
|
4,58356499
|
0,95
|
3,64991953
|
0,654284
|
|
5,10347387
|
1,152136
|
4,76210339
|
0,864395
|
|
5,90347387
|
1,22939
|
5,03615201
|
1,21731
|
12П
|
Режим
холостого ходу
|
Режим
навантаження
|
|
Коефіцієнт
несиметрії по зворотній послідовності
|
Коефіцієнт
співвідношення вищих гармонік
|
Коефіцієнт
несиметрії по зворотній послідовності
|
Коефіцієнт
співвідношення вищих гармонік
|
|
0,304001
|
0,522805
|
0,018853
|
0,21241
|
|
0,762703
|
0,807823
|
0,769522
|
1,007811
|
|
0,834811
|
0,405051
|
1,213713
|
1,802558
|
|
1,2758
|
0,921
|
1,508212
|
2,062784
|
|
1,537773
|
1,436934
|
1,508212
|
2,136278
|
|
1,538511
|
1,6854
|
2,091538
|
2,833499
|
|
1,851217
|
2,0011
|
2,382253
|
3,250084
|
|
2,324921
|
2,52454
|
2,670633
|
3,619392
|
|
2,325604
|
2,2124
|
2,956217
|
5,035204
|
|
3,124342
|
2,78454
|
3,670301
|
5,654441
|
|
3,448391
|
3,489317
|
3,735142
|
7,17585
|
|
3,772919
|
2,751459
|
3,772204
|
6,913673
|
|
3,773674
|
2,889218
|
4,06664
|
7,398742
|
|
3,936337
|
3,843668
|
4,366809
|
10,50418
|
|
4,761262
|
3,606552
|
5,056914
|
10,4083
|
|
5,094794
|
3,911693
|
5,107863
|
13,05625
|
|
5,095495
|
5,380422
|
5,511
|
18,68119
|
Список бібліографічних джерел
Кірпа
Г. Інтеграція залізничного транспорту України в Європейську транспортну систему:
монографія / Г. Кірпа. - Дніпропетровськ: ДНУЗТ, 2004. - 248 с.
Орієнтири
розвитку швидкісних магістралей в Україні О. М. Чупир // Вісн. економіки
транспорту і промисловості. - Харків: УДАЗТ. - 2013. - Вип. 42. - С. 190-194.
Создание
сети высокоскоростных дорог в Китае // Железные дороги мира. - 2011. - № 4. -
С. 9-15.
Сотников,
А. Е. Железные дороги мира из XIX в XX век / А. Е Сотников - М.: Транспорт,
1993. - 200 с
Кисёлев
И. П. Высокоскоросные железные дороги. / И. П. Кисёлев, Е. А. Сотников, В. С.
Суходоев. - СПб.: Петербургский гос. ун-т путей сообщения, 2001. - 60 с.
Развитие
железнодорожного транспорта и скоростное движение поездов в советский период
(1918-1990) Ковалёв И. П. // Скоростной и высокоскоростной железнодорожный
транспорт. - СПб: ГИИПП «Искусство России». - 2001. - Т. 1. - С. 44-48.
Техника
в ее историческом развитии (70-е годы XIX - начало XX в.) / Шухардин С. В.,
Шухардин С. В., Ламан Н. К., Федоров А. С.- отв. ред. Шухардин С. В., Ламан Н.
К., Федоров А. С. - М.: Наука, 1982. - 511 с.
Wiatrowski
С
Railroads Across North America: An Illustrated History / С
Wiatrowski. - MBI Publishing Company, 2007. - 256 p.
Марквард
К. Г. Электроснабжение электрифицированных железных дорого: ученик / К. Г.
Марквард. - М.: Транспорт, 1982. - 528 с.
Корниенко
В. В. Электрификация железных дорог. Мировые тенденции и перспективы
(Аналитический обзор): Монография / В. В. Корниенко, А. В. Котельников, В. Т.
Доманский. - К.: Транспорт Украины, 2004. - 196 с.
Корниенко
В. В. Высокоскоросной электрический транспорт. Мировой опыт. / В. В. Корниенко,
Омельяненко В. И. - Харьков: НТУ «ХПИ», 2007. - 159 с.
Дзензерский
В. А. Высокоскоросной электрический транспорт с электродинимической левитацией.
/ В. А. Дзензерский Омельяненко В. И. - Харьков: НТУ «ХПИ», 2001. - 480 с.
Системы
автоматики и телемеханики на железных дорогах мира / Энрико Андрес, Томас
Брендт, В. Иванченко и др.; под ред С. Власенка. - М.: Интекст,2009. - 487 с.
Высокоскоростное
пассажирское движение (на железных дорогах) / Н. В. Колодяжный, Н. И. Бещев, Б.
Э. Пейсахсон и др.; под общ ред. Н. В. Колодяжного. - М.: Транспорт, 1976. -
416 с.
Скоростной
и высокоскоростной железнодорожный транспорт. В прошлом, настоящим и будущем
Т.1 / под ред. В. И. Ковалёва. - СПб, 2001. -320 с.
Скоростной
и высокоскоростной железнодорожный транспорт. В прошлом, настоящим и будущем
Т.2 / под ред. В. И. Ковалёва. - СПб, 2001. -406 с.
Правила
технічної експлуатації залізниць. Затв. наказ Мін-ва трансп. України 20.12.1996
[Текст] / К.: 1997. - 232 с.
Тяговое
электроснабжение высокоскоростных линий // Железные дороги мира. - 20101. - №
6. - С. 26-30.
Общие
технические требования к системам тягового электроснабжения постоянного и
переменного тока скоростных и высокоскоростных линий Р-610/7 [Электронный
ресурс] / Организация сотрудничества железных дорог (ОСЖД). - Режим доступа:
\www/ URL: <http://osjd.org/doco/public/ru/> - 14.03.2015 г. - Загл. с
документа.
Рекомендации
по проектированию тяговых подстанций и линейных устройств тягового
электроснабжения на современной элементной базе
<http://osjd.org/doco/public/ru?STRUCTURE_ID=5070&layer_id=4581&refererLayerId=4621&id=620&print=0>
P-603 [Электронный ресурс] / Организация сотрудничества железных дорог (ОСЖД).
- Режим доступа: \www/ URL: <http://osjd.org/doco/public/ru/> -
14.03.2015 г. - Загл. с документа.
Рекомендации
по интегрированной системе управления электроснабжением железнодорожного
транспорта
<http://osjd.org/doco/public/ru?STRUCTURE_ID=5070&layer_id=4581&refererLayerId=4621&id=632&print=0>
P-612-4 [Электронный ресурс] / Организация сотрудничества железных дорог
(ОСЖД). - Режим доступа: \www/ URL: <http://osjd.org/doco/public/ru/> -
14.03.2015 г. - Загл. с документа.
Рекомендации
по геометрическим, динамическим и электромеханическим параметрам контактной
сети, токоприемников и токосъемных элементов для скоростного и
высокоскоростного электроподвижного состава
<http://osjd.org/doco/public/ru?STRUCTURE_ID=5070&layer_id=4581&refererLayerId=4621&id=653&print=0>
P-630-1 [Электронный ресурс] / Организация сотрудничества железных дорог
(ОСЖД). - Режим доступа: \www/ URL: <http://osjd.org/doco/public/ru/> -
14.03.2015 г. - Загл. с документа.
Шалимов
М. Г. Современное состояние и пути совершенствования систем электроснабжения
электрических железных дорог / М. Г. Шалимов, Г. П. Маслов, Г. С. Магай. -
Омск: Омский гос. ун-т путей сообщения, 2002, - 49 с.
Крюков
А. В. Ситуационное управление режимами системы тягового электроснабжения:
монография / А. В Крюков, В. П. Закарюкин, Н. А. Абрамов. - Иркутск: Иркут.
гос. ун-та путей сообщения. - 2010. -123 с.
Зиновьев,
Г. С. Основы силовой электроники. Учебное пособие / Г. С. Зиновьев. - 4-е изд.,
испр. и доп. -Новосибирск: Изд-во НГТУ, 2004. - 672 с.
Сиченко
В. Г. Розвиток наукових основ підвищення електромагнітної сумісності підсистеми
електричної тяги постійного стуму залізничного транспорту: автореф. дис ...
д-ра техн. наук / В. Г. Сиченко; Дніпропетр. нац. ун-ту залізн. трансп. ім.
акад. В. Лазаряна. - Д.,2013. - 42 с.
ГОСТ
19705-89. Системы электроснабжения самолетов и вертолетов. -- введ. 01.01.1990.
- М. Изд-во страндартов, 1989. -46 с.
ГОСТ
27699-88. Системы бесперебойного питания приемников переменного тока. - введ.
01.01.1989 - М. Изд-во страндартов, 1988. - 23 с.
ГОСТ
26567-85. Преобразователи электроэнергии полупроводниковые. Методы испытаний. -
введ. 01.01.1987. - М. Изд-во страндартов, 1988. - 58 с.
ГОСТ
13109-97. Электрическая энергия и совместимость технических средств
электромагнитная. Нормы качества электрической энергии в сисвемах
электроснабжения общего назначения. - взамен ГОСТ 13109-87; введ. 01.01. 1999.
- К.: Госстандарт Украины, 1999. - 35 с.
Двенадцатипульсовые
полупроводниковые выпрямители тяговых подстан-ций / Б. С. Барковский, Г. С.
Магай, В. П. Маценко и др.; Под ред. М. Г. Шалимова. - М.: Транспорт, 1990. -
127 с.
Бурков
А. Т. Электронная техника и преобразователи: учебн. для вузов ж.-д. транспорта
/ А. Т. Бурков. - М.: Транспорт, 1999. - 464 с.
Жежеленко
И. В. Качество электрической энергии на промышленных предприятиях / И. В.
Жежеленко, Ю. Л. Саенко. - М.: Энергоатомиздат, 2005. - 261 с.
Лурье
М. С. Применение программы MATLAB при изучении курса электротехники / М. С.
Лурье, О. М. Лурье. - Красноярск: СибГТУ, 2006. - 208 с.
Ситник
В. Ф. Імітаційне моделювання: навч.-метод. посібник для см ост. вивч. дисц. -
К.: КНЕУ, 1999. - 208 с.
Черних
И. В. Моделирование электромеханических устройств в MATLAB, SimPawerSystems и
Symulink / Черних И. В. - М: ДМК Пресс; СПб.: Питер, 2008. - 288 с.
Герман-Галкин
С. Г. Matlab & Symulink Проектирование мехатронных систем на ПК / С. Г.
Герман-Галкин. - СПб.: КОРОНА-Век, 2008. -368 с.
Лазарев
Ю. Ф. Начала программирования в среде MatLAB: учебное пособие / Ю. Ф. Лазарев.
- К.:НТУУ «КПИ», 2003. - 424 с.