Станция послеремонтных испытаний тяговых электродвигателей
Станция
послеремонтных испытаний тяговых электродвигателей
Содержание
Введение
. Станции послеремонтных испытаний
тяговых электродвигателей на ремонтных предприятиях
.1 Назначение и виды станций
послеремонтных испытаний тяговых электродвигателей
.2 Принцип работы станции
послеремонтных испытаний тяговых электродвигателей
. Анализ показателей станции
послеремонтных испытаний тягового электродвигателя
.1 Основные электротехнические
характеристики станции послеремонтных испытаний тягового электродвигателя
.2 Анализ работы станции
послеремонтных испытаний тягового электродвигателя
.3 Расчет фронта ремонта и процента
неисправных локомотивов
. Совершенствование станции
послеремонтных испытаний тягового электродвигателя
.1 Технологические решения по улучшению
станции послеремонтных работ тягового электродвигателя
. Охрана труда
. Экономический раздел
Заключение
Список используемой литературы
станция послеремонтный тяговой
электродвигатель
Введение
Основной задачей работников железнодорожного
транспорта является удовлетворение потребностей в перевозках пассажиров (тысячи
людей каждый день пользуются услугами железнодорожного транспорта), при
безусловном обеспечении безопасности движения и сохранности пассажиров,
эффективного использования технических средств, соблюдения требований охраны
окружающей среды.
В Российской Федерации создана единая
транспортная система, в которую входят различные виды транспорта, находящиеся
во взаимодействии и взаимозависимости.
Железнодорожный транспорт занимает одно из лидирующих
мест по пассажирообороту среди других видов. Число пассажиров железнодорожного
транспорта растет каждый год.
Чтобы избежать дополнительных затрат, например,
возмещение ущерба, неустоек, надо содержать парк электропоездов в надлежащем
порядке.
На сегодняшний день старым, отслужившим свой
срок службы электродвигателям, на замену приходят новые, асинхронные двигатели
, с новыми технологиями.
Асинхронный двигатель- электрическая машина
переменного тока, частота вращения ротора которой не равна (в двигательном
режиме меньше)частоте вращения магнитного поля, создаваемого током обмотки
стартера.
Электрический двигатель - электрическая машина
(электромеханический преобразователь), в которой электрическая энергия
преобразуется в механическую, побочным эффектом при этом является выделение
тепла.
При испытаниях тяговых двигателей принято
пользоваться наиболее экономичным методом - взаимной нагрузки.
При этом механическая энергия испытуемого
двигателя передается спаренной с ним однотипной машине, работающий в режиме
генератора. Электрическая энергия, выработанная генератором возвращается на
электрическую машину, работающую в режиме двигателя. Обычно энергия,
потребляемая из питающей сети, составляет около 10 % номинальной мощности одной
из проверяемых машин, что , безусловно, ведет к значительной экономии по
сравнению с проверкой методом непосредственного нагружения. Экономия
электроэнергии и улучшение условий труда наиболее полно проявляется при
проверке тяговых двигателей на испытательной станции, оборудованной
статистическими преобразователями. В качестве преобразователей используются
фазорегулируемые выпрямительные установки на тиристорах.
Целью моего дипломного проекта является понятие
и обоснование необходимости и актуальности применения станции послеремонтных
испытаний тяговых электродвигателей . Для достижения поставленной цели в
дипломном проекте были поставлены и рассмотрены следующие задачи:
- ознакомится со станцией и изучить
принцип работы станции послеремонтных испытаний тяговых электродвигателей;
- произвести анализ основных
электротехнических характеристик станции послеремонтных испытаний тягового
электродвигателей;
- выявить основные эксплуатационные
проблемы станций послеремонтных испытаний тяговых электродвигателей;
Объектом исследования дипломного проекта
является станция послеремонтного испытания тягового электродвигателя. Во время
прохождения преддипломной практики в период с 21.04.2014 года по 06.05.2014
года в депо мною был собран материал для выполнения дипломного проекта.
В период прохождения преддипломной практики мною
были собраны следующие информационные материалы: технологическая карта, так же
для выполнения дипломного проекта была собрана информация из технической
литературы колледжа, данные из интернет-ресурсов. Так же производил визуальный
осмотрел станцию послеремонтного испытания тяговых электродвигателей и изучал
техническую документацию данного узла в производственно-техническом отделе.
Изучил охрану труда при работе со станций послеремонтного испытания тяговых
электродвигателей.
В дипломном проекте используется методика
системного исследования, анализа, проектирования и обработка материалов,
которая позволяет принять решения в условиях анализа большого количества
информации различной природы.
Целью применения системного анализа к конкретной
проблеме является повышение степени обоснованности принимаемого решения,
расширение множество вариантов, среди которых производится выбор, с
одновременным указанием способов отбрасывания заведомо уступающим другим.
Методика исследования представляет собой
комплекс теоретических методов, сочетание которых дает возможность с наибольшей
достоверностью исследовать сложные и многофункциональные объекты. Речь пойдет о
пневматическом рессорном подвешивании.
Программа приемо-сдаточных испытаний тяговых электрических
двигателей электровозов постоянного тока, как коллекторных машин постоянного
тока, питающихся от источника ограниченной мощности, определяется требованиями
ГОСТ 2582-81 и правилами ремонта электрических машин электроподвижного состава
ЦТ-ЦТВР/4782 и предусматривает следующие нагрузочные режимы:
изменение сопротивления изоляции в практически
холодном состоянии
измерение сопротивления обмоток постоянному току
в практически холодном состоянии
испытание на нагревание в течение одного часа
током часового режима
измерение сопротивления обмоток постоянному току
в горячем состоянии
измерение сопротивления изоляции в горячем
состоянии
проверка частоты вращения и реверсирования при
номинальных значениях напряжения,тока нагрузки и возбуждения
испытание на повышенную частоту вращения
проверка коммутации в течение 30 секунд в каждом
направлении в трех режимах.
Структурно дипломный проект состоит из трех
основных разделов, которые разбиты на подразделы. В конце каждого раздела
сделан вывод по разделу в целом. Первый раздел носит название назначение и
принцип работы станции послеремонтных испытания тяговых электродвигателей. В
нем описывается назначение принцип работы станции.
Во втором разделе описан анализ и основные
характеристики станции послеремонтных испытаний тяговых электродвигателей. В
этом разделе описан анализ показателей работ и характеристики станции, расчет
фронта ремонта и процента неисправных локомотивов.
В третьем разделе рассмотрено совершенствование
станции послеремонтных испытаний тяговых электродвигателей. В этом разделе речь
пойдет о технологическом решении по улучшение работы и качества станции
послеремонтных испытания тяговых электродвигателей.
1. Станции послеремонтных испытаний тяговых
электродвигателей на ремонтных предприятиях
.1 Назначение и виды станций послеремонтных
испытаний тяговых электродвигателей
Станция предназначена для приемо-сдаточных
испытаний тяговых электрических двигателей постоянного тока, эксплуатируемых на
электропоездах постоянного тока, в частности реализации всех предусмотренных
ГОСТ 2582-81 и правилам ремонта при таких испытаниях нагрузочных режимов.
Разработчик: Омский государственный университет сообщения (ОмГУПС).
Нагружение испытуемых машин осуществляется по
методу возвратной работы с использованием схемы взаимной нагрузки двух ТЭД,
соединенных муфтой. Измерительные средства станции позволяют проводить
измерения тока двигателя, напряжения двигателя и частоту вращения двигателя.
Необходимый токовый режим машин создается вольтодобавочным статистическим
преобразователем (ВДП), компенсирующем электрические потери в системе
испытуемых двигателей. Режим напряжения обеспечивается линейным статистическим
преобразователем(ЛП), возмещающем потери холостого хода, добавочные и магнитные
потери в тяговых электродвигателях.
В режиме управления испытания от ПЭВМ имеется
возможность автоматического измерения активного сопротивления обмоток
двигателей. А также автоматического измерения сопротивления изоляции
двигателей. При наличии прибора определения коммутации тяговых двигателей на
испытательном стенде система автоматического управления испытаниям позволяет
считывать информацию с прибора о классе коммутации.
Система имеет возможность мобильного обновления
конфигурации для решения изменившихся задач и условий испытаний тяговых двигателей.
Для питания силовой части станции используется
трехфазная сеть с линейным напряжением 380 В частотой 50 +/- 1 Гц. Нормальная
работа станции обеспечивается в закрытых помещениях при следующих условиях:
Температура окружающей среды в диапазоне +15 - 40 С окружающая среда не
взрывоопасная, не содержащая агрессивных газов и паров в концентрациях
разрушающих металл и изоляцию, не насыщенная водородными парами и
токопроводящей пылью.
Основной особенностью электрической части стенда
является замена вращающихся линейного и вольтодобавочного преобразователей (ЛП
и ВДП), используемых на Испытательных станциях в настоящее время,
соответственно следующим статическим преобразователем на тиристорах
Каждая выпускаемая из ремонта электрическая
машина по окончании ремонтных работ, за исключением отделочных, подвергается
квалификационным, приемо-сдаточным, периодическим, типовым и ресурсным
испытаниям. Испытания следует проводить при питании машины током того рода, для
которого она предназначена. Методы испытаний, последовательность выполнения
операций и технические требования должны соответствовать ГОСТ 2582-81.
Схемы, применяемые для испытаний, должны иметь
характеристики, соответствующие характеристикам подвижного состава, для
которого предназначен данный тип электрической машины.
Квалификационные испытания осуществляют при
выпуске электрических машин новых типов, а также при освоении производства
новым изготовителем для определения основных характеристик и проверки
соответствия их расчетным данным и действующим стандартам. Испытания роводят на
специальных станциях с использованием типового оборудования.
Рисунок 1.1 Шкаф управления и автоматизации
испытательной станции. 1-модуль управления индикаторами; 2-модуль измерений;
3-цифровой выход; 4-модуль процессорный; 5-модуль АЦП к мегаомметру; 6-панель
контроля; 7-мегаомметр; 8-индикатор напряжения ЛП; 9-высковольтный коммутатор;
10-индикатор тока ЛП;11-индикатор часла оборотов; 12-индикатор напряжения ВДП;
13-индикатор тока ВДП; 14-амперметр "ток двигателя" 15-вольтметр
"напряжение двигателя";
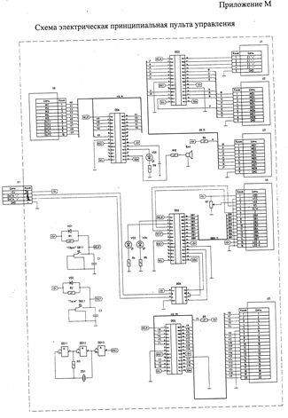
Рисунок 1.2 Схема электрическая принципиальная
цепей шкафа
Программа и последовательность квалификационных
испытаний электрических машин постоянного и пульсирующего тока включают в себя
определение зависимости статического давления охлаждающего воздуха после его
входа в электрическую машину как функции расхода продуваемого через ее воздуха;
определение зависимости полного напора охлаждающего воздуха перед входом в
электрическую машину как функции расхода продуваемого через нее воздуха;
измерение сопротивления обмоток при постоянном токе практически в холодном
состоянии; испытание на нагрев при продолжительном, повторно-кратковременном
или кратковременном режиме работы; определение силы тока при часовом или другом
эквивалентном режиме, соответствующим превышению температуры при работе
электрической машины в номинальном режиме; испытание на нагрев в течение 1 ч
или меньшего интервала времени при значении силы тока, принятом в предыдущем
испытании; проверку частоты вращения и реверсирования при номинальных значениях
напряжения, силы тока нагрузки и возбуждения для двигателей или проверку
напряжения генераторов при номинальной частоте вращения; испытание при повышенной
частоте вращения; испытание электрической прочности межвитковой изоляции
обмоток; измерение биения коллектора; проверку коммутации; измерение
сопротивления изоляции обмоток относительно корпуса машины и между обмотками;
испытание электрической прочности изоляции обмоток относительно корпуса машины
и между обмотками; построение сетки кривых нагрева и охлаждения тяговых
двигателей; определение скоростных характеристик при номинальном напряжении или
мощности двигателя на всех рабочих ступенях регулирования возбуждения для
двигателей. Нагрузочные характеристики двигателя определяются для силы тока
обмотки возбуждения, составляющей от 0,25 номинального значения до
номинального.
Для генераторов управления определяются внешняя
и регулировочная характеристики.
Помимо перечисленных работ при квалификационных
испытаниях в соответствии с ГОСТ 2582-81 в зависимости от назначения
определяются:
для электрических машин магистральных
электровозов(характеристики затухания магнитных потоков главных и добавочных
полюсов);
для тяговых электродвигателей и вспомогательных
электрических машин электровозов- индуктивности обмоток;
для электрических машин постоянного тока
мощностью более 3кВт- кривые распределения межламельных напряжений по
окружности коллектора
Для всех типов электрических машин выполняются
следующие работы:
Определение потерь и КПД, испытания на пуск и
хладостойкость при эксплуатации, проверка уровня вибрации, измерение массы и
проверка степени защиты.
Приемосдаточным испытаниям подвергается каждая
машина, выпускаемая заводом-изготовителем или прошедшая ремонт, для проверки
номинальных параметров, качества изготовления или ремонта, пригодности к
эксплуатации и соответствия ТУ и стандартам.
Программа приемосдаточных испытаний машины
постоянного тока предусматривает внешний осмотр, измерение сопротивления
обмоток, испытание на нагрев в течение 1 ч, проверку частоты вращения и
реверсирования при номинальных значениях напряжения, силы тока нагрузки и
возбуждения для тяговых электродвигателей. Результаты испытаний фиксируются в
протоколе, на основании которого составляется паспорт машины.
Периодические испытания серийных машин,
находящихся в производстве, осуществляются один раз в два года по программе
квалификационных испытаний, за исключением построения сетки кривых нагрева и
охлаждения, определения индуктивности обмоток, испыьтания на хлодостойкость и
вибропрочность, а также проверки степени защиты. Типовые испытания проводятся
по программе квалификационных испытаний при замени конструкции, материалов и
технологического процесса изготовления.
В этом случае по согласованию с заказчиком
допускается исключение отдельных пунктов программы.
Ресурсным испытаниям подвергаются серийно
выпускаемые электрические машины, а также машины, изготавливаемые при изменении
конструкции, технологического процесса или замене материалов, влияющих на
ресурс. В ходе испытаний оцениваются тепловое старение изоляции,
вибропрочность, износ трущихся поверхностей и др.
При осмотре машины, поступившей на испытание,
обязательно проверяют: состояние коллектора, правильность установки
щеткодержателей, состояние и сопротивление изоляции, проворачивание якоря рукой
и его разбег, положение траверсы щеткодержателя и исправность щеточного
аппарата, наличие смазки в подшипниках.
На коллекторе не должно быть пластин с острыми
кромками и заусенцами, грязи и остатков графита между пластинами, краски, масла
и забоин. Биение коллекторов тяговых электродвигателей на нагретой машине не
должно превышать 0,04 мм, а коллекторов и контактных колец тяговых генераторов-
0,06 мм.
Испытание на холостом ходу состоит в проверке
качества сборки машины перед испытанием под нагрузкой. При этом оценивается
работа подшипников и щеток.
Измерение омического сопротивления обмоток в
холодном состоянии проводится с соблюдением условий, обеспечивающих высокую
точность замеров, тк от этого зависит правильность определения рабочих
характеристик машины. Считается, что обмотки находятся в холодном состоянии,
если температура всех частей машины машины не отличается от температуры
окружающей среды более чем на 3 °C.
Рисунок 1.3 Внешний вид пульта управления
-жидкокристалический дисплей; 2-индикаторы
режима; 3-кнопки выбора режима; 4-индикатор "Выкл. ОП генератора"; 5-
индикатор "Вкл. ОП генератора"; 6-индикатор "Напряжение
ЛП"; 7-кнопка "Вкл. ОП генератора"; 8-кнопка "Выкл. ОП
генератора"; 9-кнопка "Откл. ВДП"; 10-индикатор ступени ОП
двигателя; 11-кнопки выбора ступени ОП двигателя; 12-регулятор "Напряжение
ЛП"; 13-кнопка и индикатор "Сбор схемы";14- кнопка и индикатор
"Разбор схемы"; 15-индикатор "+50В"; 16-индикатор
"~380В"; 17-кнопка Esc;
18-индикатор "Откл ВДП"; 19-джойстик управления меню; 20-индикатор
"Напряжения ВДП"; 21-кнопка "Откл. ОП двигателя";
22-регулятор "Напряжение ВДП";
Для измерения сопротивления обмоток используется
метод сопротивления (вольтметра-амперметра), который обеспечивает высокую
точность при применении приборов классов точности 0,2- 0,5. Вольтметр,
измеряющий падения напряжения, должен присоединятся непосредственно к выводам
измеряемой обмотки. Цепь должна иметь минимальное число контактов, а измерения
должны производиться быстро во избежание нагрева обмотки под действие
протекающего тока.
Необходимо снимать одновременно показания
амперметра и вольтметра . Вольтметры присоединяют к обмоткам главных и
добавочных полюсов при помощи стационарных зажимов, а к обмотке якоря - с
использованием специальных щупов, которые устанавливают на коллекторных
пластинах, расположенных между щетками (на этих пластинах измеряется
сопротивление в горячем состоянии). По результатам измерений на основании
закона Ома определяется среднее значение сопротивления обмоток. Полученное
сопротивление для сравнения с расчетным приводится к температуре 20°C.
Испытания машин на нагрев при приемосдаточных
испытаниях проводятся для определения превышении температуры(перегрева)
обмоток, коллектора и подшипников на температурой охлаждающего воздуха при
номинальном режиме работы. Испытания тяговых электрических машин под нагрузкой
выполняют методом взаимной нагрузки. Для этого две однотипные машины соединяют
электрически и механически (с помощью муфт), причем одна машина работает в
режиме генератора, а другая - в режиме двигателя.
В процессе испытания машины под нагрузкой
следует постоянно контролировать силу тока нагрузки, напряжение, частоту
вращения, температуру подшипников, охлаждающего воздуха и неподвижных обмоток
(методом сопротивления). Так как от температуры обмоток зависит долговечность
изоляции, то приборы для измерения тока и напряжения при испытаниях на нагрев
должны иметь высокий класс точности ( 0,2 - 0,5).
В процессе испытаний поддерживают постоянными
нагрузку, частоту вращения и подачу воздуха в машину, производя измерения через
каждые 10 …15 минут и фиксируя измеренные значения в журнале. В момент окончания
режима нагрузки записывают показания приборов и быстро останавливают машину.
Для определения температуры обмотки якоря после
остановки машины якорь устанавливают (поворотом от руки) так, чтобы
коллекторные пластины, на которых измерялось падение напряжения в холодном
состоянии, были доступны для установки щупов амперметра и милливольтметра для
определения падения напряжения на нагретой обмотке якоря.
Первое измерение сопротивления можно производить
через 30 … 45 с после остановки машины, поэтому для определения температуры
обмотки якоря в момент окончания режима нагрузки осуществляется экстраполяция
кривой остывания на момент снятия нагрузки. Для этого в течение 5…8 мин
определяется сопротивление обмотки якоря. Промежуток времени между измерениями
в течение первых 3 мин не должен превышать 20 с, а затем- 30с. По полученным
данным строят кривую зависимости изменения сопротивления от времени, называемую
кривой остывания. Кроме того, рассчитывают превышения температуры обмоток
главных и добавочных полюсов, результаты сравнивают с предельно допустимыми
превышениями температур частей тяговых электрических машин по отношению к
температуре охлаждающего воздуха.
Испытания на проверку отклонения частоты
вращения производят после испытания на нагрев, так как частота вращения машин
постоянного тока зависит от сопротивления обмоток. Допустимые отклонения
частоты вращения валов электродвигателей постоянного тока в точке,
соответствующей номинальному режиму, от частоты вращения, установленной по
типовой характеристике, составляют не более + 3%.
У двигателей , предназначенных для вращения в
обе стороны, разность между частотами вращения в одну и другую сторону,
выраженную в процентах среднего арифметического значения обеих частот вращения,
не должна превышать 4% .
Испытания на повышенную частоту вращения
выполняют при холостом ходе нагретой электрической машины в течение 2 мин при
частоте вращения, превышающей на 25% максимальную для тяговых электродвигателей
и на 20 %- для тяговых генераторов. После испытаний в машине не должно быть
каких-либо изменений, которые могут отразиться на ее нормальной работе. При
испытаниях необходимо соблюдать большую осторожность, чтобы не допустить
превышения установленной частоты вращения.
Проверка коммутации производится для
установления класса искрения и определения пригодности машины к эксплуатации.
Проверяется коммутация при наиболее тяжелых режимах.
Оценка качества коммутации выполняется визуально
по степени искрения под сбегающими краями щетками. Коммутация тяговых
электродвигателей проверяется при двух направлениях вращения в течение 30 с
(при каждом направлении вращения), при удвоенной номинальной силе тока и
соответствующем им напряжении, а так же при максимальных напряжениях и частоте
вращения минимальной силе тока возбуждения.
Машина считается выдержавшей испытания при
отсутствии остаточных деформаций или механических повреждений коллектора и
щеткодержателей или кругового огня. Коллектор должен быть приготовлен к работе
без отчистки или какого либо исправления. В случае повышенного искрения
проверяются: равномерность нажатия пружин щеткодержателей, тщательность
приработки щеток к коллектору и правильность их установки состояние поверхности
коллектора, плотность подводящих и соединительных контактов, бъение коллектора
правильность чередования щеткодержателей по коллектору и установка добавочных
полюсов. Если устранение отмеченных дефектов не улучшает коммутацию, то
определяется зона безискровой работы машины способом положительной и
отрицательной подпитки добавочных полюсов. Коммутация машины трудно поддается
расчету поэтому при выпуске тяговых машин приходиться доводить коммутацию
опытным путем( подбор ширины наконечников и воздушного зазора). Усиление или
ослабления действия добавочных полюсов обеспечивается изменением воздушных
зазоров или числа витков обмотки этих (если изменение воздушных зазоров
недостаточно) существуют классы коммутации (ГОСТ 28173-89) .
При нормальном режиме работы машины степень ее
искрения не должна превышать 1 ½.
Испытания на пуск тяговых электродвигателей
выполняют при полном возбуждении и наибольшей силе тока, возникающего при
трогании поезда. Значение силы тока согласуется с заказчиком. Испытания
проводятся на нагретых двигателях после проверки коммутации и испытаниях на
повышенную частоту вращения. Охлаждение должно быть таким же, как и в условиях
эксплуатации. Электродвигатель с заторможенным якорем должен выдерживать в
течение 15 с установленную силу тока. Испытания проводятся 4 раза с 5 минутными
интервалами, при этом якорь нужно поварачивать каждый раз ½
полюсного
деления (шага) водном направлении необходимо, чтобы после испытания двигатель
был приготовлен к эксплуатации, а коллектор не имел следов подгара и остаточных
деформаций.
Рисунок 1.4 Структурная схема системы автоматического
управления испытаниями ТЭД
ПИ-Преобразователь интерфейса; МАВ- модуль
управления фазорегулятором; МЧ- модуль частотомера; ИПТ- измеритель постоянного
тока; ИПН- измеритель постоянного напряжения; МДВ- модуль дискретного вывода;
МИ-модуль измерений; БУР-блок управления реле; ИВН- источник высокого
напряжения; ВК- высоковольтный коммутатор; К- колонка подключения ТЭД; ФР-
фазорегулятор; ДС- датчик скорости; ЦУ- цепи управления.
Проверка электрической прочности и изоляции
заключается в оценке сопротивления и пробивного напряжения электрических
изоляций.
Сопротивления изоляции обмоток электрических
машин постоянного и переменного тока относительного корпуса и других обмоток
измеряется мегомметром. Для измерения сопротивления изоляции цепей электрической
машины в сборе относительного корпуса вывод "Земля" прибора
присоединяется к любой неокрашенной части корпуса магнитной системы, а вывод
"Линия"- поочередно к наконечнику одного из приводов цепи обмотки
возбуждения якорной цепи. Для измерения сопротивления изоляции цепей добавочных
полюсов и траверсы в собранной электрической машине относительного корпуса
необходимо поднять все щетки или подложить изоляционные подкладки под щетки и
присоединить вывод "Линия" прибора к наконечнику одного из выводов, а
вывод "Земля" прибора- к любой не окрашенной части корпуса магнитной
системы.
Для измерения сопротивления изоляции траверсы в
собранной электрической машине относительно корпусу поднимают все щетки (или
подкладывают изоляционные подкладки под все щетки), отсоединют привод. идущий
от траверса к добавочному полюсу , и присоединяют вывод "Линия"
прибора к наконечнику привода, а вывод "Земля"- к любой неокрашенной
части корпуса магнитной системы.
Для измерения сопротивления изоляции полюса в
собранной магнитной системе относительно корпуса необходимо отсоединить его от
других полюсов и присоединить вывод "Линии" прибора к одному из
выводов катушки, а вывод "Земля" прибора- к любой неокрашенной части
корпуса магнитной системы. Для измерения сопротивления изоляции якоря в
собранной электрической машине относительно корпуса поднимают все щетки,
закарачивают коллектор яркой, тонкой, медной неизолированной проволокой или
шиной и присоединяют вывод "Линия" прибора к любой пластине
коллектора (проволоки или шине) а вывод "Земля"- к валу якоря. Для
измерения сопротивления изоляции между обмотками в собранной электрической
машине присоединяют один из выводов прибора к любому наконечников проводов
обмотки якоря, а другой вывод - к любому наконечнику обмотки возбуждения. Для ТЭД
сопротивления изоляции после испытания на нагрев должен составлять не менее 1,5
Мом. Отсчет по мегомметру производиться через 1 минуту после приложения
напряжения.
Затем проверяется электрическая прочность
изоляции в течение 1 мин при повышенном напряжении переменного тока частотой 50
Гц. При этом источником высокого напряжения служит однофазный повышающий
трансформатор. Результат испытания считается положительным, если не произойдет
пробоя или перекрытия изоляции обмоток. Во время испытания допустимо появление
коронного разряда. После испытания машина подвергается внешнему осмотру:
проверяется состояние коллектора, щеток, изоляторов, миканитового конуса,
бандажей и т. д.
Испытания тяговых электрических машин производят
на специализированных испытательных стендах.
Испытательные стенды ремонтных заводов или
локомотивных депо обеспечивают проведение контрольных испытаний тяговых
двигателей, включающий в себе проверку их нагрева при часовом режиме нагрузки ,
скорости вращения в обоих направлениях, прочности машин при повышенной скорости
вращения и коммутации. Оборудование испытательной станции должно допускать
проведение этих испытаний в максимально сжатые сроки.
После осмотра испытываемые машины устанавливают
на стенд и прочно закрепляют. Стенды для испытания тяговых двигателей имеют
специальные устройства для крепления машин.
Электрические аппараты, реостаты возбуждения и
приборы необходимые для испытания машин, устанавливают на пультах управления и
распределительных щитах, которые изготавливают в виде каркасов из профильного
металла, закрытых сверху листовой сталью.
Устройство стендов обеспечивает удобство и
безопасность проведения испытаний, а также высокую точность измерений. На
пультах управления устанавливают измерительные приборы высокого класса точности
(0,2-0,5), а измерительные приборы классов 1,5-2,5 и переключатели аппаратов
монтируют на вертикальных панелях щитов управления. Выводные провода обмоток
испытываемых машин подключают к электрическим цепям стенда согласно схеме через
высоковольтные колонки с зажимами. При испытаниях тяговых двигателей с
независимой вентиляцией устанавливают вентилятор ЭВР-6 с электродвигателем
А71-6.
Тяговые электрические машины испытывают методом
непосредственной нагрузки или методом возвратной работы. Метод нагружения машин
при испытаниях выбирают в зависимости от их мощности.
На практике для испытания вспомогательных машин
и тяговых генераторов обычно применяют первый из названных методов, а для
тяговых двигателей- второй.
Сущность метода возвратной работы, или взаимной
нагрузки, состоит в том, что на стенд одновременно устанавливают две однотипные
машины, первая из которых (испытываемый двигатель) работает в двигательном
режиме, а вторая - в генераторном, являясь механической нагрузкой для первой.
Электрическая энергия, вырабатываемая генератором, поступает в испытываемый
двигатель. От других источников получают энергию, необходимую только для
покрытия всех потерь в двигателе и генераторе.
Такой метод испытаний по сравнению с методом
непосредственной нагрузки машин позволяет сократить расход электрической
энергии на испытания примерно в 3-4 раза.
Стенд для испытаний тяговых электрических машин
содержит две испытываемые машины, одна из которых работает в режиме
генератора(Г), а вторая- в режиме двигателя (М), питая их от линейного
генератора(ЛГ) и вольтодобавочной машины(ВДМ), которые имеют общий
привод-асинхронный трехфазный двигатель(Д1). Вольтодобавочная машина почти
полностью компенсирует электрические потери, а линейный генератор- все
остальное. Оба генератора имеют независимое возбуждение от индивидуальных
возбудителей линейного генератора(ВЛГ) и ВДМ, которые, в свою очередь, имеют
независимое возбуждение с плавным регулированием напряжения (от нуля до
максимального) с помощью ползунковых реостатов R1
и R2.
Машина, с якорной обмоткой которой
последовательно включены обе обмотки возбуждения(ВГ- генератора и ВД-
двигателя), работает в режиме двигателя. Машина, с якорной обмоткой которой
последовательно включена вольтодобавочная машина, работает в режиме генератора.
По обеим обмоткам возбуждения двигателя ВД и
генератора ВГ проходит ток якоря двигателя, поэтому ЭДС генератора и двигателя
всегда равны и направленны встречно.
Машины Д и Г будут неподвижны, так как значение
их силы тока и магнитного потока равны, а следовательно, равны и их встречно
направленные крутящие моменты. Если же машины начнут вращаться, то это укажет
на несовпадение их характеристик намагничивания.
После включения и некоторого возбуждения
линейного генератора его ток пойдет по цепи двигателя, так как в цепи
генератора действует ЭДС, направленную встречу ЭДС линейного генератора.
Сила тока двигателя, а следовательно, и его
крутящий момент станут больше силы тока и крутящего момента генератора, и
машины начнут вращаться. Напряжение на зажимах испытываемого двигателя
незначительно меньше напряжения линейного генератора. Изменяя силу тока
возбуждения линейного генератора, регулируют напряжение на зажимах двигателя.
Изменением возбуждения вольтодобавочной машины регулируют силу тока двигателя и
соответственно силу тока генератора.
Линейный генератор должен обеспечивать
напряжение, первышающее напряжение двигателя при испытаниях, на величину
падения напряжения в обмотке возбуждения генератора ЛГ, а его мощность должна
быть достаточной для компенсации магнитных, механических и дополнительных
потерь в двигателе и генераторе с учетом компенсации мощности, передаваемой
испытываем двигателем генератору при придельном возможном расхождении их
характеристик. В качестве линейного генератора на испытательных станциях часто
используют тяговый двигатель ДК-103 с системой независимого возбуждения.
Вольтодобавочная машина- это генератор
постоянного тока с напряжением, обычно не превышающем 500 В, через который
проходит ток, практически равный току испытываемого двигателя. Напряжение ВДМ,
учитывают, что при испытании двигателя на перегрузку через ее обмотки
кратковременно проходит примерно двойной часовой ток двигателя. При этом ВДМ
также должна покрывать все падения напряжения в обмотках двигателя и
генератора.
В качестве ВДМ часто используют двигатель
ЭДТ-200 или ДК-304, переоборудованный с последовательного на независимое
возбуждение.
Для изменения направления вращения испытываемой
машины реверсируют обмотки возбуждения двигателя и генератора, а для ослабления
поля их шунтируют сопротивлением. Останавливая двигатель, сначала снижают
напряжение линейного генератора, а затем вольтодобавочной машины.
В связи с внедрением электровозов и
электропоездов переменного тока в ПКБ ЦТ МПС разработан проект типовой
испытательной станции, предусматривающей питание испытываемой машины
пульсирующим током. Для этого на протекающей по цепи машины постоянный ток
накладывают переменную составляющую частотой 100 Гц, соответствующей первой
гармонической составляющей при двухпериодном выпрямлении.
При испытаниях вспомогательных машин наибольшее
распространение получил метод их непосредственной нагрузки. Стенд для испытаний
этим методом должен обеспечивать проведение контрольных испытаний
вспомогательных машин, имеющих разные номинальные параметры и схемы
возбуждения. Нагрузку для двигателей вентиляторов создают при помощи заслонки
на выхлопном отверстии. Мотор-компрессоры и преобразователи испытывают при
одном рабочем направлении вращения.
Отличия режимов испытаний вспомогательных машин
от соответствующих режимов тяговых двигателей состоят в следующем: испытания на
нагрев обмоток проводят при расчетном кратковременном режиме, который может
отличаться от часового; коммутацию проверяют в течение 1 мин при номинальном
напряжении и пятикратном пуске на максимальном напряжении; во время контрольных
испытаний мотор-генераторов и преобразователей регулируют их ограничительные
скорости врещения.
.2 Принцип работы станции послеремонтных
испытаний тяговых электродвигателей
Конструктивно испытательная станция ТЭД
выполнена из отдельных функциональных узлов, предназначенных для выполнения
определенных задач. Функции управления испытаниями и контроля за их ходом
осуществляются в автоматическом режиме с ПЭВМ, расположенной на столе оператора
испытательной станции. Модули управления, источники тока и напряжения
располагаются в шкафу управления и автоматизации. Оборудование управления
укреплено на DIN-рейках и
через разъемы подключено к цепям управления испытательной станцией. В ручном
режиме управление процессом испытания осуществляется с переносного пульта, на
котором находятся органы управления, жидкокристаллический дисплей и средства
световой индикации работы испытательной станции. Силовое коммутационное и
защитное оборудование расположено в специальных закрытых шкафах и предназначено
для выполнения переключений, необходимых в процессе испытания, и обеспечения
защитных функций . Линейный и вольтодобавочный преобразователи предназначены
для обеспечения необходимых нагрузочных режимов, предусмотренных программой
приемо-сдаточных испытаний. Автоматизированная система управления
технологическим процессом испытания ТЭД выполнена из отдельных функциональных
узлов, выполняющих обособленный набор задач. Измерительные преобразователи и
измерительные кабели расположены в непосредственной близости от силовых цепей
измерения в шкафу с силовым оборудованием и колонках подключения ТЭД.
Принцип действия основан на задании и
поддержании режимов испытаний тяговых электродвигателей при помощи регулируемых
источников напряжения с одновременным измерением параметров, контролируемых в
ходе испытаний.
Рисунок 1.5 Структурная схема испытательной
станции ТЭД
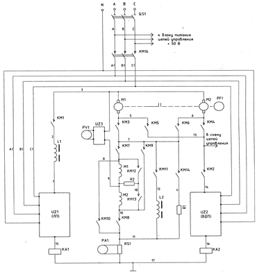
Трехфазное напряжение питания ~ 380В подается от
деповской сети через деповской разъединитель QS1,
трехфазный контактор КМ16 на линейный преобразователь (ЛП) UZ1
и вольтодобавочный преобразователь(ВДП) UZ2.
Цепи выпрямленного силового тока преобразователей и испытуемых двигателей
включаются контакторами КМ1 (включение ЛП), КМ2 (включение ВДП). Для выбора
назначения машин(двигатель или генератор) предназначены контакторы КМ3- КМ6.
Смена направления вращения испытуемых тяговых двигателей осуществляется с
помощью контакторов КМ7- КМ10. Ослабление магнитного поля машины, работающей в
режиме двигателя, производиться с помощью контакторов КМ11 и КМ14, которые
подключают параллельно обмотке возбуждения данной машины индуктивный шунт L2
(ступень ОП1) и резистор R1(
ступень ОП2).
Ослабление магнитного поля машины, работающей в
режиме генератора, с целью компенсации расхождения тяговых характеристик
испытуемых двигателей осуществляется контакторами КМ 12 и КМ 13.
Сглаживающий дроссель L1предназначен
для сглаживания пульсаций выпрямленного тока в цепи линейного преобразователя.
Управление контакторами КМ1-КМ14 функционально связано рядом зависимостей,
обеспечивающих условия безопасности и требования программы работ. Катушки
силовых контакторов шунтированы диодами VD1-
VD14 для исключения
перенапряжений на контактах управляющего коммутатора. Силовые кабели
укладываются в кабельных каналах, внутри шкафов они объединены в пучки. Провода
цепей управления собраны в кондуиты и проложены в кабельных каналах. Шкафы с
оборудованием имеют клеммные рейки для внешних соединений. Согласно требованиям
правил устройства электроустановок (ПУЭ) испытательная станция по вводу
оснащена разъединителями QS1 для осуществления видимого разрыва электрического
ввода при проведении регламентных и ремонтных работ. Защита первичных обмоток
трансформаторов линейного и вольтодобавочного преобразователей осуществляется
автоматическими выключателями, входящими в состав преобразователей. В цепи
выпрямленного напряжения тяговых двигателей и преобразователей установлены
максимальные токовые реле КА1и КА2 , реагирующие на сверхтоки в соответствующих
цепях. Испытуемые тяговые двигатели подключаются к цепям станции через колонки,
оснащенные концевыми выключателями, а также специальными разъемами для
подключения измерительных цепей.
Питание цепей управления +50В осуществляется
деповского разъединителя QS1
через электромагнитный контактор КМ15, трансформатор напряжения TV1
и выпрямительную установку VD1-
VD 6. Для защиты
цепей управления предусмотрен автоматический выключатель QF1.
Контрольно-измерительные приборы стенда предназначены для визуальных наблюдений
значений параметров при задании режима и снятии контрольной информации при его
реализации. Цифровые приборы PV1
и PА1 класса 0,1
предназначены для получения и регистрации контрольной информации в соответствии
с п. 1.1 ГОСТ 11828-75 "Машины электрические вращающиеся. Общие методы
испытаний". Для контроля за величинами напряжений и токов ЛП и ВДП
предназначены цифровые индикаторы. Данные индикаторы, а также приборы PV1
и PА1 расположены на
панели контроля в шкафу управления и автоматизации. Цифровые приборы класса 0,1
для контроля за напряжением и током ЛП и ВДП расположены на лицевых панелях
шкафов этих преобразователей. Информация со всех приборов испытательной станции
поступает на ПЭВМ. Все амперметры, входящие в состав испытательной станции,
подключены к силовым цепям через измерительные шунты: амперметр РА1- через шунт
RS1, амперметры ЛП И
ВДП- через соответствующие шунты, входящие в состав данных преобразователей.
Вольтметр PV1 и
вольтметр контролирующий напряжение ЛП, с целью гальванической развязки с высоковольтными
цепями подключены через соответствующие измерительные преобразователи. Цепи
управления стендом испытаний тяговых электродвигателей можно условно разделить
на цепи шкафов с силовым оборудованием, цепи блока включения испытательной
станции, цепи шкафа управления и автоматизации и цепи пульта управления . Между
собой эти цепи соединены через разъемные соединения проводами, собранными в
кондуиты, что упрощает процесс монтажа и обслуживания станции. Цепи управления
силовыми контакторами КМ1-КМ10 питаются от источника постоянного напряжения
+50В. Включение цепей управления осуществляется контактором КМ15 под
управлением кнопочного поста SB13
"Вкл. +50В". При появлении напряжения в цепях управления на пульте
управления загорается световой индикатор. Одновременно с включением питания
цепей управления +50В происходит включение синхронизации фазорегуляторов ЛП и
ВДП с сетью.
Рисунок 1.6 Схема электрическая принципиальная
блока включения испытательной станции
Включение и выключение напряжения ~ 380В
осуществляется контактором КМ16 под управлением кнопочного поста SB14
"~ 380В". Контактор включается только после выполнения условий,
обеспечивающих безопасность обслуживающего персонала, т.е. после закрытия
дверей шкафов с высоковольтным оборудованием. После включения цепей ~ 380В на
пульте управления загорается соответствующий световой индикатор. Отключение
питания цепей управления и силовых цепей испытательной станции осуществляется
одним кнопочным SB15
"стоп". Аварийное отключение силовой схемы и цепей управления
обеспечивается кнопочным постом SB16
"Авар. откл". Выбор режима испытания тяговых двигателей при ручном
управлении осуществляется с помощью кнопочных выключателей SB1-SB
12 на пульте управления. Для выполнения соответствующих переключений в силовых
цепях испытательной станции предусмотрены промежуточные реле К1-К12,
производящие включения контакторов КМ1-КМ14 . Включение реле К1-К12
осуществляется по заданному программой испытаний алгоритму от модулей U1
и U2. Выбор назначения
машины осуществляется в обесточенном состоянии контакторами КМ3-КМ6, а
направление вращения якорей- контакторами КМ7-КМ10,чьи катушки получают питание
через контакты промежуточных реле К3-К6. Питание на катушки реле К3-К6 подается
в соответствии с цифровым кодом, поступающим с пульта управления( кнопочные
выключатели SB3-SB6),
либо с ПЭВМ. Режим ослабления магнитного поля машины, работающей в режиме
двигателя осуществляется контакторами КМ11 и КМ4, чьи катушки получают питание
через контакты промежуточных реле К7 и К10. Питание на катушки реле К7 и К10
подается в соответствии с цифровым кодом, поступающим с пульта управления (
кнопочные выключатели SB11-SB12).
Сбор схемы согласно выбранному режиму испытаний осуществляется после нажатия
кнопки SB
"Сбор
схемы" на пульте управления. При этом через промежуточные реле К1 и К2
получают питание катушки контакторов КМ1 и КМ2. В автоматическом режиме
управления сбор схемы осуществляется по сигналу подаваемом с ПЭВМ. Сбор схемы
возможен только при подготовленной к работе схеме цепей тяговых
двигателей(заблокированном состоянии колонок подключения испытуемых машин).
Напряжение Линейного и вольтодобавочного преобразователей регулируется в ручном
режиме с помощью специальных цифровых задатчиков (энкодеров), расположенных на
пульте управления, в автоматическом режиме - в соответствии с программой ПЭВМ.
При необходимости существует возможность произвести отключение
вольтодобавочного преобразователя с помощью кнопки SB10
"Откл.ВДП". При этом в соответствии с цифровым кодом управления
теряет питание промежуточное реле К2, что приводит к отключению контактора КМ2.
Разбор схемы по окончании испытаний или при переходе с одного на другой режим
испытаний при ручном управлении осуществляется путем нажатия кнопочного переключателя
SB2 "Разбор
схемы" на пульте управления, а при управлении от ПЭВМ происходит в
соответствии с программой испытаний. Контроль за режимами испытаний и
соответствием коммутационных аппаратов осуществляется по сигнальным
индикаторам, расположенным на пульте управления. Загорание сигнальной лампы
свидетельствует о активном состоянии выбранного режима. Система осуществляет
регулирование по трем контурам: тока, напряжения и частоты вращения.
Регулирование тока согласно задания осуществляется вольтодобавочным
преобразователем, регулирование напряжения- линейным преобразователем. А
регулирование частоты- соотношением выходных значений данных преобразователей.
Автоматизированной системой осуществляется контроль граничных параметров
значений тока, напряжения и частоты вращения и при повышении этих значений
осуществляется аварийная остановка двигателей. В качестве задатчика и элементов
сравнения выступает управляющая программа. Работа испытательной станции
осуществляется под управлением специализированной программы испытаний ТЭД
установленной на ПЭВМ. Модули управления функционируют в режиме
последовательного интерфейса RS-485.
Их связь с ПЭВМ организует модуль преобразователя интерфейса RS232
в RS485. Таким образом
управление от ПЭВМ осуществляется через выход СОМ1. Модуль дискретного вывода
управляет блоком промежуточных реле К1-К12 и организует с их помощью заданный
режим испытания. Управляющие реле также участвуют в работе и источников
тестовых сигналов и блока высоковольтных реле. Модули измерения проводят замеры
при измерении активного сопротивления и измерении сопротивления изоляции, а так
же измерения тока и напряжения ТЭД через измерительные преобразователи.
Вывод: В данном разделе было изучено назначение
испытательной станции, принцип ее работы. Рассмотрены силовые схемы.
2. Анализ показателей станции послеремонтных
испытаний тягового электродвигателя
.1 Основные электротехнические характеристики
станции послеремонтных испытаний тягового электродвигателя
Технические данные
Напряжение питающей сети 380В, 50 Гц Номинальная
мощность преобразователей линейного 140 кВА вольтодобавочного 140 кВа
Максимальная мощность преобразователей ( не более 5и мин) линейного 200 кВа
вольтодобавочного 200 кВа Максимальное выпрямленные напряжения
преобразователей: Линейного 2020 В Вольтодобавочного 350 В Номинальные токи
нагрузки преобразователей: Линейного 50 А Вольтодобавочного 210А Напряжение
питания цепей управления 50 В
Стенд обеспечивает задание испытательных режимов
согласно правилам ремонта электрических машин электроподвижного состава ЦТ-
ЦТВР/4782. Конкретные значения параметров нагружения тяговых двигателей
постоянного тока определяется технологической картой приемо-сдаточных испытаний
в условиях электромашинного цеха депо с учетом работы двигателей.
Рисунок 2.1 Схема электрическая принципиальная
силовых цепей испытательной станции
Стенд имеет возможность плавного регулирования
тока и напряжения, что позволяет производить, испытания других типов ТЭД
электроподвижного состава, отвечающих параметрам стенда. Система
автоматического управления испытаниями работает по стандарту EIA
RS-485 и позволяет
производить контроль и измерения параметров в следующих диапазонах: -частота
вращения двигателя 0- 9999 об/мин -напряжение двигателя 0- 2000В -ток двигателя
0- 1000 А -активное сопротивление обмоток двигателя 0,001- 10 Ом -сопротивление
изоляции обмоток двигателя 0- 10000Ом
Тяговые двигатели подаются на станцию после
осмотра и проверки на холостом ходу. Установить двигатели испытательный постамент,
соединить карданной передачей валы и закрепить. Подключить к клеммным зажимам
колонок выводные кабели двигателей. Закрыть и заблокировать крышки клеммных
колонок, проверить закрытое состояние дверей высоковольтной камеры. Проверить
наличие давления сжатого воздуха, восстановить включенное положение
автоматических выключателей. Включить питание цепей управления +50В и питания
~380В. Провести испытания в автоматическом режиме согласно технологической
карты приемо-сдаточных испытаний тяговых двигателей электровозов. лючить ПЭВМ.
Провести цепи управления испытательной станции в режим автоматизированного
управления. Запустить управляющую программу. Следовать указаниям управляющей
программы. В случае необходимости проводить испытания в ручном режиме согласно
технологической карты приемо-сдаточных испытаний тяговых двигателей
электровозов. В процессе испытаний необходимо следить за состоянием испытуемых
двигателей, т.к. защита аварийных режимов, связанных с механическими
повреждениями ТЭД в процессе испытаний, не предусмотрена.
зад-задатчик тока ;
Uзад-задатчик
напряжения ; nзад-задатчик
частоты вращения; ДТ-датчик тока ; ДН-датчик напряжения; ДЧ-датчик числа
оборотов ; ЛП-линейный преобразователь ; ВДП-вольтодобавочный ЭС1, ЭС2,
ЭС3-элементы сравнения ; преобразователь;
Рисунок 2.2 Функциональная схема
автоматизированной системы управления испытания ТЭД
2.2 Анализ работы станции послеремонтных
испытаний тягового электродвигателя
Проведен анализ статистических данных отказов
ТД, которые подтвердили факт, что 15-20% ТД подвижного состава, выходят из
строя в первый период их работы, так называемый приработочный период. Это в
свою очередь указывает на несовершенство технологии и соответственно низкое
качество ремонта и малоэффективные методы испытания на нагрев, поскольку
больший процент отказов приходится на замыкание (короткое) в обмотках якоря.
Анализ послеремонтных испытаний ТД показал, что измерение известными способами
некоторых параметров ТД (например, электрическое сопротивление якоря,
температура якорной цепи) выполняется не достаточно точно, а определение
основных электроэнергетических характеристик ТД, вообще не выполняется.
Установлено, что основными недостатками существующих систем послеремонтных
испытаний, которые используются на электроремонтных предприятиях, является: -
отсутствие информации для полной идентификации электромеханических параметров
ТД, что при таком подходе к послеремонтным испытаниям приведет к повторным
ремонтам, особенно в тех условиях, когда тяговые двигатели, работают при
последовательно-параллельном соединении и в результате чего совершают
значительное влияние друг на друга; - системы нагружения статического типа не
дают полной информации о послеремонтном состоянии тягового двигателя, данный
режим не соответствует реальным эксплуатационным режимам, поэтому статическое
нагружение не дает представления о состоянии ТД в реальных режимах; - большая
площадь и металлоемкость станций нагружения, что объясняется необходимостью
установки фундаментных плит, дополнительных электрических машин.
Предложена структура комплексной системы
идентификации параметров ТД, которая дает возможность оперативно оценить
изменение параметров в процессе эксплуатации и при текущем ремонте. Это в свою
очередь, позволит распознать неисправность в начальной ее стадии и принять меры
по устранению дефектов, а также создать базу данных для организации
технического обслуживания и ремонта по фактическому состоянию ТД подвижного
состава. Теоретически исследовано влияние изменения параметров ТД на питающую
сеть и взаимовлияние расхождения параметров тяговых двигателей постоянного тока
при последовательно-параллельном их соединении и работе на общую нагрузку, что
в свою очередь при установлении ТД на один локомотив, даст возможность
подбирать идентичные ТД не только по их параметрам, а и по электромеханическим
характеристикам. Как объект идентификации, тяговый двигатель постоянного тока
последовательного возбуждения, представляет собой сложную систему, состояние
которой в эксплуатации определяется по ограниченному числу входных и выходных
параметров. Выходные параметры, которые можно достаточно легко определить в
условиях эксплуатации является напряжение, ток, частота вращения. Поэтому для
усовершенствования эффективности идентификации параметров ТД теоретически
обоснована и доработана методика оценки электромеханических параметров по
квазипереходным характеристикам, которая позволяет определять активное и
индуктивное сопротивление якорной цепи ТД с относительной погрешностью соответственно:
+1,2 - -2,41% та +0,3 - -0,02%. Результаты теоретических исследований
электромеханических параметров тяговых двигателей, полученных по пусковым
характеристикам с использованием полученных уравнений, были выполнены для ТД
типа ДК117Д вагона метрополитена.
Установлено, что на тепловой режим работы ТД
влияют следующие изменяемые в процессе ремонта параметры: сопротивление обмоток
якорной цепи, сопротивление обмотки возбуждения, коэффициент потерь в стали,
класс изоляции, тип щеток и их давление на коллектор, качество поверхности
коллектора. Для исследования тепловых режимов тяговых двигателей после ремонта,
оценки влияния и взаимовлияния параметров на условия нагревания ТД, как
отдельных составляющих, так и двигателей в целом разработана и научно
обоснована математическая тепловая модель ТД. Использование разработанной
тепловой модели, позволило определить, что с ростом дополнительных
электроэнергетических потерь в якоре, которые присущи ТД после их ремонта,
наблюдается опережающий рост температуры изоляции пазовой части обмотки якоря в
сравнении с ее лобовыми частями. При увеличении дополнительных потерь энергии
на 1-2,5 Вт, температура по длине якоря увеличивается на 10-15%. По
усовершенствованной тепловой модели, теоретически обоснован метод определения
послеремонтного номинального тока ТД с учетом дополнительных потерь энергии, в
послеремонтных периодах их эксплуатации, которым характерны изменения
(отклонение) номинального тока якоря в сравнении с до ремонтным, позволяет
прогнозировать пакет дополнительных мер, по снижению рабочей температуры ТД.
Сформулирован и сконструирован алгоритм испытания ТД, пакет программного
обеспечение ЭВМ для идентификации параметров и послеремонтной паспортизации ТД.
Обоснована и разработанная структура комплекса паспортизации ТД после
ремонта. Экспериментально подтверждено эффективность предложенных методов и
средств по усовершенствованию послеремонтных испытаний ТД, в ходе лабораторных
исследований и в промышленных условиях. Ключевые слова: тяговый двигатель,
надежность, техническое состояние, идентификация, испытания, послеремонтная
паспортизация.
Характерные неисправности и методы их устранения
.Неисправности оборудования испытательной станции, возникшие в послегарантийный
период эксплуатации, устраняются силами обслуживающего предприятия.
Приобретение запасных частей в послегарантийный период производится по
согласованию с предприятием разработчиком. Перечень возможных неисправностей и
способы их устранения приведены в таблице.
Таблица Основных неисправностей
|
Неисправность
|
Вероятная
причина
|
Метод
Устранения
|
|
После
включения стенда отсутствует питание цепей управления и силовых цепей.
|
Отсутствует
напряжения в деповской сети Отключен разъединитель QS1 Отключен
автоматический выключатель QF1. Открыты двери шкафов с
высоковольтным оборудованием.
|
Проверить
наличие напряжения Проверить состояние разъединителя Проверить состояние
автоматического выключателя Проверить состояние дверей шкафов
|
|
Не
собирается силовая схема.
|
Не
заблокированы крышки колонок. Низкое давление воздуха в
заводской магистрали.
|
Проверить
блокировки колонок. По манометру проверить давление воздуха.
|
|
Напряжение
линейного или вольтодобавочного преобразователей не регулируется.
|
Отсутствие
напряжения синхронизации с сетью. Неисправность в работе фазорегуляторов.
|
Проверить
целостность предохранителей в цепи синхронизации преобразователей*. Проверить
правильность работы фазорегуляторов*.
|
*- в соответствии с ТО и ИЭ данных
преобразователей.
.3 Расчет фронта ремонта и процента неисправных
локомотивов
Фронт ремонта - это локомотивов
одновременно находящихся в течении суток во всех видах ремонта. Определяется
как произведение программы ремонта и технического обслуживания на простой в
ремонте и на техническом обслуживании, деленные на количество календарных дней
в году.
где:
программа
данного вида ремонта или технического обслуживания, ремонты;
время простоя на
ремонте, сутки
-количество календарных суток в
расчётном периоде
Грузовое движение:
лок.
лок.
лок.
лок.
лок.
лок.
лок.
Пассажирское движение:
лок.
лок.
лок.
лок.
лок.
лок.

лок.
Маневровая работа:
лок.
лок.
лок.
лок.
лок.
лок.
лок.
лок.
Определение инвентарного парка
депо
где:
эксплуатируемый
парк грузовых локомотивов, лок. (см. п. 1.2.5);
эксплуатируемый
парк пассажирских локомотивов, лок. (см. п. 1.2.5);
эксплуатируемый
парк маневровых локомотивов, лок (из исходных данных);
- общий фронт
ремонта, лок. (см. п. 1.5.3).
Определение процента неисправных
локомотивов
Процентом неисправных
локомотивов называется отношение среднесуточного количества неисправных
локомотивов к парку находящемуся в распоряжении депо.
В неисправные включаются все
локомотивы и секции МВПС, находящиеся во всех видах ремонта и в ожидании его.
Процент локомотивов в деповском ремонте определяется делением локомотиво-суток
во всех видах деповского ремонта и ТО на сумму локомотиво-суток в распоряжении
депо.
Снижение процента неисправных
локомотивов обеспечивается улучшением состояния локомотивов, повышением их
надёжности в результате чего сокращаются внеплановые ремонты.
Вывод: здесь был показан анализ работы станции
после ремонтных испытаний ТЭД, их основные неисправности. Так же был определен
фронт ремонта и процент неисправных локомотивов.
3. Совершенствование станции послеремонтных
испытаний тягового электродвигателя
.1 Технологические решения по улучшению станции
послеремонтных работ тягового электродвигателя
• Совершенствование станции
послеремонтных испытаний тягового электродвигателя
• Технологические решения по улучшению
станции послеремонтных работ тягового электродвигателя
Улучшить работу станции можно если обновить саму
станцию, т.к. многие станции уже устарели и требуют замены. Можно заменить
текущую станцию на новую ИС ТЭД.
Так как в нашей стране пытаются переходить на
двигатели асинхронного типа. Можно устанавливать саму станцию для проверки
асинхронных двигателей;
Рисунок 3.1 Станция для испытаний
тяговыхэлектродвигателей
Функциональные возможности станции: - обкаточные
испытания тяговых асинхронных электродвигателей электроподвижного состава
методом взаимной нагрузки; - управление процессом испытания на всех режимах с
персонального компьютера; - испытания тяговых электродвигателей на
электрическую прочность изоляции напряжением до 5000 В (регулируемое); -
измерение сопротивления обмоток статора с основной относительной погрешностью
не более 2%; - измерение сопротивления изоляции испытательным напряжением до
2500 В с основной относительной погрешностью не более 7 %; - испытание обмоток
статора на наличие междувиткового замыкания; - определение величины радиального
и осевого биения вала ротора.
В состав ИС входят:
линейный преобразователь:
обеспечивает компенсацию
механических, магнитных и добавочных потерь энергии тяговых электродвигателей в
процессе испытания;
вольтодобавочный
преобразователь:
обеспечивает компенсацию
электрических потерь энергии тяговых электродвигателей в процессе испытания;
коммутационный шкаф:
в нем расположено силовое
коммутационное и защитное оборудования, предназначенное для выполнения
переключений, необходимых в процессе испытания и обеспечения защитных функций;
блок контроля и электроники:
в нем расположены модули
управления и приборы измерения напряжения и тока двигателя, а также дисплей
отображения параметров управления; комплект измерительных датчиков и силовых
колонок с кабелями подключения; рабочее место испытателя.
Функции управления и контроля
испытаниями осуществляются в автоматическом режиме с ПК. Предусмотрена
возможность управления процессом испытаний в ручном режиме.
ИС позволяет контролировать
следующие параметры:
установка щеток на
геометрическуюнейтраль;
температура охлаждающего
воздуха;
температура якорных
подшипников;
превышение температур обмоток
главного, дополнительного полюса и компенсационной обмотки, обмотки якоря над
температурой окружающего воздуха;
температура коллектора после
проведения испытаний;
активное сопротивление обмоток
двигателя (в холодном и горячем состоянии);
сопротивление изоляции обмоток
двигателя (в холодном и горячем состоянии);
электрическая прочность
межвитковой изоляции;
частота вращения двигателя;
ток якоря;
напряжение двигателя;
испытания на повышенной частоте
вращения;
продолжительность режимов испытаний
электродвигателя
Технические характеристики:
|
Наименование
параметра
|
Значение
|
|
Частота
питающего напряжения, Гц
|
50
|
|
Напряжение
питания от сети переменного тока, В
|
380
|
|
Число
фаз
|
3
|
|
Номинальная
потребляемая мощность, кВт, не более
|
120
|
|
Степень
защиты
|
IP20
|
|
Кратковременна
максимальная потребляемая мощность не более, кВт
|
240
|
|
Диапазон
измерения частоты вращения роторов, об/мин.
|
150-4000
|
|
Диапазон
измерения температуры обмоток статора, С
|
10-200
|
|
Диапазон
измерения температуры подшипниковых узлов, С
|
15-250
|
|
Габаритные
помещения размеры, м, не более
|
12,25х10х2,5
|
|
Общая
масса, т, не более
|
4
|
|
Средний
срок службы, лет, не менее
|
5
|
Цена ИС зависит от комплекта поставки, типа
испытываемых тяговых электродвигателей , стоимость 6 484 000 рублей с учетом
НДС 18%. Срок гарантии 1 год. Рекомендуемый срок периодический срок аттестации
в процессе эксплуатации составляет 2 года.
Вывод: в этом разделе было предложено заменить
старые станции на новые.
4. Охрана труда
В моторном цеху должны находиться устройства для
отопления и вентиляции, обеспечивающие метрологические условия в соответствии с
требованиями "Санитарных норм проектирования предприятий".
Оборудование, где происходит образование пыли и газов, должно быть оборудовано
вентиляцией.
Осветительная арматура и лампы должны очищаться
от загрязнений не реже двух раз в месяц, а стёкла световых проёмов два раза в
год.
Освещение на рабочих местах должно быть как
общее, так и местное. Применение одного местного освещения не допускается.
Уровень шума не должен быть выше:
низкочастотный - 100дб
среднечастотный - 85-90дб
высокочастотный - 75-85дб
Нормы освещённости:
общее-местное - 500лк
участки осмотра и приёмки колёсных пар - 750лк
Курение в цехах запрещено.
Среднесуточная температура должна быть +18°С -
+20°С.
Не допускается загромождение и захламление
проходов у рабочих мест.
Шкафы, ящики и стеллажи для инструмента и
деталей устанавливаются так, чтобы хранимые в них предметы находились в
устойчивом положении и не могли упасть.
Полы на рабочих местах и проходах должны быть
ровными, гладкими и не скользящими, содержаться в чистоте.
Производственные отходы должны своевременно
убираться.
Расположение оборудования должно соответствовать
нормам технологического проектирования.
Границы проходов, места укладки грузозахватов и
тары должны быть отмечены белой краской.
Вновь устанавливаемое и вышедшее после ремонта
оборудование должно быть тщательно выверено и надёжно закреплено. Оборудование
должно быть принято с разрешения главного механика и инженера по технике
безопасности.
Для предупреждения возможности поражения
электрическим током корпуса электродвигателей должны надёжно заземляться. При
проведении испытаний рабочие должны находиться за пределами испытательной станции.
Пусковые кнопки электрических устройств должны
быть защищены и утоплены в корпус на 3-5мм. Кнопки остановки должны быть
красного цвета, иметь надпись "стоп" и выступать над панелью на 3мм.
К управлению подъёмно-транспортным оборудованием
допускаются лица не моложе 18 лет, прошедшие медицинское освидетельствование,
обученные безопасным методам работы и получившие удостоверение на право
управления данным оборудованием.
Подъёмно-транспортным оборудованием разрешается
поднимать груз, масса которого вместе с грузозахватными приспособлениями не
превышает допустимую грузоподъёмность данного оборудования.
Запрещается поднимать груз неизвестной массы, а
так же защемлённый, примёрзший или зацепившийся.
Подъёмно-транспортное оборудование при
производстве работ должно быть в состоянии, исключающим их самопроизвольное
перемещение.
На площадках для укладки грузов должны быть
обозначены границы штабелей, проходов и проездов между ними. Не допускается
размещать грузы в проходах и проездах.
При перемещении груза нахождение людей на грузе
и зоне его возможного падения не допускается. Не допускается перемещение груза
над помещениями и транспортными средствами, где находятся люди.
После окончания и в перерывах между работами
груз и грузозахватные приспособления не должны оставаться в поднятом положении.
Категорически запрещается:
поправлять электродвигатель на весу и находится
под ней
по окончании или при перерыве в работе оставлять
груз в подвешенном состоянии
допускать раскачивание электродвигателя при её
передвижении
работать на неисправном кран балке, с
неисправными захватами, приспособлениями.
При каждом, даже кратковременном перерыве в
работе, необходимо отключать установку от сети.
У пульта управления должен быть положен
резиновый диэлектрический коврик и перчатки.
Категорически запрещается:
касаться токоведущих частей и движущихся частей
электропневматических приводов и вращающихся частей.
Окрасочные работы должны производиться на
специальной площадке, оборудованной принудительной вентиляцией.
Составы лакокрасочных материалов следует
приготавливать в специальном помещении, оборудованном принудительной
вентиляцией и средствами пожаротушения.
Окрасочный участок должен быть обозначен
сигнальными знаками.
К рабочему месту лакокрасочные материалы должны
доставляться в плотно закрывающейся таре. По окончании работы остатки
лакокрасочных материалов должны быть возвращены в краскоприготовительное
отделение и храниться в закрытой таре.
К работе с лакокрасочными материалами
допускаются лица, прошедшие обучение и инструктаж.
Курить, пользоваться открытым огнём при
приготовлении краски и выполнении окрасочных работ запрещается.
Ответственным за выполнение правил техники
безопасности в цехе является старший мастер. Сменные мастера и бригадиры несут
ответственность за выполнение правил по технике безопасности и промсанитарии по
кругу своих обязанностей.
Старший мастер цеха проводит инструктаж по
соблюдению рабочими инструкции по Технике безопасности и безопасными правилами
работы в соответствии с положением " Об организации обучения и проверки
знаний по охране труда на железнодорожном транспорте " № ЦСР-325 и
инструктивными указаниями СТП ССБТ 008-98 " Обучение и проверка знаний по
охране труда работников депо", а так же обеспечивает своевременное
проведение с работниками цеха периодических занятий по охране труда и техники
безопасности.
Каждый работник обязан:
строго соблюдать требования по охране труда,
технике безопасности, производственной санитарии, противопожарной охране,
предусмотренные соответствующими правилами и инструкциями;
пользоваться спец.одеждой и предохранительными
устройствами и приспособлениями;
содержать в частоте и порядке свое рабочее
место, соблюдать чистоту и порядок на участке;
передавать оборудование, инструмент и
приспособления сменщику в исправном состоянии.
В случае повреждения механизмов, приспособлений,
оборудования или получения травмы, нарушения техники безопасности, работник
должен немедленно сообщить руководителю участка.
Выполнение положений по технике безопасности,
производственной санитарии обеспечивает безопасность производства работ и
предупреждает возникновение производственного травматизма и профессиональных
заболеваний.
Все работники участка обязаны знать и выполнять
правила и инструкции по охране труда и техники безопасности, должностные
инструкции и положения, руководствоваться ими в своей практической работе и
обеспечивать строгое выполнение их в процесс производства.
Виновные в нарушении правил техники безопасности
привлекаются к ответственности согласно действующему законодательству и
стандартов предприятия.
Мастер (сменный, старший) является полноправным
руководителем и непосредственным организатором производства и труда на новом
участке. Имеет право и обязан не допускать работу на неисправном оборудовании с
применением неисправных инструментов, приспособлений, оснастки и др. На лиц,
нарушивших трудовую и производственную дисциплину, мастер вправе налагать
дисциплинарные взыскания в соответствии с правилами внутреннего трудового
распорядка, а рабочих, систематически нарушающих дисциплину освобождать от
работы.
В обязанности мастера входит:
своевременно обучать и инструктировать рабочих
знанию технологических прочесов, безопасных методов труда, следить за
соблюдением ими правил и инструкций;
следить за исправным состоянием и правильной
эксплуатацией оборудования, инструмента, оснастки, а так же производственного
инвентаря;
обеспечить правильную и безопасную организацию
рабочих мест, чистоту и порядок на участке;
следить за наличием и исправным состоянием
ограждений и предохранительных устройств, средств сигнализации;
следить за надлежащей работой вентиляционных
устройств и нормальным освещением рабочих мест;
следить за наличием и сохранностью инструкций,
планов и предохранительных знаков на рабочих местах.
Перед началом работы слесарь должен надеть полагающуюся
ему исправную спецодежду, спец.обувь и привести их в порядок: застегнуть на
пуговицы обшлага рукавов; заправить свободные концы одежды так, чтобы она не
свисала. Не допускается носить спецодежду расстегнутой и с подвернутыми
рукавами. Спецодежду и спец.обувь слесарь не должен снимать в течение всего
рабочего времени.
Совместно с руководителем смены (мастером,
бригадиром) слесарь внешним осмотром должен проверить состояние инструмента.
Слесарь обязан:
содержать в чистоте рабочее место, не допускать
его загромождения деталями, приспособлениями и инструментом;
снимаемые с электровозов детали и оборудование
транспортировать для ремонта (испытаний) в соответствующие отделения и места,
установленные технологическим процессом;
обтирочные и другие материалы, негодные для
дальнейшего использования, складывать в предназначенные для их сбора емкости
(тару) для последующей утилизации;
использовать в работе только исправный
инструмент;
носить инструмент и измерительные приборы в
специальных ящиках или сумках.
Все виды инструкций и стажировка по технике
безопасности должны быть записаны в Журнале регистрации инструктажей по технике
безопасности формы ТНУ-19.
О случаях травматизма руководитель участка
обязан немедленно сообщить начальнику депо.
Гаечные ключи должны соответствовать размерам
гаек и головок болтов, губки ключей строго параллельны. Удлинение ключей
трубами запрещается.
Перед подключением пневматического инструмента
необходимо продуть шланг. Работать на шлифовальной машине без защитных очков и
ограждений запрещается. Перед работой проверить её исправность. Запрещается
использовать шлифовальную машину без прокладок между шлифовальным кругом и
планшайбой.
Весь ручной инструмент должен быть исправным и
очищенным от масла. Прежде чем начать работу необходимо проверить надёжность их
насадки и ручки.
К работе с электрическим и пневматическим
инструментом допускаются только специально обученные работники.
5. Экономический
раздел.
Проведя сравнение между старой и новой
испытательной станцией , мной было выявлено, что новая испытательная станция
обладает лучшими характеристиками, хотя потребляет столько же электроэнергии .
С этим идет вывод что при похожих характеристиках потребления электроэнергии
станция работает заметно лучше, так же у новой испытательной станции срок
службы не менее 5 лет. Применение новой испытательной станции позволит более
качественно проверять двигатели. Устанавливая новую испытательную станцию для
испытания тяговых электродвигателей, можно добиться сокращения эксплуатационных
расходов, что влияет на экономические и производственные показатели .
Затраты на приобретение новой техники очень
высоки и поэтому к расчету экономической эффективности от внедрения данной
техники, необходимо подходить с позиции ее максимального использования. В
данной дипломной работе рассчитывается экономический эффект от применения новой
модели моечной машины.
Расходы на содержание штата обслуживающего
персонала приведены в таблице.
Таблица 5.1. Капитальные расходы на приобретение
испытательной машины ТЭД1.
|
Наименование
|
Количество
|
Стоимость
|
Итого
|
|
ИС
ТЭД1
|
1
|
5
241 000
|
5
241 000
|
|
Итого
|
1
|
5
241 000
|
5
241 000
|
Стоимость расходных материалов на содержание
оборудования (5% от стоимости оборудования) Срмс =5 241 000 *5=262
050тыс. руб.
Затраты на электроэнергию зависят от мощности
установленного в отделении оборудования, продолжительности его работы и
стоимости 1 кВт*ч и определяются по формуле:
Е =Руст Fоŋкеэ,
(5.1)
где Руст - установленная мощность
оборудования, кВт, равна 120 кВт;
Fо -
годовой фонд работы оборудования, равен 2214 ч;
ŋ - коэффициент загрузки оборудования по
времени, принимаем 0,8;
к - средневзвешенный коэффициент спроса,
принимаем равным 0,30;
еэ - стоимость 1 кВт*ч, принимаем 4,2
руб/кВт*ч.
Расходы на содержание штата обслуживающего
персонала,Роб = 62088 руб,
|
Наименование
|
Расход
на содержание штата обслуживающего персонала, Роб
|
Итого
|
|
Стоимость
|
62070
|
|
|
Итого
|
|
62070
|
Срм - стоимость расходных материалов
и электроэнергии,
Срм = Срмс+Е , (5.4)
|
Наименование
|
Количество
|
Стоимость
|
Итого
|
|
Стоимость
расходных материалов и электроэнергии
|
120
_________
|
50
400 + 262 050
|
50
400 + 262 050
|
|
Итого
|
312
450
|
Сраб - расходы на монтажные работы, Сраб
= 3,000 тыс. руб.
|
Наименование
|
Расходы
на монтажные работы
|
Итого
|
|
Стоимость
|
130
000
|
|
|
Итого
|
130
000
|
Затраты по старому оборудованию
|
Наименование
|
Количество
|
Стоимость
|
Итого
|
|
Стоимость
машины
|
1
|
5
241 000
|
|
|
Стоимость
расходных материалов на содержание оборудования, Срмс
|
|
262
050
|
|
|
Затраты
на электроэнергию
|
|
50
400
|
|
|
Расход
на содержание штата обслуживающего персонала, Роб
|
|
62
070
|
|
|
Стоимость
расходных материалов и электроэнергии, Срм
|
|
312
450
|
|
|
Расходы
на монтажные работы, Сраб
|
|
130
000
|
|
|
Итого
|
6
057 970
|
Таблица 5.2 Капитальные расходы на приобретение
испытательной станции ТЭД2. Стоимость 6 484 000 руб.
|
Наименование
|
Количество
|
Стоимость
|
Итого
|
|
ИС
ТЭД2
|
1
|
6
484 000
|
6
484 000
|
|
Итого
|
6
484 000
|
Стоимость расходных материалов на содержание
оборудования (5% от стоимости оборудования) Срмс = 6 484 000*5=324
200 руб.
Затраты на электроэнергию зависят от мощности
установленного в отделении оборудования, продолжительности его работы и
стоимости 1 кВт*ч и определяются по формуле:
Е =Руст Fоŋкеэ,
(5.1)
где Руст - установленная мощность
оборудования, кВт, равна 13,24 кВт;
Fо -
годовой фонд работы оборудования, равен 2124 ч;
ŋ - коэффициент загрузки оборудования по
времени, принимаем 0,8;
к - средневзвешенный коэффициент спроса,
принимаем равным 0,25;
еэ - стоимость 1 кВт*ч, принимаем 4,2
руб/кВт*ч.
Экономический эффект можно получить из
следующего выражения:
Эт = Зст - Зн ,
(5.2)
где Зст - затраты по старой технике,
Зст = 5 503 050тыс. руб.
Зн - затраты на новую технику; Зн = 7
028 274 тыс. руб.
Зн = Сс + Роб +
Срм +Сраб , (5.3)
где Сс - стоимость станции, Сс= 6 484
000 руб,
Роб - расходы на содержание штата
обслуживающего персонала,
Роб = 60074 руб,
|
Наименование
|
Количество
|
Стоимость
|
Итого
|
|
Расходы
на содержание штата обслуживающего персонала, Роб
|
|
60
074
|
|
|
Итого
|
|
|
60
074
|
Срм - стоимость расходных материалов
и электроэнергии,
Срм = Срмс+Е , (5.4)
|
Наименование
|
Количество
|
Стоимость
|
Итого
|
|
Стоимость
расходных материалов и электроэнергии, Срм
|
|
324
200 + 214 099
|
|
|
Итого
|
538
299
|
Сраб - расходы на монтажные работы, Сраб
= 160000 руб.
|
Наименование
|
Количество
|
Стоимость
|
Итого
|
|
Расходы
на монтажные работы, Сраб
|
|
160
000
|
160
000
|
|
Итого
|
160
000
|
Затраты по новому оборудованию
|
Наименование
|
Количество
|
Стоимость
|
Итого
|
|
Стоимость
машины
|
1
|
6
484 000
|
|
|
Стоимость
расходных материалов на содержание оборудования, Срмс
|
|
324
200
|
|
|
Затраты
на электроэнергию
|
|
214
099
|
|
|
Расход
на содержание штата обслуживающего персонала, Роб
|
|
60
074
|
|
|
Стоимость
расходных материалов и электроэнергии, Срм
|
|
538
299
|
|
|
Расходы
на монтажные работы, Сраб
|
|
160
000
|
|
|
Итого
|
7
780 672
|
Эт = 5 503 050-7 028 274 = -1 525 224
Срок окупаемости Ээ можно вычислить
по формуле:
Ээ = Сс/Эт,
(5.5)
484 000/1 525 224=-4,2 года
В результате внедрения новой испытательной
станции в условиях депо экономический эффект составит Эт = -1 525
224 млн.руб, со сроком окупаемости 4,2 года. Это говорит о том, что работы,
направленные на замещение старого оборудования на новое является перспективным,
хотя и долгосрочным.
Заключение
Станции для испытания послеремонтных тяговых
электродвигателей необходимы и важны. Они предназначены для испытания
электродвигателя после ремонта, чтобы электродвигатель после ремонта смог
пройти испытания и быть снова установлен на подвижной состав. Электродвигатель
работает в сложных условиях(климатических, физических) в них он должен
непрерывно работать, электродвигатель всегда должен быть надежен, так как от
него зависит движение поездов. Поэтому к электродвигателям предъявляют особые,
повышенные требования Госстандартами, Правилами технической эксплуатации
железных дорог, Инструкцией по осмотру, освидетельствованию, а также другими
нормативными документами при проектировании, изготовлении и содержании в
эксплуатации. Конструкция и техническое состояние тяговых электродвигателей
оказывает влияние на скорость передвижения.
Испытания тяговых электродвигателей после
ремонта явлется одной из важнейшей функцией, так как, при тщательном испытании
есть возможность выявить недостатки в ремонте..
Новая станция способна улучшить
послеремонтные испытания тяговых электродвигателей, тем самым сэкономить
средства. В состав испытательной станции тяговых электродвигателей входит: линейный
преобразователь(обеспечивает компенсацию механических, магнитных и добавочных
потерь энергии тяговых электродвигателей в процессе испытания);вольтодобавочный
преобразователь(обеспечивает компенсацию электрических потерь энергии тяговых
электродвигателей в процессе испытания);коммутационный шкаф(в нем расположено
силовое коммутационное и защитное оборудования, предназначенное для выполнения
переключений, необходимых в процессе испытания и обеспечения защитных функций);
блок контроля и электроники(в нем расположены модули управления и приборы
измерения напряжения и тока двигателя, а также дисплей отображения параметров
управления; комплект измерительных датчиков и силовых колонок с кабелями
подключения; рабочее место испытателя).
Данная модель потребляя столько же
электроэнергии способна показывать лучшие технические характеристики.
В экономической части своей дипломной работы я
сделал анализ будет ли экономически эффективно внедрение новой модели для
испытания тяговых электродвигателей. Анализ необходим для предотвращения
возможности увеличения существенных затрат, которые всегда имеют место быть при
обновлении, замене старого оборудования. Приобретение новой техники влечет за
собой большие финансовые расходы и поэтому расчет экономической эффективности от
внедрения данной техники я производил с позиции учета ее максимального
использования.
В дипломном проекте по изучению станций
послеремонтных испытаний тяговых электродвигателей, в заданном локомотивном
депо поставленные цели были достигнуты, цели: анализ работы станции
послеремонтных испытаний тяговых электродвигателей; предложена замена старых
станций на новые; выявил основные эксплуатационные проблемы станции после
ремонтных испытаний тяговых электродвигателй; дал оценку станциям
послеремонтного испытания тяговых электродвигателей, предложено решение по
совершенствованию работы испытательных станций в депо, рассмотрены меры по
охране труда при работе со станцией для испытания тяговых электродвигателей,
проведен анализ экономической эффективности по внедрению новой станции
послеремонтного испытания тяговых электродвигателей.
Список литературы и использованных источников
1) Б.К. Просвирин - Электропоезда
постоянного тока, УМК МПС России, Москва, 2001.
)Ю.П. Петропавлов - Технология
ремонта электроподвижного состава, Маршрут, Москва, 2006.
)Н.Ф. Котеленец; Н.А. Акимова; М.В.
Антонов - Испытания, Эксплуатация и ремонт электрических машин, Академия,
Москва, 2003.
)Находкин В. М., Яковлев Д. В.,
Черепашенец Р. Г. Ремонт электроподвижного состава: Учебник для техникумов
железнодорожного транспорта /Под ред. В. М. Находкина. М.: Транспорт, 1989.
Интернет-ресурсы:
)
#"806064.files/image052.gif">
Приложение 2
Приложение 3
Приложение 4