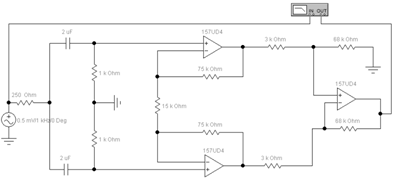
Схема микрофонного усилителя
Оглавление
Введение
. Выбор структурной схемы микрофонного усилителя
. Выбор операционного усилителя
.1 Расчет основных параметров ОУ для входного каскада
.2 Расчет основных параметров ОУ для выходного каскада
. Расчет каскадов усилителя
.1 Расчет параметров выходного каскада
.2 Расчет параметров входного каскада
.3 Расчет параметров входной цепи
. Расчет смещения нуля
.1 Расчет для входного каскада
.2 Расчет для выходного каскада
.3 Расчет на выходе усилителя
. Расчет коэффициента гармоник
. Расчет частотных искажений
.1 Расчет искажений на верхней частоте
.2 Расчет искажений на нижней частоте
. Расчет отношения сигнал/шум
. Моделирование усилителя
Выводы
Список использованных источников
Приложение
Введение
В электронной технике часто используют разнообразные усилительные
устройства. Практически в любой теле-, радиоаппаратуре, в компьютере есть
усилительные каскады.
Целью проекта является составление и расчёт принципиальной схемы
микрофонного усилителя для электродинамического микрофона с симметричным входом,
выбор активного элемента и других электрических компонентов схемы, расчёт
отношения сигнал/шум и коэффициента гармоник, анализ частотных характеристик
полученного устройства.
1. Выбор структурной схемы микрофонного
усилителя
Определим полный коэффициент усиления, исходя, из которого выбирается
количество усилительных каскадов
где
полный коэффициент усиления;
эффективное номинальное напряжение на выходе;
эффективное номинальное напряжение на входе.
При таком коэффициенте усиления рекомендуется использовать два каскада
(рисунок 1), чтобы частота единичного усиления находилась в разумных пределах,
а паразитные обратные связи были минимальны.
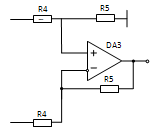
Выберем первым каскадом схему с симметричным входом и с симметричным
выходом, реализованную на симметричных самобалансирующихся каскадах, а вторым -
схему с симметричным входом и несимметричным выходом, представляющую разностный
сумматор. Такая схема обеспечивает необходимый коэффициент усиления и КОСФП.
Рисунок 1 - Микрофонный усилитель с симметричным входом и с
несимметричным выходом
2. Выбор операционного усилителя
Для обеспечения рассчитанного выше коэффициента передачи (усиления)
усилителя необходимо подобрать соответствующий операционный усилитель (ОУ).
Выбор ОУ при проектировании производится по следующим основным параметрам:
) частота единичного усиления
;
) амплитуда номинального напряжения сигнала на выходе
;
) максимальная скорость нарастания выходного напряжения
.
Общий коэффициент усиления находится как произведение (т.к. каскады
подключены последовательно) коэффициентов усиления каждого из каскадов
Пусть
- коэффициент усиления самобалансирующегося входного каскада
с симметричным входом будет равен 10. Тогда
- коэффициент усиления выходного
каскада будет равен 20.
2.1 Расчет
основных параметров ОУ для входного каскада
Частота единичного усиления находится по формуле
Найдем
, используя формулу
По техническому заданию
. Распределим искажения по каскадам равномерно, тогда
значение
, приходящийся на один каскад, равен
0.5 дБ, т.е. 1.059 в разах. Отсюда,
Требуемая частота единичного усиления
На каждом из двух активных элементов входного каскада напряжение равно
половине от всего входного, поэтому при выборе операционного усилителя для
построения данного каскада необходимо учитывать напряжение, равное половине
заданного
Вычислим максимальную скорость нарастания выходного напряжения
2.2 Расчет
основных параметров ОУ для выходного каскада
Для обоих каскадов выберем малошумящий ОУ для аппаратуры усилителей
звуковой частоты на биполярных транзисторах 157УД4 (Приложение А), так как он
соответствует всем требуемым параметрам.
3. Расчет
каскадов усилителя
3.1 Расчет
параметров выходного каскада
Рисунок 2 - Выходной каскад с симметричным входом и несимметричным
выходом
Коэффициент усиления такого каскада находится как
Для выходного каскада следует учитывать влияние сопротивления нагрузки
, которое дано в ТЗ. Зная, что
, получим соотношение
.
По справочным данным известно, что
. Составим неравенство, из которого
можно определить значения
и
Решая неравенство, получаем
,
. Выберем значения сопротивлений из
ряда номинальных значений для резисторов:
,
.
3.2 Расчет
параметров входного каскада

Коэффициент усиления такого каскада находится как
Зная, что
, получим соотношение
.
Составим неравенство, из которого можно определить значения
и
Решая неравенство, получаем, что
,
. Выберем значения сопротивлений из
ряда номинальных значений для резисторов:
,
.
3.3 Расчет
параметров входной цепи
Входной цепью является фильтр верхних частот (рисунок 4), который состоит
из разделительного конденсатора и резистора.
Рисунок 4 - Входная цепь
Емкость разделительного конденсатора находится по формуле
Сопротивление
определим по формуле
где
значение входного тока для выбранного ОУ;
Получаем:
. Выберем
.
Рассчитаем значение разделительной емкости
Возьмем
.
Запишем номинальные значения полученных величин
: К50-45-100-2 мкФ ±20%;
: С2-23-0,062-15 кОм ±5%;
: С2-23-0,062-75 кОм ±5%;
: С2-23-0,062-1 кОм ±5%;
: С2-23-0,062-3 кОм ±5%;
: С2-23-0,062-68 кОм ±5%.
4. Расчет смещения нуля
Проведем расчет напряжения смещения приведенного к входу отдельно для
входного и выходного каскадов, затем получим значение смещения нуля для всего
устройства.
Для расчёта смещения нуля используется эквивалентная модель одного из
плеч схемы (рисунок 5). При этом максимальное смещение напряжения нуля на выходе
входного каскада придется удвоить.
Рисунок 5 - Эквивалентная модель одного плеча каскада для расчета
смещения нуля
Из паспортных данных и ТЗ известно
4.1 Расчет
для входного каскада
Найдем значения сопротивлений
и
, которые являются сопротивлениями
для постоянного тока между каждым из входов и общим проводом
Рассчитаем напряжение смещения нуля, приведенное к входу
Найдем изменение напряжения смещения на границе рабочего диапазона
температуры
Суммарное напряжение смещения, приведенное к входу усилителя, находится
как
4.2 Расчет
для выходного каскада
Для расчета напряжение смещения приведенного к входу второго каскада
воспользуемся аналогичной схемой (рисунок 5). Найдем значения сопротивлений
и
В таком каскаде при одинаковых
и
основную роль в смещении напряжения
нуля на выходе играет ток сдвига
.
Рассчитаем напряжение смещения нуля, приведенное к входу плеча второго
каскада
Найдем изменение напряжения смещения на границе рабочего диапазона
температуры
Найдем суммарное напряжение смещения, приведенное к входу второго каскада
4.3 Расчет на
выходе усилителя
Так как в схеме использована блокировочная емкость, то коэффициент
передачи входного каскада при постоянном токе будет равен единице. Учитывая
данный факт, найдем суммарное напряжение смещения на выходе усилителя
Так как в схеме использована блокировочная емкость, то коэффициент
передачи входного каскада при постоянном токе будет равен единице. Учитывая
данный факт, найдем суммарное напряжение смещения на выходе усилителя
Симметричный входной каскад по синфазной помехе работает в режиме
повторителя. Разброс номиналов пассивных элементов входного каскада практически
не ухудшает эффекта подавления синфазных составляющих входным каскадом из-за
глубокой обратной связи по синфазной помехе.
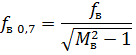
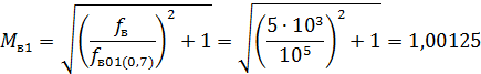
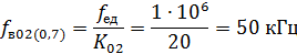
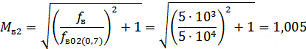
5. Расчет коэффициента гармоник
Рассчитаем коэффициент гармоник, если
(рисунок 6). Тогда,
Рассчитаем на втором каскаде, т.к. коэффициент гармоник определяется
выходным каскадом. Максимально достижимая амплитуда выходного напряжения
Расчет на частоте 
Так как
на частоте
намного превышает напряжение питания
, то при вычислении берем
.
Расчет на частоте
Суммарный коэффициент гармоник равен
Рисунок 6 - Диаграмма Боде для двух каскадов
6. Расчет частотных искажений
На верхней частоте искажения определяются операционными усилителями, а на
нижней - конденсаторами.
И так, вычислим искажения на этих частотах.
6.1 Расчет
искажений на верхней частоте
Преобразовав формулу
получим, выражение для верхнего частотного искажения
где
.
Тогда для первого каскада
А для выходного каскада
Перемножив (в разах!) искажения на двух каскадах, получим на выходе
усилителя
или
6.2 Расчет
искажений на нижней частоте
Выразив
, из формулы
получим,
Так как емкости подключены параллельно, то частотное искажение на нижней
частоте полностью определяется одним конденсатором.
7. Расчет отношения сигнал/шум
Функциональные модули усиления и обработки сигналов на выходе, кроме
усиленного сигнала, имеют собственные шумы. Они обусловлены тепловыми шумами
резисторов схемы и шумами активных элементов. Наличие этих шумов приводит к
ухудшению качества усиленного сигнала, снижению динамического диапазона
выходных сигналов.
Для описания шумовых свойств используется эквивалентная шумовая модель
каскада (рисунок 7).
Рисунок 7 - Эквивалентная шумовая модель каскада
Произведем оценку отношения сигнал/шум, используя соотношения
Шум определяется входным каскадом и усиливается выходным.
Эквивалентная спектральная плотность напряжения шума от всех источников,
приведенная к входу, определяется как
Рассчитаем шум на выходе усилителя
Исходя из этого, рассчитаем отношение сигнал/шум всего усилителя по
формуле
8. Моделирование усилителя
Усилитель моделирован с помощью Electronics Workbench 5.12.
Рисунок 8 - Модель микрофонного усилителя
Результат моделирования частотных характеристик в пределах, определенных
техническим заданием, показан на рисунке 9.
Рисунок 9 - ЛАЧХ микрофонного усилителя
Рассмотрим схему
Рисунок 10 - Схема для исследования КОСФП
Рисунок 11 - ЛАЧХ схемы для исследования КОСФП
Из ЛАЧХ (рисунок 9 и 10) найдем КОСФП
Результат моделирования подтверждает соответствие характеристик
требованиям ТЗ, т.е. обеспечивает необходимое усиление и КОСФП.
коэффициент усиления 46 дБ,
коэффициент гармоник не превышает 0,5 % в рабочей полосе частот от 250 Гц
до 5 кГц,
напряжение источника питания усилителя ±7 В.
Усилитель удовлетворяет требованиям технического задания, прост в
реализации и может быть рекомендован для использования.
Список
использованных источников
1.
Колесов И. А.
"Проектирование аналоговых устройств: Методические указания по курсовому
проектированию". - Томск: Факультет дистанционного обучения ТУСУР, 2011. -
208 с.
2.
Шкритек П.
"Справочное руководство по звуковой схемотехнике: Пер. с нем.". - М.:
Мир, 1991. - 446 с.
3.
Аксенов А. И.,
Нефедов А. В. "Резисторы, конденсаторы, провода, припои, флюсы: Справочное
пособие. Серия "Ремонт". - М.: Изд-во "СОЛОН-Р", 2000. -
Вып. 39.
4.
"Интегральные
схемы: Операционные усилители. Том 1". - М.: Физматлит, 1993. - 240 с.
операцилнный усилитель каскад моделирование
Приложение
Справочные данные операционного усилителя 157УД4
|
Параметр
|
Значение
|
|
Диапазон напряжений
питания, Номинальное напряжение питания, Ток питания, Диапазон
температур среды,
|
|
|
Коэффициент усиления,
|
|
|
Входное напряжение
смещения, Дрейф входного напряжения смещения, Входной ток смещения, Дрейф входного тока смещения, Разность входных токов смещения, Дрейф разности входных токов смещения,
|
|
|
Дифференциальное входное
сопротивление, Выходное сопротивление,
|
|
|
Амплитуда максимального
выходного напряжения Коэф. гармоник при максимальном значении ,
|
|
|
Максимальное синфазное
входное напряжение Коэффициент ослабления синфазной помехи КОСФП, дБ
|
|
|
Частота единичного усиления
, МГц
|
|
|
Максимальная скорость
нарастания вых. напряжения
|
|
|
Минимально допустимое
сопротивление нагрузки, кОм
|
|
|
Суммарное напряжение шума,
приведенное к входу в полосе звуковых частот, ,
мкВ
|
|
Усилитель
микрофонный, схема электрическая принципиальная
Усилитель
микрофонный, перечень элементов к схеме