Спектральный анализ аналоговых сигналов и расчет откликов на выходе линейной цепи

  • Вид работы:
    Курсовая работа (т)
  • Предмет:
    Информатика, ВТ, телекоммуникации
  • Язык:
    Русский
    ,
    Формат файла:
    MS Word
    368,96 Кб
  • Опубликовано:
    2015-02-22
Вы можете узнать стоимость помощи в написании студенческой работы.
Помощь в написании работы, которую точно примут!

Спектральный анализ аналоговых сигналов и расчет откликов на выходе линейной цепи














СПЕКТРАЛЬНЫЙ АНАЛИЗ АНАЛОГОВЫХ СИГНАЛОВ И РАСЧЕТ ОТКЛИКОВ НА ВЫХОДЕ ЛИНЕЙНОЙ ЦЕПИ

Пояснительная записка к курсовой работе по дисциплине

«Математические методы описания сигналов»

РЕФЕРАТ

Курсовая работа стр. 34, рис. 20, таблицы 3, приложений 2.

Целью данной курсовой работы является практическое освоение методов анализа аналоговых периодических и непериодических сигналов во временной и частотной областях, а также расчет прохождения этих сигналов через линейную цепь на примере решения конкретной задачи.

В ходе курсовой работы был произведен спектральный анализ аналогового сигнала, рассчитаны временные характеристики цепи и рассмотрены отклики прохождения периодического и непериодического сигнала через аналоговую линейную электрическую цепь.

При выполнении спектрального анализа сигнал был представлен через функции Хевисайда. Далее находится спектральная плотность аналогового непериодического сигнала, на основе которого рассчитаны коэффициенты комплексного ряда Фурье. Построены спектральные характеристики. Найдена ширина спектра и согласно ей периодический сигнал восстановлен усеченным рядом Фурье. Рассчитаны абсолютная и относительная погрешности.

При нахождении временных характеристик был рассчитан комплексный коэффициент передачи. Построены амплитудно-частотная и фазочастотная характеристики. При расчете временных (переходной и импульсной) характеристик был использован операторный метод.

Последним пунктом найдены и построены отклики прохождения периодического и непериодического сигнала через аналоговую линейную электрическую цепь.

Расчеты и построение графиков проводились в среде MathCad 15. Пояснительная записка выполнена в текстовом редакторе Microsoft Office Word 20011.

Оглавление

Введение

Спектральный анализ аналоговых непериодического и периодического сигналов

.1      Исходные данные

.2      Разложение непериодического сигнала на типовые составляющие

.3      Расчет изображения аналогового непериодического сигнала по Лапласу

.4      Нахождение спектральной плотности аналогового непериодического сигнала

.5      Вычисление коэффициентов комплексного ряда Фурье, описывающего аналоговый периодический сигнал

.6      Расчет ширины спектра периодического сигнала по пороговому критерию

.7      Представление аналогового периодического сигнала усеченным рядом Фурье аналитически и графически

.8      Расчет и построение погрешности представления аналогового периодического сигнала усеченным рядом Фурье

         Анализ линейной электрической цепи во временной и частотной областях

.1      Исходные данные

.2      Расчет и построение частотных характеристик аналогового фильтра

.3      Расчет и построение временных характеристик аналогового фильтра

.3.1   Расчет импульсной характеристики

.3.2   Расчет переходной характеристики

.4      Анализ и проверка полученных выражений

         Расчет и построение отклика аналогового фильтра на сигнал

.1      Расчет прохождения периодического сигнала через ЛЭЦ

.2      Расчет прохождения непериодического сигнала через ЛЭЦ

Выводы

Список использованных источников

Приложение А

Приложение Б

 

Введение


Большинство сигналов имеют аналоговую природу, то есть изменяются непрерывно во времени и амплитуде и могут принимать любые значения на некотором интервале. Одним из методов обработки аналогового сигнала является спектральный анализ, который позволяет охарактеризовать частотный состав измеряемого сигнала.

Задачи спектрального анализа:

·        Спектральное разложение сигнала - представление сигнала в виде суммы гармонических сигналов с различными частотами.

·        Анализ спектральных компонент сигнала с целью изучения свойств сигнала.

·        Обратное преобразование - получение сигнала по известному спектральному разложению.

Любое периодическое несинусоидальное колебание можно разложить в бесконечный тригонометрический ряд, состоящей из постоянной составляющей и синусоидальных составляющих различной частоты, амплитуды и фазы. Совокупность этих синусоидальных или гармонических составляющих называется частотным спектром. Тригонометрический ряд, получающийся при разложении периодических несинусоидальных колебании, называется рядом Фурье.

Курсовая работа состоит из трех частей:

Первая часть представляет собой спектральный анализ аналогового сигнала, нахождение его спектра, разложение в ряд Фурье, нахождение необходимой полосы пропускания канала связи, по которому сигнал пройдет без значительных искажений;

Вторая часть содержит анализ аналогового фильтра, нахождение и анализ его частотных и временных характеристик.

В третьей последней части исследуется расчет и построение отклика аналогового фильтра на периодический и непериодический сигнал.

1. Спектральный анализ аналоговых непериодического и периодического сигналов


.1      Исходные данные

Код сигнала: 31

Рисунок 1.1 - Временное представление аналогового периодического сигнала

 

 

 

                                                                                                                  (1.1)

1.2   
Разложение непериодического сигнала на типовые составляющие

Рисунок 1.2 - Временное представление аналогового непериодического сигнала

Представление исходного сигнала с помощью элементарных составляющих, т.е. через функции Хевисайда (единичных скачков)

 

где   

 

 

 

Рисунок 1.3 - Временное представление типовых составляющих аналогового сигнала

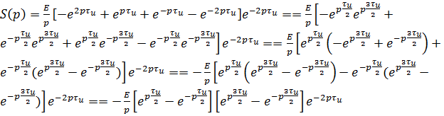
1.3    Расчет изображения аналогового непериодического сигнала по Лапласу

Расчет произведем двумя методами

А) Метод 1

Для начала исследуем изображение единичного скачка по Лапласу

          (1.2)

Замена переменных в оригинале  вызывает умножение изображения на экспоненциальную функцию  (оператор сдвига)

                                                        (1.3)

Используя выше рассмотренные свойства, найдем изображение для каждого элементарного составляющего

 

 

 

 

Сложению оригиналов соответствует сложение изображений, а значит

 

 

Преобразуем полученное выражение

 

Б) Метод 2

Начнем с исследования одиночного видеоимпульса. Заданный сигнал (рис. 1.1) представляет собой знакочередующуюся периодическую последовательность прямоугольных видеоимпульсов вида

Рисунок 1.4 - Одиночный прямоугольный видеоимпульс

Представим одиночный прямоугольный видеоимпульс с помощью элементарных составляющих

 

Найдем ее изображение по Лапласу

 

Непериодический сигнал (рис. 1.2) состоит из двух видеоимпульсов. Рассмотрим два знакочередующихся импульса относительно их середины

Рисунок 1.5 - Два знакочередующихся прямоугольных видеоимпульса

Из рисунка видно, что сигнал  состоит из двух прямоугольных видеоимпульсов , каждый из которого сдвинут относительно оси координат, причем первый импульс находится в перевернутом положении

 

Согласно правилу сдвига во времени, получим

 

Заметим, что заданный непериодический сигнал (рис. 1.2) можно получить из сигнала  (рис. 1.5), задержав его на время равное

 

т.е., иными словами, изображение  умножается на оператор сдвига

 

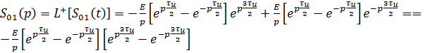
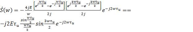
1.4    Нахождение спектральной плотности аналогового непериодического сигнала

Преобразования Лапласа являются обобщениями преобразований Фурье, следовательно, спектральную плотность сигнала  можно получить из изображения по Лапласу  заменив  на , т.е.

 

Преобразуем полученное выражение

 

Спектральная плотность является комплексной величиной. Модуль спектральной плотности аналогового сигнала называют его амплитудно- частотной характеристикой (АЧХ), аргумент спектральной плотности - фазочастотной характеристикой (ФЧХ) (см. рис. 1.6 и 1.7)

Построение частотных характеристик аналогового непериодического сигнала

Рисунок 1.6 - АЧХ спектральной плотности

Рисунок 1.7 - ФЧХ спектральной плотности

1.5   
Вычисление коэффициентов комплексного ряда Фурье, описывающего аналоговый периодический сигнал

Значения спектральной плотности, взятые в дискретных точках , с точностью до постоянного множителя  совпадают со значениями коэффициентов

                                          (1.4)

По формуле (1.4)

 

Учитывая, что  , получим

 

Построение спектра коэффициентов комплексного ряда Фурье

Рисунок 1.8 - Спектр коэффициентов комплексного ряда Фурье

Построение спектра фаз комплексного ряда Фурье

Рисунок 1.9 - Спектр фаз комплексного ряда Фурье

Таблица 1 - Коэффициенты комплексного ряда Фурье






Положительные и отрицательные области (рис. 1.8 и 1.9, таблица 1) позволяют отобразить встречные направления вращения комплексных векторов .

1.6    Расчет ширины спектра периодического сигнала по пороговому критерию

Для ограничения спектра сигнала необходимо задаться пороговым критерием. Порог определим как десятую часть гармоники с максимальной амплитудой

Так как  последний коэффициент превышающий ,

где

 

то сигнал соберем по 20 гармоникам, т.е. берем с запасом.

 

1.7    Представление аналогового периодического сигнала усеченным рядом Фурье аналитически и графически

Сложение  гармоник приводит к образованию периодической функции с нулевым средним значением. Учитывая постоянную составляющую (ненулевое среднее значение), получим общую формулу для восстановления сигнала

                        (1.5)

В нашем случае

 

Таблица 2 - Гармонические колебания


Временное представление усеченного ряда Фурье

Рисунок 1.10 - Временное представление оценки из 20 гармонических колебаний

Из графика видно, что сигнал, представленный усеченным рядом Фурье, стал периодическим. Это произошло вследствие дискретизации спектральной плотности в частотной области.

В данной работе также было проведено исследование временного представления усеченного ряда Фурье в зависимости от количества гармоник (см. приложение А). При оценке из малого количества гармонических колебаний наблюдается «завал» переднего и заднего фронтов. При увеличении числа гармоник «завал» постепенно уменьшается, а временное представление усеченного ряда Фурье стремится к заданному сигналу .

1.8    Расчет и построение погрешности представления аналогового периодического сигнала усеченным рядом Фурье

Относительное значение погрешности аппроксимации периодического сигнала усеченным рядом Фурье определится как

                                                               (1.6)

где     - средняя мощность сигнала

 - средняя мощность усеченного ряда Фурье

                                                 (1.7)

 

Найдем средние мощности сигнала и оценки по формулам (1.7) и (1.8) соответственно

 

 

По формуле (1.6) найдем относительную погрешность аппроксимации

 

Найдем среднюю мощность погрешности аппроксимации  (квадрат среднеквадратического значения абсолютной погрешности)

                                            (1.9)

 

Таблица 3 - Поведение погрешности в зависимости от количества слагаемых ряда Фурье

0

0

1

0.308





1

0.173

0.439

0.135

11

0.291

0.054

0.017

2

0.180

0.414

0.127

12

0.292

0.05

0.015

3

0.258

0.162

0.05

13

0.292

0.05

0.015

4

0.268

0.131

0.04

14

0.293

0.047

0.015

5

0.277

0.099

0.031

15

0.293

0.047

0.014

6

0.278

0.097

0.03

16

0.296

0.038

0.012

7

0.278

0.096

0.03

17

0.297

0.036

0.011

8

0.282

0.084

0.026

18

0.297

0.034

0.011

9

0.284

0.078

0.024

19

0.297

0.034

0.011

10

0.291

0.055

0.017

20

0.297

0.033

0.011


Рисунок 1.11 - Поведение относительной погрешности аппроксимации в зависимости от количества слагаемых ряда Фурье

Анализируя поведение погрешности в зависимости от количества слагаемых ряда Фурье, можно сказать следующее: с ростом N погрешность асимптотически стремится к нулю. Кроме того, погрешность всегда положительна, т.к. мощность бесконечного ряда всегда больше мощности усеченного ряда.

Расчет ширины спектра по энергетическому критерию

 

 

2.      Анализ линейной электрической цепи во временной и частотной областях


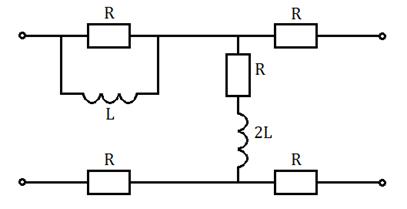
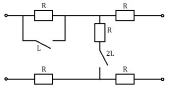
2.1    Исходные данные

№ бригады

№ варианта

№ схемы

1

3

2


Рисунок 2.1 - Схема электрической цепи

                                                                                                             (2.1)

                                                                                                               (2.2)

2.2    Расчет и построение частотных характеристик аналогового фильтра

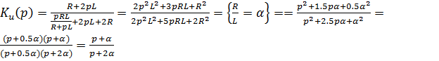
Расчет операторного выражения передаточной функции

 

Перейдем в комплексную плоскость заменой

 

Сравнивая между собой выражения  и , необходимо заметить, что это не просто замена переменных , а переход со всей плоскости комплексных частот  на мнимую ось .

Нормируем по

 

АЧХ

 

ФЧХ

 

Графическое представление АЧХ и ФЧХ

Рисунок 2.2 - АЧХ аналогового фильтра

Рисунок 2.3 - ФЧХ аналогового фильтра

2.3    Расчет и построение временных характеристик аналогового фильтра

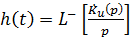
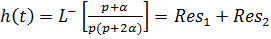
Рассмотрим в качестве входных сигналов идеальные обобщенные модели: дельта-функцию  и функцию Хевисайда .

Отклик линейной системы с нулевыми начальными условиями на воздействие  - функции называется импульсной характеристикой .

Отклик линейной системы с нулевыми начальными условиями на воздействие единичного скачка называется переходной характеристикой .

При определении импульсной характеристики необходимо проверить,

удовлетворяет ли передаточная функция требованиям, предъявляемым к изображениям по Лапласу

                                                (2.3)

В нашем случае из передаточной функции следует выделить целую часть.

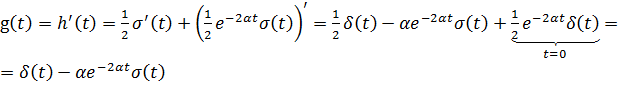
2.3.1 Расчет импульсной характеристики

Изображение по Лапласу импульсной характеристики совпадает с передаточной функцией , т. к. изображение дельта-функции равно 1

Таким образом, импульсная характеристика  и передаточная функция цепи  связаны между собой прямым и обратным преобразованиями Лапласа

                                                (2.4)

 

Полюсом является

Найдем вычет

 

Отсюда

 

Графическое представление импульсной характеристики

Нормируем по , заменяем

 

Рисунок 2.4 - Импульсная характеристика

2.3.2 Расчет переходной характеристики

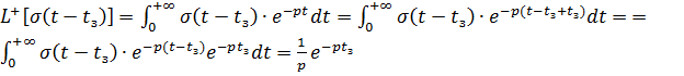
Изображение по Лапласу входного единичного скачка, как раннее было рассмотрено, равно

 

Переходная характеристика  и передаточная функция цепи  связаны между собой следующим образом

                                                   (2.5)

 

Полюсами являются

Найдем вычеты

 

 

Отсюда

 

Графическое представление переходной характеристики

Нормируем по

 

Рисунок 2.5 - Переходная характеристика

2.4    Анализ и проверка полученных выражений

)        Проверка операторного выражения передаточной функции  на крайних частотах

 

 

Рисунок 2.6 - Заданная цепь при

Рисунок 2.7 - Заданная цепь при

)        Анализ цепи по исходным данным и полученным выражениям

Анализируя полученные передаточные функции, мы видим, что заданная цепь является фильтром верхних частот (ФВЧ) второго порядка.

)        Анализ временных характеристик

Переходная и импульсная характеристики существуют только при , так как отклики не могут опережать воздействия.

4)      Cвязь между переходной и импульсной характеристиками

Переходная и импульсная характеристики связаны между собой так же, как и входные воздействия

,                                                         (2.6)

а именно

 

5)      Предельные соотношения

                                (2.7)

                                   (2.8)

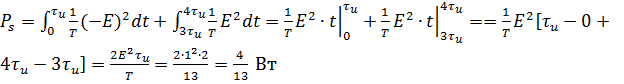
3.      Расчет и построение отклика аналогового фильтра на сигнал


.1      Расчет прохождения периодического сигнала через ЛЭЦ

Периодический сигнал, проходя через ЛЭЦ, не теряет своей периодической природы, поэтому сигналы на входе и выходе линейной цепи можно представить бесконечной суммой непериодических сигналов, сдвинутых друг относительно друга на период.

Постоянная составляющая на выходе прямо пропорциональна значению коэффициента передачи при . Амплитуды гармонических колебаний умножаются на значения модуля комплексной передаточной функции на частотах . Начальные фазы гармонических колебаний суммируются со значениями фазочастотной характеристики ЛЭЦ на частотах

                                                        (3.1)

Рисунок 3.1 - Периодический сигнал на входе и выходе ЛЭЦ

В приложении Б показаны периодические сигналы на выходе ЛЭЦ из разного количества гармонических колебаний. При малом числе гармоник временное представление на выходе имеет пульсирующий характер. Это связано из-за ограниченной ширины спектра сигнала.

3.2    Расчет прохождения непериодического сигнала через ЛЭЦ

        (3.2)

где     - переходная характеристика

Рисунок 3.2 - Непериодический сигнал на входе и выходе ЛЭЦ

 

Выводы


В данной курсовой работе был рассмотрен сигнал, представляющий собой последовательность импульсов прямоугольной формы.

При нахождении спектральной плотности заданного сигнала выяснилось, что если анализируемый сигнал периодический, то его спектр дискретный, если непериодический, то его спектр сплошной. Спектральная плотность - непрерывная функция частоты. Комплексный коэффициент  - дискретная функция частоты. Так как заданный сигнал представляет собой нечетную функцию времени, то спектральная плотность является чисто мнимой функцией частоты.

Форма синусоидального напряжения (или тока) на выходе любой линейной электрической цепи остается синусоидальной, а амплитуда напряжений и его начальная фаза изменяются. Поэтому при рассмотрении воздействия на электрические цепи несинусоидальных напряжении (токов) во многих случаях целесообразно представить их в виде некоторой суммы синусоидальных колебаний. В основе расчета ЛЭЦ, находящихся под воздействием периодических негармонических сигналов, лежит принцип суперпозиции (или наложения). Согласно этому принципу, разложенный в ряд Фурье сигнал воздействует на ЛЭЦ по частям и поочередно. Расчет отклика цепи на воздействие постоянной составляющей сводится к расчету резистивной цепи, поскольку имеющиеся в ней емкости заменяем на разрыв, а индуктивности на короткое замыкание. Расчет отклика цепи на каждую из гармоник осуществляем с помощью комплексного коэффициента передачи цепи. Суммируя все полученные отклики, получаем отклик ЛЭЦ на заданное негармоническое периодическое воздействие. Из выполненной работы заметим, что ФВЧ заостряет входной сигнал.

Как видим, ширина спектра по энергетическому критерию в два раза меньше, чем ширина спектра по пороговому критерию

Применение разложения в ряд Фурье, при проведении расчета прохождения сигнала через ЛЭЦ, позволило свести задачу анализа цепей при периодическом воздействии к задаче анализа цепей при гармоническом воздействии.

 

Список использованных источников


1. Баскаков С.И. Радиотехнические цепи и сигналы. М.: Высш. школа, 2007.-462с.(304 экз.) ISBN: 5-06-003843-2

. Каратаева Н.А. Радиотехнические цепи и сигналы. Теория сигналов и линейные цепи. Учебное пособие. Томск: ТУСУР, 2009.-261с

. Каратаева Н.А. Радиотехнические цепи и сигналы. Теория сигналов и линейные цепи. Учебное пособие. Томск: ТУСУР, 2011.-255с(108 экз.) ISBN 5-86889-175-9

. Учебное методическое пособие. Радиотехнические цепи и сигналы. Часть 1. Теория сигналов и линейные цепи. Каратаева Н.А, Киселев П. Томск: ТУСУР, 2012.-33с.

 

Приложение А


Временное представление усеченного ряда Фурье из

а) 10 гармонических колебаний

б) 20 гармонических колебаний

в) 100 гармонических колебаний

г) 2000 гармонических колебаний

 

Приложение Б


Периодический сигнал на выходе ЛЭЦ из

а) 10 гармонических колебаний

б) 20 гармонических колебаний

в) 100 гармонических колебаний

г) 2000 гармонических колебаний

Похожие работы на - Спектральный анализ аналоговых сигналов и расчет откликов на выходе линейной цепи

 

Не нашли материал для своей работы?
Поможем написать уникальную работу
Без плагиата!
Без нейросетей!