|
Нагрузка
|
Нормативное
значение
|
Коэффициент
надежности
|
Расчетное
значение
|
|
Вес:
|
|
|
|
|
снега
|
3,36
(336)
|
0,7*
|
4,8
(480)
|
|
гравийной
защиты
|
0,40
(40)
|
1,3
|
0,52
(52)
|
|
рулонного
ковра
|
0,16
(16)
|
1,3
|
0,21
(21)
|
|
утеплителя
|
0,25
(25)
|
1,2
|
0,3
(30)
|
|
пароизоляции
|
0,04
(4)
|
1,2
|
0,048
(4,8)
|
|
настила
|
0,1
(10)
|
1,05
|
0,11
(11)
|
|
прогонов
|
0,03
(3)
|
1,05
|
0,04
(4)
|
|
связей
|
0,02
(2)
|
1,05
|
0,03
(3)
|
|
фермы
|
0,35
(35)
|
1,05
|
0,37
(37)
|
|
Итого
|
4,71(471)
|
|
6,43(643)
|
Определив нормативное и расчетное значения
действующей на ферму нагрузки, следует вычислить ее минимальную высоту из
условия жесткости по формуле (3):
где σn
=
(pn/p)Ry, так как условие жесткости проверяется при
действии нормативной нагрузки; pn = 4,71 кН/м2 -
нормативная нагрузка; p = 6,428 кН/м2 - расчетная нагрузка; Ry =
240 МПа и Е = 210000 МПа - соответственно сопротивление и модуль упругости
стали.
Как видно, hmin = 1,836 м =l/14,7<
l/12 =2,25м и принятое в расчете значение высоты фермы не нуждается в
корректировке.
. Статический расчет плоской фермы
Нагрузка, действующая на стальную ферму покрытия,
собирается с грузовой полосы шириной b = 6 м и составляет:
n
= pn b= 4,71*12 = 56,52 кН/м - нормативная погонная;= pb = 6,43*12 =
77,16 кН/м- расчетная погонная.
Конструкции покрытия включают прогоны, которые
передают погонную нагрузку на ферму через ее верхние узлы (рис.1, а):
n =
qnd = 56,52*2,25 = 127,17 кН- нормативная узловая;= qd = 77,16*2,25=
173,61 кН - расчетная узловая.
Рис. 1. Схемы для статического расчета фермы: а
- нагрузка на ферму; б - балочный аналог фермы и эпюры изгибающих моментов
поперечных сил.
Для статического расчета плоской фермы можно
использовать ее балочный аналог (рис. 1, б) с опорными реакциями
1
= V13=
Fi/2 =
ql/2 = 77,16*27/2 = 1041,66 кН.
Изгибающие моменты от действия нагрузок
составляют:
M1 = M13 = 0;2
= M12 = (V1- F/2)*d = (1041,66-173,61/2) *2,25= 2148,43
кН*м;3 = M11 = (V1- F/2)*2d -Fd
=(1041,6-86,8)4,5-173,6*2,25 = 3906,3 кН*м4 = M10 = (V1-
F/2)*3d -F*2d - Fd=(1041,66-86,8)6,75-173,6*4,5-173,6*2,25= 5273,5 кН*м5
= M9 =954,86 *9-1171,8-781,2-390,6 = 6250,14 кН*м6 = M8
= (1041,6-86,8)11,25-1562,4-1171,8-781,2-390,6 =6836,2кН*м
М7 = М мах = (V1 -
F/2)*6d - Fd(5+4+3+2+1) =
(1041,66-86,8)13,5-1953-1562,4-1171,8-781,2-390,6=7031,6 кН*м;
Изгибающий момент М7 действует в
сечении балочного аналога фермы в середине пролета l и является наибольшим. При
наличии 13 узловых нагрузок F и F/2 его целесообразно сравнить с аналогичным
моментом от распределенной (погонной) нагрузки:
Мmax = ql2/8 = 77,16*242/8
= 7031,2 кН*м.
Как видно, абсолютные значения сравниваемых
моментов здесь совпадают.
Поперечные силы от действия узловых нагрузок
составляют:
1-2
= - Q12-13 = V1 - F/2 = 1041,66-86,8=954,86 кН;2-3
= - Q11-12 = V1 - F/2-F=1041,66-173,6-86,8=781,26 кН;3-4
= - Q10-11 = V1 - F/2-2F=607,66 кН;4-5 = - Q9-10
= V1 - F/2-3F=434,06 кН;
Q5-6 = - Q8-9 = V1
- F/2-4F=260,46кН;6-7 = - Q7-8 = V1 - F/2-5F=
86,86 кН;
Рассчитаем удлинение стержневых элементов фермы.
8-13=
11,255
7-16=l7-17=h√2=2250√2=3182
мм
-3182=48 мм.
-3135=47мм.
= 2,083…2,128%.
Значения продольных сил в поясных элементах
вычислены по формуле:
п
= ± M/h;1-2 = N2-3 = N11-12 = N12-13
= - M2/h = - 2418,84/2,25= -954,86 кН;3-4 = N4-5
= N9-10 = N10-11 = - M4/h = - 5273,5/2,25=
-2343,7 кН;5-6 = N6-7 = N7-8 = N8-9
= - M6/h = - 6846,175/2,25= -3038,3 кН;14-15 = N18-19
= M3/h = 3906,27/2,25= 1736,12 кН;15-16 = N17-18
= M5/h = 6250,14/2,25= 2777,84 кН;16-17 = M7/h
= 7031/2,25 = 3124,8 кН,
где знак минус обозначает усилия сжатия (верхний
пояс), а знак плюс - усилия растяжения (нижний пояс).
Продольные усилия в раскосных элементах решетки
найдены по формуле
Nр = ± Q/cosβ;
N1-14 = Q1-2/cosβ
= 47,7/cos450 =954,86/0,7071 = 1350,39кН;3-14 = Q2-3/cosβ
= - 781,26/0,7071 = -1104,88 кН;3-15 = Q3-4/cosβ
= 607,66/0,7071 = 859,37 кН;5-15 = Q4-5/cosβ
= - 434,06/0,7071 = - 613,86 кН;5-16 = Q5-6/cosβ
= 260,46/0,7071 = 368,35 кН;7-16 = Q6-7/cosβ
= - 86,86/0,7071 = - 122,84 кН;
где cosβ = h/ds
= 2,25/3,182 = 0,7071
Стержневые элементы стоек решетки испытывают
сжатие, величина которого определяется значением узловых нагрузок:
2-14
= N4-15 = N10-18 = N12-19 = - F = - 173,6 кН.
Усилия в узлах от излома нижнего пояса
воспринимаются дополнительными стержнями решетки, каждый из которых работает на
растяжение, вычисляемое по формуле (16), но без множителя 2:
N6-16 = N8-17
= -F+N16-17 sinα
= -173,6+3038,3*0,025 = -97,64 кН,
где при уклоне ί = 0,025
(2,5%) угол
наклона к горизонту α ≈
sinα ≈ tgα = ί.
Результаты статического расчета фермы приведены:
Рис. 2. Схема фермы с результатами ее
статического расчета (усилия приведены в кН, размеры - в мм, знак плюс
соответствует растяжению).
3. Унификация и расчет стержней
Стальная ферма покрытия собирается из
симметричных отправочных марок длиной 11,25 м и 4,5-метровой вставки между
ними. Поэтому рационально сечения их поясных элементов подобрать по
максимальным усилиям и унифицировать в пределах всего пролета. Высоту этих
сечений, равно как и стержневых элементов решетки, необходимо ограничить
1/15…1/10 длины, чтобы не учитывать дополнительные изгибающие моменты от
жесткости сварных узлов фермы. Кроме того, в данном случае предпочтение отдано
конструктивному решению фермы с использованием замкнутых профилей и их сопряжений
без узловых фасонок.
Подбор сечений целесообразно начинать с
растянутых стержневых элементов. Принимая в качестве конструктивного материала
для нижнего пояса сталь С345 с расчетными сопротивлением по пределу текучести Ry
= 335 МПа (3350 кгс/см2) при толщине проката t = 2…10 мм, из формулы
(18) можно записать:
Атреб. =N/ (γcRy)
= 312500/(1·3350) = 93,28 см2,
где N = 3124,8 кН = 312500 кгс- наибольшее
усилия растяжения в поясе.
По сортаменту квадратных профилей (приложение 1)
можно принять стержневой элемент □ 300
8,5
мм с расчетной площадью сечения А=96,63см2, радиусами инерции ίх
= ίу = 11,82 см и
проверкой прочности
N/(γcRy
А) = 312500/(1·3350·96,63) = 0,965 < 1.
Сжатые стержни верхнего пояса нагружены не менее
нижнего. Если и для них принять сталь С345, то из условий устойчивости по
формуле (19) методических указаний последует, что
Аориент.
= N/ (φ γcRy)
= 303830/(0,8·1·3350) = 113,37 см2,
где N = 303,83 тс (303830 кгс) - наибольшее
усилие сжатия в поясе; φ = 0,8 - коэффициент
продольного изгиба для первого приближения.
Для повышения степени унификации при подборе
сечения верхнего пояса желательно учесть поперечный размер уже принятого
нижнего пояса. Поэтому из сортамента прямоугольных профилей (приложение 2)
выбирается стержневой элемент 400
300
7,0
мм с А = 94,36 см2 и радиусами инерции ίх
=15,36 см; ίу
= 12,34 см.
При соответствующем креплении листов
профилированного настила между собой и с прогонами покрытия образуется жесткий
диск, который препятствует перемещению узлов верхнего пояса в направление из
плоскости фермы. Поэтому расчетная длина верхнего пояса lx =ly=
225см, а его гибкость λx=225/15,36
= 14,648 - в плоскости фермы; λу
= 225/12,34 = 18,23 - из плоскости фермы. Последний параметр имеет решающее
значение при определении коэффициента продольного изгиба, вычисляемого в данном
случае по формуле (20) методических указаний:
φ = 1 - 0,066
= 1 - 0,066·0,728
= 0,959
где
=
λ
=18,23
= 0,728< 2,5 - условная гибкость.
Проверка устойчивости верхнего пояса имеет вид:
N/ (φ γcRyA)
= 303830/(0,959*1*3350*113,63) = 1,002≈1< 1.
Для предотвращения продавливания поясов
поперечный размер стержней решётки рекомендуется принимать не менее 0,6 ширины
поясного элемента, то есть 0,6*300=180 мм. В качестве конструкционного
материала стержневых элементов решетки принимается менее прочная, но более
доступная по цене сталь С 245 с Ry = 240 МПа (2400кгс/см2)
при t=4…20 мм.
Из всех раскосов решетки наиболее нагружен
опорный, который растянут усилием N = 1350,39 кН (135039 кгс, раскос 1-14) и для
которого из условия прочности по формуле (18) методических указаний
Атреб. = N/ (γcRy)
=135039 /(1*2400) = 56,27 см2.
По сортаменту квадратных профилей (приложение 1
подбирается стержневой элемент □ 180
9
мм с А = 58,78 см2 и iх = 6,89 см. Расчетная длина
опорного раскоса в плоскости и из плоскости фермы lx = 273 см,
гибкость λх
= 313,5/6,89= 45,5; а проверка прочности показывает, что
N/ (γcRyА)
= 135039/ (1*2400*58,78) = 0,957 < 1,03.
Раскос 3-14 является наиболее нагруженным из
сжатых стержней решетки. Из условия устойчивости по формуле (19) методических
указаний последует, что
Аориент. = N/
(φγcRy)
= 110488/(0,8*1*2400) =57,546 см2,
По сортаменту квадратных профилей (приложение 1
методических указаний) подбирается стержневой элемент □ 200
7
мм с А = 52,36 см2 и iх =iу = 7,81 см.
Расчетная длина опорного раскоса в плоскости и из плоскости фермы lx
= ly = 323 см, гибкость λх
= 323/7,81 = 41,35; а проверка прочности показывает, что
N/ (φγcRyА)
= 110488/ (0,891*1*2400*52,36) = 0,986 < 1.
где φ = 1 - 0,066
= 1-0.066*1.398
= 0.891 -коэффициент продольного изгиба, вычисленный по формуле (20)
методических указаний;
= 41,35
= 1,398 < 2,5 - условная гибкость;
Для внутреннего раскоса 3-15, который испытывает
растяжение с усилием N = 859,37 кН (37247 кгс) определяем условия прочности по
формуле (18) методических указаний:
Атреб. = N/ (γcRy)
= 85937/(1·2400) = 35,807 см2.
По сортаменту квадратных профилей подбирается
стержневой элемент □ 180
5,5 мм с А = 37,61
см2 и iх = 7,09 см. Проверка прочности показывает
N/ (γcRyА)
= 85937/ (1*2400*37,61) = 0,95 < 1.
Внутренний раскос 5-15 испытывает сжатие с
усилием N = -613,86кН (61386кгс) и для которого из условия прочности по формуле
(18) методических указаний
Аориент. = N/ (φ
γcRy) =
61386/(0,8*1*2400) = 31,97 см2.
По сортаменту принимаем прямоуголный профиль □
120
180
6
мм с А = 33,63 см2 и iх = 4,87 см. Расчетная длина
опорного раскоса в плоскости и из плоскости фермы lx = ly
= 323,0см; а проверка прочности показывает, что
N/ (φγcRyА)
= 61386/ (0,778*1*2400*18,34) = 0,98 < 1.
где φ = 1 - 0,066
= 1-0.066*2,24
= 0,778 -коэффициент продольного изгиба, вычисленный по формуле (20)
методических указаний;
= 66,32
= 2,24 < 2,5 - условная гибкость;
λ = 292,9/4,87 = 66,32
- расчетная гибкость;
Для внутреннего раскоса 5-16, который испытывает
растяжение с усилием N = 368,35 кН (36835 кгс) определяем условия прочности по
формуле (18) методических указаний:
Атреб. = N/ (γcRy)
= 36835/(1*2400) = 15,348 см2.
По сортаменту прямоугольных профилей (приложение
2) методических указаний подбирается стержневой элемент □ 60
180
4
мм с А = 18,15 см2 и iх =6,11 iу = 2,56 см.
Проверка прочности показывает, что
N/ (γcRyА)
= 36835/ (1*2400*18,15) = 0,846 < 1.
Внутренний раскос 7-16 испытывает сжатие с
усилием N = -122,84кН (12284кгс) и для которого из условия прочности по формуле
(18) методических указаний
Аориент.
= N/ (φ γcRy)
= 12284/(0,8*1*2400) = 6,4 см2.
По сортаменту принимаем прямоугольный профиль □
60
180
4
мм с А = 18,15см2. Расчетная длина раскоса в плоскости и из
плоскости фермы lx = 52,08 ly =124,3 см; а проверка
прочности показывает, что
N/ (φγcRyА)
= 12284/ (0,432*1*2400*18,15) = 0,653 < 1.
Стойки решетки испытывают сжатей с усилием N =
-17,361 тс (17361 кгс, стойки 2-14, 4-15, 6-16) и для которого из условия
прочности по формуле (19)
Аориент. = N/ (φγcRy)
= 17361/(0,8*1*2400) = 9,042 см2.
По сортаменту принимаем прямоугольный профиль □
180
60
4
мм с А = 18,15 см2 и iх =6,11 см2. Расчетная
длина раскоса в плоскости и из плоскости фермы lx = ly =
225см; а проверка прочности показывает, что
N/ (φγcRyА)
= 17361/ (0,91*1*2400*18,15) = 0,438 < 1.
где φ = 1-0.066*1,25√1,25
= 0,91 -коэффициент продольного изгиба, вычисленный по формуле (20)
методических указаний;
= 36,825
= 1,25 < 2,5 - условная гибкость;
λ = 225/6,11 = 36,825 -
расчетная гибкость
Основные результаты расчета стержней фермы
оформляются в табличном виде (табл. 2).
Табл. 2. Результаты подбора сечения стержней.
|
Результаты
подбора сечения стержней
|
|
№
|
Сечение,
мм
|
Класс
стали
|
А,
см2
|
ix,
см
|
iy,
см
|
N,
кН
|
lx,
см
|
lу,
см
|
λх
|
λу
|
φ
|
σ, Мпа
|
Ry
кгс/см2 (γc=1)
|
σ/γcRy
|
|
|
|
|
|
|
+
|
-
|
|
|
|
|
|
+
|
-
|
|
|
|
1
|
300*8,5
|
С345
|
96,63
|
11,82
|
11,82
|
3125
|
|
450
|
450
|
38,07
|
38,07
|
|
3234
|
|
3350
|
0,965
|
|
2
|
400*300*7
|
С345
|
94,36
|
15,36
|
12,34
|
|
3038,3
|
225
|
225
|
14,65
|
18,23
|
0,959
|
|
2674
|
3350
|
1,002
|
|
3
|
180*9
|
С245
|
58,78
|
6,89
|
6,89
|
1350,4
|
|
313,5
|
313,5
|
45,5
|
45,5
|
|
2297
|
|
2400
|
0,957
|
|
4
|
200*7
|
С245
|
52,36
|
7,81
|
7,81
|
|
1104,9
|
323
|
323
|
41,35
|
41,35
|
0,891
|
|
1917
|
2400
|
0,986
|
|
5
|
180*5,5
|
С245
|
37,61
|
7,09
|
7,09
|
859,37
|
|
313,5
|
313,5
|
44,2
|
44,2
|
|
2285
|
|
2400
|
0,95
|
|
6
|
120*180*6
|
С245
|
33,63
|
4,87
|
6,66
|
|
613,86
|
323
|
323
|
66,32
|
48,5
|
0,78
|
|
2345
|
2400
|
0,977
|
|
7
|
60*180*4
|
С245
|
18,15
|
6,11
|
2,56
|
368,35
|
|
313,5
|
313,5
|
51,3
|
122,46
|
|
2029
|
|
2400
|
0,845
|
|
8
|
60*180*4
|
С245
|
18,15
|
6,11
|
2,56
|
|
122,84
|
318,2
|
318,2
|
51,08
|
124,3
|
0,846
|
|
800
|
2400
|
0,333
|
|
9
|
180*60*4
|
С245
|
18,15
|
6,11
|
2,56
|
|
173,61
|
225
|
225
|
36,825
|
87,89
|
0,91
|
|
1052,2
|
2400
|
0,438
|
Все стержни решетки, непосредственно
привариваемые к верхнему и нижнему поясам фермы, имеют поперечные размеры,
превышающие 0,6 ширины поясных элементов. Дополнительные стержни решетки в
узлах излома поясов соединяется с последними посредством монтажных стыков на
болтах и фланцах. Стержни являются основными элементами таких решетчатых
конструкций, как фермы покрытий. Их масса главным образом влияет на основные
технико-экономические характеристики той или иной конструкции. Масса стержневых
элементов рассматриваемой фермы приводится в табл. 5, где линейные размеры
указываются в осях без учета конструктивных эксцентриситетов в узлах.
После нахождения общей массы стержневых
элементов можно вычислить их приведенную массу:
s
= 4990,6/(27*12) = 15,4 кг/м2,
где величина в знаменателе определяет грузовую
площадь фермы покрытия. Полученный параметр интересно сравнить со значениями,
использованными при сборе нагрузок
s
= 10,8…21,6 кг/м2.
Табл. 3. Масса стержневых элементов
|
Сечение,
мм
|
Длина,
м
|
Кол-во,
шт.
|
Масса,
кг
|
Примечание
|
|
|
|
1
м
|
1
шт.
|
всех
|
|
|
□400 300 7
|
11,255
|
2
|
74,07
|
833,66
|
1667,3
|
Пояса
|
|
□400 300 7
|
4,5
|
1
|
74,07
|
333,3
|
333,3
|
|
|
□300 8,5
|
9,004
|
2
|
75,85
|
682,95
|
|
|
□300 8,5
|
4,5
|
1
|
75,85
|
341,32
|
341,32
|
|
|
3707,8
|
Итого
|
|
□180 9
|
3,135
|
2
|
46,14
|
144,65
|
289,3
|
Решетка
|
|
□200 7
|
3,23
|
2
|
41,1
|
132,75
|
265,5
|
|
|
□180 5,5
|
3,135
|
2
|
29,52
|
92,55
|
185,09
|
|
|
□120 180 6
|
3,23
|
2
|
26,4
|
85,27
|
170,5
|
|
|
□60 180 4
|
3,135
|
2
|
14,25
|
44,67
|
89,35
|
|
|
□60 180 4
|
3,182
|
2
|
14,25
|
45,34
|
90,7
|
|
|
□180 60 4
|
2,25
|
6
|
14,25
|
32,06
|
192,37
|
|
|
1282,82
|
Итого
|
|
4990,6
|
Всего
|
Очевидно, что с ростом нагрузки (например, от
веса снегового покрова) приведенная масса стержневых элементов будет
увеличиваться, приближаясь к верхней величине. Имеющаяся разница значений ms
рассчитываемой фермы может быть отнесена в общий запас прочности разрабатываемой
конструкции и использована в процессе дальнейшей эксплуатации, а также
возможной реконструкции.
Рис. 3. Схемы компоновки стержней в виде
отправочных марок фермы покрытия: Ф-11.25 и Ф-4.5 - маркировка отправочных элементов
фермы
Унифицированные и рассчитанные стержни
необходимо скомпоновать друг с другом в виде отправочных марок, на которые
расчленяется ферма покрытия. Для построения элементов фермы используют
двухмасштабное изображение. При оформлении бесфасоночных сопряжений
прямоугольных и квадратных замкнутых профилей используют узловые
эксцентриситеты, величина которых в данном случае не должна превышать:
/4 = 100 мм - в верхнем поясе;
/4 = 75 мм - в нижнем поясе.
В таких узлах стержневые элементы подгоняются друг
к другу с обязательным наличием между ближайшими сварными швами зазоров,
составляющих в свету не менее 10…20 мм. Масса наплавленного металла швов,
выполняемых по заводским технологиям, как правило, не превышает 1…1,5% от массы
свариваемых элементов.
. Конструирование и расчет монтажных стыков
Монтажные соединения стальной фермы покрытия
необходимо конструировать с учетом их расположения в узлах излома верхнего и
нижнего поясов. Для обеспечения необходимого уклона (ί
= 0,025%)
стержневые элементы поясов 11,25-метровых отправочных марок фермы (Ф-11,25)
привариваются к фланцам только после соответствующего косого реза их торцов.
Аналогичные поясные элементы 4,5-метровой вставки (отправочной марки Ф-4,5),
имеющей нулевой уклон (ί = 0), отличаются
прямым резом их торцов. Кроме того, в собранных на монтаже стыках между
фланцами для прикрепления дополнительных стержней решетки фермы размещаются
плоские прокладки из листового проката, приваренные в заводских условиях к
стержневым элементам замкнутого профиля.
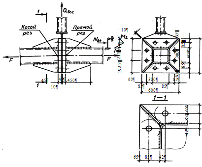
Монтажные стыки нижнего пояса фермы воспринимают
продольное усилие поясного элемента Fнп = N16-17 = 3124,8
кН и местную поперечную силу Qloc = N6-16 = N8-17
= -122,84 кН (рис. 4.). Такая нагрузка во фланцевых соединениях без
предварительного напряжения болтов (тип Б) вызывает в последних одновременное
действие и растяжения, и среза, вынуждая их работать в условиях сложного
напряженно - деформатированного состояния. Более предпочтительны фланцевые
соединения с предварительным натяжением болтов (тип А), величина которого
такова, что продольная нагрузка не может разжать стянутые фланцы, а поперечная
- преодолеть трение между ними. Величина продольной силы F, стягивающей
подобным образом фланцы, составляет
= Fнп + Floc = Fнп
+ Qloc/μ =
3124,8+122,84/0,25 = 3616,16 кН
где Floc = Qloc/μ
- контактное
усилие, необходимое, согласно формуле (40), для восприятия трением поперечной
нагрузки; μ = 0,25 - коэффициент трения
соединяемых поверхностей без их обработки.
Рис. 4. Схема монтажного стыка нижнего пояса
фермы.
Для подбора сечения болтов по конструктивным
соображениям можно принять их общее число nв = 8 и класс прочности
10.9. Тогда из условия прочности (30) с учетом выражения (31) можно записать:
Аbn,треб. = F/ (0,9nbRbt)
= 361616 (0,9·8·5000) = 10,045 см2,
где Rbt = 500 МПа = 5000 кгс/см2
- расчетное сопротивление растяжению (табл. 7 методических указаний.).
Из сортамента (табл. 8 методических указаний)
выбирают болт М42 класса 10.9 с расчетной площадью сечения "нетто" Аbn
= 11,2 см2, проверка прочности которого имеет следующий вид:
/ (0,9nbNbt) = 361616/
(0,9*8*56000) = 0,9<1,
где Nbt = Rbt Аbn
= 5000·11,2 = 56000 кгс = 560 кН - расчетное усилие, согласно формуле (31)
воспринимаемое одним болтом на растяжение, с которым его предварительно
натягивают, чтобы фланцевое соединение работало по типу А.
Рассчитываемое болтовое соединение М42
необходимо разместить безмоментно (симметрично) относительно центра тяжести
сечения поясного элемента, как можно ближе к нему и с учетом минимально
допустимых расстояний от профиля и ребра жесткости до оси болта bb =
85 мм и от оси болта до края фланца cb = 65 мм (табл. 6 методических
указаний). При этом каждый из 8 болтов должен быть равноудален от профиля и от
ребра жесткости.
Под действием нагрузки фланец изгибается.
Значение изгибающих моментов вычисляются по формулам (36 методических
указаний):
М1 = 0,9Nbtl1bb(l1
+ cb)/(3l12 - cb2)
= 0,9*56000*15*8,5*(15 + 6,5) / (3*152 - -6,52)=218347
кгс·см;
М2 = 0,9Nbtbв2(3l1
- bв)/(3l12 - cb2) =
0,9*56000*8,52(3*15-8,5)/(3*152 - 6,52) =
210053кгс·см,
где l1 = bв + cв
= 8,5 + 6,5 = 15 см.
Из условия прочности фланца на изгиб (35) для
его толщины tѓl с учетом момента сопротивления сечения при развитии
неупругих деформаций по формуле (37 методических указаний) можно записать:
ѓl,треб.
=
=
=
3,27 см,
где Мmax - наибольший изгибающий
момент, Мmax = М1 = 218347 кгс*см;
γс
- коэффициент условий работы, γс
= 1; Ry,ѓl - расчетное сопротивление стали фланца по пределу
упругости, Ry,ѓl = 380 МПа = 3800 кгс/см2 (сталь С 390);
b1 - шаг болтов, b1 = 21,5 см.
С учетом рекомендуемого сочетания диаметра
болтов и толщины фланца
М42 - tѓl = 40 мм
принимается последнее значение. Тогда момент
сопротивления сечения при развитии неупругих деформаций составляет
ѓl
= b1tѓl2/4 =21,5*4,52/4 = 86 см3,
а проверка прочности на изгиб имеет вид
/(Wѓl γс
Ry,ѓl) = 218347/(86*1*3800) = 0,668< 1.
Без развития неупругих деформаций
ѓl
= b1 tѓl2/6 = 21,5*4,52/6 = 57,33
см3/(Wѓl γс
Ry,ѓl) = 218347/(57,33*1*3800)=1,002≈1
Рассчитываемый фланец растянутых стыков
приваривается к поясному элементу (□300
300
8,5
мм) односторонними угловыми швами. Для обеспечения необходимой длины таких швов
используются ребра жесткости длиной 1,5 стороны профиля (но не менее 200 мм) и
толщиной не более 1,2 толщины профиля, то есть 1,5*300 = 450 мм и 1,2*8,5 =
10,2≈10 мм.
Сварные швы между фланцами и поясными элементами
с ребрами жесткости необходимо проверить расчетом на прочность по формулам (41)
- (43) методических указаний:
по металлу шва
F/ (βѓkѓlwRwѓγwѓγc)
= 312480/(0,7*1*277,7*2000*1*1) = 0,8 < 1;
по металлу границы сплавления с элементом пояса
F/ (βzkѓlwRwzγwzγc)
=312480 /(1*1*277,7 *1650*1*1) = 0,682 < 1;
по металлу границы сплавления с фланцем в
направление толщины проката
F/ (βzkѓlwRthγwzγc)
= 312480/(1*1*277,7*1900*1*1) = 0,59 < 1,
где F - нагрузка на сварные швы, F = Fнп
= 312,48 тс = 312480 кгс;ѓ - катет угловых швов, kѓ = 9
мм ≤ 1,2tmin = 1,2*8,5 =10,2 принимаем равным 10 мм; lw
- расчетная длина шва, принимается меньше его полной длины на 1см, lw
= (30 - 1)4 + (15/0,7071 - 1)8 = 277,7 см; βѓ
= 0,7; Rwѓ = 2000 кгс/см2, γwѓ
= 1 - полуавтоматическая сварка в среде углекислого газа проволокой Св08Г2С; βz
=
1, γwz = 1, Rwz
= 165 МПа = 1650 кгс/см2 - для стали С 245 ребер жесткости (табл. 3
методических указаний); Rth = 0,5Ry = 0,5·3800 = 1900
кгс/см2 - для стали С 390 фланца.
Здесь во второй проверке в качестве элемента
пояса принимается ребро жесткости из менее прочного материала (сталь С 245),
чем профиль пояса (сталь С 345). Кроме того, здесь необходимо проверить
расчетом на прочность двухсторонние угловые швы, соединяющие 4 ребра и профиль:
по металлу шва
F/ (βѓkѓlwRwѓγwѓγc)
= 312480/(0,7*1*352*2000*1*1) = 0,63 < 1;
по металлу границы сплавления
F/ (βzkѓlwRwzγwzγc)
= 312480/(1*1*352*1650*1*1) = 0,54 < 1,
где lw = (45 - 1)8 = 352 см.
Для повышения степени унификации болтовые
соединения, рассчитанные в растянутых стыках нижнего пояса, целесообразно
принять и в сжатых стыках верхнего пояса, где болты можно затягивать без их
предварительного напряжения.
Сжатые фланцы обычно в 1,5…2 раза тоньше
растянутых (tѓl = 45/(2…1,5) = 22,5…30 мм). Приняв tѓl = 24
мм и bѓl = 600 мм - соответственно толщину и ширину фланца,
необходимого его в опорном узле фермы проверить расчетом из условия прочности
на смятие согласно формуле (44 методических указаний):
/ ( bѓl tѓlRp)
= 104166/(60*2,4*3600) = 0,2 < 1,
где V - опорная реакция фермы, V = 104,166 тс =
104166 кгс; Rp - расчетное сопротивение стали смятию торцевой
поверхности, для стали С 245 Rp=360=МПа = 3600 кгс/см2
(табл. 3 методических указаний).
Рис.5. Схема опорного узла фермы.
Высота опорного фланца подбирается таким
образом, чтобы он для четкости опирания выступал минимум на 10…20 мм ниже
сварного шва, соединяющего его с профилем пояса. Для лучшей пригонки нижний
торец опорного фланца необходимо фрезеровать.
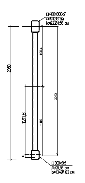
В монтажных стыках верхнего пояса (рис. 6)
фланцы имеют те же размеры, что и в опорных узлах фермы. Прочность такого
фланцевого соединения в соответствии с формулой (40 методических указаний) надо
проверить расчетом на действие местной поперечной силы, как и в монтажных
стыках нижнего пояса, составляющей Qloc = 97,6 кН:
loc/(μFвп)
= 97,6/(0,25*3038,3) = 0,13 < 1,
где μ = 0,25 - коэффициент
трения соединяемых поверхностей без их обработки; Fвп = N7-8
= N8-9 = 3038,3 кН - продольное усилие поясного элемента.
Рис. 6. Схема монтажного стыка верхнего пояса
фермы.
После конструирования и расчета монтажных стыков
можно приступать к разработке чертежей отправочных марок, спецификации и
ведомости отправочных элементов фермы. Из этой ведомости следует, что общая
масса фермы равна 2416,28 кг и в перерасчете на 1 м2 горизонтальной
проекции покрытия составляет
= 5796,7/(27*12) = 17,9 кг/м2.
Тогда, используя формулу (5), можно вычислить
строительный коэффициент массы
m
= m/ms = 17,9/15,4 = 1,16
где ms = 15,4 кг/м2 -
приведенная масса стержневых элементов.
. Расчет фермы на деформативность
Для определения прогиба фермы необходимо
вычислить момент инерции ее поперечного сечения в середине пролета (рис. 7):
Ус =
(94,36*235+96,63*10)/(94,36+96,63) = 121,16 см;
Унп = 121,16-10 = 111,16 см;
Увп = 225-111,16 =113,84 см;x
= 22261,56+94,36*113,842 + 13497,83+96,63*111,162
=2452635,11 см4.
Рис. 7. Схема поперечного сечения фермы.
Сечение верхнего и нижнего поясов, а также
вычисленный момент инерции является постоянным по всему пролету фермы. Поэтому
коэффициент влияния изменения момента инерции сечения фермы по длине пролета kI
= 1. Тогда выражение (47 методических указаний) для балочного прогиба ѓБ
можно переписать следующим образом:
ѓБ = kI
(Fίaί
)
= 
aί
(3l2 - 4aί 2),
где Fί
- узловая нормативная нагрузка, Fί
= Fn =12,717 тс =12717 кгс; aί
- расстояние от опоры до точки приложения силы Fί;
в данном случае узловые нормативные нагрузки Fn приложены в точках
2, 3, 4,…, 10, 11, 12 балочного аналога фермы (рис. 8).
Рис. 8. Расчетная схема для определения
балочного прогиба
Величину, стоящую под знаком суммы в последнем
выражении, удобно вычислить, используя симметрию балочной схемы:
aί
(3l2 - 4aί 2)
= 2[2,25 *(3*272 - 4*2,252) + 4,5 (3*272 -
4*4,52) + 6,75*(3*272 - 4*6,752) + 9*(3*272
- 4*92) + 11,25*(3*272 - 4*11,252)] +
13,5*(3*272 - 4*13,5) =146802 м3 =146802 * 106
см3.
Прогиб балочного аналога фермы составляет
ѓБ =
=
7,55 см,
где Е = 210000 МПа = 2100000 кгс/см2
- модуль продольной упругости стали.
Найденный прогиб интересно сравнить с
аналогичным прогибом балки под нормативной распределенной (погонной) нагрузкой
qn = 56,52 кН/м = 2736 кгс/см, так как число узловых нагрузок
(сосредоточенных сил) делает такое сравнение вполне корректным:
ѓБ = 
=
=
7,59см;
= 0,527…0,529%.
Зная прогиб балочного аналога, можно по формуле
(46 методических указаний) определить прогиб фермы:
ѓ = kѓpkѓuѓБ =
1,2*1*7,59= 9,108 см,
где kѓp = 1+2,4*2,25/27 = 1,20 -
коэффициент влияния податливости решетки (h = 2,25 м - высота фермы); kѓu
=1 - коэффициент влияния податливости монтажных соединений на фланцах с
предварительным напряжением болтов (тип А).
Несущая способность фермы по деформативности (по
второй группе предельных состояний) обеспечена, так как согласно условию (45
методических указаний)
ѓ = 9,108 см =l /296 < ѓu = l/250
где ѓu - предельно допустимый прогиб.
Библиографический список
стальной ферма покрытие
деформативность
1.
Металлические конструкции. В 3 т. Т. 1. Элементы конструкций: Учебник для
строительных вузов / Под редакцией В.В. Горева. - М.: Высшая школа, 2001. - 551
с.
.
Металлические конструкции. В 3 т. Т. 1. Общая часть. (Справочник
проектировщика) / Под общей ред. В.В. Кузнецова - М.: Изд-во АСВ, 1998. - 576
с.
.
Металлические конструкции. В 3 т. Т. 2. Стальные конструкции зданий и
сооружений. (Справочник проектировщика) / Под общ. ред. В.В. Кузнецова. - М.:
Изд-во АСВ, 1998. - 512 с.
.
Трофимов В.И., Каминский А.М. Легкие металлические конструкции зданий и
сооружений: Учебное пособие. - М.: Изд-во АСВ, 2002. - 576 с.
.
СНиП II-23-81*. Стальные конструкции / Госстрой России. - М.: ГУП ЦПП, 2000. -
96 с.
.
СП 53-102-2004. Общие правила проектирования стальных конструкций /Госстрой
России. - М.: ФГУП ЦПП, 2005. - 132 с.
.
СНиП 2.01.07-85*. Нагрузки и воздействия / Госстрой России. - М.: ГУП ЦПП,
2003. - 44 с.
.
Марутян А.С. Проектирование стальных перекрестных ферм. - Кисловодск: ЗАО
"Завод металлоконструкций", 2002. - 80 с.
.
Статический расчет плоских ферм: Методические указания / А.С. Марутян. -
Пятигорск: Издательство ПГТУ, 2005. - 28 с.
.
Динамический расчет плоских ферм: Методические указания / А.С. Марутян. -
Пятигорск: Издательство ПГТУ, 2005. - 28 с.